无毒无害证明word精品
- 格式:docx
- 大小:6.15 KB
- 文档页数:1
有限公司Co.,Ltd.有害物质不使用保证书Certificate of Conformance for RoHSTO:有限公司兹证明我司自年月日起,由我司供应给有限公司的所有产品不含、或所含有的铅Pb、镉Cd、汞Hg、六价铬Cr6+、多溴联苯PBB和多溴联苯醚PBDE的浓度不超过如下要求:有害物质成分含量(ppm)有害物质成分含量(ppm)铅Pb ≤100ppm 镉Cd ≤5ppm汞Hg N.D 六价铬Cr6+ N.D 多溴联苯PBB N.D 多溴联苯醚PBDE N.D我司将负责审核并更新RoHS状态。
并根据最新的产品状态提交RoHS测试报告和证明文件。
所有因产品与本证明不相符而造成的一切法律责任和经济损失,由我司全部负责!We certify that all delivery at the beginning of (Month-year)will conform RoHS, All part(s) which delivered to does not include the six substances (Pd (Lead), Cd (Cadmium), Hg (Mercury), Cr6+ (Hexavalent Chromium), PBB (Polybrominated Biphenyl) and PBDE (Polybrominated Diphenyl Ether)) or thesubstanecs Spec(ppm)substanecs Spec(ppm)Pb ≤100ppm Cd ≤5ppmHg N.D Cr6+ N.DPBB N.D PBDE N.D The related test documents of the RoHS items from the authorized party are provided and enclosed as attachment. This certificate will be valid in a long term. We will take responsibility to review and update the RoHS table list and resubmit the RoHS test report and Certification of Compliance according to the actual RoHS status. We will be responsible for all legal duty, fines, damages and other economic losses arising from unconformity between our products and this certification!授权人签名和公司盖章Authorized Signature and Company Chop 签字日期Signature DatePage 1 of 1。
本文部分内容来自网络整理,本司不为其真实性负责,如有异议或侵权请及时联系,本司将立即删除!== 本文为word格式,下载后可方便编辑和修改! ==环保证明编者按:编辑为你精心整理了多篇环保证明范文,你可以复制或下载全文。
除该篇环保证明文章外,你也可以在本站搜索其他更多文章。
我们衷心希望能给你的工作、学习、生活带来便捷。
目录∙第1篇:环保证明∙第2篇:环保证明doc∙第3篇:环保证明怎么开∙第4篇:上海环保证明∙第5篇:环保证明流程表∙第6篇:申请出具环保证明流程表.doc∙第7篇:环保验收证明∙第8篇:环保合格证明∙第9篇:环保达标证明申请∙第10篇:环保达标证明正文第1篇:环保证明环保证明东营市科技局:胜利油田胜利化工有限责任公司研发的“新型不含有机氯破乳剂的研究与应用”项目符合环境保护有关要求。
特此证明。
东营市环境保护局东营分局二〇一二年六月二十日环保证明东营市科技局:胜利油田胜利化工有限责任公司研发的“双子双季铵盐杀菌剂的研究与应用”项目符合环境保护有关要求。
特此证明。
东营市环境保护局东营分局二〇一二年六月二十日环保证明东营市科技局:胜利油田胜利化工有限责任公司研发的“分步法生产磺甲基酚醛树脂合成新工艺研究及应用”项目符合环境保护有关要求。
特此证明。
东营市环境保护局东营分局二〇一二年六月二十日第2篇:环保证明doc环境保护设施汽车污染已经成为世界的一大公害,由于汽车尾气排放、噪声污染,已经给环境带来了较大的危害,严重危害人类健康。
因此,提高道路道路运输从业人员的环境意识,正确维护和驾驶车辆有利于降低汽车尾气排放和减少空气污染,我公司所有参加营运的车辆,经常进行维护,全部装有废气处理系统,按时到有关检测机构进行尾气检测,要求驾驶员按经济车速行驶,匀速行驶。
及时更换老旧车辆,加强更新换代。
我公司是道路运输企业,主要是生活垃圾,全部由市政环卫处统一回收处理。
生活废水进入市政污水管道进行处理,没有对环境造成污染的废弃物、废水和污水,所以不需要环境保护设备。
无有害成分证明模板
无有害成分证明
兹证明,我方生产的[产品名称],经过严格检测,确认其无有害成分存在,符合相关法规和标准的要求。
具体情况如下:
产品信息:
产品名称:[产品名称]
生产日期:[生产日期]
批次号:[批次号]
生产厂家:[生产厂家]
检测结果:
经过权威检测机构对上述产品进行检测,检测结果显示,[产品名称]不含以下有害成分:
重金属:铅、汞、镉、铬等重金属含量均未超出国家标准规定的范围。
有害化学物质:甲醛、苯、苯并[a]芘等有害物质未检出。
有毒物质:我们的产品中无添加任何有毒物质,符合相关法规的要求。
其他信息:
此次检测结果仅适用于上述生产日期和批次的产品,我方郑重声明,后续生产的同类产品将继续保持相同的生产工艺和质量标准,确保产品的安全性和可靠性。
感谢您对我们产品的信任与支持。
如有其他需要,请随时与我方联系。
特此证明。
[公司名称]
[签字:]
日期:[具体日期]。
的根源就是质量问题。
如操作人员在生产过程中,违反生产工艺规程、检验规程、设备操作规程安全操作规程,这就可能发生安全事故;有些员工对发生的质量问题处置不当,这也是造成安全事故的主要原因之一。
处置不当与违规操作虽然不同,但都属于工作质量问题。
质量安全谁第一?实际上,质量和安全不是一对矛盾的两个方面,也不是同一范畴的不同层次的概念,不存在“谁第一”的问题。
即使在自己的哲学范畴内,“质量第一”和“安全第一”也是相对的。
质量是与数量,具体地说是与产值、产量、进度等比较而言的,也就是说,质量和数量这对矛盾中,质量占着第一的地位。
安全和生产是一对矛盾,也就是说,与生产相比较,应当把安全放在第一的地位。
但质量与安全是有密切关系的。
比喻彩虹桥事故,不就是典型的产品(材料)质量问题和工程质量问题而引发的特别重大安全事故吗?又比喻某施工单位在胶济线因不按设计施工,挡墙施工质量存在严重的质量问题而引发的安全事故?还比喻某施工单位在既有线改造施工中,因架设的接触网导线未达到标准高度,致使导致导线挂车影响行车问题,不正是因为作业人员工作质量问题而引发的行车安全事故?凡此种种,均是因为产品质量、工程质量和工作质量问题,导致安全事故的一再发生。
产品质量、工程质量、工作质量是安全的最基本的、最起码的、最重要的要求。
这个问题不解决,安全问题就得不到根本的解决。
在不安全的条件下,操作者心情紧张,心理压力加重,必然影响其操作的规范性,也就必然危及产品质量。
正因如此,ISO9000标准才将基础设施和工作环境作为重要的质量管理体系要素。
在ISO9004∶2000标准中,明确规定管理者应当“营造适宜的工作环境”,包括考虑“安全规则和指南”、“人类工效”、“热度、湿度、光线、空气流动”、“卫生、清洁度、噪声、振动和污染”等。
其目的为了管理规范化、程序化、制度化,为保证质量、安全本提供人性化的工作环境。
有害物质符合性声明
XXXXXX有限公司:
我公司在此声明,积极配合XXXXXX有限公司的有害物质管控工作,我公司提供给贵司的物料均符合贵司的以下有害物质管控标准:
ROHS检测项目限值要求
SVHC检测项目限值要求
其它检测项目限值要求
*有意识的添加是指为了给产品的特性、外观或质量带来特定的效果,而希望不断地含有上述某种化学物质,在制造产品或零部件时故意使用的意思.
我司在此承诺:
1、在RoHS 产品及单据上注明RoHS 字样;否则按非RoHS 品为不合格品处理。
2、根据贵司的标准要求,对提供给贵司的所有RoHS 需求的产品进行权威检测,提供CTI或SGS 等权威
机构出具的有效检测报告;每年至少一次.
3、如我司因某种因素不能提供有效检测报告,贵司可以将我司所提供的产品送CTI、SGS 等权威机构进行
检测, 其检测费用由我司承担;
4、贵司对我司所提供的环保产品按CTI、SGS 等权威机构的检测报告为控制依据,我司所提供的环保产品
必须符合原送至CTI、SGS 等权威机构检测合格式样的材料品质保持一致;
5、我方如因某些因素中途变更材料或更改工艺,造成有害物质含量超出XXXX有限公司标准或受公司客户
投诉和索赔时,所造成的一切损失由我方负全责;
声明公司名称:
公司代表(签字盖章):
日期:。
环保合格证明篇一:表12(环保验收合格证)云南省市政基础设施工程表12环保验收合格证篇二:环保守法证明表格附件1企业环保守法情况证明经查,单位自20年月至今污染物达标排放,未有行政处罚记录(如有,则如实表述基本违法事实、处罚内容及执行情况)。
特此证明(单位公章)年月日附件2建设项目环境保护管理守法证明经查,单位有(无)向我局报批有关建设项目环评文件审批手续的记录。
具体记录如下:。
该企业如有其他未批先建、未经验收合格投入运行的建设项目,请组织查处。
(单位公章)年月日附件3工业固体废物和危险废物安全处置证明经查,单位的工业固体废物和危险废物在年均依法得到安全处置(如存在违法行为,如实表述违法事实)。
特此证明。
(单位公章)年月日附件4申请上市或再融资企业环保守法证明根据原国家环保总局《关于对申请上市的企业和申请再融资的上市企业进行环境保护核查的通知》(环发〔2019〕101号)和我局《关于申请上市的企业和申请再融资的上市企业进行环境保护核查的通知》(穗环〔2019〕125号)规定,经查,单位自20年月至今污染物达标排放,未有因违反国家和地方环境保护法律、法规受到处罚的记录。
(如有,则如实表述基本违法事实、处罚内容及执行情况)。
特此证明。
(单位公章)年月日企业环保守法情况核查表注:本表加盖审查单位公章后有效篇三:环保行业相关的证书环保行业相关的证书环保行业相关的证书环保职业被人们评为21世纪最热门的职业但是在各种毕业生供需见面会上环境专业人才经常受到冷遇。
环境类专业就业形势让我们觉得前途很迷茫。
很多学生都会选择考各种证书来增加自己的身价。
鉴于环境类专业自身的这种专业性很强的特点对学生的专业技能要求也比较高用人单位对毕业生的能力资格也是非常看重的此时有相关的证书还是有用的。
1环评上岗证一、报名资格以下是2019年的有关规定1、采取网上报名方式每月第一个工作日上午十点登录中国环境影响评价网进入考试与培训报名系统。
单位环保守法证明样本第一篇:单位环保守法证明样本环保证明办理:一、办理范围:本程序所称环保情况证明是指本区范围内企业(含新、扩、改和迁建企业),在接受考核、考评,申请认证,申报名牌产品,申请上市融资、贷款等工作过程中申请我局出具的守法证明、上市公司环保初步审核意见以及其他相关环保证明。
二、办理条件:办理环保情况证明的企业须递交以下基本材料:1、书面申请报告(格式见附件);2、工商营业执照复印件(加盖本单位公章);3、相关项目的环境影响评价批复与三同时验收批复复印件(生产工艺复杂、污染物排放量较大的企业要求提供完整的环评报告文件和三同时竣工验收报告复印件);4、近期(六个月)的环境监测报告;为上级环保部门出具初步核查意见的,要按照其要求提供其他所需材料。
三、办理程序:(一)一般程序:环保情况证明一般按以下程序办理:1、局办公室接到企业上报的申请文件及相关证明材料后,对于申报资料完整的企业,接受申请;资料不完整的企业,不接受申请。
2、对于已接受申请的企业,局办公室会同相关科室和部门在35个工作日内完成资料和现场核查工作。
3、核查结束后,局办公室根据相关科室和部门核查意见,对具备条件的企业,报分管领导审批同意后,出具环保证明;对不具备条件的企业指出原因,企业整改完成后,可重新按本程序申请。
(二)简化程序:对情况清楚、无环境违法记录企业,或环境影响评价文件为登记表的企业,经分管领导同意可即时出具环保情况证明。
有关部门在开展对企业评选、评优过程需环保部门出具环保情况证明的,参照该办理程序执行。
单位环保守法证明样本【1】经审查________企业(地址:____________)近____年来在环境保护方面遵守了国家和地方法规的规定,废水、废气、噪声达标排放、工业固废处置符合环保规定要求,无重大污染事故发生,没有违法和受环境行政处罚的情况。
特此证明。
________市环境保护局________年____月____日单位环保守法证明样本【2】兹证明____________有限公司,位于____,占地约____平方米,主要生产和销售____产品。
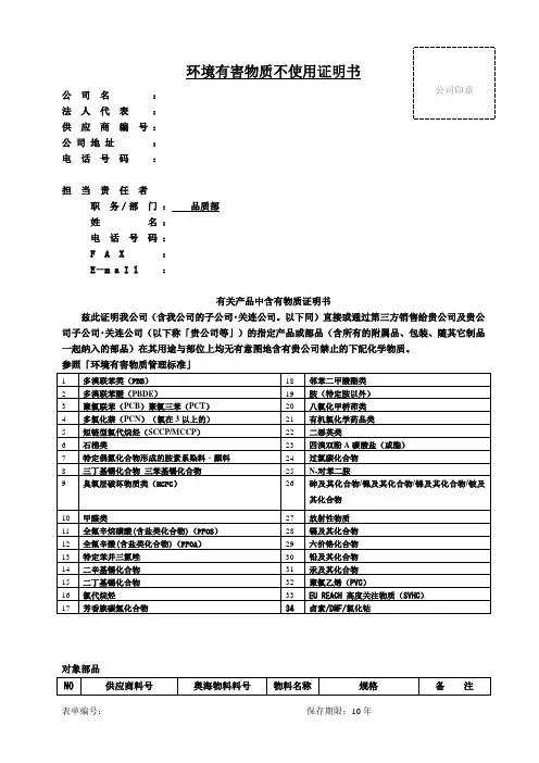
环境有害物质不使用证明书
公 司 名 :
法 人 代 表 : 供 应 商 编 号 : 公 司 地 址 : 电 话 号 码 :
担 当 责 任 者
职 务/部 门 : 品质部
姓 名 : 电 话 号 码 : F A X : E -m a I l :
有关产品中含有物质证明书
兹此证明我公司(含我公司的子公司‧关连公司。
以下同)直接或通过第三方销售给贵公司及贵公司子公司‧关连公司(以下称「贵公司等」)的指定产品或部品(含所有的附属品、包装、随其它制品一起纳入的部品)在其用途与部位上均无有意图地含有贵公司禁止的下記化学物质。
参照「环境有害物质管理标准」
对象部品
不足行时请自行追加。
注:
1.供应给奥海的所有部品都要填写在上表中。
2.在上表备注栏中明确部品是无卤还是非无卤。
我公司航空货物情况如下:中文名:胃溶型薄膜包衣预混剂英文名:Stomach-diluting pellicle coating pre-mixing agent用途:用于西药片、半浸膏药片、浸膏中药片、花粉片、口含片等片芯的薄膜包衣我公司保证:本品为多种药用辅料和不同颜色的着色剂的混合物,非易燃、易爆、易腐蚀、保证无毒、无污染、无气味的物品。
非氧化剂、非麻醉品、非精神类药品、非生产化学武器的原料,无放射性。
我公司申明本品不属于《联合国危险货物名表》及中华人民共和国交通部颁发的《各类危险货物引言明细表》的产品。
本品在航空运输方面属于非危险品。
如果在此运输过程中因本产品而产生的一切后果,由我公司承担全部责任及相应的法律后果。
特此证明!日期:公司签章:经办人:我公司航空运输货物情况如下:中文名:微晶纤维素英文名:Microcrystalline Cellulose作用与用途:本品具有赋型、粘合、吸水膨胀等作用,在药剂中主要用作直接压片的粘合剂、崩解剂和填充剂,主要用作片剂的制造。
本品也是食品添加剂,在食品工业中用作抗结块剂、分散剂、粘结剂,用于奶油、冰和冰冷饮料食品的制造。
我公司保证:本品为白色或类白色、无臭、无味、细微的晶状易流动的粉末。
非易燃、易爆、易腐蚀、保证无毒、无污染、无气味的物品。
非氧化剂、非麻醉品、非精神类药品、非生产化学武器的原料,无放射性。
我公司申明本品不属于《联合国危险货物名表》及中华人民共和国交通部颁发的《各类危险货物引言明细表》的产品。
本品在航空运输方面属于非危险品。
如果在此运输过程中因本产品而产生的一切后果,由我公司承担全部责任及相应的法律后果。
特此证明!日期:2005年2月26日公司签章:经办人:我公司铁路运输货物情况如下:中文名:淀粉英文名:Starch作用与用途:本品在药剂中主要用作稀释剂、填充剂、粘合剂等。
广泛用于片剂、丸剂、胶囊、散剂、糊剂等的制备。
我公司保证:本品为白色粉末,无臭、无味、在冷水或乙醇中均不溶解剖。
兹有(供应商) 公司(盖章)货物无毒承诺证明函我们按照《消费品安全改进法案》(CPSIA)的有关要求,保证出售到SPORTSPOWER 的货物所达到货物销售地的相关法律规定:1.含铅材料&表面涂层A﹑非表面涂层材料(底材)中的铅设定标准供应商在生产制造的过程中,,达到规定(2008美国消费品安全改进法案CPSIA),其中铅含量要求如下:a.2009年8月14日后≤300ppmb.2011年8月14日后≤100ppmB﹑涂料:(产品/配件表面的涂层、印刷油墨、烤漆等等,中铅含量要求低于90PPM供应商在生产制造的过程中不能使用有毒的烤漆粉及油墨,铅含量低于90PPM注:油漆﹑涂层或者镀层不能视为阻止儿童接触基材中铅的有效保护措施。
2.塑料部分:(Phthalate 6P邻笨二甲酸盐/增塑剂测)即使不是PVC, 有用到PVC成份, 均有含增塑剂的可能邻苯二甲酸二己酯(DEHP)邻苯二甲酸二丁酯(DBP)邻苯二甲酸苯基丁酯(BBP)对于玩具及儿童产品中的塑胶材料中作为成分或预加工产品中的组分,其重量百分比不得超过0.1%(单个) 邻苯二甲酸二异壬酯(DINP)邻苯二甲酸二异癸酯(DIDP)邻苯二甲酸二辛酯(DNOP)对于各年龄人群并可被儿童放入口中的玩具及儿童产品中的塑胶材料中作为成分或预加工产品中的组分,其重量百分比不得超过0.1%(单个)定义:可以放入儿童口中的玩具-----玩具的任何部件可以放入儿童口中并可以在其吸及咀嚼。
如果玩具或者其部件的某个方向的尺寸小于5厘米,或者三维尺寸相加大于5厘米,则为可以放入口中。
3.儿童产品的溯源性标签2009年8月14日后,儿童产品的制造商应在产品及包装上提供易于识别的永久性标识.溯源性标签必须包括一些基本信息,包括产地,生产日期以及更多的关于生产过程的详细信息,比如生产批次及其他识别信息。
4.PAHs(多环芳香烃) PAHs的限值必须符合下表:一类: 与食物接触的材料或三岁以下孩童会放入口中的物品和玩具BaP:不得检测到* (<0.2 mg/kg)16项PAHs总和: 不得检测到* (<0.2 mg/kg)二类:塑料,经常性和皮肤接触的部件,接触时间会超过30秒的部件,以及一类中未规范的玩具BaP:1 mg/kg16项PAHs总和: 10 mg/kg三类:塑料,偶尔性接触的部件,即与皮肤接触时间少于30秒的部件,或与皮肤没有接触的部件BaP:20mg/kg16项PAHs总和:200 mg/kg注意:所有橡胶材料, PVC, 橡塑,染料,及其它合成材料均有可能含水量有PAHs5.甲醛的检测(木秋千、球台类产品,纺织品,木器类)供应商保证在生产制造的过程中,甲醛的使用量达到标准。
使用土地无有害物质证明1.引言1.1 概述概述土地无有害物质证明是用于确认土地是否受到有害物质的污染的一种证明方式。
随着城市化的快速发展,土地的污染问题日益严重,这不仅对人类的健康和生态环境造成了威胁,也制约了土地的可持续利用。
因此,使用土地无有害物质证明对于确保土地的安全和可持续利用具有重要意义。
本文将介绍土地无有害物质证明的重要性以及如何进行土地无有害物质的证明。
首先,我们将探讨土地无有害物质的重要性。
随着农药、化肥、工业废料等化学物质的大量使用和排放,土壤中逐渐积累了大量的有害物质,这些有害物质会对土壤质量、农作物生长以及地下水资源造成严重影响。
因此,对土地进行无有害物质验证,可以有效地保护土地的生态环境和农产品的安全品质。
接下来,我们将介绍如何证明土地无有害物质。
土地无有害物质证明需要通过一系列的测试和检测手段来完成。
首先,可以通过土壤抽样和化验分析来检测土壤中的有害物质含量,例如重金属、农药残留等。
其次,还可以进行生物监测,通过对土壤中的微生物、植物和动物进行观察和分析,来评估土地的健康状况。
此外,还可以参考相关的法律法规和环境标准,对土地进行评估并取得相关的证明文件。
综上所述,土地无有害物质证明对于保护土地生态环境、确保农产品安全以及推动可持续发展具有重要意义。
通过对土地进行无有害物质验证,我们可以为农业生产提供安全的土壤基础,保护生态资源,促进农业可持续发展。
因此,在日益关注环境保护和可持续发展的背景下,进行土地无有害物质证明工作势在必行。
在下一节中,我们将详细介绍如何证明土地无有害物质的具体方法和步骤。
1.2文章结构文章结构是指论文或文章的组织方式和布局,它是整篇文章的骨架和框架,有助于读者明确文章的逻辑结构和内容安排。
本文主要介绍如何使用土地无有害物质证明,为了达到写作的目的和使文章具备可读性,文章结构的设立至关重要。
下面将详细说明本文的结构安排。
本文的结构主要分为三个部分:引言、正文和结论。
篇一:企业各种证明书范本委托书致:_________________公司我单位现委托(姓名)作为我单位合法委托代理人,授权其代表我单位进行_____________设计工作。
该委托代理人的授权范围为:代表我单位与你们进行磋商、签署文件和处理______________活动有关的事务。
在整个__________过程中,该代理人的一切行为,均代表本单位,与本单位的行为具有同等法律效力。
本单位将承担该代理人行为的全部法律后果和法律责任。
代理人无权转换代理权。
特此委托。
代理人姓名:性别:年龄:职务:身份证号码:(代理人签字样本)日期:年月日竞标申请人(盖章):法定代表人(签字):附:委托代理人身份证复印件工作证明兹证明同志现从事工作,累计满年。
特此证明单位名称(公章)盖章经办人:---------------------------------------------------------------------员工工作及收入证明________________:兹证明________是我公司员工,在________部门任________职务。
至今为止,一年以来总收入约为__________元。
特此证明。
本证明仅用于证明我公司员工的工作及在我公司的工资收入,不作为我公司对该员工任何形势的担保文件。
盖章:日期:______年___月___日-------------------------------------------------------------收入证明兹证明我公司(xxxx公司)员工xxx在我司工作xx年,任职xx部门xx经理(职位),每月总收入xxxxx.00元,为税后(或税前)薪金。
xxxx公司2006年x月x日(记住要盖个公章)-------------------------------------------------------------------------------收入证明银行:兹证明先生(女士)是我单位职工,工作年限年,在我单位工作年,职务为,岗位为,工作性质为(正式制;合同制;临时制;其他 ),职称为,该员工是否有违规违纪行为(有;无 )。
无毒自查报告一、背景介绍随着互联网的快速发展,网络安全问题也日益突出。
为了确保用户的信息安全和网络环境的稳定,各个网站和应用程序都需要进行无毒自查。
无毒自查是指对网站或者应用程序进行全面检测,确保其不含有恶意代码、病毒、木马等有害程序,以保障用户的安全和信任。
二、无毒自查报告的目的无毒自查报告旨在记录和总结对网站或者应用程序进行无毒自查的过程和结果,为用户提供可靠的安全保障。
通过详细的报告,用户能够了解到网站或者应用程序的安全性评估,从而决定是否继续使用。
三、无毒自查报告的内容1. 自查时间和地点:报告中应明确记录自查的具体时间和地点,以确保报告的准确性和可信度。
2. 自查对象:报告中应明确记录自查的对象,即被检测的网站或者应用程序的名称、版本号等信息。
3. 自查方法和步骤:报告中应详细描述自查的方法和步骤,包括但不限于以下内容:- 安全软件使用:使用专业的安全软件对网站或者应用程序进行全面扫描,检测是否存在恶意代码、病毒、木马等有害程序。
- 网络安全检测:通过网络安全检测工具对网站或者应用程序进行漏洞扫描,发现并修复可能存在的安全隐患。
- 代码审查:对网站或者应用程序的代码进行审查,检测是否存在潜在的安全漏洞,如SQL注入、跨站脚本等。
- 用户反馈采集:采集用户的反馈意见和投诉,及时解决用户遇到的安全问题。
4. 自查结果分析:报告中应对自查结果进行详细分析和总结,包括但不限于以下内容:- 无毒证明:确认网站或者应用程序经过自查后不含有恶意代码、病毒、木马等有害程序,提供无毒证明。
- 安全评级:根据自查结果,对网站或者应用程序进行安全评级,如高、中、低等级。
- 安全建议:根据自查结果,提出相应的安全建议,匡助网站或者应用程序改进安全性。
5. 自查报告附件:报告中应提供相应的附件,如自查过程中产生的日志、截图、扫描报告等,以确保报告的可信度和可查验性。
四、无毒自查报告的编写要求1. 报告应以简洁明了的语言进行编写,避免使用专业术语和复杂的技术概念,以便用户能够轻松理解。
无毒自查报告一、背景介绍随着互联网的快速发展,网络安全问题日益突出。
为了保护用户的个人隐私和信息安全,各个网站和应用程序都需要进行无毒自查,确保其提供的服务不会对用户造成任何安全风险。
本报告旨在对某网站进行无毒自查,并提供详细的检查结果和建议。
二、检查对象本次无毒自查报告的检查对象为某虚拟社交平台,该平台提供用户注册、发布动态、添加好友等功能。
三、检查内容及结果1. 网站注册流程检查该网站的注册流程,包括用户填写的个人信息、密码设置、验证码等。
经过检查,该网站的注册流程合理,用户信息加密存储,密码设置要求强度较高,验证码有效防止机器注册,无安全风险。
2. 用户登录安全对用户登录过程进行检查,包括账号密码验证、登录状态保持、账号锁定等。
经过检查,该网站采用了多层次的安全验证机制,包括密码强度要求、登录失败次数限制、账号锁定等,有效保护用户账号安全。
3. 动态发布安全检查用户发布动态的安全性,包括内容审核、敏感信息过滤等。
经过检查,该网站采用了自动审核和人工审核相结合的方式,对用户发布的动态进行审核,有效过滤违法、暴力、淫秽等不良信息。
4. 好友添加安全对用户添加好友的安全性进行检查,包括好友验证、好友权限设置等。
经过检查,该网站提供了好友验证机制,用户可以自行设置好友权限,有效保护用户的个人隐私。
5. 数据加密与存储对用户数据的加密和存储方式进行检查,包括用户个人信息、动态内容等。
经过检查,该网站采用了加密传输和加密存储的方式,确保用户数据的安全性。
四、安全风险评估基于以上检查结果,对该网站的安全风险进行评估。
经过综合评估,该网站在用户注册、登录、动态发布、好友添加等方面采取了多项安全措施,用户的个人隐私和信息安全得到了有效保护,安全风险较低。
五、建议和改进措施1. 进一步加强用户数据的保护,加密存储和传输的方式可以进一步优化,确保用户数据的绝对安全。
2. 完善用户举报机制,加强对不良信息的审核和处理,及时清理违法、暴力、淫秽等不良信息。