箱式直流电桥测量电阻实验报告(带数据)
- 格式:docx
- 大小:561.19 KB
- 文档页数:6
直流平衡电桥测电阻实验报告记录实验目的:1. 了解直流平衡电桥的基本原理和测量电阻的方法3. 验证欧姆定律和串联与并联规律实验器材:电池、电阻箱、电流表、电压表、直流平衡电桥实验原理:直流平衡电桥是一种测量电阻的仪器,其原理基于基尔霍夫电路定律。
当桥路四个电阻相等时,桥路两端电压差为零,此时称为平衡状态。
在平衡状态下,另外一个待测电阻可以由电桥电路中其余电阻值的关系计算出来。
电桥误差主要来源于电桥的非线性和接触电阻,可以通过合理选择电桥和精确校准电桥来减小误差。
实验步骤:1. 搭建电桥电路,具体见图1。
2. 调节电阻箱,使得电桥两侧电压差为零。
3. 记录电桥电路中各个电阻箱的电阻值,计算出待测电阻值。
4. 重复以上步骤多次,计算出待测电阻的平均值。
5. 用电流表和电压表测量电桥电路中的电流和电压,验证欧姆定律和串联与并联规律。
6. 记录实验结果并进行分析。
实验结果:在电桥电路中,选取R1=R2=100Ω,R3=600Ω,R4为待测电阻,测得电桥两侧电压差为零时,R4的电阻值为:R4= ( R3 × R2 ) / R1 = 600 × 100 / 100 = 600Ω重复测量多次,得到待测电阻平均值为600Ω。
误差分析:电桥误差主要来自电桥本身非线性和接触电阻等因素。
在实验中,应该通过合理选择电桥和精确校准电桥来减小误差。
并且,在操作电阻箱时需要小心,尽量保证电阻箱内接触良好。
在测量电流和电压时,应该注意测量仪器的精度,以免误差。
本实验采用直流平衡电桥测量电阻的方法,实验结果表明该方法可行。
经过多次测量和计算,得出的待测电阻值与理论值相符。
在实验中,应该注意减小电桥误差,并且保证电阻箱内接触良好,测量仪器的精度,以免误差。
实验报告实验名称直流电桥法测电阻专业班级:组别:姓名:学号:合作者:日期:12x s R R R R =(2)此式即为惠斯通电桥测中值电阻的原理。
实验内容与数据处理1.惠斯通电桥测中值电阻测量数据及处理取工作电压3V ,使用惠斯通单臂电桥测量标称值分别为75.0Ω、6.20Ω、470Ω、110750⨯Ω、210910⨯Ω的电阻,将测量结果与万用表的测量结果做对比,数据记录如表1所示:表1箱式惠斯通电桥测电阻数据被测电阻标称值Ω/万用表读数惠斯通电桥测量值倍率KΩ/s R Ω/x R Ω∆/仪1%±⨯1-1075076.6Ω2-10744074.40±0.15081%±⨯2-10620 6.2Ω3-106246 6.246±0.126921%±⨯0104700.496Ωk 1-104684468.4±0.95681%±⨯1107507.51Ωk 175037503±15.2061%±⨯21091091.3Ωk 10912191210±461.052.开尔文双臂电桥测铜导线的电阻率(1)铜导线几何尺寸数据记录表表2铜导线待测部位长度和直径123456平均值初D (mm)0.0010.0020.0020.0020.0010.001末D (mm)2.965 2.952 2.927 2.944 2.9502943铜线直径D (mm)2.964 2.950 2.925 2.942 2.9492942 2.945测量部位长度(mm)32.9032.5632.7833.0632.6632.8232.80(2)铜导线电阻测量数据及计算表表3箱式开尔文电桥测铜导线电阻数据及计算表倍率k读数盘值R S铜丝电阻R X (Ω)R X 平均值(Ω)110-4 3.50 3.50⨯10-4 3.58⨯10-4210-4 3.35 3.35⨯10-4310-4 3.65 3.65⨯10-4410-4 3.40 3.40⨯10-4510-4 3.78 3.78⨯10-4610-43.823.82⨯10-4在此图中还增加了桥臂电阻R3、R4,这样把P2和P3两点的接触电阻并入了较高值的R3、R4中;C2和C3用短粗导线相连,设其电阻为r。
直流平衡电桥测电阻实验报告记录实验报告记录:直流平衡电桥测电阻实验一、实验目的1.学习使用直流平衡电桥测量电阻的方法。
2.掌握电桥平衡的原理及调节方法。
3.了解直流电桥在精密测量中的应用。
二、实验原理直流平衡电桥是一种高精度的电阻测量方法,常用于测量小电阻或高精度的电阻。
其原理基于电桥平衡时,待测电阻与标准电阻的比值等于电桥两臂的电阻比值。
通过调节电桥的电阻值,可以使电桥达到平衡状态,从而准确测量待测电阻的阻值。
三、实验步骤1.准备实验器材:直流平衡电桥、电源、电阻器、导线等。
2.将电源与电桥连接,电桥的输入端接电源,输出端接地。
3.将待测电阻放置在电桥的两个桥臂之间。
4.调整电桥的电阻值,使电桥达到平衡状态。
此时,电桥输出的电压为零。
5.读取电桥上待测电阻的值,并与标准电阻进行比较。
6.记录实验数据,分析误差来源。
7.整理实验器材,结束实验。
四、实验结果与分析1.实验数据记录:通过实验数据可以看出,使用直流平衡电桥测量电阻具有较高的精度,误差较小。
实验中采用了高精度的电阻器和电桥,同时对实验环境进行了严格的控制,避免了温度、湿度等因素对测量结果的影响。
此外,通过调节电桥的电阻值,可以获得更高的测量精度。
五、结论与建议1.结论:本实验通过使用直流平衡电桥测量电阻的方法,验证了电桥平衡的原理及调节方法。
实验结果表明,直流平衡电桥是一种高精度的电阻测量方法,适用于小电阻或高精度的电阻测量。
该方法具有操作简便、精度高、稳定性好等优点。
2.建议:在今后的实验中,可以进一步研究不同类型和阻值的电阻对测量结果的影响,以便更好地掌握直流平衡电桥测电阻的方法。
同时,对于更精密的测量需求,可以尝试采用更先进的电桥技术和设备,以提高测量精度和稳定性。
此外,在实际应用中,需要注意保护电桥设备,避免因误操作或环境因素导致损坏。
六、参考文献(此处列出参考文献)。
直流平衡电桥测电阻实验报告
实验报告
本次实验的目的是使用直流平衡电桥来测量一个电阻的值。
为此,我们在实验室中采
用了一套直流平衡电桥实验装置。
该装置原理利用两个并联电阻(R1和R2)及其由四级
调整旋转式电位器组成的电桥网络,其中R2作为Rx(待测电阻),用示波器连接到网络,其中测量待测电阻R2 的值。
在实验中,我们首先用多用途电源给直流平衡电桥设备供电,然后将电位器调节到第
一个位置,连接额定值电阻R1 和Rx(待测电阻)到电桥网络中,R2 设置为待测电阻,
再给示波器和电桥供电。
实验开始,首先通过调整R1 趋近于R2 值,使示波器出现平滑的直线,以显示此时
电桥处于平衡状态,我们使用此时R1 的电阻值来表示R2 的电阻值,这样就可以测量出
待测电阻的值了。
之后,我们再将电桥网络连接到不同额定值的待测电阻,重复电桥平衡
的过程,从而计算出不同待测电阻的值。
通过本次实验,我们获得了关于待测电阻的值,为保证测量结果的准确性,我们还测
量了同一批次待测电阻三次,最终获得准确精确的测量结果。
通过这次实验,我们了解了
利用直流平衡电桥进行电阻测量的原理,以及实际操作的技术方法,很好的实践了电子测
量的知识。
希望这次实验能够提高我们进行电子设备测量的能力。
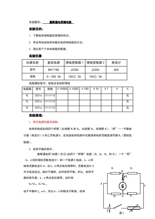
实验题目: 惠斯通电桥测电阻实验目的:1.了解电桥测电阻的原理和特点。
2.学会用自组电桥和箱式电桥测电阻的方法。
3.测出若干个未知电阻的阻值。
实验仪器电阻箱的型号、规格及各档的等级实验原理:1.桥式电路的基本结构。
电桥的构成包括四个桥臂(比例臂R 2和R 3,比较臂R 4,待测臂R x ),“桥”——平衡指示器(检流计)G 和工作电源E 。
在自组电桥线路中还联接有电桥灵敏度调节器R G (滑线变阻器)。
2.电桥平衡的条件。
惠斯通电桥(如图1所示)由四个“桥臂”电阻(R 2、R 3、R 4、和R x )、一个“桥”(b 、d 间所接的灵敏电流计)和一个电源E 组成。
b 、d 间接有灵敏电流计G 。
当b 、d 两点电位相等时,灵敏电流计G 中无电流流过,指针不偏转,此时电桥平衡。
所以,电桥平衡的条件是:b 、d 两点电位相等。
此时有U ab =U ad ,U bc =U dc ,由于平衡时0 g I ,所以b 、d 间相当于断路,故有AR 2R xCI 4=I 3 I x =I 2所以 44R I R I x x = 2233R I R I =可得 x R R R R 324= 或 432R R R R x =一般把K R R =32称为“倍率”或“比率”,于是 R x =KR 4要使电桥平衡,一般固定比率K ,调节R 4使电桥达到平衡。
3.自组电桥不等臂误差的消除。
实验中自组电桥的比例臂(R 2和R 3)电阻并非标准电阻,存在较大误差。
当取K=1时,实际上R 2与R 3不完全相等,存在较大的不等臂误差,为消除该系统误差,实验可采用交换测量法进行。
先按原线路进行测量得到一个R 4值,然后将R 2与R 3的位置互相交换(也可将R x 与R 4的位置交换),按同样方法再测一次得到一个R ’4值,两次测量,电桥平衡后分别有: 432R R R R x ⋅='423R R R R x ⋅= 联立两式得: '44R R R x ⋅=由上式可知:交换测量后得到的测量值与比例臂阻值无关。
XX 理工大学大 学 物 理 实 验 报 告院〔系〕材料学院专业材料物理班级0705 姓 名童凌炜学号200767025实验台号实验时间20XX12月10日,第16周,星期三第5-6节实验名称直流平衡电桥测电阻教师评语实验目的与要求:1) 掌握用单臂电桥测电阻的原理, 学会测量方法。
2) 掌握用双臂电桥测电阻的原理, 学会测量方法。
主要仪器设备:1) 单臂电桥测电阻:QJ24型直流单臂电桥,自制惠更斯通电桥接线板,检流计,阻尼开关、四位标准电阻箱、滑线变阻器、电路开关、三个带测电阻、电源;2) 双臂电桥测电阻:QJ44型直流双臂电桥,待测铜线和铁线接线板、电源、米尺和千分尺。
实验原理和内容: 1直流单臂电桥〔惠斯通电桥〕 1.1 电桥原理单臂电桥结构如右图所示, 由四臂一桥组成; 电桥平衡条件是BD 两点电位相等, 桥上无电流通过, 此时有关系s s x R M R R R R ⋅==21成立, 其中M=R1/R2称为倍率, Rs 为四位标准电阻箱〔比较臂〕, Rx 为待测电阻〔测量臂〕。
1.2 关于附加电阻的问题:附加电阻指附加在带测电阻两端的导线电阻与接触成 绩教师签字电阻, 如上图中的r1, r2, 认为它们与Rx 串联。
如果R x 远大于r ,则r 1+r 2可以忽略不计,但是当R x 较小时,r 1+r 2就不可以忽略不计了,因此单臂电桥不适合测量低值电阻, 在这种情况下应当改用双臂电桥。
2双臂电桥〔开尔文电桥〕2.1 双臂电桥测量低值电阻的原理双臂电桥相比单臂电桥做了两点改进, 增加R3、R4两个高值电桥臂, 组成六臂电桥;将Rx 和Rs 两个低值电阻改用四端钮接法, 如右图所示。
在下面的计算推导中可以看到, 附加电阻通过等效和抵消, 可以消去其对最终测量值的影响。
2.2 双臂电桥的平衡条件双臂电桥的电路如右图所示。
在电桥达到平衡时,有1234\\R R R R =,由基尔霍夫第二定律与欧姆定律可得并推导得:31123314131224234243132342433112424()0x S x x x x x x I R I R I R R R R r R I R I R I R R R R R R r R R R R R R R M R I r I r R R R R R R R R R R R R ⎫=-⎫⎛⎫⎪⎪=-⇒=+-⎬ ⎪⎪++⎪⎝⎭⎪⇒===⋅=++⎬⎭⎪⎪=⇒-=⎪⎭ 可见测量式与单臂电桥是相同的, R1/R2=R3/R4=M 称为倍率〔此等式即消去了r 的影响〕, Rs 为比较臂, Rx 为测量臂。
实验题目: 惠斯通电桥测电阻实验目的:1.了解电桥测电阻的原理和特点。
2.学会用自组电桥和箱式电桥测电阻的方法。
3.测出若干个未知电阻的阻值。
实验仪器实验原理:1.桥式电路的基本结构。
电桥的构成包括四个桥臂(比例臂R 2和R 3,比较臂R 4,待测臂R x ),“桥”——平衡指示器(检流计)G 和工作电源E 。
在自组电桥线路中还联接有电桥灵敏度调节器R G (滑线变阻器)。
2.电桥平衡的条件。
惠斯通电桥(如图1所示)由四个“桥臂”电阻(R 2、R 3、R 4、和R x )、一个“桥”(b 、d 间所接的灵敏电流计)和一个电源E 组成。
b 、d 间接有灵敏电流计G 。
当b 、d 两点电位相等时,灵敏电流计G 中无电流流过,指针不偏转,此时电桥平衡。
所以,电桥平衡的条件是:b 、d 两点电位相等。
此时有U ab =U ad ,U bc =U dc,由于平衡时0=g I ,所以b 、d 间相当于断路,故有I 4=I 3 I x =I 2所以 44R I R I x x = 2233R I R I =可得x R R R R 324= 或 432R R R R x =一般把K R R =32称为“倍率”或“比率”,于是 R x =KR 4要使电桥平衡,一般固定比率K ,调节R 4使电桥达到平衡。
3.自组电桥不等臂误差的消除。
实验中自组电桥的比例臂(R 2和R 3)电阻并非标准电阻,存在较大误差。
当取K=1时,实际上R 2与R 3不完全相等,存在较大的不等臂误差,为消除该系统误差,实验可采用交换测量法进行。
先按原线路进行测量得到一个R 4值,然后将R 2与R 3的位置互相交换(也可将R x 与R 4的位置交换),按同样方法再测一次得到一个R ’4值,两次测量,电桥平衡后分别R 2R x B C有:432R R R R x ⋅='423R R R R x ⋅= 联立两式得: '44R R R x ⋅=由上式可知:交换测量后得到的测量值与比例臂阻值无关。
直流电桥实验报告直流电桥实验报告引言:直流电桥是一种常用的电路实验仪器,通过电阻的比较测量未知电阻的值。
本次实验旨在探究直流电桥的原理和应用,通过实际操作来验证电桥的准确性和可靠性。
一、实验原理直流电桥是基于韦斯顿电桥原理设计的一种测量电阻的仪器。
它由四个电阻组成的电桥电路,通过调节电桥中的电阻值,使电桥两侧电压差为零,从而求得未知电阻的值。
电桥中的四个电阻分别为已知电阻R1、R2和未知电阻Rx,以及可变电阻Rv。
当电桥平衡时,有以下关系式成立:R1/R2 = Rx/Rv二、实验装置和步骤1. 实验装置:本次实验所使用的实验装置包括直流电源、电阻箱、电流表、电压表和连接线等。
2. 实验步骤:a. 将实验装置连接好,并将电阻箱中的电阻调节到一个已知值。
b. 打开电源,调节电流表和电压表的量程,使其适合实验需求。
c. 调节可变电阻Rv的值,使电桥两侧电压差为零。
d. 记录下此时可变电阻Rv的值,即为未知电阻Rx的值。
e. 重复上述步骤,更换不同的已知电阻值,进行多组实验。
三、实验结果和分析根据实验步骤,我们进行了多组实验,得到了不同已知电阻值下的未知电阻Rx的测量结果。
通过计算和分析这些数据,我们可以得出以下结论:1. 经过多次实验,我们发现当电桥平衡时,电桥两侧电压差为零。
这证明了直流电桥的准确性和可靠性。
2. 在实验中,我们发现电桥平衡时可变电阻Rv的值与未知电阻Rx的值成正比。
这与电桥原理中的关系式一致,验证了电桥原理的有效性。
3. 实验结果显示,电桥能够精确地测量未知电阻的值。
通过对多组实验数据的分析,我们可以得到未知电阻的平均值,并计算出测量误差。
这为我们在实际应用中提供了重要的参考依据。
四、实验应用直流电桥作为一种常用的电路测量仪器,在科学研究和工程实践中有广泛的应用。
以下是一些典型的应用案例:1. 电阻测量:直流电桥可以用于测量电阻的值,特别是对于较小或较大阻值的测量更为准确。
2. 温度测量:利用热敏电阻作为未知电阻,结合直流电桥的测量原理,可以实现温度的精确测量。
直流电桥测量电阻,非平衡电桥测量铂电阻的温度系数目的要求:(1)直流电桥的基本原理。
(2)直流电桥的灵敏度及影响它的因素。
(3)平衡电桥测量电阻的误差来源。
(4)了解铂电阻温度传感器的温度特性。
(5)了解电阻的三线接法以及传感器电路的静态特性。
(6)学习非平衡电桥的测量方法。
(7)学习测量铂电阻温度传感器电路的输入输出特性,并确定铂电阻的温度系数。
仪器用具:电阻箱3个,指针式检流计,碳膜电位器,箱式电桥,待测电阻3个,直流稳压电源,铂电阻实验元件盒,恒流源,数字万用电表2块,电阻箱,数字温度计,电热杯,保温杯,导线,开关。
(必要的仪器参数将会在下面给出)(一)实验原理:直流电桥的电路图如图所示:四个电阻,,,,连成一个四边形ABCD,每个边称作电桥的一个臂。
在四边形的对顶点A,C端加上电源E,对顶角B,D端连上检流计G,当B,D两点的电位相等时。
检流计中无电流通过,则电桥达到平衡,电桥平衡时,有()由此式可求。
平衡电桥测量电阻的误差的两个来源:○1桥臂电阻带来的误差:实际的电桥结构中必定有接触电阻,接线电阻,漏电阻和接触电势等,但此[ ]为了消除/的比值的系统误差对测量结果的影响,可交换和的位置再测一次,分别得到和,则可得√○2电桥灵敏度带来的误差:检流计的灵敏度是有限的,当U BD值小于某一极值时,无法通过检流计观察出来。
定义电桥的灵敏度S为它表示电桥平衡后,的相对该变量,所引起的检流计偏转格数,具体测量时,待测电阻是不能改变的,以臂电阻R0的改变代替。
引入电桥灵敏度阈的概念:电流计偏转值取分度值(1格)的1/5,时所对应的被测量R x的变化量。
电桥灵敏阈反映了电桥平衡判断中可能包含的误差,由定义得:进一步得:确定R x的不确定度为[ ]电桥灵敏度为其中检流计的灵敏度,电源电压E,检流计内阻R g。
实验实际采用电路图:实验内容:1.用箱式电桥测量3个未知电阻(几十欧,几百欧和几千欧电阻各一个)及相应的电桥灵敏度。
箱式直流电桥测量电阻实验报告实验名称:箱式直流电桥测量电阻实验实验目的:1.理解箱式直流电桥的工作原理;2.掌握使用箱式直流电桥测量电阻的方法;3.分析实验数据,计算电阻的数值。
实验仪器:1.箱式直流电桥2.校准电阻3.待测电阻4.数字万用表实验步骤:1.接线:(1)将校准电阻和待测电阻分别接入箱式直流电桥的两个电桥臂;(2)将桥臂的电阻值依次输入到电桥仪表面板上的相应部分;(3)将数字万用表的两个测量引线依次连接到电桥两侧的输入端口上。
2.校准电阻测量:(1)先调节桥臂电阻的刻度值为0;(2)调节标准电桥的折射无穷大,即负模式;(3)调节电桥的粗调、微调旋钮,使电桥显示的误差尽可能小;(4)记录下微调旋钮的刻度值,即标称电阻。
3.待测电阻测量:(1)先调节桥臂电阻的刻度值为0;(2)调节待测电桥的折射无穷大,即负模式;(3)调节电桥的粗调、微调旋钮,使电桥显示的误差尽可能小;(4)记录下微调旋钮的刻度值,即待测电阻。
实验数据:校准电阻:标称电阻:R1=500Ω电桥显示误差:X1=5.2微调旋钮刻度值:Knob1 = 35待测电阻:待测电阻:R2=2000Ω电桥显示误差:X2=3.8微调旋钮刻度值:Knob2 = 20数据分析与计算:校准电阻:校准电阻的实际值可以通过以下公式计算:R1' = R1 + (X1/Knob1) * R1代入数据:R1'=500+(5.2/35)*500R1'=500+74.285R1'=574.285Ω待测电阻:待测电阻的实际值可以通过以下公式计算:R2' = R2 + (X2/Knob2) * R1代入数据:R2'=2000+(3.8/20)*574.285R2'=2000+(0.19*574.285)R2'=2000+109.114R2'=2109.114Ω实验结论:经过计算,校准电阻的实际值为574.285Ω,待测电阻的实际值为2109.114Ω。
实验题目: 惠斯通电桥测电阻实验目的:1.了解电桥测电阻的原理和特点.2.学会用自组电桥和箱式电桥测电阻的方法。
3.测出若干个未知电阻的阻值。
实验仪器实验原理:1.桥式电路的基本结构.电桥的构成包括四个桥臂(比例臂R 2和R 3,比较臂R 4,待测臂R x ),“桥”—-平衡指示器(检流计)G 和工作电源E 。
在自组电桥线路中还联接有电桥灵敏度调节器R G (滑线变阻器).2.电桥平衡的条件。
惠斯通电桥(如图1所示)由四个“桥臂”电阻(R 2、R 3、R 4、和R x )、一个“桥”(b 、d 间所接的灵敏电流计)和一个电源E 组成。
b 、d 间接有灵敏电流计G .当b 、d 两点电位相等时,灵敏电流计G 中无电流流过,指针不偏转,此时电桥平衡。
所以,电桥平衡的条件是:b、d 两点电位相等.此时有U ab =U ad ,U bc =U dc ,由于平衡时0=g I ,所以b 、d 间相当于断路,故有I 4=I 3 I x =I 2所以 44R I R I x x = 2233R I R I =可得x R R R R 324= 或 432R R R R x =一般把K R R =32称为“倍率”或“比率”,于是 R x =KR 4要使电桥平衡,一般固定比率K ,调节R 4使电桥达到平衡。
3.自组电桥不等臂误差的消除。
实验中自组电桥的比例臂(R 2和R 3)电阻并非标准电阻,存在较大误差.当取K=1时,实际上R 2与R 3不完全相等,存在较大的不等臂误差,为消除该系统误差,实验可采用交换测量法进行。
先按原线路进行测量得到一个R 4值,然后将R 2与R 3的位置互相交换(也可将R x 与R 4的位置交换),按同样方法再测一次得到一个R '4值,两次测量,电桥平衡后分别有:R 2R x B C432R R R R x ⋅='423R R R R x ⋅= 联立两式得: '44R R R x ⋅=由上式可知:交换测量后得到的测量值与比例臂阻值无关。
实验题目: 惠斯通电桥测电阻实验目的:1.了解电桥测电阻的原理和特点。
2.学会用自组电桥和箱式电桥测电阻的方法。
3.测出若干个未知电阻的阻值。
实验仪器实验原理:1.桥式电路的基本结构。
电桥的构成包括四个桥臂(比例臂R 2和R 3,比较臂R 4,待测臂R x ),“桥”——平衡指示器(检流计)G 和工作电源E。
在自组电桥线路中还联接有电桥灵敏度调节器R G (滑线变阻器)。
2.电桥平衡的条件。
惠斯通电桥(如图1所示)由四个“桥臂”电阻(R 2、R 3、R 4、和R x )、一个“桥”(b 、d 间所接的灵敏电流计)和一个电源E 组成。
b 、d 间接有灵敏电流计G 。
当b 、d 两点电位相等时,灵敏电流计G 中无电流流过,指针不偏转,此时电桥平衡。
所以,电桥平衡的条件是:b 、d 两点电位相等。
此时有U ab =U ad ,U bc =U dc ,由于平衡时0=g I ,所以b 、d 间相当于断路,故有I 4=I 3 I x =I 2所以 44R I R I x x = 2233R I R I =可得x R R R R 324= 或 432R R R R x =一般把K R R =32称为“倍率”或“比率”,于是 R x =KR 4要使电桥平衡,一般固定比率K ,调节R 4使电桥达到平衡。
R 2R x BC3.自组电桥不等臂误差的消除。
实验中自组电桥的比例臂(R 2和R 3)电阻并非标准电阻,存在较大误差。
当取K=1时,实际上R 2与R 3不完全相等,存在较大的不等臂误差,为消除该系统误差,实验可采用交换测量法进行。
先按原线路进行测量得到一个R 4值,然后将R 2与R 3的位置互相交换(也可将R x 与R 4的位置交换),按同样方法再测一次得到一个R ’4值,两次测量,电桥平衡后分别有: 432R R R R x ⋅='423R R R R x ⋅= 联立两式得: '44R R R x ⋅=由上式可知:交换测量后得到的测量值与比例臂阻值无关。
实验报告实验名称直流电桥法测电阻专业班级:组别:姓名:学号:合作者:日期:12x s R R R R =(2)此式即为惠斯通电桥测中值电阻的原理。
实验内容与数据处理1.惠斯通电桥测中值电阻测量数据及处理取工作电压3V ,使用惠斯通单臂电桥测量标称值分别为75.0Ω、6.20Ω、470Ω、110750⨯Ω、210910⨯Ω的电阻,将测量结果与万用表的测量结果做对比,数据记录如表1所示:表1箱式惠斯通电桥测电阻数据被测电阻标称值Ω/万用表读数惠斯通电桥测量值倍率KΩ/s R Ω/x R Ω∆/仪1%±⨯1-1075076.6Ω2-10744074.40±0.15081%±⨯2-10620 6.2Ω3-106246 6.246±0.126921%±⨯0104700.496Ωk 1-104684468.4±0.95681%±⨯1107507.51Ωk 175037503±15.2061%±⨯21091091.3Ωk 10912191210±461.052.开尔文双臂电桥测铜导线的电阻率(1)铜导线几何尺寸数据记录表表2铜导线待测部位长度和直径123456平均值初D (mm)0.0010.0020.0020.0020.0010.001末D (mm)2.965 2.952 2.927 2.944 2.9502943铜线直径D (mm)2.964 2.950 2.925 2.942 2.9492942 2.945测量部位长度(mm)32.9032.5632.7833.0632.6632.8232.80(2)铜导线电阻测量数据及计算表表3箱式开尔文电桥测铜导线电阻数据及计算表倍率k读数盘值R S铜丝电阻R X (Ω)R X 平均值(Ω)110-4 3.50 3.50⨯10-4 3.58⨯10-4210-4 3.35 3.35⨯10-4310-4 3.65 3.65⨯10-4410-4 3.40 3.40⨯10-4510-4 3.78 3.78⨯10-4610-43.823.82⨯10-4在此图中还增加了桥臂电阻R3、R4,这样把P2和P3两点的接触电阻并入了较高值的R3、R4中;C2和C3用短粗导线相连,设其电阻为r。
曲阜师范大学实验报告实验日期:2020.5.17 实验时间:14:30-18:00姓名:方小柒学号:**********实验题目:箱式直流电桥测量电阻一、实验目的:本实验的目的是通过用惠斯通电桥测量电阻,掌握调节电桥平衡的方法,并要求了解电桥灵敏度与元件参数之间的关系,从而正确选择这些元件,以达到所要求的测量精度。
二、实验内容:1、按直流电桥实验的实验电路图,正确连线。
2、线路连接好以后,检流计调零。
3、调节直流电桥平衡。
4、测量并计算出待测电阻值Rx,微调电路中的电阻箱,测量并根据电桥灵敏度公式:S=△n/(△Rx/ Rx)或S=△n/(△R0/ R0)计算出直流电桥的电桥灵敏度。
5、记录数据,并计算出待测电阻值。
三、实验仪器:待测电阻、电桥箱四、实验原理:电阻按其阻值可分为高、中、低三大类,R≤1Ω的电阻为低值电阻,R>1M Ω的称高值电阻,介于两者之间的电阻是中值电阻,通常用惠斯通电桥测中值电阻。
1、惠斯通电桥的工作原理惠斯通电桥原理,如图6.1.2-1所示。
图6.1.2-12、电桥的灵敏度电桥是否平衡,是由检流计有无偏转来判断的,而检流计的灵敏度总是有限的,假设电桥在R1/R2=1时调到平衡,则有Rx=R0,这时若把R0改变一个微小量△R0,则电桥失去平衡,从而有电流IG流过检流计。
如果IG小到检流计觉察不出来,那么人们会认为电桥是平衡的,因而得到Rx=R0+△R0,△R0就是由于检流计灵敏度不够高而带来的测量误差△Rx。
引入电桥的灵敏度,定义为S=△n/(△Rx/Rx)式中的△Rx是在电桥平衡后Rx的微小改变量(实际上若是待测电阻Rx不能改变时,可通过改变标准电阻R0的微小变化△R0来测电桥灵敏度),△n是由于△Rx引起电桥偏离平衡时检流计的偏转格数,△n越大,说明电桥灵敏度越高,带来的测量误差就越小。
S的表达式可变换为S=△n/(△R0/ R0)= △n/△IG(△IG/(△R0/ R0))=S1S2其中S1是检流计自身的灵敏度,S2=△IG/(△R0/ R0)由线路结构决定,故称电桥线路灵敏度,理论上可以证明S2与电源电压、检流计的内阻及桥臂电阻等有关。
实验题目: 惠斯通电桥测电阻实验目的:1.了解电桥测电阻的原理和特点。
2.学会用自组电桥和箱式电桥测电阻的方法。
3.测出若干个未知电阻的阻值。
实验仪器实验原理:1.桥式电路的基本结构。
电桥的构成包括四个桥臂(比例臂R 2和R 3,比较臂R 4,待测臂R x ),“桥”——平衡指示器(检流计)G 和工作电源E 。
在自组电桥线路中还联接有电桥灵敏度调节器R G (滑线变阻器)。
2.电桥平衡的条件。
惠斯通电桥(如图1所示)由四个“桥臂”电阻(R 2、R 3、R 4、和R x )、一个“桥”(b 、d 间所接的灵敏电流计)和一个电源E 组成。
b 、d 间接有灵敏电流计G 。
当b 、d 两点电位相等时,灵敏电流计G 中无电流流过,指针不偏转,此时电桥平衡。
所以,电桥平衡的条件是:b 、d 两点电位相等。
此时有U ab =U ad ,U bc =U dc,由于平衡时0=g I ,所以b 、d 间相当于断路,故有I 4=I 3 I x =I 2所以 44R I R I x x = 2233R I R I =可得x R R R R 324= 或 432R R R R x =一般把K R R =32称为“倍率”或“比率”,于是 R x =KR 4要使电桥平衡,一般固定比率K ,调节R 4使电桥达到平衡。
3.自组电桥不等臂误差的消除。
实验中自组电桥的比例臂(R 2和R 3)电阻并非标准电阻,存在较大误差。
当取K=1时,实际上R 2与R 3不完全相等,存在较大的不等臂误差,为消除该系统误差,实验可采用交换测量法进行。
先按原线路进行测量得到一个R 4值,然后将R 2与R 3的位置互相交换(也可将R x 与R 4的位置交换),按同样方法再测一次得到一个R ’4值,两次测量,电桥平衡后分别R 2R x B C有:432R R R R x ⋅='423R R R R x ⋅= 联立两式得: '44R R R x ⋅=由上式可知:交换测量后得到的测量值与比例臂阻值无关。
曲阜师范大学实验报告
实验日期:2020.5.17 实验时间:14:30-18:00姓名:方小柒学号:**********
实验题目:箱式直流电桥测量电阻
一、实验目的:
本实验的目的是通过用惠斯通电桥测量电阻,掌握调节电桥平衡的方法,并要求了解电桥灵敏度与元件参数之间的关系,从而正确选择这些元件,以达到所要求的测量精度。
二、实验内容:
1、按直流电桥实验的实验电路图,正确连线。
2、线路连接好以后,检流计调零。
3、调节直流电桥平衡。
4、测量并计算出待测电阻值Rx,微调电路中的电阻箱,测量并根据电桥灵敏度公式:S=△n/(△Rx/ Rx)或S=△n/(△R0/ R0)计算出直流电桥的电桥灵敏度。
5、记录数据,并计算出待测电阻值。
三、实验仪器:
待测电阻、电桥箱
四、实验原理:
电阻按其阻值可分为高、中、低三大类,R≤1Ω的电阻为低值电阻,R>1M Ω的称高值电阻,介于两者之间的电阻是中值电阻,通常用惠斯通电桥测中值电阻。
1、惠斯通电桥的工作原理
惠斯通电桥原理,如图6.1.2-1所示。
图6.1.2-1
2、电桥的灵敏度
电桥是否平衡,是由检流计有无偏转来判断的,而检流计的灵敏度总是有限的,假设电桥在R1/R2=1时调到平衡,则有Rx=R0,这时若把R0改变一个微小量△R0,则电桥失去平衡,从而有电流IG流过检流计。
如果IG小到检流计觉察不出来,那么人们会认为电桥是平衡的,因而得到Rx=R0+△R0,△R0就是由于检流计灵敏度不够高而带来的测量误差△Rx。
引入电桥的灵敏度,定义为
S=△n/(△Rx/Rx)
式中的△Rx是在电桥平衡后Rx的微小改变量(实际上若是待测电阻Rx不能改变时,可通过改变标准电阻R0的微小变化△R0来测电桥灵敏度),△n是由于△Rx引起电桥偏离平衡时检流计的偏转格数,△n越大,说明电桥灵敏度越高,带来的测量误差就越小。
S的表达式可变换为
S=△n/(△R0/ R0)= △n/△IG(△IG/(△R0/ R0))=S1S2其中S1是检流计自身的灵敏度,S2=△IG/(△R0/ R0)由线路结构决定,故称电桥线路灵敏度,理论上可以证明S2与电源电压、检流计的内阻及桥臂电阻等有关。
3、交换法(互易法)减小和修正自搭电桥的系统误差
自搭一个电桥,不考虑灵敏度,则R1、R2、R0引起的误差为△Rx/ Rx=△R1/ R1+△R2/ R2+△R0/ R0为减小误差,把图6.1.2-1电桥平衡中的R1、R2互换,调节R0使IG=0,此时的R0记为R0’,则有
Rx=(R2/ R1)*R0’
这样就消除了R1、R2造成的误差。
这种方法称为交换法,由此方法测量Rx 的误差为
△Rx/ Rx=1/2(△R0/ R0+△R0’/ R0’)
即仅与电阻箱R0的仪器误差有关。
若R0选用具有一定精度的标准电阻箱,则系统误差可以大大减小。
五、实验步骤:
Ⅰ、流程简述
1、按直流电桥实验的实验电路图,正确连线。
2、线路连接好以后,检流计调零。
3、调节直流电桥平衡。
4、测量并计算出待测电阻值Rx,微调电路中的电阻箱,测量并根据电桥灵敏度公式:S=△n/(△Rx/ Rx)或S=△n/(△R0/ R0)计算出直流电桥的电桥灵敏度。
5、记录数据,并计算出待测电阻值。
Ⅱ、线上操作
1、主窗口介绍
成功进入实验场景窗体,实验场景的主窗体如下图组所示
直流电桥(电桥箱版)
在实验场景主窗体的右上角有“工具箱”和“帮助”两个菜单项。
工具箱提供实验中可能用到的工具;点击帮助菜单项,弹出帮助文档。
在场景的下方,从左到右,依次是“实验仪器栏”、“实验提示栏“和”实验内容栏“。
实验仪器栏里放置着实验用到的仪器,点击拖动,可以把相应的仪器拖到实验场景中去,供实验使用。
实验提示栏,即时提示实验信息或相关的操作信息。
实验内容栏,是相关实验名称的列表,点击实验名称可以重新开始实验和进行实验的切换。
实验大场景主要由一张桌子组成,本实验中,实验仪器都放在桌子上面。
在实验场景中,可以在一定范围内拖动指定仪器。
把鼠标放在仪器上面,按下Delete 键,可以删除指定仪器到仪器栏。
双击场景中的仪器可以进入仪器的调节窗体。
2、连线
当鼠标移动到实验仪器接线柱的上方,拖动鼠标,便会产生“导线”,当鼠标移动到另一个接线柱的时候,松开鼠标,两个接线柱之间便产生一条导线,连线成功;如果松开鼠标的时候,鼠标不是在某个接线柱上,画出的导线将会被自动销毁,此次连线失败。
根据实验电路图正确连线,连线操作完成,如下图所示:
3、检流计调零
线路连接完毕后,断开电源开关,打开检流计调节界面,按下检流计的电计按钮,旋转电桥箱检流计部分的调零旋钮,并观察检流计的指针,当检流计的指针指向零点,调零成功。
如下图所示:
4、根据实验内容调节电路
(1)根据直流电桥电路图连接好电路,然后在数据表格中点击“连线”模块下的“确定状态”按钮,保存连线状态。
(2)用箱式电桥测量几个未知电阻。
①按下电源按钮,一边调节比例臂和电阻臂,一边左击电计按钮,看检流计指针的偏转情况,如果检流计指针缓慢的在一个很小范围内偏转,则右击电计按钮,然后微调电阻臂,观察检流计指针偏转情况,直至电桥平衡。
记下此时的电桥臂、比例臂的值,并计算出待测电阻的电阻值,填入表格中。
②重复步骤(2),测量三次,把数据填入表格,最后计算出待测电阻的平均值。
(3)测量选定比例臂下的电桥灵敏度。
①选定好比例臂以后,点击“确定状态按钮”。
②调节电阻臂,使电桥平衡,记录下电桥平衡时电阻臂的电阻值,然后改变电阻臂的值,记下改变的电阻值和改变电阻值后检流计的偏转格数,然后利用检流计灵敏度计算公式,计算出电桥的灵敏度,并把计算结果填入表格。
③重复步骤(2),测量三次,把数据填入表格,最后计算出当前比例臂下电桥灵敏度的平均值。
(4)记录数据
程序提供记录数据表格,在做实验的过程中,可以把测量数据和计算数据填到数据表格中去。
点击场景右上角的记录数据按钮,可弹出记录数据窗体,如下图所示:
把测量和计算出来的数据,填入相应的位置,实验结束。
六、实验数据:
1、待测电阻的电阻值
)= 449
2、测量并计算出电桥的灵敏度。
选定一个合适的比例臂,调节电桥平衡,记下电桥平衡时电阻臂的电阻值R0,然后在小范围内改变电阻臂的电阻值,记下电阻臂相对平衡位置改变的值,即R0,
= 11.22
S1=△n/(△Rx/Rx)=3/(100/449)=13.47
同理可得S2=11.22
S3=8.98
所以平均值=(13.47+11.22+8.98)/3=11.22
七、思考题:
如果取桥臂电阻R1= R2,调节R0从0到最大,检流计指针始终偏在零点的一侧,这说明什么问题?应作怎样的调整,才能使电桥达到平衡?
答:首先检查电路连接有没有问题,如果确认电路连接没有问题,R0的最大阻值没有达到Rx的阻值,应适当减小R2/R1的值重新测量。