钻孔灌注桩施工记录-旋挖桩
- 格式:xlsx
- 大小:31.57 KB
- 文档页数:1
干作业钻孔灌注桩分项工程施工技术交底编号:工程名称昌南农产品物流中心三期交底日期施工单位银广厦集团有限公司分项名称干作业成孔桩基础分项工程交底提要干作业钻孔灌注桩施工交底人交底内容:一、施工方法(一)准备工作:1、开挖前,场地完成三通一平,地上、地下障碍物都处理完毕,各项施工用临时设施准备就绪。
2、根据图纸放出轴线及桩点位,布设标高水平、轴线控制木桩,复测合格后报请监理单位验线同意。
3、场地整平、夯实或碾压,承载力应满足钻机说明书中对场地的要求。
选择和确定钻孔机进出路线和钻孔顺序,制定施工方案。
4、桩基所用的原材料,根据设计要求和规范规定检测试验合格。
5、分段制作好钢筋笼。
6、施工人员应熟悉旋挖钻机及其配套设备的技术性能,施工前应做好施工方案和安全技术交底。
(二)施工机具1、钻孔设备:旋挖钻机及相应钻具、钢护筒等,并按照钻机使用说明书进行必要的检查、维修和保养。
2、配套设备:应根据工程采用的护壁方式、钢筋笼的制作和安装要求、混凝土的施工要求配备相应的设备(挖掘机、装载机、吊车、潜水泵、运输车等)。
3、安全设备:标准配电箱、防水照明灯、安全帽等。
4、桩施工检测工具:应根据桩基施工过程控制要求,配备相应的检测工具(测量绳、1Kg线坠、钢尺、桩径和沉渣检测工具等)(三)施工工艺流程测量放线定桩位→开挖地面表层土埋设钢护筒→检查桩中心轴线→钻机就位→钻孔→成孔检查→清孔→孔口盖板→移钻机→移盖板测孔深、垂直度、沉渣厚度→吊放钢筋笼→安装混凝土导管→二次清孔→复测沉渣厚度→浇筑混凝土→孔口处理、凿除桩头→桩成品检测、验收。
(四)操作工艺1、测量放线根据施工设计图纸子图说进行桩位精确放样,桩轴线、标高控制点应设在不受施工影响的地方,施工前经复核后妥善保护,施工中应进行复测,桩定位后应同时测量记录原始地面标高。
2、场地规划规划好场内行车路线,出土出渣线路,布置稳定液制作、存放位置,布设好排浆、排水管沟,场地3、护筒埋设(1)、根据桩径选用厚度不小于10mm钢板制作不小于钻头直径200mm的钢护筒。
旋挖钻孔灌注桩施工记录表一、工程概况工程名称:_____工程地点:_____建设单位:_____设计单位:_____监理单位:_____施工单位:_____桩号:_____桩径:_____桩长:_____桩顶标高:_____桩底标高:_____混凝土强度等级:_____二、施工准备1、场地平整施工前对场地进行平整,清除杂物和障碍物,确保桩机能够平稳作业。
场地平整度误差控制在 ±50mm 以内。
2、桩位放线根据设计图纸,采用全站仪或经纬仪进行桩位放线。
桩位偏差控制在规范允许范围内,群桩偏差不大于 20mm,单排桩偏差不大于 10mm。
3、护筒埋设护筒采用钢板制作,内径大于桩径 200mm。
护筒埋设深度根据地质情况确定,一般为 15 20m,护筒顶部高出地面 300mm。
护筒中心与桩位中心偏差不大于 50mm,垂直度偏差不大于 1%。
4、泥浆制备根据地质条件和施工要求,制备合适的泥浆。
泥浆性能指标应符合规范要求,如比重、粘度、含砂率等。
三、钻进成孔1、钻机就位钻机安装平稳,底座牢固,钻杆垂直。
对中误差不大于 20mm,垂直度偏差不大于 1%。
2、钻进参数根据地质情况和桩径、桩长,合理选择钻进速度、钻压和转速。
钻进过程中应及时记录钻进深度、钻进时间、钻进速度等参数。
3、地质情况记录钻进过程中,密切观察地质变化情况,每钻进 1 2m 记录一次地质情况。
详细记录土层、砂层、岩层等的分布情况和厚度。
4、孔深测量当钻进至设计孔深时,采用测绳或测孔仪测量孔深。
孔深允许偏差为+300mm,0。
5、孔径测量采用孔径检测仪测量孔径,孔径不得小于设计桩径。
6、孔底沉渣厚度检测当钻进至设计孔深后,进行第一次清孔,清孔完成后测量孔底沉渣厚度。
孔底沉渣厚度不得大于 50mm。
四、钢筋笼制作与安装1、钢筋笼制作钢筋笼按照设计图纸要求制作,主筋间距、箍筋间距、钢筋笼直径等偏差应符合规范要求。
主筋接头采用焊接或机械连接,接头质量应符合规范要求。
旋挖钻孔灌注桩单桩建筑施工记录关键信息项:1、桩号:____________________2、桩径:____________________3、桩长:____________________4、施工日期:____________________5、地质情况描述:____________________6、混凝土强度等级:____________________7、钢筋笼制作与安装情况:____________________8、钻孔深度:____________________9、成孔时间:____________________10、灌注混凝土量:____________________11 施工准备111 施工前应熟悉施工图纸和地质勘察报告,了解桩位布置、桩径、桩长、桩顶标高、桩底标高、持力层等设计要求。
112 场地应平整,排水畅通,确保施工机械和运输车辆的通行。
113 测量放线,确定桩位,并设置好护桩。
12 钻孔设备选择与安装121 根据地质条件和桩径、桩长等要求,选择合适的旋挖钻孔设备。
122 钻孔设备安装应稳固,水平,保证钻孔过程中的垂直度。
13 钻孔施工131 开始钻孔时,应缓慢钻进,待钻头全部进入地层后,再正常钻进。
132 钻进过程中,应根据地质情况控制钻进速度和钻进压力。
133 定期检查钻孔的垂直度,发现偏差及时调整。
134 记录钻孔过程中的地质变化情况,如土层、砂层、岩层等的分布和厚度。
14 成孔检查141 钻孔达到设计深度后,进行成孔检查,包括孔径、孔深、垂直度、孔底沉渣厚度等。
142 孔底沉渣厚度应符合设计要求,如不符合,应进行清孔处理。
15 钢筋笼制作与安装151 按照设计要求制作钢筋笼,确保钢筋的规格、数量、间距等符合设计要求。
152 钢筋笼焊接应牢固,焊缝饱满,不得有咬边、气孔等缺陷。
153 钢筋笼安装时,应保证其垂直度和保护层厚度,防止钢筋笼碰撞孔壁。
16 混凝土灌注161 灌注混凝土前,应再次检查孔底沉渣厚度,如超过规定,应进行二次清孔。
旋挖钻孔灌注桩施工记录表关键信息项:1、工程名称:____________________________2、桩号:____________________________3、桩径:____________________________4、桩长:____________________________5、施工日期:____________________________6、施工单位:____________________________7、地质情况描述:____________________________8、钻孔深度:____________________________9、钢筋笼长度:____________________________10、混凝土强度等级:____________________________11、灌注混凝土量:____________________________11 施工准备111 施工前应确保施工现场具备“三通一平”条件,即水通、电通、路通和场地平整。
112 熟悉施工图纸和地质勘察报告,了解桩位布置、桩长、桩径、桩身混凝土强度等设计要求。
113 检查施工机械设备的性能和状态,确保其能够正常运行。
12 测量放线121 根据设计图纸和测量控制点,准确放出桩位,并设置明显的标志。
122 对桩位进行复测,确保桩位偏差符合规范要求。
13 护筒埋设131 护筒应采用钢板制作,其内径应大于钻头直径 100mm 以上。
132 护筒埋设深度应符合设计要求,一般应穿过松散土层进入稳定土层不小于 05m。
133 护筒埋设应垂直、稳固,中心与桩位中心偏差不得大于50mm。
14 钻机就位141 钻机安装应平稳、牢固,确保在施工过程中不发生倾斜和位移。
142 调整钻机的垂直度,使其偏差不大于 1%。
15 钻进成孔151 钻进过程中应根据地质情况控制钻进速度和钻进压力。
152 及时清理孔内的渣土和泥浆,保持孔内清洁。
旋挖钻孔灌注桩单桩建筑施工记录一、工程概况工程名称:_____工程地点:_____建设单位:_____施工单位:_____监理单位:_____本次施工的旋挖钻孔灌注桩为基础结构的一部分,设计桩径为_____mm,桩长为_____m,桩身混凝土强度等级为_____。
二、施工准备1、场地平整施工前对场地进行了平整,清除了地面障碍物,确保钻机能够平稳作业。
2、测量放线根据设计图纸,使用全站仪进行桩位的精确测量放线,并设置了明显的桩位标志。
3、设备选型选用了适合本工程地质条件的旋挖钻机型号_____,配备了相应的钻具和辅助设备。
4、材料准备提前准备了符合要求的钢筋、水泥、砂、石子等原材料,并进行了检验和复试。
三、施工工艺流程1、钻进成孔(1)将旋挖钻机就位,调整好钻杆垂直度和钻头位置。
(2)启动钻机,缓慢钻进,根据地质情况控制钻进速度和钻进压力。
(3)在钻进过程中,及时清理孔内的渣土,保持孔内清洁。
(4)当钻进至设计深度后,进行终孔验收,测量孔深、孔径、孔斜度等参数,确保符合设计要求。
2、钢筋笼制作与安装(1)根据设计要求,在加工场地制作钢筋笼。
钢筋的规格、型号、数量和间距均符合设计要求,主筋采用焊接连接,箍筋采用绑扎连接。
(2)制作完成后,对钢筋笼进行质量检验,合格后运往施工现场。
(3)采用吊车将钢筋笼吊起,缓慢放入孔内,确保钢筋笼的位置和垂直度准确无误。
3、灌注混凝土(1)安装导管,导管底部距孔底的距离控制在_____mm 左右。
(2)在灌注前,再次测量孔深和孔底沉渣厚度,如沉渣厚度超过设计要求,进行二次清孔。
(3)采用商品混凝土,混凝土坍落度控制在_____mm 左右。
(4)开始灌注混凝土,灌注过程中要连续进行,控制好灌注速度和导管埋深,确保混凝土灌注密实。
四、施工过程记录1、钻进成孔记录桩号:_____开孔时间:_____终孔时间:_____钻进深度:_____m地质情况描述:0 _____m:土层为_____,土性描述为_____。
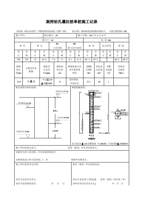
旋挖钻孔灌注桩单桩施工记录工程名称:雨花污水处理厂厂外配套管网及泵站施工工程第一标段施工单位:湖南高岭建设集团股份有限公司砼设计强度等级:C30旋挖钻孔灌注桩单桩施工记录工程名称:雨花污水处理厂厂外配套管网及泵站施工工程第一标段施工单位:湖南高岭建设集团股份有限公司砼设计强度等级:C30旋挖钻孔灌注桩单桩施工记录工程名称:雨花污水处理厂厂外配套管网及泵站施工工程第一标段施工单位:湖南高岭建设集团股份有限公司砼设计强度等级:C30旋挖钻孔灌注桩单桩施工记录工程名称:雨花污水处理厂厂外配套管网及泵站施工工程第一标段施工单位:湖南高岭建设集团股份有限公司砼设计强度等级:C30旋挖钻孔灌注桩单桩施工记录工程名称:雨花污水处理厂厂外配套管网及泵站施工工程第一标段施工单位:湖南高岭建设集团股份有限公司砼设计强度等级:C30旋挖钻孔灌注桩单桩施工记录工程名称:雨花污水处理厂厂外配套管网及泵站施工工程第一标段施工单位:湖南高岭建设集团股份有限公司砼设计强度等级:C30旋挖钻孔灌注桩单桩施工记录工程名称:雨花污水处理厂厂外配套管网及泵站施工工程第一标段施工单位:湖南高岭建设集团股份有限公司砼设计强度等级:C30旋挖钻孔灌注桩单桩施工记录工程名称:雨花污水处理厂厂外配套管网及泵站施工工程第一标段施工单位:湖南高岭建设集团股份有限公司砼设计强度等级:C30(B型桩)旋挖钻孔灌注桩单桩施工记录工程名称:雨花污水处理厂厂外配套管网及泵站施工工程第一标段施工单位:湖南高岭建设集团股份有限公司砼设计强度等级:C30旋挖钻孔灌注桩单桩施工记录工程名称:雨花污水处理厂厂外配套管网及泵站施工工程第一标段施工单位:湖南高岭建设集团股份有限公司砼设计强度等级:C30旋挖钻孔灌注桩单桩施工记录工程名称:雨花污水处理厂厂外配套管网及泵站施工工程第一标段施工单位:湖南高岭建设集团股份有限公司砼设计强度等级:C30旋挖钻孔灌注桩单桩施工记录工程名称:雨花污水处理厂厂外配套管网及泵站施工工程第一标段施工单位:湖南高岭建设集团股份有限公司砼设计强度等级:C30旋挖钻孔灌注桩单桩施工记录工程名称:雨花污水处理厂厂外配套管网及泵站施工工程第一标段施工单位:湖南高岭建设集团股份有限公司砼设计强度等级:C30旋挖钻孔灌注桩单桩施工记录工程名称:雨花污水处理厂厂外配套管网及泵站施工工程第一标段施工单位:湖南高岭建设集团股份有限公司砼设计强度等级:C30旋挖钻孔灌注桩单桩施工记录工程名称:雨花污水处理厂厂外配套管网及泵站施工工程第一标段施工单位:湖南高岭建设集团股份有限公司砼设计强度等级:C30旋挖钻孔灌注桩单桩施工记录工程名称:雨花污水处理厂厂外配套管网及泵站施工工程第一标段施工单位:湖南高岭建设集团股份有限公司砼设计强度等级:C30旋挖钻孔灌注桩单桩施工记录工程名称:雨花污水处理厂厂外配套管网及泵站施工工程第一标段施工单位:湖南高岭建设集团股份有限公司砼设计强度等级:C30旋挖钻孔灌注桩单桩施工记录工程名称:雨花污水处理厂厂外配套管网及泵站施工工程第一标段施工单位:湖南高岭建设集团股份有限公司砼设计强度等级:C30旋挖钻孔灌注桩单桩施工记录工程名称:雨花污水处理厂厂外配套管网及泵站施工工程第一标段施工单位:湖南高岭建设集团股份有限公司砼设计强度等级:C30旋挖钻孔灌注桩单桩施工记录工程名称:雨花污水处理厂厂外配套管网及泵站施工工程第一标段施工单位:湖南高岭建设集团股份有限公司砼设计强度等级:C30旋挖钻孔灌注桩单桩施工记录工程名称:雨花污水处理厂厂外配套管网及泵站施工工程第一标段施工单位:湖南高岭建设集团股份有限公司砼设计强度等级:C30旋挖钻孔灌注桩单桩施工记录工程名称:雨花污水处理厂厂外配套管网及泵站施工工程第一标段施工单位:湖南高岭建设集团股份有限公司砼设计强度等级:C30旋挖钻孔灌注桩单桩施工记录工程名称:雨花污水处理厂厂外配套管网及泵站施工工程第一标段施工单位:湖南高岭建设集团股份有限公司砼设计强度等级:C30旋挖钻孔灌注桩单桩施工记录工程名称:雨花污水处理厂厂外配套管网及泵站施工工程第一标段施工单位:湖南高岭建设集团股份有限公司砼设计强度等级:C30旋挖钻孔灌注桩单桩施工记录工程名称:雨花污水处理厂厂外配套管网及泵站施工工程第一标段施工单位:湖南高岭建设集团股份有限公司砼设计强度等级:C30旋挖钻孔灌注桩单桩施工记录工程名称:雨花污水处理厂厂外配套管网及泵站施工工程第一标段施工单位:湖南高岭建设集团股份有限公司砼设计强度等级:C30旋挖钻孔灌注桩单桩施工记录工程名称:雨花污水处理厂厂外配套管网及泵站施工工程第一标段施工单位:湖南高岭建设集团股份有限公司砼设计强度等级:C30旋挖钻孔灌注桩单桩施工记录工程名称:雨花污水处理厂厂外配套管网及泵站施工工程第一标段施工单位:湖南高岭建设集团股份有限公司砼设计强度等级:C30旋挖钻孔灌注桩单桩施工记录工程名称:雨花污水处理厂厂外配套管网及泵站施工工程第一标段施工单位:湖南高岭建设集团股份有限公司砼设计强度等级:C30旋挖钻孔灌注桩单桩施工记录工程名称:雨花污水处理厂厂外配套管网及泵站施工工程第一标段施工单位:湖南高岭建设集团股份有限公司砼设计强度等级:C30旋挖钻孔灌注桩单桩施工记录工程名称:雨花污水处理厂厂外配套管网及泵站施工工程第一标段施工单位:湖南高岭建设集团股份有限公司砼设计强度等级:C30旋挖钻孔灌注桩单桩施工记录工程名称:雨花污水处理厂厂外配套管网及泵站施工工程第一标段施工单位:湖南高岭建设集团股份有限公司砼设计强度等级:C30旋挖钻孔灌注桩单桩施工记录工程名称:雨花污水处理厂厂外配套管网及泵站施工工程第一标段施工单位:湖南高岭建设集团股份有限公司砼设计强度等级:C30旋挖钻孔灌注桩单桩施工记录工程名称:雨花污水处理厂厂外配套管网及泵站施工工程第一标段施工单位:湖南高岭建设集团股份有限公司砼设计强度等级:C30旋挖钻孔灌注桩单桩施工记录工程名称:雨花污水处理厂厂外配套管网及泵站施工工程第一标段施工单位:湖南高岭建设集团股份有限公司砼设计强度等级:C30旋挖钻孔灌注桩单桩施工记录工程名称:雨花污水处理厂厂外配套管网及泵站施工工程第一标段施工单位:湖南高岭建设集团股份有限公司砼设计强度等级:C30旋挖钻孔灌注桩单桩施工记录工程名称:雨花污水处理厂厂外配套管网及泵站施工工程第一标段施工单位:湖南高岭建设集团股份有限公司砼设计强度等级:C30旋挖钻孔灌注桩单桩施工记录工程名称:雨花污水处理厂厂外配套管网及泵站施工工程第一标段施工单位:湖南高岭建设集团股份有限公司砼设计强度等级:C30旋挖钻孔灌注桩单桩施工记录工程名称:雨花污水处理厂厂外配套管网及泵站施工工程第一标段施工单位:湖南高岭建设集团股份有限公司砼设计强度等级:C30旋挖钻孔灌注桩单桩施工记录工程名称:雨花污水处理厂厂外配套管网及泵站施工工程第一标段施工单位:湖南高岭建设集团股份有限公司砼设计强度等级:C30旋挖钻孔灌注桩单桩施工记录工程名称:雨花污水处理厂厂外配套管网及泵站施工工程第一标段施工单位:湖南高岭建设集团股份有限公司砼设计强度等级:C30旋挖钻孔灌注桩单桩施工记录工程名称:雨花污水处理厂厂外配套管网及泵站施工工程第一标段施工单位:湖南高岭建设集团股份有限公司砼设计强度等级:C30旋挖钻孔灌注桩单桩施工记录工程名称:雨花污水处理厂厂外配套管网及泵站施工工程第一标段施工单位:湖南高岭建设集团股份有限公司砼设计强度等级:C30旋挖钻孔灌注桩单桩施工记录工程名称:雨花污水处理厂厂外配套管网及泵站施工工程第一标段施工单位:湖南高岭建设集团股份有限公司砼设计强度等级:C30旋挖钻孔灌注桩单桩施工记录工程名称:雨花污水处理厂厂外配套管网及泵站施工工程第一标段施工单位:湖南高岭建设集团股份有限公司砼设计强度等级:C30旋挖钻孔灌注桩单桩施工记录工程名称:雨花污水处理厂厂外配套管网及泵站施工工程第一标段施工单位:湖南高岭建设集团股份有限公司砼设计强度等级:C30旋挖钻孔灌注桩单桩施工记录工程名称:雨花污水处理厂厂外配套管网及泵站施工工程第一标段施工单位:湖南高岭建设集团股份有限公司砼设计强度等级:C30旋挖钻孔灌注桩单桩施工记录工程名称:雨花污水处理厂厂外配套管网及泵站施工工程第一标段施工单位:湖南高岭建设集团股份有限公司砼设计强度等级:C30旋挖钻孔灌注桩单桩施工记录工程名称:雨花污水处理厂厂外配套管网及泵站施工工程第一标段施工单位:湖南高岭建设集团股份有限公司砼设计强度等级:C30。
工程名称:雨花污水处理厂厂外配套管网及泵站施工工程第一标段施工单位:湖南高岭建设集团股份有限公司砼设计强度等级:C30工程名称:雨花污水处理厂厂外配套管网及泵站施工工程第一标段施工单位:湖南高岭建设集团股份有限公司砼设计强度等级:C30工程名称:雨花污水处理厂厂外配套管网及泵站施工工程第一标段施工单位:湖南高岭建设集团股份有限公司砼设计强度等级:C30工程名称:雨花污水处理厂厂外配套管网及泵站施工工程第一标段施工单位:湖南高岭建设集团股份有限公司砼设计强度等级:C30工程名称:雨花污水处理厂厂外配套管网及泵站施工工程第一标段施工单位:湖南高岭建设集团股份有限公司砼设计强度等级:C30工程名称:雨花污水处理厂厂外配套管网及泵站施工工程第一标段施工单位:湖南高岭建设集团股份有限公司砼设计强度等级:C30工程名称:雨花污水处理厂厂外配套管网及泵站施工工程第一标段施工单位:湖南高岭建设集团股份有限公司砼设计强度等级:C30旋挖钻孔灌注桩单桩施工记录工程名称:雨花污水处理厂厂外配套管网及泵站施工工程第一标段施工单位:湖南高岭建设集团股份有限公司砼设计强度等级:C30旋挖钻孔灌注桩单桩施工记录工程名称:雨花污水处理厂厂外配套管网及泵站施工工程第一标段施工单位:湖南高岭建设集团股份有限公司砼设计强度等级:C30旋挖钻孔灌注桩单桩施工记录工程名称:雨花污水处理厂厂外配套管网及泵站施工工程第一标段施工单位:湖南高岭建设集团股份有限公司砼设计强度等级:C30旋挖钻孔灌注桩单桩施工记录工程名称:雨花污水处理厂厂外配套管网及泵站施工工程第一标段施工单位:湖南高岭建设集团股份有限公司砼设计强度等级:C30旋挖钻孔灌注桩单桩施工记录工程名称:雨花污水处理厂厂外配套管网及泵站施工工程第一标段施工单位:湖南高岭建设集团股份有限公司砼设计强度等级:C30旋挖钻孔灌注桩单桩施工记录工程名称:雨花污水处理厂厂外配套管网及泵站施工工程第一标段施工单位:湖南高岭建设集团股份有限公司砼设计强度等级:C30旋挖钻孔灌注桩单桩施工记录工程名称:雨花污水处理厂厂外配套管网及泵站施工工程第一标段施工单位:湖南高岭建设集团股份有限公司砼设计强度等级:C30旋挖钻孔灌注桩单桩施工记录工程名称:雨花污水处理厂厂外配套管网及泵站施工工程第一标段施工单位:湖南高岭建设集团股份有限公司砼设计强度等级:C30旋挖钻孔灌注桩单桩施工记录工程名称:雨花污水处理厂厂外配套管网及泵站施工工程第一标段施工单位:湖南高岭建设集团股份有限公司砼设计强度等级:C30(B型桩)旋挖钻孔灌注桩单桩施工记录工程名称:雨花污水处理厂厂外配套管网及泵站施工工程第一标段施工单位:湖南高岭建设集团股份有限公司砼设计强度等级:C30(B型桩)旋挖钻孔灌注桩单桩施工记录工程名称:雨花污水处理厂厂外配套管网及泵站施工工程第一标段施工单位:湖南高岭建设集团股份有限公司砼设计强度等级:C30旋挖钻孔灌注桩单桩施工记录工程名称:雨花污水处理厂厂外配套管网及泵站施工工程第一标段施工单位:湖南高岭建设集团股份有限公司砼设计强度等级:C30旋挖钻孔灌注桩单桩施工记录工程名称:雨花污水处理厂厂外配套管网及泵站施工工程第一标段施工单位:湖南高岭建设集团股份有限公司砼设计强度等级:C30旋挖钻孔灌注桩单桩施工记录工程名称:雨花污水处理厂厂外配套管网及泵站施工工程第一标段施工单位:湖南高岭建设集团股份有限公司砼设计强度等级:C30旋挖钻孔灌注桩单桩施工记录工程名称:雨花污水处理厂厂外配套管网及泵站施工工程第一标段施工单位:湖南高岭建设集团股份有限公司砼设计强度等级:C30旋挖钻孔灌注桩单桩施工记录工程名称:雨花污水处理厂厂外配套管网及泵站施工工程第一标段施工单位:湖南高岭建设集团股份有限公司砼设计强度等级:C30旋挖钻孔灌注桩单桩施工记录工程名称:雨花污水处理厂厂外配套管网及泵站施工工程第一标段施工单位:湖南高岭建设集团股份有限公司砼设计强度等级:C30旋挖钻孔灌注桩单桩施工记录工程名称:雨花污水处理厂厂外配套管网及泵站施工工程第一标段施工单位:湖南高岭建设集团股份有限公司砼设计强度等级:C30旋挖钻孔灌注桩单桩施工记录工程名称:雨花污水处理厂厂外配套管网及泵站施工工程第一标段施工单位:湖南高岭建设集团股份有限公司砼设计强度等级:C30旋挖钻孔灌注桩单桩施工记录工程名称:雨花污水处理厂厂外配套管网及泵站施工工程第一标段施工单位:湖南高岭建设集团股份有限公司砼设计强度等级:C30旋挖钻孔灌注桩单桩施工记录工程名称:雨花污水处理厂厂外配套管网及泵站施工工程第一标段施工单位:湖南高岭建设集团股份有限公司砼设计强度等级:C30旋挖钻孔灌注桩单桩施工记录工程名称:雨花污水处理厂厂外配套管网及泵站施工工程第一标段施工单位:湖南高岭建设集团股份有限公司砼设计强度等级:C30旋挖钻孔灌注桩单桩施工记录工程名称:雨花污水处理厂厂外配套管网及泵站施工工程第一标段施工单位:湖南高岭建设集团股份有限公司砼设计强度等级:C30旋挖钻孔灌注桩单桩施工记录工程名称:雨花污水处理厂厂外配套管网及泵站施工工程第一标段施工单位:湖南高岭建设集团股份有限公司砼设计强度等级:C30(C型桩)旋挖钻孔灌注桩单桩施工记录工程名称:雨花污水处理厂厂外配套管网及泵站施工工程第一标段施工单位:湖南高岭建设集团股份有限公司砼设计强度等级:C30旋挖钻孔灌注桩单桩施工记录工程名称:雨花污水处理厂厂外配套管网及泵站施工工程第一标段施工单位:湖南高岭建设集团股份有限公司砼设计强度等级:C30旋挖钻孔灌注桩单桩施工记录工程名称:雨花污水处理厂厂外配套管网及泵站施工工程第一标段施工单位:湖南高岭建设集团股份有限公司砼设计强度等级:C30旋挖钻孔灌注桩单桩施工记录工程名称:雨花污水处理厂厂外配套管网及泵站施工工程第一标段施工单位:湖南高岭建设集团股份有限公司砼设计强度等级:C30旋挖钻孔灌注桩单桩施工记录工程名称:雨花污水处理厂厂外配套管网及泵站施工工程第一标段施工单位:湖南高岭建设集团股份有限公司砼设计强度等级:C30旋挖钻孔灌注桩单桩施工记录工程名称:雨花污水处理厂厂外配套管网及泵站施工工程第一标段施工单位:湖南高岭建设集团股份有限公司砼设计强度等级:C30旋挖钻孔灌注桩单桩施工记录工程名称:雨花污水处理厂厂外配套管网及泵站施工工程第一标段施工单位:湖南高岭建设集团股份有限公司砼设计强度等级:C30旋挖钻孔灌注桩单桩施工记录工程名称:雨花污水处理厂厂外配套管网及泵站施工工程第一标段施工单位:湖南高岭建设集团股份有限公司砼设计强度等级:C30旋挖钻孔灌注桩单桩施工记录工程名称:雨花污水处理厂厂外配套管网及泵站施工工程第一标段施工单位:湖南高岭建设集团股份有限公司砼设计强度等级:C30旋挖钻孔灌注桩单桩施工记录工程名称:雨花污水处理厂厂外配套管网及泵站施工工程第一标段施工单位:湖南高岭建设集团股份有限公司砼设计强度等级:C30旋挖钻孔灌注桩单桩施工记录工程名称:雨花污水处理厂厂外配套管网及泵站施工工程第一标段施工单位:湖南高岭建设集团股份有限公司砼设计强度等级:C30旋挖钻孔灌注桩单桩施工记录工程名称:雨花污水处理厂厂外配套管网及泵站施工工程第一标段施工单位:湖南高岭建设集团股份有限公司砼设计强度等级:C30旋挖钻孔灌注桩单桩施工记录工程名称:雨花污水处理厂厂外配套管网及泵站施工工程第一标段施工单位:湖南高岭建设集团股份有限公司砼设计强度等级:C30旋挖钻孔灌注桩单桩施工记录工程名称:雨花污水处理厂厂外配套管网及泵站施工工程第一标段施工单位:湖南高岭建设集团股份有限公司砼设计强度等级:C30旋挖钻孔灌注桩单桩施工记录工程名称:雨花污水处理厂厂外配套管网及泵站施工工程第一标段施工单位:湖南高岭建设集团股份有限公司砼设计强度等级:C30旋挖钻孔灌注桩单桩施工记录工程名称:雨花污水处理厂厂外配套管网及泵站施工工程第一标段施工单位:湖南高岭建设集团股份有限公司砼设计强度等级:C30旋挖钻孔灌注桩单桩施工记录工程名称:雨花污水处理厂厂外配套管网及泵站施工工程第一标段施工单位:湖南高岭建设集团股份有限公司砼设计强度等级:C30旋挖钻孔灌注桩单桩施工记录工程名称:雨花污水处理厂厂外配套管网及泵站施工工程第一标段施工单位:湖南高岭建设集团股份有限公司砼设计强度等级:C30旋挖钻孔灌注桩单桩施工记录工程名称:雨花污水处理厂厂外配套管网及泵站施工工程第一标段施工单位:湖南高岭建设集团股份有限公司砼设计强度等级:C30。
前言:本文主要介绍的是关于《旋挖钻孔灌注桩施工方案》的文章,文章是由本店铺通过查阅资料,经过精心整理撰写而成。
文章的内容不一定符合大家的期望需求,还请各位根据自己的需求进行下载。
本文档下载后可以根据自己的实际情况进行任意改写,从而已达到各位的需求。
愿本篇《旋挖钻孔灌注桩施工方案》能真实确切的帮助各位。
本店铺将会继续努力、改进、创新,给大家提供更加优质符合大家需求的文档。
感谢支持!正文:就一般而言我们的旋挖钻孔灌注桩施工方案具有以下内容:一、引言旋挖钻孔灌注桩施工方案的引言:1.1 编制目的本旋挖钻孔灌注桩施工方案旨在为XXX项目提供一套详细、科学的施工组织和技术指导,确保工程质量、安全、进度等方面的全面控制。
通过深入分析工程特点、地质条件、施工环境等因素,制定合理的施工工序、方法、工艺及质量、安全、环保等措施,达到优质、高效、低耗的施工目标。
1.2 编制依据本方案编制依据主要包括以下几个方面:(1)相关法律法规、规范标准:如《建筑桩基技术规范》、《建筑基桩检测技术规范》、《建筑工程施工质量验收统一标准》等;(2)工程设计文件:包括工程地质报告、桩基设计图纸、施工图纸等;(3)施工现场实际情况:包括地质条件、场地布置、施工设备、人员组织等;(4)施工经验和技术水平:结合施工单位多年来的旋挖钻孔灌注桩施工经验,以及拥有的技术力量和设备条件。
1.3 编制原则本方案编制遵循以下原则:(1)符合法律法规、规范标准的要求,确保施工质量和安全;(2)充分考虑工程特点和现场条件,提高施工效率,降低成本;(3)注重技术创新和环保要求,提高施工水平,减少对环境的影响;(4)结合施工经验,充分预测和解决施工中可能出现的问题,确保工程顺利进行。
综上所述,本旋挖钻孔灌注桩施工方案将为您提供全面、细致的施工指导,以确保工程质量和进度,降低成本,实现文明施工和环保目标。
二、工程概况以下是一段关于旋挖钻孔灌注桩施工方案中的工程概况:2.1项目简介本项目为某城市地铁线路工程,全长约10公里,主要包括地铁站、区间隧道、桥梁和道路等组成部分。
旋挖钻孔灌注桩施工记录范本1:旋挖钻孔灌注桩施工记录1. 项目背景1.1 项目名称:XXX工程1.2 项目地点:XXX地区1.3 项目概况:XXX工程旨在建设XXX建筑物,本次施工记录主要针对旋挖钻孔灌注桩施工环节进行详细记录。
2. 施工前准备2.1 施工方案准备:制定旋挖钻孔灌注桩施工方案,并由工程师审核和批准。
2.2 设备准备:安排旋挖钻孔机、混凝土搅拌车等设备。
2.3 材料准备:准备好钢筋、混凝土、灌注桩模板等施工所需的材料。
2.4 人员准备:安排经验丰富的钻孔工和搅拌工,并进行必要的培训。
3. 施工过程3.1 钻孔施工:3.1.1 钻孔机操作人员根据设计要求,选取合适的孔径和孔深。
3.1.2 钻孔机进行钻孔作业,确保钻孔的位置、直径和深度符合要求。
3.1.3 钻孔过程中应注意记录钻孔进度、地质情况等重要数据。
3.2 钢筋安装:3.2.1 钻孔完成后,钢筋工将钢筋丝束按设计要求放入钻孔中。
3.2.2 确保钢筋的位置、间距和连接方式符合设计要求。
3.3 混凝土灌注:3.3.1 混凝土搅拌车将现场搅拌好的混凝土输送至钻孔位置。
3.3.2 混凝土从底部灌注至钻孔顶部,确保钻孔内混凝土的均匀性和密实性。
3.3.3 灌注过程中注意记录混凝土用量、搅拌时间等关键数据。
4. 施工质量控制4.1 验收标准:根据规范要求进行验收,确保灌注桩的质量符合要求。
4.2 质量控制措施:进行现场质量监督和检测,如对混凝土强度进行取样试验等。
4.3 质量记录:详细记录每个灌注桩的质量数据,并进行整理归档。
5. 安全施工5.1 安全方案:制定钻孔和灌注过程的安全施工方案,并向相关人员进行培训。
5.2 安全控制措施:设置安全警示标志、合理安排施工区域。
5.3 安全记录:记录施工中发生的安全事故、事故处理情况等。
6. 施工总结6.1 施工进度总结:根据施工进度和施工质量评估,对施工进度进行总结和分析。
6.2 问题及改进措施:总结施工中存在的问题,并提出改进措施。
引言概述:正文内容:一、施工材料与设备1.钻孔设备:使用型号钻机,设置钻孔直径为X米,钻孔深度为X米。
2.灌注桩材料:使用X型号混凝土,配合比为X:Y:Z。
3.形心管材料:采用X型号钢管,直径为X毫米,壁厚为X毫米。
4.钢筋:采用X型号钢筋,直径为X毫米,强度等级为X级。
二、施工过程记录1.钻孔施工a.确定钻孔位置和孔深,并在现场测量标示。
b.使用钻机进行钻孔作业,逐层进行固结筒的安装。
c.钻孔过程中,记录钻孔直径、孔深、孔位偏差等参数。
2.灌注桩施工a.钻孔完毕后,进行清孔作业,确保钻孔内部干净。
b.根据设计要求,在孔内安装适量的钢筋。
c.对混凝土进行搅拌、运输和灌注,并记录混凝土配合比、进场时间、搅拌时间及施工质量等数据。
d.注意观察灌注桩的温度、浇筑层数以及施工过程中的异常情况,并及时做好记录。
3.形心桩施工a.钻孔灌注桩硬化后,进行形心管的安装。
b.观察形心管的垂直度和位置,确保符合设计要求。
c.在形心管内进行混凝土灌注,并记录灌注时间、形心管深度等数据。
d.注意观察灌注过程中的振捣情况和灌注桩表面的平整度,并及时记录。
4.监测与检测a.在施工过程中,定期进行现场监测和检测,包括孔径、孔深、灌注压力、钢筋位置等。
b.使用相关设备和工具,如钢卷尺、液压切割机等,进行准确的测量和检测。
c.记录监测和检测结果,并与设计要求进行对比和评估。
5.质量控制与问题解决a.在施工过程中,严格按照设计要求和规范进行控制。
b.对施工过程中出现的问题,采取相应的措施予以解决。
如出现混凝土质量不达标的情况,及时调整搅拌比例和施工方法等。
c.在施工结束后,对施工质量进行检查和评估,并填写相应的施工质量评估报告。
总结:。
旋挖钻孔灌注桩单桩施工记录一、工程概况本工程为_____项目,位于_____。
单桩设计参数如下:桩径为_____mm,桩长为_____m,桩身混凝土强度等级为_____。
二、施工准备1、场地平整施工前对场地进行平整,清除杂物,确保施工机械能够平稳作业。
2、测量放线根据设计图纸,使用全站仪准确放出桩位,并设置护桩。
3、机械设备准备选用_____型号的旋挖钻机,配备足够数量的钻杆、钻头等配件。
同时,准备好混凝土搅拌设备、运输车辆、吊车等辅助设备。
4、材料准备提前采购符合要求的钢筋、水泥、砂、石等原材料,并进行检验和复试,确保质量合格。
三、施工过程1、护筒埋设采用钢护筒,护筒直径比桩径大_____mm,护筒长度根据地质情况确定,一般为_____m。
护筒埋设时,保证其中心与桩位中心重合,偏差不大于_____mm,护筒垂直,倾斜度不大于_____%。
护筒周围用粘土分层夯实。
2、钻机就位将旋挖钻机移动至桩位处,调整钻机水平和垂直度,使钻杆中心与桩位中心重合。
3、钻进成孔启动钻机,按照设定的钻进参数进行钻进。
在钻进过程中,密切观察钻进情况,及时调整钻进速度和钻压。
遇到坚硬地层时,可采用更换钻头、增加钻压等措施。
钻进过程中要保持孔内泥浆面高于地下水位_____m 以上,防止塌孔。
4、清孔当钻进至设计深度后,进行第一次清孔。
采用换浆法清孔,将孔内的泥浆比重和含砂率降低至规定值。
清孔后,孔底沉渣厚度不大于_____mm。
5、钢筋笼制作与安装根据设计要求,在加工场地制作钢筋笼。
钢筋笼主筋采用焊接连接,箍筋与主筋采用绑扎连接。
钢筋笼制作完成后,使用吊车将其吊运至孔口,并缓慢下放至孔内。
下放过程中,要保证钢筋笼的垂直度和保护层厚度符合要求。
6、导管安装选用_____mm 直径的导管,导管连接要牢固、密封。
导管安装前要进行水密试验,确保导管无渗漏。
导管底口距离孔底_____mm。
7、二次清孔在灌注混凝土前,进行第二次清孔。
旋挖钻孔灌注桩施工记录一、工程概况本次施工的项目为_____,位于_____。
该工程的基础设计采用旋挖钻孔灌注桩,共计_____根桩,桩径为_____mm,桩长为_____m。
二、施工准备1、技术准备熟悉施工图纸和地质勘察报告,了解桩位布置、桩长、桩径、桩身混凝土强度等设计要求。
编制施工方案,明确施工工艺、施工流程、质量控制要点和安全注意事项。
对施工人员进行技术交底,确保其掌握施工技术要求和质量标准。
2、现场准备平整场地,清除障碍物,保证施工场地的平整度和承载力满足施工要求。
修建施工便道,便于施工车辆和设备的通行。
布置临时水电线路,确保施工过程中的水电供应。
3、材料准备准备好钢筋、混凝土等原材料,并进行质量检验,确保其符合设计要求。
钢筋应按照设计要求进行加工制作,确保尺寸和规格准确无误。
4、设备准备选用合适的旋挖钻机,并对其进行调试和维护,确保设备性能良好。
配备泥浆制备和处理设备、吊车、电焊机等辅助设备。
三、施工工艺流程1、测量放线根据设计图纸,采用全站仪或经纬仪进行桩位放线,确定桩位的中心位置,并设置护桩。
对桩位进行复核,确保桩位偏差符合规范要求。
2、埋设护筒护筒采用钢板制作,内径比桩径大 200 300mm,长度根据地质情况确定,一般为 2 4m。
护筒埋设时,应保证其中心线与桩位中心线重合,偏差不大于50mm。
护筒四周用粘土分层夯实,防止护筒移位和漏水。
3、泥浆制备根据地质情况和施工要求,制备合适的泥浆。
泥浆的性能指标应符合规范要求,如比重、粘度、含砂率等。
在施工过程中,应定期对泥浆进行检测和调整,确保泥浆性能稳定。
4、旋挖钻进启动旋挖钻机,缓慢钻进。
钻进过程中,应根据地质情况控制钻进速度和钻进压力,避免钻进过快或过慢导致塌孔或钻进困难。
每钻进一定深度,应及时清理孔内的渣土,并检查孔的垂直度和孔径。
5、清孔当钻进至设计深度后,进行第一次清孔。
清孔采用换浆法,即用新鲜泥浆置换孔内的泥浆,直至孔内泥浆的性能指标符合规范要求。