电气设备设施安全距离(最新版)
- 格式:docx
- 大小:226.68 KB
- 文档页数:3
电气施工中设备的安全距离及要求一、背景介绍电气施工是指在建筑物或工业设施中进行电气设备的安装和调试工作。
在电气施工过程中,由于设备的高电压和电流等特性,需要特别注意设备之间的安全距离,以确保施工人员的人身安全和设备的正常运行。
本文将详细介绍电气施工中设备的安全距离及要求。
二、安全距离的定义和意义安全距离是指在电气设备之间或与周围环境之间设置的最小距离,以防止设备之间的干扰、短路、漏电等事故发生。
安全距离的设定是为了保护施工人员的安全,防止电气设备之间出现电弧、电火花等危险情况,并防止设备发生过载、过热等故障。
因此,合理设定安全距离可以有效提高电气施工的安全性和可靠性。
三、安全距离的要求1.设备之间的安全距离在电气施工中,不同类型的设备有不同的安全距离要求。
一般来说,配电设备、开关柜、电缆沟、电缆桥架等设备之间的安全距离应符合以下要求:(1)设备之间的水平距离应大于1.5倍的设备高度,垂直距离应大于0.8倍的设备高度。
(2)在设备之间设置绝缘材料,以防止设备之间发生电弧或电火花。
(3)在设备之间设置防护屏,以防止设备之间发生漏电等事故。
2.设备与周围环境的安全距离除了设备之间的安全距离外,设备与周围环境之间也需要设置一定的安全距离。
主要包括以下要求:(1)设备与墙壁、天花板之间的安全距离应符合建筑规范的要求。
(2)设备与通道之间的安全距离应符合人员撤离的要求。
(3)设备与易燃、易爆物品之间的安全距离应符合安全管理的要求。
四、常见设备的安全距离要求1.变压器的安全距离要求变压器作为电气设备中的重要组成部分,其安全距离要求较为严格。
一般来说,变压器之间的水平距离应大于3倍的变压器高度,垂直距离应大于1.5倍的变压器高度。
此外,变压器与周围环境之间也需要设置一定的安全距离,以保证变压器的正常运行和施工人员的安全。
2.开关柜的安全距离要求开关柜是用于控制和保护电气设备的重要设备,在其周围也需要设置一定的安全距离。
电气设备设施安全距离一、配电线路安全距离(一)配电线路配电线路是指从供电设备到用电设备之间的连接导线。
(二)架空配电线路一般架空配电线路是指10千伏及以下电压的架空配电线路。
1~10千伏架空配电线路为高压配电线路,1千伏以下的架空配电线路为低压配电线路(电业安全工作规程中高、低压是以1千伏为界限而分类的) 。
(三)接户线、进户线从配电线路至用户进线处第一个支持点之间的一段架空导线称为接户线;从接户线引人室内的一段导线称为进户线。
(四)电缆线路随工作环境的不同,电缆线路可分房内隧道或沟道电缆线路、直埋电缆线路、桥梁下吊挂电缆线路和水底电缆线路等。
(五)配电线路安全距离是指配电线路在敷设后,对其一定范围内的质保持的相对安全距离。
如:架空配电线路、接户线、户内低压配线、电缆线路等,在新建、改建邮电局所过程中都应符合国家电气工程安装标准。
二、电工安全操作距离检修作业安全距离:在带电区域中的非常电设备上进行检修时,工作人员正常活动范围与带电设备的安全距离应大于表20中所示的规定。
表工作人员的正常活动范围与带电设备的安全距离设备电压(千伏)距离(米)设备电压(千伏)距离(米)6以下 0.35 154 2.0010~35 0.60 220 3.0044 0.90 330 4.0060~110 1.50第四节接地电气设备、杆塔或过电压保护装置,将其用接地线与接地体连接,称为接地。
一、接地按其目的分类(一)在电力系统中,运行需要的接地,如中性点接地等,称为工作接地。
(二)电气设备的金属外壳,钢筋混凝土杆和金属杆塔等,由于绝缘损坏有可能带电,为了防止这种电压危及人身安全而设的接地,称为保护接地。
保护接地是中性点不接地的低压配电系统和电力高压系统中,电气设备和电气线路最采用的一种保安措施。
(三)接地电压保护装置,如避雷针、避雷器和保间隙等,为了消除过电压危险而设的接地,称为过电压保护接地。
(四)易燃油、天然气贮罐和管道等,为了防止静电危险影响而设的接地,称为防静电接地。
电气设备设施安全距离一、配电线路安全距离(一)配电线路配电线路是指从供电设备到用电设备之间的连接导线。
(二)架空配电线路一般架空配电线路是指10千伏及以下电压的架空配电线路。
1~10千伏架空配电线路为高压配电线路,1千伏以下的架空配电线路为低压配电线路(电业安全工作规程中高、低压是以1千伏为界限而分类的) 。
(三)接户线、进户线从配电线路至用户进线处第一个支持点之间的一段架空导线称为接户线;从接户线引人室内的一段导线称为进户线。
(四)电缆线路随工作环境的不同,电缆线路可分房内隧道或沟道电缆线路、直埋电缆线路、桥梁下吊挂电缆线路和水底电缆线路等。
(五)配电线路安全距离是指配电线路在敷设后,对其一定范围内的质保持的相对安全距离。
如:架空配电线路、接户线、户内低压配线、电缆线路等,在新建、改建邮电局所过程中都应符合国家电气工程安装标准。
二、电工安全操作距离检修作业安全距离:在带电区域中的非常电设备上进行检修时,工作人员正常活动范围与带电设备的安全距离应大于表20中所示的规定。
表工作人员的正常活动范围与带电设备的安全距离设备电压(千伏)距离(米)设备电压(千伏)距离(米)6以下 0.35 154 2.0010~35 0.60 220 3.0044 0.90 330 4.0060~110 1.50第四节接地电气设备、杆塔或过电压保护装置,将其用接地线与接地体连接,称为接地。
一、接地按其目的分类(一)在电力系统中,运行需要的接地,如中性点接地等,称为工作接地。
(二)电气设备的金属外壳,钢筋混凝土杆和金属杆塔等,由于绝缘损坏有可能带电,为了防止这种电压危及人身安全而设的接地,称为保护接地。
保护接地是中性点不接地的低压配电系统和电力高压系统中,电气设备和电气线路最采用的一种保安措施。
(三)接地电压保护装置,如避雷针、避雷器和保间隙等,为了消除过电压危险而设的接地,称为过电压保护接地。
(四)易燃油、天然气贮罐和管道等,为了防止静电危险影响而设的接地,称为防静电接地。
电气施工中设备的安全距离及要求是保证人员和设备安全的重要措施。
下面将详细介绍电气施工中设备的安全距离及要求。
一、设备的安全距离概述在电气施工中,设备的安全距离是指设备之间或设备与人员之间应保持的最小安全距离。
这是为了防止电气设备之间或设备与人员之间出现电击事故而设置的一定距离。
二、设备的安全距离要求1. 设备之间的安全距离要求:(1) 电气设备与电气设备之间应保持适当的安全距离,以防止设备之间的电弧和电火花引起火灾和爆炸事故。
常见的电气设备包括电源、电线、开关、插座、照明设备等。
设备之间的安全距离应根据设备的电压等级、负载电流和设备的防护等级进行合理设置。
(2) 不同电压等级的电气设备之间的安全距离也不同。
一般情况下,低电压电气设备(例如交流220V和直流48V以下)之间的安全距离可以较小。
而高电压电气设备(例如交流380V和直流220V以上)之间的安全距离则需要相对较大。
(3) 不同设备的功能和特点也会影响设备之间的安全距离。
例如,高频设备和强电磁辐射设备之间的安全距离应较大,以避免对其他电气设备的干扰。
2. 设备与人员之间的安全距离要求:(1) 电气设备与人员之间的安全距离应根据设备的电压等级和相关安全规范确定。
根据国家标准和行业规范的要求,一般情况下,与220V以下电压等级的设备相接触时,应保持1米以上的安全距离;与220V以上的设备相接触时,应保持2米以上的安全距离;与高压设备相接触时,应保持相对较远的安全距离。
(2) 在电气施工现场,特别是高压设备的施工现场,应设置明显的安全警示标志和隔离栏杆,以提醒人员维持安全距离。
同时,施工现场的人员也应戴上符合安全要求的个人防护用具,如绝缘手套、绝缘鞋等。
(3) 在进行设备维修和故障排除时,人员还应遵守相关的操作规程和安全操作程序,避免因操作不当而导致电击事故。
(4) 对于无法保持安全距离的操作,如需要接触高压设备或进行电气维护操作时,应采取绝缘的工具和设备,并且必须经过专业培训和具备相应的资质才能进行相关操作。
10KV配电设备及绝缘管型安全距离说明概念为了防止人体触及或过分接近带电体,或防止车辆和其他物体碰撞带电体,以及避免发生各种短路、火灾和爆炸事故,在人体与带电体之间、带电体与地面之间、带电体与带电体之间、带电体与其他物体和设施之间,都必须保持一定的距离,这种距离称为电气安全距离。
电气[1]安全距离的大小,应符合有关电气安全规程的规定。
编辑本段简介人与带电体、带电体与带电体、带电体与地面(水面)、带电体与其他设施之间需保持的最小距离,又称安全净距、安全间距。
安全距离应保证在各种可能的最大工作电压或过电压的作用下,不发生闪络放电,还应保证工作人员对电气设备巡视、操作、维护和检修时的绝对安全。
各类安全距离在国家颁布的有关规程中均有规定。
当实际距离大于安全距离时,人体及设备才安全。
安全距离既用于防止人体触及或过分接近带电体而发生触电,也用于防止车辆等物体碰撞或过分接近带电体以及带电体之间发生放电和短路而引起火灾和电气事故。
安全距离分为线路安全距离、变配电设备安全距离和检修安全距离。
线路安全距离指导线与地面(水面)、杆塔构件、跨越物(包括电力线路和弱电线路)之间的最小允许距离。
变配电设备安全距离指带电体与其他带电体、接地体、各种遮栏等设施之间的最小允许距离。
检修安全距离指工作人员进行设备维护检修时与设备带电部分间的最小允许距离。
该距离可分为设备不停电时的安全距离、工作员工作中正常活动范围与带电设备的安全距离、带电作业时人体与带电体间的安全距离。
编辑本段分类根据各种电气设备(设施)的性能、结构和工作的需要,安全间距大致可分为以下四种:(1)各种线路的安全间距。
(2)变、配电设备的安全间距。
(3)各种用电设备的安全间距。
(4)检修、维护时的安全间距。
500kV:5m220kV:3m110kV:1.5m35kV:1m10kV:0.7m10kV线路在各种环境中的对地安全距离10KV电力线路与居民区及工矿企业地区的安全距离为6.5米;非居民区,但是有行人和车辆通过的安全距离为5.5米;交通困难地区的安全距离为4.5;公路路面的安全距离7米;铁道轨顶的安全距离为7.5米;通航河道最高水面的安全距离为6米;不通航的河流、湖泊(冬季水面)的安全距离5米。
2024年电气施工中设备的安全距离及要求安全距离包括电气间隙(空间距离),爬电距离(沿面距离)和绝缘穿透距离1、电气间隙:两相邻导体或一个导体与相邻电机壳表面的沿空气测量的最短距离。
2、爬电距离:两相邻导体或一个导体与相邻电机壳表面的沿绝绝缘表面测量的最短距离。
电气间隙的决定:根据测量的工作电压及绝缘等级,即可决定距离一次侧线路之电气间隙尺寸要求,二次侧线路之电气间隙尺寸要求,但通常:一次侧交流部分:保险丝前L—N≥2.5mm,L.NPE(大地)≥2.5mm,保险丝装置之后可不做要求,但尽可能保持一定距离以避免发生短路损坏电源。
一次侧交流对直流部分≥2.0mm一次侧直流地对大地≥2.5mm(一次侧浮接地对大地)一次侧部分对二次侧部分≥4.0mm,跨接于一二次侧之间之元器件二次侧部分之电隙间隙≥0.5mm即可二次侧地对大地≥1.0mm即可附注:决定是否符合要求前,内部零件应先施于10N力,外壳施以30N力,以减少其距离,使确认为最糟情况下,空间距离仍符合规定。
爬电距离的决定:根据工作电压及绝缘等级,可决定其爬电距离但通常:(1)、一次侧交流部分:保险丝前L—N≥2.5mm,L.N大地≥2.5mm,保险丝之后可不做要求,但尽量保持一定距离以避免短路损坏电源。
(2)、一次侧交流对直流部分≥2.0mm(3)、一次侧直流地对地≥4.0mm如一次侧地对大地(4)、一次侧对二次侧≥6.4mm,如光耦、Y电容等元器零件脚间距≤6.4mm要开槽。
(5)、二次侧部分之间≥0.5mm即可(6)、二次侧地对大地≥2.0mm以上(7)、变压器两级间≥8.0mm以上3、绝缘穿透距离:应根据工作电压和绝缘应用场合符合下列规定:——对工作电压不超过50V(71V交流峰值或直流值),无厚度要求;——附加绝缘最小厚度应为0.4mm;——当加强绝缘不承受在正常温度下可能会导致该绝缘材料变形或性能降低的任何机械应力时的,则该加强绝缘的最小厚度应为0.4mm。
什么是电气安全距离?电气安全距离的分类和要求什么是电气安全距离?人与带电体、带电体与带电体、带电体与地面(水面)、带电体与其他设施之间需保持的最小距离,又称安全净距、安全间距。
安全距离应保证在各种可能的最大工作电压或过电压的作用下,不发生闪络放电,还应保证工作人员对电气设备巡视、操作、维护和检修时的绝对安全。
各类安全距离在国家颁布的有关规程中均有规定。
当实际距离大于安全距离时,人体及设备才安全。
安全距离既用于防止人体触及或过分接近带电体而发生触电,也用于防止车辆等物体碰撞或过分接近带电体以及带电体之间发生放电和短路而引起火灾和电气事故。
安全距离分为线路安全距离、变配电设备安全距离和检修安全距离。
线路安全距离指导线与地面(水面)、杆塔构件、跨越物(包括电力线路和弱电线路)之间的最小允许距离。
变配电设备安全距离指带电体与其他带电体、接地体、各种遮栏等设施之间的最小允许距离。
检修安全距离指工作人员进行设备维护检修时与设备带电部分间的最小允许距离。
该距离可分为设备不停电时的安全距离、工作员工作中正常活动范围与带电设备的安全距离、带电作业时人体与带电体间的安全距离。
电气安全距离的分类根据各种电气设备(设施)的性能、结构和工作的需要,安全间距大致可分为以下四种:(1)各种线路的安全间距。
(2)变、配电设备的安全间距。
(3)各种用电设备的安全间距。
(4)检修、维护时的安全间距。
电气安全距离要求:500kV:5m220kV:3m110kV:1.5m35kV:1m10kV:0.7m10kV线路在各种环境中的对地安全距离10KV电力线路与居民区及工矿企业地区的安全距离为6.5米;非居民区,但是有行人和车辆通过的安全距离为5.5米;交通困难地区的安全距离为4.5;公路路面的安全距离7米;铁道轨顶的安全距离为7.5米;通航河道最高水面的安全距离为6米;不通航的河流、湖泊(冬季水面)的安全距离5米。
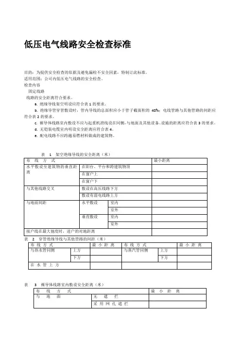
低压电气线路安全检查标准目的:为提供安全检查的依据及避免漏检不安全因素,特制订此标准。
适用范围:公司内低压电气线路的安全检查。
检查内容固定线路线路的安全距离符合要求。
a. 绝缘导线架空明设应符合表1的要求。
b. 绝缘导管穿管敷设时,管内导线的总面积应小于管子截面积的40%;电线管路与其他管路的间距应符合表2的要求。
c. 裸导体线路室内敷设不应与起重机滑线设在同侧,与地面及其他设备、设施的距离应符合表3的要求。
d. 无铠装电缆室内明设安全距离应符合表4。
e. 配电线路不应跨越易燃材料做成的建筑物。
表 2 穿管绝缘导线与其他管路的间距(米)表 3 裸导体线路室内敷设安全距离(米)表 4 无铠装电缆室内明设安全距离(米)线路保护装置齐全可靠。
包括异常情况下的自动保护装置和免受外界因素影响的保护装置两部分。
装有能满足线路通、断能力的开关、短路保护、过负荷保护和接地故障保护等。
保护电器应装在操作维护方便,不易受机械损伤,不靠近可燃物的地方,并应采用避免保护电器运行时意外损坏对周围人员造成伤害的措施。
线路穿墙、楼板或埋设时均应穿管或采取其他保护;穿金属管时,管口应装绝缘护套;室外埋设,上面应有保护层;电缆沟应有防火、排水设施。
线路绝缘、屏护良好,无发热和渗漏油现象。
良好的绝缘和护不仅能保证设备正常运行而且能保证人们不致接触带电部分,是防止触电事故的最基本的安全措施。
检查时要查看线路是否有机械损伤,绝缘破损,电缆有无渗漏油,易触电的裸导体是否有屏护或其他保护措施,有无过热现象。
绝缘破损应以绝缘层破裂导体裸露或绝缘层脱落为不合格,线路过热以绝缘因受热脆化变质或漆色变质为不合格。
电杆直立、拉线、瓷瓶及金属构架等符合安全要求。
a. 电杆表面光洁平整,无露筋、裂缝等缺陷,立杆基础牢固,电杆倾斜不应使杆梢位移大于半个杆梢,终端杆向拉线倾斜不应使杆梢位移大于一个杆梢。
b. 拉线与电杆夹角不应小于30度,应与线路方向对正;混凝土电杆拉线从导线之间穿过时,应设拉线绝缘子。
电气装置安装规程(GB50169-2006)电气设备安装标准规范1、总则 1.1本规范适用于 1.2 本规范引用标准: 《建筑电气工程施工质量验收规范》(GB 50303-2002) 《安装与验收标准》(GB 50171-1992) 《电气装置安装工程》(GB 50169-1992) 《电气装置安装工程》起重机电气装置施工及验收规范(GB 50256-96) 有关设备出厂说明书和上级有关文件规定 1.3所有电气项目施工人员应熟知并严格执行本规范,确保电气安装工程质量。
1.4本规范与上级的有关规程、规范相低触时应按上级规程、规范执行。
1.5当现场设备、系统结线等发生变化时应及时修改本规程。
1.6所有电气技术人员及公司相关领导应熟悉本规范。
1.7本规程应每年进行一次复查,对不符合上级规定和现场实际的部分进行修订。
1.8本规范由负责解释。
第一节变压器安装规范一、主控项目1. 变压器安装应位置正确,附件齐全,油浸变压器油位正常,无渗油现象;2. 接地引下线及其与主接地网的连接应满足设计要求,接地可靠。
3. 变压器的相关电气试验必须合格。
4. 保护装置整定值符合规定;正确操作及联动试验正确。
5. 变压器的高、低压侧接线、相色清晰、安装合理。
二、一般项目1. 分接头的位置应符合运行要求。
有载调压切换装置的远方操作应动作可靠,指示位置正确。
2. 绝缘件应无裂纹、缺损和瓷件瓷釉损坏等缺陷,外表清洁,测温仪表指示准确。
3. 装有滚轮的变压器就位后,应将滚轮用能拆卸的制动部件固定。
4. 检查变压器铭牌上所列各项技术参数及产品附件与图纸上的型号、规格等相符;出厂资料、文件需齐全。
5. 变压器本身不应有机械损伤,箱盖螺栓应完整无缺,密封衬垫要求严密良好,无渗油现象。
6. 易损部件如套管、油位表、呼吸器、信号温度计、气体继电器等有无损坏现象。
7. 变压器顶盖上应无遗留杂物。
8. 储油柜、冷却装置等油系统上的阀门均应打开,且指示正确。
10KV配电设备及绝缘管型安全距离说明概念为了防止人体触及或过分接近带电体,或防止车辆和其他物体碰撞带电体,以及避免发生各种短路、火灾和爆炸事故,在人体与带电体之间、带电体与地面之间、带电体与带电体之间、带电体与其他物体和设施之间,都必须保持一定的距离,这种距离称为电气安全距离。
电气[1]安全距离的大小,应符合有关电气安全规程的规定。
编辑本段简介人与带电体、带电体与带电体、带电体与地面(水面)、带电体与其他设施之间需保持的最小距离,又称安全净距、安全间距。
安全距离应保证在各种可能的最大工作电压或过电压的作用下,不发生闪络放电,还应保证工作人员对电气设备巡视、操作、维护和检修时的绝对安全。
各类安全距离在国家颁布的有关规程中均有规定。
当实际距离大于安全距离时,人体及设备才安全。
安全距离既用于防止人体触及或过分接近带电体而发生触电,也用于防止车辆等物体碰撞或过分接近带电体以及带电体之间发生放电和短路而引起火灾和电气事故。
安全距离分为线路安全距离、变配电设备安全距离和检修安全距离。
线路安全距离指导线与地面(水面)、杆塔构件、跨越物(包括电力线路和弱电线路)之间的最小允许距离。
变配电设备安全距离指带电体与其他带电体、接地体、各种遮栏等设施之间的最小允许距离。
检修安全距离指工作人员进行设备维护检修时与设备带电部分间的最小允许距离。
该距离可分为设备不停电时的安全距离、工作员工作中正常活动范围与带电设备的安全距离、带电作业时人体与带电体间的安全距离。
编辑本段分类根据各种电气设备(设施)的性能、结构和工作的需要,安全间距大致可分为以下四种:(1)各种线路的安全间距。
(2)变、配电设备的安全间距。
(3)各种用电设备的安全间距。
(4)检修、维护时的安全间距。
500kV:5m 220kV:3m 110kV:1.5m 35kV:1m 10kV:0.7m 10kV 线路在各种环境中的对地安全距离10KV电力线路与居民区及工矿企业地区的安全距离为6.5米;非居民区,但是有行人和车辆通过的安全距离为5.5米;交通困难地区的安全距离为4.5;公路路面的安全距离7米;铁道轨顶的安全距离为7.5米;通航河道最高水面的安全距离为6米;不通航的河流、湖泊(冬季水面)的安全距离5米。
第1篇一、引言随着工业化和城市化的快速发展,各类设备广泛应用于生产、生活、科研等各个领域。
然而,设备在使用过程中存在一定的安全隐患,为了保障人民群众的生命财产安全,预防事故发生,我国制定了一系列设备安全距离的规定。
本文将从设备安全距离的定义、分类、规定值及实施等方面进行阐述。
一、设备安全距离的定义设备安全距离是指为保证设备安全运行,防止事故发生,对设备、设施及其周围环境所设定的安全距离。
设备安全距离是预防事故的重要措施,对于降低事故发生率、保障人民群众生命财产安全具有重要意义。
二、设备安全距离的分类根据设备安全距离的用途和特点,可分为以下几类:1. 设备不停电时的安全距离设备不停电时的安全距离是指在设备正常运行状态下,为保证人员安全,规定人员与带电设备之间应保持的最小距离。
此距离适用于不停电的设备检修、维护、操作等工作。
2. 工作人员工作中正常活动范围内与带电设备的安全距离工作人员工作中正常活动范围内与带电设备的安全距离是指在工作人员正常工作中,为保证其人身安全,规定工作人员与带电设备之间应保持的最小距离。
此距离适用于工作人员在设备附近进行操作、维护等工作。
3. 设备与设备之间的安全距离设备与设备之间的安全距离是指为保证设备之间安全运行,防止相互干扰、碰撞,规定设备与设备之间应保持的最小距离。
此距离适用于设备安装、调试、运行等环节。
4. 设备与建筑物的安全距离设备与建筑物的安全距离是指为保证建筑物安全,防止设备对建筑物造成损害,规定设备与建筑物之间应保持的最小距离。
此距离适用于设备安装、运行等环节。
三、设备安全距离的规定值1. 设备不停电时的安全距离根据我国《电业安全工作规程》等相关规定,不同电压等级的设备不停电时的安全距离如下:(1)10kV及以下:0.7m(2)20-35kV:1.0m(3)44kV:1.2m(4)60-110kV:1.5m(5)154kV:2.0m(6)220kV:3.0m(7)330kV:4.0m(8)500kV:5.0m2. 工作人员工作中正常活动范围内与带电设备的安全距离根据我国《电业安全工作规程》等相关规定,不同电压等级的工作人员工作中正常活动范围内与带电设备的安全距离如下:(1)10kV及以下:0.4m(2)35kV:0.6m(3)110kV:1.5m(4)220kV:3.0m(5)500kV:5.0m3. 设备与设备之间的安全距离根据我国《电力设备安装工程施工及验收规范》等相关规定,设备与设备之间的安全距离如下:(1)0.8m4. 设备与建筑物的安全距离根据我国《电力设施保护条例》等相关规定,设备与建筑物的安全距离如下:(1)10kV—35kV:正面距居民楼12米以上,侧面8米以上(2)35kV以上:正面距居民住宅15米以上,侧面12米以上(3)箱式变电站距居民住宅5米以上四、设备安全距离的实施1. 设备制造与安装在设备制造和安装过程中,必须严格按照设备安全距离的规定进行设计和施工,确保设备安全距离符合国家标准。
各电压等级安全距离电压等级安全距离是指在电气设备或电气线路工作时,为了保证人员的安全,需要保持一定的距离以避免触电事故发生。
根据电压等级的不同,安全距离也会有所差异。
下面将分别介绍不同电压等级下的安全距离规定。
一、低压电压等级安全距离低压电压等级一般指1000V以下的电压等级。
在这个电压等级下,安全距离一般为30厘米左右。
这意味着在工作时,人员应该与电气设备或电气线路保持至少30厘米的距离,以避免触电危险。
此外,还应注意不要将金属物品放置在电气设备附近,以免发生短路或其他危险。
二、中压电压等级安全距离中压电压等级一般指1000V至10kV之间的电压等级。
在这个电压等级下,安全距离一般为50厘米至1米之间。
由于电压较高,电击危险性也相应增加,因此在工作时需要尤为注意保持安全距离。
同时,对于这个电压等级的设备和线路,应该进行定期的维护和检查,确保其正常运行,减少安全隐患。
三、高压电压等级安全距离高压电压等级一般指10kV以上的电压等级。
在这个电压等级下,安全距离一般为1米以上。
高压电气设备和线路具有较高的电击危险性,因此在进行维护、检修或施工时,必须严格遵守安全距离规定。
此外,高压设备的操作和维护应该由专业人员进行,确保操作的安全性和可靠性。
总的来说,无论是低压、中压还是高压电压等级,保持安全距离都是非常重要的。
在工作中,人员必须时刻注意电气设备和线路的电压等级,严格遵守安全距离规定,确保自身和他人的安全。
同时,对于电气设备和线路的维护和检修,也应该按照相关规定进行,避免发生意外事故。
只有做好安全防护措施,才能有效避免电击事故的发生,保障工作人员的生命财产安全。
电气施工中设备的安全距离及要求在电气施工中,设备的安全距离是指设备与其他设备、建筑物或人员之间应保持的最小距离,以确保施工的安全性和可靠性。
根据施工环境和设备的特点,设备的安全距离和要求可能会有所不同。
以下是一些常见的设备安全距离和要求。
1.高压设备的安全距离和要求:对于高压设备,一般需要保持一定的安全距离以防止电击或火灾等危险。
根据国家标准,高电压设备的安全距离应符合下列要求:(1) 设备之间的最小距离应按照设备等级、工作电压和相邻设备的类型进行确定;(2) 在设备运行时,应保证设备周围有足够的工作和维护空间。
2.低压设备的安全距离和要求:对于低压设备,一般需要保持一定的安全距离以防止电击、触电、火灾等危险。
根据国家标准,低压设备的安全距离应符合下列要求:(1) 设备存在电弧、冲击等危险时,应设置相应的安全防护设施;(2) 设备之间的最小距离应按照设备类型、电流容量和相邻设备的类型进行确定;(3) 在设备运行时,应保证设备周围有足够的工作和维护空间。
3.有机物设备的安全距离和要求:对于有机物设备,特别是涉及有机物存储、传输、处理等设备,需要保持一定的安全距离,以防止有机物泄漏、火灾、爆炸等危险。
根据国家标准,有机物设备的安全距离应符合下列要求:(1) 设备周围应设置防火、防爆和泄漏控制设施;(2) 设备之间的最小距离应按照设备类型、有机物性质和相邻设备的类型进行确定;(3) 在设备运行时,应保证设备周围有足够的工作和维护空间,并进行定期维护和检查。
4.设备与建筑物的安全距离和要求:设备与建筑物之间的安全距离通常需要根据建筑物类型、设备类型和相邻设备的类型进行确定。
一般情况下,设备与建筑物之间的最小距离应符合下列要求:(1) 建筑物的结构和防火等级应符合国家规定,以确保设备和建筑物的安全性;(2) 设备与建筑物之间的最小距离应考虑到工作和维护的需要,并保证设备的正常运行和可靠性。
总之,在电气施工中,设备的安全距离和要求是确保施工安全的重要要素。
施工现场外电防护安全距离1、安全距离:○1在建工程(包括脚手架)的外侧与架空线路之间的最小安全距离1kv不小于4m,1~10kv不小于6m。
35~110kv不小于8m。
架空导线最大弧垂与施工现场地面最小距离4.0m与机动车道6.0m。
○2起重臂或被吊物边缘与10kV的架空线路水平距离2m。
○3机动车道与外电架空线路交叉的最小距离1kv以下为6m,10kv以下为7m。
2、外电防护:○1不得往高、低压线路下方施工、搭设临时设施或堆放物件、架具、材料及其他杂物○2达不到安全距离要求,必须采取防护措施,增设屏障、遮栏、围栏或保护网,并悬挂醒目的警告标志牌。
○3带电体至遮栏的安全距离10kv应大于95cm,35kv应大于115cm○4带电体至栅栏(封闭)的安全距离10kv应大于30cm,35kv 应大于50cm。
○5在架设防护设施时,应有电气技术人员或专职安全员监护。
○6无法防护时必须采取停电,迁移线路或更改工程位置,否则不准施工。
施工现场外电防护安全距离(2)是保障工人在施工过程中不受到电击伤害的关键措施之一。
施工现场由于存在各种电气设施和设备,如果不采取有效的防护措施,很容易造成电击事故,给工人的生命财产安全带来严重威胁。
因此,在施工现场要合理确定外电防护的安全距离,既要考虑到电气设备的特点,又要考虑到工人操作的实际情况。
下面将从几个方面介绍施工现场外电防护安全距离的相关内容。
首先,施工现场外电防护安全距离的确定应考虑电气设备的额定电压和电流。
一般来说,电气设备的额定电压越高,其电击危险程度也越高,安全距离应相应增加。
此外,电气设备的额定电流也是影响安全距离的重要因素,因为高电流会导致较大的电击伤害。
因此,在施工现场根据电气设备的额定电压和电流确定外电防护的安全距离是非常重要的。
其次,施工现场外电防护安全距离的确定应考虑工人操作的实际情况。
不同的作业任务需要的安全距离是不同的,例如,如果是进行高空作业,那么需要至少保持一定的安全距离,以防止工人不慎触碰到电气设备。
1 .设备不停电时的安全距离电压等级(kV)安全距离(m)10及以下(13.8)0.7020、35 1.0063(66)、110 1.50220 3.00330 4.00500 5.00 2.工作人员工作中正常活动范围与带电设备的安全距离电压等级(kV)安全距离(m)10及以下(13.8)0.3520、35 0.6063(66)、110 1.50220 3.00330 4.00500 5.00表中未列电压按高一档电压等级的安全距离2.安全距离的定义电气安全距离是指人体、物体等接近带电体而不发生危险的安全可靠距离,如带电体与地面之间,带电体与带电体之间、带电体与人体之间、带电体与其它设施和设备之间,均应保持一定的距离,这种距离称为安全距离。
3.安全距离的种类根据各种电气设备(设施)的性能、结构和工作的需要,安全间距大致可分为以下四种:(1)各种线路的安全间距。
(2)变、配电设备的安全间距。
(3)各种用电设备的安全间距。
(4)检修、维护时的安全间距。
根据新安规所列安全距离的有以下三种:(1)设备不停电时的安全距离(2)工作人员工作中正常活动范围与带电设备的安全距离(3)带电作业时人身与带电体的安全距离4.绝缘工具最小有效绝缘长度5.车辆(包括装载物)外廓至无遮栏带电部分之间的安全距离6.带电作业时人身与带电体的安全距离注:(1)因受设备限制达不到1.8m时,经单位主管生产领导(总工程师)批准,并采取必要的措施后,可采用括号内(1.6m)的数值。
(2)海拔500m以下,500kV取3.2 m值,但不适用于500kV紧凑型线路。
海拔在500m~1000m时,500kV取3.4m值。
安全电压与安全距离一、安全电压安全电压是指在各种不同环境条件下,人体接触到带电体后各组织部分(如皮肤、心脏、呼吸器官和神经系统等)不发生任何损害的电压。
它是制定安全措施的依据。
安全电压决定于人体允许的电流和人体电阻。
1、人体允许电流。
一般情况下人体的允许电流可以看成是受电击后能摆脱带电体,解除触电危险的电流。
男性的最小允许电流为9毫安,女性的最小允许电流为6毫安。
在线路和设备装有防止触电的速断保护装置的情况下,人体的允许电流可按30毫安考虑。
在空中、水面可能因电击导致摔死、淹死的场合,人体的允许电流应按不引起强烈痉挛的5毫安考虑。
2、人体电阻。
人体电阻基本上不受外界因素的影响,其数值一般不低于500欧。
皮肤电阻可随条件的不同在很大范围内变化,也使得人体电阻在很大的范围内变化。
不同条件下的人体电阻如表9-1。
表9-1 不同条件下的人体电阻(欧)注①相当干燥场所的皮肤,电流途径为单手至双足。
②相当潮湿场所的皮肤,电流途径为单手至双足。
③相当有水蒸气等特别潮湿场所的皮肤,电流途径为双手至双足。
④相当游泳池或浴池中的情况,基本上为体内电阻。
安全电压是低压,但低压并不一定是安全电压。
DL 408-91《电业安全工作规程(发电厂变电所电气部分》中规定:电气设备对地电压在250V及以上者为高压,电气设备对地电压在250V及以下者为低压。
国家电网公司电力安全工作规程(变电站和发电厂电气部分)(试行)中规定:对地电压1000V及以上者为高压电气设备,对地电压1000V及以下者为低压电气设备。
人接触到工频电压250V电压时,足足会把人电死。
所以低压不等于安全电压。
交流工频的安全电压的上限值,在任何情况下,两导体间或任一导体与地之间都不得超过50V。
我国的安全电压的额定值为42V,36V,24V,12V,6V。
如手提照明灯、危险环境的携带式电动工具,应采用36V安全电压;金属容器内、隧道内、矿井内等工作场合,狭窄、行动不便及周围有大面积接地导体的环境,应采用24V或12V安全电压,以防止因触电而造成的人身伤害;还有一些移动电器设备等都应当采用安全电压,以保护人身用电。
Safety is the goal, prevention is the means, and achieving or realizing the goal of safety is the basic connotation of safety prevention.(安全管理)单位:___________________姓名:___________________日期:___________________电气设备安全措施与储存(最新版)电气设备安全措施与储存(最新版)导语:做好准备和保护,以应付攻击或者避免受害,从而使被保护对象处于没有危险、不受侵害、不出现事故的安全状态。
显而易见,安全是目的,防范是手段,通过防范的手段达到或实现安全的目的,就是安全防范的基本内涵。
一、保证用电安全的基础要素(1)电气绝缘。
保持配电线路和电气设备的绝缘良好,是保证人身安全和电气设备正常运行的最基本要素。
电气绝缘的性能是否良好,可通过测量其绝缘电阻、耐压强度、泄漏电流和介质损耗等参数来衡量。
(2)安全距离。
电气安全距离,是指人体、物体等接近带电体而不发生危险的安全可靠距离。
如带电体与地面之间、带电体与带电体之间、带电体与人体之间、带电体与其他设施和设备之间,均应保持一定距离。
通常,在配电线路和变、配电装置附近工作时,应考虑线路安全距离,变、配电装置安全距离,检修安全距离和操作安全距离等。
(3)安全载流量。
导体的安全载流量,是指允许持续通过导体内部的电流量。
持续通过导体的电流如果超过安全载流量,导体的发热将超过允许值,导致绝缘损坏,甚至引起漏电和发生火灾。
因此,根据导体的安全载流量确定导体截面和选择设备是十分重要的。
(4)标志。
明显、准确、统一的标志是保证用电安全的重要因素。
标志一般有颜色标志、标示牌标志和型号标志等。
颜色标示表示不同性质、不同用途的导线;标示牌标志一般作为危险场所的标志;型号标志作为设备特殊结构的标志。
电气设备设施安全距离(最新
版)
Security technology is an industry that uses security technology to provide security services to society. Systematic design, service and management.
( 安全管理 )
单位:______________________
姓名:______________________
日期:______________________
编号:AQ-SN-0002
电气设备设施安全距离(最新版)
一、配电线路安全距离
(一)配电线路
配电线路是指从供电设备到用电设备之间的连接导线。
(二)架空配电线路
一般架空配电线路是指10千伏及以下电压的架空配电线路。
1~10千伏架空配电线路为高压配电线路,1千伏以下的架空配电线路为低压配电线路(电业安全工作规程中高、低压是以1千伏为界限而分类的。
)
(三)接户线、进户线
从配电线路至用户进线处第一个支持点之间的一段架空导线称为接户线;从接户线引人室内的一段导线称为进户线。
(四)电缆线路
随工作环境的不同,电缆线路可分房内隧道或沟道电缆线路、直埋电缆线路、桥梁下吊挂电缆线路和水底电缆线路等。
(五)配电线路安全距离
是指配电线路在敷设后,对其一定范围内的质保持的相对安全距离。
如:架空配电线路、接户线、户内低压配线、电缆线路等,在新建、改建邮电局所过程中都应符合国家电气工程安装标准。
二、电工安全操作距离
检修作业安全距离:在带电区域中的非常电设备上进行检修时,工作人员正常活动范围与带电设备的安全距离应大于表20中所示的规定。
表工作人员的正常活动范围与带电设备的安全距离
XXX图文设计
本文档文字均可以自由修改。