林业科学研究稿件写作格式说明
- 格式:doc
- 大小:47.50 KB
- 文档页数:4
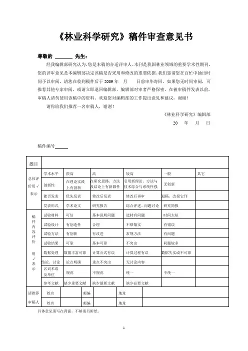
《林业科学研究》稿件审查意见书
尊敬的先生:
经我编辑部研究认为,您是本稿的合适评审人。
本刊是我国林业领域的重要学术性期刊,您的评审意见是本编辑部决定该稿是否采用和修改的重要依据。
我们恳请您在百忙中抽出时间予以审阅,请您在收到稿件后于2009年月日前审毕寄回。
如果您无时间审阅,可推荐其他专家审阅,或请立即退回编辑部。
编辑部对审者严格保密。
在被审稿件发表以前,审稿人请勿使用该稿中的资料。
欢迎您对编辑部的工作提出意见和建议,谢谢!
请你给我们推荐一名审稿人,谢谢!
《林业科学研究》编辑部
20 年月日稿件编号
具体意见请写在背面,不够请另附纸。
本刊通讯处:北京1958信箱北京颐和园后中国林科院《林业科学研究》编辑部邮编: 100091 电话: (010)62889680 E-mail:lykxyj03@ 。
《世界林业研究》是由中国林业科学研究院林业科技信息研究所主办的一份期刊,该期刊以《世界林业研究》是由中国林业科学研究院林业科技信息研究所主办的一份期刊,该期刊以跟踪报道世界林业发展趋势与热点,探讨交流世界林业发展道路与规律,系统介绍世界林业学科发展进展与新技术为宗旨。
对于投稿,《世界林业研究》有一定的格式要求。
投稿格式应为:投稿杂志名称-投稿文章标题-作者姓名-联系电话-联系地址。
同时,《世界林业研究》文稿应资料可靠、数据准确、具有创造性、科学性、实用性。
应立论新颖、论据充分、数据可靠,文责自负(严禁抄袭),文字要精炼。
此外,该期刊继续被中国科学引文数据库(CSCD)列为来源期刊,且影响力在林业行业名列前茅。
林业科技创新平台运行补助项目合冋书项目编号:项目名称:承担单位:项目负责人:联系电话:手机:传真号码:电子信箱:国家林业和草原局科技司制二0—九年填写说明:1.各项内容应实事求是,逐项认真填写。
如有不实,责任自负。
文字表达,须准确严谨。
每项空格不够,可另续页。
2.各款项标题字体为“标准 3 号黑体”字;正文字体为“标准4号宋体”字,纸的规格为A3 纸双面复印,中缝装订。
3.合同签约各方中的负责人签字(章)及单位公章,不得用复印件,否则无效。
4.一式 4 份报送。
一、重点实验室基本情况1. 重点实验室简介;2. 主要业务范围;3. 规划布局及发展目标。
二、年度工作计划及预期成果在科学研究、人才培养、学术交流、运行能力、科普宣传、示范服务等方面的年度工作计划及目标。
三、考核指标1.科研成果(可具体说明)。
2. 正常运行大中型仪器?台套,公共仪器设备共享度达到90%以上,设备利用率70%以上,设备性能完好率80%以上。
3. 完成评估报告、咨询报告或相关工作及研究报告 1 份.4. 培训技术人员?人次。
5. 其他考核指标。
四、经费支出内容及标准包括用于维持正常的观测(监测)与实验、数据采集与加工处理,仪器设备及其辅助设施的运行与维护,部分耗材、软件的购置,平台的日常运行管理等的支出预算,并注明核算标准。
五、组织保障依托单位在人、财、物以及政策环境等方面的配套措施。
六、经费支出预算明细单位:万元(保留两位小数)七、经费预算说明:1. 设备费:是指在平台运行过程中购置或试制小型(5 万元以下)专用仪器设备,对现有仪器设备进行升级改造、修缮保养,以及租赁外单位仪器设备而发生的费用。
专项经费要严格控制设备购置费支出。
2. 材料费:是指在平台运行过程中消耗的各种共性原材料、辅助材料、通用软件等低值易耗品的采购及运输、装卸、整理等费用。
3. 测试化验加工费:是指在平台运行过程中支付给外单位的检验、测试、化验及加工等费用。
大家好!今天,我非常荣幸能够站在这里,与大家共同探讨林业这一关系到国家生态安全、人民福祉的重要领域。
在此,我演讲的题目是《绿色崛起,共筑林业新篇章》。
林业,作为国民经济的重要组成部分,肩负着维护国家生态安全、保障人民生存环境、促进经济社会发展的重要使命。
近年来,我国林业事业取得了举世瞩目的成就,但同时也面临着诸多挑战。
下面,我将从以下几个方面展开论述。
一、林业在生态文明建设中的重要作用1. 维护生态平衡。
林业是地球上最大的陆地生态系统,对于调节气候、保持水土、净化空气、保护生物多样性等方面具有不可替代的作用。
2. 保障国家生态安全。
林业是维护国家生态安全的基石,通过植树造林、森林抚育等措施,可以有效防止水土流失、沙尘暴等自然灾害。
3. 提高人民生活质量。
林业产业为人民群众提供了丰富的林产品,如木材、竹材、果实等,满足了人民群众的生活需求。
二、我国林业发展面临的挑战1. 森林资源不足。
我国人均森林面积仅为世界平均水平的1/4,与发达国家相比,仍有较大差距。
2. 森林资源分布不均。
我国森林资源主要集中在东北、西南等地区,而东部沿海地区森林资源相对匮乏。
3. 森林资源破坏严重。
由于过度采伐、乱砍滥伐等人为因素,我国森林资源遭受严重破坏,导致生态环境恶化。
三、林业发展的对策与建议1. 加大植树造林力度。
提高全民植树造林意识,广泛开展义务植树活动,增加森林资源。
2. 严格森林资源保护。
加强森林资源管理,严厉打击非法采伐、盗伐等违法行为,确保森林资源安全。
3. 发展林业产业。
优化林业产业结构,提高林产品附加值,促进林业产业转型升级。
4. 推进林业科技创新。
加大林业科研投入,培养高素质林业人才,提高林业科技创新能力。
5. 加强国际合作。
积极参与国际林业事务,引进国外先进技术和管理经验,推动我国林业事业与世界接轨。
各位领导、同事们,林业事业关乎国家生态安全、人民福祉,我们要牢固树立绿色发展理念,坚定不移地走生态优先、绿色发展之路。
林业科学研究投稿流程英文回答:Submission Process for Forestry Science Research.Step 1: Prepare your manuscript.Your manuscript should be written in accordance with the journal's guidelines for authors. These guidelines can be found on the journal's website.Step 2: Submit your manuscript.Once your manuscript is complete, you can submit it to the journal via the online submission system.Step 3: Review process.Once your manuscript is submitted, it will be sent to peer review. Peer reviewers are experts in the field whowill evaluate your manuscript for its scientific rigor, originality, and significance.Step 4: Decision.The editor-in-chief will make a decision on your manuscript based on the reviewers' recommendations. The decision may be to accept the manuscript for publication, reject the manuscript, or request revisions.Step 5: Revisions.If your manuscript is accepted for publication, you may be asked to make revisions. The editor will provide youwith detailed instructions on the revisions that are needed.Step 6: Final submission.Once you have made the necessary revisions, you will need to submit your final manuscript to the journal.Step 7: Publication.Once your manuscript is accepted for publication, it will be published in the journal.中文回答:林业科学研究投稿流程。
林业科学杂志格式要求1.引言1.1 概述林业科学杂志一直致力于推动林业科学的发展和研究成果的传播。
本期文章旨在探讨林业科学的最新进展和研究领域,为读者提供全面而深入的视角。
本文将首先概述林业科学的重要性和意义,接着介绍文章的结构和内容安排,并明确本文的目的。
林业科学是研究森林资源管理、林木育种、森林生态系统保护等方面的学科领域。
随着社会发展和环境问题的日益突出,林业科学在保护生态环境、推动可持续发展方面发挥着重要的作用。
通过研究林业科学,我们能够更好地了解森林生态系统的运行机制,有效地保护和管理森林资源,实现生态、经济和社会效益的协同发展。
本文结构分为引言、正文和结论三个部分。
在引言部分,首先对林业科学的研究背景和意义进行了简要的介绍,接着对本文的结构和内容进行了概述。
通过明确文章的组织结构和内容框架,读者可以更好地把握本文的逻辑线索和阅读重点。
本文的目的在于系统地总结林业科学的研究进展,并对未来的发展趋势和展望进行展示。
通过对相关领域最新研究成果的归纳和分析,我们能够更准确地了解当前林业科学的研究热点和前沿领域,同时也能够为未来的研究提供指导和借鉴。
通过本文的阅读,读者将能够全面了解林业科学的最新动态,并对未来的研究方向有所启发。
综上所述,本文的概述部分简要介绍了林业科学的重要性和意义,明确了文章的结构和内容安排,并阐述了本文的目的。
通过全文的阅读,读者将能够深入了解林业科学的研究最新进展和未来发展方向。
文章结构是指文章中不同部分的组织和排列方式,它对于读者理解和阅读文章具有重要意义。
一个良好的文章结构可以使整个内容更加清晰、有条理。
在本篇文章中,我们将按照如下的文章结构来呈现内容:1. 引言:通过对概述、文章结构和目的的介绍来引入整篇文章。
2. 正文:按照要点1和要点2的顺序来进行叙述和解释。
3. 结论:总结正文部分的内容,并展望未来可能的发展方向。
接下来,我将分别阐述每个部分的内容。
1.2 文章结构:文章结构部分旨在介绍本文的整体组织和排列方式。
《林业科学研究》稿件写作格式说明1 字数学术论文、综合述评等稿件一般不超过 6 个版面 , 研究简报、论坛等稿件一般不超过 4 个版面。
2 写作顺序2. 1 文题由尽可能简练的几个表达文章核心内容的关键词组成 , 以不超过 20 字为宜。
本刊一般采用系列标题和副标题的形式 , 每篇文章独立成文。
2. 2 作者署名作者人数不宜过多。
第一作者应是稿件的执笔人和修改人 , 如有例外 , 请将责任作者在署名的右上角用“*”标注,并在篇首页地脚处注明。
2. 3 作者单位单位全称应写到院、系、研究所、研究中心一级。
2. 4 基金项目请在篇首页地脚处注明资助该研究的项目名称和项目编号。
2. 5 作者简介和通讯地址写在篇首页地脚处资助项目的下方 , 只写第一作者 ( 必要时可增加责任作者 ) 的简介和详细地址。
例如:作者简介:姓名(出生年-),性别,学位(或在读学位),职称.主要研究方向:×××.电话:××× Email:×××.2. 6 中文摘要和关键词摘要是为读者了解文章核心内容服务的一篇独立、完整的短文。
应做到言简意赅。
本刊要求论文摘要应包括 : ①研究目的 ; ②实验时间和地点 ( 仅指实验性研究 ); ③研究方法 ; ④研究结果 ( 一般不要列出公式和非公知的符号 ); ⑤结论与讨论等部分。
关键词为代表文章核心内容的名词 3 ~ 8 个。
2. 7 中图分类号、文献标识码、文章编号可由编辑部代写。
2. 8 英文部分内容应与中文部分完全对应。
写作格式请参见英文部分写作要求。
2. 9 引言它是本刊是否接受投稿的主要依据之一。
引言不标序号 , 也不需写出“引言”二字 , 直接写内容。
内容包括 : ①研究对象的科学价值 ; ②简述国内外学者对该主题研究的历史、现状、代表人物、主要成就、存在问题和难点 , 并顺序给出参考文献的序号 ; ③作者自己研究工作的目的和主要内容。
中南林业科技大学研究生学位论文格式撰写规范学位论文是学位申请人为申请学位而撰写的学术论文。
它集中表明了作者具有开创性的成果或在研究工作中具有新的见解并据此为内容撰写而成,它作为评价学位申请人学术水平的重要依据和是研究生获得学位的必要条件之一,是科研领域中的重要文献资料和社会的宝贵财富。
为了进一步提高我校研究生学位论文的质量,统一和规范学位论文的格式,参照国家标准GB7713-87《科学技术报告、学位论文和学术论文的编写格式》,结合我校具体情况,特制定本规范。
1、学位论文基本要求1.1 硕士学位论文应能表明作者确已在本学科上掌握了坚实的基本理论和系统的专门知识,并对所研究课题有新的见解,具有从事科学研究工作或独立承担专门技术工作的能力。
1.2 学位论文一般应用中文撰写,硕士学位论文3~8万字, 博士学位论文5~10万字。
学位论文内容应立论正确,推理严谨,文字简练,层次分明,说理透彻,数据真实可靠。
1.3 论文作者应在选题前后阅读有关文献,硕士学位申请人的文献阅读量不少于80篇,其中外文文献一般应占三分之一;博士学位申请人的文献阅读量不少于150篇,其中外文文献一般应占三分之一。
综述部分应对所读文献加以分析和综合。
在论文中引用了文献内容的,应将其列入参考文献表,并在正文中引用处注明参考文献序号(按出现先后顺序编,具体要求见2.2.2.7)。
2、学位论文编写格式2.1 学位论文章、节的编写参照国家标准GBl.1-87《标准化工作导则编写标准的基本规定》第8章“标准条文的编排”有关规定,采用阿拉伯数字分级编写。
示例:第一章的第二节的第三小节的第四条表示为1.2.3.42.2 学位论文包括:前置部分、主体部分、附录、致谢部分。
具体构成如下:封面(见2.2.1.1)中文封面(格式见附录A)英文封面(格式见附录B)学位论文原创性声明和学位论文版权使用授权书序或前言(见2.2.1.2,必要时)目次页((见 2.2.1.5)摘要(见2.2.1.3)前置部分关键词(见2.2.1.4)插图和附表清单((见2.2.1.6,必要时)符号、标志、缩略词、首字母缩词、单位、术语、各词等注释表(见2.2.1.7,必要时)章 引言(见2.2.1.3)-1 节正文(见2.2.1.4)-2· ·主体部分结论(见2.2.2.5)参考文献(见2.2.2.6)附录A附录B (非中文撰写的学位论文,博士学位论文附8000字的中文摘要,硕士学位论文附3000字的中文摘要)附录C致谢(见2.2.2.7)2.2.1 前置部分2.2.1.1 封面封面是论文的外表面,提供应有的信息,并起保护作用。
《林业科学研究》投稿指南《林业科学研究》是由中国林业科学研究院主办的营林科学综合性学术刊物。
主要任务是及时反映以中国林科院为主的营林科学最新研究成果、学术论文和研究报告、科技动态和信息等。
《林业科学研究》为中国自然科学核心期刊。
2002年荣获第二届国家期刊奖提名奖。
已被AJ.U I N I TI (俄罗斯《文摘杂志》)、BA (美国生物学文摘)、C AB (英联邦农业和生物科学文摘)等国外大型数据库和检索性期刊收录。
1 征稿范围111 学科内容本刊征稿范围包括:林木种子、育苗造林、森林植物、林木遗传育种、树木生理生化、森林昆虫、资源昆虫、森林病理、林木微生物、森林动物、森林土壤、森林生态、森林经营、森林经理、林业遥感、林业生物技术、水土保持与荒漠化防治等学科及其相关学科。
综述栏目以学科带头人和资深专家撰写的、在系统研究国内外文献基础上,揭示重要领域研究进展、对学科发展有重要指导意义的稿件为主。
112 项目来源本刊优先录用国家基金项目(包括国家自然科学基金、国家“973”重点基础研究、国家科技攻关、国家“863”高新技术等)的科研成果的稿件;同时征集和录用国家林业局科技攻关、省部级重点攻关、中科院创新工程和教育部博士点基金、留学回国人员基金等项目中具有创新性的科研成果的论文。
2 投稿与稿件处理(1)由于电脑病毒和网络不稳定等原因,本刊暂不接收电子邮件投稿,请作者将电脑打印稿一式二份邮寄至编辑部或直接送至编辑部。
(2)编辑部在收到稿件6个月内,通知作者处理意见,不采用的稿件一般不退,请作者自留底稿,如需退稿请来稿时声明。
(3)请勿一稿两投,如发现一稿两投时,编辑部有权撤稿,并要求作者支出相应的版面费。
(4)编辑部有权对稿件进行文字修改、删节,涉及到学术内容的修改,应征得作者同意。
(5)作者文责自负,稿件发表后即付稿酬,并赠送样刊。
文章版权归编辑部所有(包括光盘和网络版,如作者不同意加入光盘和网络版,请在投稿时声明)。
尊敬的各位领导、各位专家、各位同仁:大家好!今天,我很荣幸能够在这里参加这次林业研讨会,并就林业发展中的相关问题发表自己的看法。
在此,我要感谢组织者为我们提供了一个交流学习的平台。
以下是我对林业发展的几点思考和建议,供大家参考。
一、开场白尊敬的各位领导、各位专家、各位同仁,林业作为国民经济的重要组成部分,对维护生态平衡、促进绿色发展具有重要意义。
近年来,我国林业事业取得了显著成果,但同时也面临着一些挑战。
在此,我想就以下几个方面展开讨论:二、当前林业发展现状及问题1. 林业资源总量稳步增长,但人均占有量仍然较低。
2. 林业产业结构不断优化,但优质林业产品供给不足。
3. 生态保护与修复成效显著,但部分地区仍存在水土流失、沙化等问题。
4. 林业科技创新能力不断提高,但科技成果转化率有待提升。
5. 林业产业发展迅速,但产业链条较短,附加值较低。
三、针对问题的对策建议1. 加大林业资源保护力度,实施天然林保护、退耕还林等工程,提高森林覆盖率。
2. 优化林业产业结构,发展特色林业、生态林业、休闲林业等,提高林业产品附加值。
3. 加强生态保护与修复,实施水土保持、防沙治沙等工程,改善生态环境。
4. 加快林业科技创新,提高科技成果转化率,培育具有自主知识产权的林业新品种、新技术。
5. 完善林业政策法规,加大对林业产业的支持力度,促进林业产业转型升级。
四、结束语各位领导、各位专家、各位同仁,林业发展任重道远。
让我们携手共进,为推动我国林业事业高质量发展贡献力量。
在此,我衷心祝愿本次研讨会圆满成功!谢谢大家!(注:以上发言稿模板仅供参考,具体内容可根据实际情况进行调整。
)。
林业科学杂志格式要求林业科学是研究林木、森林资源及其生产经营管理的学科。
作为一个具有特色的学科领域,林业科学对于出版的学术期刊有着独特的要求。
本文将以林业科学杂志格式要求作为主题,详细介绍林业科学杂志对论文、摘要、格式、引用风格等方面的要求,以期帮助作者准确遵守杂志的格式,增加稿件录用的可能性。
一、论文格式要求1. 标题:标题应简明扼要地反映论文的主题内容,字数不宜过长,避免使用诸如“研究”、“探讨”等词汇。
需明确表达所研究对象及方法。
2. 摘要:摘要内容包括研究目的、方法、结果和结论,字数通常在150-250字之间。
摘要要求通俗易懂,能够快速传达研究的核心内容。
3. 关键词:在摘要下方列出3-5个关键词或短语,用于标示论文主题内容,便于检索。
二、格式要求1. 文章结构:论文内容应包括引言、材料与方法、结果、讨论和结论等部分,需合理组织论述。
2. 字数要求:一般而言,林业科学杂志对论文字数要求在5000-8000字之间,排版时需使用较为普遍的宋体或仿宋字体,字号为小四或五号。
三、引用风格要求1. 文献引用:所有引用的文献必须在文中标注,包括作者姓氏、发表年份等信息。
引用风格遵循国际通行的APA、MLA等规范。
2. 图表引用:图表应具备清晰的编号及标题,便于读者理解。
对于图表引用,需在文中明确标注及解释。
四、投稿要求1. 投稿信:投稿信应包含论文题目、作者姓名及工作单位等基本信息,并在信中表达对稿件的真实性和独创性的担保。
2. 原创性声明:作者需保证所投稿件为原创性工作,未曾在其他期刊上发表或同时投递。
3. 审稿要求:符合林业科学杂志的要求后,按要求提交至编辑部,等待审稿和改正。
以上为林业科学杂志格式要求的基本内容,希望作者在投稿前认真阅读并按照要求整理稿件,以提高稿件的质量和录用率。
也希望林业科学期刊编辑部在审稿过程中能够严格按照格式和学术规范进行评审。
林业科学投稿流程一、投稿前的准备。
1.1 论文质量。
咱们搞林业科学研究的,写出来的论文那得有点真材实料。
就像盖房子,基础得打牢。
论文内容得严谨,数据要准确,研究方法得科学。
可不能是那种“绣花枕头——中看不中用”的东西。
这论文啊,得是自己实实在在做了研究的成果,不是东拼西凑出来的。
1.2 格式规范。
林业科学的投稿,格式可不能马虎。
不同的期刊可能有不同的要求,就像不同的门派有不同的规矩一样。
一般来说,字体、字号、行距这些都得按照人家要求来。
参考文献的标注也得规范,别整得乱七八糟的,让编辑一看就头疼。
二、寻找合适的投稿平台。
2.1 期刊选择。
这选择期刊就像找对象,得找个合适的。
要看看这个期刊的定位和咱们论文的主题是不是契合。
有的期刊侧重理论研究,有的侧重于应用实践。
如果咱的论文是关于林业新技术应用的,那就找个重视应用方面的期刊。
而且呢,还要看看期刊的影响力,那些在林业科学领域里有名气的期刊,发表了论文就像给咱的研究成果穿上了一件漂亮的外衣。
2.2 投稿渠道。
现在投稿渠道也挺多的,有的是在线投稿系统,有的可以通过邮箱投稿。
不过不管哪种方式,都得按照人家规定的流程来。
要是在线投稿,就仔细填写那些信息,别填错了;要是邮箱投稿,邮件的主题和内容也得写清楚,就像咱们平时写信一样,把事情说清楚。
三、投稿过程。
3.1 提交稿件。
把论文准备好,按照要求提交了。
这时候心里可能有点小紧张,就像送孩子去参加比赛一样。
提交的时候要确保文件没有损坏,内容完整。
要是在线投稿,上传成功后可以再检查一下。
3.2 等待初审。
提交之后就是等待初审啦。
这个过程就像等考试结果一样,心里七上八下的。
初审编辑会看看论文的大致情况,比如是否符合期刊主题、格式是否正确等。
如果初审没过,也别灰心,就像跌倒了再爬起来,按照编辑的意见修改,然后再找合适的期刊投稿。
3.3 专家评审。
要是初审过了,就进入专家评审环节。
这可是很关键的一步,就像运动员进入决赛一样。
journal of forestry research 投稿模板标题:Journal of Forestry Research投稿模板引言概述:Journal of Forestry Research(《林业研究学报》)是中国林学会主管的国内外公开发行的学术期刊,旨在促进林业科学研究的发展和交流。
本文将介绍Journal of Forestry Research的投稿模板,以帮助作者准确地撰写和提交论文。
正文内容:1. 摘要部分1.1 研究目的:明确研究的目的和意义。
1.2 研究方法:介绍所采用的研究方法和实验设计。
1.3 研究结果:简要概述研究的主要结果。
1.4 结论:总结研究的主要结论和对林业领域的贡献。
2. 引言部分2.1 研究背景:介绍研究领域的背景和前人的研究成果。
2.2 研究问题:明确研究中要解决的问题和目标。
2.3 研究意义:阐述研究对林业学科和相关领域的重要性。
3. 材料与方法部分3.1 研究对象:描述研究所使用的样本、材料或实验对象。
3.2 实验设计:详细描述实验的设计和步骤。
3.3 数据收集与分析:说明数据的收集方法和数据分析的统计方法。
4. 结果与讨论部分4.1 实验结果:详细呈现实验结果,可以使用表格、图表等形式展示。
4.2 结果分析:对实验结果进行解读和分析,与前人研究进行对比。
4.3 讨论与展望:对实验结果进行讨论,提出未来研究的方向和展望。
5. 结论部分5.1 主要结论:总结研究的主要结论,回答研究问题。
5.2 研究局限性:指出研究的局限性和不足之处。
5.3 研究意义与应用:强调研究的意义和对林业领域的应用价值。
总结:综上所述,本文详细介绍了Journal of Forestry Research的投稿模板。
在撰写论文时,作者应该准确填写摘要、引言、材料与方法、结果与讨论以及结论等部分。
通过遵循该模板,作者能够更好地组织和呈现研究成果,提高论文的质量和可接受性。
希望本文对作者在投稿Journal of Forestry Research时有所帮助。
林业专题报告的格式及范文一、引言林业是指对森林资源进行保护、培育、管理和利用的一种综合性经济活动。
作为我们地球上最重要的生态系统之一,森林在保持空气清新、水质净化、土壤保持、气候调节等方面发挥着重要作用。
本报告旨在探讨林业的现状、问题、挑战和解决方案,以期为林业发展提供科学依据。
二、林业的现状1. 全球森林资源状况目前,全球森林面积约为40亿公顷,占地球陆地面积的30%以上。
然而,森林每年净损失面积仍高达近1300万公顷,主要原因包括非法砍伐、森林火灾、土地转用等。
2. 林业在经济中的地位林业是许多国家和地区的重要经济支柱。
林木的伐採和加工提供了大量的就业机会,同时木材和木制品的出口也为国家创造了可观的外汇收入。
此外,林业还为生物能源、生态旅游等领域提供了资源和支持。
三、林业面临的问题与挑战1. 森林退化与破坏很多国家和地区的森林资源遭受持续的退化和破坏,主要表现为非法砍伐、过度放牧、虫害和疾病的侵袭等。
这些问题导致了生态系统的崩溃,危害了生物多样性和气候稳定。
2. 非法砍伐与木材贸易非法砍伐是全球林业面临的最热门问题之一。
据估计,非法木材贸易每年价值达1000亿美元,给生态环境和经济带来了严重负面影响。
3. 气候变化与林业全球气候变化对林业产生重要影响。
极端天气事件如干旱、洪水和飓风频繁出现,导致林木破坏和生长受阻。
同时,气候变化也改变了生态系统的结构和功能。
四、林业发展的解决方案1. 加强森林资源保护与管理国家和地区应采取措施加强森林资源的保护与管理,包括建立保护区、加强执法力度、开展科学研究等。
2. 促进可持续林业发展可持续林业发展是解决林业问题的关键。
国家和地区应制定合理的林业规划,采取科学的林业经营模式,实施可持续的森林经营和审慎的砍伐政策。
3. 推动国际合作与伙伴关系林业问题是全球性的,需要国际合作来解决。
各国应加强信息交流,共享经验,建立合作机制,共同应对林业面临的挑战。
五、结论林业作为维护生态平衡和推动经济发展的重要行业,面临着严峻的挑战。
《林业科学研究》稿件写作格式说明
1 字数
学术论文、综合述评等稿件一般不超过 6 个版面 , 研究简报、论坛等稿件一般不超过 4 个版面。
2 写作顺序
2. 1 文题
由尽可能简练的几个表达文章核心内容的关键词组成 , 以不超过 20 字为宜。
本刊一般采用系列标题和副标题的形式 , 每篇文章独立成文。
2. 2 作者署名
作者人数不宜过多。
第一作者应是稿件的执笔人和修改人 , 如有例外 , 请将责任作者在署名的右上角用“*”标注,并在篇首页地脚处注明。
2. 3 作者单位
单位全称应写到院、系、研究所、研究中心一级。
2. 4 基金项目
请在篇首页地脚处注明资助该研究的项目名称和项目编号。
2. 5 作者简介和通讯地址
写在篇首页地脚处资助项目的下方 , 只写第一作者 ( 必要时可增加责任作者 ) 的简介和详细地址。
例如:
作者简介:姓名(出生年-),性别,学位(或在读学位),职称.主要研究方向:×××.电话:××× Email:×××.
2. 6 中文摘要和关键词
摘要是为读者了解文章核心内容服务的一篇独立、完整的短文。
应做到言简意赅。
本刊要求论文摘要应包括 : ①研究目的 ; ②实验时间和地点 ( 仅指实验性研究 ); ③研究方法 ; ④研究结果 ( 一般不要列出公式和非公知的符号 ); ⑤结论与讨论等部分。
关键词为代表文章核心内容的名词 3 ~ 8 个。
2. 7 中图分类号、文献标识码、文章编号
可由编辑部代写。
2. 8 英文部分
内容应与中文部分完全对应。
写作格式请参见英文部分写作要求。
2. 9 引言
它是本刊是否接受投稿的主要依据之一。
引言不标序号 , 也不需写出“引言”二字 , 直接写内容。
内容包括 : ①研究对象的科学价值 ; ②简述国内外学者对该主题研究的历史、现状、代表人物、主要成就、存在问题和难点 , 并顺序给出参考文献的序号 ; ③作者自己研究工作的目的和主要内容。
2. 10 研究方法
凡应用国内外现有理论、技术、模型、公式等方法进行研究的论文 , 一律不做教材式的原理论述 , 只须简要写出该方法的名称、实验步骤和材料、公式等 , 并给出详细介绍该方法的文献序号即可。
作者自己发明的新方法和对他人方法有改进的部分例外。
2. 11 研究结果
应提供科学、可靠、系统、详实的研究数据和结果。
图表和照片应做到 : ①尽量精减 , 凡文字能说明的内容一律不用图表和照片 ; ②图表和照片的题名均为中文; ③图用计算机绘制 ,
图上的文字不宜多 , 主线与辅线的粗细比例为 2 ∶ 1; ④本刊登必要的高质量彩色照片 , 需作者负担制版、印刷费用。
2. 12 讨论
作者应在这部分把自己在理论、方法或技术上的创新或改进及尚待进一步研究的问题进行讨论。
2.13 结论
作者应将改论文得到的主要结论简单概况列出。
2. 14 致谢
作者认为必要时, 可在正文首页地脚处向有关人士或机构表示谢意,并在文题右上角加标“*”注明,此时地脚处的通讯作者用“**”标注。
2. 15 参考文献
它是本刊是否接受投稿的首要依据。
作者在正文后所引用的参考文献必须符合下列要求:
1)参考文献应按在文中出现的先后顺序排列。
2)每一篇文献都是作者亲自阅读过的 , 并可提供原文备查。
不得转引作者没有亲自阅读过的文献。
3)参考文献应以国内外有代表性的学术期刊文献为主。
其中 , 专著等其他文献的数量不宜超过 30% 。
除特殊情况外 , 教材文献尽可能少引用。
除公开发表的各类文献和学位论文、会议文集、技术报告、专利、电子文献外 , 其他未公开发表的资料、文件不得作参考文献引用 , 只能在征得原作者同意后 , 在正文中的引用处加括号注明资料名称。
4)综合述评的参考文献一般为 30 ~ 50 篇。
其他文章的参考文献不少于 10 篇。
5)一般情况下 , 外文文献数量应占总参考文献数量的 40 % 以上。
6)作者应注意利用国内外网络期刊数据库和图书馆现刊来查阅最新文献 , 截止到投稿 1 个月出版的有关中外文文献都应引用 , 并在稿件正式发表前再次查阅和引用最新文献。
如果来稿没有引用近年来的最新文献 , 请作者在文中解释其原因和理由。
7)参考文献的具体著录格式请参见参考文献格式说明。
3 量和单位符号
1)所有符号都必须符合国家标准的规定 ( 除雷诺数Re 等 25 个特征数和 pH 值外 , 其他符号一律用单个字母表示 ) 。
2)物理量的符号和生物学中属以下 ( 含属 ) 的拉丁学名用斜体。
3)外文字母、符号必须分清大、小写,正、斜体;上、下角(标)的字母、数码和符号等应正确标明。
4)请使用法定的计量单位。
时间单位用英文缩写字母表示,如:小时用 h 、分钟用 min 、秒用 s ;溶液浓度单位用mol•L-1、 mmol•L-1、μmol•L-1,不用 M 、 N 、 ppm ;容积单位用 L 、mL 表示; bar( 巴 ) 改用 Pa( 帕 ) 、 kPa( 千帕 ) ;能量、功、热均用 J( 焦 ) 。
单位与数字之间空一格。
附:《林业科学研究》论文写作格式模板
林业科学研究年代,第×卷(第×期):页码
作者A1,作者B2,…
(1.科研院所,省市邮编;2. 省市单位,省市邮编;…
A
英文题目
(1. College,School or Department,University,City ××××[邮编],Province,China;2.
(e.g.)
(1.Research Institute of Forestry, CAF, Key Laboratory of Tree Breeding and Cultivation,State Forestry Administration,Beijing 100091,China;
2.Resource and Environment College, Central South University of Forestry and Technology, Changsha 410004,Hu’nan,China)
英文摘要:
正文一级标题
二级标题
三级标题
[2]
……
例如:
[1] 尚军红,康丽华,罗玉萍,等.相思根瘤菌和解磷菌培养基优化及解磷能力研究[J].林业科学研究,2005,18(2):177-182
[2] Boto K G,Wellington J T,……,et al. Soil Characteristics and nutrient status in a Northern Australian mangrove forest[J].Estuaries, 1984,7(1):61-69
收稿日期:年-月-日
基金项目:
作者简介:姓名,学位(×××。
电话: ××× Email : ××× 地址:邮政编码及具体地址。
*责任作者:姓名,学位(或在读学位),职称。
主要研究方向:×××。
电话: ××× Email : ××× 地址:邮政编码及具体地址。