实 验 室 维 修 维 护 记 录
- 格式:doc
- 大小:37.00 KB
- 文档页数:3
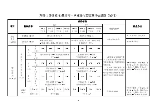
(附件1评估标准)三沙市中学标准化实验室评估细则(试行)
(附件2表格)_河北省高(完)中实验室档案表格
表1:实践教学工作大事记
表2:实践教学资料档案目录
表4 专业教室业务人员统计表
日
表5 实验教学进度表
表6:实验通知、原始情况记录单
表7 中学理科实验课开出率统计表
验室负责人(签名):教学处负责人(签名):表8
教学仪器设备购置计划申请表
表9
教学仪器验收单
到货日期:检验日期:
实验室负责人()验收人()
表12 教学仪器设备维修、保养记录单
表13 易燃、易爆、有毒药品使用登记表
教学仪器总账
第页
教学仪器分类账
教学仪器明细账仪器编号科别
自制教具专用账
6。
(一)设备完好的标准为1。
设备性能良好,能够稳定地满足工作要求,达到原设计或规定标准,运转无异常。
2.设备运转正常,零部件齐全,安全防护装置良好,磨损、腐蚀程度不超过规定标准,系统工作正常。
3.设备接地良好,符合国家相关标准。
4.外表清洁、整齐。
(二)设备故障的分类设备故障根据损坏程度和造成的影响分为一类设备故障、二类设备故障和三类设备故障。
1.一类设备故障指设备损坏程度极为严重,造成整个(或大面积)信息系统(或子系统)的瘫痪,产生较大损失或严重社会影响的故障。
如光缆中断、通信设备严重损坏导致通信中断、供电设备故障导致大面积停电、中枢设备故障导致子系统全部或大部失效等。
2.二类设备故障指设备损坏造成部分设备停用或效能严重降低,直接影响公司正常生产经营的故障。
如车道设备故障导致某一车道无法启用、单个可变信息标志黑屏、监控图像消失、收费或监控数据丢失等。
3.三类设备故障一般指设备或零部件失去原有精度或技术性能降低,不能正常运行。
但不影响系统整体功能的故障。
如监视图像不清晰、车道设备轻微故障、可变信息标志显示不全等。
2第一部分信息机电设备维护维修的基本要求一、管理机构和职责信息管理中心根据上级有关规定制定信息系统设备维护维修考核办法,并督促实施和检查考核。
负责中心机房设备的日常运行管理和维护维修,同时负责对下级信息系统设备运行情况进行监控、考核;定期组织系统运行情况分析;负责维修计划、方案的制定和实施;协调统筹公司整个信息系统设备的维护维修工作;负责备品备件采购计划的制定和实施;负责专业技术培训和业务考核;负责信息系统的设备升级、扩容和更新。
各分公司(管理处)信息管理科负责贯彻上级有关管理办法,负责各辖区内机房设备和外场设备的日常运行管理和维护维修,以及除公司统一采购之外的备品备件采购、保管和使用;负责所辖收费站监控室及车道设备的管理和维修,对收费站电工进行业务指导并提供必要的技术支持;负责本单位专业技术培训。
在CNAS 现场评审过程中,评审专家组依据现场评审情况对被评审检测机构开具不符合项,要求被评审检测机构限期完成相应的整改工作,撰写整改报告提交评审专家组组长。
中化化工科学技术研究总院分析测试中心于2014年8月23日至24日进行实验室复评审加扩项评审。
此次现场评审顺利通过了化学品、农药两类产品的20个检测项目,37个检测标准的复评审,同时还通过了水质方面的7个检测项目,8个检测标准的扩项评审。
本文总结了本实验室的整改工作经验,结合实验室日常工作经验,就CNAS 实验室日常管理和运行维护工作提几点体会。
1 文件的控制实验室应建立和保持程序来控制构成其管理体系的所有文件(包括但不限于内部制订文件和外部获取文件),诸如法规、标准、其他规范化文件、检测和/或校准方法,以及图纸、软件、规范、指导书和手册[1]。
这其中有两点需要注意:首先是唯一性标识。
所有构成实验室管理体系的文件都应该具有唯一性标识,不论是实验室内部制订的文件,还是外部获得的文件。
该标识要包括发布日期和/或修订标识、页码、总页数或表示文件结束的标记和发布机构。
其次是文件要易于取阅。
文件控制程序应确保对实验室有效运作起重要作用的所有作业场所都能得到相应文件的授权版本。
尤其是检测标准、仪器操作规程等要放置一份授权版本在检测人员方便取阅的地方。
以本实验室为例,是将检测标准、仪器操作规程、检定/校准证书复印件放置在仪器设备的操作现场,以方便检测人员随时取阅。
2 服务和供应品的采购2.1 供应商的资质实验室应对影响检测和/或校准质量的重要消耗品、供应品和服务的供应商进行评价,并保存相关的供应商评价记录,并按照管理体系要求列出合格供应商名单。
供应商的服务包括检定/校准、能力验证提供者、测量审核提供者、三家比对参与者等等;供应品为试剂、耗材、仪器设备等。
特别需要注意的是,当通过代理商购买服务和供应品时,而仅仅对代理商进行评价是不够的,还应收集供应商(也即供应品生产商)的资质,并对其进行评价。
仪器设备维修、保养登记表仪器设备维修、保养登记表仪器设备维修、保养登记表仪器设备维修、保养登记表仪器设备维修、保养登记表仪器设备维修、保养登记表仪器设备维修、保养登记表仪器设备维修、保养登记表仪器设备维修、保养登记表仪器设备维修、保养登记表仪器设备维修、保养登记表仪器设备维修、保养登记表仪器设备维修、保养登记表仪器设备维修、保养登记表仪器设备维修、保养登记表仪器设备维修、保养登记表仪器设备维修、保养登记表仪器设备维修、保养登记表仪器设备维修、保养登记表仪器设备维修、保养登记表仪器设备维修、保养登记表仪器设备维修、保养登记表仪器设备维修、保养登记表仪器设备维修、保养登记表仪器设备维修、保养登记表仪器设备维修、保养登记表仪器设备维修、保养登记表仪器设备维修、保养登记表仪器设备维修、保养登记表仪器设备维修、保养登记表仪器设备维修、保养登记表仪器设备维修、保养登记表仪器设备维修、保养登记表仪器设备维修、保养登记表仪器设备维修、保养登记表仪器设备维修、保养登记表仪器设备维修、保养登记表仪器设备维修、保养登记表仪器设备维修、保养登记表仪器设备维修、保养登记表仪器设备维修、保养登记表仪器设备维修、保养登记表仪器设备维修、保养登记表仪器设备维修、保养登记表仪器设备维修、保养登记表仪器设备维修、保养登记表仪器设备维修、保养登记表仪器设备维修、保养登记表仪器设备维修、保养登记表仪器设备维修、保养登记表仪器设备维修、保养登记表仪器设备维修、保养登记表仪器设备维修、保养登记表仪器设备维修、保养登记表仪器设备维修、保养登记表仪器设备维修、保养登记表仪器设备维修、保养登记表仪器设备维修、保养登记表仪器设备维修、保养登记表仪器设备维修、保养登记表仪器设备维修、保养登记表仪器设备维修、保养登记表仪器设备维修、保养登记表仪器设备维修、保养登记表仪器设备维修、保养登记表仪器设备维修、保养登记表仪器设备维修、保养登记表仪器设备维修、保养登记表仪器设备维修、保养登记表仪器设备维修、保养登记表仪器设备维修、保养登记表仪器设备维修、保养登记表仪器设备维修、保养登记表仪器设备维修、保养登记表仪器设备维修、保养登记表仪器设备维修、保养登记表仪器设备维修、保养登记表仪器设备维修、保养登记表仪器设备维修、保养登记表仪器设备维修、保养登记表仪器设备维修、保养登记表仪器设备维修、保养登记表仪器设备维修、保养登记表仪器设备维修、保养登记表仪器设备维修、保养登记表仪器设备维修、保养登记表仪器设备维修、保养登记表仪器设备维修、保养登记表仪器设备维修、保养登记表仪器设备维修、保养登记表仪器设备维修、保养登记表仪器设备维修、保养登记表仪器设备维修、保养登记表仪器设备维修、保养登记表仪器设备维修、保养登记表仪器设备维修、保养登记表仪器设备维修、保养登记表仪器设备维修、保养登记表仪器设备维修、保养登记表仪器设备维修、保养登记表。
设备档案内容(长12cm×高8cm)张贴档案袋封面:
-工地试验室:部门代号GD
-类别:A-检验检测设备B-办公设备C-其他
-地点:ZX(****高速公路项目,缩写)+标段号
-设备编号:为功能室序号和两位数流水号组成
以18标为例:土工室第一套设备:GD-A-ZX18-01-01;集料室第一套设备:GD-A-ZX18-02-01。
其他科室以此类推,每个科室流水号都从01开始。
3、校准确认记录表只针对校准设备,检定设备不填写
4、设备验收记录、保养记录、整修记录只针对较大型或大型仪器设备,较小的如钢直尺、温湿度计等就不必登记
5、工地试验室名称:**********高速公路项目第***合同段工地试验室
仪器设备验收、启用表
试验室名称:*************高速公路项目第***合同段工地试验室
保管人:负责人:日期:
检定/校准证书和测试报告确认表试验室名称:*************高速公路项目第***合同段工地试验室
试验检测仪器设备维护记录
试验室名称:*************高速公路项目第***合同段工地试验室
设备名称: 设备编号: 规格型号:
仪器设备维修记录试验室名称:*************高速公路项目第***合同段工地试验室
仪器设备履历表
***
********高速公路第五合同段
仪
器
设
备
维
护
记
录
仪器名称:_______________
*****
*****高速公路第**合同段工地试验室
仪器设备使用记录JLBG05 试验室名称:**********高速公路第**合同段工地试验室。
文档从互联网中收集,已重新修正排版,word格式支持编辑,如有帮助欢迎下载支持。
CNAS微信平台首次全文发布《现场评审不符合项案例集》2016-02-25中国认可中国认可为提升认可服务质量,不断提高实验室管理水平,中国合格评定国家认可委员会(CNAS)秘书处组织人员编制并发布了《现场评审不符合项案例集》。
该案例集收录了2674个不符合项,均为实验室现场评审常见的典型案例。
为方便大家日常查阅,帮助实验室提高管理和技术水平,查找和分析存在的问题,“中国认可” 微信平台首次将案例集全部内容,以微信客户端的形式予以呈现。
按照CNAS-CL01:2006《检测和校准实验室能力认可准则》的要求,案例集中涉及的不符合项案例从人、机、料、法、环、测等方面,按照组织、管理、人员、设备、环境、方法、溯源、文件、记录、报告等要素进行分类。
另外,针对实验室经常出现不满足CNAS规则文件如CNAS-R01《认可标识和认可状态声明管理规则》、CNAS-RL01《实验室认可规则》和CNAS-RL02《能力验证规则》等要求的现状,案例集还专门将不符合CNAS规则文件要求的典型案例单独归为一类,基本上覆盖和体现了认可评审中实验室普遍和经常出现的问题。
阅读具体内容,请点击以下链接:(注:凡带下划横线的文字均可点击査看相关链接)对不符合项案例集的说明2016-02-25中国认可中国认可一.建立本案例集的目的建立本案例集的LI的为让实验室了解认可评审中经常发现的问题,分析自身体系运行和能力维持中是否存在类似的问题,不断提高实验室的管理水平,确保检测或校准结果的准确性和可靠性。
二.不符合项的來源CNAS秘书处汇总了从2014年7月至9月接收到的745份评审报告中的2674个不符合项,从中甄选出比较典型的,在认可评审中经常发现的不符合项。
虽然本案例集只选取了三个月内的部分评审案例,但是因为样本数量较大,因此基本能够体现认可评审中实验室普遍存在的问题,尤其是对于校准、机械和电器检测领域,以及部分跨多个专业领域的综合分析机构。
实验师岗位职责篇一:实验室人员岗位职责实验室岗位职责1、主任①领导实验室的工作,全面负责实验室的工作。
实验室的日常工作委托常务副主任或副主任处理.②贯彻执行国家关于质量检测的有关政策、方针、法规、条例,确定实验室的工作计划、工作方针和目标。
③协调各实验组的工作,使之按时保质完成实验工作,保证公正准确。
④保证《质量管理手册》的执行,并维护实验的严肃性。
⑤组织实验室人员的业务学习,定期组织本室工作会议讨论,处理实验中存在的问题及改进等问题。
2、技术负责人①在室主任的领导下,主持实验室日常实验工作,全面负责技术工作。
①掌握质量检测技术的发展方向,制定实验室的检测技术的规划,负责检测的新技术、新材料、新工艺的学习,批准技术培训计划,主持实验人员的技术考核工作。
③主持制定、修改《质量管理手册》。
④负责接待业务来访,主持用户对实验工作中的申诉及质量事故的处理。
⑤审批仪器、设备的降级、报废、购置计划。
⑥负责实验室检测工作的质量工作,负责《质量管理手册》的贯彻执行检查与监督。
3、业务主任①在室主任、技术负责人(质量负责人)的领导下,负责实验室的日常业务管理工作。
文件编号:GXZC-4000-00 记录表格编写:审核:批准:版本:受控状态:发放编号:发布日期:年月日实施日期:年月日1、文件和资料发放、回收记录表GXZC-4201-012、文件修改记录GXZC-4201-023、文件修改申请表GXZC-4201-034、文件修改通知单GXZC-4201-045、文件破损与丢失补发登记表GXZC-4201-056、文件和资料销毁登记表GXZC-4201-067、文件和资料借阅登记表GXZC-4201-078、备份文件记录GXZC-4201-089、文件和资料留用申请单GXZC-4201-0910、公正性声明措施执行情况检查表GXZC-4202-0111、外来人员参观审批表GXZC-4202-0212、查阅保密资料申请单GXZC-4202-0313、仪器设备(标准物质)申购单GXZC-4203-0114、仪器设备(标准物质)验收单GXZC-4203-0215、供应商评价表GXZC-4203-0316、合格供应商登记表GXZC-4203-0417、___年度服务和供应品采购计划GXZC-4203-0518、检测委托单GXZC-4204-0119、合同评审单GXZC-4204-0220、分包申请表GXZC-4205-0121、分包方能力调查表GXZC-4205-0222、合格分包方名单GXZC-4205-0323、申诉和投诉处理记录表GXZC-4206-0124、客户意见征求表GXZC-4206-0225、不符合工作控制处理表GXZC-4207-0126、内部管理体系审核检查表GXZC-4210-0127、不符合项报告GXZC-4210-0228、会议纪要GXZC-4211-0129、整改措施报告GXZC-4211-0230、会议签到表GXZC-4211-0331、检测人员上岗报批表GXZC-4212-0132、人员学习记录表GXZC-4212-0233、培训申请表GXZC-4212-0334、年度培训计划GXZC-4212-0435、个人技术档案表GXZC-4212-0536、年度人员培训记录表GXZC-4212-0637、公司办公及试验环境卫生情况检查表GXZC-4215-0138、仪器设备检定/校准报告GXZC-4217-0139、检测方法确认表GXZC-4218-0140、仪器设备(标准物质)期间核查记录表GXZC-4219-0141、更新标准实施审批表GXZC-4220-0142、新开展检测项目审批表GXZC-4220-0243、新开展检测项目验收表GXZC-4220-0344、仪器设备维修记录GXZC-4221-0145、计算机/自动化检测设备校核记录GXZC-4221-0246、计算机软件申购单GXZC-4221-0347、计算机软件验收单GXZC-4221-0448、仪器设备降级、停用、报废申请表GXZC-4222-0149、年度仪器设备周期检定/校准计划、实施记录表GXZC-4222-0250、仪器设备一览表GXZC-4222-0351、仪器设备周期检定/校准一览表GXZC-4222-0452、仪器设备档案资料借阅登记表GXZC-4222-0553、仪器设备租用/借出审批表GXZC-4222-0654、仪器设备租用/借出登记表GXZC-4222-0755、仪器设备(标准物质)送检通知书GXZC-4222-0856、年度仪器设备维护保养计划和实施记录GXZC-4222-0957、仪器设备(标准物质)使用记录GXZC-4222-1058、停用仪器设备启用申请单GXZC-4222-1159、检定/校准证书和测试报告确认表GXZC-4223-0160、允许偏离申请表GXZC-4224-0161、样品出入库登记表GXZC-4225-0162、日常质量监督抽查记录GXZC-4226-0163、检测报告更改申请表GXZC-4228-01文件和资料发放、回收记录表序号:编号:GXZC-4201-01文件修改记录序号:编号:GXZC-4201--02文件修改申请表序号:编号:GXZC-4201-03年月日文件修改通知单序号:编号:GXZC-4201-04文件破损与丢失补发登记表序号:编号:GXZC-4201-05文件和资料销毁登记表序号:编号:GXZC-4201-06文件和资料借阅登记表序号:备份文件记录序号:文件和资料留用申请单序号:公正性和行为准则执行情况审查表序号:外来人员参观审批表序号:查阅保密资料申请单序号:序号:序号:供应商评价表序号:合格供应商登记表序号:批准人: 编制人: 日期:______年度服务和供应品采购计划序号:批准: 审核: 编制:日期: 年月日检测委托单序号:合同评审单序号:分包申请表序号:分包方能力调查表序号;合格分包方名单序号:申诉和投诉处理记录表序号:客户意见征求表序号:不符合工作控制处理表序号:内部管理体系审核检查表序号:不符合项报告序号:会议纪要序号:整改措施报告序号:XZC-4211-02会议签到表序号:检测人员上岗报批表序号:人员学习记录表序号:序号:序号:制表:审核:批准:个人技术档案表序号:年度人员培训记录表序号:公司办公及试验环境卫生情况检查表序号:仪器设备检定/校准报告序号:编号:GXZC-4217-01检定单位:(章)检定员:审核:检测方法确认表序号:仪器设备(标准物质)期间核查记录表序号:负责人:设备管理员:更新标准实施审批表序号:序号:序号:仪器设备维修记录序号:编号:GXZC-4221-01计算机/自动化检测设备校核记录序号:编号:GXZC-4221-02校核人: 审核人:序号:序号:。
中小学实验室管理表格(以下为样表,打印时按满页设计)实验室工作大事记实验室资料档案目录教学仪器说明书索引注:存入实验档案实验室业务人员统计表年月日注:存入实验室档案实验教学进度表学科班级任课教师注:实验所需特殊仪器和材料在备注栏目内说明以便实验室准备存入档案实验通知单学科初中班级实验日期年月日任课教师(签名)领出日期月日实验员(签名)归还日期月日注:1、任课教师填写演示实验提前三天,学生分组实验提前一周通知实验室准备。
2、本单位注销由实验室存入档案。
3、实验分类按教学活动分类方法是指演示实验;学生分组实验,边讲边实验。
实验教学原始记录表学科高(初)中班级实验分类任课教师(签名)实验员(签名)注:1、本表填写送交实验室存入资料档案。
2、根据不同班级实验情况认真填写记录。
实验事故报告单填写日期: 年月日领导(签名)任课教师(签名)实验员(签名)注:由任课教师和实验员将事故经过原因落实后认真填写存入实验室档案中备查。
中学理科实验课开出率统计表学校名称年月日实验室负责人(签字):实验完成情况综合分析1、分析实验完成开出率:物理%;化学%;生物%。
2、分析选做实验总计。
3、分科未完成实验的个数及原因说明。
⑴物理实验个;化学实验个;生物实验个。
⑵未完成实验的原因(可另附)4、分科实验课应开出实验个数,各学校根据所用教材内容统计总数为准。
5、学期终了统计后存入档案。
教学仪器购置计划申请表主管领导(签名)教务主任(签字)实验室负责人(签名)实验员(签名)教学仪器验收单到货日期:检验日期:实验室负责人(签名)验收人(签名)注:存入资料档案精密教学仪器技术档案学科:填写日期:注:此表供维修、保养、报废精密仪器的依据,存入档案长期保存。
教学仪器借用登记表化学试剂消耗登记卡药品名称:分类编号:注:存档备查每学期储备量教学仪器损失报告单学科:年月日教学仪器报废申请表学科:填表日期年月日注:存入档案教学仪器维修记录簿注:存入资料档案精密数学仪器定期保养记录簿学科:注:1、根据说明书要求保养条件进行。
检验科生物安全工作检查记录表实验室名称:检查日期:年月日检查内容仪器设备使用运行、维护情况仪器运行情况维护保养是否有特殊维护或检修正常异常全自动生化分析仪□□□□是□ 否□全自动血球仪□□□□是□ 否□电解质分析仪□□□□是□ 否□尿液分析仪□□□□是□ 否□化学发光仪□□□□是□ 否□全自动血凝仪□□□□是□ 否□离心机□□□□是□ 否□恒温水浴箱□□是□ 否□显微镜□□是□ 否□冰箱、低温冰箱□□是□ 否□电脑□□是□ 否□打印机□□是□ 否□紫外线消毒灯□□是□ 否□半自动血球仪□□是□ 否□试剂冰箱□□是□ 否□全自动特定蛋白分析仪实验室材料使用情有何特殊需要况有无和用途个人防护品(帽子、口罩、手套等)□□生化室应用试剂、一次性材料□□临检室应用试剂、一次性材料□□输血室试剂、一次性材料□□病理室试剂、一次性材料□□其它□□实验室规章制度、技术规范、操作规程应用修改有何增加或减少实验室规章制度□□实验室技术规范、操作规程□□免疫室技术规范、操作规程□□输血室技术规范、操作规程□□临检室技术规范、操作规程□□生化室技术规范、操作规程□□输血室技术规范、操作规程□□注:请在检查表所选□内打“√”检查内容个人防护实验室工作人员健康状况好□不好□有何特殊情况:实验室工作人员健康档案有□无□个人防护物品有□无□个人意外伤害的紧急处理有□无□是否需要特殊处理:是□ 否□医疗废物处置情况分类是/否登记是/否消毒是/否其它生化室医疗废物是否分类、登记、消毒处理是□否□是□否□是□否□临检室医疗废物是否分类、登记、消毒处理是□否□是□否□是□否□输血室医疗废物是否分类、登记、消毒处理是□否□是□否是□否□□病理室废物是否分类、登记、消毒处理是□否□是□否□是□否□血清样品是否保存3至5天是□ 否□废弃物处置是否符合国家有关规定符合□ 不符合□实验室消毒消毒消毒记录其它物体表面消毒是□ 否□有□ 无□操作台面消毒是□ 否□有□ 无□仪器表面消毒是□ 否□有□ 无□空气消毒是□ 否□有□ 无□实验室登记记录完善不完善其他生化室登记记录表格□□临检室登记记录表格□□病理实验室登记记录表格□□输血室登记记录表格□□艾滋病初筛实验室登记记录表格□□免疫室登记记录表格□□标本接收登记本□□:请在检查表所选□内打“√”检查人员签字:实验室意外事故应急演练方案一、目的为进一步做好病原微生物实验室生物安全防护工作,保障实验安全、人员安全和环境安全,防范各类安全事故,堵塞安全漏洞,确保实验室在应对重大传染病疫情以及开展检测工作时能以安全、有效和高质量运作,进一步提升实验室工作人员的专业技术素养和生物安全防护水平,检验科于 3月18日上午举行了一次生物安全事故处理应急演练。
实验室管理人员培训内容如何搞好中学实验室管理我认为作为实验室管理员,最重要的一点就是要规范地管理教学仪器,以及合理地应用教学仪器为课堂教学服务。
一、.教学仪器保管帐的管理基本要点:建立帐页、规范记帐、增减有据、帐物相符、保留老帐。
教学仪器保管帐是实验室管理的最基本的环节。
规范的教学仪器保管帐是我们做好实验室管理的基础,记好教学仪器保管帐对保证实验教学任务的完成,对加强学校资产的管理具有重要作用。
虽然都执行教育部统一的标准,,虽然都是同一类型的学校,但是各个学校的的教学仪器数量肯定不会一样。
通过教学仪器保管帐,我们可以知道实验室有多少种教学仪器,各有多少件,从而了解教学仪器的配备状况;可以判断实验的分组数;可以核算出教学仪器的总金额,掌握学校资产情况;可以获取其他许多有用信息,所以我们必须记好教学仪器保管帐。
仪器的管理是一个动态的过程,仪器总是要有进有出,记载这一动态平衡过程的载体就是教学保管帐。
包括建立帐页、记帐要求、增减有据、帐物相符、老帐保存。
这些是做好实验室管理的基本要求。
二、.教学仪器管理包括仪器摆放,例如有些仪器可以放在实验室里,例如化学的试管架、方座支架等,生物的显微镜可以带箱放在实验桌的下边。
物理实验室使用的方座支架由于使用频率不高不应放在实验桌上等。
化学药品要有专室存放,如果不能做到单室存放,也必须做到与其它类仪器分柜存放。
要避免象天平等金属构件较多的仪器被药品腐蚀。
三、仪器说明书装订成册任何一件仪器的正确使用都离不开说明书,即使仪器的使用方法现在弄明白了,随着时间的推移,也可能忘记,为了保管好仪器,便于使用和查找,有必要分类装订成册保存。
实验室里的仪器说明书是需要长久保存重要的资料。
说明书里介绍了该仪器可以完成那些实验、实验的方法和步骤,这些实验有时可能不是现行教材所要求必须完成的,但对于开拓学生的思维和培养创新能力很有作用。
生物安全实验室建筑技术规范GB50346工程建筑江苏建筑 2012 年第 1 期(总第 146 期) 107《生物安全实验室建筑技术规范》GB50346-2011 强制性条文解析张明 (江苏双楼建设集团有限公司,江苏南京210013)摘要文章通过对新颁布《生物安全实验室建筑技术规范》GB50346-2011 强制性条文的解析,为使用者在设计和施工工程中理解、掌握和贯彻强制性条文提供参考。
关键词规范;强制性条文;解析中图分类号 TU202 文献标识码 A 文章编号 1005-6270 (2012)01-0107-03 quot Architectural and Technical Code forBiosafety Laboratoriesquot GB50346-2011 Mandatory Provisions of the ResolutionZHANG Ming Jiangsu Shuanglou Construction Group Co.Ltd Nanjing Jiangsu 210013ChinaAbstract: This paper explains the newly issued quot Architectural and TechnicalCode for Biosafety LaboratoriesquotGB50346-2011 mandatory provisions of theresolution for helping users in the design and constructionprojectto carry out understandand grasp the mandatory provisions.Key words: code mandatory provisions; analytic0 前言不得低于该规范要求。
中华人民共和国国家标准《生物安全实验室建筑技术生物安全实验室工程建筑条件复杂,综合性强,涉及面规范》GB50346-2011 (下称“规范”)已颁布,自 2012 年 5 月广。
目录送风机的大修作业指导书 (1)引风机的检修作业指导书 (15)一次风机的大修作业指导书 (31)空气预热器的大修作业指导书 (45)螺旋捞渣机的大修作业指导书 (58)刮板捞渣机的大修作业指导书 (73)空气预热器检修作业指导书 (84)过热器、再热器管排进行的大修作业指导书 (99)离心式空压机检修作业指导书 (108)固定带式输送机检修作业指导书 (124)小径管检修焊接作业指导书 (137)中径管焊接作业指导书 (148)大径管焊接作业指导书 (157)锅炉受热面管道焊接作业指导书 (166)钢结构检修焊接作业指导书 (179)热处理作业指导书 (195)磨煤机维护检修作业指导书 (204)锅炉强制循环泵检修作业指导书 (240)长伸缩式吹灰器检修作业指导书 (260)短伸缩式吹灰器检修维护作业指导书 (283)送风机的大修作业指导书一、目的机组经过一段时间的运行,根据电厂设备管理的要求,对送风机进行解体检查,部分磨损严重的零部件需要重新更换和维修,以保证锅炉的正常运行。
二、适用范围适用于托克托电厂一期2×600MW机组#1、#2炉共4台送风机的大修。
三、编制依据针对检修作业对象,编写危险因素和环境因素辨识和相应对策措施,以保证作业的安全进行和环境卫生的保持。
8、作业程序、技术要求及质量控制点9、作业技术记录表9.1 停运检修前情况统计表:9.2设备检修技术记录:9.3送风机空载试运记录:9.送风机负载试运记录:10、附录(表格、记录图等)10.1表格风机螺栓拧紧力矩记录表引风机的检修作业指导书1 目的电厂经过一段时间的运行,根据厂家说明书的要求,对引风机进行解体检查,对部分磨损严重的零部件要重新更换和维修,保证锅炉的正常运行。
2 适用范围托电一期#1、#2锅炉本体4台引风机的检修5 作业危险因素和环境因素辨识及对策表针对检修作业对象,编写危险因素和环境因素辨识和相应对策措施,以保证险因素和环境因素监督管理措施:包括(一)确定监督控制办法—R 记录确认点;W 见证点;H 停工待检点;S 连续监视监护;(二)规定监督控制责任—班组、专业队、项目部。
学校实验室维修维护记录
实验室名称
记录时限
高等学校实验室维修维护工作要求
1.学校仪器设备的管理,应充分挖握现有仪器设备潜力,重视维护维修、功能开发、改造升级、延长寿命的工作。
2.设备一般不准拆改和分解使用。
确因功能开发、造升级或研制新产品需拆改和分解时,应经学校设备主管部门的批准。
——摘自《高等学校仪器设备管理办法》
完成仪器设备的管理、维修、计量及标定工作,使仪器设备经常处于完好状态。
——摘自《高等学校实验室工作规程》。