鲁JJ-159找平层检验批质量验收记录表
- 格式:doc
- 大小:51.00 KB
- 文档页数:1
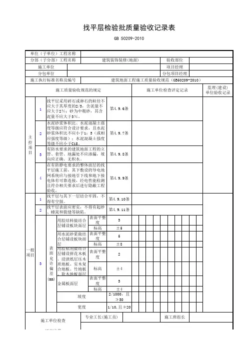
找平层检验批质量验收记录表GB50209-2002(Ⅷ)030101 单位(子单位)工程名称长沙市中心医院胸科中心综合楼分部(子分部)工程名称建筑地面验收部位负一层施工单位湖南省沙坪建筑有限公司项目经理雷德军分包单位/ 分包项目经理/施工执行标准名称及编号《建筑地面工程施工质量验收规范》GB50209—2002施工质量验收规范的规定施工单位检查评定记录监理(建设)单位验收记录主控项目1 材料质量设计要求符合设计要求2 配合比或强度等级设计要求符合设计要求3 有防水要求套管地漏第4.9.8条合格(√)一般项目1 找平层与下层结合结合牢固无空鼓合格(√)2 找平层表面质量第4.9.10条合格(√)3表面平整度、标高用胶粘剂做结层,铺拼花木板、塑料板、复合板、竹地板面层表面平整度2mm/标高±4mm /有沥青玛脂做地结合层,铺拼花木板,板块面层及毛地板铺木地板表面平整度3mm/标高±5mm /用水泥砂浆做结合层,铺板块面层,其他种类面层表面平整度5mm 合格(√)标高±8mm 合格(√)4 坡度2/1000且不大于30mm5 厚度<1/10 1 0 1 1 2 1 1 2 0 1施工单位检查评定结果专业工长(施工员)施工班组长主控项目全部合格,一般项目满足规范规定要求。
项目专业质量检查员:年月日监理(建设)单位验收结论专业监理工程师(建设单位项目专业技术负责人):年月日检查和检查检测报告。
②水泥砂浆体积比或水泥混凝土强度等级,符合要求。
水泥混凝土强度等级不应小于C15。
观察检查和检查配合比单及检测报告。
③有防水要求地面的立管、套管、地漏处严禁渗漏,坡向应正确、无积水。
观察检查和蓄水、泼水检验及坡度尺检查。
2.一般项目:①找平层与其下一层结合牢固,不得有空鼓。
用小锤轻击检查。
②表面应密实,不得有起砂蜂窝和裂缝等缺陷。
观察检查。
③表面允许偏差,应按本规范表4.1.5中的检验方法检验。
屋面找平层工程检验批质量验收记录表
说明
主控项目:
1、找平层的材料质量及配合比,必须符合设计要求。
检查出厂合格证、质量检验报告和计量措施。
2、屋面(含天沟、檐沟)找平层的排水坡度,必须符合设计要求。
用水平仪(水平尺)、拉线和尺量检查。
一般项目:
1、基层与突出屋面结构的交接处和基层的转角处,均应做成圆弧形,且整齐平顺。
观察和尺量检查。
2、水泥砂浆、细石混凝土找平层应平整、压光,不得有酥松、起砂、起皮现象;沥青砂浆找平
层不得有拌合不匀、蜂窝现象。
观察检查。
3、找平层分格缝的位置和间距应符合设计要求。
观察和尺量检查。
4、找平层表面平整度的允许偏差为5mm。
用2m靠尺和楔形塞尺检查。
找平层质量工程检验批质量验收记录项目名称:平层质量工程项目编号:[编号]施工单位:[施工单位名称]验收单位:[验收单位名称]验收时间:[日期]一、工程概况本项目是平层质量工程,总建筑面积为[X平方米],主要包括平层施工、地面处理、装修、给排水及电气安装等工程内容。
二、施工过程1.地基处理:根据设计要求,施工单位进行了地基处理工作,包括土方开挖、压实、填料等,确保地基稳定。
2.结构施工:根据设计方案,施工单位进行了楼板、墙体、柱子等结构施工工作,保证了建筑物的稳定性和安全性。
3.给排水及电气安装:施工单位按照设计方案,进行了给排水管道和电气设备的安装工作,并按照相关标准进行了验收。
4.地面处理:施工单位对地面进行了处理,包括地坪铺设、地面平整等工作,确保地面的均匀和平整。
5.装修工程:施工单位进行了装修工程,包括墙面涂料、地板铺设、门窗安装等工作,并按照设计要求进行了验收。
三、质量验收1.结构质量验收:(1)观察楼板、墙体、柱子等结构构件是否存在开裂、渗漏等质量问题。
(2)检查结构构件的质量是否符合设计要求和相关标准。
(3)进行结构验收试验,包括荷载试验、摧毁试验等,检查结构强度是否满足要求。
2.安装工程质量验收:(1)对给排水管道进行泄漏测试,检查是否存在渗漏的情况。
(2)对电气设备进行线路测试,确保电气设备正常运行。
(3)检查给排水设备和电气设备的安装质量,包括固定和接线等工作。
3.地面处理质量验收:(1)观察地坪是否平整,地砖是否铺设牢固。
(2)检查地面处理工作的质量,包括表面是否光滑、无裂缝等。
4.装修工程质量验收:(1)检查墙面涂料的平整度和色彩是否符合设计要求。
(2)检查地板铺设是否牢固,无空鼓。
(3)检验门窗的安装质量,包括平整度和密封性等。
四、质量验收结果根据对施工过程的观察和检验,经过施工单位的整改,现对质量验收结果进行总结:1.结构质量:通过结构验收试验,结构构件的强度满足设计要求和相关标准。
12312表面平整度2mm 标高±4mm 表面平整度3mm 标高±5mm
表面平整度5mm
标高±8mm
45验收项目项目专业质量检查员:施工单位检查评定记录
结合牢固无空鼓第4.9.10条
用水泥砂浆做结合层,铺板块面层,其
他种类面层专业工长(施工员)
分包项目经2/1000且不大于30<1/10
设计要求设计要求第4.9.8条3
材料质量配合比或强度等级有防水要求套管地漏找平层与下层结合施工质量验收规范的规定
主
控
项
目
一
般 项
目施工单位检查评定结果
找平层表面质量表面平整度、标高坡度厚度用胶粘剂做结层,铺拼花木板、塑料板、
复合板、竹地板面层有沥青玛脂做结合
层,铺拼花木板,板块面层及毛地板铺木
地板找平层检验批质量验收记录表
GB50209-2002
(Ⅷ)
单位(子单位)工程名称
分部(子分部)工程名称
施工单位
分包单位
施工执行标准名称及编号
监理(建设)单位验收结论
专业监理工程师
(建设单位项目专业技术负责人):
监理(建设)单位验收
记录
验收部位项目经理施工班组长
030101
年 月 日定记录项目经理
年 月 日。