第四章课后答案
- 格式:doc
- 大小:402.50 KB
- 文档页数:4
第四章课后思考题及参考答案1、为什么说资本来到世间,从头到脚,每个毛孔都滴着血和肮脏的东西?[答案要点]资本来到世间,从头到脚,每个毛孔都滴着血和肮脏的东西。
资本主义的发展史,就是资本剥削劳动、列强掠夺弱国的历史,这种剥夺的历史是用血和火的文字载入人类编年史的。
在自由竞争时代,西方列强用坚船利炮在世界范围开辟殖民地,贩卖奴隶,贩卖鸦片,依靠殖民战争和殖民地贸易进行资本积累和扩张。
发展到垄断阶段后,统一的、无所不包的世界市场和世界资本主义经济体系逐步形成,资本家垄断同盟为瓜分世界而引发了两次世界大战,给人类带来巨大浩劫。
二战后,由于社会主义的胜利和民族解放运动的兴起,西方列强被迫放弃了旧的殖民主义政策,转而利用赢得独立和解放的广大发展中国家大规模工业化的机会,扩大资本的世界市场,深化资本的国际大循环,通过不平等交换、资本输出、技术垄断以及债务盘剥等,更加巧妙地剥削和掠夺发展中国家的资源和财富。
在当今经济全球化进程中,西方发达国家通过它们控制的国际经济、金融等组织,通过它们制定的国际“游戏规则”,推行以所谓新自由主义为旗号的经济全球化战略,继续主导国际经济秩序,保持和发展它们在经济结构和贸易、科技、金融等领域的全球优势地位,攫取着经济全球化的最大好处。
资本惟利是图的本性、资本主义生产无限扩大的趋势和整个社会生产的无政府状态,还造成日益严重的资源、环境问题,威胁着人类的可持续发展和生存。
我们今天看到的西方发达资本主义国家的繁荣稳定,是依靠不平等、不合理的国际分工和交换体系,依靠发展中国家提供的广大市场、廉价资源和廉价劳动力,通过向发展中国家转嫁经济社会危机和难题、转移高耗能高污染产业等方式实现的。
资本主义没有也不可能给世界带来普遍繁荣和共同富裕。
2、如何理解商品二因素的矛盾来自劳动二重性的矛盾,归根结底来源于私人劳动和社会劳的矛盾?[答案要点]商品是用来交换的劳动产品,具有使用价值和价值两个因素或两种属性。
第四章一.思考题1、一组数据的分布特征可以从哪几个方面进行测度?答:可以从三个方面进行测度和描述:一是分布的集中趋势,反映各数据向其中心值靠拢或聚集的程度;二是分布的离散程度,反映各数据远离其中心值的趋势;三是分布的形状,反映数据分布的偏态和峰态。
2、怎样理解平均数在统计学中的地位?答:平均数在统计学中具有重要的地位,它是进行统计分析和统计推断的基础。
从统计学思想上看,平均数是一组数据的重心所在,是数据误差相互抵消后的必然结果。
3、简述四分位数的计算方法。
答:四分位数是一组数据排序后处于25%和75%位子上的值。
四分位数是通过3个点将全部数据等分成4分,其中每部分包含25%的数据。
中间的四分位数就是中位数,因此通常所说的四分位数是指处在25%位置上的数值和处在75%位置上的数值。
它是根据为分组数据计算四分位数时,首先对数据进行排序,然后确定四分位数所在的位置,该位置上的数据就是四分位数。
4、对于比率数据的平均数为什么采用几何平均?答:几何平均数是适用于特殊数据的一种平均数,主要适用于计算平均比率。
当所掌握的变量值本身是比率的形式时,采用几何平均法计算平均比率更为合理。
5、简述众数、中位数、平均数的特点和应用场合。
答:众数是数据中出现次数次数最多的变量值。
主要应用于分类数据。
中位数是一组数据排序后处于中间位置的变量值,其适用于顺序数据。
平均数也称均值,它是一组数据相加后除以数据个数的结果,是集中去世的主要测量值,它适用于数值型数据。
6、简述异众比率、四分位差、方差、标准差的使用场合。
答:异众比率主要适合测度分类数据的离散程度,对于顺序数据以及数值型数据也可以计算异众比率。
四分位差主要用于测度顺序数据的离散程度。
方差和标准差适用于测度数值型数据的离散程度。
7、标准分数有哪些用途?答:首先是比较不同单位和不同质数据的位置。
其次是和正态分布结合起来,求得概率和标准分值之间的对应关系。
还有就是在假设检验和估计中应用。
第四章氧化和还原1、在下列两种物质中,分别按Mn,N元素的氧化值由低到高的顺序将各物质进行排列:(1)MnO, MnSO4, KMnO4, MnO(OH), K2MnO4, Mn(2) N2, NO2, N2O5, N2O, NH3, N2H42、指出下列反应中的氧化剂,还原剂以及它们相应的还原,氧化产物。
(1)SO2+ I2 + 2H2O →H2SO4 + 2HI(2)SnCl2 + 2HgCl2→SnCl4 + Hg2Cl2(3) 3I2 + 6NaOH →5NaI + NaIO3 + 3H2O3、用氧化值法配平下列氧化还原反应方程式:(1)Cu + H2SO4 (浓)→CuSO4 + SO2 + H2O(2)KMnO4 + S →MnO2 + K2SO4(3) As2S3+ HNO3 + H2O →H3AsO4 + H2SO4 + NO(4) (NH4)2Cr2O7→N2 + Cr2O3 + H2O(5) P4 + NaOH →PH3+ NaH2PO24、用离子-电子法配平下列氧化还原反应方程式:(1)Cr2O72-+ SO32+ + H+→Cr3+ + SO42-(2) PbO2(s) + Cl- + H+→Pb2+ (实际是PbCl42-) + Cl2(3) H2S + I2→I- + S(4) CrO2- + H2O2 + OH-→CrO42-(5) ClO3- + S2-→Cl- + S + OH-(6) KMnO4+ FeSO4+ H2SO4→MnSO4+ Fe2(SO4)3+ K2SO4 + H2O(7) KI + KIO3 + H2SO4→I2+ K2SO4(8) Ca(OH)2 + Cl2→Ca(ClO) 2 + CaCl2(9) Fe(OH)2 + H2O2→Fe(OH)3(10) Al + NO3-→[Al(OH) 4] - + NH3(11) ClO- + Fe(OH)3→Cl- + FeO42-(12) P + CuSO4→Cu3P + H3PO4 + H2SO45、把镁片和铁片分别放入浓度均为1 mol .L-1的镁盐和亚铁盐的溶液中,并组成一个原电池。
第四章课后题1、设二级虚拟存储器的TA1=10^(-7)s、TA2=10^(-2)s,为使存储层次的访问效率e达到最大值的80%以上,命中率H至少要求达到多少?实际上这样高的命中率是很难达到的,那么从存储层次上如何改进?解:∵e=1/[H+(1-H)r] 且r=TA2/TA1 ∴H至少达到99.9%这样的命中率很难达到,可在二级存储器间加一层电子磁盘,降低r,从而降低对H的要求。
2、程序存放在模32单字交叉存储器中,设访存申请队的转移概率λ为25%,求每个存储周期能访问到的平均字数。
当模数为16呢?由此你可得到什么结论?解:B=[ 1-(1-λ)^m] /λ由λ=0.25,m=32 求得:B=4-4*(3/4)^32=4同理,m=16时,B=4-4*(3/4)^16=3.96由此可看出,当转移概率λ为25%比较大时,采用模32与模16的每个存储周期能访问的平均字数非常相近。
就是说,此时,提高模数m对提高主存实际频宽已不显著。
实际上,模数m的进一步增大,会因工程实现上的问题,导致实际性能反而可能比模16的还要低,且价格更高。
所以模数m不宜太大。
对于λ为25%的情况,可以计算机出m=8时,其B已经接近于3.6了。
3、设主存每个分体的存取周期为2μs,宽度为4个字节。
采用模m多分体交叉存取,但实际频宽只能达到最大频宽的0.6倍。
现要求主存实际频宽为4M B/S,问主存模数m应取多少方能使两者速度基本适配?其中m取2的幂。
解:由题意已知存取周期Tm=2*10^(-6)s,宽度W=4B,B实=0.6Bm=4*2^20 B/S,Bm=W*m/Tm=6.99*10^6B/Sm=Bm*Tm/W=6.99*10^6*2*10^-6/4=3.495所以m取4能满足要求P.S.①微秒(百万分之一秒) 1μs=10^-6s②计量单位中的M(兆)是10的6次方,见到M自然想起要在该数值的后边续上六个0,即扩大一百万倍。
在二进制中,MB也表示到了百万级的数量级,但1 MB不正好等于1000000字节,而是1048576字节,即1MB = 2E+20 By tes = 1048576Bytes。
第四章供给与需求的市场力量复习题:1、什么是市场竞争?简单描述除了完全竞争市场之外的市场类型。
答:竞争市场是有许多买者与卖者,以至于每个人对市场价格的影响都微乎其微的市场。
除了完全竞争市场之外,还有垄断市场。
在这个市场上只有一个卖者,他决定价格。
这个卖者被称为垄断者。
还有寡头市场,在这个市场上有几个并不总是主动竞争的卖者,他们提供相似或相同的产品。
通常情况下,寡头们会尽力联合起来,防止剧烈的竞争,收取较高的市场价格。
还有垄断竞争市场,这是一个有许多提供相似但不相同产品的企业的市场结构。
由于各自提供的产品不同,每个企业对产品的价格有一定的影响力。
2、什么因素决定买者对一种物品的需求量?答:物品的价格、买者的收入、相关物品的价格、买者的嗜好、预期决定买者对一种物品的需求量。
3、什么是需求表和需求曲线?它们如何相关联?为什么需求曲线向右下方倾斜?答:需求表是表示一种物品价格与需求量之间关系的表格,需求曲线是表示一种物品价格与需求量之间关系的图形。
需求曲线将需求表用图形的形式表现出来,需求表是需求曲线上假设干个点的坐标的数字表格排列。
需求曲线向右下方倾斜是因为在其他条件不变的情况下,随着价格上升,需求量会减少。
4.消费者嗜好的变化引起了沿着需求曲线的变动,还是需求曲线的移动?价格的变化引起了沿着需求曲线的变动,还是需求曲线的移动?答:消费者嗜好的变化引起了需求曲线的移动,价格的变化引起了沿着需求曲线的变动。
5、波匹的收入减少了,结果他买了更多的菠菜。
菠菜是低档物品还是正常物品?波匹菠菜的需求曲线是什么样的?答:菠菜对波匹来说是低档物品。
因为波匹的收入减少了,他对菠菜的需求量反而增大。
波匹菠菜的需求曲线是向右下方倾斜的。
6、什么因素决定了卖者对一种物品的供给量?答:价格、投入价格、技术、预期决定了卖者对一种物品的供给量。
7、什么是供给表和供给曲线?它们如何相关联?为什么供给曲线向右上方倾斜?答:供给表是表示一种物品价格与供给量之间关系的表格,供给曲线是表示一种物品价格与供给量之间关系的图形。
第四章组合逻辑电路1. 解: (a)(b)是相同的电路,均为同或电路。
2. 解:分析结果表明图(a)、(b)是相同的电路,均为同或电路。
同或电路的功能:输入相同输出为“1”;输入相异输出为“0”。
因此,输出为“0”(低电平)时,输入状态为AB=01或103. 由真值表可看出,该电路是一位二进制数的全加电路,A为被加数,B为加数,C为低位向本位的进位,F1为本位向高位的进位,F2为本位的和位。
4. 解:函数关系如下:SF++⊕=+ABSABS BABS将具体的S值代入,求得F 312值,填入表中。
A A FB A B A B A A F B A B A A F A A F AB AB F B B A AB F AB B A B A B A AB F B A A AB F B A B A B A F B A AB AB B A B A F B B A B A B A B A B A B A F AB BA A A B A A B A F F B A B A F B A B A F A A F S S S S =⊕==+==+⊕===+⊕===⊕===⊕===+⊕===+=+⊕===⊕==+==⊕==Θ=+=+⊕===+++=+⊕===+=⊕===⊕==+=+⊕==+=+⊕===⊕==01111111011010110001011101010011000001110110)(01010100101001110010100011000001235. (1)用异或门实现,电路图如图(a)所示。
(2) 用与或门实现,电路图如图(b)所示。
6. 解因为一天24小时,所以需要5个变量。
P变量表示上午或下午,P=0为上午,P=1为下午;ABCD表示时间数值。
真值表如表所示。
利用卡诺图化简如图(a)所示。
化简后的函数表达式为D C A P D B A P C B A P A P DC A PD B A P C B A P A P F =+++=用与非门实现的逻辑图如图(b )所示。
第四章课后习题答案一、名词解释1.边际报酬递减:是指在生产技术不变的条件下,若其他投入不变,只是不断增加某一种要素投入,则该种投入要素的边际产量最终会逐渐减少.2.等产量线:也叫等生产线,是表示生产技术不变时生产同一产量某种产品的不同的投入组合的轨迹。
3.边际技术替代率:是指在维持产量水平不变的条件下,增加一单位某种生产要素投入量时所减少的另一种要素的投入数量.4.等成本线:是指在既定的成本预算和生产要素价格条件下,生产者可以购买到的两种生产要素不同数量组合的轨迹.5.生产者均衡:是指在既定的成本条件下的最大产量或既定产量条件下的最小成本。
6.扩展线:是表示生产技术和要素价格不变的条件下,生产者在不同的生产规模上将采用的最佳投入组合的轨迹。
7.规模经济:由于产出水平的提高,或者说因为生产规模的扩大而引起的单位成本下降。
规模不经济:由于产出水平的提高,或者说因为生产规模的扩大而引起的单位成本下上升。
8.外在经济:是指由于厂商的生产活动所依赖的外部环境得到改善从而引起的平均成本下降。
外在不经济:由于厂商生产活动所依赖的外部环境恶化而引起的单位成本上升.9.机会成本:是指由于使用特定资源而放弃的该资源其他用途所能获得的最高收益。
会计成本:是指需要现实的货币支付,会在厂商的会计账目上记录和反映出来的成本。
沉没成本:是指已经发生和支付且无法收回的成本.显性成本:是指厂商支付给各要素所有者的报酬而形成的成本.隐性成本:是指应该计算为成本但却未在形式上进行货币支付的厂商本身所拥有的生产要素的报酬.10.短期:是指生产者来不及调整全部生产要素投入数量,至少有一种生产要素投入数量是固定不变的时间周期。
长期:是指生产者可以调整全部生产要素投入数量的时间周期。
正常利润:是指厂商自有生产资源应该获得的正常报酬。
经济利润:是厂商销售收益扣减经济成本的余额.11.短期总成本:是厂商在一定时期内生产一定数量产品的全部成本.短期内它由固定成本和可变成本之和构成。
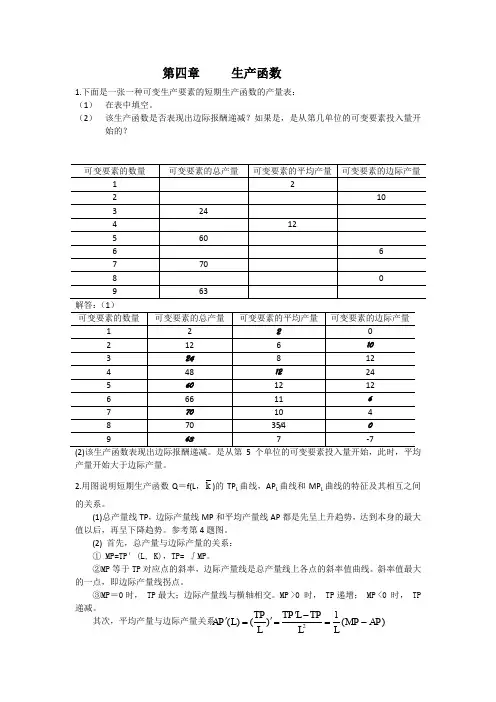
第四章 生产函数1.下面是一张一种可变生产要素的短期生产函数的产量表: (1) 在表中填空。
(2) 该生产函数是否表现出边际报酬递减?如果是,是从第几单位的可变要素投入量开始的?可变要素的数量可变要素的总产量可变要素的平均产量 可变要素的边际产量122 103 24 4 125 606 67 708 0 963解答:(1) 可变要素的数量可变要素的总产量可变要素的平均产量可变要素的边际产量1 2 20 2 126 10 3 24 8 12 4 48 12 24 5 60 12 12 6 66 11 67 70 10 48 70 35/4 0 9637-7(2)该生产函数表现出边际报酬递减。
是从第5个单位的可变要素投入量开始,此时,平均产量开始大于边际产量。
2.用图说明短期生产函数Q =f(L ,k )的TP L 曲线,AP L 曲线和MP L 曲线的特征及其相互之间的关系。
(1)总产量线TP ,边际产量线MP 和平均产量线AP 都是先呈上升趋势,达到本身的最大值以后,再呈下降趋势。
参考第4题图。
(2) 首先,总产量与边际产量的关系: ① MP=TP ′(L, K),TP= ∫MP 。
②MP 等于TP 对应点的斜率,边际产量线是总产量线上各点的斜率值曲线。
斜率值最大的一点,即边际产量线拐点。
③MP =0时, TP 最大;边际产量线与横轴相交。
MP >0 时, TP 递增; MP <0 时, TP 递减。
其次,平均产量与边际产量关系。
21()()()TP TP L TP AP L MP AP L L L '-''===-①若MP >AP ,则AP 递增;平均产量上升的部分,边际产量一定高于平均产量;②若MP <AP ,则AP 递减;平均产量线下降的部分,边际产量线一定低于平均产量线。
③若MP =AP ,则AP 最大。
MP 交AP 的最高点。
最后,总产量与平均产量的关系。
第四章连锁遗传和性连锁1.试述交换值、连锁强度和基因之间距离三者的关系。
答:交换值是指同源染色体的非姐妹染色单体间有关基因的染色体片段发生交换的频率,或等于交换型配子占总配子数的百分率。
交换值的幅度经常变动在0~50%之间。
交换值越接近0%,说明连锁强度越大,两个连锁的非等位基因之间发生交换的孢母细胞数越少。
当交换值越接近50%,连锁强度越小,两个连锁的非等位基因之间发生交换的孢母细胞数越多。
由于交换值具有相对的稳定性,所以通常以这个数值表示两个基因在同一染色体上的相对距离,或称遗传距离。
交换值越大,连锁基因间的距离越远;交换值越小,连锁基因间的距离越近。
2.在大麦中,带壳(N)对裸粒(n)、散穗(L)对密穗(l)为显性。
今以带壳、散穗与裸粒、密穗的纯种杂交,F1表现如何?让F1与双隐纯合体测交,其后代为:带壳、散穗 201株裸粒、散穗 18株带壳、密穗 20株裸粒、密穗 203株试问,这2对基因是否连锁?交换值是多少?要使F2出现纯合的裸粒散穗20株,至少应中多少株?答:F1表现为带壳散穗(NnLl)。
测交后代不符合1:1:1:1的分离比例,亲本组合数目多,而重组类型数目少,所以这两对基因为不完全连锁。
交换值% =((18+20)/(201+18+20+203))×100%=8.6%F1的两种重组配子Nl和nL各为8.6% / 2=4.3%,亲本型配子NL和nl各为(1-8.6%) /2=45.7%;在F2群体中出现纯合类型nnLL基因型的比例为:4.3%×4.3%=18.49/10000,因此,根据方程18.49/10000=20/X计算出,X=10817,故要使F2出现纯合的裸粒散穗20株,至少应种10817株。
3. 在杂合体ABy/abY,a和b之间的交换值为6%,b和y之间的交换值为10%。
在没有干扰的条件下,这个杂合体自交,能产生几种类型的配子;在符合系数为0.26时,配子的比例如何?答:这个杂合体自交,能产生ABy、abY、aBy、AbY、ABY、aby、Aby、aBY 8种类型的配子。
第四章组合逻辑电路1. 解: (a)(b)是相同的电路,均为同或电路。
2. 解:分析结果表明图(a)、(b)是相同的电路,均为同或电路。
同或电路的功能:输入相同输出为“1”;输入相异输出为“0”。
因此,输出为“0”(低电平)时,输入状态为AB=01或103. 由真值表可看出,该电路是一位二进制数的全加电路,A为被加数,B为加数,C为低位向本位的进位,F1为本位向高位的进位,F2为本位的和位。
4. 解:函数关系如下:ABSF+⊕=++ABSSSABB将具体的S值代入,求得F 312值,填入表中。
A A FB A B A B A A F B A B A A F A A F AB AB F B B A AB F AB B A B A B A AB F B A A AB F B A B A B A F B A AB AB B A B A F B B A B A B A B A B A B A F AB BA A A B A A B A F F B A B A F B A B A F A A F S S S S =⊕==+==+⊕===+⊕===⊕===⊕===+⊕===+=+⊕===⊕==+==⊕==Θ=+=+⊕===+++=+⊕===+=⊕===⊕==+=+⊕==+=+⊕===⊕==01111111011010110001011101010011000001110110)(01010100101001110010100011000001235. (1)用异或门实现,电路图如图(a)所示。
(2) 用与或门实现,电路图如图(b)所示。
6. 解因为一天24小时,所以需要5个变量。
P变量表示上午或下午,P=0为上午,P=1为下午;ABCD表示时间数值。
真值表如表所示。
利用卡诺图化简如图(a)所示。
化简后的函数表达式为D C A P D B A P C B A P A P DC A PD B A P C B A P A P F =+++=用与非门实现的逻辑图如图(b)所示。
第四章多组分系统热力学4.1有溶剂A与溶质B形成一定组成的溶液。
此溶液中B的浓度为c B,质量摩尔浓度为b B,此溶液的密度为。
以M A,M B分别代表溶剂和溶质的摩尔质量,若溶液的组成用B的摩尔分数x B表示时,试导出x B与c B,x B与b B之间的关系。
解:根据各组成表示的定义4.3在25℃,1 kg水(A)中溶有醋酸(B),当醋酸的质量摩尔浓度b B介于和之间时,溶液的总体积求:(1)把水(A)和醋酸(B)的偏摩尔体积分别表示成b B的函数关系。
(2)时水和醋酸的偏摩尔体积。
解:根据定义当时4.4 60℃时甲醇的饱和蒸气压是84.4 kPa ,乙醇的饱和蒸气压是47.0 kPa 。
二者可形成理想液态混合物。
若混合物的组成为二者的质量分数各50 %,求60℃时此混合物的平衡蒸气组成,以摩尔分数表示。
解:甲醇的摩尔分数为58980049465004232500423250....x B =+=4.5 80℃时纯苯的蒸气压为100 kPa ,纯甲苯的蒸气压为38.7 kPa 。
两液体可形成理想液态混合物。
若有苯-甲苯的气-液平衡混合物,80℃时气相中苯的摩尔分数,求液相的组成。
解:4.720℃下HCl 溶于苯中达平衡,气相中HCl 的分压为101.325 kPa 时,溶液中HCl 的摩尔分数为0.0425。
已知20℃时苯的饱和蒸气压为10.0 kPa ,若20℃时HCl 和苯蒸气总压为101.325 kPa ,求100 g 苯中溶解多少克HCl 。
解:设HCl 在苯中的溶解符合亨利定律HCl HCl ,x HCl x k p =Pa .Pa .x p kHCl HClHCl,x 610×3842=04250101325==HCl,x HCl ,x *HCl ,x *HCl HCl ,x *HCl k x k p x k x p x k x p p p p +1+=+苯苯苯苯苯苯苯苯总)-=()-(=+=96010×38421000010×384210132566...k p kp x HCl,x *HCl,x =--=--=苯总苯960=536+7810078100=..m x 苯 m = 1.867g4.11A ,B 两液体能形成理想液态混合物。
第四章存储器管理1. 为什么要配置层次式存储器?这是因为:a.设置多个存储器可以使存储器两端的硬件能并行工作。
b.采用多级存储系统,特别是Cache技术,这是一种减轻存储器带宽对系统性能影响的最佳结构方案。
c.在微处理机内部设置各种缓冲存储器,以减轻对存储器存取的压力。
增加CPU中寄存器的数量,也可大大缓解对存储器的压力。
2. 可采用哪几种方式将程序装入内存?它们分别适用于何种场合?将程序装入内存可采用的方式有:绝对装入方式、重定位装入方式、动态运行时装入方式;绝对装入方式适用于单道程序环境中,重定位装入方式和动态运行时装入方式适用于多道程序环境中。
3. 何为静态链接?何谓装入时动态链接和运行时动态链接?a.静态链接是指在程序运行之前,先将各自目标模块及它们所需的库函数,链接成一个完整的装配模块,以后不再拆开的链接方式。
b.装入时动态链接是指将用户源程序编译后所得到的一组目标模块,在装入内存时,采用边装入边链接的一种链接方式,即在装入一个目标模块时,若发生一个外部模块调用事件,将引起装入程序去找相应的外部目标模块,把它装入内存中,并修改目标模块中的相对地址。
c.运行时动态链接是将对某些模块的链接推迟到程序执行时才进行链接,也就是,在执行过程中,当发现一个被调用模块尚未装入内存时,立即由OS去找到该模块并将之装入内存,把它链接到调用者模块上。
4. 在进行程序链接时,应完成哪些工作?a.对相对地址进行修改b.变换外部调用符号6. 为什么要引入动态重定位?如何实现?a.程序在运行过程中经常要在内存中移动位置,为了保证这些被移动了的程序还能正常执行,必须对程序和数据的地址加以修改,即重定位。
引入重定位的目的就是为了满足程序的这种需要。
b.要在不影响指令执行速度的同时实现地址变换,必须有硬件地址变换机构的支持,即须在系统中增设一个重定位寄存器,用它来存放程序在内存中的起始地址。
程序在执行时,真正访问的内存地址是相对地址与重定位寄存器中的地址相加而形成的。
第四章课后习题与答案:1.发展中国家人口剧增对其经济及整个世界经济产生了哪些影响?人口增长过快给发展中国家造成的消极影响是多方面的。
第一,经济发展负担沉重。
为了解决数量日益庞大的人口的衣食住行和教育等基本生存和发展权利问题,国家不得不将本来并不多的国民收入的大部分用于国民的基本生活消费,致使消费基金占国民收入的比例过大,用于投资的积累基金所占比例过小,其结果是经济增长乏力,其经济发展受到严重束缚和制约;第二,加剧发展中国家的贫困问题。
由于发展中国家人口基数过于庞大,必然导致其个人在生活资料和资源的获取与占有上出现严重短缺,从而导致严重的社会贫困问题;第三,两极分化问题日益突出。
由于发展中国家的个人之间在获取和占有社会经济资源的机会和能力的差别,再加上其他各种不合理现象的存在,必然导致社会分配不公的出现并加剧。
人口过快增长对世界经济发展的影响。
第一,地球资源的消耗加快,并造成生态失衡和环境污染。
世界各国尤其是发展中国家为了养活更多的人口,不得不向自然界索取更多的资源,导致全球性资源危机;第二,南北经济差距加大。
发展中国家人口过快增长,而发达国家人口增长缓慢甚至负增长。
这种人口增长方面的巨大反差无疑会加大南北经济差距,富国愈富、贫国愈贫的局面还将长期存在下去;第三,发展中国家人口的过快增长不仅影响世界经济的发展,而且不利于世界的和平与稳定。
发展中国家人口的急剧增长和经济贫困,必然拖住世界经济增长的后腿,世界经济不可能保持长期的增长和稳定。
战后,世界上不时发生的移民潮、难民潮、偷渡潮以及其他各种社会经济问题,与发展中国家人口的过快增长密不可分。
2.人口老龄化给各有关国家带来哪些社会经济问题?(1)劳动力的年龄结构老化。
45岁以上的雇员、工人所占的比例越来越大。
虽然他们拥有丰富的工作经验,但由于不可抗拒的自然规律,他们的体力、耐力和承受力都已经下降,不再胜任那些需要重体力和耐力的工作;同时,由于他们与年轻人相比,智力减弱,反应迟钝,学习和掌握新技术相当吃力,不能胜任某些高技术作业。
第四章 酸碱滴定法1.NaOH 标准溶液吸收了空气中的CO 2,当用于滴定(1)强酸(2)弱酸时,对测定结果有何影响?答:(1)滴定强酸时:若用甲基橙:CO 32- → H 2CO 3 ,消耗2molH +,无影响。
若用酚酞:碱性变色,CO 32- → HCO 3-,消耗1molH +,使测定强酸浓度偏高。
(2)滴定弱酸时:计量点pH >7,只能用酚酞,结果偏高。
2.为什么用盐酸可滴定硼砂而不能直接滴定醋酸钠?又为什么用氢氧化钠可滴定醋酸而不能直接滴定硼酸?解:(1)Na 2B 4O 7∙10H 2O 可看成是H 3BO 3和NaH 2BO 3按1:1组成的,则B 4O 72-+5H 2O=2H 2BO 3-+2H 3BO 3H 2BO 3-的145b 10101018105410.K ..---⨯==⨯⨯,由于cK b >10-8, 故可用HCl 标准溶液滴定。
而NaAc 的1410b 5101059101710.K ..---⨯==⨯⨯,由于cK b <10-8,故不能用HCl 标准溶液直接滴定。
(2)同上,因为HAc 的K a =1.7×10-5,cK a >10-8,所以可用NaOH 滴定;而硼酸H 3BO 3 K a =5.4×10-10,cK a <10-8,故不能用NaOH 标准溶液直接滴定。
3.计算下列溶液pH①0.10mol/LNaH 2PO 4;②0.05mol/L 醋酸+0.05mol/L 醋酸钠;③0.1mol/L 醋酸钠;④0.10mol/LNH 4CN ;⑤0.10mol/LH 3BO 3;⑥0.05mol/LNH 4NO 3 解:①mol/L 1019.2]H [521-+⨯=⋅=a a K K 66.4pH =②缓冲溶液 76.4p lg p pH ==+=a ab a Kc c K③-6[OH ]76710mol/L .-===⨯ 12.5pOH = pH 888.=④mol/L 1089.5106.5102.6']H [101010---+⨯=⨯⨯⨯=⋅=a a K K 23.9pH = ⑤mol/L 1035.71.0104.5]H [610--+⨯=⨯⨯=⋅=c K a 13.5pH =⑥+6[H ]52910mol/L .-===⨯ p H 528.= 4.已知水的离子积常数K s =10-14(即K w =K s =10-14),乙醇的离子积常数K s =10-19.1,求:(1)纯水的pH 和乙醇的pC 2H 5OH 2。
第4章存储器1. 解释概念:主存、辅存、Cache、RAM、SRAM、DRAM、ROM、PROM、EPROM、EEPROM、CDROM、Flash Memory。
答:主存:主存储器,用于存放正在执行的程序和数据。
CPU可以直接进行随机读写,访问速度较高。
辅存:辅助存储器,用于存放当前暂不执行的程序和数据,以及一些需要永久保存的信息。
Cache:高速缓冲存储器,介于CPU和主存之间,用于解决CPU和主存之间速度不匹配问题。
RAM:半导体随机存取存储器,主要用作计算机中的主存。
SRAM:静态半导体随机存取存储器。
DRAM:动态半导体随机存取存储器。
ROM:掩膜式半导体只读存储器。
由芯片制造商在制造时写入内容,以后只能读出而不能写入。
PROM:可编程只读存储器,由用户根据需要确定写入内容,只能写入一次。
EPROM:紫外线擦写可编程只读存储器。
需要修改内容时,现将其全部内容擦除,然后再编程。
擦除依靠紫外线使浮动栅极上的电荷泄露而实现。
EEPROM:电擦写可编程只读存储器。
CDROM:只读型光盘。
Flash Memory:闪速存储器。
或称快擦型存储器。
2. 计算机中哪些部件可以用于存储信息?按速度、容量和价格/位排序说明。
答:计算机中寄存器、Cache、主存、硬盘可以用于存储信息。
按速度由高至低排序为:寄存器、Cache、主存、硬盘;按容量由小至大排序为:寄存器、Cache、主存、硬盘;按价格/位由高至低排序为:寄存器、Cache、主存、硬盘。
3. 存储器的层次结构主要体现在什么地方?为什么要分这些层次?计算机如何管理这些层次?答:存储器的层次结构主要体现在Cache-主存和主存-辅存这两个存储层次上。
Cache-主存层次在存储系统中主要对CPU访存起加速作用,即从整体运行的效果分析,CPU访存速度加快,接近于Cache的速度,而寻址空间和位价却接近于主存。
主存-辅存层次在存储系统中主要起扩容作用,即从程序员的角度看,他所使用的存储器其容量和位价接近于辅存,而速度接近于主存。
第四章课后习题答案一、判断题1. X。
补贴政策、关税政策和汇率政策都属于支出转换型政策。
2. X。
外部均衡是内部均衡基础上的外部平衡,具体而言,反映为内部均衡实现条件下的国际收支平衡,它不能脱离内部均衡的条件。
3. X。
丁伯根原则的含义是,要实现N个独立的政策目标,至少需要相互独立的N个有效的政策工具。
将货币政策和财政政策分别应用于影响力相对较大的目标,以求得内外平衡是蒙代尔提出的政策指派原则的要求。
4. X .“蒙代尔分配法则”认为,财政政策解决内部均衡问题更为有效,货币政策解决外部平衡问题更为有效。
6. X。
应使用紧缩的财政政策来压缩国内需求,紧缩的货币政策来改善国际收支。
7.√。
二、不定项选择题1. B2. D3. BC4. BD5. A6. BD7. CDE(说明:一般而言,汇率变动会通过影响自发性贸易余额而引起BP曲线移动,但是,在资本完全流动的情况下,国际收支完全由资本流动决定,贸易收支的变动能够被资本流动无限抵销,此时的BP曲线反映为一条水平线,仅仅与国际利率水平有关)8. ABD 9. CD三、简答题1.按照斯旺模型,当国际收支顺差和国内经济过热时,应当采取怎样的政策搭配?答:斯旺模型用支出转换与支出增减政策搭配来解决内外均衡的冲突问题。
政府的支出增减型政策(譬如财政政策)可以直接改变国内支出总水平,主要用来解决内部均衡问题。
政府的支出转换型政策(譬如实际汇率水平的调节)可以改变对本国产品和进口产品的相对需求,主要用来解决外部平衡问题。
当出现国际收支顺差和国内经济过热时,应当一方面缩减国内支出,一方面促进本币升值,从而使进口增加,并使国内支出中由国内供给满足的部分进一步减少,从而降低国际收支顺差和国内收人水平。
2.在斯旺的内外均衡分析框架中,当内外均衡时,国内的产出水平、就业水平是唯一的吗?答:在斯旺模型中,内部均衡意味着本国生产的产品被全部销售掉,并且国内支出得到满足。
当国内产出一定时,如果国内支出扩大,为了满足国内支出,就需要本币升值以减少出口或增加进口。
第4章服务器控件
4.5.1 作业题
1.请编程遍历页面上所有TextBox控件并给它赋值为string.Empty。
如图13、14所示。
图13 在TextBox中输入信息图14 一键清空所有TextBox
2. 改写作业题3-2,要求页面传值采用POST请求
3. 在主页上添加一个RadioButtonList,添加“少林派”、“丐帮”、“古墓派”三个列表项。
添加一个CheckBox,控制RadioButtonList的表项横排或竖排显示。
添加一个ListBox,当选择“少林派”时,添加列表项“达摩”、“扫地僧”、“方世玉”。
当选择“丐帮”时,添加列表项“洪七公”、“黄蓉”、“乔峰”。
当选择古墓派时,添加列表项“林朝英”、“小龙女”、“杨过”。
再添加两个CheckBox,分别控制ListBox控件中的内容加粗或倾斜显示。
添加一个Label控件,当选中ListBox中的某个表项时,自动在Label中显示:“您将要拜入某某帮谁谁门下”。
如图15——图16所示。
图15 运行结果图16 选择了某师傅之后的运行结果
4. 新建一个网站,在解决方案资源管理器中,右击项目名称选择“添加现有项”,然后将本章前3个作业题的页面全部添加进来,修改页面名称为homework4_1.aspx的形式。
再添加一个默认主页Default.aspx,添加一个HyperLink控件、一个LinkButton控件和一个HTML<a></a>元素,分别链接到homework4_1.aspx、homework4_2.aspx、homework4_3.aspx。
如图17——图18所示。
图17 解决方案资源管理器图18 运行结果
见“课后习题源代码”文件夹下的“homework4-1——homework4-4”
4.5.2 思考题
1.在中重定向到其他网页有哪些方法?
(1) 采用HTML的 <a>标签,例如:
<a href="">前往外部站点谷歌</a>
<a href="NewPage.aspx">点击前往本站点内部页面</a>
(2) 采用HyperLink控件,例如:
<asp:HyperLink ID="HyperLink1" runat="server"
NavigateUrl="">点击前往外部站点谷歌</asp:HyperLink> <asp:HyperLink ID="HyperLink2" runat="server" NavigateUrl="NewPage.aspx">点击前往本站点内部页面</asp:HyperLink>
(3) 采用Response.Redirect方法,例如:
Response.Redirect("");
Response.Redirect("NewPage.aspx");
(4) 采用Response.AppendHeader或Response.AddHeader方法,例如:
Response.Status = "302 页面重定向!";
Response.AppendHeader("Location", "");
Response.Status = "302 页面重定向!";
Response.AppendHeader("Location", "NewPage.aspx");
(5)采用javascript脚本,例如:
Response.Write("<script>window.location.href =
''</script>");
Response.Write("<script>window.location.href = 'target.aspx'</script>");
(6)采用Button、LinkButton、ImageButton等控件的PostBackUrl属性,例如:
//跳转到站点外部
<asp:Button ID="Button1" runat="server" Text="Button" PostBackUrl=" "/>
//跳转到站点内部
<asp:Button ID="Button1" runat="server" Text="Button"
PostBackUrl="NewPage.aspx"/>
(7) 采用Server.Transfer方法,例如:
Server.Transfer("NewPage.aspx");//只能跳转到站点内部
(8) 采用Server.Execute方法,例如:
Server.Execute("NewPage.aspx");//只能跳转到站点内部
2.在的页面之间传递数据有哪几种方式,并说出他们的优缺点。
(1) 采用GET方式,将数据放在URL地址栏中传递。
例如:
<A href="target.aspx?variable1=1111&variable2=2222">链接地址传送</A> Response.Redirect("target.aspx?variable1=1111&variable2=2222")
Server.Transfer("target.aspx?variable1=1111&variable2=2222")
接收页面: string str = Request.QueryString["variable1"]
优点:效率高、简单
缺点:安全性较低、不能传递对象,传递的数据长度有限
(2) 采用POST方式,将数据放在HTTP请求体中传递。
优点:安全性较高,可传送的数据长度没有限制,可传送非ASCII字符和对象。
缺点:执行效率低于GET方式
(3) 将数据保存在cookie中传递。
优点:简单,不占用服务器资源
缺点:浏览器可能不支持或禁用cookie,不安全,可能被伪造
(4) 将数据保存在session中传递。
优点:简单,能传递对象
缺点:占用服务器资源。
20分钟内无操作session对象会被释放,所以数据容易
丢失。
(5) 将数据保存在application中传递。
优点:使用简单,能够传递对象
缺点:作为全局变量,可被所有用户访问和使用,容易被误操作。
占用服务器资
源。
若保存数据的服务器端进程被损坏(如因服务器崩溃或关闭而损坏),那么数
据就会丢失。
(6) 采用server.transfer方法。
在新页面中通过Context.Handler来获得前一个页面传递的各种数据类型的值、
表单数据、QueryString.
优点:直接在服务器端重定向,使用简单方便,减少了客户端对服务器端提出请
求。
可以传递各种数据类型的值和控件的值。
缺点:客户端浏览器中的URL地址是不改变,会导致在新的页面可能出现一些意
想不到的问题。
比如如果源页面和目的页面不在同一个虚拟目录或其子目录下,
那么使用相对路径的图片、超链接都会导致错误的指向。
(7) 使用隐藏域,即Input(Hidden)控件
优点:实现简单,隐藏域是标准的HTML控件,不需要复杂的编程逻辑。
隐藏域在
页面上存储和读取,不需要任何服务器资源,几乎所有浏览器和客户端设备都支
持具有隐藏域的窗体。
缺点:仅仅支持简单的数据结构,存储量少,因为它被存储在页面本身,所以无
法存储较大的值,而且大的数据量会受到防火墙和代理的阻止。
安全性不高可能
被伪造。
(8) 将数据保存在数据库中
优点:稳定,安全
缺点:执行效率低。