铁板重量计算表
- 格式:xls
- 大小:24.00 KB
- 文档页数:2
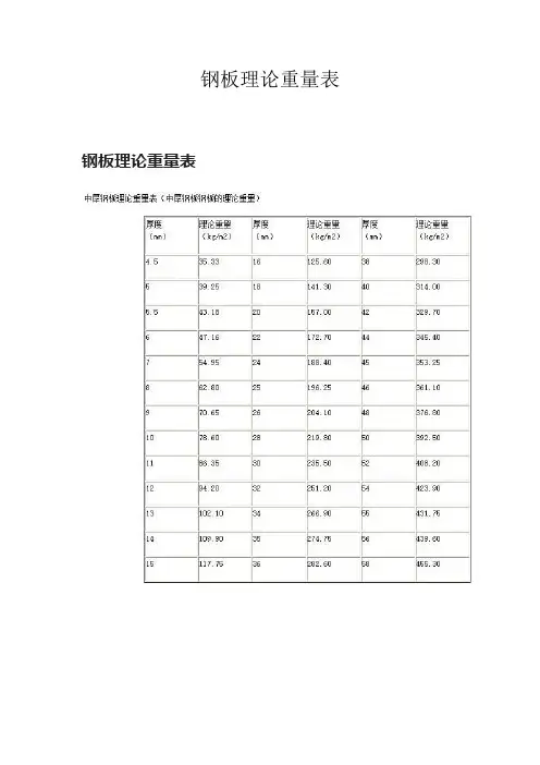
钢板理论重量表(钢板的理论重量)理论重量厚度理论重量厚度理论重量厚度(mm)(mm)(kg/m2)(kg/m2)(mm)(kg/m2)0.2 1.57 0.75 5.89 1.8 14.130.25 1.96 0.8 6.28 2 15.70.3 2.36 0.9 7.07 2.2 17.270.35 2.75 1 7.85 2.5 19.360.4 3.14 1.1 8.64 2.8 21.980.45 3.53 1.2 9.42 3 23.550.5 3.93 1.3 10.21 3.2 25.120.55 4.32 1.4 10.99 3.5 27.480.6 4.71 1.5 11.78 3.8 29.830.65 5.1 1.6 12.56 3.9 30.620.7 5.5 1.7 13.35 4 31.4 中厚钢板理论重量表(中厚钢板钢板的理论重量)厚度理论重量厚度理论重量厚度理论重量(mm)(kg/m2)(mm)(kg/m2)(mm)(kg/m2)4.5 35.33 16 125.6 38 298.35 39.25 18 141.3 40 3145.5 43.18 20 157 42 329.76 47.16 22 172.7 44 345.47 54.95 24 188.4 45 353.258 62.8 25 196.25 46 361.19 70.65 26 204.1 48 376.810 78.6 28 219.8 50 392.511 86.35 30 235.5 52 408.212 94.2 32 251.2 54 423.913 102.1 34 266.9 55 431.7514 109.9 35 274.75 56 439.615 117.75 36 282.6 58 455.3计算方法结果修约基本重量kg/mm.m27.85(厚度1mm,面积1m2的重量—单位重量kg/m2基本重量(kg/m2)*厚度(mm)修约至四位有效数字钢板面积m2宽度(m)*长度(m)修约至四位有效数字1块板重量kg单位重量(kg/m2)*钢板面积(m2)修约至三位有效数字1捆重量kg1块板重量(kg)*同规格的1捆钢板块数修约至kg的整数位S总重量kg产品名称:翼缘板热轧不等边角钢每米重量表。
钢板理论重量表(钢板的理论重量)厚度理论重量厚度(mm)理论重量厚度理论重量(mm)(kg/m2)(kg/m2)(mm)(kg/m2)0.2 1.57 0.75 5.89 1.8 14.13 0.25 1.96 0.8 6.28 2 15.7 0.3 2.36 0.9 7.07 2.2 17.27 0.35 2.75 1 7.85 2.5 19.36 0.4 3.14 1.1 8.64 2.8 21.98 0.45 3.53 1.2 9.42 3 23.55 0.5 3.93 1.3 10.21 3.2 25.12 0.55 4.32 1.4 10.99 3.5 27.48 0.6 4.71 1.5 11.78 3.8 29.83 0.65 5.1 1.6 12.56 3.9 30.62 0.7 5.5 1.7 13.35 4 31.4中厚钢板理论重量表(中厚钢板钢板的理论重量)厚度理论重量厚度理论重量厚度理论重量(mm)(kg/m2)(mm)(kg/m2)(mm)(kg/m2)4.5 35.33 16 125.6 38 298.35 39.25 18 141.3 40 3145.5 43.18 20 157 42 329.76 47.16 22 172.7 44 345.47 54.95 24 188.4 45 353.258 62.8 25 196.25 46 361.19 70.65 26 204.1 48 376.810 78.6 28 219.8 50 392.511 86.35 30 235.5 52 408.212 94.2 32 251.2 54 423.913 102.1 34 266.9 55 431.7514 109.9 35 274.75 56 439.615 117.75 36 282.6 58 455.3计算方法结果修约基本重量kg/mm.m27.85(厚度1mm,面积1m2的重量—单位重量kg/m2基本重量(kg/m2)*厚度(mm)修约至四位有效数字钢板面积m2宽度(m)*长度(m)修约至四位有效数字1块板重量kg单位重量(kg/m2)*钢板面积(m2)修约至三位有效数字1捆重量kg1块板重量(kg)*同规格的1捆钢板块数修约至kg的整数位S总重量kg产品名称:翼缘板产品概述:什么是翼缘板?翼缘板常见规格相关说明:热轧等边角钢每米重量表热轧不等边角钢每米重量表。
钢板理论重量表钢板理论重量表由钢板理论重量计算公式得到。
钢板的理论重量计算公式为:钢板重量=钢板长度*钢板宽度*钢板厚度*钢板密度(注:钢板密度为7.85)o这就是钢板理论重量的计算公式,但需要注意的问题是单位换算,可以得到最终结果。
例如,在计算长度为1米、宽度为1米、厚度为10毫米的钢板的理论重量时,根据公式:钢板重量(kg)=100O(mm)*1000(mm)*10(mm)*7.85/100000这样我们把米换算成长毫米计算,最后的结果除以1000000钢板的重量是多少公斤(kg),如果需要换算成吨,可以除以1000。
所以1米长,1米宽,10毫米厚的钢板钢板重量:1000(mm)*1000(mm)*10(mm)*7.85∕1000000=78.5kg=0.0785to钢板理论重量表之所以被称为理论重量,是因为它与实际重量有一定的差异。
根据钢板的厚度,可以看出钢板有薄板、中厚板和厚板的部分。
薄钢板厚度:0.2mm-4mr∩;中厚板:4mm-60mm;厚板:大于60mm;具体来看一下钢板理论重量表。
其中包括:。
钢板理论重量表(注:钢板1平方米的理论重量为多少千克,如:长1米、宽1米的钢板重量)一、钢板(含带钢)分类:1、厚度别:(1)薄板(2)中板(3)厚板(4)特厚板2,生产方法别:(1)热轧钢板(2)冷轧钢板3,表面特征别:(1)镀锌板(热镀锌板、电镀锌板)(2)镀锡板(3)复合钢板(4)彩涂钢板4用途:(1)桥梁钢板(2)锅炉钢板(3)造船钢板(4)装甲钢板(5)汽车钢板(6)屋面钢板(7)结构钢板(8)电工钢板(硅钢板)(9)弹簧钢板(10)其他二、热轧酸洗轧辐热轧板轧辐结构钢板汽车钢板造船钢板桥梁钢板锅炉钢板容器钢板耐蚀性板热一代冷轧宝钢宽厚板耐火耐候钢三、冷轧轧馄冷轧板轧辐电镀锌板热镀锌板铝镀锌板轧辑镀锡板轧根宝钢电工钢复合钢板冷轧钢带镀铝板GB热镀锌镀铝彩卡GB镀锡武钢硅钢使用于四、沸腾钢板和镇静钢板1、沸腾钢板是由普通碳素结构钢沸腾钢热轧而成的钢板。
槽钢、工字钢、钢板理论重量表大全槽钢理论重量表大全工字钢理论重量表大全热轧普通工字钢每米重量表热轧轻型工字钢每米重量表钢板理论重量表(钢板的理论重量)中厚钢板理论重量表(中厚钢板钢板的理论重量)钢材重量计算公式:钢管重量(公斤)=0.00617×直径×直径×长度方钢重量(公斤)=0.00785×边宽×边宽×长度六角钢重量(公斤)=0.0068×对边宽×对边宽×长度八角钢重量(公斤)=0.0065×对边宽×对边宽×长度螺纹钢重量(公斤)=0.00617×计算直径×计算直径×长度角钢重量(公斤)=0.00785×(边宽+边宽-边厚)×边厚×长度扁钢重量(公斤)=0.00785×厚度×边宽×长度钢管重量(公斤)=0.02466×壁厚×(外径-壁厚)×长度钢板重量(公斤)=7.85×厚度×面积园紫铜棒重量(公斤)=0.00698×直径×直径×长度园黄铜棒重量(公斤)=0.00668×直径×直径×长度园铝棒重量(公斤)=0.0022×直径×直径×长度方紫铜棒重量(公斤)=0.0089×边宽×边宽×长度方黄铜棒重量(公斤)=0.0085×边宽×边宽×长度方铝棒重量(公斤)=0.0028×边宽1×边宽×长度六角紫铜棒重量(公斤)=0.0077×对边宽×对边宽×长度六角黄铜棒重量(公斤)=0.00736×边宽×对边宽×长度六角铝棒重量(公斤)=0.00242×对边宽×对边宽×长度紫铜板重量(公斤)=0.0089×厚×宽×长度黄铜板重量(公斤)=0.0085×厚×宽×长度铝板重量(公斤)=0.00171×厚×宽×长度园紫铜管重量(公斤)=0.028×壁厚×(外径-壁厚)×长度园黄铜管重量(公斤)=0.0267×壁厚×(外径-壁厚)×长度园铝管重量(公斤)=0.00879×壁厚×(外径-壁厚)×长度注:公式中长度单位为米,面积单位为平方米,其余单位均为毫米园钢重量(公斤)=0.00617×直径×直径×长度计算方法结果修约基本重量kg/mm.m27.85(厚度1mm,面积1m2的重量单位重量kg/m2基本重量(kg/m2)*厚度(mm)修约至四位有效数字钢板面积m2宽度(m)*长度(m)修约至四位有效数字1块板重量kg单位重量(kg/m2)*钢板面积(m2)修约至三位有效数以下为:钢板理论重量公式,钢板理论重量表,钢板理论重量表大全1、钢板理论重量计算公式:厚度(单位mm)×宽度(单位mm)×长度(单位mm)×7.85(国标密度)÷1000000000壹后面九个零=重量(单位吨)钢板四切边是理论计算重量,毛边或者两切是过磅计重。
钢板理论重量表,中厚钢板理论重量表,金属理论重量计算方法钢板理论重量表,中厚钢板理论重量表,金属理论重量计算方法理论重量计算方法角钢:每米重量=0、00785*(边宽+边宽—边厚)*边厚圆钢:每米重量=0、00617*直径*直径(螺纹钢和圆钢相同)扁钢:每米重量=0、00785*厚度*边宽管材:每米重量=0、02466*壁厚*(外径—壁厚)板材:每米重量=7、85*厚度黄铜管:每米重量=0。
02670*壁厚*(外径—壁厚)紫铜管:每米重量=0、02796*壁厚*(外径—壁厚)铝花纹板:每平方米重量=2。
96*厚度有色金属比重:紫铜板8、9黄铜板8。
5锌板7、2铅板11、37有色金属板材的计算公式为:每平方米重量=比重*厚度理论重量计算方法角钢:每米重量=0、00785*(边宽+边宽—边厚)*边厚圆钢:每米重量=0、00617*直径*直径(螺纹钢和圆钢相同)扁钢:每米重量=0。
00785*厚度*边宽管材:每米重量=0。
02466*壁厚*(外径-壁厚)板材:每米重量=7、85*厚度黄铜管:每米重量=0、02670*壁厚*(外径-壁厚)紫铜管:每米重量=0、02796*壁厚*(外径-壁厚)铝花纹板:每平方米重量=2、96*厚度有色金属比重:紫铜板8、9黄铜板8、5锌板7、2铅板11、37有色金属板材的计算公式为:每平方米重量=比重*厚度理论重量计算方法角钢圆钢扁钢管材板材黄铜管紫铜管铝花纹板矩形方管理论重量计算表,方管理论重量,镀锌方管理论重量,方管的理论重量,计球墨铸铁管价格算公式:4x壁厚(bihou)x(边南京球墨铸铁管长-壁厚(bihou))x7。
85ﻫ其中,边长和壁厚都以毫米为单位,直截了当把数值代入上述公式,得出即为上海球墨铸铁管每米方管的重量,以克为单位。
ﻫ如30x30x2、4x2。
5x(30—2。
5)x7、85=275x7。
85=2155毫米的方管,按上述公式即可算出其每米重量为:ﻫ8、75克,即约2、16公斤ﻫ当壁厚和边长都以毫米为单位时,4x壁厚x(边长—壁厚)算出的是每米长度方管的体积,以立方厘米为单位,再乘以铁的比重每立方厘米7。
钢板理论重量表钢板理论重量表钢材理论重量计算公式圆钢、螺纹钢、线材、钢丝:每米重量=0.00617×直径×直径钢板、扁钢、钢带:每米重量=7.85×厚度×边宽镀锌钢板:每米重量=7.85×厚度×边宽×1.06(镀锌厚酸洗钢板:每米重量=7.85×厚度×边宽方钢:每米重量=0.00785×边宽×边宽等边角钢:每米重量=0.00785×边厚×(2边宽-边厚)不等边角钢:每米重量=0.00785×边厚×(长边宽+短边宽-边厚)六角钢:每米重量= 0.0068×对边距离×对边距离八角钢:每米重量=0.0065×对边距离×对边距离管材:每米重量=0.02466×壁厚×(外径-壁厚)方管:每米重量=0.0157×壁厚×(边长+边长-2.8584×壁厚)矩形钢管:每米重量=0.0157×壁厚×(长度+宽度-2.8584×壁厚)椭圆钢管:每米重量=0.0123×壁厚×(长轴+短轴-2×壁厚)工字钢:每米重量=0.00785×腰厚〔高+f(腿宽-腰厚)〕(f值系数:一般型号带a的为3.34,带b的为2.65,带c的为2.26)槽钢:每米重量=0.00785×腰厚〔高+e(腿宽-腰厚)〕(e值系数:一般型号带a的为3.26,带b的为2.44,带c的为2.24)黄铜管:每米重量=0.02670×壁厚×(外径-壁厚)紫铜管:每米重量=0.02796×壁厚×(外径-壁厚)铝花纹板:每平方米重量=2.96×厚度有色金属比重:紫铜板8.9黄铜板8.5锌板7.2铅板11.37有色金属板材的计算公式为:每平方米重量=比重×厚度。
铁的重量计算公式表
铁的重量计算公式表可以分为以下几类:
1. 铁棒或铁管的重量计算公式:
铁棒或铁管的重量计算公式为:重量=截面积×长度×密度。
其中截面积是铁棒或铁管的横截面积,长度是铁棒或铁管的长度,密度是铁的密度,在常温下为7.85克/立方厘米。
2. 铁板或铁板卷的重量计算公式:
铁板或铁板卷的重量计算公式为:重量=长度×宽度×厚度×密度。
其中长度、宽度和厚度分别为铁板或铁板卷的长度、宽度和厚度,密度同样为铁的密度。
3. 铸铁件的重量计算公式:
铸铁件的重量计算公式为:重量=体积×密度。
其中体积为铸铁件的体积,密度同样为铁的密度。
4. 铁丝的重量计算公式:
铁丝的重量计算公式为:重量=长度×截面积×密度。
其中长度为铁丝的长度,截面积为铁丝的截面积,密度同样为铁的密度。
5. 铁钉的重量计算公式:
铁钉的重量计算公式为:重量=长度×直径×密度。
其中长度为铁钉的长度,直径为铁钉的直径,密度同样为铁的密度。
需要注意的是,以上公式中的长度、宽度、厚度、直径、截面积、体积等参数需使用相同单位进行计算,且公式仅适用于铁材料。
钢板理论重量表、计算方法【1】创作者(人):轻秘张日期:贰零贰贰年1月8日钢板理论重量表(钢板的理论重量)厚度(mm)理论重量(kg/m2)厚度(mm)理论重量(kg/m2)厚度(mm)理论重量(kg/m2) 0.20 1.57 0.75 5.89 1.8 14.13 0.25 1.96 0.80 6.28 2.0 15.70 0.30 2.36钢板理论重量表(钢板的理论重量)厚度(mm)理论重量(kg/m2)厚度(mm)理论重量(kg/m2)厚度(mm)理论重量(kg/m2)0.20 1.57 0.75 5.89 1.8 14.13 0.25 1.96 0.80 6.28 2.0 15.70 0.30 2.36 0.90 7.07 2.2 17.27 0.35 2.75 1.00 7.85 2.5 19.36 0.40 3.14 1.1 8.64 2.8 21.98 0.45 3.53 1.2 9.42 3.0 23.55 0.50 3.93 1.3 10.21 3.2 25.12 0.55 4.32 1.4 10.99 3.5 27.48 0.60 4.71 1.5 11.78 3.8 29.83 0.65 5.10 1.6 12.56 3.9 30.62 0.70 5.50 1.7 13.35 4.0 31.40中厚钢板理论重量表(中厚钢板钢板的理论重量)厚度(mm)理论重量(kg/m2)厚度(mm)理论重量(kg/m2)厚度(mm)理论重量(kg/m2)4.5 35.33 16 125.60 38 298.305 39.25 18 141.30 40 314.005.5 43.18 20 157.00 42 329.706 47.16 22 172.70 44 345.407 54.95 24 188.40 45 353.258 62.80 25 196.25 46 361.109 70.65 26 204.10 48 376.8010 78.60 28 219.80 50 392.5011 86.35 30 235.50 52 408.2012 94.20 32 251.20 54 423.90计算方法结果修约基本重量kg/mm.m27.85(厚度1mm,面积1m2的重量—单位重量kg/m2基本重量(kg/m2)*厚度(mm)修约至四位有效数字钢板面积m2宽度(m)*长度(m)修约至四位有效数字1块板重量kg单位重量(kg/m2)*钢板面积(m2)修约至三位有效数字1捆重量kg1块板重量(kg)*同规格的1捆钢板块数修约至kg的整数位S总重量kg—数值修约方法按GB8170《数值修约规则》的规定。