手工电弧焊试题一
- 格式:doc
- 大小:271.00 KB
- 文档页数:5
焊工操作考试试题及答案一、选择题(每题2分,共20分)1. 焊条电弧焊时,焊条的倾斜角度一般为()。
A. 45°B. 60°C. 75°D. 90°答案:A2. 焊接过程中,焊工应保持()。
A. 焊条与焊件垂直B. 焊条与焊件成45°角C. 焊条与焊件成60°角D. 焊条与焊件平行答案:B3. 焊缝的余高应不大于()。
A. 1mmB. 2mmC. 3mmD. 4mm答案:B4. 焊条电弧焊时,焊件的预热温度一般为()。
A. 100℃B. 200℃C. 300℃D. 400℃答案:C5. 焊接过程中,焊工应避免()。
A. 焊条与焊件接触B. 焊条与焊件保持一定距离C. 焊条与焊件成一定角度D. 焊条与焊件垂直答案:A6. 焊缝的宽度应不小于()。
A. 1mmB. 2mmC. 3mmD. 4mm答案:B7. 焊接过程中,焊工应保持()。
A. 焊条与焊件垂直B. 焊条与焊件成45°角C. 焊条与焊件成60°角D. 焊条与焊件平行答案:B8. 焊缝的余高应不大于()。
A. 1mmB. 2mmC. 3mmD. 4mm答案:B9. 焊条电弧焊时,焊件的预热温度一般为()。
A. 100℃B. 200℃C. 300℃D. 400℃答案:C10. 焊接过程中,焊工应避免()。
A. 焊条与焊件接触B. 焊条与焊件保持一定距离C. 焊条与焊件成一定角度D. 焊条与焊件垂直答案:A二、判断题(每题1分,共10分)1. 焊条电弧焊时,焊条的倾斜角度越大,焊接效果越好。
()答案:错误2. 焊接过程中,焊工应保持焊条与焊件垂直。
()答案:错误3. 焊缝的余高应不大于2mm。
()答案:正确4. 焊条电弧焊时,焊件的预热温度越高,焊接效果越好。
()答案:错误5. 焊接过程中,焊工应避免焊条与焊件接触。
()答案:正确6. 焊缝的宽度应不小于2mm。
()答案:正确7. 焊条电弧焊时,焊条的倾斜角度越大,焊接效果越好。
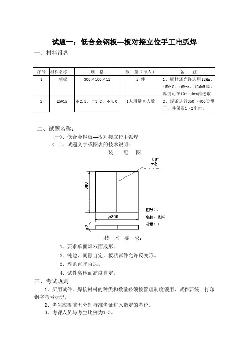
试题一:低合金钢板—板对接立位手工电弧焊一、材料准备二、试题名称:<一>、低合金钢板—板对接立位手弧焊<二>、试题文字或图表的技术说明:装配图技术要求:1、要求单面焊双面成形。
2、钝边、间隙自定,板状试件允许反变形。
3、焊条直径自选。
4、试件离地面高度自定。
三、考试规则1、所用试件,焊接材料的种类和数量必须按管理制度领用,试件要统一打印钢字考号标记。
2、考生应提前五分钟持准考证进入指定的考位。
3、考评人员与考生比例为1:5。
4、除考评人员及有关工作人员外,其它人员不准进入实际操作考试现场。
5、焊接时不允许坐着或依靠其它物件。
6、试件的点固、焊接及清理应由考生独立完成。
7、每个试件应连续焊完,一个试件尚未焊接完毕,不准焊接另一个试件。
8、对有位置要求的试件(板状的立位、横位、仰位;管状的水平固定;管板的水平固定或垂直仰位等)应按规定要求于焊接前固定好,整个焊接过程中(包括层间清理)不准取下,直至该试件焊接完毕。
9、考试过程中不允许使用磨光机。
10、考生应在规定的时间内完成全部焊接工作。
考评人员通知限时一到,应立即切断电源停止考试。
11、考生在焊接结束后,应立即关闭焊机,彻底清理焊件表面的焊渣、飞溅,试件应保持原始状态,不允许补焊、修磨或任何形式的加工。
考生将清理好的试件交到指定地点,并彻底清理焊位现场。
12、考生在整个考试过程中,应遵守电焊工安全操作规程,做到文明生产。
对违犯考试规则不听劝阻或违犯安全操作规程出现重大事故者,取消考试资格,并按有关规定处理。
四、考核总时限1、准备时间: 10min2、正式操作时间: 30min3、总时间: 40min五、试件的检验及评分1、试件必须是原始状态,不允许有任何形式的加工、修磨及补焊,否则该试件无效。
2、试件的检验及评定应按照试件质量评分表的次序进行。
3、评分表中各项只要出现任何一项不合格,则可认定该试件为不合格,终止对该试件的检验,对不合格试件不予评分。
手工电弧焊试卷及答案1、按照焊接过程中金属所处状态及工艺特点,可以将焊接方法分为熔化焊、压力焊和钎焊三大类。
下面哪种焊接属于熔化焊( )。
(分值A、电阻焊B、钎C、电弧焊2、切割方法分为火焰切割、电弧切割和( B )三大类。
(分值5分) A、非金属切割 B、冷切割 C、热切割3、( )作业是特种作业。
(分值A、高温B、井下C、金属焊接(切割)4、金属材料的性能通常包括物理性能、化学性能、力学性能和( )等。
(分值A、机械性能B、工艺性能C、导电性能5、通常导电性能最好的金属是( )。
(分值A、铜B、钢C、铝D、银6、低碳钢由于含碳量( ),强度、硬度不高、塑性好,所以应用广泛。
(分值A、高B、中等C、低7、焊条电弧焊焊接设备的空载电压一般为( )。
(分值A、60-85伏B、20-40伏C、50-90伏8、电焊机的接线柱等带电部分( ),必须设有防护罩。
(分值A、不得外露B、为接线方便可以外露C、可以部分外露9、焊条电弧焊的电源,必须满足( )要求,焊接电弧才能稳定地燃烧。
(分值A、电弧B、电流C、电压10、焊接电缆线应具有良好的导电能力和良好的( C )。
(分值5分) A、导电B、散热C、绝缘11、焊条粘住焊件时间过长不仅损坏焊条,同时对( )也不利。
(分值A、焊件B、焊钳C、焊机12、电焊机使用一次电源线长度一般为( )。
(分值A、2-3米B、5-10米C、视工作情况而定13、焊机与焊钳必须使用软电缆线,长度不宜超过( )(分值A、10-20米B、20-30米C、30-40米14、发生火警或爆炸事故,立即向当地( )(分值A、居委会B、社区C、单位D、公安消防部门15、( )是利用局部加热的方法将联接处的金属加热至熔化状态而完成的焊接方法。
(分值A、熔焊B、压焊C、钎焊16、焊接速度对焊缝厚度、宽度没有什么影响。
( ).(分值A、对B、错17、电焊机应有独立的专用电源开关,不过有时也可多台焊机共用一个电源开关( )(分值A、对B、错18、电焊机的电源线长度可根据具体工作来决定。
焊工人员考试试题及答案一、选择题(每题2分,共10题)1. 焊条电弧焊中,焊条的直径选择应根据什么来确定?A. 焊件厚度B. 焊接电流C. 焊接速度D. 焊接位置答案:A2. 手工电弧焊时,焊条的倾斜角度一般是多少?A. 45°B. 60°C. 75°D. 90°答案:A3. 焊缝的余高是指焊缝表面与母材表面之间的高度差,其最大值一般不超过多少?A. 1mmB. 2mmC. 3mmD. 4mm答案:B4. 焊接过程中,焊缝金属的熔化温度通常是多少?A. 1000-1200℃B. 1300-1500℃C. 1600-1800℃D. 1900-2100℃答案:C5. 焊接时,焊工应穿戴哪些防护用品?A. 焊接手套和防护眼镜B. 防护服和防护鞋C. 焊接头盔和耳塞D. 所有上述选项答案:D6. 焊接变形的控制方法不包括以下哪一项?A. 反变形法B. 刚性固定法C. 预热法D. 后热法答案:D7. 焊接缺陷中,气孔是由于什么原因造成的?A. 焊接材料不清洁B. 焊接电流过大C. 焊接速度过快D. 焊接环境湿度过高答案:A8. 焊缝的无损检测方法不包括以下哪一项?A. 射线检测B. 超声波检测C. 磁粉检测D. 热像仪检测答案:D9. 焊接过程中,为了减少有害气体的产生,应采取哪些措施?A. 通风B. 使用低氢焊条C. 减少焊接电流D. 所有上述选项答案:D10. 焊接作业中,以下哪种气体是有害的?A. 氧气B. 氮气C. 一氧化碳D. 二氧化碳答案:C二、判断题(每题1分,共5题)1. 焊接时,焊工可以不戴防护眼镜。
答案:错误2. 焊接作业中,焊条的选用应与母材的化学成分相匹配。
答案:正确3. 焊接过程中,焊缝的冷却速度越快,焊接接头的强度越高。
答案:错误4. 焊接变形可以通过焊接顺序的合理安排来控制。
答案:正确5. 焊接作业结束后,应立即关闭电源,清理工作区域。
试题精选一、理论知识试题(一)选择题1.正投影三视图的投影规律正确的是()。
(A)主俯视图宽相等(B)主左视图宽相等(C)俯左视图高平齐(D)主俯视图长对正2.平行投影法中,投影线与投影面垂直时的投影称()。
(A)平行投影(B)倾斜投影(C)垂直投影(D)正投影3.简单物体的剖视方法有()。
(A)全剖视图和局部剖视图(B)全剖视图和半剖视图(C)半剖视图和局部剖视图(D)全剖视图、半剖视图和局部剖视图4.简单物体的剖视方法有()。
(A)全剖视图和局部剖视图(B)全剖视图、半剖视图和局部剖视图(C)半剖视图和局部剖视图(D)全剖视图和半剖视图5.识读()时,应与阅读工艺卡或工艺规程相结合。
(A)阅读工艺卡(B)工艺规程(C)现场工艺规程(D)焊接装配图6.识读焊接装配图时,应与()相结合。
(A)阅读工艺卡(B)工艺规程(C)现场工艺规程(D)阅读工艺卡或工艺规程7.图样上一般不需特别表示焊缝,()。
(A)只在焊缝处标注焊缝符号(B)但是焊缝尺寸要标注(C)焊缝标注时应注意焊缝位置(D)焊缝处标注焊接方法& () 一般不需特别表示焊缝,只在焊缝处标注焊缝符号。
(A)讲课中(B)施工中(C)图样上(D)学习上9.在焊缝基本符号的左侧标注()。
(A)焊脚尺寸K(B)焊缝长度上L(C)对接根部间隙(D)坡口角度10.表示焊缝横截剖面形状的符号是()。
(A)基本符号(B)辅助符号(C)补充符号(D)尺寸符号11.焊接低合金钢厚板结构时,容易出现的缺陷是()。
(A)气孔(B)冷裂纹(C)热裂纹(D)未焊透12.对于焊后可直接水冷的钢材是()。
(A)15CrMo(B)12CrMo(C)1Cr18Ni9Ti(D)1Cr5Mo13.下列钢中,属于奥氏体不锈钢的是()。
(A)0Crl3(B)1Crl3(C)0Cr19Ni9(D)15 MnVR14.下列钢中,属于低合金钢的是()。
(A)15CrMo(B)Q235 —B(C)20(D)20A15.下列钢中,不属于专门用途的钢是() 。
焊工考试试题与答案一、单项选择题(每题2分,共20分)1. 焊条电弧焊中,焊条的直径应根据焊件的厚度来选择,下列选项中,正确的选择是()。
A. 焊件厚度越大,焊条直径越大B. 焊件厚度越大,焊条直径越小C. 焊件厚度与焊条直径无关D. 焊件厚度越小,焊条直径越大答案:A2. 二氧化碳气体保护焊中,保护气体的作用是()。
A. 增加熔池温度B. 降低熔池温度C. 保护熔池不被氧化D. 增加焊缝强度答案:C3. 手工电弧焊时,焊工应保持的电弧长度是()。
A. 越长越好B. 越短越好C. 适中D. 无要求答案:C4. 焊接过程中,焊工应穿戴的个人防护用品不包括()。
A. 防护眼镜B. 防护手套C. 防护面罩D. 棉质工作服答案:D5. 焊接变形的预防措施不包括()。
A. 合理选择焊接顺序B. 采用合理的焊接参数C. 焊接过程中敲击焊缝D. 焊接后进行热处理答案:C6. 焊缝的无损检测方法中,不包括()。
A. 射线检测B. 超声波检测C. 磁粉检测D. 化学分析答案:D7. 焊接过程中,焊工应避免的不良操作是()。
A. 保持焊条与焊件的适当角度B. 焊条与焊件接触时间过长C. 焊条与焊件接触时迅速提起D. 焊条与焊件接触时保持稳定答案:B8. 焊接接头的类型中,不属于基本类型的是()。
A. 搭接接头B. 角接接头C. T型接头D. 十字接头答案:D9. 焊接材料的选择应考虑的因素不包括()。
A. 焊件材料的化学成分B. 焊件的厚度C. 焊件的表面处理D. 焊工的技术水平答案:D10. 焊接过程中,焊工应采取的措施不包括()。
A. 保持适当的焊接速度B. 避免焊缝中产生气孔C. 焊接过程中吸烟D. 保持焊缝的清洁答案:C二、多项选择题(每题3分,共15分)1. 焊接过程中,为防止焊缝产生气孔,应采取的措施包括()。
A. 保持焊接区域的清洁B. 使用干燥的焊接材料C. 采用适当的焊接电流D. 焊接过程中频繁移动焊条答案:ABC2. 焊接变形的类型包括()。
焊工初级考试试题及答案焊工初级考试试题及答案 1一.填空题(每空2分,共26分)1.焊接缺陷按其在接头中得位置可分为(外部缺陷)和(内部缺陷)。
2.手工电弧焊引弧方法一般有(擦划法)和(碰击法)两种。
3.手工电弧焊的收弧方法常用的有(反复断弧法)(划圈收尾法)(回焊收尾法)三种,碱性焊条宜采用(回焊收尾法)。
4.对焊接过程要进行保护,手工电弧焊时采用(药皮)保护,埋弧焊时采用(焊剂)保护,乌极氩弧焊时采用(氩气)保护。
5.对于受压元件焊前清理焊丝及焊件表面的油锈.水分,是防止产生(夹渣)和(气孔)的有效措施之一。
二.选择题 (每题3分,共30分)1.干燥且有触电危险环境的安全电压值为(B)A 110VB 36VC 24VD 12V2.高空焊接时(D)是不符合规定的。
A 焊工施焊时佩戴标准安全带B 焊工施焊时,电缆或氩乙炔管不而固定在架子上C 施焊处下方及危险区内易燃易爆物品应移开D 施焊处的下方或危险区内停留人员3.钢材的弯曲试验可以检查金属材料的(D)A 强度B 硬度C 韧性D 塑性4.普低钢焊接时应避免采用(D)A 焊前预热B 焊后缓冷C 碱性焊条D 大热输入及单边焊5.用乌极氩弧焊焊接低碳钢时应采用(D)A 交流焊接 B直流反接 C直流正接 D无要求6.焊接时流经焊接电路的.电流称为(D)A 稳弧电流B 短路电流C 脉冲电流D 焊接电流7.手弧焊时,产生夹渣的原因是(B)A 焊接电流过大B 焊接电流过小C 焊接速度过慢8.手弧焊时产生咬边的原因是(B)A焊接电流过小B焊接电流过大 C 焊接速度过慢 D 电弧过短9.手弧焊时产生未焊透的原因是(A)A 电流过小B 电弧电压过低C 焊接速度过慢10.焊工考试规则规定,持证焊工中断受监察设备的焊接工作在(B)以上,担任受监察设备焊接工作时必须重新考试。
A 三个月B 六个月 C一年三.判断题 (每题3分,共30分)1.碱性低氩弧焊条烘干的目的是为了焊后易于脱渣(√)2.手弧焊时电弧焊拉长,则电弧焊电压降低,电弧压短则电弧压增长(某)3.对接接头一定是对接焊缝,角接接头一定是角焊缝(某)4.控制层间温度的目的是防止固高温区停留的时间长造成焊缝金属韧性下降冷速太快而形成的淬硬组织(√)5.焊条药皮及其主要原因:引弧造气,粘结。
焊工考试题库及答案免费版一、单选题1. 焊接时,电弧的温度通常在多少摄氏度?A. 1000℃B. 3000℃C. 5000℃D. 7000℃答案:C2. 手工电弧焊中,焊条的直径应根据什么来选择?A. 焊接位置B. 焊接材料C. 焊接电流D. 焊工经验答案:C3. 焊接过程中,焊工应穿戴哪些个人防护装备?A. 手套和安全帽B. 护目镜和面罩C. 防护服和绝缘鞋D. 所有上述选项答案:D4. 焊接缺陷中,气孔是如何形成的?A. 由焊接材料中的杂质引起的B. 由于焊接电流过大C. 由于焊接速度过快D. 由于焊接环境湿度大答案:A5. 焊接接头的类型有哪些?A. 搭接、对接、角接B. T型、Y型、X型C. 榫接、槽接、嵌接D. 所有上述选项答案:A二、多选题6. 焊接前的准备工作包括哪些?A. 清洁焊接区域B. 检查焊接设备C. 选择合适的焊接参数D. 确定焊接顺序答案:ABCD7. 焊接变形的原因可能有哪些?A. 焊接电流过大B. 焊接速度不均匀C. 焊接顺序不当D. 焊接材料不均匀答案:ABC8. 焊接过程中可能产生的职业病有哪些?A. 电光性眼炎B. 金属烟热C. 电焊工尘肺D. 听力损伤答案:ABCD9. 焊接质量检验的方法包括哪些?A. 外观检查B. 无损检测C. 破坏性测试D. 硬度测试答案:ABCD10. 焊接安全操作规程包括哪些?A. 穿戴个人防护装备B. 确保焊接设备接地C. 遵守焊接作业指导书D. 焊接后及时清理工作区域答案:ABCD三、判断题11. 焊接时,焊工可以不佩戴防护眼镜。
(错误)12. 焊接过程中产生的烟尘和气体对人体无害。
(错误)13. 焊接时,应保持工作环境通风良好。
(正确)14. 所有的焊接缺陷都可以通过打磨来消除。
(错误)15. 焊接作业完成后,应立即关闭焊接电源。
(正确)四、简答题16. 简述手工电弧焊的基本操作步骤。
答案:手工电弧焊的基本操作步骤包括:准备工作(穿戴个人防护装备、检查焊接设备)、清洁焊接区域、选择合适的焊接参数、进行焊接(引弧、运条、收弧)、焊接后清理和检查。
手工电弧焊注意事项:1.答卷前将装订线左边的项目填写清楚。
2.答卷必须用蓝色或黑色钢笔圆珠笔,不许用铅笔或红笔 。
3.本份试卷共 5 道大题,满分 100 分,考试时间90 分钟。
一、填空题(请将正确答案填在横线空白处,每空1分,共10题20分)1. 矫正焊接变形的方法可分为 矫正法和 矫正法两大类。
2.电离的方式有 、电场作用下的电离和 等。
3.线能量增大时,热影响区宽度 ,加热到高温的区域增宽,在高温的停留时间增大,同时冷却速度 。
4. 熔池的一次结晶包括 和 两个过程。
5.高温下具有足够的 和 的钢叫耐热钢。
6.金属的焊接性中接合性能:即在一定的 条件下,一定的金属形 成 的敏感性。
7.焊前对焊件采用外加 拘束,强制焊件在焊接时不能自由变形,这种防止变形的方法叫 。
8.火焰加热方式有 、线状加热和 。
9.对于不对称焊缝的结构,应先焊焊缝 的一侧,后焊焊缝 的一侧,可减小总体变形量。
10.若焊炬发生回火,首先应迅速关闭 ,再关 。
二、选择题(请将正确答案的代号填入括号内,每题2分,共10题20分) 1.碱性焊条比酸性焊条的焊缝抗裂性( )。
A .相同B .差C .好 2.弯曲变形的大小以( )进行度量。
A .弯曲角度B .挠度C .弯曲跨度 3. 在拉伸试验过程中,试样拉断时单位面积承受的最大拉力称为( )。
A .屈服点B .伸长率C .抗拉强度 4.焊接过程中,熔化母材的热量主要是( )。
A .电阻热B .电弧热C .化学热 5.在锅炉、压力容器、压力管道内焊接作业,外面应有( )。
A .照明设备B .通风设施C .人员监护 6.( )区是不易淬火钢热影响区中综合性能最好的区域。
A .过热B .正火C .部分相变 7.氧气瓶与乙炔瓶距工作场地边缘不得小于( )米。
A .10B .12C . 20 8.焊钳手柄和焊接电缆都必须确保良好地绝缘是为了( )。
A .防止焊钳和电缆过热引起火灾难性B .防止过热烫伤焊工C .防止焊工触电9.如图所示,下面左视图画法正确的是( )。
焊工专业比赛试题及答案试题一:焊接基础知识1. 焊接过程中,电弧长度对焊接质量有何影响?2. 简述手工电弧焊的基本原理。
3. 何为焊接接头,其分类有哪些?4. 焊接过程中,如何控制焊接变形?5. 焊接缺陷有哪些类型,如何预防和修复?答案一:1. 电弧长度对焊接质量有显著影响。
电弧过长会导致电弧不稳定,焊接速度减慢,焊缝成形不良;电弧过短则可能引起焊条粘住工件,影响焊接过程。
2. 手工电弧焊的基本原理是利用电弧产生的热量熔化焊条和工件,形成熔池,熔池冷却后形成焊缝。
3. 焊接接头分为对接接头、角接接头、T型接头等,每种接头根据其结构和应用场合的不同,焊接方法和要求也有所不同。
4. 控制焊接变形的方法包括:合理选择焊接参数,如电流、电压、焊接速度;采用对称焊接或逆向焊接;使用夹具固定工件等。
5. 焊接缺陷包括气孔、裂纹、未熔合等。
预防和修复方法包括:选择合适的焊接材料和参数,保持焊接环境清洁,进行焊后热处理等。
试题二:焊接材料与设备1. 焊接材料主要包括哪些?2. 简述焊接设备的分类及其特点。
3. 什么是焊接电流和焊接电压,它们对焊接过程有何影响?4. 焊接过程中,如何选择合适的焊接材料?5. 焊接设备的维护和保养有哪些要点?答案二:1. 焊接材料主要包括焊条、焊丝、焊剂、保护气体等。
2. 焊接设备按工作原理可分为电弧焊机、气体保护焊机、激光焊机等。
每种设备有其特定的应用范围和特点。
3. 焊接电流是焊接过程中通过焊条或焊丝的电流,影响熔池的大小和焊接速度;焊接电压是电弧两端的电压,影响电弧的稳定性和焊接质量。
4. 选择合适的焊接材料需要考虑母材的材质、厚度、焊接位置、焊接方法等因素。
5. 焊接设备的维护和保养要点包括:定期检查设备的性能,保持设备清洁,更换磨损的零件,进行必要的润滑等。
试题三:焊接工艺与操作1. 焊接工艺参数包括哪些内容?2. 简述焊接操作的基本步骤。
3. 何为焊接接头的坡口形式,其对焊接质量有何影响?4. 焊接过程中,如何进行焊接接头的清理?5. 焊接完成后,如何进行焊缝的检查和评定?答案三:1. 焊接工艺参数包括焊接电流、焊接电压、焊接速度、焊接角度、焊接层数等。
手工电弧焊注意事项:1.答卷前将装订线左边的项目填写清楚。
2.答卷必须用蓝色或黑色钢笔圆珠笔,不许用铅笔或红笔。
3.本份试卷共 5 道大题,满分 100 分,考试时间90 分钟。
一、填空题(请将正确答案填在横线空白处,每空1分,共10题20分)1.矫正焊接变形的方法可分为矫正法和矫正法两大类。
2.电离的方式有、电场作用下的电离和等。
3.线能量增大时,热影响区宽度,加热到高温的区域增宽,在高温的停留时间增大,同时冷却速度。
4. 熔池的一次结晶包括和两个过程。
5.高温下具有足够的和的钢叫耐热钢。
6.金属的焊接性中接合性能:即在一定的条件下,一定的金属形成的敏感性。
7.焊前对焊件采用外加拘束,强制焊件在焊接时不能自由变形,这种防止变形的方法叫。
8.火焰加热方式有、线状加热和。
9.对于不对称焊缝的结构,应先焊焊缝的一侧,后焊焊缝的一侧,可减小总体变形量。
10.若焊炬发生回火,首先应迅速关闭,再关。
二、选择题(请将正确答案的代号填入括号内,每题2分,共10题20分)1.碱性焊条比酸性焊条的焊缝抗裂性( )。
A.相同B.差C.好2.弯曲变形的大小以( )进行度量。
A.弯曲角度 B.挠度 C.弯曲跨度3.在拉伸试验过程中,试样拉断时单位面积承受的最大拉力称为( )。
A.屈服点B.伸长率C.抗拉强度4.焊接过程中,熔化母材的热量主要是( )。
A.电阻热 B.电弧热 C.化学热5.在锅炉、压力容器、压力管道内焊接作业,外面应有( )。
A.照明设备B.通风设施C.人员监护6.( )区是不易淬火钢热影响区中综合性能最好的区域。
A.过热 B.正火 C.部分相变7.氧气瓶与乙炔瓶距工作场地边缘不得小于( )米。
A.10 B.12 C.208.焊钳手柄和焊接电缆都必须确保良好地绝缘是为了( )。
A.防止焊钳和电缆过热引起火灾难性B.防止过热烫伤焊工C.防止焊工触电9.如图所示,下面左视图画法正确的是()。
10.根据经验,当碳当量的质量分数为( )时,钢的焊接性良好,不需预热即可焊接。
手工电弧焊注意事项:1.答卷前将装订线左边的项目填写清楚。
2.答卷必须用蓝色或黑色钢笔圆珠笔,不许用铅笔或红笔 。
3.本份试卷共 5 道大题,满分 100 分,考试时间90 分钟。
一、填空题(请将正确答案填在横线空白处,每空1分,共10题20分)1. 矫正焊接变形的方法可分为 矫正法和 矫正法两大类。
2.电离的方式有 、电场作用下的电离和 等。
3.线能量增大时,热影响区宽度 ,加热到高温的区域增宽,在高温的停留时间增大,同时冷却速度 。
4. 熔池的一次结晶包括 和 两个过程。
5.高温下具有足够的 和 的钢叫耐热钢。
6.金属的焊接性中接合性能:即在一定的 条件下,一定的金属形 成 的敏感性。
7.焊前对焊件采用外加 拘束,强制焊件在焊接时不能自由变形,这种防止变形的方法叫 。
8.火焰加热方式有 、线状加热和 。
9.对于不对称焊缝的结构,应先焊焊缝 的一侧,后焊焊缝 的一侧,可减小总体变形量。
10.若焊炬发生回火,首先应迅速关闭 ,再关 。
二、选择题(请将正确答案的代号填入括号内,每题2分,共10题20分) 1.碱性焊条比酸性焊条的焊缝抗裂性( )。
A .相同B .差C .好 2.弯曲变形的大小以( )进行度量。
A .弯曲角度B .挠度C .弯曲跨度 3. 在拉伸试验过程中,试样拉断时单位面积承受的最大拉力称为( )。
A .屈服点B .伸长率C .抗拉强度 4.焊接过程中,熔化母材的热量主要是( )。
A .电阻热B .电弧热C .化学热 5.在锅炉、压力容器、压力管道内焊接作业,外面应有( )。
A .照明设备B .通风设施C .人员监护 6.( )区是不易淬火钢热影响区中综合性能最好的区域。
A .过热B .正火C .部分相变 7.氧气瓶与乙炔瓶距工作场地边缘不得小于( )米。
A .10B .12C . 20 8.焊钳手柄和焊接电缆都必须确保良好地绝缘是为了( )。
A .防止焊钳和电缆过热引起火灾难性B .防止过热烫伤焊工C .防止焊工触电9.如图所示,下面左视图画法正确的是( )。
焊工考考试试题及答案一、单选题(每题2分,共10题)1. 焊条电弧焊中,焊条的药皮主要作用是什么?A. 保护焊缝B. 作为填充材料C. 调节焊接电流D. 增加焊接速度答案:A2. 焊接过程中,焊缝金属的熔化温度通常是多少?A. 1000℃以下B. 1000℃-1500℃C. 1500℃-2000℃D. 2000℃以上答案:C3. 手工电弧焊时,焊工应保持什么姿势?A. 站立B. 蹲下C. 坐下D. 侧卧答案:A4. 焊接过程中,焊条的倾斜角度通常是多少?A. 0°-30°B. 30°-60°C. 60°-90°D. 90°以上答案:B5. 焊接作业中,焊工应穿戴哪些防护用品?A. 手套和安全帽B. 防护眼镜和手套C. 防护面罩和耳塞D. 防护服和防护鞋答案:D6. 焊接作业中,焊工应如何避免电弧光伤害?A. 直视电弧B. 使用防护面罩C. 佩戴普通眼镜D. 远离焊接区域答案:B7. 焊接作业中,焊工应如何防止金属飞溅?A. 增加焊接电流B. 减少焊接速度C. 使用防护面罩D. 增加焊接电压答案:C8. 焊接作业中,焊工应如何防止触电?A. 直接用手接触焊条和焊件B. 使用绝缘手套和绝缘垫C. 站在潮湿的地面上焊接D. 穿戴湿衣服进行焊接答案:B9. 焊接作业中,焊工应如何防止火灾?A. 焊接前不检查周围环境B. 焊接时不使用灭火器C. 焊接后不检查焊接区域D. 焊接区域应远离易燃物品答案:D10. 焊接作业中,焊工应如何防止有害气体吸入?A. 增加通风B. 减少通风C. 佩戴普通口罩D. 佩戴防毒面具答案:A二、判断题(每题1分,共5题)1. 焊接作业中,焊工可以不穿戴任何防护用品。
(×)2. 焊接作业中,焊工应定期检查焊接设备的安全性能。
(√)3. 焊接作业中,焊工可以在有易燃易爆物品的区域进行焊接。
(×)4. 焊接作业中,焊工应定期进行职业健康检查。
电焊工考试试题及答案
一、填空题没空0.5分,共30分)
1、手工电弧焊时向焊缝渗合金的方式主要是通过(焊芯)和(药皮)过渡。
2、焊接低合金结构钢时,在焊接接头纹有(冷裂纹)、(热裂纹)、再
热裂纹,其中尤以(冷裂纹)最为常见。
3、焊缝按断续情况不同可以分为(定位焊缝)、(连续焊缝)和(断续焊缝)。
4、当焊条直径相同时,由于不惜滚撒个焊条的电阻率比低碳钢(大),产生的电阻热(大),所以长度比碳钢焊条(短)。
5、焊接过程中,焊接区内充满大量气体,他am主要来自(焊接材料)、(空气)焊丝和母材表面上的杂质和高温蒸发产生的气体。
6、焊接按结合形式不同可以分为(对接焊缝)、(角焊缝)和(塞焊缝)。
7、溶滴过渡是的飞溅会影响电弧燃烧的(稳定性),焊接不锈钢时还
会降低母材金属的(抗腐蚀性)。
8、熔化极电弧焊时,焊条(或焊丝)具有两个作用:一方面作为(电弧
的一个极);另一方面(向溶池提供填充金属)。
9、熔化极电弧焊时,熔化焊条(或焊丝)的热量有(电阻热)、(电弧热)和(化学热)
10、焊条长度不能制造过长的原因是焊条长度增加时,焊条末端的通
电时间(增加),电阻热(加大),药皮容易发红而变质。
11、减少焊接残余应力的措施不正确的是先焊(收缩较小焊缝)12、奥氏体不锈钢中主要的合金元素是(铬)和(镍),他们在所起的作用分别是保证钢的耐腐性和改善钢的(组织和性能)、有较好的工艺性能和力学性能。
焊工初级模拟习题及参考答案一、单选题(共40题,每题1分,共40分)1.手工电弧焊应选用()特性的焊接电源。
A、下降特性B、平特性C、上升特性正确答案:A2.板状对接立焊时,焊条倾角即焊条与焊件表面的夹角应为()度。
A、90B、40~50C、60-80正确答案:C3.焊接时,若焊条直径变大则焊接电流()。
A、变小B、变大C、不变正确答案:B4.焊条烘干的目的主要是()。
A、保证焊缝金属的抗拉强度B、改善脱渣性能C、去掉药皮中的水分D、降低药皮中含氧量正确答案:C5.中性焰是氧乙炔混合比为()时燃烧所形成的火焰。
A、大于1.2B、小于1.1C、1.1~1.2正确答案:C6.焊接时,使焊条药皮发红的热量是( )。
A、气体火焰热B、电弧热C、化学热D、电阻热正确答案:D7.容易获得良好焊缝成型的焊接位置是()。
A、横焊位置B、平焊位置C、仰焊位置D、立焊位置正确答案:B8.一般手弧焊机的负载持续率为()A、0.8B、60%左右C、1D、50%左右正确答案:B9.结构材料是以()为主要性能的材料。
A、焊接性能B、力学性能C、物理性能D、化学性能正确答案:B10.干燥且有触电危险环境的安全电压值为()A、110VB、24VC、12VD、36V正确答案:D11.胸外心脏挤压法进行抢救时,一般是每分钟挤压()。
A、12次B、60次C、24次正确答案:B12.下列钢中,不属于专门用途的钢是( )。
A、16MnRB、09MnNDRC、20gD、16Mn正确答案:D13.氧气瓶的颜色为()。
A、灰色B、天蓝色C、黑色正确答案:B14.焊丝的化学成分应基本上与( )相符。
A、过渡形式B、焊后热处理C、焊件D、预热温度正确答案:C15.钨极氩弧焊引弧前必须提前送气,其目的是( )。
A、减少钨极烧损B、提高焊接生产率C、保护焊接区域D、消除高频的有害影响正确答案:C16.大致判断某钢种的可焊性,可将该种钢所含的各()元素含量折算成碳当量,然后再根据碳当量的计算值判断钢的可焊性。
山东省安全工程师安全生产:手工电弧焊作业安全技术考试试题一、单项选择题(共25题,每题2分,每题的备选项中,只有1个事最符合题意)1、__是控制职业性危害因素,保护从业人员健康的重要措施,也是对建设项目实施作业场所卫生监督的重要依据。
A.职业危害评价B.职业危害监督C.职业危害管D.职业危害宣传2、人眼观看展示物的最佳视角在地域标准视角__区域内。
A.100B.150C.200D.3003、__是应急活动的基本原则。
A.场内指挥B.统一指挥C.场外指挥D.技术指挥4、__不属于事件树分析步骤。
A.判定安全功能B.发展事件树和简化事件树C.职工技能培训D.确定初始事件5、一般来说,对人体的影响不会导致组织器官的器质性损伤,主要引起功能性改变,并具有可逆性特征的非电离辐射是()。
A.红外线B.激光C.紫外线D.射频辐射6、《生产安全事故报告和调查处理条例》(国务院令第493号)划分生产安全事故等级的主要依据是人员伤亡或__。
A.直接经济损失B.间接经济损失C.社会影响范围D.环境破坏程度7、《安全生产法》规定:“生产经营单位的__具有组织制定并实施本单位的生产安全事故应急救援预案的职责。
”A.主要负责人B.总工程师C.专职安全员D.安全管理机构8、大量事故统计表明,__不是引发事故发生的原因。
A.生产安全管理上的缺陷B.工艺设备故障C.风险防范意识差D.人的误操作9、依据《安全生产许可证条例》的规定,除民用爆破器材生产企业外,其他企业安全生产许可证的发证机关实行__级分工负责的体制。
A. 一B.两C,三D.四10、国务院于1989年1月3日通过并于同年__发布施行了《特别重大事故调查程序暂行规定》.该规定所称特别重大事故,是指造成特别重大人身伤亡或巨大经济损失以及性质特别严重、产生重大影响的事故。
A.3月1日B.3月29日C.5月1日D.5月29日11、安全系数的提高应通过__来达到。
A.增加构件尺寸B.增加构件重量C.增加费用D.优化结构设计12、__不属于安全验收评价方面。
1+X手工焊考试题(附答案)一、单选题(共47题,每题1分,共47分)1.手工电弧焊焊机空载电压一般为()。
A、220~380伏B、70~90伏C、40伏正确答案:B2.面罩上装有用以遮蔽焊接有害光线的黑玻璃,目前以( )的为最多。
A、黑色B、紫色C、黄色D、墨绿色正确答案:D3.应对电焊机采取保护接地和保护接零的部分是( )。
A、一次接线端B、二次接线端C、机壳D、输出电抗器正确答案:C4.气焊焊丝直径要根据工件厚度来选择,焊丝过细则焊丝熔化快,熔滴滴在焊缝上( )而降低焊缝的质量。
A、使焊缝熔合良好和焊波高低一样B、易造成熔合不良和焊波高低不平C、使焊缝熔合良好和焊缝不直D、易造成熔合不良和焊缝不直正确答案:B5.选择气焊焊丝直径时,若焊丝过粗为熔化焊丝需要( )易产生过热组织降低接头质量。
A、延长加热时间使热影响区减小B、缩短加热时间使热影响区增大C、延长加热时间使热影响区增大D、缩短加热时间使热影响区减小正确答案:C6.氧气瓶在阳光下曝晒可能产生()。
A、爆炸B、燃烧C、泄漏D、氧气不纯正确答案:A7.利用碳弧气刨对低碳钢开焊接坡口时应采用( )。
A、直流正接或反接B、直流正接C、直流反接D、交流电源正确答案:C8.金属在固态下随温度的变化,由一种晶格转变为另一种晶格的现象,称为( )。
A、物质的转变B、固溶体的转变C、同位素转变D、同素异晶转变正确答案:D9.硫、磷对焊缝危害说法不正确的是()。
A、硫易引起焊缝产生热裂纹B、磷易增加钢的冷脆性C、容易使焊缝产生再热裂纹D、硫会降低焊缝冲击韧度和耐蚀性正确答案:C10.“蒸锅规”规定:蒸汽锅炉同一位置上返修不应超过( )次。
A、4B、1C、3D、2正确答案:C11.不易淬火钢焊接热影响区不包括()。
A、过热区B、不完全重结晶区C、回火区D、相变重结晶区正确答案:C12.防止咬边的方法不包括( )。
A、电弧不能过长B、调整装配间隙C、掌握正确的运动方法和运条角度D、选择合适的焊接电流正确答案:B13.选择坡口的钝边尺寸时主要是保证( )和防止烧穿。
试题一:低合金钢板—板对接立位手工电弧焊
一、材料准备
二、试题名称:
<一>、低合金钢板—板对接立位手弧焊
<二>、试题文字或图表的技术说明:
装配图
技术要求:
1、要求单面焊双面成形。
2、钝边、间隙自定,板状试件允许反变形。
3、焊条直径自选。
4、试件离地面高度自定。
三、考试规则
1、所用试件,焊接材料的种类和数量必须按管理制度领用,试件要统一打印钢字考号标记。
2、考生应提前五分钟持准考证进入指定的考位。
3、考评人员与考生比例为1:5。
4、除考评人员及有关工作人员外,其它人员不准进入实际操作考试现场。
5、焊接时不允许坐着或依靠其它物件。
6、试件的点固、焊接及清理应由考生独立完成。
7、每个试件应连续焊完,一个试件尚未焊接完毕,不准焊接另一个试件。
8、对有位置要求的试件(板状的立位、横位、仰位;管状的水平固定;管板的水平固定或垂直仰位等)应按规定要求于焊接前固定好,整个焊接过程中(包括层间清理)不准取下,直至该试件焊接完毕。
9、考试过程中不允许使用磨光机。
10、考生应在规定的时间内完成全部焊接工作。
考评人员通知限时一到,应立即切断电源停止考试。
11、考生在焊接结束后,应立即关闭焊机,彻底清理焊件表面的焊渣、飞溅,试件应保持原始状态,不允许补焊、修磨或任何形式的加工。
考生将清理好的试件交到指定地点,并彻底清理焊位现场。
12、考生在整个考试过程中,应遵守电焊工安全操作规程,做到文明生产。
对违犯考试规则不听劝阻或违犯安全操作规程出现重大事故者,取消考试资格,并按有关规定处理。
四、考核总时限
1、准备时间: 10min
2、正式操作时间: 30min
3、总时间: 40min
五、试件的检验及评分
1、试件必须是原始状态,不允许有任何形式的加工、修磨及补焊,否则该试件无效。
2、试件的检验及评定应按照试件质量评分表的次序进行。
3、评分表中各项只要出现任何一项不合格,则可认定该试件为不合格,终止对该试件的检验,对不合格试件不予评分。
4、试件的外观检查,必须由3名以上考评人员进行,并将缺陷状况及实测尺寸数据填入各相应项表格中。
5、外观检测方法,可借助5~10倍放大镜、焊接检验尺、钢板尺等检测工具来测量焊缝外形尺寸及缺陷尺寸。
6、在外观检查某些项计算扣分时,应取整数,对计算出的小数处理方法:四舍六入。
五的进舍原则是看小数点前面的个位数字,如是奇数则进一,如是偶数则舍去。
7、所有检验结果均为一次性检验结果。
8、板状试件两端20mm范围内缺陷不做评定。
六、考试成绩
1、单个试件满分100分,单个试件各检测项目均在合格范围内,则该试件评为合格试件。
其得分为100减去所有各项总扣分之差。
2、对不合格者不予得分。
3、对取消考试资格的考生一律判为实际操作技能不合格,并不予得分。
4、考生成绩填入“电焊工实操考试成绩汇总表”
七、板对接试件质量评分表
考评人员签章________________________ ______年___月___日
注: 1、外观缺陷均不在评片范围内;2、取样时避开缺陷处;3、对于碳素钢、奥氏体钢焊件,射线探伤合格后可免做冷弯试验;4、弯轴直径d=3δ1;5、试样弯曲到规定角度后,拉伸面上横向裂纹或缺陷长度<1.5mm,纵向裂纹或缺陷长度≤3mm。
八、试件取样及试样尺寸图
δ1≈δ
图:板状试件的面弯和背弯试样
电焊工实操考试成绩汇总表
准考证号__ ______
姓名_____ ___
性别________
单位____ ___________
汇总:_____ ___ 审核:__ ______ _____年___月___日。