梯形钢屋架设计实例
- 格式:doc
- 大小:462.00 KB
- 文档页数:8
钢结构课程设计学生姓名:李兴锋学号:20094023227所在学院:工程学院专业班级:09级土木(2)班指导教师:目录1、设计资料 (3)2、屋架形式和几何尺寸 (5)3、节点荷载设计 (5)4、屋架荷载 (6)5、杆件截面选择 (6)6、屋架杆件计算总表 (13)7、焊缝计算 (14)8、杆件应力计算 (16)9、节点设计 (19)10、课程设计小结 (25)11、设计手写稿 (27)12、施工图 (28)T型钢架课程设计任务书一、设计资料某车间(或厂房)跨度L,长度96m,柱距6m,屋盖采用梯形钢屋架,屋面材料为压型钢板复合板,檩条间距1.5m,屋面坡度i = 1/10,屋面活荷载标准值为0.5kN/m2,当地基本风压为0.55kN/m2,屋架简支于钢筋混凝土柱上,混凝土强度等级C30,柱截面400mm×400mm。
其他设计资料如下:A.跨度B.永久荷载注:表中给出的永久荷载尚未包含屋架和支撑自重。
C.雪荷载D.积灰荷载二、题目分配注:土木07-1班执行D1组合;土木07-2班执行D2组合;土木07专升本执行D3组合。
各班学生在题目分配表中找到自己学号所对应的设计资料并结合各自班级的D组合进行设计。
三、设计要求计算书:内容应详尽,主要内容应包括:设计任务书,材料选择,屋架形式、几何尺寸,支撑布置,荷载汇集,杆件内力计算及组合,杆件截面选择,典型节点设计(屋脊、跨中拼接节点,上下弦节点)等。
图纸:应符合制图规范及要求,表达应完整;绘制要求:主要图面应绘制正面图、上下弦平面图,必要的侧面图、剖面图,以及某些安装节点或特殊零件的大样图;在图的左上角绘制屋架简图,并注明杆件几何长度(左半跨)及杆件内力设计值(右半跨),图面右侧应绘制材料表及编写有关文字说明,如钢材型号、(注:采用A1图纸594mm×841mm)附加说明、焊条型号、焊接方法、质量要求等。
四、主要参考资料1. 戴国欣主编.钢结构(第三版).武汉:武汉理工大学出版社,20072. 夏志斌,姚谏.钢结构—原理与设计.北京:中国建筑工业出版社,20043. 张耀春主编.钢结构设计原理.北京:高等教育出版社,20044. 汪一骏等.钢结构设计手册(第三版).北京:中国建筑工业出版社,20045. 建筑结构荷载规范(GB50009—2001 )6. 钢结构设计规范(GB50017—2003)7. 建筑结构制图标准(GB/T50105—2001)1、设计资料(1)某厂房跨度为24m,总长96m,柱距6m,檩条间距1.5m。
普通钢屋架设计--------焊接梯形钢屋架设计-、设计资料1、某一单层单跨工业厂房,总长度为102m,跨度为24m。
2、厂房柱距6m,钢筋混凝土柱,混凝土的强度等级C20,柱头截面为400mm×400mm,屋架采用梯形钢屋架,其两端铰支于钢劲混凝土柱上。
3、车间设有两台中级工作制桥式吊车,一台150T,一台30T,吊车平台标高+12.000m。
4、荷载标准值(按水平投影面计):(1)永久荷载:二毡三油(上铺绿豆砂)防水层0.4 KN/ m水泥砂浆找平层0.4 KN/ m2保温层0.5 KN/ m2一毡二油隔气层0.05 KN/ m2预应力混凝土大型屋面板 1.4 KN/ m2屋架及支撑自重0.384KN/m2(2)可变荷载:屋面活荷载标准值0.7KN/ m2荷载标准值 0.35 K N/ m2积灰荷载标准值 1.3KN/ m25.屋架计算跨度,几何尺寸及屋面坡度如图所示由上图可知:屋架的计算跨度:Lo=24000-2×150=23700mm,端部高度:h=1990mm(轴线处)。
6、钢材Q235钢、角钢、钢板各种规格齐全;有各种类型的焊条和C级螺栓可供用。
7、钢屋架的制造、运输和安装条件:在金属结构厂制造,运往工地安装,最大的运输长度16m,运输高度3.85m,工地有足够的起重安装条件。
二、设计内容一)、屋盖的支撑系统布置(1)屋架上弦支撑系统的具体布置对上弦平面,横向支撑应设置在房屋两端的第一个柱间内,为了增加屋盖的刚性,两道横向支撑的间距不宜超过60m。
所以在屋盖中间应设置一道横向支撑,由于屋架跨度L≤30m应在屋架中坚和两端设置垂直支撑,无垂直支撑的其他柱间的屋架点间应设纵向系杆与之相连。
上弦支撑具体布置图如下(2)下弦平面支撑系统布置同上弦平面支撑一样,设置相应的横向支撑、垂直支撑和系杆,加之纵向支撑一般设在屋架两端的节点间处,仅当房屋的跨度和高度较大、或房屋为厂房并设有壁行吊车或有较大震动设备,因而对房屋的整体刚度要求较高时设置之,对梯形屋架一般设置在下弦平面。
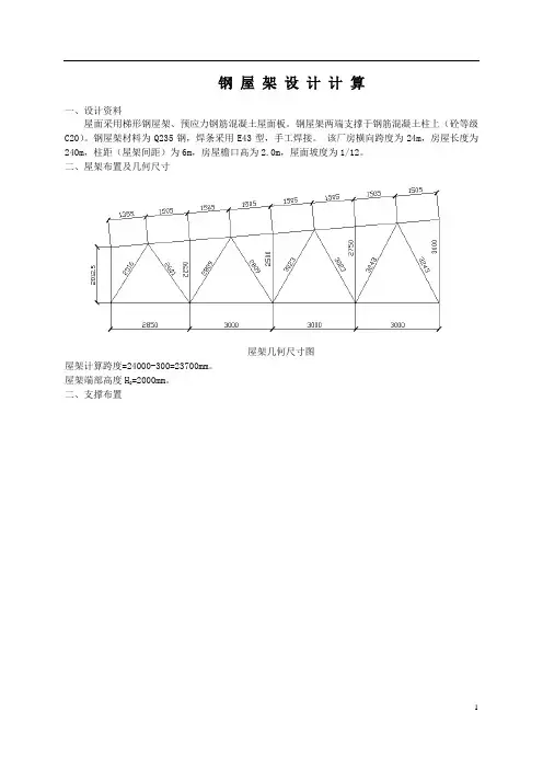
钢屋架设计计算一、设计资料屋面采用梯形钢屋架、预应力钢筋混凝土屋面板。
钢屋架两端支撑于钢筋混凝土柱上(砼等级C20)。
钢屋架材料为Q235钢,焊条采用E43型,手工焊接。
该厂房横向跨度为24m,房屋长度为240m,柱距(屋架间距)为6m,房屋檐口高为2.0m,屋面坡度为1/12。
二、屋架布置及几何尺寸屋架几何尺寸图屋架计算跨度=24000-300=23700mm。
屋架端部高度H0=2000mm。
二、支撑布置三、荷载计算1、荷载永久荷载预应力钢筋混凝土屋面板(包括嵌缝) 1500N/m2 =1.5 KN/m2屋架自重(120+11×24)=0.384 KN/m2防水层 380N/m2 =0.38 KN/m2找平层2cm厚 400N/m2 =0.40 KN/m2保温层 970N/m2 =0.97 KN/m2支撑自重 80N/m2 =0.08 KN/m2小计∑3.714 KN/m2可变荷载活载 700N/m2=0.70 KN/m2以上荷载计算中,因屋面坡度较小,风荷载对屋面为吸力,对重屋盖可不考虑,所以各荷载均按水平投影面积计算。
永久荷载设计值:1.2×3.714=4.457kN/m2可变荷载设计值:1.4×0.7=0.98kN/m22、荷载组合设计屋架时,应考虑以下三种荷载组合:(1)全跨永久荷载+全跨可变荷载屋架上弦节点荷载:P=(4.457+0.98)×1.5×6=48.93kN(2)全跨永久荷载+半跨可变荷载屋架上弦节点荷载:P1=4.457×1.5×6=40.11kN P2=0.98×1.5×6=8.82kN(3)全跨屋架与支撑+半跨屋面板+半跨屋面活荷载全跨屋架和支撑自重产生的节点荷载:P3=1.2×(0.384+0.08)×1.5×6=5.01kN作用于半跨的屋面板及活载产生的节点荷载:取屋面可能出现的活载P4=(1.2×1.5+1.4×0.7)×1.5×6=25.02kN以上1),2)为使用阶段荷载组合;3)为施工阶段荷载组合。
跨度21⽶梯形钢屋架课程设计计算书梯形钢屋架课程设计⼀、设计资料(1)、某⼯业⼚房,建筑地点在太原市,屋盖拟采⽤钢结构有檩体系,屋⾯板采⽤100mm厚彩钢复合板(外侧基板厚度0.5mm,内侧基板厚度0.4mm,夹芯材料选⽤玻璃丝棉,屋⾯板⾃重标准值按0.20 kN/m2计算),檩条采⽤冷弯薄壁C型钢。
屋架跨度21m,屋⾯排⽔坡度i=1:10,有组织排⽔。
屋架⽀承在钢筋混凝⼟柱(C30)上,柱顶标⾼9.0m,柱距6m,柱截⾯尺⼨为400×400mm。
⼚房纵向长度60m。
基本风压0.40KN/m2,基本雪压0.35KN/m2。
不考虑积灰荷载。
注:屋架、檩条、拉条及⽀撑⾃重标准值可按下列数值考虑:0.30kN/m2(6.0m)(2)、屋架计算跨度:L0=21-2×0.15=20.7m(3)跨中及端部⾼度:屋盖拟采⽤钢结构有檩体系,屋⾯排⽔坡度i=1:10,取屋架在21m轴线处的端部⾼度h0’=1.99m, 屋架的中间⾼度h=3.025m,则屋架在20.7m,两端的⾼度为h o=2.004m。
⼆、结构形式与布置屋架形式及⼏何尺⼨如图2-1所⽰根据⼚房长度(60m),跨度及荷载情况,设置两道上下横向⽔平⽀撑。
因为柱⽹采⽤封闭形式,⼚房横向⽔平⽀撑设在两端第⼆柱间,图2-1梯形屋架形式和⼏何尺⼨在第⼀柱间的上弦平⾯设置了刚性系杆,以保证安装时的稳定。
在第⼀柱间的下弦平⾯也设置了刚性系杆,以传递⼭墙风荷载。
梯形钢屋架⽀撑布置如图2-2.桁架上弦⽀撑布置图桁架下弦⽀撑布置图垂直⽀撑布置1-1垂直⽀撑布置2-2SC—上弦⽀撑XC—下弦⽀撑CC—垂直⽀撑GG—刚性系杆LG—柔性系杆图2-1梯形屋架⽀撑布置图三、荷载计算荷载:屋架的受荷⽔平投影⾯积为:22602A>==,故按mm612621m《建筑结构荷载规范》取屋⾯活荷载(按不上⼈屋⾯)标准值为0.5kN/m2,雪荷载为0.35kN/m2,取屋⾯活荷载与雪荷载中较⼤值0.5kN/m2。
钢结构课程设计班级:姓名:学号:指导老师:201X年 12月 30日梯形钢屋架课程设计一、设计资料(1) 题号72,屋面坡度1:10,跨度30m ,长度102m ,,地点:哈尔滨,基本风压:0.45kN/m 2,基本雪压:0.45 kN/m 2。
该车间内设有两台200/50kN 中级工作制吊车,轨顶标高为8.000m 。
(2) 采用1.5m ×6m 预应力混凝土大型屋面板,80mm 厚泡沫混凝土保护层,卷材屋面,屋面坡度i=1/10。
屋面活荷载标准值0.7kPa ,血荷载标准值为0.1 kN/m 2,积灰荷载标准值为0.6 kN/m 2。
屋架绞支在钢筋混凝土柱上,上柱截面为400mm ×400mm 。
(3) 混凝土采用C20,,钢筋采用Q235B 级,焊条采用 E43型。
(4) 屋架计算跨度:l 0=30m-2×0.15m=29.7m(5) 跨中及端部高度:采用无檩无盖方案。
平坡梯形屋架,取屋架在30m 轴线处的端部高度m h 210.20=',屋架的中间高度h=3.710(为lo/8)。
屋架跨中起拱按500/0l 考虑,取60mm 。
二、结构形式与布置屋架形式及几何尺寸如下图:梯形钢屋架支撑布置如下图:1、荷载计算屋面荷载与雪荷载不会同时出现,计算时取较大值进行计算,故取屋面活荷载0.7 kN/m2进行计算。
屋架沿水平投影面积分布的自重(包括支撑)按经验公式2(0.120.011)/k g l kN m =+计算,跨度单位为米(m )。
荷载计算表如下:荷载名称标准值(kN/m 2)设计值(kN/m 2) 预应力混凝土大型屋面板 1.41.4×1.35=1.89三毡四油防水层 0.4 0.4×1.35=0.54 找平层(厚20mm) 0.2×20=0.4 0.4×1.35=0.54 80厚泡沫混凝土保护层 0.08×6=0.480.48×1.35=0.648 屋架和支撑自重 0.12+0.011×030=0.450.45×1.35=0.608 管道荷载 0.1 0.1×1.35=0.135永久荷载总和 3.23 4.361 屋面活荷载 0.7 0.7×1.4=0.98 积灰荷载 0.6 0.6×1.4=0.84可变荷载总和 1.31.82设计屋架时,应考虑以下三种荷载组合 (1) 全跨永久荷载+全跨可变荷载:kN F 629.5565.1)82.1361.4(=⨯⨯+=(2) 全跨永久荷载+半跨可变荷载 全跨节点永久荷载:kN F 249.3965.1361.41=⨯⨯=半跨节点可变荷载:kN F 38.1665.182.12=⨯⨯=(3)全跨屋架(包括支撑)自重+半跨屋面板自重+半跨屋面活荷载 全跨节点屋架自重:kN F 47.565.1608.03=⨯⨯=半跨接点屋面板自重及活荷载:kN F 83.2565.1)98.089.1(4=⨯⨯+=(1)、(2)为使用节点荷载情况,(3)为施工阶段荷载情况。
18米跨度钢结构课程设计-示例钢结构课程设计示例附录A 梯形钢屋架设计示例-、设计资料某一单层单跨工业长房。
厂房总长度为120m,柱距6m,跨度为18m。
车间内设有两台中级工作制桥式吊车。
该地区冬季最低温度为-20℃。
屋面采用1.5m×6.0m预应力大型屋面板,屋面坡度为i=1:10。
上铺120mm厚泡沫混凝土保温层和三毡四油防水层等。
屋面活荷载标准值为0.7kN/㎡,雪荷载标准值为0.5kN/㎡,积灰荷载标准值为0.75kN/㎡。
屋架采用梯形钢屋架,其两端铰支于钢劲混凝土柱上。
柱头截面为400mm×400mm,所用混凝土强度等级为C20。
根据该地区的温度及荷载性质,钢材采用Q235B,其设计强度f=215kN/㎡,焊条采用E43型,手工焊接。
构件采用钢板及热轧钢劲,构件与支撑的连接用M20普通螺栓。
屋架的计算跨度:Lo=18000-2×150=17700mm,端部高度:h=2000mm(轴线处),h=2015mm(计算跨度处),中部高度2900mm。
二、结构形式与布置屋架形式及几何尺寸见图A-1所示。
图A-1 屋架形式及几何尺寸屋架支撑布置见图B-2所示。
符号说明:GWJ-(钢屋架);SC-(上弦支撑):XC-(下弦支撑); CC-(垂直支撑);GG-(刚性系杆);LG-(柔性系杆)图A-2 屋架支撑布置图三、荷载与内力计算1.荷载计算荷载与雪荷载不会同时出现,故取两者较大的活荷载计算。
永久荷载标准值防水层(三毡四油上铺小石子) 0.35kN/㎡找平层(20mm厚水泥砂浆) 0.02×20=0.40kN/㎡保温层(120mm厚泡沫混凝土) 0.12×6=0.70kN/㎡预应力混凝土大型屋面板 1.40kN/㎡钢屋架和支撑自重 0.12+0.011×18=0.318kN/㎡管道设备自重 0.10 kN/㎡总计 3.068kN/㎡可变荷载标准值雪荷载 0.75kN/㎡积灰荷载 0.50kN/㎡总计 1.25kN/㎡永久荷载设计值 1.2×3.387=4.0644 kN/㎡(由可变荷载控制)可变荷载设计值 1.4×1.25=1.75kN/㎡2.荷载组合设计屋架时,应考虑以下三种组合:组合一全跨永久荷载+全跨可变荷载屋架上弦节点荷载 P=(4.0644+1.75) ×1.5×6=52.3296 kN组合二全跨永久荷载+半跨可变荷载屋架上弦节点荷载P=4.0644×1.5×6=36.59 kN1P=1.75×1.5×6=15.75 kN2组合三全跨屋架及支撑自重+半跨大型屋面板重+半跨屋面活荷载屋架上弦节点荷载P=0.417×1.2×1.5×6=4.5 kN3P=(1.4×1.2+0.75×1.4) ×1.5×6=24.57 kN43.内力计算本设计采用程序计算杆件在单位节点力作用下各杆件的内力系数,见表A-1。
梯形钢屋架课程设计一、 设计资料(1)题号72,屋面坡度1:10,跨度30m ,长度102m ,,地点:哈尔滨,基本雪压:0.45 kN/m 2,基本风压:0.45kN/m 2。
该车间内设有两台200/50kN 中级工作制吊车,轨顶标高为8.5m 。
采用1.5m ×6m 预应力混凝土大型屋面板,80mm 厚泡沫混凝土保护层,卷材屋面,屋面坡度i=1/10。
屋面活荷载标准值0.7kPa ,血荷载标准值为0.1 kN/m 2,积灰荷载标准值为0.6 kN/m 2。
屋架绞支在钢筋混凝土柱上,上柱截面为400mm ×400mm 。
混凝土采用C20,,钢筋采用Q235B 级,焊条采用 E43型。
(2)屋架计算跨度:l 0=30m-2×0.15m=29.7m 。
(3)跨中及端部高度:采用无檩无盖方案。
平坡梯形屋架,取屋架在30m 轴线处的端部高度m h 005.20='。
屋架跨中起拱按500/0l 考虑,取60mm 。
二、结构形式与布置屋架形式及几何尺寸如下图:根据厂房长度(102>60)、跨度及荷载情况,设置三道上、下弦横向水平支撑。
因柱网采用封闭结合,厂房两端的横向水平支撑设在第一柱间,该水平支撑的规格与中间柱间的支撑规则有所不同。
梯形钢屋架支撑布置如下图:三、荷载计算1、荷载计算屋面荷载与雪荷载不会同时出现,计算时取较大值进行计算,故取屋面活荷载0.7 kN/m 2进行计算。
屋架沿水平投影面积分布的自重(包括支撑)按经验公式2/)11.012.0(m kN l g k +=计算,跨度单位为米(m )。
荷载计算表如下:荷载名称标准值(kN/m 2)设计值(kN/m 2) 预应力混凝土大型屋面板 1.41.4×1.35=1.89三毡四油防水层 0.4 0.4×1.35=0.54 找平层(厚20mm) 0.2×20=0.4 0.4×1.35=0.54 80厚泡沫混凝土保护层 0.08×6=0.480.48×1.35=0.648 屋架和支撑自重 0.12+0.011×030=0.450.45×1.35=0.608 管道荷载 0.1 0.1×1.35=0.135永久荷载总和 3.23 4.361 屋面活荷载 0.7 0.7×1.4=0.98 积灰荷载 0.6 0.6×1.4=0.84可变荷载总和 0.31.82设计屋架时,应考虑以下三种荷载组合 (1) 全跨永久荷载+全跨可变荷载: 全跨节点永久荷载及可变荷载:kN F 629.5565.1)82.1361.4(=⨯⨯+=(2) 全跨永久荷载+半跨可变荷载 全跨节点永久荷载:kN F 249.3965.1361.41=⨯⨯=半跨节点可变荷载:kN F 38.1665.182.12=⨯⨯=(3)全跨屋架(包括支撑)自重+半跨屋面板自重+半跨屋面活荷载 全跨节点屋架自重:kN F 47.565.1608.03=⨯⨯=半跨接点屋面板自重及活荷载:kN F 31.2365.1)7.089.1(4=⨯⨯+=(1)、(2)为使用节点荷载情况,(3)为施工阶段荷载情况。
梯形钢屋架课程设计计算1.设计资料:1、车间柱网布置:长度90m ;柱距6m ;跨度24m2、屋面坡度:1:103、屋面材料:预应力大型屋面板4、荷载1)静载:屋架及支撑自重0.45KN/m²;屋面防水层0.4KN/m²;找平层0.4KN/m²;大型屋面板自重(包括灌缝)1.4KN/m²。
2)活载:屋面雪荷载0.3KN/m²;屋面检修荷载0.5KN/m²5、材质Q235B钢,焊条E43XX系列,手工焊。
2 . 结构形式与选型屋架形式及几何尺寸如图所示根据厂房长度(90m>60m)、跨度及荷载情况,设置上弦横向水平支撑3道,下弦由于跨度为18m故不设下弦支撑。
梯形钢屋架支撑布置如图所示:3 . 荷载计算屋面活荷载0.7KN/m²进行计算。
荷载计算表1、全跨永久荷载1F +全跨可变荷载2F2、全跨永久荷载1F +半跨可变荷载2F3、全跨屋架(包括支撑)自重3F +半跨屋面板自重4F +半跨屋面活荷载2F4. 内力计算计算简图如下(c)(b)(a)2F /223//3F 22/F 42F /F 1/2/221//22/F 45. 杆件设计 1、 上弦杆整个上弦采用等截面,按FG 杆件的最大设计内力设计,即N=-210.32KN 上弦杆计算长度:在屋架平面内:0x 0l l 1.508m ==,0y l 2 1.508 3.016m ==×上弦截面选用两个不等肢角钢,短肢相并。
腹杆最大内力N=-115.16 KN ,中间节点板厚度选用6mm ,支座节点板厚度选用8mm设λ=60,φ=0.807,截面积为32N 210.3210A 1327.4mm f 0.807215=××==φ需要回转半径:0x x 0y y l 1.508i m 25.1mm 60l 3.016i m 50.3mm60====λ==λ查表选用2┐ ┌ 110×70×6上弦截面110×70×6xxyy验算0x x x 0yy y l 1508m 75.0mm i 20.1l 3016m 85.2mmi 35.4==λ==λ==满足长细比要求,y x >λλ查表y 3y 0.655N 210.3210a a A 0.6552120××φ===151.5M P <215M P φ满足要求其余计算结果见下表 屋架杆件截面选择表6、 节点设计1. 下弦节点用E43型焊条角焊缝的抗拉和抗压、抗剪强度设计值w f f =160MPa 。
-、设计资料1、某工厂车间,采纳梯形钢屋架无檩屋盖方案,厂房跨度取27m,长度为102m,柱距 6m。
采纳× 6m 预应力钢筋混凝土大型屋面板,保温层、找平层及防水层自重标准值为 m2。
屋面活荷载标准值为 m2,雪荷载标准值 m2,积灰荷载标准值为 m2,轴线处屋架端高为,屋面坡度为 i=1/12,屋架铰接支承在钢筋混凝土柱上,上柱截面 400mm× 400mm,混凝土标号为 C25。
钢材采纳 Q235B 级,焊条采纳E43 型。
2、屋架计算跨度:Lo=27m- 2× =3、跨中及端部高度:端部高度: h′=1900mm(端部轴线处),h=1915mm(端部计算处)。
屋架中间高度h=3025mm。
二、结构形式与部署屋架形式及几何尺寸如图一所示:2、荷载组合设计桁架时,应试虑以下三种组合:①全跨永远荷载+全跨可变荷载(按永远荷载为主控制的组合):全跨节点荷载设计值: F=× +×× +×× ×× 6=图三桁架计算简图本设计采纳程序计算结构在单位节点力作用下各杆件的内力系数,见表一。
内力系数( F=1)第二种组合第三种组合计算杆件杆件名称左半跨右半跨第一种组F1×①F1×①F3×①F3×①全跨①合 F×①内力( KN)②③+F2×②+F2×③+F4×②+F4×③AB000000000上弦 BC,CDDE,EFFG,GHHJIJ,JKabbc下cd弦deefaBBbbDDccFFd斜 dH腹He杆eggKgI0Aa0Cb Ec-1-10竖Gd-1-10杆Jg-1-10Ie0Kf000000000四、杆件截面设计1、上弦杆:IJ、 JK计算,依据表得:整个上弦杆采纳相等截面,按最大设计内力N= ,屋架平面内计算长度为节间轴线长度,即:l ox =1355mm,本屋架为无檩体系,以为大型屋面板只起刚性系杆作用,不起支撑作用,依据支撑部署和内力变化状况,取屋架平面外计算长度 l oy为支撑点间的距离,即: l oy=3l ox=4065mm。
钢结构屋架设计一、设计资料:某厂房总长90m,跨度24m,结构形式为钢筋混凝土柱,梯形钢屋架。
柱的混凝土强度等级为C30,屋面坡度为i=1:10;L为屋架跨度。
地区计算温度高于—20℃,无侵蚀性介质,地震设防烈度为8度,屋架下弦标高为18m;厂房内桥式吊车为2台150/30 t(中级工作制),锻锤为2台5t 。
屋架形式及荷载屋架形式、几何尺寸及内力系数(节点荷载P=作用下杆件的内力)如附表图所示。
屋架采用Q345钢,焊条为E50型。
保温层积灰荷载。
3屋盖结构及荷载(1)无檩体系:采用×预应力混凝土屋板(考虑屋面板起系杆作用)荷载:①屋架及支撑自重:按经验公式q=+,L为屋架跨度,以m 为单位,q为屋架及支撑自重,以KN/m2为单位;②屋面活荷载:施工活荷载标准值为KN/m2,雪荷载的基本雪压标准值为S=KN/m2,施工活荷载标准值与雪荷载不同时考虑,而是取两者的较大值;积灰荷载根据不同学号按附表取③屋面个构造层的荷载标准值:三毡四油(上铺绿豆沙)防水层KN/m2水泥砂浆找平层KN/m2保温层 KN/m2一毡二油隔气层KN/m2水泥砂浆找平层KN/m2预应力混凝土屋面板KN/m2二、屋架结构形式与选型(如图)三、荷载及内力计算1.永久荷载标准值三毡四油(上铺绿豆沙)防水层 KN/m2水泥砂浆找平层 KN/m2保温层 KN/m2一毡二油隔气层 KN/m2水泥砂浆找平层 KN/m2预应力混凝土屋面板 KN/m2屋架及支撑自重 +×24=m2悬挂管道 KN/m2总计 m2可变荷载标准值屋面活荷载 KN/m2积灰荷载 KN/m2总计2.荷载组合按可变荷载效应控制的组合:F d=×+×+××××6=按永久荷载效应控制的组合:F d=×+××+××××6=故节点荷载取3.内力计算全跨荷载作用下屋架杆件内力见图4截面选择(1)上弦整个上弦不改变截面,按最大内力计算:N max =,l ox =,l oy = (l 1去两块屋面板宽度) 选用2∟110×10,A=,i x = i y =λx =ix lox =38.38.150= λy =iy loy =00.5300=60<[λ]=150,ϕ=(b 类) 双脚刚T 型钢截面绕对称轴(y )轴应按弯扭屈曲计算长细比λyzt b =0.111=11<b loy 58.0=1130058.0⨯=,故 λyz=λy (1+224475.0tloy b )=60×(1+2240.130011475.0⨯)=>λy 故由λmax =λyz = 按b 类查附表得ϕ=,故 σ=A N ϕ=42.520.7812995⨯= N/mm 2<310 N/mm 2 填板每个节间放一块(满足l 1范围内不少于两块)la=<40i=40×= (2)下弦整个下弦不改变截面,按最大内力计算: N max =,l ox =300cm ,l oy =1200cm选用2∟140×90×8(短肢相并),A=36cm 2,i x = i y =λx =ix lox =59.2300=<[λ]=350 λy =iy loy =80.61200=<[λ]=350; σ=A N ϕ=42.520.7812995⨯= N/mm 2<310 N/mm 2 填板每个节间放一块,l 1=150cm <80i=40×=360cm(3)斜腹杆①杆件B-a :N=,l ox =l oy =选用2∟125×80×8(长肢相并),A=32cm 2,i x = i y =λx =ix lox =01.45.253=[λ]=150 λy =iy loy =35.35.253=<[λ]=150; t b 2=8.8=10<248.0b loy =85.25348.0⨯=,故λyz=λy (1+22409.1tloy b )=60×(1+2248.05.253809.1⨯)=>λy 故由λyz =按b 类查附表得ϕ=,故 σ=A N ϕ=320.661578.3⨯= N/mm 2<310 N/mm 2 填板放两块:la=<40i=40×=②杆件G-g :N= l ox =231cm l oy =289cm ;由于内力较小可按[λ]选择截面。
. . .. ..一、设计资料:1.结构形式: 某厂房总长度90m,跨度为18m.,纵向柱距6m,采用梯形钢屋架,无檩屋盖体系,采用1.5×6.0m预应力混凝土屋面板,屋架铰支于钢筋混凝土柱上,上柱截面400x400,柱的混凝土强度等级为C30,屋面坡度i=1/10。
地区计算温度高于-200C,无侵蚀性介质,地震设防烈度为8度,屋架下弦标高为18m;厂房内桥式吊车为2台150/30t(中级工作制),锻锤为2台5t。
2. 屋架形式及荷载:屋架形式、几何尺寸及内力系数(节点荷载P=1.0作用下杆件的内力)如附图所示。
屋架采用的钢材为:Q235钢;焊条为:E43型。
3.荷载标准值(水平投影面计)荷载:①屋架及支撑自重:按经验公式q=0.12+0.011L,L为屋架跨度,以m为单位,q为屋架及支撑自重,以KN/m2为单位;②可变荷载:活荷载标准值为0.7KN/m2,雪荷载的基本雪压标准值为S=0.35KN/m2,0活荷载与雪荷载不同时考虑,而是取两者的较大值。
积灰荷载标准值: 0.7KN/m2③屋面各构造层的荷载标准值:三毡四油(上铺绿豆砂)防水层 0.4KN/m2水泥砂浆找平层 0.4KN/m2保温层: 0.4KN/m2一毡二油隔气层 0.05KN/m2水泥砂浆找平层 0.3KN/m2预应力混凝土屋面板 1.45KN/m2二、结构形式与布置图:屋架支撑布置图如下图所示。
符号说明:WGJ-钢屋架;SC-上弦支撑;XC-下弦支撑;CC-垂直支撑;GG-刚性系杆;LG-柔性系杆Aa+3.4700.000-6.221-8.993-9.102-9.102-6.502-3.382-0.690-0.462+4.739+1.884-0.462-1.0-1.0+0.812-0.5+7.962+9.279+9.279cegBC DE FG 0.5 1.0 1.0 1.0 1.01.01.a.18米跨屋架(几何尺寸)b.18米跨屋架全跨单位荷载作用下各杆件的内力值c . 18米跨屋架半跨单位荷载作用下各杆件的内力值三、荷载与内力计算:1、荷载计算荷载与雪荷载不会同时出现,故取两者较大的活荷载计算。
目录一、设计资料 (1)二、荷载与内力计算 (1)1、荷载计算 (1)2、荷载组合 (1)3、内力计算 (2)三、杆件截面设计 (2)1.上弦杆 (2)2.下弦杆 (4)3.端斜杆 aB (5)4.再分式腹杆 eg-gK (6)5.竖腹杆Ie (7)四、节点设计 (11)1.下弦节点“b” (11)2.上弦节点“B” (13)3.有工地拼接的下弦节点“f” (15)4.屋脊节点“K” (17)5.支座节点“a” (19)五、填板设计 (25)六、材料表 (25)附表 (27)一、设计资料1、屋架铰支于钢筋混凝土柱顶,混凝土标号 C25;2、车间柱网布置:柱距 9m ;跨度 L=20m ;3、上弦平面侧向支撑间距为两倍节间长度,下弦平面在柱顶和跨中各设一道纵向系杆;4、屋面坡度 1:10;5、钢材采用 Q235B 钢,焊条为 E43XX 系列,手工焊;6、屋面荷载标准值见表 1表1 荷载标准值7、屋架计算跨度:020.152020.1519.7m l L =-⨯=-⨯=,屋架形式和几何尺寸如图1 所示。
图1 屋架形式及几何尺寸二、荷载与内力计算1、荷载组合由永久荷载起控制作用:21.35 3.064 1.40.70.5 1.40.91 5.8864/KN m ⨯+⨯⨯+⨯⨯= 由可变荷载起控制作用:21.2 3.064 1.41 1.40.70.5 5.5668/KN m ⨯+⨯+⨯⨯=3、内力组合设计屋架时,应考虑以下三种组合:(1) 组合一:全跨永久荷载+全跨可变荷载。
根据荷载规范,具体有以下2 种情况21.2 1.4 1.2 1.45 1.40.75 2.79kN/m D L +=⨯+⨯=21.35 1.40.7 1.35 1.45 1.40.70.75 2.69kN/m D L +⨯=⨯+⨯⨯= 所以组合一屋架上弦节点荷载为2.79 1.51250.22kN P qA ==⨯⨯= (2) 组合二:全跨永久荷载+半跨可变荷载。
梯形钢屋架设计实例1、题号60的已知条件是:梯形钢屋架跨度为30m,长度72m,柱距6m。
停车库内无吊车、无振动设备。
采用拱形彩色钢板屋面,80mm厚泡沫混凝土保温层,卷材屋面,屋面坡度i=1/10。
不上人屋面活荷载标准值为1.1kPa,雪荷载标准值为0.5kN/2m,积灰荷载标准值为0.6 kN/2m。
屋架铰支在钢筋混凝土柱上,上柱截面为400mm×400mm,混凝土标号为C30。
钢材采用Q235B级,焊条采用E43型。
要求设计钢屋架并绘制施工图。
2、屋架计算跨度:03020.1529.7l m m m=-⨯=3、跨中及端部高度:本例题设计为无檩屋盖方案,采用平坡梯形屋架,取屋架端部高度02000h mm'=,屋架的中间高度:3500h mm=。
4、结构型式与布置①屋盖结构体系a、无檩设计方案在钢屋架上直接放置预应力钢筋混凝土大型屋面板,其上铺设保温层和防水层。
这种方案最突出的优点是屋盖的横向刚度大,整体性好,所以对结构的横向刚度要求高的厂房宜采用无檩设计方案。
但因屋面板的自重大,屋盖结构自重大,抗震性能较差。
b、有檩设计方案在钢屋架上设置檩条,檩条上面再铺设轻型屋面材料,如石棉瓦、压型钢板等。
对于横向刚度要求不高,特别是不需要做保温层的中小型厂房,宜采用有檩设计方案。
②本方案采用有檩屋盖,屋架型式及几何尺寸如图1、图2所示。
图1 半跨梯形钢屋架形式和几何尺寸图2 全跨梯形钢屋架形式和几何尺寸根据厂房长度(72m>60m)、跨度及荷载情况,设置三道上、下弦横向水平支撑。
因柱网采用封闭结合,厂房两端的横向水平支撑设在第一柱间,该水平支撑的规格与中间柱间支撑的规格有所不同。
在所有柱间的上弦平面设置了刚性与柔性系杆,以保证安装时上弦杆的稳定,在各柱间下弦平面的跨中及端部设置了柔性系杆,以传递山墙风荷载。
在设置横向水平支撑的柱间,于屋架跨中和两端各设一道垂直支撑。
梯形钢屋架支撑布置如图3所示。
第一章:设计资料某单跨单层厂房,跨度L=24m,长度54m,柱距6m,厂房内无吊车、无振动设备,屋架铰接于混凝土柱上,屋面采用1.5*6.0m太空轻质大型屋面板。
钢材采用Q235-BF,焊条采用E43型,手工焊。
柱网布置如图2.1所示,杆件容许长度比:屋架压杆【λ】=150屋架拉杆【λ】=350。
第二章:结构形式与布置2.1 柱网布置图2.1 柱网布置图2.2屋架形式及几何尺寸由于采用大型屋面板和油毡防水屋面,故选用平坡梯形钢屋架,未考虑起拱时的上弦坡度i=1/10。
屋架跨度l=24m,每端支座缩进0.15m,计算跨度l0=l-2*0.15m=23.7m;端部高度取H0=2m,中部高度H =3.2m;起拱按f=l0/500,取50mm,起拱后的上弦坡度为1/9.6。
配合大型屋面板尺寸(1.5*6m),采用钢屋架间距B=6m,上弦节间尺寸1.5m。
选用屋架的杆件布置和尺寸如施工图所示。
图2.2 屋架的杆件尺寸2.3支撑布置由于房屋较短,仅在房屋两端5.5m开间内布置上、下弦横向水平支撑以及两端和中央垂直支撑,不设纵向水平支撑。
中间各屋架用系杆联系,上下弦各在两端和中央设3道系杆,其中上弦屋脊处与下弦支座共三道为刚性系杆。
所有屋架采用统一规格,但因支撑孔和支撑连接板的不同分为三个编号:中部6榀为WJ1a ,设6道系杆的连接板,端部第2榀为WJ1b,需另加横向水平支撑的的连接螺栓孔和支撑横杆连接板;端部榀(共两榀)为WJ1c。
图2.3 上弦平面12W J 1cW J 1bW J 1aW J 1aW J 1aW J 1aW J 1aW J 1b1W J 1c2W J 1a1---12---2图2.3下弦平面与剖面第三章:荷载计算及杆件内力计算 3.1屋架荷载计算表3.1 屋架荷载计算表 分类荷载项目名称荷载大小(KN/m 2)组合系数(KN/m 2) 组合值(KN/m 2)恒载1 太空轻质大型屋面板 0.85 1.351.148 2 防水层0.100.1353 屋架及支撑自重0.150.2034 悬挂管道 0.05 0.068 和 ――1.15 1.553 活载 屋面活荷载 0.5 1.4 0.70 总荷载――――――2.253.2屋架杆件内力系数屋架上弦左半跨单位节点荷载作用下的杆件内力系数经计算如图所示。
设计资料某工程为跨度24m的单跨双坡封闭式厂房,厂房长54m,采用梯形钢屋架,屋面坡度i=1/10,屋架间距为6m,屋架铰支于钢筋混凝土柱柱顶。
屋面材料采用1.5*6m钢筋混凝土大型屋面板,屋面板上设150加气混凝土保温层,再设20水泥砂浆找平层,防水屋面为二毡三油上铺小石子。
上弦节间尺寸1.5m,结构重要性系数为γ0=1.0,地区基本风压w0=0.45kN/m2,基本雪压s0=0.70 kN/m2,冬季室外计算温度-200C,不考虑地震设防。
1.屋架形式、尺寸、材料选择及支撑布置本设计为无檩屋盖方案,采用平坡梯形屋架。
屋架计算跨度Lo=L-300=23700mm,端部高度Ho=1990mm,中部高度H=3190mm(为Lo/7.4),屋架构件的几何尺寸长度详见施工图纸GWJ24-A1(跨中起拱L/500)。
根据构造地区的计算温度和荷载性质,钢材采用Q235B。
焊条采用E43型,手工焊。
根据车间长度,屋架跨度和荷载情况,设置上下弦横向水平支撑、垂直支撑和系杆,见图1。
(放在最后)(参照桌面)2.荷载计算和内力计算(1)荷载计算大型屋面板 1.5KN/m2两毡三油上铺小石子0.35KN/m2找平层(2cm厚)0.4KN/m2150mm加气混凝土保温层0.9KN/m2悬挂管道0.10KN/m2屋架及支撑自重0.39KN/m2恒荷载总和 3.64KN/m2雪荷载0.7KN/m2活荷载0.5KN/m2可变荷载总和:0.7KN./m2 活荷载与雪荷载两者中取较大植参与组合。
由于屋面的风载体型系数,迎风面为-0.6,背风面为-0.5,宾个取风荷载沿高度变化系数为1.25,可得负风压设计值:W=-1.4×0.6×1.25×0.45=-0.473 KN/m2迎风面:1W=-1.4×0.5×25×0.45=-0.394 KN/m2背风面:2W2W垂直于水平面的分力接近于荷载分项系数取1.0的永久荷载,所以受拉杆件在由于1永久荷载和风荷载联合作用下将受压,但压力很小,因此可以不计算荷载产生的内力,只将所有拉杆的长细比控制在250以内。
梯形钢屋架设计实例
梯形钢屋架设计实例
1、题号60的已知条件是:梯形钢屋架跨度为30m ,长度72m ,柱距6m 。
停车库内无吊车、无振动设备。
采用拱形彩色钢板屋面,80mm 厚泡沫混凝土保温层,卷材屋面,屋面坡度i =1/10。
不上人屋面活荷载标准值为1.1kPa ,雪荷载标准值为0.5kN/2
m ,积灰荷载标准值为0.6 kN/2
m 。
屋架铰支在钢筋
混凝土柱上,上柱截面为400mm×400mm ,混凝土标号为C30。
钢材采用Q235B 级,焊条采用E43型。
要求设计钢屋架并绘制施工图。
2、屋架计算跨度:
03020.1529.7l m m m
=-⨯=
3、跨中及端部高度:
本例题设计为无檩屋盖方案,采用平坡梯形屋架,取屋架端部高度0
2000h mm '=,屋架的中间高度:3500h mm =。
4、结构型式与布置
①屋盖结构体系 a 、无檩设计方案
在钢屋架上直接放置预应力钢筋混凝土大型屋面板,其上铺设保温层和防水层。
这种方案最突出的优点是屋盖的横向刚度大,整体性好,所以对结构的横向刚度要求高的厂房宜采用无檩设计方案。
但因屋面板的自重大,屋盖结构自重大,抗震性能较差。
b 、有檩设计方案
在钢屋架上设置檩条,檩条上面再铺设轻型屋面材料,如石棉瓦、压型钢板等。
对于横向刚度要求不高,特别是不需要做保温层的中小型厂房,宜采用有檩设计方案。
②本方案采用有檩屋盖,屋架型式及几何尺寸如图1、图2所示。
图1 半跨梯形钢屋架形式和几何尺寸
图2 全跨梯形钢屋架形式和几何尺寸
根据厂房长度(72m>60m)、跨度及荷载情况,设置三道上、下弦横向水平支撑。
因柱网采用封闭结合,厂房两端的横向水平支撑设在第一柱间,该水平支撑的规格与中间柱间支撑的规格有所不同。
在所有柱间的上弦平面设置了刚性与柔性系杆,以保证安装时上弦杆的稳定,在各柱间下弦平面的跨中及端部设置了柔性系杆,以传递山墙风荷载。
在设置横向水平支撑的柱间,于屋架跨中和两端各设一道垂直支撑。
梯形钢屋架支撑布置如图3所示。
图3.1 桁架上弦支撑
布置图
图3.2 桁架下弦支
撑布置图
图3.3垂直支撑1-1
垂直支撑2-2 SC-上弦支撑;XC-下弦支撑;CC-垂直支撑;GG-刚性系杆;LG-柔性系杆
图3.4梯形钢屋架支撑布置
5、荷载计算
屋面和荷载与雪荷载不会同时出现,计算时,取较大的荷载标准
值进行计算。
故取屋面活荷载1.1kN/2m进行计算。
檩条采用卷边C型,型号180×70×20×2.5,自重为7.05kg/m。
屋架沿水平投影面积分布的自重(包括支撑)按经验公式(P0.120.011L
=)计算,跨度单位为m。
+
表1 荷载计算表
荷载名称标准值
拱形彩色钢板
m)
0.3(kN/2
80mm厚泡沫混凝土保温层
m)
0.08×5=4(kN/2
+⨯=0.45
屋架和支撑自重0.120.01130
m)
(kN/2
檩条
70.5(kN/m)
永久荷载总和
F1=465.95 kN
屋面活荷载
m)
1.1(kN/2
可变荷载总和
F2=9.9 kN
设计屋架时,应考虑以下三种荷载组合:
(1)全跨永久荷载+全跨可变荷载
(2)全跨永久荷载+半跨可变荷载
(3)全跨屋架(包括支撑)自重+半跨屋面板自重+半跨屋面活荷载
6、内力计算
屋架在上述三种荷载组合作用下的计算简图如图7所示。
(a)左半跨
(b)右半跨
(c)全跨
图4 屋架计算简图
由图解法或数解法解得F=1的屋架各杆件的内力系数(F=1作用于全跨、左半跨和右半跨)。
然后求出各种荷载情况下的内力进行组合,计算结果见表2.2。
表2 屋架杆件内力组合表。