幕墙工程隐蔽验收记录--资料员必须掌握的工程资料编制规程C施工资料模板范例
- 格式:doc
- 大小:22.50 KB
- 文档页数:1
幕墙预埋件(后置埋件)施工隐蔽验收记录MQ2.3.1
MQ2.3.1
幕墙预埋件(后置埋件)施工隐蔽验收记录
幕墙预埋件(后置埋件)施工隐蔽验收记录MQ2.3.1
MQ2.3.1
幕墙预埋件(后置埋件)施工隐蔽验收记录
C3#石材幕
墙北立面后置埋件
后置埋件的位
置、标高和牢固度
后置埋件埋入的轴线位置
准确,位置尺寸实测偏差在±
20mm以内;标高实测偏差在
±10mm以内;后置埋件牢固
度符合要求
自
检
结
论
经检查,符合设计要求和《建筑装
饰装修工程质量验收规范》
(GB50210-2001)的规定。
施工单位项目技术负责人:
专职质检员:
年月日
验
收
结
论
监理工程师:
(建设单位项目负责人)
年月
日。
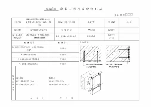
编号:03-02□□□工程名称城厢街道湖头陈社区城中村改造安置房-湖头陈花苑(暂名)一期工程分部(子分部)工程名称幕墙工程项目经理赵小明施工单位龙邦装潢股份有限公司验收部位3#楼东面施工图号施工执行标准名称及编号建筑装饰装修工程质量验收规范《GB50210-2001》分项工程名称/检验批编号预埋件隐蔽联系单号或日期检查项目检查情况说明或简图:1、预埋件、后置埋件的数量、位置及后置埋件的拉拔力符合要求2、各种材料的链接情况符合要求3、金属柜架及连接件的防腐处理符合要求4、变形缝、墙角的链接节点符合要求检查验收意见施工单位项目专业质量检验员(签名):项目专业技术负责人(签名):监理单位专业监理工程师(签名):(建设单位项目专业技术负责人)编号:03-02□□□工程名称城厢街道湖头陈社区城中村改造安置房-湖头陈花苑(暂名)一期工程分部(子分部)工程名称幕墙工程项目经理赵小明施工单位龙邦装潢股份有限公司验收部位3#楼南面施工图号施工执行标准名称及编号建筑装饰装修工程质量验收规范《GB50210-2001》分项工程名称/检验批编号预埋件隐蔽联系单号或日期检查项目检查情况说明或简图:1、预埋件、后置埋件的数量、位置及后置埋件的拉拔力符合要求2、各种材料的链接情况符合要求3、金属柜架及连接件的防腐处理符合要求4、变形缝、墙角的链接节点符合要求检查验收意见施工单位项目专业质量检验员(签名):项目专业技术负责人(签名):监理单位专业监理工程师(签名):(建设单位项目专业技术负责人)编号:03-02□□□工程名称城厢街道湖头陈社区城中村改造安置房-湖头陈花苑(暂名)一期工程分部(子分部)工程名称幕墙工程项目经理赵小明施工单位龙邦装潢股份有限公司验收部位3#楼西面施工图号施工执行标准名称及编号建筑装饰装修工程质量验收规范《GB50210-2001》分项工程名称/检验批编号预埋件隐蔽联系单号或日期检查项目检查情况说明或简图:1、预埋件、后置埋件的数量、位置及后置埋件的拉拔力符合要求2、各种材料的链接情况符合要求3、金属柜架及连接件的防腐处理符合要求4、变形缝、墙角的链接节点符合要求检查验收意见施工单位项目专业质量检验员(签名):项目专业技术负责人(签名):监理单位专业监理工程师(签名):(建设单位项目专业技术负责人)编号:03-02□□□工程名称城厢街道湖头陈社区城中村改造安置房-湖头陈花苑(暂名)一期工程分部(子分部)工程名称幕墙工程项目经理赵小明施工单位龙邦装潢股份有限公司验收部位3#楼北面施工图号施工执行标准名称及编号建筑装饰装修工程质量验收规范《GB50210-2001》分项工程名称/检验批编号预埋件隐蔽联系单号或日期检查项目检查情况说明或简图:1、预埋件、后置埋件的数量、位置及后置埋件的拉拔力符合要求2、各种材料的链接情况符合要求3、金属柜架及连接件的防腐处理符合要求4、变形缝、墙角的链接节点符合要求检查验收意见施工单位项目专业质量检验员(签名):项目专业技术负责人(签名):监理单位专业监理工程师(签名):(建设单位项目专业技术负责人)编号:03-02□□□工程名称城厢街道湖头陈社区城中村改造安置房-湖头陈花苑(暂名)一期工程分部(子分部)工程名称幕墙工程项目经理赵小明施工单位龙邦装潢股份有限公司验收部位4#楼东面施工图号施工执行标准名称及编号建筑装饰装修工程质量验收规范《GB50210-2001》分项工程名称/检验批编号预埋件隐蔽联系单号或日期检查项目检查情况说明或简图:1、预埋件、后置埋件的数量、位置及后置埋件的拉拔力符合要求2、各种材料的链接情况符合要求3、金属柜架及连接件的防腐处理符合要求4、变形缝、墙角的链接节点符合要求检查验收意见施工单位项目专业质量检验员(签名):项目专业技术负责人(签名):监理单位专业监理工程师(签名):(建设单位项目专业技术负责人)编号:03-02□□□工程名称城厢街道湖头陈社区城中村改造安置房-湖头陈花苑(暂名)一期工程分部(子分部)工程名称幕墙工程项目经理赵小明施工单位龙邦装潢股份有限公司验收部位4#楼南面施工图号施工执行标准名称及编号建筑装饰装修工程质量验收规范《GB50210-2001》分项工程名称/检验批编号预埋件隐蔽联系单号或日期检查项目检查情况说明或简图:1、预埋件、后置埋件的数量、位置及后置埋件的拉拔力符合要求2、各种材料的链接情况符合要求3、金属柜架及连接件的防腐处理符合要求4、变形缝、墙角的链接节点符合要求检查验收意见施工单位项目专业质量检验员(签名):项目专业技术负责人(签名):监理单位专业监理工程师(签名):(建设单位项目专业技术负责人)编号:03-02□□□工程名称城厢街道湖头陈社区城中村改造安置房-湖头陈花苑(暂名)一期工程分部(子分部)工程名称幕墙工程项目经理赵小明施工单位龙邦装潢股份有限公司验收部位4#楼西面施工图号施工执行标准名称及编号建筑装饰装修工程质量验收规范《GB50210-2001》分项工程名称/检验批编号预埋件隐蔽联系单号或日期检查项目检查情况说明或简图:1、预埋件、后置埋件的数量、位置及后置埋件的拉拔力符合要求2、各种材料的链接情况符合要求3、金属柜架及连接件的防腐处理符合要求4、变形缝、墙角的链接节点符合要求检查验收意见施工单位项目专业质量检验员(签名):项目专业技术负责人(签名):监理单位专业监理工程师(签名):(建设单位项目专业技术负责人)编号:03-02□□□工程名称城厢街道湖头陈社区城中村改造安置房-湖头陈花苑(暂名)一期工程分部(子分部)工程名称幕墙工程项目经理赵小明施工单位龙邦装潢股份有限公司验收部位4#楼北面施工图号施工执行标准名称及编号建筑装饰装修工程质量验收规范《GB50210-2001》分项工程名称/检验批编号预埋件隐蔽联系单号或日期检查项目检查情况说明或简图:1、预埋件、后置埋件的数量、位置及后置埋件的拉拔力符合要求2、各种材料的链接情况符合要求3、金属柜架及连接件的防腐处理符合要求4、变形缝、墙角的链接节点符合要求检查验收意见施工单位项目专业质量检验员(签名):项目专业技术负责人(签名):监理单位专业监理工程师(签名):(建设单位项目专业技术负责人)编号:03-02□□□工程名称城厢街道湖头陈社区城中村改造安置房-湖头陈花苑(暂名)一期工程分部(子分部)工程名称幕墙工程项目经理赵小明施工单位龙邦装潢股份有限公司验收部位5#楼东面施工图号施工执行标准名称及编号建筑装饰装修工程质量验收规范《GB50210-2001》分项工程名称/检验批编号预埋件隐蔽联系单号或日期检查项目检查情况说明或简图:1、预埋件、后置埋件的数量、位置及后置埋件的拉拔力符合要求2、各种材料的链接情况符合要求3、金属柜架及连接件的防腐处理符合要求4、变形缝、墙角的链接节点符合要求检查验收意见施工单位项目专业质量检验员(签名):项目专业技术负责人(签名):监理单位专业监理工程师(签名):(建设单位项目专业技术负责人)编号:03-02□□□工程名称城厢街道湖头陈社区城中村改造安置房-湖头陈花苑(暂名)一期工程分部(子分部)工程名称幕墙工程项目经理赵小明施工单位龙邦装潢股份有限公司验收部位5#楼南面施工图号施工执行标准名称及编号建筑装饰装修工程质量验收规范《GB50210-2001》分项工程名称/检验批编号预埋件隐蔽联系单号或日期检查项目检查情况说明或简图:1、预埋件、后置埋件的数量、位置及后置埋件的拉拔力符合要求2、各种材料的链接情况符合要求3、金属柜架及连接件的防腐处理符合要求4、变形缝、墙角的链接节点符合要求检查验收意见施工单位项目专业质量检验员(签名):项目专业技术负责人(签名):监理单位专业监理工程师(签名):(建设单位项目专业技术负责人)编号:03-02□□□工程名称城厢街道湖头陈社区城中村改造安置房-湖头陈花苑(暂名)一期工程分部(子分部)工程名称幕墙工程项目经理赵小明施工单位龙邦装潢股份有限公司验收部位5#楼西面施工图号施工执行标准名称及编号建筑装饰装修工程质量验收规范《GB50210-2001》分项工程名称/检验批编号预埋件隐蔽联系单号或日期检查项目检查情况说明或简图:1、预埋件、后置埋件的数量、位置及后置埋件的拉拔力符合要求2、各种材料的链接情况符合要求3、金属柜架及连接件的防腐处理符合要求4、变形缝、墙角的链接节点符合要求检查验收意见施工单位项目专业质量检验员(签名):项目专业技术负责人(签名):监理单位专业监理工程师(签名):(建设单位项目专业技术负责人)编号:03-02□□□工程名称城厢街道湖头陈社区城中村改造安置房-湖头陈花苑(暂名)一期工程分部(子分部)工程名称幕墙工程项目经理赵小明施工单位龙邦装潢股份有限公司验收部位5#楼北面施工图号施工执行标准名称及编号建筑装饰装修工程质量验收规范《GB50210-2001》分项工程名称/检验批编号预埋件隐蔽联系单号或日期检查项目检查情况说明或简图:1、预埋件、后置埋件的数量、位置及后置埋件的拉拔力符合要求2、各种材料的链接情况符合要求3、金属柜架及连接件的防腐处理符合要求4、变形缝、墙角的链接节点符合要求检查验收意见施工单位项目专业质量检验员(签名):项目专业技术负责人(签名):监理单位专业监理工程师(签名):(建设单位项目专业技术负责人)编号:03-02□□□工程名称城厢街道湖头陈社区城中村改造安置房-湖头陈花苑(暂名)一期工程分部(子分部)工程名称幕墙工程项目经理赵小明施工单位龙邦装潢股份有限公司验收部位6#楼东面施工图号施工执行标准名称及编号建筑装饰装修工程质量验收规范《GB50210-2001》分项工程名称/检验批编号预埋件隐蔽联系单号或日期检查项目检查情况说明或简图:1、预埋件、后置埋件的数量、位置及后置埋件的拉拔力符合要求2、各种材料的链接情况符合要求3、金属柜架及连接件的防腐处理符合要求4、变形缝、墙角的链接节点符合要求检查验收意见施工单位项目专业质量检验员(签名):项目专业技术负责人(签名):监理单位专业监理工程师(签名):(建设单位项目专业技术负责人)编号:03-02□□□工程名称城厢街道湖头陈社区城中村改造安置房-湖头陈花苑(暂名)一期工程分部(子分部)工程名称幕墙工程项目经理赵小明施工单位龙邦装潢股份有限公司验收部位6#楼南面施工图号施工执行标准名称及编号建筑装饰装修工程质量验收规范《GB50210-2001》分项工程名称/检验批编号预埋件隐蔽联系单号或日期检查项目检查情况说明或简图:1、预埋件、后置埋件的数量、位置及后置埋件的拉拔力符合要求2、各种材料的链接情况符合要求3、金属柜架及连接件的防腐处理符合要求4、变形缝、墙角的链接节点符合要求检查验收意见施工单位项目专业质量检验员(签名):项目专业技术负责人(签名):监理单位专业监理工程师(签名):(建设单位项目专业技术负责人)编号:03-02□□□工程名称城厢街道湖头陈社区城中村改造安置房-湖头陈花苑(暂名)一期工程分部(子分部)工程名称幕墙工程项目经理赵小明施工单位龙邦装潢股份有限公司验收部位6#楼西面施工图号施工执行标准名称及编号建筑装饰装修工程质量验收规范《GB50210-2001》分项工程名称/检验批编号预埋件隐蔽联系单号或日期检查项目检查情况说明或简图:1、预埋件、后置埋件的数量、位置及后置埋件的拉拔力符合要求2、各种材料的链接情况符合要求3、金属柜架及连接件的防腐处理符合要求4、变形缝、墙角的链接节点符合要求检查验收意见施工单位项目专业质量检验员(签名):项目专业技术负责人(签名):监理单位专业监理工程师(签名):(建设单位项目专业技术负责人)编号:03-02□□□工程名称城厢街道湖头陈社区城中村改造安置房-湖头陈花苑(暂名)一期工程分部(子分部)工程名称幕墙工程项目经理赵小明施工单位龙邦装潢股份有限公司验收部位6#楼北面施工图号施工执行标准名称及编号建筑装饰装修工程质量验收规范《GB50210-2001》分项工程名称/检验批编号预埋件隐蔽联系单号或日期检查项目检查情况说明或简图:1、预埋件、后置埋件的数量、位置及后置埋件的拉拔力符合要求2、各种材料的链接情况符合要求3、金属柜架及连接件的防腐处理符合要求4、变形缝、墙角的链接节点符合要求检查验收意见施工单位项目专业质量检验员(签名):项目专业技术负责人(签名):监理单位专业监理工程师(签名):(建设单位项目专业技术负责人)编号:03-02□□□工程名称城厢街道湖头陈社区城中村改造安置房-湖头陈花苑(暂名)一期工程分部(子分部)工程名称幕墙工程项目经理赵小明施工单位龙邦装潢股份有限公司验收部位7#楼东面施工图号施工执行标准名称及编号建筑装饰装修工程质量验收规范《GB50210-2001》分项工程名称/检验批编号预埋件隐蔽联系单号或日期检查项目检查情况说明或简图:1、预埋件、后置埋件的数量、位置及后置埋件的拉拔力符合要求2、各种材料的链接情况符合要求3、金属柜架及连接件的防腐处理符合要求4、变形缝、墙角的链接节点符合要求检查验收意见施工单位项目专业质量检验员(签名):项目专业技术负责人(签名):监理单位专业监理工程师(签名):(建设单位项目专业技术负责人)编号:03-02□□□工程名称城厢街道湖头陈社区城中村改造安置房-湖头陈花苑(暂名)一期工程分部(子分部)工程名称幕墙工程项目经理赵小明施工单位龙邦装潢股份有限公司验收部位7#楼南面施工图号施工执行标准名称及编号建筑装饰装修工程质量验收规范《GB50210-2001》分项工程名称/检验批编号预埋件隐蔽联系单号或日期检查项目检查情况说明或简图:1、预埋件、后置埋件的数量、位置及后置埋件的拉拔力符合要求2、各种材料的链接情况符合要求3、金属柜架及连接件的防腐处理符合要求4、变形缝、墙角的链接节点符合要求检查验收意见施工单位项目专业质量检验员(签名):项目专业技术负责人(签名):监理单位专业监理工程师(签名):(建设单位项目专业技术负责人)编号:03-02□□□工程名称城厢街道湖头陈社区城中村改造安置房-湖头陈花苑(暂名)一期工程分部(子分部)工程名称幕墙工程项目经理赵小明施工单位龙邦装潢股份有限公司验收部位7#楼西面施工图号施工执行标准名称及编号建筑装饰装修工程质量验收规范《GB50210-2001》分项工程名称/检验批编号预埋件隐蔽联系单号或日期检查项目检查情况说明或简图:1、预埋件、后置埋件的数量、位置及后置埋件的拉拔力符合要求2、各种材料的链接情况符合要求3、金属柜架及连接件的防腐处理符合要求4、变形缝、墙角的链接节点符合要求检查验收意见施工单位项目专业质量检验员(签名):项目专业技术负责人(签名):监理单位专业监理工程师(签名):(建设单位项目专业技术负责人)编号:03-02□□□工程名称城厢街道湖头陈社区城中村改造安置房-湖头陈花苑(暂名)一期工程分部(子分部)工程名称幕墙工程项目经理赵小明施工单位龙邦装潢股份有限公司验收部位7#楼北面施工图号施工执行标准名称及编号建筑装饰装修工程质量验收规范《GB50210-2001》分项工程名称/检验批编号预埋件隐蔽联系单号或日期检查项目检查情况说明或简图:1、预埋件、后置埋件的数量、位置及后置埋件的拉拔力符合要求2、各种材料的链接情况符合要求3、金属柜架及连接件的防腐处理符合要求4、变形缝、墙角的链接节点符合要求检查验收意见施工单位项目专业质量检验员(签名):项目专业技术负责人(签名):监理单位专业监理工程师(签名):(建设单位项目专业技术负责人)编号:03-02□□□工程名称城厢街道湖头陈社区城中村改造安置房-湖头陈花苑(暂名)一期工程分部(子分部)工程名称幕墙工程项目经理赵小明施工单位龙邦装潢股份有限公司验收部位8#楼东面施工图号施工执行标准名称及编号建筑装饰装修工程质量验收规范《GB50210-2001》分项工程名称/检验批编号预埋件隐蔽联系单号或日期检查项目检查情况说明或简图:1、预埋件、后置埋件的数量、位置及后置埋件的拉拔力符合要求2、各种材料的链接情况符合要求3、金属柜架及连接件的防腐处理符合要求4、变形缝、墙角的链接节点符合要求检查验收意见施工单位项目专业质量检验员(签名):项目专业技术负责人(签名):监理单位专业监理工程师(签名):(建设单位项目专业技术负责人)编号:03-02□□□工程名称城厢街道湖头陈社区城中村改造安置房-湖头陈花苑(暂名)一期工程分部(子分部)工程名称幕墙工程项目经理赵小明施工单位龙邦装潢股份有限公司验收部位8#楼南面施工图号施工执行标准名称及编号建筑装饰装修工程质量验收规范《GB50210-2001》分项工程名称/检验批编号预埋件隐蔽联系单号或日期检查项目检查情况说明或简图:1、预埋件、后置埋件的数量、位置及后置埋件的拉拔力符合要求2、各种材料的链接情况符合要求3、金属柜架及连接件的防腐处理符合要求4、变形缝、墙角的链接节点符合要求检查验收意见施工单位项目专业质量检验员(签名):项目专业技术负责人(签名):监理单位专业监理工程师(签名):(建设单位项目专业技术负责人)编号:03-02□□□工程名称城厢街道湖头陈社区城中村改造安置房-湖头陈花苑(暂名)一期工程分部(子分部)工程名称幕墙工程项目经理赵小明施工单位龙邦装潢股份有限公司验收部位8#楼西面施工图号施工执行标准名称及编号建筑装饰装修工程质量验收规范《GB50210-2001》分项工程名称/检验批编号预埋件隐蔽联系单号或日期检查项目检查情况说明或简图:1、预埋件、后置埋件的数量、位置及后置埋件的拉拔力符合要求2、各种材料的链接情况符合要求3、金属柜架及连接件的防腐处理符合要求4、变形缝、墙角的链接节点符合要求检查验收意见施工单位项目专业质量检验员(签名):项目专业技术负责人(签名):监理单位专业监理工程师(签名):(建设单位项目专业技术负责人)编号:03-02□□□工程名称城厢街道湖头陈社区城中村改造安置房-湖头陈花苑(暂名)一期工程分部(子分部)工程名称幕墙工程项目经理赵小明施工单位龙邦装潢股份有限公司验收部位8#楼北面施工图号施工执行标准名称及编号建筑装饰装修工程质量验收规范《GB50210-2001》分项工程名称/检验批编号预埋件隐蔽联系单号或日期检查项目检查情况说明或简图:1、预埋件、后置埋件的数量、位置及后置埋件的拉拔力符合要求2、各种材料的链接情况符合要求3、金属柜架及连接件的防腐处理符合要求4、变形缝、墙角的链接节点符合要求检查验收意见施工单位项目专业质量检验员(签名):项目专业技术负责人(签名):监理单位专业监理工程师(签名):(建设单位项目专业技术负责人)编号:03-02□□□工程名称城厢街道湖头陈社区城中村改造安置房-湖头陈花苑(暂名)一期工程分部(子分部)工程名称幕墙工程项目经理赵小明施工单位龙邦装潢股份有限公司验收部位9#楼东面施工图号施工执行标准名称及编号建筑装饰装修工程质量验收规范《GB50210-2001》分项工程名称/检验批编号预埋件隐蔽联系单号或日期检查项目检查情况说明或简图:1、预埋件、后置埋件的数量、位置及后置埋件的拉拔力符合要求2、各种材料的链接情况符合要求3、金属柜架及连接件的防腐处理符合要求4、变形缝、墙角的链接节点符合要求检查验收意见施工单位项目专业质量检验员(签名):项目专业技术负责人(签名):监理单位专业监理工程师(签名):(建设单位项目专业技术负责人)编号:03-02□□□工程名称城厢街道湖头陈社区城中村改造安置房-湖头陈花苑(暂名)一期工程分部(子分部)工程名称幕墙工程项目经理赵小明施工单位龙邦装潢股份有限公司验收部位9#楼南面施工图号施工执行标准名称及编号建筑装饰装修工程质量验收规范《GB50210-2001》分项工程名称/检验批编号预埋件隐蔽联系单号或日期检查项目检查情况说明或简图:1、预埋件、后置埋件的数量、位置及后置埋件的拉拔力符合要求2、各种材料的链接情况符合要求3、金属柜架及连接件的防腐处理符合要求4、变形缝、墙角的链接节点符合要求检查验收意见施工单位项目专业质量检验员(签名):项目专业技术负责人(签名):监理单位专业监理工程师(签名):(建设单位项目专业技术负责人)编号:03-02□□□工程名称城厢街道湖头陈社区城中村改造安置房-湖头陈花苑(暂名)一期工程分部(子分部)工程名称幕墙工程项目经理赵小明施工单位龙邦装潢股份有限公司验收部位9#楼西面施工图号施工执行标准名称及编号建筑装饰装修工程质量验收规范《GB50210-2001》分项工程名称/检验批编号预埋件隐蔽联系单号或日期检查项目检查情况说明或简图:1、预埋件、后置埋件的数量、位置及后置埋件的拉拔力符合要求2、各种材料的链接情况符合要求3、金属柜架及连接件的防腐处理符合要求4、变形缝、墙角的链接节点符合要求检查验收意见施工单位项目专业质量检验员(签名):项目专业技术负责人(签名):监理单位专业监理工程师(签名):(建设单位项目专业技术负责人)。
表C5-1隐蔽工程检查记录(通用)安阳市建筑工程质量监督站监制第1页,共2页表C5-1(续)隐蔽工程检查记录(通用)隐检部位1-5 层 B-D 轴交7-8轴旋转楼梯间 轴线 ±0.0m -23.4m 标高隐检依据: 施工图号 建筑设计总说明、幕墙深化设计施工图 , 设计变更/洽商/技术核定单(编号 设计变更通知单001号、工作联系单SG-060、工程联系单H NEJ-TJ-063 )及有关国家现行标准等。
主要材料名称及规格/型号:镀锌钢板后置埋件200*300*8,化学锚栓M12*160mm,镀锡角码双面140*60*8硅都硅酮密封胶B G、F25H M,铝合金型材140、铝合金角码4m m、柔性垫片2mm 、镀锌螺栓M12*140 。
隐检内容:1、化学锚栓有出厂合格证及质量证明文件,复试合格,报告编号为:2014-20A-1259;2、硅都硅酮密封胶有合格证及相关质量证明文件,复试合格,报告编号为: MQ2;3、镀锌钢板后置埋件及镀锡螺栓有合格证及质量证明文件; 4、后置埋件的的位置、数量及后置埋件的拉拔力符合要求,并按要求进行复试,复试合格,报告编号:14060000944;5、连接件与后置埋件连接固定,上方连接件使用M 12*140镀锌螺栓与幕墙铝合金立柱可靠连接,下方连接件(铝合金插芯)插在幕墙立柱中固定立柱,连接件与幕墙立柱之间加设2mm 厚柔性垫片做绝缘处理,螺栓加设平弹垫片,以防止松脱、连接件、绝缘片及紧固件的规格、数量符合设计要求;6、在两种金属材料接触的部位,均采用2mm 厚的防腐蚀垫片,所有玻璃都有PV C称重托片支撑,避免隔热条长期承受较大荷载;7、中梃组装采用T 型角码和铝角码互相配合的组装方式,利用型材之间配合传力,螺钉只起限位作用; 8、铝横梁与铝立柱之间垫防噪胶垫并用不锈钢螺栓进行固定;9、幕墙与各层楼板、隔墙外沿间的缝隙采用防火岩棉填充密实,楼层之间水平防烟带的岩棉采用1.5m m的镀锌钢板承托,镀锌钢板与主体、幕墙的间隙填充防火密封胶,密封严密;10、竖向玻璃幕墙安装位置准确,方法合格,具体做法详见附图;11、现场焊接部位进行全面防腐处理,处理采用先刷2-3层防锈漆,再涂一层银粉,全部均匀覆盖,无遗漏、露底、流挂等现象;12、玻璃幕墙的防雷装置与主体结构的防雷装置连接安全可靠。
山东省建设工程质量监督总站监制
山东省建设工程质量监督总站监制
山东省建设工程质量监督总站监制
山东省建设工程质量监督总站监制
山东省建设工程质量监督总站监制
山东省建设工程质量监督总站监制
山东省建设工程质量监督总站监制
山东省建设工程质量监督总站监制
山东省建设工程质量监督总站监制
山东省建设工程质量监督总站监制
山东省建设工程质量监督总站监制
山东省建设工程质量监督总站监制
山东省建设工程质量监督总站监制
山东省建设工程质量监督总站监制
山东省建设工程质量监督总站监制
山东省建设工程质量监督总站监制
山东省建设工程质量监督总站监制
山东省建设工程质量监督总站监制
山东省建设工程质量监督总站监制
山东省建设工程质量监督总站监制
山东省建设工程质量监督总站监制
山东省建设工程质量监督总站监制
山东省建设工程质量监督总站监制
THANKS !!!
致力为企业和个人提供合同协议,策划案计划书,学习课件等等
打造全网一站式需求
欢迎您的下载,资料仅供参考。
3隐蔽工程验收记录项目名称:XXX工程项目地点:XXX地区施工单位:XXX公司验收单位:XXX监理单位工程名称:XXX隐蔽工程验收日期:XXXX年XX月XX日一、背景介绍XXX工程是位于XXX地区的一处新建工程,总建筑面积为XXX平方米,主要包括办公楼、停车场等建筑设施。
本次验收的隐蔽工程包括水电、通风、给排水等隐蔽工程部分。
二、隐蔽工程验收内容1.水电隐蔽验收(1)水暖管道安装情况:检查水暖管道的布置是否符合设计要求,管道是否牢固安装、无渗漏。
(2)电气线路安装情况:检查电线的敷设是否规范,插座开关是否安装牢固、电线接头是否绝缘等。
2.通风隐蔽验收(1)通风管道安装情况:检查通风管道的布置是否合理,管道是否清洁无积尘。
(2)送风口、回风口安装情况:检查送风口和回风口的位置是否合适,安装是否稳固。
3.给排水隐蔽验收(1)排水管道安装情况:检查排水管道的施工质量,管道是否畅通无堵塞。
(2)给水管道安装情况:检查给水管道的连接是否密封,无渗漏现象。
三、隐蔽工程验收结果1.水电隐蔽验收:水暖管道和电气线路均安装符合要求,各项指标均合格。
2.通风隐蔽验收:通风管道布置合理,清洁无积尘,送风口和回风口位置符合要求。
3.给排水隐蔽验收:排水给水管道安装妥善,排水管道清洁无堵塞,给水管道无渗漏现象。
四、存在问题及整改措施1.水电隐蔽部分存在部分管道连接处稍有松动,需重新安装。
2.通风隐蔽部分部分送风口回风口位置不够合理,需进行调整。
3.给排水隐蔽部分排水管道出现渗漏现象,需重新处理。
五、隐蔽工程验收结论XXX隐蔽工程部分经过验收,大部分项符合验收要求,但仍存在部分问题需要整改。
施工单位应按照验收单位的整改意见进行整改,待整改完成后申请复验,确保隐蔽工程部分的质量达到要求,为后续工程的顺利进行打下基础。
六、验收单位意见经过本次隐蔽工程验收,发现部分问题需要整改,希望施工单位能够认真对待,按照整改要求进行处理,确保工程质量。
隐蔽工程验收记录(玻璃幕墙避
雷)实用文档
(实用文档,可以直接使用,可编辑优秀版资料,欢迎下载)
表C5-1
隐蔽工程检查记录(通用)
安阳市建筑工程质量监督站监制
安阳市建筑工程质量监督站监制
安阳市建筑工程质量监督站监制
隐蔽工程验收记录
隐蔽工程验收记录
隐蔽工程验收记录
隐蔽工程验收记录
隐蔽工程验收记录
隐蔽工程验收记录
隐蔽工程验收记录
隐蔽工程验收记录
隐蔽工程验收记录
隐蔽工程验收记录
隐蔽工程验收记录作废质控(建)表4。
1.5。
3 共页,第页
隐蔽工程验收记录质控(建)表.3 共页,第页
隐蔽工程验收记录
质控(建)表.3
共页,第页。
幕墙预埋件(后置埋件)施工隐蔽验收记录MQ2.3.1幕墙预埋件(后置埋件)施工隐蔽验收记录 MQ2.3.1幕墙预埋件(后置埋件)施工隐蔽验收记录 MQ2.3.1幕墙预埋件(后置埋件)施工隐蔽验收记录 MQ2.3.1幕墙预埋件(后置埋件)施工隐蔽验收记录 MQ2.3.1下面红色部分是赠送的总结计划,不需要的可以下载后编辑删除!2014年工作总结及2015年工作计划(精选)XX年,我工区安全生产工作始终坚持“安全第一,预防为主,综合治理”的方针,以落实安全生产责任制为核心,积极开展安全生产大检查、事故隐患整改、安全生产宣传教育以及安全生产专项整治等活动,一年来,在工区全员的共同努力下,工区安全生产局面良好,总体安全生产形势持续稳定并更加牢固可靠。
一、主要工作开展情况(一)认真开展安全生产大检查,加大安全整治力度。
在今年的安全生产检查活动中,工区始终认真开展月度安全检查和日常性安全巡视检查记录,同时顺利完成公司组织的XX年春、秋季安全生产大检查和国家电网公司组织的专项隐患排查工作。
截止日前,工区先后共开展各类安全检查71次,查出事故隐患点22处,均进行了闭环处理。
通过检查活动,进一步夯实了工区的安全生产基础。
(二)顺利完成保电专项工作。
本年度工区共进行专项保电工作10次,累计保电天数达到90余天,通过工区全员的共同努力,顺利完成春节保电、国庆保电、七一保电、特高压投送电保电、500kv沁博线保电等一批重要节假日的保电工作。
(四)工作票统计及其他工作情况。
截止11月15日,我工区连续实现安全生产1780天;全年共办理工作票50张,其中第一种工作票24张,含基建单位8张;第二种工作票26张。
工作票合格率100%,执行情况较好。
全年工区所辖线路跳闸次数共计0次,线路跳闸率为0次/(百公里·年)。
(四)安环体系标准化建设本年度在公司统一的部署下,工区积极参与安环体系标准化建设工作,先后派员参加安环体系标准化培训2次,迎接公司开展安环体系内审工作三次,先后审查出问题共计20余处,先后进行了闭环整改。
幕墙隐蔽验收记录范例一、幕墙隐蔽工程检查内容依据施工图纸、有关施工验收规范要求和施工方案、技术交底,检查以下内容:1.预埋件(或后置埋件)、连接件、紧固件连接:各种埋件、连接件、紧固件的数量、规格、位置、锚固深度和防腐处理等。
2.连接节点处理:幕墙顶部(女儿墙部位)、幕墙底部、立柱、梁柱等的连接情况。
3.变形缝及墙面转角处的构造节点处理:幕墙的抗震缝、伸缩缝、沉降缝等部位的处理(宜采用详图示意),墙角的连接节点(宜采用详图示意)应符合设计要求和技术标准的规定;变形缝罩面与两侧幕墙结合处不得渗透。
4.幕墙防雷装置设置:幕墙应形成自身的防雷体系,并与主体结构的防雷体系可靠地连接,严禁串联;女儿墙部位的连接节点(宜采用详图示意)应符合设计规定等。
5.幕墙防火、保温及防潮层构造处理。
1)防火材料铺设:防火材料品种、材质、耐火品级、铺设厚度、防腐处置惩罚应吻合设计和标准划定;铺设应饱满、均匀、无漏掉,厚度同等且不宜小于70mm;防火材料不得与幕墙玻璃间接接触。
防火层的密封材料应接纳防火密封胶,防火层与玻璃的间距应大于40mm。
2)防火节点安装:防火节点构造必须符合设计要求;安装应牢固,无遗漏,并应严密无缝隙;防火层与幕墙和主体结构间的缝隙必须用防火密封胶严密封闭。
3)玻璃幕墙四周与主体布局之间的漏洞,应接纳防火保温材料填塞,填塞应饱满、平整、接缝应周密不渗漏。
保温材料密度、厚度应吻合设计请求。
2、幕墙隐蔽工程填写要点幕墙工程隐检记录中要注明施工图纸编号,幕墙类型,主要材料的规格型号、预埋件、连接件、紧固件的具体位置、连接方法和防腐处理;主体结构与立柱、立柱与横梁的连接情况;玻璃与玻璃、玻璃与玻璃肋间缝隙的填充情况;防雷节点的位置,防火、防水、保温情况等,将检查内容描述清楚。
隐蔽工程验收记录表C5-1工程名称施工单位验收项目验收部位XXX玻璃幕墙(立柱、横粱安装)资料编号筑业软件大厦监理单位验收日期0309C5001XXX2017年4月11日六层,1-17/A-H轴,33.6m~39.2m验收内容:1.后置埋件(MJ01、MJ02)使用M12×160的化学螺栓及M12×100的收缩螺栓固定在主体布局上,化学螺栓与收缩螺检对角布置。
A7工程报验单工程名称:光莆产业基地一期工程办公楼编号:办公玻璃节点隐001附件:1、分项的工程验收,应由质检员提前24小时(特殊情况不得少于12小时)签发本通知单,报送专业监理工程师。
2、地基与基础工程、主体结构中间验收应由质检员提前二天签发本通知单,报送监理工程师。
3、本表由施工单位填写一式三份,审核后建设、监理、施工单位各留一份。
*问题少时可直接在“审查、验收意见”中列出,多时写“详见监理通知”。
厦门市建设监理专业委员会监制隐蔽工程验收记录A7工程报验单工程名称:光莆产业基地一期工程办公楼编号:办公玻璃节点隐002附件:1、分项的工程验收,应由质检员提前24小时(特殊情况不得少于12小时)签发本通知单,报送专业监理工程师。
2、地基与基础工程、主体结构中间验收应由质检员提前二天签发本通知单,报送监理工程师。
3、本表由施工单位填写一式三份,审核后建设、监理、施工单位各留一份。
*问题少时可直接在“审查、验收意见”中列出,多时写“详见监理通知”。
厦门市建设监理专业委员会监制隐蔽工程验收记录A7工程报验单工程名称:光莆产业基地一期工程办公楼编号:办公玻璃节点隐003附件:1、分项的工程验收,应由质检员提前24小时(特殊情况不得少于12小时)签发本通知单,报送专业监理工程师。
2、地基与基础工程、主体结构中间验收应由质检员提前二天签发本通知单,报送监理工程师。
3、本表由施工单位填写一式三份,审核后建设、监理、施工单位各留一份。
*问题少时可直接在“审查、验收意见”中列出,多时写“详见监理通知”。
厦门市建设监理专业委员会监制隐蔽工程验收记录A7工程报验单工程名称:光莆产业基地一期工程办公楼编号:办公玻璃节点隐004附件:1、分项的工程验收,应由质检员提前24小时(特殊情况不得少于12小时)签发本通知单,报送专业监理工程师。
2、地基与基础工程、主体结构中间验收应由质检员提前二天签发本通知单,报送监理工程师。
3、本表由施工单位填写一式三份,审核后建设、监理、施工单位各留一份。