光端机常见的故障及解决方法
- 格式:doc
- 大小:32.00 KB
- 文档页数:4
光端机常见故障机解决方法光端机是指能够接收和发送光信号的设备,用于光纤通信系统中的数据传输。
虽然光端机具有较高的可靠性和稳定性,但仍然可能发生一些常见的故障。
在下面的文章中,我将介绍一些光端机常见故障以及对应的解决方法。
光端机故障一:无法上电或无法开机针对无法上电或无法开机的问题,可以通过以下步骤进行故障排除和解决:1.检查电源插头和电源线是否连接正确,并确保电源插座正常工作。
如有必要,更换电源插头或电源线。
2.检查光端机的开关是否处于正确位置,并确保光端机的电源线连接牢固。
3.如果还是无法上电或无法开机,建议检查电源供应是否正常,可以使用其他设备测试电源插座。
光端机故障二:无法识别或连接网络对于无法识别或连接网络的问题,可以尝试以下解决方法:1.确保光纤连接正确,检查连接头是否松动或接触不良,建议重新插拔连接头并检查连接状态。
2.检查光纤连接的另一端是否正常工作,如光交换机或路由器,可以使用其他设备进行连通性测试。
3.检查光端机的光模块是否安装正确,可以尝试重新安装光模块并检查连接状态。
4.检查光端机的接口是否正常工作,可以尝试使用其他光模块进行测试。
光端机故障三:光信号质量差或中断当光端机的光信号质量差或中断时,可以尝试以下解决方法:1.检查光纤连接是否安全牢固,以及连接头的清洁情况。
如有必要,可以使用清洁剂或纤维光纤清洁盒进行清洁。
2.检查光纤是否弯曲或损坏,如有必要,可以更换新的光纤。
3.检查光端机的光模块是否正常工作,可以尝试重新安装或更换光模块。
4.检查光端机的发射功率和接收功率是否在规定范围内,如有必要,可以调整光端机的发送和接收参数。
总结:。
故障现象故障排除指示灯排除方法灭:锁光正常闪:锁光不稳定红灯:不锁光绿:有视频输入检查光路是否正常灭:无视频输入1.检查摄像机或其他视频输出设备是否正常2.检查视频线是否正常3.如果是多路视频光端机,检查输入端口与接收端口是否一致绿:视频正常 1.检查视频线有没问题2.检查接收视频设备是否正常灭:前端无视频输入 1.检查光路是否正常2.检查TX是否有视频输入绿:正常灭:电源不能正常工作更换电源或检查外部供电电路备注:视频灯正常时,有时电源也会影响视频,其现象变现为视频跳动或有严重水波,建议更换电源。
灭:锁光正常闪:锁光不稳定红灯:不锁光绿:正常灭:电源不能正常工作更换电源或检查外部供电电路1.数据采集设备和数据控制设备在不接入光端机时是否能正常工作2.接线是否正确(光端机,设备以及协议转换器)3.接收端和发射端是否是同一通道4.判断光端机RS485接口是否正常,若UA-B电压为0则视为不正常5.系统阻抗是否匹配灭:锁光正常闪:锁光不稳定红灯:不锁光绿:正常灭:电源不能正常工作更换电源或检查外部供电电路1.声音采集设备和扩音器在不接入光端机时是否能正常工作2.前端输入声音太小灭:锁光正常闪:锁光不稳定红灯:不锁光绿:正常灭:电源不能正常工作更换电源或检查外部供电电路光路是否正常LOS1.检查光纤型号(单模,多模)与模块是否一致2.清洁光纤和模块光口(光纤用无尘布或无尘纸加酒精),检查光口与光纤连接是否正常3.光路长度是有超出模块所允许的距离发射端(TX)视频灯Vin 接收端(RX)视频灯Vout电源 pwr无视频或视频异常光路是否正常LOS1.检查光纤型号(单模,多模)与模块是否一致2.清洁光纤和模块光口(光纤用无尘布或无尘纸加酒精),检查光口与光纤连接是否正常3.光路长度是有超出模块所允许的距离电源 pwr1.检查光纤型号(单模,多模)与模块是否一致2.清洁光纤和模块光口(光纤用无尘布或无尘纸加酒精),检查光口与光纤连接是否正常3.光路长度是有超出模块所允许的距离数据不通设备检查电源 pwr音频不通设备检查光路是否正常LOS1.检查光纤型号(单模,多模)与模块是否一致2.清洁光纤和模块光口(光纤用无尘布或无尘纸加酒精),检查光口与光纤连接是否正常电源 pwr开关量不通光路是否正常LOS1.接线是否正确2.接收端和发射端是否为同一端口3.用万用表测量光端机的开关量端口状态(导通或断开)是否与实际使用一致4.检查被控制设备是否正常开关量不通设备检查。
光端机常见的故障及解决方法一、设备安装1、固定光端机;2、连接光纤跳线,连接时注意卡口的方向;3、连接业务接口,数据、音频等业务接口连接注意参照具体型号的说明书;4、建议做好电源稳压和接地,将各种接口接好后检查电源是否符合要求方可给光端机供电;5、待两端设备按以上1、2、3、4 步骤完成后查看链路指示灯SYNC是否常亮;6、链路指示灯正常状态下检查视频、数据等功能是否正常;按以上步骤操作设备不能正常工作的参照以下:二、链路故障排除1、检查实际传输距离与所订设备是否吻合,如不吻合与销售员联系;2、准备材料:光功率计、跳线、法兰、无水酒精、酒精棉;3、将光端机用跳线连接确认SYNC 指示灯是否常亮;4、确认完光端机后将发射机安装好,在前端用光功率计测量发射机的出纤功率1510nm 波段;标准出纤功率参照下表;5、将前端发射机的跳线接好,回到中心测量终端盒对应的光纤的功率;6、如无数据读出或读出数据小于参照表,则检查各接口法兰跳线的连接,并用酒精棉擦去连接头的灰尘,检查各熔接点和光缆的质量;7、按5、6 步骤操作仍无数据读出的需要熔接公司提供ODTR 设备测量是否有断路;三、设备故障排除视频不通:1、检查链路指示灯SYNC是否正常,如不正常参照链路故障排除;2、检查发射机视频指示灯是否亮,如不亮检查射像机是否有输出,如有其它正常工作的光端机可交叉视频,如指示灯还不亮与销售员联系;3、检查接收机视频指示是否亮,如不亮数据不受控1、确认矩阵或DVR 的数据码和速率与解码器的一致;2、参照光端机说明书确认数据接口是否正确;3、参照光端机说明书确认数据接线是否正确,注意:数据是从接收机发往发射机;4、1-3 步骤无误数据还不受控的用万用表测量两根数据线之间的电压,当不控制的时候是一个恒定的电压根据解码器的不同电压值不一样,当控制时数据线间的电压应在0-5V 之间跳变;云台自转或乱转1、云台自转或乱转的原因一般由以下4 种原因造成:①解码器损坏;②光衰减太大造成数据误码;③一个数据源连接太多光端机,负载太大造成驱动力不够;④光端机数据损坏;音频不通①确认接光端机的音源工作正常;②确认音源的输出电压在3V 以内;③根据说明书检查音频接线;④用小音箱接音频输出测试音频工作是否正常以太网不通①光端机为DTE 设备,与机算机相连要压反线,与HUB、交换机相连压正线、反线均可;②确认相连的机算机的IP 地址在同一网段;③用命令c:\>ping IP 地址–t 检查是否连通;如果电信号不能正常接收,则按以下步骤检查:1.确认所有的连接都是正确的,电缆、光缆和电源也正常;如果光端机电源正常,但是不能工作,则按下述步骤执行:A.监视器黑屏,数据和摄像机控制功能正常;1.从光口拔掉光纤;如果屏幕不再变黑但有雪花,则光连接可能是好的;2.确保光端机之间的视频BNC连接是完好的;B.监视器屏幕有雪花噪音,数据和摄像机控制功能正常;这种情况说明光的部分有问题;继续按照以下步骤排除故障:1.从发射机的光口拔掉光纤,插入一根光纤跳线;2.把跳线的另一端插入光功率计;a.如果读数与指标不符,说明发射机有问题,应更换;b.如果读数符合规格,则进行下一步;3.检查连接器;如果脏了,用异丙基酒精擦拭干净;4.把原来的光纤再接入发射机的光口;在接收机端,执行上述的第2至第3步;光功率计的读数至少要达到接收机输入能量的最小标定值;光传输系统故障处理中故障定位的一般思路为:先外部、后传输;也就是说在故障定位时,先排除外部的可能因素,如光纤断裂、电源中断等,接着再考虑传输设备;因此如何精确的将障碍点定位就显得十分重要;一般都有运行状态指示灯指示灯的详尽程度反映了光端机的设计水平,电源光纤链路建立、信号同步、视频输入输出和数据等;参照设备说明书,通过观察指示灯的状态即可大致判断故障范围;检查视频输入和数据指示灯可以排除输入的视频信号或控制信号中断;检查光纤链路指示灯可以判断光纤链路是否正常,如光纤或活动连接器损耗较大时指示灯将熄灭或闪动等;有同型号的设备时,可以采用替换检查法要求设备具有互换性,即将光纤接到另一端工作正常的接收机或更换远端的发射机可以准确地判断故障设备;下面简要介绍光端机使用中常见故障的排除方法:没有视频信号1检查各设备是否供电正常;2检查接收端对应通道视频指示灯是否点亮,A:若指示灯点亮灯亮证明此时该通道已有视频信号输出;则检查接收端到监视器或DVR等终端设备间的视频电缆是否连接好,视频接口连接是否松动或有虚焊等情况;B:接收端视频指示灯不亮,检查前端对应通道视频指示灯是否点亮;建议对光接收机重新上电以保证视频信号的同步性a:灯亮灯亮表示摄像机采集的视频信号已送入光端机前端,检查光缆是否连通,光端机以及光缆终端盒的光接口是否松动;建议重新插拔一次光纤接口如尾纤头太脏建议先用棉花酒精清洗待干后再插入;b :灯不亮,检查摄像机是否工作正常,及摄像机到前端发射机的视频电缆是否连接可靠;视频接口是否松动或有虚焊等情况;若以上方法不能排除故障且有同型号的设备时,可以采用替换检查法要求设备具有互换性,即将光纤接到另一端工作正常的接收机或更换远端的发射机可以准确地判断故障设备;画面出现干扰雪花此种情况多是由于光纤链路衰减过大或前端视频线缆过长受交流电磁干扰所致;1:检查尾纤是否有弯折过度的地方特别是多模传输的时候应尽量让尾纤舒展开切勿过度弯折;2:检测光口和终端盒法兰盘连接处是否连接可靠法兰磁芯是否破损等;3:光口和尾纤是否过脏应用酒精和棉花清洁待干后再插入;4:铺设线路时视频传输线缆尽量选用屏蔽性好传输质量较好的75-5电缆且应尽量避开交流线路以及其他容易引起电磁干扰的物体;没有控制信号或者控制信号不正常检查光端机数据信号指示灯是否正确;a:对照产品手册数据端口定义检查数据线是否连接正确且牢固可靠;特别是控制线的正负极有没有接反;:检查控制设备计算机,键盘或DVR等所发出的控制数据信号格式是否和光端机所支持的数据格式一致数据通信格式详细介绍见本手册页,波特率是否超过光端机所支持的范围0-100Kbps;b:对照产品手册数据端口定义检查数据线是否连接正确且牢固可靠;特别是控制线的正负极是否接反;数据短接测试法此法是针对控制信号为RS485,RS422格式光端机数据信号检测的一种简单实用的方法;当光端机的电源和光路连接正常时,光端机接收和发射端Rx/Power指示灯为橙色或绿色;在数据信号的输入端将数据+端接地按照数据手册定义的管脚,若接收和发射端Rx/Power指示灯均变为红色,取消短接时接收和发射端Rx/Power指示灯为橙色或绿色;那么说明光端机数据部分工作正常,光路连接正确;。
关于光端机常见故障及解决方案光端机是光纤传输中的重要设备之一,负责将光纤的光信号转换成电信号,或将电信号转换成光信号,实现光纤网络的无缝传输。
然而,光端机在长时间使用过程中可能会遇到一些故障。
下面介绍一些常见的光端机故障及解决方案。
1.光端机无法正常开机2.光纤连接故障光纤连接故障可能是由于接口损坏、光纤插接不牢固等原因造成的。
解决方案是首先检查接口是否损坏,如果存在损坏,需要更换新的光纤接口。
另外,还需要检查光纤是否插接牢固,如果松动,需要重新插接。
如果问题仍然存在,可以尝试更换一根新的光纤来排除问题。
3.光端机无法正常传输数据光端机无法传输数据可能是由于光模块故障、光纤断裂或者其他硬件故障引起的。
解决方案是首先检查光模块是否损坏,如果存在损坏,需要更换新的光模块。
然后,检查光纤是否有断裂或划伤的情况,如果有,需要更换光纤。
另外,还需要检查其他硬件设备是否正常工作,如果存在故障,需要进行修复或更换。
4.光端机无法连接至网络光端机无法连接至网络可能是由于网线故障、网口故障或者网络设置问题引起的。
解决方案是首先检查网线是否损坏,可以尝试使用其他可靠的网线进行测试。
然后,检查网口是否正常工作,如果存在故障,可以尝试更换新的网口。
最后,检查网络设置是否正确,如IP地址、子网掩码等,确保设置正确。
5.光端机信号弱或者丢失光端机信号弱或者丢失通常是由于光纤老化、光衰减器损坏或者距离过远引起的。
解决方案是首先检查光纤是否老化,如有老化现象,需要更换新的光纤。
然后,检查光衰减器是否损坏,如果损坏,需要更换合适的光衰减器。
最后,需要检查光纤传输距离是否超过了设备的传输限制,如果超过,需要增加光纤放大器或重新布线。
总结起来,光端机常见故障及解决方案主要包括电源问题、光纤连接问题、数据传输问题、网络连接问题以及信号问题。
为了保证光端机的正常工作,我们需要定期检查设备的状态,及时维修或更换故障部件,并合理布线,确保光纤传输距离和信号强度符合设备要求。
电源指示(POWER):当系统电源开关打开后,此绿灯亮本端告警指示(LOA):在本端出现任何一种告警时此红灯亮对端告警指示(RMA):在对端有任何一种告警时此黄灯亮收无光告警指示(NOP):在光探测器上无光信号输入时此红灯亮失步告警指示(LOF):在发生帧失步时此红灯亮误码告警指示(1E-3):在系统有10-3误码时此红灯亮误码告警指示(1E-6):在系统有10-6误码时此黄灯亮1-4支路E1信号消失告警指示(E1 SIGNAL LOSS1-4):在14支路任一E1信号消失时相应的红灯亮告警音屏蔽按键(ALM/MUT):在此自锁按键被按下后,有告警指示时将不发出告警音。
在此按键放开时有告警灯指示告警的同时会发出告警音。
本对端告警指示转换按键(LOCAL/RMT):在此自锁按键未被按下时,告警指示灯指示的为本端告警状态。
在此按键被按下后, 告警指示灯指示的为对端告警状态。
电源指示、本对端告警指示及告警音,不受此按键影响E1信号消失告警屏蔽按键(RLS/MASK):在此自锁按键被按下时,已发生的支路消失告警状态将被屏蔽,无信号消失告警的工作支路不受影响,此后工作支路再发生信号消失时仍会发出告警指示。
在此按键被释放后,所有E1支路的告警状态都不被屏蔽问题1:光端机上显示对端光失步告警,这种情况会是什么原因引起的光衰耗的可能性比较大,一般有:板件、尾纤,衰减器、光缆老化,都有可能造成光衰耗一般是由误码或接收光功率电平(过高或过低)所引起的。
最大的可能是光缆线路衰耗大影响的分光器某一个输出口的光功率,和输入口总光功率之比,叫做“分光比”。
比如说,光发射机输给某分光器的光功率是10mW(或者说,这个分光器各输出口的光功率总和是10mW),分光器某一个输出口的光功率是2mW,那么这路分光比K就是:(某路)分光比K=某单路出口光功率/各路光功率的总和或者:分光比K=分光器某路的输出光功率/光发射机送入分光器的总光功率显然,上面这路的分光比K =2/10=0.2光路的损耗L,是(输入光功率/输出光功率)的分贝数,即:L=10lg(输入光功率/输出光功率) (单位:dB)显然,上面这路的分光损耗L=10lg(10/2)=6.99 dB如果把上面算式括号中被除数和除数调换一下位置,根据对数的性质,只要在10lg 前加一个负号就行了,就是:L= -10lg(输出光功率/输入光功率)由于“(输出光功率/输入光功率)=分光比K”,将它代入前面的算式,可以得到分光损耗的新算式:L= -10lg K这是最常用的算式,将前面的分光比0.2代入算式:L= -10 lg 0.2 =6.99 dB计算的结果和前一种算法相同。
视频光端机的应用、常见故障及解决方法
视频光端机是一种将光纤信号转换为视频信号的设备。
它可以将计算机、电视、摄像机等设备输出的信号传输到远距离的接收器处,同时,在距离较远的地方也可以接收和传输视频信号。
在实际应用中,视频光端机被广泛地应用于远距离的摄像头,广播电视信号传输,视频会议等领域。
然而,视频光端机在运行中也会出现一些故障,这些故障会影响到设备的使用。
以下是一些常见的故障及相应的解决方法:
1. 图像模糊:如果使用模拟视频光端机传输信号时,由于信号受到电磁干扰,可能会导致图像模糊。
解决方法是更换数码视频光端机,数码视频能更好的抵抗干扰。
2. 传输距离稳定性差:如果在传输信号时,会出现传输距离不稳定的现象,这可能与光缆的质量、光纤链接方式有关。
解决方法是换用质量更好的光缆,同时在连接光纤时,注意对光纤进行清洁和保养。
3. 信号丢失:如果传输信号丢失,检查接头连接是否紧固,找到丢失信号的端口更换灯管即可。
4. 设备故障:如果设备本身出现故障,如开机无反应、显示异常等,应及时联系专业技术人员进行维修或更换设备。
总之,视频光端机在实际使用中,能有效地解决信号传输距离远、信号受损、干扰等问题,提高信号的传输质量和稳定性。
但需要注意的是,设备本身也会出现故障,所以在使用过程中,需要注意设备的保养和维护,及时处理故障,保证设备正常运行。
对光端机故障进行排除的步骤(一)设备安装1、固定光端机。
2、连接光纤跳线,连接时注意卡口的方向。
3、参照说明书连接好所有视频、音频、数据等接口。
4、设备做好接地,用原装光端机电源给光端机供电。
5、功能测试。
(二)故障排除1.上电后电源指示灯不亮可能原因:①电源坏②光端机内5V短路或电源部分断路处理方法:用无故障电源供电,若仍无效,则需返回车间维修。
提示:尽量使用标配电源。
对于5V供电的光端机,一旦有高于5V的电源插入,则光端机内的保险管会立即对地短路以保护电路,保险管被击穿后不可恢复,只能进行更换。
2.视频故障2.1、所有通道均无视频输出处理步骤:①检查光端机供电是否正常。
若不正常,参照1排除;若正常,进入步骤二。
②测试摄像机输出信号是否正常。
若正常,进入步骤三。
③将摄像机信号正确连接至光发射机,检查视频通道指示灯是否被点亮。
未被点亮,发射机可能出现故障;正常点亮,进入步骤四。
④测试发射机光功率(测试方法见 4.1.1)。
发射光功率不正常,发射机可能出现故障;功率正常,进入步骤五。
⑤测试光纤链路损耗(测试方法见4.1.2)。
链路损耗正常,进入步骤六。
⑥将光缆正确接入光接收机,检查接收机光纤指示灯(Link/Optic灯)及视频通道灯是否被点亮。
未被正常点亮,接收机可能出现故障;正常被点亮,进入步骤七。
⑦测试显示设备及视频连接线是否正常。
若正常,进入步骤八。
⑧正确连接显示设备与光接收机,若无视频显示,接收机可能出现故障。
2.2、所有通道图像雪花可能原因:①发射机光功率偏低处理办法:测试发射机光功率(测试方法见4.1.1),若功率未达标,机器退回。
②光纤链路光损耗超标处理办法:测试链路损耗(测试方法见4.1.2)。
③接收机灵敏度偏低处理办法:测试接收机灵敏度(测试方法见4.1.3),若灵敏度未达标,机器退回。
2.3、所有图像抖动、纹波、干扰可能原因:①现场供电不稳或附近有强磁干扰处理办法:更换场地测试。
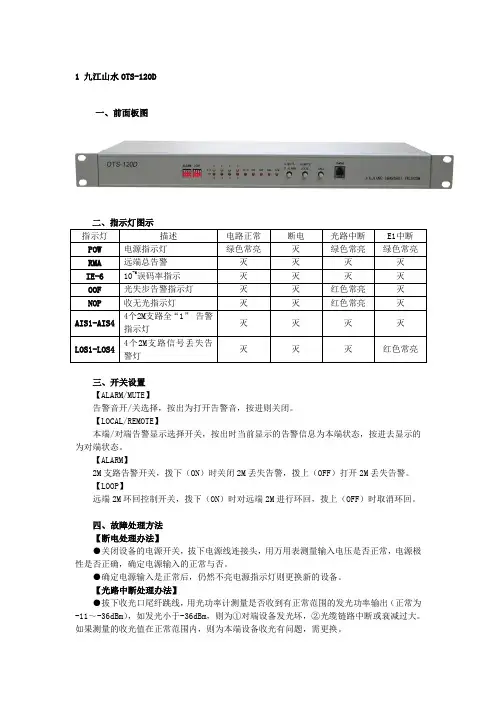
1 九江山水OTS-120D一、前面板图三、开关设置【ALARM/MUTE】告警音开/关选择,按出为打开告警音,按进则关闭。
【LOCAL/REMOTE】本端/对端告警显示选择开关,按出时当前显示的告警信息为本端状态,按进去显示的为对端状态。
【ALARM】2M支路告警开关,拨下(ON)时关闭2M丢失告警,拨上(OFF)打开2M丢失告警。
【LOOP】远端2M环回控制开关,拨下(ON)时对远端2M进行环回,拨上(OFF)时取消环回。
四、故障处理方法【断电处理办法】●关闭设备的电源开关,拔下电源线连接头,用万用表测量输入电压是否正常,电源极性是否正确,确定电源输入的正常与否。
●确定电源输入是正常后,仍然不亮电源指示灯则更换新的设备。
【光路中断处理办法】●拔下收光口尾纤跳线,用光功率计测量是否收到有正常范围的发光功率输出(正常为-11~-36dBm),如发光小于-36dBm,则为①对端设备发光坏,②光缆链路中断或衰减过大。
如果测量的收光值在正常范围内,则为本端设备收光有问题,需更换。
●对于是否为对端设备发光坏,可用光功率计测量对端设备的发光功率是否在-5~-13dBm,小于则为发光有问题,需更换。
●对于是否为光缆链路中断或衰减过大,可用光源表和光功率计测量光缆的衰耗,一般衰耗值按每千米0.5 dBm计算。
【E1中断处理办法】●拔下E1收、发线头,用一根电缆线将设备的E1口进行自环,如果正常则为本端设备没有问题,问题出在电缆连接线或与之连接的设备上。
2九江山水OTS-120D/V光端机一、前面板图注: OTS-120D V.35/10BT与OTS-120D E1/V.35为形同机型。
三、开关设置【ALARM/MUTE】告警音开/关选择,按出为打开告警音,按进则关闭。
【LOCAL/REMOTE】本端/对端告警显示选择开关,按出时当前显示的告警信息为本端状态,按进去显示的为对端状态。
【ALARM】2M支路告警开关,拨下(ON)时关闭2M丢失告警,拨上(OFF)打开2M丢失告警。
光端机常见故障及解决安防监控工程中越来越多的采用光纤技术传输图像、声音、数据等信息,光纤传输系统的关键设备――数字视频光端机受到广大用户的青睐。
1、光端机的光路问题:安防监控工程中,光缆大多数都由用户自行敷设,一般为G652单模光纤。
由于系统覆盖范围一般都不大,用标配(≤20KM)设备光链路损耗都很富裕,因此,光端机对光路损耗没有过高的要求,但是用户常会遇到无图像、图像跳动、图像质量差等问题,这时多数问题都出在光路两端的尾纤、跳线或适配器上,而极少与主干光路有关。
常见的问题有:1、光纤活动连接器插入不正确;2、光纤活动连接器纤芯(陶瓷管)被污染。
解决办法是:1)重新插入活动连接器或调换光纤跳线;2)用99.9%无水乙醇擦拭插头,插座纤芯;3)用万用表检查摄像机视频缆,判断有无视频信号。
2、光端机的数据接口:为适应安防监控的需要,系统各种设备(矩阵,硬录,解码器)都提供RS-485方式的数据接口,此格式的数据接口的优点是传输距离长,负载能力强,并能组成四线全双工通信总线,线上任何两台设备都能实现双向通信,而四线RS-422总线则只能实现主、从机之间的双向通信,从机之间则不能。
它的缺点是有一个使能端,呈三态形式,给通信带来不稳定甚至“卡死”现象。
如果出现不能通信(失控),应从以下几方面查找原因:1).检测有无控制信号用万用表交流10V档测控制器(矩阵、硬录等)输出RS -485口,看其有无控制信号输出。
2).判断光端机RS-485接口是否正常,若UA-B电压为零则视为不正常。
云台乱转不能控,这种现象是两个原因造成:a)RS-485端口A+,B-接反;b)系统阻抗严重不匹配。
3)、光端机的开关量开关量信号是TTL电平的脉冲串,它能控制警灯、警铃、继电器等工作,开关量接口的负载能力以所控制的电流大小来衡量,如EW系列光端机的开关量负载能力为≤1.5A。
1.EW系列光端机开关量接口支持常开按钮,但是如下图接法时,则常开、常闭形式均支持:2.开关量接口不能直接并联使用,如有需要只能通过分配电路接入。
怎样解决视频光端机的常见故障随着城市进程的发展,安防环境的复杂性,安防监控工程中越来越多的采用光纤技术传输图像、声音、数据等信息,光纤传输系统的关键设备—数字视频光端机受到广大用户的青睐。
因而熟悉光端机以应对可能出现的问题变得迫切了,以下简介的是光端机使用中几种问题:光端机瞬态干扰的危害与解决方法这个问题在光端机远程光信号传输中,较为普通,而且危害也大。
1、瞬态干扰的产生:瞬态干扰产生于大型感性负载,如电机、变压器、继电器等设备的开关转换,以及雷电的发生过程中,它往往以静电感应的方式入侵光端机。
2、瞬态干扰的危害:由于它干扰频率高、持续时间短、干扰幅度大(成百上千伏)、它可以烧坏光端机的RS-485接口芯片、主芯片等关键部位,却不留痕迹,尤其是夏季雷雨季节,这种破坏力影响很大,使用户、商家和厂家都十分伤脑筋。
3、应对措施:尽管光端机制造商采用了各种保护手段,如旁路法(自恢复二极管)、吸收法(双向抑制二极管等)、隔离法(光耦隔离),但是仍不能完全消除瞬态干扰造成的破坏,RS-485接口损坏频繁,给用户和厂家都造成很大的压力。
视频光端机光路传输问题安防监控工程中,光缆大多数都由用户自行敷设,一般为G652单模光纤。
由于系统覆盖范围一般都不大,用标配(≤20KM)设备光链路损耗都很富裕,因此,光端机对光路损耗没有过高的要求,但是用户常会遇到无图像、图像跳动、图像质量差等问题,这时多数问题都出在光路两端的尾纤、跳线或适配器上,而极少与主干光路有关。
常见的问题1、光纤活动连接器插入不正确;2、光纤活动连接器纤芯(陶瓷管)被污染。
解决办法1、重新插入活动连接器或调换光纤跳线;2、用99.9%无水乙醇擦拭插头,插座纤芯;3、用万用表检查摄像机视频缆,判断有无视频信号。
光路问题很多时候是在前期光缆铺设时,规划不足造成的。
光端机的数据接口卡死为适应安防监控的需要,系统各种设备(矩阵,硬录,解码器)都提供RS -485方式的数据接口,此格式的数据接口的优点是传输距离长,负载能力强,并能组成四线全双工通信总线,线上任何两台设备都能实现双向通信,而四线RS-422总线则只能实现主、从机之间的双向通信,从机之间则不能。
光端机常见故障现象及原因光端机是指在光纤通信系统中,负责将光信号转换为电信号的设备。
由于其复杂的结构和工作环境特殊,光端机常常遭遇各种故障现象。
下面将从常见故障现象和原因两个方面进行详细阐述。
光端机常见故障现象:1. 光能指示不亮或亮度不足:该故障现象通常由光端机电源异常或LED灯损坏引起。
电源异常可由于电源线接触不良或电源损坏,LED灯损坏则可能是由于长时间使用或外部电流过大导致。
2. 光信号接收或发送错误:该故障现象表现为光纤连接错误或光信号弱。
光纤连接错误常由于光纤插头或接口松动、光纤弯曲过度、光纤端面不洁净等原因造成。
光信号弱则可能是光纤连接不良、光源衰减或放大器故障等引起的。
3. 传输速率下降或中断:该故障现象表现为网络传输速率不稳定或断开。
常见的原因有光纤线路故障、环境电磁干扰、光模块老化、网络设备故障等。
4. 光纤连接端面问题:光纤的连接端面很容易受到沾污、划伤等影响,导致连接不良、光信号衰减或传输中断等故障。
5. 其他故障现象:如光端机无法开机、死机等。
这可能是由于硬件故障、软件异常、操作错误等原因引起的。
光端机常见故障原因:1. 硬件故障:光端机内部的电路元件或器件可能出现损坏或aging 现象,导致设备不稳定或无法正常工作。
例如,电源损坏、芯片老化等。
2. 光源问题:光端机的光源是关键组件之一,如果光源老化、工作不正常或发光功率不足,都会导致光信号无法正常发送或接收。
3. 硬件连接问题:光纤连接不牢固、光纤插头不干净等硬件连接问题会导致光信号损失或传输中断。
4. 环境问题:光端机通常安装在相对复杂的环境中,如高温、潮湿或灰尘等环境下,会导致设备散热不良、接口腐蚀、光模块损坏等故障。
5. 操作问题:错误的使用或操作光端机,如使用不当的光纤接口、连接过程中过度弯曲光纤等,都会导致设备故障。
综上所述,光端机常见故障包括:光能指示不亮或亮度不足、光信号接收或发送错误、传输速率下降或中断、光纤连接端面问题和其他故障现象。
四路视频光端机的简单故障排除随着科技的发展,视频监控的应用越来越普及,而光纤传输技术也在不断发展,光口转换器也越来越被广泛应用。
四路视频光端机是一种采用光纤传输技术的视频监控设备。
当四路视频光端机出现故障时,可能会影响到视频监控系统的正常运行,本文将介绍一些简单的故障排除方法。
故障排除前的准备在开始故障排除之前,需要检查四路视频光端机是否正常工作,如指示灯是否亮起,是否有异常的声音等。
如果指示灯没有亮起,则需要检查电源是否被连接,电源是否正常工作,电源开关是否打开等。
如果指示灯亮起但有异常的声音,则需要检查设备是否有异物进入、使用的光纤是否正常连接、光纤的卫生情况是否良好等。
故障排除方法1. 检查光纤连接当四路视频光端机无法正常传输视频时,首先需要检查光纤连接是否正确。
可以检查光纤是否松动,或者连接是否破损等。
如果连接松动,则需要重新连接光纤。
如果连接破损,则需要更换连接线。
2. 检查光纤质量如果光纤连接正常,还是无法传输视频,则需要检查光纤的质量。
检查方法可以通过光源和光功率计,检测光纤是否破损或质量有所下降。
如果发现光纤破损,则需要更换光纤。
3. 重启设备如果以上两项都没有问题,还是无法传输视频,则需要试着重启设备。
可以按照以下步骤进行操作:1. 先关闭电源;2. 等待五分钟后重新启动电源;3. 检查设备指示灯是否有异常;4. 检查视频传输是否正常。
4. 检查网络环境如果以上方法都没有解决问题,则需要检查网络环境是否正常。
可以检查网络线是否连接正常,网络速度是否达到要求等。
如果速度不够,则需要进行网速优化,并重新测试视频传输。
5. 安装防静电设备在操作四路视频光端机时,需要注意防止静电干扰。
因为静电会影响到视频传输的质量,导致视频传输异常。
所以在操作前需要安装防静电设备,保证视频传输质量。
结论四路视频光端机的故障可能采用以上简单的排查方法来解决,如果问题依然存在,建议联系专业技术人员进一步检查。
串口光端机的常见故障排除方法串口光端机是一种常用的通信设备,用于连接计算机与其它串行设备,如打印机、调制解调器等。
然而,在使用过程中,有时会遇到一些故障,导致无法正常传输数据。
为了提高工作效率,我们需要了解常见的故障类型并学会排除故障的方法。
1. 通信故障通信故障是串口光端机最常见的问题之一。
当出现通信故障时,常见的表现是无法连接到设备或数据传输速度缓慢。
要解决这个问题,首先需要确保正确连接串口线。
检查线缆是否插好,并确保连接端口正确。
接下来,检查串口光端机的配置设置。
在计算机上打开设备管理器,查看串口光端机是否已正确安装,并检查串口号和波特率设置是否与外设匹配。
如果不匹配,可以尝试更改配置以恢复正常通信。
如果以上步骤仍无法解决通信故障,可能是串口光端机本身出现了问题。
此时,可以尝试使用其他串口线或将串口光端机连接到另一台计算机上,以确定是否由设备硬件引起的故障。
2. 数据传输错误另一个常见的问题是数据传输错误。
这可能是由于数据传输过程中的干扰或传输错误引起的。
要解决这个问题,可以尝试以下方法:a. 检查数据线是否连接牢固。
有时候,松动的数据线会导致数据传输错误。
确保数据线插头与端口完全插入,并检查线缆是否有损伤或断裂。
b. 检查数据线的长度。
串口光端机支持的数据传输距离有限。
如果线缆长度超过规定范围,数据传输可能会受到干扰。
确保数据线的长度符合规范要求。
c. 检查串口光端机的硬件设置。
在串口光端机上可能有一些硬件开关或设置,例如奇偶校验、数据位和停止位等。
确保这些设置与外设匹配。
d. 尝试更换串口线。
有时候,坏掉的串口线可能会导致数据传输错误。
更换一条新的串口线,是否问题得到解决。
3. 电源故障电源故障可能导致串口光端机无法正常工作。
如果设备无法开启或频繁断电,可能是由于电源问题引起的。
为了解决这个问题,可以采取以下措施:a. 检查电源线是否连接良好。
确保电源线插头与电源接口紧密连接,并检查线缆是否损坏。
视频光端机的故障分析视频光端机是视频监控系统中数据传输的主要设备,这是一个很重要的设备,因为一旦出现问题,整个监控系统可能失效,这对于安全管理系统非常糟糕。
因此,在最近的运用中,人们更加关注视频光端机的故障问题,并致力于解决故障产生的原因和处理方法。
本文将讨论视频光端机故障的常见原因,并提供解决方法。
常见故障原因部件损坏由于应用和环境的原因,视频光端机可能出现了硬件部件损坏。
例如,传输模块或网络接口卡槽损坏等。
这种损坏可能是磨损和老化造成的,也可能是由于短路、电压不稳定或热量过高等问题导致的。
如果视频光端机出现这种故障,建议使用专业设备检测是否损坏并替换相应部件。
光纤断线或连接不良由于光纤是传输信号的主要通道,所以如果光纤断了,整个视频监控系统将失去通信。
特别是在信号传输的过程中,如果光纤连接不良,信号传输质量将变得极不稳定。
原因可能是安装时连接欠佳,或是由于长时间使用而导致连接脱落或腐蚀。
尽管光纤使用寿命较长,但它也可能因为长期使用而疲劳,导致光纤性能下降或断裂。
当出现这样的情况,可以首先用清洁剂和干净的布消毒连接端口并检查光源以提高连接质量。
如果仍无法恢复信号传输,应尽快更换光纤,以避免进一步恶化。
电力供应问题由于视频光端机需要一定的电力支持,如果这种支持出现问题,整个设备将不能正常运行。
例如,该设备的电源部分可能会损坏,电源供应不稳定,或者电源过低等问题,这可能会导致设备停止工作。
因此,建议在安装视频光端机之前,对配备的电源进行严格的检测。
如果发现电源设备不足以支持视频光端机,则可能需要更换更适合的电源设备。
故障解决方法如果视频光端机出现故障,我们可以采取以下解决方法。
替换损坏的硬件在可能的情况下,如果发现硬件设备损坏,例如网络接口卡槽或传输模块损坏,应该尽快替换损坏的硬件设备以恢复视频光端机的正常工作。
检查光纤连接的稳定性在出现光纤断线、连接不良及光纤老化等问题时,使用专业的工具检查光纤连接质量。
光端机使用时的故障定位和处理方法因经济发展、技术进步等原因,光纤的价格越来越低,使用范围也越来越广。
而在光纤传输中,光端机是关键设备,所以,工程师要熟悉光端机以应对可能出现的问题。
光纤数字传输系统故障排除的基本方法可归纳为以下几点:(1)明确故障性质和范围一般传输机房都开有几个方向的光端机,通过故障现象首先要明确是哪个方向的故障,是局外故障还是局内故障,群路故障还是支路故障,是光端机故障还是交换机等其它基群复用设备故障。
这就要求维护人员要全面掌握光纤数字通信系统的整体概念,了解传输与交换、电源系统的关联。
这样出现故障才能尽快判断出故障的性质和大致范围(2)光端机的故障定位通过仔细观察设备的各种告警信息及与之相对应的基群设备运行情况,结合仪表测试,综合分析尽快判断出故障段落,直至压缩到故障部位。
这就要求维护人员要熟悉通路组织和布线系统,平时要做有心人,出现故障,紧抓不放,直到排除,这样逐渐积累经验,处理故障时才能灵活机动,准确迅速。
判断是光板故障还是光缆故障,有3种方法:a.分别用备板将双方光板换之故障未消失,说明故障为光缆故障,否则,为设备故障。
b.用光功率计分别测光发、光收功率,也可判断出是光板还是光缆故障。
c.用尾纤+光衰耗器在光板收发自环也可判断出是光板还是光缆故障。
(3)光端机的故障处理方法对于设备故障处理的主要手段是更换电路板,要配备一定数目和种类的电路板;对于缆线,连接头故障,要首先用备用中继线代替,尽快抢通电路;对于属于光缆部分的故障要慎重,有备用纤芯时先代用,随后联系线路维护人员处理。
若光缆有备用纤芯,可换之试;若无备用纤芯,需再仔细判断是尾纤,还是户外光缆?因为是单芯光缆不好,且未根本断,户外缆断的可能性较小,先查尾纤较妥。
下面附上一个光端机故障解决案例:光端机某支路输入信号消失故障现象:A地与B地之间电话不畅,时有中继电路全忙的现象。
分析故障范围:A地与B地之间开有3个2Mb/s端口的中继电路(90条话路),根据故障现象分析电路未全阻,说明不是光路和群路故障。
SPDH光端机的故障诊断与管理技术研究概述SPDH光端机是一种应用于光纤通信网络中的关键设备,它负责实现光信号的调度、转发和管理。
然而,由于光纤网络的复杂性和设备的多样性,SPDH光端机可能会出现各种故障。
因此,SPDH光端机的故障诊断与管理技术显得尤为重要。
本文将探讨SPDH光端机故障的常见原因、诊断方法以及管理技术,以帮助网络工程师和维护人员更好地处理SPDH光端机故障。
一、SPDH光端机故障原因1. 光纤故障:光纤的损坏、接头的松动或污染等问题会导致信号传输中断或质量下降。
2. 光纤连接问题:连接器的损坏、不正确的连接和接口不匹配等问题可能导致光信号无法正常传输。
3. 光模块故障:光模块是SPDH光端机的核心部件,如果组件损坏或老化,将导致整个系统的故障。
4. 电源问题:电源供应不稳定、电源线路接触不良或电源模块故障可能导致设备无法正常运行。
5. 软件故障:软件程序的错误、配置问题或固件升级不完整等软件故障可能导致系统不稳定或无法正常工作。
二、SPDH光端机故障诊断方法1. 实际检查:首先,必须进行现场实际检查,了解设备的物理状态,包括电源指示灯、光信号指示灯和光纤连接状态等。
这样可以排除物理故障并快速找到问题的可能源头。
2. 测试工具:使用光功率计、OTDR(光时域反射仪)等专业测试工具,对设备进行全面的光信号测试,确定光纤连接质量和信号强度是否正常。
3. 日志分析:SPDH光端机通常会生成各种日志文件,用于记录设备的运行状态、故障信息和异常事件。
通过仔细分析这些日志文件,可以发现故障的蛛丝马迹和异常现象。
4. 远程监控:借助远程监控系统,对SPDH光端机进行实时监测,及时发现设备的异常行为和故障预警。
这可以提高故障诊断的效率,并减少因故障带来的停机时间。
三、SPDH光端机故障管理技术1. 定期维护:SPDH光端机需要定期进行维护,包括设备清洁、光纤连接检查和组件更换等。
定期维护可以预防潜在故障,提高设备的可靠性和稳定性。
光端机常见的故障及解决方法
一、设备安装
1、固定光端机。
2、连接光纤跳线,连接时注意卡口的方向。
3、连接业务接口,数据、音频等业务接口连接注意参照具体型号的说明书。
4、建议做好电源稳压和接地,将各种接口接好后检查电源是否符合要求方可给光端机供电。
5、待两端设备按以上1、2、3、4 步骤完成后查看链路指示灯(SYNC)是否常亮。
6、链路指示灯正常状态下检查视频、数据等功能是否正常。
按以上步骤操作设备不能正常工作的参照以下:
二、链路故障排除
1、检查实际传输距离与所订设备是否吻合,如不吻合与销售员联系。
2、准备材料:光功率计、跳线、法兰、无水酒精、酒精棉。
3、将光端机用跳线连接确认SYNC 指示灯是否常亮。
4、确认完光端机后将发射机安装好,在前端用光功率计测量发射机的出纤功率[1510nm 波段]。
(标准出纤功率参照下表)。
5、将前端发射机的跳线接好,回到中心测量终端盒对应的光纤的功率。
6、如无数据读出或读出数据小于参照表,则检查各接口法兰跳线的连接,并用酒精棉擦去连接头的灰尘,检查各熔接点和光缆的质量。
7、按5、6 步骤操作仍无数据读出的需要熔接公司提供ODTR 设备测量是否有断路。
三、设备故障排除
视频不通:
1、检查链路指示灯(SYNC)是否正常,如不正常参照链路故障排除。
2、检查发射机视频指示灯是否亮,如不亮检查射像机是否有输出,如有其它正常工作的光端机可交叉视频,如指示灯还不亮与销售员联系。
3、检查接收机视频指示是否亮,如不亮
数据不受控
1、确认矩阵或DVR 的数据码和速率与解码器的一致。
2、参照光端机说明书确认数据接口是否正确。
3、参照光端机说明书确认数据接线是否正确,(注意:数据是从接收机发往发射机)。
4、1-3 步骤无误数据还不受控的用万用表测量两根数据线之间的电压,当不控制的时候是一个恒定的电压(根据解码器的不同电压值不一样),当控制时数据线间的电压应在0-5V 之间跳变。
云台自转或乱转
1、云台自转或乱转的原因一般由以下4 种原因造成:
①解码器损坏。
②光衰减太大造成数据误码。
③一个数据源连接太多光端机,负载太大造成驱动力不够。
④光端机数据损坏。
音频不通
①确认接光端机的音源工作正常。
②确认音源的输出电压在3V 以内。
③根据说明书检查音频接线。
④用小音箱接音频输出测试音频工作是否正常
以太网不通
①光端机为DTE 设备,与机算机相连要压反线,与HUB、交换机相连压正线、反线均可。
②确认相连的机算机的IP 地址在同一网段。
③用命令c:\>ping IP 地址–t 检查是否连通。
如果电信号不能正常接收,则按以下步骤检查:1.确认所有的连接都是正确的,电缆、光缆和电源也正常。
如果光端机电源正常,但是不能工作,则按下述步骤执行:
A.监视器黑屏,数据和摄像机控制功能正常。
1.从光口拔掉光纤。
如果屏幕不再变黑但有雪花,则光连接可能是好的。
2.确保光端机之间的视频BNC连接是完好的。
B.监视器屏幕有雪花(噪音),数据和摄像机控制功能正常。
这种情况说明光的部分有问题。
继续按照以下步骤排除故障:
1.从发射机的光口拔掉光纤,插入一根光纤跳线。
2.把跳线的另一端插入光功率计。
a.如果读数与指标不符,说明发射机有问题,应更换。
b.如果读数符合规格,则进行下一步。
3.检查连接器。
如果脏了,用异丙基酒精擦拭干净。
4.把原来的光纤再接入发射机的光口。
在接收机端,执行上述的第2至第3步。
光功率计的读数至少要达到接收机输入能量的最小标定值。
光传输系统故障处理中故障定位的一般思路为:先外部、后传输。
也就是说在故障定位时,先排除外部的可能因素,如光纤断裂、电源中断等,接着再考虑传输设备。
因此如何精确的将障碍点定位就显得十分重要。
光端机一般都有运行状态指示灯(指示灯的详尽程度反映了光端机的设计水平),电源光纤链路建立、信号同步、视频输入输出和数据等。
参照设备说明书,通过观察指示灯的状态即可大致判断故障范围。
检查视频输入和数据指示灯可以排除输入的视频信号或控制信号中断;检查光纤链路指示灯可以判断光纤链路是否正常,如光纤或活动连接器损耗较大时指示灯将熄灭或闪动等。
有同型号的设备时,可以采用替换检查法(要求设备具有互换性),即将光纤接到另一端工作正常的接收机或更换远端的发射机可以准确地判断故障设备。
下面简要介绍光端机使用中常见故障的排除方法:
没有视频信号
1检查各设备是否供电正常。
2检查接收端对应通道视频指示灯是否点亮,
A:若指示灯点亮(灯亮证明此时该通道已有视频信号输出)。
则检查接收端到监视器或DVR等终端设备间的视频电缆是否连接好,视频接口连接是否松动或有虚焊等情况。
B:接收端视频指示灯不亮,检查前端对应通道视频指示灯是否点亮。
(建议对光接收机重新上电以保证视频信号的同步性)
a:灯亮(灯亮表示摄像机采集的视频信号已送入光端机前端),检查光缆是否连通,光端机以及光缆终端盒的光接口是否松动。
建议重新插拔一次光纤接口(如尾纤头太脏建议先用棉花酒精清洗待干后再插入)。
b :灯不亮,检查摄像机是否工作正常,及摄像机到前端发射机的视频电缆是否连接可靠。
视频接口是否松动或有虚焊等情况。
若以上方法不能排除故障且有同型号的设备时,可以采用替换检查法(要求设备具有互换性),即将光纤接到另一端工作正常的接收机或更换远端的发射机可以准确地判断故障设备。
画面出现干扰雪花
此种情况多是由于光纤链路衰减过大或前端视频线缆过长受交流电磁干扰所致。
1:检查尾纤是否有弯折过度的地方(特别是多模传输的时候应尽量让尾纤舒展开切勿过度弯折)。
2:检测光口和终端盒法兰盘连接处是否连接可靠法兰磁芯是否破损等。
3:光口和尾纤是否过脏应用酒精和棉花清洁待干后再插入。
4:铺设线路时视频传输线缆尽量选用屏蔽性好传输质量较好的75-5电缆且应尽量避开交流线路以及其他容易引起电磁干扰的物体。
没有控制信号或者控制信号不正常
检查光端机数据信号指示灯是否正确。
a:对照产品手册数据端口定义检查数据线是否连接正确且牢固可靠。
特别是控制线的正负极有没有接反。
:检查控制设备(计算机,键盘或DVR等)所发出的控制数据信号格式是否和光端机所支持的数据格式一致(数据通信格式详细介绍见本手册**页),波特率是否超过光端机所支持的范围(0-100Kbps)。
b:对照产品手册数据端口定义检查数据线是否连接正确且牢固可靠。
特别是控制线的正负极是否接反。
数据短接测试法
此法是针对控制信号为RS485,RS422格式光端机数据信号检测的一种简单实用的方法。
当光端机的电源和光路连接正常时,光端机接收和发射端Rx/Power指示灯为橙色(或绿色)。
在数据信号的输入端将数据+端接地(按照数据手册定义的管脚),若接收和发射端Rx/Power指示灯均变为红色,取消短接时接收和发射端Rx/Power指示灯为橙色(或绿色)。
那么说明光端机数据部分工作正常,光路连接正确。