平面闸门底槛安装质量检查表填表要求
- 格式:docx
- 大小:32.99 KB
- 文档页数:2
白川水电站工程
平面闸门埋件安装单元工程质量评定表
承建单位:合同编号: NO.
白川水电站工程
平面闸门主(反、侧)轨安装工序质量评定表
承建单位:合同编号: NO.
白川水电站工程
平面闸门底坎(门楣)安装工序质量评定表
承建单位:合同编号: NO.
白川水电站工程
平面闸门(拦污栅)工作范围内各埋件距离工序质量评定表承建单位:合同编号: NO.
白川水电站工程
平面闸门门体安装单元工程质量评定表
承建单位:合同编号: NO.
白川水电站工程
平面闸门门体安装工序质量评定表
承建单位:合同编号: NO.
白川水电站工程
拦污栅安装单元工程质量评定表
承建单位:合同编号: NO.
白川水电站工程
拦污栅埋件安装工序质量评定表
承建单位:合同编号: NO.
白川水电站工程
拦污栅栅体安装工序质量评定表
承建单位:合同编号: NO.
白川水电站工程
平面闸门门体安装检测记录
承建单位:合同编号: NO.
白川水电站工程
闸门(拦污栅)埋件安装孔口部位埋件间距检测记录
承建单位:合同编号: NO.
白川水电站工程
闸门埋件门楣安装检测记录
承建单位:合同编号: NO.
白川水电站工程
闸门埋件底坎安装检测记录
承建单位:合同编号: NO.。
金2-3平面钢闸门埋件安装单元工程质量检查评定表金2-3 平面钢闸门埋件安装单元工程质量检查评定表工程名称单元工程名称施工单位单元工程编号项次单元分项检测项目个数(个)主要项目(个) 一般项目(个) 分项质量评定优良合格优良合格1 主轨安装2 反轨安装3 侧轨安装4 底槛安装5 门楣、胸墙安装6 侧止水座板安装7 护角兼作侧轨安装合计优良项目占全部项目的百分比:%评定意见评定等级质量评定合格1.主要项目全部符合质量标准2.一般项目实测点有90%及其以上符合质量标准,其余基本符合质量标准优良在合格的基础上,优良项目占全部项目50%及其以上施工单位:年月日建设单位:年月日监理单位:年月日工程名称分项工程名称施工单位分项工程编号项次检查项目检查结果及质量评定1 安装焊缝两侧表面处理2 安装焊缝两侧防腐涂装项次检测项目允许偏差(mm) 实测偏差(mm) 加工面非加工面左右1 对门槽中心线(a)工作范围内+2、-1 +3、-1工作范围外+3、-1 +5、-22 对孔口中心线(b)工作范围内±3工作范围外±4△3 工作面组合处的错位工作范围内0.5 1工作范围外 1 2△4 工作表面扭曲(f)△工作范围内表面宽度(B)(mm)B<100 0.5 1B=100~2001 2B>200 1 2 工作范围外允许增加数2 2检查结果检查项目共检查项, 合格项, 优良项, 合格率% 检测项目主要共检测点, 合格点, 合格率%一般共检测点, 合格点, 合格率%评定意见评定等级施工单位:年月日建设单位:年月日监理单位:年月日注:带“△”者为主要检查项目。
工程名称分项工程名称施工单位分项工程编号项次检查项目检查结果及质量评定1 安装焊缝两侧表面处理2 安装焊缝两侧防腐涂装项次检测项目允许偏差(mm) 实测偏差(mm)加工面非加工面左右1 对门槽中心线(a)工作范围内+2、-1 +3、-1工作范围外+3、-1 +5、-22 对孔口中心线(b)工作范围内±3工作范围外±4△3 工作面组合处的错位工作范围内0.5 1工作范围外 1 2△4 工作表面扭曲(f)△工作范围内表面宽度(B)(mm)B<100 0.5 1B=100~2001 2B>200 1 2 工作范围外允许增加数2检查结果检查项目共检查项, 合格项, 优良项, 合格率% 检测项目主要共检测点, 合格点, 合格率%一般共检测点, 合格点, 合格率%评定意见评定等级施工单位:年月日建设单位:年月日监理单位:年月日注:带“△”者为主要检查项目。
表5.2.5平面闸门反轨安装质量检查表
填表说明
填表时必须遵守“填表基本规定”,并符合以下要求。
1.分部工程、单元工程名称填写要与表5.2相同。
2.检验(测)部位如下图所示。
3.单元工程安装质量检验项目质量标准。
(1)合格标准。
1)主控项目检测点应100%符合合格标准。
2)一般项目检测点应90%及以上符合合格标准,不合格点最大值不应超过其允许偏差值的1.2倍,且不合格点不应集中。
(2)优良标准。
在合格标准基础上,主控项目和一般项目的所有检测点应90%及以上符合优良标准。
水利水电工程
表5.2.5 平面闸门反轨安装质量检查表。
,并应符合下列要求:
5.2相同。
rj
中
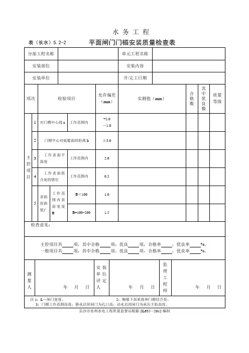
平面闸门底槛安装质量检查表填表要求
填表时必须遵守“填表基本规定” 1 .分部工程、单元工程名称填写应与表 2 .检验部位如图 E-1所示。
I
I
平面闸门底槛安装
底槛、门楣、主轨、侧轨、反轨、止水板、护角、 SL 635 —2012第4章的规定。
图E-1 3.平面闸门埋件安装质量评定包括: 胸墙和埋件表面防腐蚀等检验项目。
4 •平面闸门埋件焊接与表面防腐蚀质量应分别符合
5 •单元工程安装质量检验项目质量标准:
(1 )合格等级标准:
1 )主控项目,检测点应 100%符合合格标准。
2 )一般项目,检测点应 90%及以上符合合格标准,不合格点最大值不应超过其允许偏 差值的1.2倍,且不合格点不应集中。
(2 )优良等级标准:在合格等级标准基础上,主控项目和一般项目的所有检测点应
90%
及以上符合优良标准。
6 .表中数值为允许偏差值。
弧形闸门底槛、门楣安装质量评定表填表说明
表2.8-1填表说明
填表时必须遵守“填表基本规则”,并符合本部分说明及以下要求:1.表头填写与表2.8相同。
1.设计值按设计图纸填写,实测值填写实际测量值。
2.检测部位值见下图。
3.评定意见:填写主要检查项目合格个数,其中优良个数。
一般检
查项目合格个数,其中优良个数。
注:L为闸门宽度;安装时门楣一般为最后固定,故门楣位置宜按门叶实际位置进行调整;工作范围指孔口高度;构件每米至少测1点;潜孔式侧止水座板如为不锈钢,其组合处错位为0.5;组合处错位应磨成缓坡;测量工具:钢丝线、垂球、钢板尺、水准仪、经纬仪。
水利水电工程单元工程施工质量验收评定表及填表说明(下册)水利部建设与管理司编著内容提要《水利水电工程单元工程施工质量验收评定表及填表说明》(上、下册)根据《水利水电工程单元工程施工质量验收评定标准》(SL 361—2012~SL 637—2012和SL 638—2013、SL 639—2013)评定标准编制,用于水利水电工程单元工程施工质量验收评定工作使用。
上册主要内容包括土石方工程、混凝土工程、地基处理与基础工程、堤防工程;下册主要内容包括水工金属结构安装工程、水轮发电机组安装工程、水力机械辅助设备系统安装工程、发电电气设备安装工程和升压变电电气设备安装工程。
本书样表和填表说明基本涵盖了水利水电工程施工质量验收评定所需表格。
本书是水利水电工程建设、施工、监理、质量监督和质量检测等工程技术人员的工具书,也可作为其他领域相关人员的参考用书。
前言为加强水利工程施工质量管理,根据水利部发布的《水利水电工程单元工程施工质量验收评定标准》(SL 631~SL 637—2012、SL 638~SL 639—2013)和有关施工规程规范。
水利部建设与管理司组织水利部建设管理与质量安全中心、吉林省水利厅等单位的有关专家编写了《水利水电工程单元工程施工质量验收评定表及填表说明》,便于广大水利水电工程技术人员更好地理解评定标准和实际工作中使用,进一步规范单元工程施工质量验收评定工作。
全书分上、下册,总计539个表格。
上册包括土石方工程51个;混凝土工程68个;地基处理与基础工程52个;堤防工程38个。
下册包括水工金属结构安装工程50个;水轮发电机组安装工程83个;水力机械辅助设备系统安装工程45个;发电电气设备安装工程106个;升压变电电气设备安装工程46个。
逐表编写了填表要求。
本书所列表式为通用表式,有关专业人员在使用时可结合工程实际情况,依据设计文件、合同文件和有关标准规定,对相关内容作适当的增减。
在工程项目中,如有SL 631~SL 639标准尚未涉及的单元工程,其质量标准及评定表格,由建设单位组织设计、施工及监理等单位,根据设计要求和设备生产厂商的技术说明书,制定相应的施工、安装质量验收评定标准,并按照《水利水电工程单元工程施工质量验收评定表及填表说明》中的统一格式(表头、表身、表尾)制定相应质量验收评定、质量检查表格,报相应的质量监督机构核备。
,并应符合下列要求:
5.2相同。
rj
中
平面闸门底槛安装质量检查表填表要求
填表时必须遵守“填表基本规定” 1 .分部工程、单元工程名称填写应与表 2 .检验部位如图 E-1所示。
I
I
平面闸门底槛安装
底槛、门楣、主轨、侧轨、反轨、止水板、护角、 SL 635 —2012第4章的规定。
图E-1 3.平面闸门埋件安装质量评定包括: 胸墙和埋件表面防腐蚀等检验项目。
4 •平面闸门埋件焊接与表面防腐蚀质量应分别符合
5 •单元工程安装质量检验项目质量标准:
(1 )合格等级标准:
1 )主控项目,检测点应 100%符合合格标准。
2 )一般项目,检测点应 90%及以上符合合格标准,不合格点最大值不应超过其允许偏 差值的1.2倍,且不合格点不应集中。
(2 )优良等级标准:在合格等级标准基础上,主控项目和一般项目的所有检测点应
90%
及以上符合优良标准。
6 .表中数值为允许偏差值。