铝合金门窗工程报价规范
- 格式:pdf
- 大小:158.02 KB
- 文档页数:9
工程铝合金窗报价方案一、前言随着建筑行业的不断发展,工程铝合金窗已经成为建筑行业中越来越受欢迎的一种门窗产品。
其高强度、耐腐蚀性、密封性好等优点,使其在建筑行业中得到了广泛的应用。
作为一种重要的建筑材料,工程铝合金窗的选择和报价显得尤为重要。
在此,我们将对工程铝合金窗的报价方案做一个详细的介绍,希望能够为广大建筑行业从业者提供一些参考。
二、报价方案1. 工程铝合金窗材料工程铝合金窗的材料主要由铝合金型材、五金配件、玻璃、密封胶条等几个部分组成。
在报价时,应该对这些材料进行详细的分析和报价,以保证报价的准确性。
2. 工程铝合金窗的型号和规格工程铝合金窗的型号和规格的选择与工程的实际要求有着密切的关系。
在进行报价的过程中,需要根据建筑的具体情况和客户的需求,选择合适的型号和规格进行报价。
3. 工程铝合金窗的生产成本工程铝合金窗的生产成本是报价的重要组成部分。
在报价时,需要对生产成本进行详细的分析,包括铝合金型材的采购成本、五金配件的采购成本、玻璃的采购成本、人工成本、运输成本等。
只有对这些成本进行充分的分析和计算,才能够得出准确的报价。
4. 工程铝合金窗的安装成本工程铝合金窗的安装成本也是报价的重要组成部分。
在报价时,需要对安装成本进行详细的分析和计算,包括现场施工的人工成本、辅助材料的采购成本、施工设备的租赁成本等。
只有对安装成本进行充分的分析和计算,才能够得出准确的报价。
5. 工程铝合金窗的价格策略工程铝合金窗的价格策略也是报价的重要组成部分。
在报价时,需要根据市场行情和客户需求,制定合理的价格策略,以保证报价的合理性和竞争力。
6. 工程铝合金窗的售后服务工程铝合金窗的售后服务也是报价的重要组成部分。
在报价时,需要充分考虑售后服务的成本,并制定合理的售后服务方案,以保证产品的质量和客户的满意度。
三、报价方案的实施1. 工程铝合金窗的报价方案的实施应该是以客户需求为导向的。
在报价的过程中,应该充分考虑客户的需求和预算,制定合适的报价方案。
铝合金门窗工程计算表及单价分析表铝合金门窗工程计算表及单价分析表是对铝合金门窗工程的量化计算和单价分析的总结和汇总。
通过对这些工作的自动计算和分析,可以帮助我们更加准确地预估和控制铝合金门窗工程的成本和工期。
下面是对铝合金门窗工程计算表及单价分析表的详细解释,以及它们在工程项目中的应用。
1.铝合金门窗工程计算表-门窗类别和型号:列出各种门窗的类别和型号,以便进行区分和识别。
-尺寸和数量:对每个门窗的尺寸和数量进行记录,包括长、宽、高等参数。
-材料和配件:列出门窗所使用的铝合金材料和配件的品牌、型号和数量。
-施工工艺:描述门窗的安装和施工工艺,以及采用的施工方法和步骤。
-工期和成本:对门窗工程的施工工期和成本进行预估和汇总。
通过铝合金门窗工程计算表,我们可以清楚地了解每个门窗的具体要求和所需材料,以及整个工程的施工工期和成本。
这对于施工单位制定施工计划和预算非常有帮助。
2.单价分析表单价分析表是对铝合金门窗工程各项工作和材料的单位价格进行分析和计算的表格。
它需要包含以下内容:-工作项目:列出门窗工程的各个工作项目,包括门窗制作、安装、调试等。
-材料和配件:对门窗工程所涉及的铝合金材料和配件进行单价分析,包括材料的采购成本、配件的购买成本等。
-人工费用:对门窗工程的各项工作所需的人工费用进行计算和分析,包括制作、安装等工序的人工投入。
-设备费用:对门窗工程所需的特殊设备和工具的使用费用进行计算和分析。
-其他费用:包括运输费用、管理费用、税费等其他与门窗工程相关的费用。
-总价:对每个工作项目和材料进行累加,计算出门窗工程的总体价格。
通过单价分析表,我们可以准确地评估铝合金门窗工程的成本,并进行合理的预算和报价。
它能够帮助施工单位在竞争激烈的市场中提高竞争力,同时也能够帮助业主控制项目成本。
在工程项目中,铝合金门窗工程计算表及单价分析表的应用非常广泛。
它们不仅用于项目的初步预算和报价,还可以用于可行性研究、投标、合同谈判、施工监控等环节。
铝合金门窗工程报价范本一、工程概况本工程位于XX市XX区,包括以下门窗项目:1.主楼门窗:XXX平方米;2.副楼门窗:XXX平方米;3.车库门窗:XXX平方米;4.顶层阳光房门窗:XXX平方米。
二、报价内容1.材料费铝型材:根据工程要求,采用X系列铝合金型材,材料价格为XXX元/平方米。
玻璃:按工程要求,采用双层中空钢化玻璃,价格为XXX元/平方米。
五金配件:使用顶级品牌五金配件,价格为XXX元/平方米。
2.加工费铝合金型材切割、开槽、铣型等加工费用,价格为XXX元/平方米。
玻璃加工费:双层中空钢化玻璃的破碎处理、边缘打磨、孔洞开孔等加工费用,价格为XXX元/平方米。
五金配件安装费:五金配件的安装和调试费用,价格为XXX元/平方米。
3.安装费门窗的安装、调整和固定等费用,根据实际情况进行综合计算,总计XXX元。
4.运输费考虑到门窗的运输距离和数量,运输费用总计XXX元。
5.管理费包括工程管理、质量监督和施工现场清理等费用,总计XXX元。
6.税金根据法定规定缴纳的税金,按照XXX计算,总计XXX元。
7.暂列金额根据工程实际情况可能出现的暂定项目,暂列金额为XXX元。
三、总报价材料费:XXX元加工费:XXX元安装费:XXX元运输费:XXX元管理费:XXX元税金:XXX元暂列金额:XXX元总计:XXX元注释:1.本报价仅包含所列项目,不包含其他附属工程和装饰材料费用;2.如有特殊需求或变动,报价会相应调整;3.报价有效期为X个月,过期作废;。
铝合金门窗工程报价铝合金门窗工程是现代建筑中常见的一种门窗装饰材料,具有轻巧、耐用、防腐蚀等特点。
铝合金门窗广泛应用于住宅、商业、办公等各类建筑中,为建筑物提供了美观大方、开启方便、采光通风等功能。
因此,对于铝合金门窗工程的报价是非常重要的。
一、材料费铝合金门窗工程的材料主要包括铝型材、玻璃、五金件等。
铝型材是门窗的主要构件,其价格受到铝型材的型号、厚度、表面处理等因素的影响。
一般来说,高端型号的铝型材价格较高,厚度越大价格也越高,表面处理的方式也会影响价格,如阳极氧化、喷涂等。
而玻璃的价格则受到玻璃的类型、规格、透光性等因素的影响。
不同类型的玻璃,如单层玻璃、中空玻璃、夹胶玻璃等价格也会不同。
五金件包括门窗的拉手、合页等附件,价格受到材质、品牌的影响。
二、加工费铝合金门窗的加工费包括铝型材的切割、连接、焊接等工艺。
切割是指将铝型材按照尺寸要求切割成所需的形状和长度。
连接是将切割好的铝型材通过角码、扣件等连接起来,组成门窗的框架结构。
焊接是铝合金门窗加工中常用的连接方式,通过焊接可以增强门窗的结构强度和稳定性。
加工费的金额取决于所需加工的工作量和要求,也受到加工厂家的价格策略影响。
三、安装费铝合金门窗的安装费一般由安装公司进行报价,其价格会受到多个因素的影响。
首先是门窗的尺寸和数量,大尺寸和多数量的门窗安装费通常会较高。
其次是门窗的安装位置和环境,如门窗的高度、难易程度、周边情况等。
最后是安装公司的资质和服务,不同公司的资质和服务水平不同,因此其报价也会有所差异。
一般来说,正规的安装公司会根据实际情况进行测量,然后依据相关因素进行报价。
除了以上三个方面的成本因素,铝合金门窗工程的报价还受到其他因素的影响,如地区差异、市场需求等。
不同地区的人工成本、材料价格等都会有所不同,因此对铝合金门窗工程报价时需要考虑这些因素。
总结起来,铝合金门窗工程的报价需要综合考虑材料费、加工费和安装费等多个因素,同时还要考虑其他因素的影响。
.致:************区住房和规划建设局********搬迁安置居住小区项目部铝合金门窗工程报价方案(联系人: ******手机:**********)2014 年 4 月 9 日报价汇总工程名称:**********搬迁安置居住小区第 4 标短铝合金门窗工程序号分项名称工程量综合单价总价(元)备注(㎡)(元 /㎡)1 百叶窗2654.00 237.31 629820.74 风井、空调位2 50 系列平开窗10006.00 304.92 3051029.52 卧室、厨房等3 70 系列推拉窗597.00 260.5 155518.5 厨房、楼梯等4 90 系列推拉门5465.00 317.06 1732732.9 卧室、客厅 /阳台5 100*45+50 平开 /固定窗978.00 312.29 305419.62 门厅、商铺6 100*44+ 全玻地弹门1043.00 448.45 467733.35 门厅、商铺7 70 平开门连窗1249.00 366.81 458145.69 餐厅 / 厨房 /阳台8 小计21992 9800400.329 (综合平均单价为)309.22报价说明:1、铝型材采用广东高登、金兰等品牌粉末喷涂;壁厚为窗 1.4mm 、门 2.0mm 、百叶 1.2mm 。
2、门窗五金件选用“雄进”等优质品牌,平开窗配置两点锁、滑撑(卫生间配7字执手;推拉窗配月牙锁、滑轮/推拉门配双滑轮;平开门配球形、合页。
3、此报价玻璃选用东莞“信义”或“龙玻”等品牌,门采用6mm 白色钢化玻璃(地弹门 12mm ),采用5mm/6mm白色钢化玻璃(卫生间为磨砂);4、此报价不含总包配合费、检测费、现场水电费、税金,含管理费及利润。
5、甲方需免费提供脚手架等便于安装的垂直运输设备和施工工人住宿等场所。
6、所有报价工程路量均为暂定量,结算时应以实际完成展开面积结算。
7、本报价中的材料报价在15 天内有效。
断桥铝门窗工程价格预算表断桥铝门窗是一种常见的门窗材料,具有隔音、隔热、防风、防水等优点,因此在建筑工程中得到广泛应用。
在进行断桥铝门窗工程时,预算是非常重要的一部分,它确定了整个工程的费用和资源分配。
下面是一份针对断桥铝门窗工程的价格预算表,帮助您合理安排预算。
1.材料费用预算-断桥铝型材:根据门窗的尺寸和设计要求进行选择,价格因品牌和规格而异。
-玻璃:根据门窗设计和要求选择不同的玻璃类型,如单层钢化玻璃、中空玻璃等。
-五金配件:包括门窗锁具、合页、玻璃胶封条等。
-封胶:用于门窗的密封,可根据工程需要选购合适的品牌和规格。
2.生产加工费用预算-门窗型材切割加工费用:根据门窗尺寸切割型材,并根据设计要求进行加工。
-玻璃切割加工费用:根据门窗设计要求进行玻璃的切割和加工。
-门窗组装费用:将切割好的型材和玻璃进行组装,安装五金配件。
3.安装费用预算-断桥铝门窗的安装是一个关键的环节,所以需要专业的安装师傅进行。
-安装费用根据门窗的尺寸、型号和安装难易程度来确定。
4.运输费用预算-断桥铝门窗的运输需要使用专业的运输工具和人力,费用根据运输距离和数量来确定。
5.人工费用预算-包括生产加工人员费用、安装人员费用等。
-根据工程的规模和工期来确定人工费用。
6.辅助材料费用预算-如螺丝、胶水、密封胶等,用于门窗的安装和密封工作。
7.设备和工具费用预算-断桥铝门窗生产和安装需要使用一些特定的设备和工具,如切割机、组装工具等。
-根据具体的工程需要购买或租赁相应的设备和工具。
8.其他费用预算-如税费、保险等。
在编制断桥铝门窗工程价格预算表时,需要综合考虑以上各项费用,并根据实际情况进行合理的预估和计算。
不同工程的具体价格会受到多种因素的影响,因此具体的预算表可能因工程的不同而有所差异。
总结起来,断桥铝门窗工程价格预算表主要包括材料费用、生产加工费用、安装费用、运输费用、人工费用、辅助材料费用、设备和工具费用、其他费用等方面的预算。
断桥铝门窗安装费标准
断桥铝门窗的安装费用标准因地区、门窗型号、安装难度等因素而有所不同。
一般来说,断桥铝门窗的安装费用主要包括以下几个方面:
1.工人安装费:每个地方的安装价格都有所不同,一般来说,安装费在60-80元/平方米之间。
2.辅料费用:例如横梁费用、拼位费用、防水胶费用等。
例如,横梁费用约为180元/米,防水胶费用为10元/米。
3.五金件费用:包括门锁、合页、滑轮等配件,费用根据品牌和质量有所不同。
4.隐形纱窗费用:根据隐形纱窗的个数和单价计算。
5.阳台转角费用:根据阳台转角的尺寸和单价计算。
此外,断桥铝门窗的价格还受到型材、玻璃、开启方式等因素的影响。
一般来说,型材越厚、玻璃面积越大、开启方式越复杂,价格就会越高。
以上信息仅供参考,实际价格请以当地市场为准。
为了获得准确的报价,建议您联系当地的门窗经销商或施工队伍,了解具体的安装费用。
在选择门窗和施工队伍时,请务必考虑产品质量、安装技术和服务等因素,以确保门窗的性能和美观度。
铝合金门窗工程报价单尊敬的客户:感谢您对我们公司的关注和支持,我们非常荣幸能为您提供铝合金门窗工程的报价单。
经过我们专业团队的精心计算和细致测量,现将报价单详细列出如下:一、门窗类型及数量:1.单开窗:50扇2.推拉窗:30扇3.平开窗:20扇4.单开门:10扇5.推拉门:5扇二、门窗规格及尺寸:窗户规格:1. 单开窗:1000 mm * 800 mm2. 推拉窗:1200 mm * 1000 mm3. 平开窗:1500 mm * 1200 mm门规格:1. 单开门:2000 mm * 900 mm2. 推拉门:2500 mm * 1200 mm三、门窗材料及型号:1.框料:铝2.表面处理:阳极氧化3.玻璃:中空钢化玻璃4.型号:AL-1801四、门窗五金配件及型号:1.拉手:A型拉手2.活动轴:不锈钢3.平开窗配件:WB-014.推拉窗配件:WD-02五、报价单:1.单开窗:10,000元/扇2.推拉窗:12,000元/扇3.平开窗:15,000元/扇4.单开门:18,000元/扇5.推拉门:20,000元/扇六、工程总报价:总报价=(单开窗×单开窗价格)+(推拉窗×推拉窗价格)+(平开窗×平开窗价格)+(单开门×单开门价格)+(推拉门×推拉门价格)根据以上规格及数量,总报价为:总报价=(50扇×10,000元/扇)+(30扇×12,000元/扇)+(20扇×15,000元/扇)+(10扇×18,000元/扇)+(5扇×20,000元/扇)=2,000,000元七、报价说明:以上报价为初步估算,具体价格可能会受到市场行情和其他因素的影响,敬请以最终合同为准。
报价不含税,不含安装费用。
如有需要,我们将根据客户要求提供详细的安装报价。
八、付款方式:1.50%的合同总额需在签订合同后的三天内支付;2.剩余50%的合同总额需在货物交付前三天支付。
门窗工程施工清单报价一、工程概况本项目为门窗工程施工项目,主要包括铝合金门窗、塑钢门窗、防火门等施工内容。
工程位于武汉市黄陂区盘龙城经济开发区丰山村、刘古塘村,建筑面积约为XX平方米。
根据施工图纸及工程量清单,现就本项目门窗工程施工进行清单报价。
二、工程量清单1. 铝合金门窗序号工程名称规格数量单位单价(元)合价(元)1 铝合金推拉窗中空玻璃,1.4厚 1200 平方米 2300 27600002 铝合金平开门中空玻璃,1.4厚 1000 平方米 3200 32000003 铝合金隐框窗中空玻璃,1.5厚 1500 平方米 2700 40500004 圆弧中空玻璃铝合金窗 9316 平方米 2300 21724802. 塑钢门窗序号工程名称规格数量单位单价(元)合价(元)1 塑钢推拉窗 C1 3000 平方米 2400 72000002 80系列推拉窗白玻,1.5衬钢 1500 平方米 2400 36000003. 防火门序号工程名称规格数量单位单价(元)合价(元)1 钢质防火门 FM甲 1500 扇 2400 3600000三、工程单价分析1. 铝合金门窗(1)铝合金推拉窗:中空玻璃,1.4厚材料费用:玻璃费用+铝材费用+密封条费用+五金配件费用人工费用:安装人工费用+辅料人工费用机械费用:运输费用+吊装费用(2)铝合金平开门:中空玻璃,1.4厚材料费用:玻璃费用+铝材费用+五金配件费用人工费用:安装人工费用+切割人工费用机械费用:运输费用(3)铝合金隐框窗:中空玻璃,1.5厚材料费用:玻璃费用+铝材费用+密封条费用+五金配件费用人工费用:安装人工费用+辅料人工费用机械费用:运输费用+吊装费用(4)圆弧中空玻璃铝合金窗材料费用:玻璃费用+铝材费用+圆弧造型费用+密封条费用+五金配件费用人工费用:安装人工费用+切割人工费用机械费用:运输费用2. 塑钢门窗(1)塑钢推拉窗:C1材料费用:型材费用+玻璃费用+密封条费用+五金配件费用人工费用:安装人工费用+辅料人工费用机械费用:运输费用+吊装费用(2)80系列推拉窗:白玻,1.5衬钢材料费用:型材费用+玻璃费用+密封条费用+五金配件费用人工费用:安装人工费用+切割人工费用机械费用:运输费用3. 防火门材料费用:钢质材料费用+防火板费用+密封条费用+五金配件费用人工费用:安装人工费用+切割人工费用机械费用:运输费用四、汇总总价1. 铝合金门窗序号工程名称规格数量单位单价(元)合价(元)1 铝合金推拉窗中空玻璃,1.4厚 1200 平方米 2300 27600002 铝合金平开门中空玻璃,1.4厚 1000 平方米 3200 32000003 铝合金隐框窗中空玻璃,1.5厚 1500 平方米 2700 40500004 圆弧中空玻璃铝合金窗 9316 平方米 2300 2172480小计:1211248。
铝合金门窗工程报价规范一、基本信息在报价中,应包含以下基本信息:1.合同名称:明确报价项目的名称。
2.项目地点:具体指明施工地点。
3.项目建设单位:明确委托人信息。
4.设计批准文号:包括设计单位的名称和批准号码。
5.报价单位:报价单位的名称和地址。
6.报价日期:具体的报价日期。
二、工程概况报价中,应包含以下工程概况信息:1.工程名称及数量:对铝合金门窗工程进行详细的描述,包括工程名称、工程数量等。
2.建筑结构类型:明确建筑的结构类型,如钢筋混凝土结构、钢结构等。
3.工程地理位置:明确工程的地理位置,包括具体的地址、城市等信息。
4.工程进度计划:明确工程的进度计划,包括开工日期、完工日期等。
三、工程量清单报价中,应详细列出工程量清单,包括以下内容:1.门窗材料:列出具体需要的铝合金材料种类与数量。
2.五金配件:列出需要的五金配件种类与数量。
3.工程施工量:列出具体的施工量,包括门窗安装的数量与难度等。
4.材料价格:列出每种材料的单价,包括铝合金材料、五金配件等。
四、工程报价计算在报价中,需要进行详细的工程报价计算,包括以下方面:1.材料成本计算:包括铝合金材料、五金配件等的成本计算。
2.人工成本计算:包括门窗安装工人的工资、社保等成本计算。
3.设备使用成本计算:包括使用工具、机械设备等的成本计算。
4.铰接辅助材料成本计算:包括铰接辅助材料的成本计算。
5.运输费用计算:包括材料运输、门窗安装运输等的费用计算。
五、工程报价附录在报价中,需要附有以下附件信息:1.工程施工图纸:包括门窗工程的施工图纸,提供给承包商参考。
2.技术文件:包括门窗材料、五金配件等的技术文件,提供给承包商参考。
3.价格清单:包括具体的价格清单,提供给委托人和承包商参考。
综上所述,铝合金门窗工程报价规范是一项十分重要的工作,可以确保报价的准确性,并为工程的顺利进行提供支持。
在进行铝合金门窗工程报价时,应严格按照规范要求进行操作,以避免报价中出现错误或遗漏,从而确保工程的顺利进行。
致:************区住房和规划建设局********搬迁安置居住小区项目部铝合金门窗工程报价方案(联系人:****** 手机:**********)2014年4月9日报价汇总工程名称:**********搬迁安置居住小区第4标短铝合金门窗工程报价说明:1、铝型材采用广东高登、金兰等品牌粉末喷涂;壁厚为窗 1.4mm、门 2.0mm、百叶1.2mm。
2、门窗五金件选用“雄进”等优质品牌,平开窗配置两点锁、滑撑(卫生间配7字执手;推拉窗配月牙锁、滑轮/推拉门配双滑轮;平开门配球形、合页。
3、此报价玻璃选用东莞“信义”或“龙玻”等品牌,门采用6mm白色钢化玻璃(地弹门12mm),采用5mm/6mm白色钢化玻璃(卫生间为磨砂);4、此报价不含总包配合费、检测费、现场水电费、税金,含管理费及利润。
5、甲方需免费提供脚手架等便于安装的垂直运输设备和施工工人住宿等场所。
6、所有报价工程路量均为暂定量,结算时应以实际完成展开面积结算。
7、本报价中的材料报价在15天内有效。
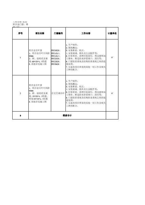
综合单价分析表项目名称:**********搬迁安置居住小区第4标段铝合金门窗工程综合单价分析表项目名称:*********搬迁安置居住小区第4标段铝合金门窗工程综合单价分析表项目名称:********搬迁安置居住小区第4标段铝合金门窗工程综合单价分析表项目名称:*********搬迁安置居住小区第4标段铝合金门窗工程综合单价分析表项目名称:********搬迁安置居住小区第4标段铝合金门窗工程综合单价分析表项目名称:********搬迁安置居住小区第4标段铝合金门窗工程综合单价分析表项目名称:********搬迁安置居住小区第4标段铝合金门窗工程。
铝门窗报价计算规则标准
铝门窗报价的计算规则标准是一个复杂的过程,需要考虑多个因素。
首先,铝门窗的报价计算通常基于以下几个方面:
1. 材料成本,铝门窗的报价首先要考虑到材料成本,包括铝型材、五金配件、玻璃等材料的采购成本。
不同规格和品质的材料价格差异很大,因此在计算报价时需要准确核算每种材料的成本。
2. 加工成本,铝门窗的加工成本包括切割、焊接、喷涂等加工工艺的成本,这些成本会直接影响到最终的报价。
加工成本的计算需要考虑到人工、设备、能源等方面的费用。
3. 设计和安装费用,铝门窗的设计和安装也是影响报价的重要因素。
设计费用包括设计图纸的制作和设计师的费用,而安装费用则包括人工安装费用和所需的安装辅助材料费用。
4. 市场行情和竞争对手,市场行情和竞争对手的报价也会对铝门窗的报价产生影响。
如果市场行情波动大或竞争激烈,报价计算就需要更加谨慎和灵活。
5. 其他费用,除了上述因素外,还有一些其他费用需要考虑,比如运输费用、税费、保险费等。
以上是计算铝门窗报价的一般规则标准,但实际情况可能因地区、厂家、工艺等因素而有所不同。
在实际操作中,需要根据具体情况进行综合考虑和灵活运用,以确保报价的准确性和合理性。