SG-A093电气工程隐蔽验收记录地下室
- 格式:doc
- 大小:60.50 KB
- 文档页数:1
SG-A093电气工程隐蔽验收记录工程名称分项工程名称隐蔽验收部位施工单位项目负责人专业工长施工班组长设计图号单位数量检查验收情况附图及说明防雷引下线利用柱内四角的钢筋共4根引下,在基础底板筋上连成一个整体,再用60×6镀锌扁钢引出与室外60×6镀锌环形接地体可靠焊接,共引出10组,整个接地焊接的焊肉饱满,无咬肉现象,无漏焊,地下部分焊接处防腐良好,地下埋深1.2m,安装符合设计和规范要求。
经检查,该检验批的接地装置安装符合设计和规范要求,评定合格施工单位检查评定结果项目专业质量检查员:项目专业质量(技术)负责人:年月日经旁站检查验收,该检验批的施工质量符合设计和规范要求,同意验收监理(建设)单位验收结论监理工程师(建设单位项目技术负责人):年月日注:本表一式四份,建设单位、施工单位、监理单位、城建档案饿各留一份。
四川省建设厅制SG—A093填写说明一、本记录用于电气工程隐蔽之前的检查验收。
检查完毕,应由施工单位专业工长根据检查实际情况填写“检查验收情况”栏目的内容,需要附图或说明者,应在“附图及说明∵栏目中填写及绘图。
由项目专业质量检查员审查并作检查评定结果,监理(建设)单位应作出验收结论,且有关人员应签字确认。
二、被隐蔽的接线盒及导管应在隐蔽前检查合格,方可隐蔽。
直埋电缆必须隐检合格后,方可隐蔽。
三、室外苴埋导管的路径,沟槽深度、宽度及垫层处理经检查确认,才能敷设导管,经隐检合格后,方可进行隐蔽。
四、建筑物基础接地体,待底板钢筋敷设完成,按设计要求做接地施工,经隐检合格后,方能浇注混凝土隐蔽。
人工接地体,按设计位置开挖沟槽,经检查确认,才能打入接地板和敷设接地平线,经隐检合格后,方可隐蔽。
五、利用建筑物柱内主筋作引下线,待柱内主筋绑扎后,再按设计要求进行焊接施工,经隐检合格后,方可隐蔽。
直接从基础接地体或人工接地体暗敷埋入粉刷层内的引下线!经检查确认不会外露以及隐检合格后,方可隐蔽。
SGA093电气工程隐蔽验收记录验收单位及时间本次电气工程隐蔽验收由建设单位和施工单位共同组成的验收小组进行,验收时间为2021年5月1日至5月5日。
验收内容本次电气工程隐蔽验收主要包括以下方面:1.电缆敷设及温度检测;2.电气设备安装及接线;3.电力电缆绝缘测试;4.接地测试;5.运行试验。
验收标准本次电气工程隐蔽验收的标准按照《电气工程隐蔽工程验收规程》(GB50264-2013)进行。
验收结果经过仔细检查和试验,本次电气工程隐蔽验收合格,不存在任何质量问题或安全隐患。
具体验收结果如下:1. 电缆敷设及温度检测1.1 电缆敷设情况:1)电缆段数:共计20段2)敷设位置:在生产车间和办公楼内3)敷设方向:水平敷设4)敷设深度:符合设计要求5)敷设间距:符合设计要求1.2 电缆温度检测情况:1)检测范围:所有电缆段2)检测结果:所有电缆温度均在设计范围之内2. 电气设备安装及接线2.1 安装情况:1)共安装4台变压器、6台配电柜和10台消防泵2)安装位置:均符合设计要求3)安装高度:均符合设计要求4)安装稳定:无松动、脱落现象2.2 接线情况:1)接线方式:采用接线端子并用绝缘带绑扎2)接头绝缘:符合设计要求3. 电力电缆绝缘测试3.1 检测范围:所有电力电缆3.2 检测项目:绝缘阻抗和介质损耗角正切3.3 检测结果:绝缘阻抗和介质损耗角正切均符合设计要求4. 接地测试4.1 检测项目:接地电阻测量4.2 检测结果:接地电阻均在规定范围内5. 运行试验5.1 试验范围:所有配电设备5.2 试验项目:各设备的开关量能力、跳闸能力、过载能力、短路能力5.3 试验结果:各项指标均符合设计要求验收结论本次电气工程隐蔽验收的所有验收项目均符合设计要求,无任何质量问题或安全隐患。
建设单位和施工单位将根据验收结果整改不足之处,并按时交付使用。
SG-A093水利工程隐蔽验收记录地下室该文档用于记录SG-A093水利工程地下室隐蔽验收的结果和相关信息。
项目信息- 项目名称:SG-A093水利工程地下室- 项目编号:SG-A093- 施工单位:[施工单位名称]- 监理单位:[监理单位名称]- 验收人员:[验收人员姓名]- 验收日期:[验收日期]隐蔽验收结果地下室隐蔽验收的主要内容如下:1. 结构验收:- 地下室结构尺寸和布局符合设计要求;- 结构构件安装固定牢固,无明显缺陷;- 地下室防水层施工符合规范,无渗漏现象;- 隔音层施工合格,符合设计要求。
2. 电气验收:- 地下室电气线路布置符合规范;- 电气设备安装良好,无缺陷;- 电气设备接地良好,接地电阻符合要求。
3. 通风与空调验收:- 地下室通风系统设计合理;- 通风设备安装符合要求,运行正常;- 空调系统符合设计要求,制冷/制热效果良好。
4. 消防验收:- 地下室消防设施按照设计要求设置;- 消防设备安装合格,操作方便;- 地下室内部安全出口设置合理,疏散通道畅通。
相关记录以下为地下室隐蔽验收过程中的相关记录:- [记录1]- [记录2]- [记录3]- ...结论经过地下室的隐蔽验收,各项验收内容符合设计要求和规范要求,无明显缺陷和问题。
因此,SG-A093水利工程地下室隐蔽验收合格。
签署- 施工单位代表:[施工单位代表签名]- 监理单位代表:[监理单位代表签名]- 验收人员代表:[验收人员代表签名]以上为SG-A093水利工程隐蔽验收记录地下室的文档内容。
SG-A093石油工程隐蔽验收记录地下室
1. 前言
本文档记录了SG-A093石油工程地下室的隐蔽验收记录。
根据相关规定,地下室的建设必须符合一系列要求和标准,包括结构强度、安全性和功能性等方面。
2. 验收记录
2.1 结构强度
经过检查,SG-A093地下室的结构强度满足建筑设计要求,包括地下室墙体、梁柱和地板等部分。
结构材料符合相关标准,无裂缝、变形和渗水等问题。
2.2 安全性
地下室的安全性符合建筑设计要求和相关安全规范。
逃生通道明确且畅通无阻,紧急疏散设施完备,灭火器、报警器等安全设备齐全且有效。
2.3 功能性
地下室的功能性满足设计要求,包括照明、通风、水电设施等
方面。
照明系统明亮、稳定,通风设备运行正常,水电设施无故障。
3. 结论
根据以上隐蔽验收记录,SG-A093石油工程地下室的建设符合
相关要求和标准,具备良好的结构强度、安全性和功能性。
验收结
果满意,可以投入使用。
4. 验收人员
- 验收人员1:XXX
- 验收人员2:XXX
- 验收时间:XXXX年XX月XX日。
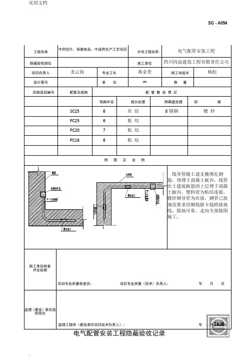
@SG-A094电气配管安装工程隐蔽验收记录SG—A094电气配管安装工程隐蔽验收记录工程名称分项工程名称电气线管安装工程隐蔽验收部位二层施工单位项目负责人专业工长施工班组长设计图号电施5/20 单位m 数量250 回路层段编号配管及规格配管敷设情况弯曲半径接头处理跨箱盘处理防腐N1 SC25 6 丝结¢8 镀锌N2 PC25 6 黏结N3 PC20 7 黏结N4 PC16 6 黏结附图及说明线导管随土建支模绑扎钢筋预埋于混凝土板内,线管在土建底板筋的上层埋于混凝土板内,塑料管为粘结连接,镀锌钢导管为丝接,钢管已按规范要求用铜线做卡接跨接地线,接地可靠,走向全部按图施工。
施工单位检查经检查,该检验批的线管连接紧密,走向位置符合设计要求,弯曲半径符合规范要求,评定合格评定结果项目专业质量检查员:项目专业质量(技术)负责人:年月日经旁站检查及验收,该检验批的施工质量符合设计和规范要求,同意隐蔽。
监理(建设)单位验收结论监理工程师(建设单位项目技术负责人):年月日四川省建设厅制SG-A094填写说明一、本表适用于金属线管、塑料线管、电缆导管、在混凝土梁、板、柱、砖墙上及顶棚内暗敷设,以及电线管、电缆管预埋于地下的隐蔽安装质量验收记录。
二、该隐蔽工程检验批可按使用功能的区域、层段进行划分。
三、本表由施工单位填写,经自检合格后报监理(建设)单位检查合格认可签字才能隐蔽,并根据工程的特点在说明及简图樘中简要说明安装情况和画出简图。
四、质量要求:1.金属线管应有可靠接零接地,采用螺纹连接胸钢套管,连接处两端应有跨接地线。
2.镀锌钢导管和壁厚小于等于2mm的钢导管不得套管熔焊连接;金属导管严禁对口熔焊连接。
3.当线导管在砌体上剔槽堙设时,应采用强度等级不小于M10的水泥砂浆抹面保护,保护层厚大于15mm。
4.室外埋地敷设的电缆导管,埋深不应小于0.7m,壁厚小于等于2mm钢电线导管不应埋设于室外土壤内。
5.暗配的电线导管,过建筑物变形缝处应设补偿装置。
电气隐蔽工程验收记录1.3.5.1电气隐蔽工程名称广汇嘉和园二期11#楼建设单位广汇房地产开发公司施工单位河南豫北建筑安装公司图号电-1,电-2,电-3 系统照明系统验收日期2004验收部位导管材质规格单位数量连接跨接材料规格焊接情况备注地下室地坪、墙体镀锌钢管SC80 m Ø8圆钢 6 已防锈SC50 m Ø8圆钢 6 已防锈SC25 m Ø8圆钢 6 已防锈SC20 m Ø8圆钢 6 已防锈地下室墙体、顶板PVC管Ø 40 m 套管连接Ø16 m 套管连接Ø 50 m 套管连接Ø 25 m 套管连接盒(箱)跨接材质型号焊接长度mm跨接另附电缆规格型号单位数量长度埋深有无中间接头验收意见:监理工程师(建设单位专业负责人):年月日项目经理专业技术员质量检查员隐蔽工程验收记录工程名称建设单位施工单位监理单位验收部位一单元排水、雨水管埋地部验收日期图号隐蔽检查内容1、排水管从±0.00以下主管均为柔性铸铁管,厨房、卫生间共有1根排水管,雨水管与排水管合并进入地下室,按图纸底标高出户。
2、埋地管道及雨水、排水管道坡度为2﹪,坡向检查井。
3、埋地管道均为铸铁排水管,配件连接。
4、灌水试验前接口已达到强度,管外壁及接口均保持干燥,埋地排水管道按规范规定进行灌水试验,以灌满水后15分钟再灌满持续5分钟,液面不降、不渗、不漏为合格。
5、管道外壁采用热沥青刷两道,管底土方已夯实。
施工单位检查结果项目专业质量检查员:年月日项目专业技术负责人专业工长(施工员)监理(建设)单位结论监理工程师:(建设单位项目专业技术负责人)隐蔽工程验收记录工程名称爱克莎商住楼建设单位施工单位新疆华通建筑安装工程公司监理单位验收部位验收日期图号隐蔽检查内容1、沿十二层顶板、梁、框柱、剪力墙敷设PVC20,PVC25,PVC32绝缘管敷设,接头采用套管粘接,套管为定型产品。
电气隐蔽工程检查验收记录单位工程名称君莲基地C2地块建设单位上海宏宙房地产开发有限公司部位及图号人防车库地下一层A单元施工单位宏润建设集团股份有限公司内容及草图人防地下车库接地装置安装、等电位联结施工项目符合设计要求和施工规范规定。
材料采用40*4镀锌扁钢及Φ12接地跨接线。
监理工程师核查意见核查人:年月日专业施工技术负责人:质量检查员:班(组)长:施工员:电气隐蔽工程检查验收记录单位工程名称君莲基地C2地块建设单位上海宏宙房地产开发有限公司部位及图号人防车库地下一层B单元施工单位宏润建设集团股份有限公司内容及草图人防地下车库接地装置安装、等电位联结施工项目符合设计要求和施工规范规定。
材料采用40*4镀锌扁钢及Φ12接地跨接线。
监理工程师核查意见核查人:年月日专业施工技术负责人:质量检查员:班(组)长:施工员:电气隐蔽工程检查验收记录单位工程名称君莲基地C2地块建设单位上海宏宙房地产开发有限公司部位及图号人防车库地下一层C单元施工单位宏润建设集团股份有限公司内容及草图人防地下车库接地装置安装、等电位联结施工项目符合设计要求和施工规范规定。
材料采用40*4镀锌扁钢及Φ12接地跨接线。
监理工程师核查意见核查人:年月日专业施工技术负责人:质量检查员:班(组)长:施工员:电气隐蔽工程检查验收记录单位工程名称君莲基地C2地块建设单位上海宏宙房地产开发有限公司部位及图号人防车库地下一层A单元施工单位宏润建设集团股份有限公司内容及草图人防地下车库照明及动力电管预埋施工项目符合设计要求和施工规范规定。
材料采用SC20、SC25、SC32镀锌厚壁钢管。
监理工程师核查意见核查人:年月日专业施工技术负责人:质量检查员:班(组)长:施工员:电气隐蔽工程检查验收记录单位工程名称君莲基地C2地块建设单位上海宏宙房地产开发有限公司部位及图号人防车库地下一层B单元施工单位宏润建设集团股份有限公司内容及人防地下车库照明及动力电管预埋施工项目符合设计要求和施工规范规定。
SG-A093通信工程隐蔽验收记录地下室1. 验收目的本次隐蔽验收旨在确认SG-A093通信工程地下室的隐蔽工程已按照设计要求和相关标准进行施工。
2. 验收内容本次隐蔽验收主要包括以下内容:- 地下室墙体隐蔽工程- 地下室地板隐蔽工程- 地下室屋顶隐蔽工程- 地下室电气管线隐蔽工程3. 验收标准根据相关设计要求和标准,进行以下验收标准:- 地下室墙体隐蔽工程应满足墙体垂直度、平整度及厚度要求。
- 地下室地板隐蔽工程应满足地面平整度、防水层完整性和厚度要求。
- 地下室屋顶隐蔽工程应满足防水层完整性和厚度要求。
- 地下室电气管线隐蔽工程应满足电线布线合理性、绝缘层完整性和接地可靠性要求。
4. 验收过程地下室隐蔽验收的具体过程如下:1. 施工方将隐蔽工程进行清理,确保无垃圾和杂物。
2. 验收方对隐蔽工程进行外观检查,并量测墙体平整度、厚度等指标。
3. 验收方核对施工方提供的隐蔽工程材料合格证明和施工记录。
4. 验收方对隐蔽工程进行电气测试,确保电线布线合理,绝缘层完整,接地可靠。
5. 若以上验收结果符合设计要求和标准,验收方将填写验收记录和意见。
5. 验收结果经过上述的隐蔽验收过程,确认以下结果:- 地下室墙体隐蔽工程符合相关要求。
- 地下室地板隐蔽工程符合相关要求。
- 地下室屋顶隐蔽工程符合相关要求。
- 地下室电气管线隐蔽工程符合相关要求。
6. 验收结论本次SG-A093通信工程地下室隐蔽验收经确认全部符合设计要求和相关标准,可以进入下一阶段的施工。
7. 后续步骤隐蔽验收结束后,将进行公告和备案工作,并进行下一阶段施工任务的安排和准备。
---以上为SG-A093通信工程隐蔽验收记录地下室的相关内容。
如有问题或异议,请及时提出。
谢谢!。
电气工程隐蔽验收记录SG—
A093
工程名称东原·时光道一期分项工程名称等电位及防雷接地引下隐蔽验收部位施工单位中达建设集团股份有限公司项目负责人侯爱友专业工长秦振前施工班组长
设计图号单位处数量11 检查验收情况附图及说明
利用基础钢筋作为联合接地体,接地电阻不大
于1Ω总等电位联结(兼作防雷等电位)金属构
件以及低压系统接地保护干线等均作总等电位
联位联结,电气竖井及电梯井内接地干线采用
40×4热镀锌扁钢垂直敷设。
各垂直接地干线底
端与MEB连接,引下线:利用全部框架柱内钢
筋作为防雷引下线,连接采用绑扎法螺丝对
焊或搭焊。
施工单位检查评定结果经检查,该项工程符合设计及规范要求,质量评定为合格。
项目专业质量检查员:唐文兵注册建造师(技术负责人):孙宇轩年月日
监理(建设)单位验收结论
经检查,该检验批合格。
监理工程师(建设单位项目技术负责人):年月
日
注:本表一式四份,建设单位、施工单位、监理单位、城建档案馆各一份。
四川省建设厅制。