塔式起重机安装拆卸过程记录完整版
- 格式:doc
- 大小:80.50 KB
- 文档页数:3
塔式起重机安装拆卸过程记录塔式起重机是一种重型机械设备,用于在建筑工地、码头等场所进行货物或建筑材料的运输和吊装。
在现代化建设中,塔式起重机已成为建筑工地上必不可少的重要设备之一。
但塔式起重机就如同一名硬汉,工作强度大,使用年限长,需经常保养和检修,更需要经常安装和拆卸。
塔式起重机的安装和拆卸过程需要遵循一定的安全操作规程,以降低安装或拆卸过程中的安全隐患,并确保塔式起重机的稳定和使用性能。
以下是一次塔式起重机的安装和拆卸过程记录:第一阶段:塔式起重机的准备工作1.确定塔式起重机的安装位置,并检查安装位置的地基是否够硬、够稳定;2.装配好塔式起重机的架体和配重块,防止塔式起重机倒塌;3.安装塔式起重机的操作平台和安全设施,确保工人在操作平台上能够稳定和安全地工作。
第二阶段:塔式起重机的组装安装1.将塔身组装到塔座上,并在塔身上安装横梁;2.将配重块一个个相继安装到塔身上,根据起重机的吨位和高度而升高或降低;3.安装塔臂和钢丝绳,根据起重机的使用条件和吨位进行调整。
第三阶段:起重机电器、传动和制动系统的安装1.在起重机主体上安装电器系统,钢丝绳的传动系统以及塔臂的制动系统;2.检查安装是否完整,引线是否正确,电器设备是否能够正常工作。
第四阶段:起重机的调试和试运行1.完成起重机的安装后,进行起重机的调试和试运行,并对起重机各个部分进行细致的检查和调整;2.针对调试中发现的问题,进行处理并保证起重机能够正常工作。
第五阶段:塔式起重机的拆卸过程1.在拆卸前先进行各个系统的停止操作,先将塔臂和钢丝绳等组件一一拆卸;2.将起重机的配重块逐个拆卸,然后依照安装顺序一个个将塔身上的零部件拆卸下来;3.检查拆卸下来的部件,清洗并做好防腐处理;4.将拆卸下来的塔式起重机组件进行分类,进行整理和存储。
以上就是一次塔式起重机的安装和拆卸过程记录。
在每次的安装和拆卸过程中,都需要严格按照相关操作规程进行操作,确保操作过程的人身安全和塔式起重机的安全使用。
塔式起重机安装拆卸过程记录一.安装过程1.准备工作在开始安装之前,需要进行一些准备工作。
首先,要确定塔式起重机的安装位置,并进行现场勘察。
然后,要确保安装位置的荷载能够满足塔式起重机的要求。
还需要准备好所需的各种工具和设备,以及所需的工作人员。
2.基础安装基础是塔式起重机的支撑和稳定的关键,因此基础的安装非常重要。
首先,需要进行地基开挖工作。
然后,需要进行钢筋和模板的安装。
接下来,需要进行混凝土的浇筑和固化。
最后,还需要进行基础的检查和验收,确保基础的质量和稳定性。
3.支腿和立柱的安装支腿是塔式起重机的主要支撑结构,立柱是起重机的主要承载结构。
首先,需要进行支腿的组装和调整,确保支腿的水平度和垂直度。
然后,需要进行立柱的安装,包括立柱的升起和水平调整。
最后,还需要对支腿和立柱进行检查和验收,确保其稳定性和可靠性。
4.臂架和转臂的安装臂架是塔式起重机的工作部分,转臂是臂架的主要支撑结构。
首先,需要进行臂架的组装和调整,确保臂架的水平度和垂直度。
然后,需要进行转臂的安装,包括转臂的升起和水平调整。
最后,还需要对臂架和转臂进行检查和验收,确保其运转的平稳和可靠。
5.顶部结构和操作室的安装顶部结构是塔式起重机的控制和操作部分,操作室是施工人员的工作区域。
首先,需要进行顶部结构的安装和调整,确保其稳定性和可靠性。
然后,需要进行操作室的安装和调整,包括操作室的接线和调试。
最后,还需要对顶部结构和操作室进行检查和验收,确保其安全和可用。
6.系统调试和试运行在安装完成后,还需要进行系统的调试和试运行,以确保塔式起重机的各项功能正常。
在调试过程中,需要进行各项设备和系统的检验和调整,包括电气系统、液压系统和机械系统等。
在试运行过程中,需要进行各项操作和维护工作的演练,以确保施工人员对起重机的操作和维护具备足够的技能和经验。
二.拆卸过程1.准备工作在开始拆卸之前,需要进行一些准备工作。
首先,要制定拆卸计划,并组织相应的工作人员。
塔式起重机安装和拆卸操作程序塔式起重机是一种用于在建筑工地上进行物料的起卸和搬运的大型机械设备。
它的结构复杂,操作需要一定的经验和技巧。
下面是塔式起重机的安装和拆卸操作程序的详细介绍。
一、塔式起重机安装操作程序:1. 施工前准备:a. 确定施工现场的地基情况和起重机的工作范围。
b. 根据设计要求和现场实际情况选择合适的起重机型号。
c. 准备好起重机的各种配件和附件。
d. 安排好施工人员和机械设备。
2. 安装现场布置:a. 清理施工现场,确保周围环境整洁,安全。
b. 根据设计要求和工作范围,在地基上进行标线和测量,确定起重机的安装位置。
c. 将起重机的各个组件和配件运送到安装位置,进行组装和调试。
3. 主梁安装:a. 将塔式起重机的主梁和立柱等组件运送到安装位置。
b. 使用吊车等机械设备将主梁吊装到安装位置,并与地基进行牢固连接。
c. 调整主梁的水平度和垂直度,确保其与地面的垂直交角符合要求。
4. 安装起重机的配件和附件:a. 按照设计要求,安装起重机的风速仪、限位器、安全装置等配件和附件。
b. 调试配件和附件,确保其正常工作。
5. 安装电气系统和控制系统:a. 安装起重机的电缆和电气设备。
b. 连接电缆和电气设备,进行绝缘测试和接地测试。
c. 安装起重机的操纵台和控制器,进行电气系统的调试和功能测试。
6. 吊装起重机的动作测试:a. 使用测试载荷进行起重机的动作测试,包括上升、下降、左右移动等。
b. 根据测试结果,进行必要的调整和改进。
7. 竣工验收:a. 对安装的起重机进行全面检查和测试,确保其符合设计要求和安全标准。
b. 编制起重机的验收报告,记录相关数据和问题。
二、塔式起重机拆卸操作程序:1. 施工前准备:a. 确定拆卸起重机的时间和施工范围。
b. 准备好拆卸起重机所需的工具和设备。
c. 安排好拆卸操作的人员和交通管制等措施。
2. 拆卸起重机的配件和附件:a. 拆卸起重机的风速仪、限位器、安全装置等配件和附件。
塔式起重机安装拆卸流程下载温馨提示:该文档是我店铺精心编制而成,希望大家下载以后,能够帮助大家解决实际的问题。
文档下载后可定制随意修改,请根据实际需要进行相应的调整和使用,谢谢!并且,本店铺为大家提供各种各样类型的实用资料,如教育随笔、日记赏析、句子摘抄、古诗大全、经典美文、话题作文、工作总结、词语解析、文案摘录、其他资料等等,如想了解不同资料格式和写法,敬请关注!Download tips: This document is carefully compiled by theeditor. I hope that after you download them,they can help yousolve practical problems. The document can be customized andmodified after downloading,please adjust and use it according toactual needs, thank you!In addition, our shop provides you with various types ofpractical materials,such as educational essays, diaryappreciation,sentence excerpts,ancient poems,classic articles,topic composition,work summary,word parsing,copy excerpts,other materials and so on,want to know different data formats andwriting methods,please pay attention!塔式起重机安装拆卸流程一、准备工作阶段。
在进行塔式起重机的安装之前,需要做好充分的准备工作。
塔式起重机安装和拆卸操作程序模版一、前言塔式起重机是一种常用的起重设备,广泛应用于建筑工地和其他工业领域。
为了确保施工安全和高效进行,需要严格按照操作程序进行塔式起重机的安装和拆卸。
本文提供了塔式起重机安装和拆卸的操作程序模版,供参考和使用。
二、安装操作程序1. 准备工作a. 确认施工现场是否符合起重机安装要求,包括地基情况、周围环境等;b. 仔细检查塔式起重机的各项零部件,确保完好无损;c. 制定施工方案和安全措施;d. 配置好所需的起重工具和设备。
2. 基础施工a. 根据起重机的尺寸和负载要求,进行基础施工;b. 在基础上进行土建工程;c. 检验基础是否符合要求,确保稳固可靠。
3. 起重机安装a. 根据起重机的结构和专业要求,进行吊装操作;b. 安装塔身和其他主要部件;c. 根据起重机的工作高度和吊装要求,逐层按序进行搭建和安装;d. 安装并调试电气控制系统;e. 调整和校准起重机的水平度和垂直度。
4. 安全检查和试运行a. 对安装好的塔式起重机进行全面的安全检查,确保其各项功能正常、稳定;b. 进行试运行,检验起重机的运行情况、工作效果和安全性;c. 根据试运行结果和安全要求,进行必要的调整和改进。
5. 完工验收a. 完成施工任务后,进行现场清理和整理;b. 提交相关安装记录和验收报告;c. 向相关部门申请验收并接受。
三、拆卸操作程序1. 准备工作a. 确认拆卸时间和地点;b. 制定拆卸方案和安全措施;c. 检查起重机的工作状态和零部件完好情况;d. 配置好所需的起重工具和设备。
2. 停止使用和固定a. 拆卸前将起重机停止使用,并切断电源;b. 根据拆卸方案,将起重机的各部件进行固定,确保安全稳固。
3. 拆卸顶部部件a. 拆卸顶部部件,包括塔头、转臂等;b. 使用吊装工具将部件安全降至地面。
4. 反向逐层拆卸a. 根据拆卸方案,逆序进行逐层拆卸;b. 使用适当的起重工具和设备,将各层部件安全降至地面。
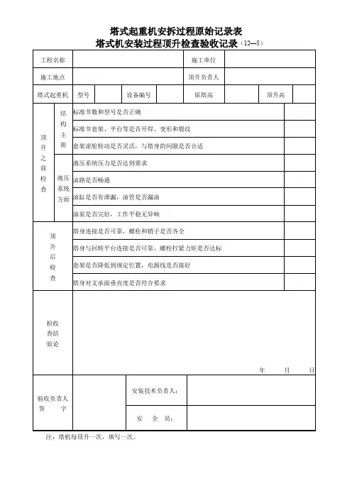
塔式起重机安拆过程原始记录表塔机拆装过程记录(12-11)公司安全员安全生产目标责任书(赠品)不需要可以删除一、公司安全员安全生产职责1.按照“谁主管、谁负责”的原则,对公司安全工作负责。
2.贯彻落实安全标准化有关的法律法规及公司的规章制度和其他要求,推动公司具备国家有关法律、行政法规和国家标准、行业标准规定的安全生产条件。
3.组织制定、修订和审批安全工作的管理规章制度、规程、措施、计划,并组织实施、监督检查执行情况,组织安全培训、教育和考核工作,确保有关安全生产投入的有效实施。
4.定期召开安全工作会议,听取工作汇报,分析安全工作动态,布置、监督、检查、考核、总结、评比安全工作,及时研究解决工作中存在的问题、安全隐患,布置整改措施及安全措施。
5.组织、参加公司组织的安全生产大检查,每月组织专业性检查,排查事故隐患,发现问题及时解决,对不能解决的问题应及时如实上报。
6.负责组织安全、消防设施的维修工作,做到随报随修、及时恢复防护功能。
保证安全卫生、环境保护设施与主体工程“三同时”。
7.负责组织本部门职工进行安全教育、培训、考核。
8.组织制定并实施事故预防措施和应急预案,每年组织应急演练。
9.负责相关方的安全管理工作,对相关方违约负有连带管理责任。
10.及时、如实向上级报告事故,不得隐瞒不报、谎报或拖延不报,参加应急处置,保护现场,做好记录。
发生重特大事故,及时赶赴现场,组织指挥抢救。
11.安排落实公司下达的不定期安全管理工作。
二、目标1.杜绝工伤事故、重大火灾事故、重大危险化学品事故、重大特种设备事故、重大交通事故。
2.必须执行“三不伤害”(即:不伤害自己,不伤害别人,不被别人伤害)。
3.杜绝各类违章作业(含各种规程)和违章指挥。
4.严格执行安全生产组织人员保证体系,确保安全生产。
5.按时完成布置的安全工作任务。
6.上岗前安全培训考核合格率100%。
7.按计划参加日常安全培训率100%。
8.劳保用品正确配戴率达100%。