NaI(Tl)闪烁谱仪实验报告
- 格式:doc
- 大小:282.00 KB
- 文档页数:12
NaI(Tl) 闪烁晶体γ能谱测量实验人:吴家燕学号:15346036一、实验目的1、加深对γ射线和物质相互作用的理解;2、掌握NaI(Tl) γ谱仪的原理及使用方法;3、学会测量分析γ能谱;4、学会测定γ谱仪的能量分辨率、线性、探测效率曲线;5、测定未知放射源的能量和活度。
二、实验原理1、γ谱仪的组成NaI(Tl)闪烁谱仪由NaI(Tl)闪烁探头(包括闪烁体、光电倍增管、前置放大器)、高压电源以及谱仪放大器、多道分析器、计算机等设备组成。
图1 为NaI(Tl)闪烁谱仪装置的示意图。
2、射线与闪烁体的相互作用当γ射线入射至闪烁体时,发生三种基本相互作用过程:(1)光电效应;(2)康普顿散射;(3)电子对效应。
图2 为示波器上观察到的单能γ射线的脉冲波形,谱仪测得的能谱图。
图3 是137Cs、22Na 和60Co 放射源的γ能谱。
图中标出的谱峰称为全能峰。
在γ射线能区,光电效应主要发生在K 壳层。
在击出K 层电子的同时,外层电子填补K 层空穴而发射X 光子。
在闪烁体中,X 光子很快地再次光电吸收,将其能量转移给光电子。
上述两个过程是几乎同时产生的,因此它们相应的光输出必然是叠加在一起的,即由光电效应形成的脉冲幅度直接代表了γ射线的能量(而非减去该层电子结合能)。
3、137Cs 能谱分析4、闪烁谱仪的性能能量分辨率探测器输出脉冲幅度的形成过程中存在着统计涨落。
即使是确定能量的粒子的脉冲幅度,也仍具有一定的分布,其分布示意图如图4 所示。
通常把分布曲线极大值一半处的全宽度称半宽度即 FWHM,有时也用表示。
半宽度反映了谱仪对相邻脉冲幅度或能量的分辨本领。
因为有些涨落因素与能量有关,使用相对分辨本领即能量分辨率η更为确切。
一般谱仪在线性条件下工作,故η也等于脉冲幅度分辨率,即对于一台谱仪来说,近似地有对于单晶谱仪来说,能量分辨率是以137Cs 的0.662MeV 单能γ射线的光电峰为标准的,它的值一般在8-15%,最好可达6-7%。
NaI (Tl )闪烁谱仪测量γ能谱实验目的1. 掌握NaI(Tl) γ闪烁谱仪的结构、原理和工作过程2. 掌握NaI(Tl)γ闪烁谱仪的性能指标和测试方法。
3. 了解核电子学仪器的数据采集、记录方法和数据处理原理。
实验内容1. 学会NaI(Tl) 单晶γ闪烁谱仪装置的使用操作方法2. 掌握调整谱仪参数,选择最佳测量工作条件的方法3. 测量谱仪的能量分辨率、刻度能量线性。
4. 了解数据处理(包括对谱形进行光滑、寻峰,曲线拟合等)。
一.γ射线与物质的相互作用γ射线光子与物质原子相互作用的机制主要有以下三种方式,如图1所示。
图1 γ射线光子与物质原子相互作用(1)光电效应当能量为E γ的入射γ光子与物质中原子的束缚电子相互作用时,光子可以把全部能量转移给某个束缚电子,使电子脱离原子束缚而发射出去,光子本身消失。
发射出去的电子称为光电子,这种过程称为光电效应。
发射光电子的动能为i e B E E -=γB i 为束缚电子所在壳层的结合能。
原子内层电子脱离原子后留下空位形成激发原子,其外部壳层的电子会填补空位并放出特征X 射线。
这种X 射线在闪烁体内很容易再产生一次新的光电效应,将能量又转移给光电子,所以闪烁体得到的能量是两次光电效应产生的光电子能量之和。
值得注意的是,由于必须满足动量守恒定律,自由电子(非束缚电子)不能吸收光子能量而成为光电子。
光电效应的发生除入射光子和光电子之外,还需有一个第三者参加,这第三者就是发射光电子之后剩余下来的整个原子。
它带走一些反冲能量,但该能量十分小。
由于它的参加,动量和能量守恒才能满足。
而且,电子在原子中被束缚得越紧(即越靠近原子核的电子),越容易使原子核参加上述过程。
所以在K 壳层上发生光电效应的概率最大。
(2)康普顿效应γ光子与自由静止的电子发生碰撞,将一部分能量转移给电子,使电子成为反冲电子,γ光子被散射,改变了原来的能量和方向。
反冲电子的动能为()θγγcos 1120-+=E c m E E e (式中20c m 为电子静止能量,约为0.5MeV ;角度θ是散射光子的散射角。
实验三 用NaI(Tl)单晶γ闪烁谱仪辨识未知源一. 实验目的1、了解闪烁谱仪的工作原理,学习调整闪烁谱仪的实验技术。
2、掌握测谱技术及分析简单γ能谱的方法。
3、掌握谱仪能量分辨率及能量线性的测量方法。
4、学习谱仪应用的实例——辨别未知源的方法。
二. 实验内容1、熟悉线性放大器与单道脉冲幅度分析器,以及计算机多道脉冲幅度分析器的使用,调整谱仪至正常工作状态。
2、选择合适实验条件,用单道测量137Cs 的γ能谱,确定单道系统的能量分辨率。
3、利用多道脉冲幅度分析器测量137Cs 源及60Co 源的全谱;刻度谱仪能量线性,确定能量分辨率、峰康比;对137Cs 的γ能谱进行谱形分析并与理论比较。
4、测量未知源的γ能谱,确定峰位的能量,进而辨别未知源。
5、 比较NaI 和BGO 两种不同闪烁体的性能。
三. 实验原理1、 NaI(T1)单晶γ谱仪简介NaI(T1)单晶闪烁谱仪由一块NaI(T1)闪烁体、光电倍增管、射极输出器和高压电源以及线性脉冲放大器、单道脉冲幅度分析器(或多道分析器)定标器等电子学设备组成,示意图见图3-1。
图3-1 Nal(T1)闪烁谱仪装置示意图光电 倍增管闪烁体射极 输出 器线性脉冲 放大器单道脉冲幅度分析器多道脉冲 幅度分析器自动 定标器高压电源示波器源γ射线入射闪烁体内,产生次级电子,使闪烁体内原子电离、激发后产生荧光。
这些光信号被传输到光电倍增管的光阴极,经光阴极的光电转换和倍增极的电子倍增作用而转换成电脉冲信号,它的幅度正比于该次级电子能量,再由所连接的电子学设备接受放大、分析和记录。
NaI(T1)单晶γ谱仪测量γ射线的过程由图3-2示说明。
图3-2 γ射线和闪烁体交互作用至光电倍增管阳极形成电流脉冲的示意图这种谱仪对γ射线的探测效率高、分辨时间短、价格相对便宜。
可用来测量射线的通量密度,也可用来对辐射进行能量分析,在核物理研究及核技术应用的各领域中广泛使用。
2、 单能γ谱的谱形分析方法谱仪测得的是脉冲数按幅度的分布,即脉冲幅度谱,简称脉冲谱,一般提到谱仪测得γ谱均系指此脉冲谱。
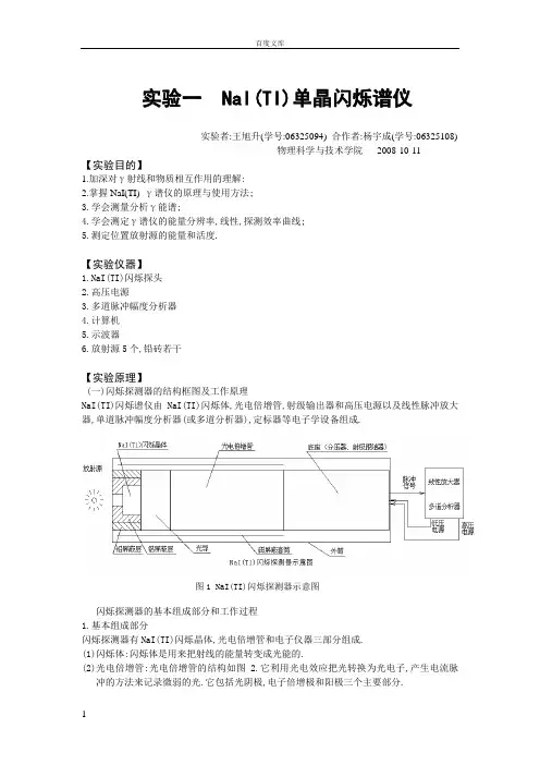
实验一 NaI(TI)单晶闪烁谱仪实验者:王旭升(学号:06325094) 合作者:杨宇成(学号:06325108)物理科学与技术学院2008-10-11【实验目的】1.加深对γ射线和物质相互作用的理解:2.掌握NaI(TI)γ谱仪的原理与使用方法;3.学会测量分析γ能谱;4.学会测定γ谱仪的能量分辨率,线性,探测效率曲线;5.测定位置放射源的能量和活度.【实验仪器】1.NaI(TI)闪烁探头2.高压电源3.多道脉冲幅度分析器4.计算机5.示波器6.放射源5个,铅砖若干【实验原理】(一)闪烁探测器的结构框图及工作原理NaI(TI)闪烁谱仪由NaI(TI)闪烁体,光电倍增管,射级输出器和高压电源以及线性脉冲放大器,单道脉冲幅度分析器(或多道分析器),定标器等电子学设备组成.图1 NaI(TI)闪烁探测器示意图闪烁探测器的基本组成部分和工作过程1.基本组成部分闪烁探测器有NaI(TI)闪烁晶体,光电倍增管和电子仪器三部分组成.(1)闪烁体:闪烁体是用来把射线的能量转变成光能的.(2)光电倍增管:光电倍增管的结构如图 2.它利用光电效应把光转换为光电子,产生电流脉冲的方法来记录微弱的光.它包括光阴极,电子倍增极和阳极三个主要部分.2.工作过程当γ射线入射至闪烁体是发生三种基本相互作用过程:光电效应,康普顿散射和电子对效应.如图所示,光电效应 康普顿效应 电子对效应图2前两种过程中产生电子,后一过程出现正,负电子对.这些次级电子获得动能(见表1)并将能量消耗在闪烁体中,使闪烁体中原子电离,激发而后产生荧光.光电倍增管的光阴极将收集到的这些光子转换成电子,光电子再在光电倍增管中倍增,最后经过倍增的电子在管子阳极上收集起来,并通过阳极负载电阻形成电压脉冲信号.表1 γ射线在NaI(Tl)闪烁体中相互作用的基本过程 基本过程次级电子获得的能量T1) 光电效应γ+原子→原子激发或→离子激发+电子 BE E T -=γ(该层电子结合能)2) 康普顿效应γ+电子→γ'(散射)+反冲电子按)cos 1(1)cos 1(θθγ-+-=r r E T ,20c m E r γ=;θ为散射角,从0至最大能量r E 212+γ连续分布,峰值在最大能量处。
实验5:NaI(Tl)闪烁谱仪实验目的1. 了解谱仪的工作原理及其使用。
2. 学习分析实验测得的137Cs γ谱之谱形。
3. 测定谱仪的能量分辨率及线性。
内容1. 调整谱仪参量,选择并固定最佳工作条件。
2. 测量137Cs 、65Zn 、60Co 等标准源之γ能谱,确定谱仪的能量分辨率、刻度能量线性并对137Cs γ谱进行谱形分析。
3. 测量未知γ源的能谱,并确定各条γ射线的能量。
原理)1(T NaI 闪烁谱仪由)1(T NaI 闪烁体、光电倍增管、射极输出器和高压电源以及线性脉冲放大器、单道脉冲幅度分析器(或多道分析器)、定标器等电子学设备组成。
图1为)1(T NaI 闪烁谱仪装置的示意图。
此种谱仪既能对辐射强度进行测量又可作辐射能量的分析,同时具有对γ射线探测效率高(比G-M 计数器高几十倍)和分辨时间短的优点,是目前广泛使用的一种辐射探测装置。
当γ射线入射至闪烁体时,发生三种基本相互作用过程,见表1第一行所示:(1)光电效应;(2)康普顿散射;(3)电子对效应。
前两种过程中产生电子,后一过程出现正、负电子对。
这些次级电子获得动能见表1第二行所示,次级电子将能量消耗在闪烁体中,使闪烁体中原子电离、激发而后产生荧光。
光电倍增管的光阴极将收集到的这些光子转换成光电子,光电子再在光电倍增管中倍增,最后经过倍增的电子在管子阳极上收集起来,并通过阳极负载电阻形成电压脉冲信号。
γ射线与物质的三种作用所产生的次级电子能量各不相同,因此对于一条单能量的γ射线,闪烁探测器输出的次级电子脉冲幅度仍有一个很宽的分布。
分布形状决定于三种相互作用的贡献。
表1 γ射线在NaI (Tl )闪烁体中相互作用的基本过程根据γ射线在)1(T NaI 闪烁体中总吸收系数随γ射线能量变化规律,γ射线能量MeV E 3.0<γ时,光电效应占优势,随着γ射线能量升高康普顿散射几率增加;在MeV E 02.1>γ以后,则有出现电子对效应的可能性,并随着γ射线能量继续增加而变得更加显著。
浙师大近代物理实验报告NaI(Tl)单晶γ闪烁谱仪及γ射线能谱的测量γ射线的吸收与物质吸收系数μ的测定任希物理081 08180123摘要:在了解了γ射线与物质相互作用的基本特性与多道脉冲幅度分析器在NaI(T1)单晶γ谱测量中的数据采集及其基本功能之后,我们通过使用NaI(T1)γ闪烁谱仪,测量137Cs 和60Co的γ能谱,并求出各项指标,分析谱形。
并且进一步了解窄束γ射线在物质中的吸收规律,并通过仪器测量了γ射线在不同物质中的吸收系数,通过对比不同物质的吸收系数,了解γ射线的性质。
关键词:NaI(T1)γ闪烁谱仪137Cs、60Coγ能谱吸收系数引言1896年法国物理学家H.贝可勒尔发现铀的放射性,以及1898年M.居里和P.居里发现钋和镭以后,人们开始认识到一类元素具有放射性,并陆续发现了其他放射性元素。
随着科技的不断进步发展,放射性元素最早应用的领域是医学和钟表工业。
后来放射性元素的应用更深入到人类物质生活的各个领域,例如核电站和核舰艇使用的核燃料,工业、农业和医学中使用的放射性标记化合物,工业探伤、测井(石油)、食品加工和肿瘤治疗所使用的某些放射源等。
由此可见放射性元素的价值所在。
在科研、工农业生产、医疗和环境保护等方面,应用γ射线的能谱测量技术,可以分析活化以后的物质中各种微量元素的含量。
但直接测量γ射线的强度是很困难的。
闪烁探测器是利用带电粒子转化成带电粒子对物质原子的激发,从而产生发光效应来探测射线的,它还能测量粒子强度和能量,由于具有探测效率高和分辨时间短等优点得到广泛应用。
正文:1.γ射线能谱的测量实验室所提供的仪器为NaI(Tl)单晶γ闪烁谱仪,其余素材包括Co和Cs两种放射源,还有Pb和Al两种测量吸收系数时所用的材料。
根据所提供的实验素材,首先我们需要测量Cs和Co的全能峰,即利用电脑软件画出以上两种元素的能谱图,全能峰的测量具有一定的意义,在能谱图左侧的高峰虽然有一定的量子数,但是其包含的能量太低,中间的峰虽然有一定的能量,但量子数太低,只有最右侧的全能峰具有一定的量子数和一定的能量,有研究的价值。
实验 91 用 NaI(Tl)单晶 γ闪烁能谱仪测 γ能谱原子核的能级间的跃迁产生 γ 射线,γ 射线强度按能量的分布即 γ 射线能谱,简称 γ 能 谱。
研究 γ 能谱可确定原子核激发态的能级等,对放射性分析、同位素应用及鉴定核素等方 面都有重要的意义。
测量 γ 能谱最常用的仪器是闪烁γ 能谱仪,在核物理、高能粒子物理和 空间辐射物理的探测中应用非常广泛。
【实验目的】1、了解闪烁探测器的结构、工作原理。
2、掌握NaI(Tl)单晶 γ 闪烁能谱仪的几个性能指标和测试方法.3、观测及分析 γ 全能谱。
4、了解核电子学仪器的数据采集、记录方法和数据处理原理。
【实验原理】一、闪烁能谱仪测量 γ 能谱的原理闪烁能谱仪是利用某些荧光物质在带电粒子作用下被激发或电离后,能发射荧光(称为 闪烁)的现象来测量能谱的。
这种荧光物质常称为闪烁体。
1、闪烁体的发光机制闪烁体的种类很多,按其化学性质不同可分为无机晶体闪烁体和有机闪烁体。
有机闪烁 体包括有机晶体闪烁体、有机液体闪烁体和有机塑料闪烁体等。
最常用的无机晶体是铊激活的碘化钠单晶闪烁体,常记为 NaI(Tl),属离子型晶体。
纯粹的碘化钠晶体,其能带结构是在价带和导带之间有比较宽的禁带,如有带电粒子进人到 闪烁体中, 将引起后者产生电离或激发过程, 即可能有电子从价带激发到导带或激发到激带, 然后这些电子再退激到价带。
退激的可能过程之一是发射光子,这种光子的能量还会使晶体 中其它原子产生激发或电离,也就是光子可能被晶体吸收而不能被探测到, 为此要在晶体中 掺入少量的杂质原子(激活原子),如在碘化钠晶体中掺入铊原子,其关键作用是可以在低 于导带和激带的禁带中形成一些杂质能级。
这些杂质原子会捕获一些自由电子或激子到达杂 质能级上,然后以发光的形式退激到价带,这就形成了闪烁过程的发光,而这种光因能量小 于禁带宽度而不再被晶体吸收, 不再会产生激发或电离。
这说明只有加入少量激活杂质的晶 体,才能成为实用的闪烁体。
NaI (Tl )闪烁谱仪测量γ能谱实验目的1. 掌握NaI(Tl) γ闪烁谱仪的结构、原理和工作过程2. 掌握NaI(Tl)γ闪烁谱仪的性能指标和测试方法。
3. 了解核电子学仪器的数据采集、记录方法和数据处理原理。
实验内容1. 学会NaI(Tl) 单晶γ闪烁谱仪装置的使用操作方法2. 掌握调整谱仪参数,选择最佳测量工作条件的方法3. 测量谱仪的能量分辨率、刻度能量线性。
4. 了解数据处理(包括对谱形进行光滑、寻峰,曲线拟合等)。
一.γ射线与物质的相互作用γ射线光子与物质原子相互作用的机制主要有以下三种方式,如图1所示。
图1 γ射线光子与物质原子相互作用(1)光电效应当能量为E γ的入射γ光子与物质中原子的束缚电子相互作用时,光子可以把全部能量转移给某个束缚电子,使电子脱离原子束缚而发射出去,光子本身消失。
发射出去的电子称为光电子,这种过程称为光电效应。
发射光电子的动能为i e B E E -=γB i 为束缚电子所在壳层的结合能。
原子内层电子脱离原子后留下空位形成激发原子,其外部壳层的电子会填补空位并放出特征X 射线。
这种X 射线在闪烁体内很容易再产生一次新的光电效应,将能量又转移给光电子,所以闪烁体得到的能量是两次光电效应产生的光电子能量之和。
值得注意的是,由于必须满足动量守恒定律,自由电子(非束缚电子)不能吸收光子能量而成为光电子。
光电效应的发生除入射光子和光电子之外,还需有一个第三者参加,这第三者就是发射光电子之后剩余下来的整个原子。
它带走一些反冲能量,但该能量十分小。
由于它的参加,动量和能量守恒才能满足。
而且,电子在原子中被束缚得越紧(即越靠近原子核的电子),越容易使原子核参加上述过程。
所以在K 壳层上发生光电效应的概率最大。
(2)康普顿效应γ光子与自由静止的电子发生碰撞,将一部分能量转移给电子,使电子成为反冲电子,γ光子被散射,改变了原来的能量和方向。
反冲电子的动能为()θγγcos 1120-+=E c m E E e (式中20c m 为电子静止能量,约为0.5MeV ;角度θ是散射光子的散射角。
实验一 NaI(Tl)单晶γ闪烁谱仪一.实验目的1.了解闪烁探测器的结构、原理。
2.掌握NaI(Tl)单晶γ闪烁谱仪的几个性能指标和测试方法。
3.了解核电子学仪器的数据采集、记录方法和数据处理原理。
二.实验内容1.学会NaI(Tl)单晶γ闪烁谱仪整套装置的操作、调整和使用,调试一台谱仪至正常工作状态。
2.测量137Cs、60Co的γ能谱,求出能量分辨率、峰康比、线性等各项指标,并分析谱形。
3.了解多道脉冲幅度分析器在NaI(Tl)单晶γ谱测量中的数据采集及其基本功能。
4.数据处理(包括对谱形进行光滑、寻峰,曲线拟合等)。
三.原理1NaI(Tl)闪烁探测器①概述核辐射与某些物质相互作用会使其电离、激发而发射荧光,闪烁探测器就是利用这一特性来工作的。
下图是闪烁探测器组成的示意图。
首先简要介绍一下闪烁探测器的基本组成部分和工作过程。
闪烁探测器有闪烁体、光电倍增管和相应的电子仪器三个主要部分组成。
上图中探测器最前端是一个对射线灵敏并能产生闪烁光的闪烁体,当射线(如γ、 )进入闪烁体时,在某一地点产生次级电子,它使闪烁体分子电离和激发,退激时发出大量光子(一般光谱范围从可见光到紫外光,并且光子向四面八方发射出去)。
在闪烁体周围包以反射物质,使光子集中向光电倍增管方向射出去。
光电倍增管是一个电真空器件,由光阴极、若干个打拿极和阳极组成;通过高压电源和分压电阻使阳极、各打拿极和阴极间建立从高到低的电位分布。
当闪烁光子入射到光阴极上,由于光电效应就会产生光电子,这些光电子受极间电场加速和聚焦,在各级打拿极上发生倍增(一个光电子最终可产生104~109个电子),最后被阳极收集。
大量电子会在阳极负载上建立起电信号,通常为电流脉冲或电压脉冲,然后通过起阻抗匹配作用的射极跟随器,由电缆将信号传输到电子学仪器中去。
实用时常将闪烁体、光电倍增管、分压器及射极跟随器安装在一个暗盒中,统称探头;探头中有时在光电倍增管周围包以起磁屏蔽作用的屏蔽筒(如本实验装置),以减弱环境中磁场的影响;电子仪器的组成单元则根据闪烁探测器的用途而异,常用的有高、低压电源,线性放大器,单道或多道脉冲分析器等。
浙师大近代物理实验预习报告NaI(Tl)单晶γ闪烁谱仪及γ射线能谱的测量 γ射线的吸收与物质吸收系数μ的测定任希 物理081 08180123摘要:在了解了γ射线与物质相互作用的基本特性与多道脉冲幅度分析器在NaI (T1)单晶γ谱测量中的数据采集及其基本功能之后,我们将通过使用NaI (T1)γ闪烁谱仪,测量137Cs 和60Co 的γ能谱,并求出各项指标,分析谱形。
并且进一步了解窄束γ射线在物质中的吸收规律,并通过仪器测量了γ射线在不同物质中的吸收系数,通过对比不同物质的吸收系数,了解γ射线的性质。
关键词:NaI (T1)γ闪烁谱仪137Cs 、60Co γ能谱 吸收系数引 言γ射线是原子核能级跃迁的辐射,它是一种不含任何带点微粒、不受电场影响,并且穿透本领很强的特殊电磁波。
波长短于0.2埃的电磁波。
原子核由高能级向低能级跃迁时会放出γ射线。
它是一种波长极短的电磁波,其能量由原子核跃迁前后的能级差来表示,即υh E E E r =-=12。
射线与物质发生相互作用则产生次级电子或能量较低的γ射线。
我们将γ射线的次级电子按不同能量分别进行强度测量,从而得到γ辐射强度按能量的分布,即所谓“能谱”。
测量能谱的装置称为“能谱仪”。
本实验中主要应用NaI γ闪烁谱仪来测量γ射线的能谱。
正文:以下是本实验使用到的仪器: 1.闪烁探测器闪烁探测器有闪烁体、光电倍增管和相应的电子仪器三个主要部分组成。
归结起来,闪烁探测器的工作可分为五个相互联系的过程:(1).射线进入闪烁体,与之发生相互作用,闪烁体吸收带电粒子能量而使原子、分子电离和激发;(2).受激原子、分子退激时发射荧光光子;(3).利用反射物和光导体将闪烁光子尽可能多地收集到光电增管的光阴极上,由于光电效应,光子在光阴极上击出光电子;(4).光电子在光电倍增管中倍增,数量由一个增加到104~109个.电子流在阳极负载上产生电信号;(5).此电信号由电子仪器记录和分析。
用NaI(Tl)单晶γ闪烁谱仪辨识未知源实验报告班级: 姓名: 学号:一. 实验目的1、了解闪烁谱仪的工作原理,学习调整闪烁谱仪的实验技术。
2、掌握测谱技术及分析简单γ能谱的方法。
3、掌握谱仪能量分辨率及能量线性的测量方法。
4、学习谱仪应用的实例——辨别未知源的方法。
二. 实验内容1、熟悉线性放大器与单道脉冲幅度分析器,以及计算机多道脉冲幅度分析器的使用,调整谱仪至正常工作状态。
2、选择合适实验条件,用单道测量137Cs 的γ能谱,确定单道系统的能量分辨率。
3、利用多道脉冲幅度分析器测量137Cs 源及60Co 源的全谱;刻度谱仪能量线性,确定能量分辨率、峰康比;对137Cs 的γ能谱进行谱形分析并与理论比较。
4、测量未知源的γ能谱,确定峰位的能量,进而辨别未知源。
5、 比较NaI 和BGO 两种不同闪烁体的性能。
三. 实验原理1、NaI(T1)单晶γ谱仪简介NaI(T1)单晶闪烁谱仪由一块NaI(T1)闪烁体、光电倍增管、射极输出器和高压电源以及线性脉冲放大器、单道脉冲幅度分析器(或多道分析器)定标器等电子学设备组成,示意图见图3-1。
γ射线入射闪烁体内,产生次级电子,使闪烁体内原子电离、激发后产生荧光。
这些光图3-1 Nal(T1)闪烁谱仪装置示意源信号被传输到光电倍增管的光阴极,经光阴极的光电转换和倍增极的电子倍增作用而转换成电脉冲信号,它的幅度正比于该次级电子能量,再由所连接的电子学设备接受放大、分析和记录。
NaI(T1)单晶γ谱仪测量γ射线的过程由图3-2示说明。
图3-2 γ射线和闪烁体交互作用至光电倍增管阳极形成电流脉冲的示意图这种谱仪对γ射线的探测效率高、分辨时间短、价格相对便宜。
可用来测量射线的通量密度,也可用来对辐射进行能量分析,在核物理研究及核技术应用的各领域中广泛使用。
2、单能γ谱的谱形分析方法谱仪测得的是脉冲数按幅度的分布,即脉冲幅度谱,简称脉冲谱,一般提到谱仪测得γ谱均系指此脉冲谱。
实验5:NaI(Tl)闪烁谱仪实验目的1. 了解谱仪的工作原理及其使用。
2. 学习分析实验测得的137Cs γ谱之谱形。
3. 测定谱仪的能量分辨率及线性。
内容1. 调整谱仪参量,选择并固定最佳工作条件。
2. 测量137Cs 、65Zn 、60Co 等标准源之γ能谱,确定谱仪的能量分辨率、刻度能量线性并对137Cs γ谱进行谱形分析。
3. 测量未知γ源的能谱,并确定各条γ射线的能量。
原理)1(T NaI 闪烁谱仪由)1(T NaI 闪烁体、光电倍增管、射极输出器和高压电源以及线性脉冲放大器、单道脉冲幅度分析器(或多道分析器)、定标器等电子学设备组成。
图1为)1(T NaI 闪烁谱仪装置的示意图。
此种谱仪既能对辐射强度进行测量又可作辐射能量的分析,同时具有对γ射线探测效率高(比G-M 计数器高几十倍)和分辨时间短的优点,是目前广泛使用的一种辐射探测装置。
当γ射线入射至闪烁体时,发生三种基本相互作用过程,见表1第一行所示:(1)光电效应;(2)康普顿散射;(3)电子对效应。
前两种过程中产生电子,后一过程出现正、负电子对。
这些次级电子获得动能见表1第二行所示,次级电子将能量消耗在闪烁体中,使闪烁体中原子电离、激发而后产生荧光。
光电倍增管的光阴极将收集到的这些光子转换成光电子,光电子再在光电倍增管中倍增,最后经过倍增的电子在管子阳极上收集起来,并通过阳极负载电阻形成电压脉冲信号。
γ射线与物质的三种作用所产生的次级电子能量各不相同,因此对于一条单能量的γ射线,闪烁探测器输出的次级电子脉冲幅度仍有一个很宽的分布。
分布形状决定于三种相互作用的贡献。
表1 γ射线在NaI (Tl )闪烁体中相互作用的基本过程根据γ射线在)1(T NaI 闪烁体中总吸收系数随γ射线能量变化规律,γ射线能量MeV E 3.0<γ时,光电效应占优势,随着γ射线能量升高康普顿散射几率增加;在MeV E 02.1>γ以后,则有出现电子对效应的可能性,并随着γ射线能量继续增加而变得更加显著。
图2为示波器荧光屏上观测到的137Cs 单能γ射线的脉冲波形及谱仪测得的能谱图。
在γ射线能区,光电效应主要发生在K 壳层。
在击出K 层电子的同时,外层电子填补K 层空穴而发射X 光子。
在闪烁体中,X 光子很快地再次光电吸收,将其能量转移给光电子。
上述两个过程是几乎同时发生的,因此它们相应的光输出必然是叠加在一起的,即由光电效应形成的脉冲幅度直接代表了γ射线的能量(而非r E 减去该层电子结合能)。
谱峰称为全能峰。
为便于分析γ射线在闪烁体中可能发生的各种事件对脉冲谱的贡献,及具体实验装置和其周围物质可能产生的对谱形的影响。
表2列举了十二种情况供参考。
一台闪烁谱仪的基本性能由能量分辨率、线性及稳定性来衡量。
探测器输出脉冲幅度的形成过程中存在着统计涨落。
既使是确定能量的粒子的脉冲幅度,也仍具有一定的分布,其分布示意图如图3所示。
通常把分布曲线极大值一半处的全宽度称半宽度即FWHM ,有时也用E ∆表示。
半宽度反映了谱仪对相邻脉冲幅度或能量的分辨本领。
因为有些涨落因素与能量有关,使用相对分辨本领即能量分辨率η更为确切。
一般谱仪在线性条件下工作,故η也等于脉冲幅度分辨率,即VVE E ∆=∆=η ( 1))(V E 和)(V E ∆∆分别为谱线的对应能量(幅度值)和谱线的半宽度(幅度分布的半宽度)。
标准源137Cs 全能峰最明显和典型,因此经常用的γ射线的能量分辨高的闪烁体,使用光电转换效率高的光阴极材料,以及提高光电子第一次被阴极收集的效率等均有利于改善能量分辨率。
在我们实验中尚需考虑到下列一些因素,进行必要的调整,以期达到一台谱仪可能实现的最好的分辨率。
(1)闪烁体与光电倍增管光阴极之间保持良好的光学接触;(2)参考光电倍增管高压推荐值,并作适当调整,使得在保持能量线性条件下,输出脉冲幅度最大;(3) 合理选择单道分析器的道宽,如单道分析器最大分析幅度为10伏时,道宽宜用伏;(4) 根据放射源的活度,选择合适的源与闪烁体之间的距离。
显然,利用γ谱解析核素的或能量相近的γ射线时,受到了谙仪能量分辨率的限制。
这时就需要借助于实验上得到的单能γ谙的经验规律,例如半宽度随着γ射线能量变化的经验规律,以及各种数学处理方法来解决。
能量线性指谱仪对入射γ射线的能量和它产生的脉冲幅度之间的对应关系。
一般NaI (T1)闪烁仪在较宽的能量范围内(100keV 到期1300keV )是近似性的。
这是利用该谱仪进行射线能量分析与判断未知放射性核素的重要依据。
通常,在实验上利用系列γ标准源,在确定的实验条件下分别测量系列源γ谱。
由已知γ射线能量全能峰位对相应的能量作图,这条曲线即能量刻度曲线。
典型的能量刻度曲线为不通过原点的一条直线,即0)(E Gx x E p p += ( 2 )式中p x 为全能峰位;0E 为直线截矩;G 为增益即每伏(或每道)相应的能量。
能量刻度亦可选用标准源137Cs ()MeV)和60Co 、来作。
实验中欲得到较理想的线性,还需要注意到放大器及单道分析器甄别阈的线性,进行必要的检验与调整。
此外,实验条件变化时,应重新进行刻度。
显然,确定未知γ射线能量的正确性取决于全能峰位的正确性。
这将与谱仪的稳定性、能量刻度线的原点及增益漂移有关。
事实上,未知源总是和标准源非同时测量的,因此很可能他们的能量对应了不同的不同的原点及增益。
当确定能量精度要求较高时,需用电子计算机处理,调整统一零点及增益,才能得到真正的能量与全能峰峰位的对应关系。
至于全能峰峰位的确定,本实验可在记录足够数目的计数后由图解法得到。
装置实验装置方块图见图1。
NaI(Tl)闪烁谱仪,FH1901,1套;多道分析器,FH419G1,1台;脉冲示波器,SBM-10,1台;标准γ源,137Cs、65Zn、60Co,各一个;未知γ源,1个。
步骤1.按图1连接仪器。
用示波器观察137Cs及60Co的脉冲波形,调节并固定光电倍增管的高压。
2.调节放大器的放大倍数,使137Cs 的γ射线的全能峰落在合适的甄别阈位置上,例如8V。
选择并固定单道分析器道宽,例如,测量137Cs全能谱及本底谱。
3.改变放大器放大倍数,使137Cs、65Zn、60Co之全能峰合理地分布在单道分析器阈值范围内。
依次测量这三个γ源的能谱。
4.在步骤3实验条件下,测量未知γ源能谱。
5.实验结束前,再重复测量137Cs 的γ射线的全能峰,以此检验谱仪的稳定性。
五.实验数据处理Co源能谱曲线1号峰General model Gauss1:f(x) = a1*exp(-((x-b1)/c1)^2) Coefficients (with 95% confidence bounds):a1 = 1020 (977, 1062)b1 = ,c1 = ,Goodness of fit:SSE: +004R-square:Adjusted R-square:RMSE: 2号峰General model Gauss1:f(x) = a1*exp(-((x-b1)/c1)^2) Coefficients (with 95% confidence bounds):a1 = ,b1 = (864,c1 = ,Goodness of fit:SSE: +004R-square:Adjusted R-square:RMSE:全能峰1道址:,全能峰2道址:Cs源高斯拟合General model Gauss1:f(x) = a1*exp(-((x-b1)/c1)^2) Coefficients (with 95% confidence bounds): a1 = 4245 (4090, 4400)b1 = ,c1 = ,Goodness of fit:SSE: +006R-square:Adjusted R-square:RMSE:全能峰道址:未知源高斯拟合General model Gauss1:f(x) = a1*exp(-((x-b1)/c1)^2) Coefficients (with 95% confidence bounds): a1 = ,b1 = ,c1 = ,Goodness of fit:SSE: +004R-square:Adjusted R-square:RMSE:全能峰道址:半高宽点m1=,m2=.,能量分辨率%能量定标曲线Linear model Poly1:f(x) = p1*x + p2Coefficients (with 95% confidence bounds):p1 = ,p2 = ,Goodness of fit:SSE:R-square:Adjusted R-square:RMSE:全能峰对应的能量MeV全能峰对应的道址未知源六.实验结果误差分析此次实验得到的能量定标曲线还是不错的,线性相关系数达到.说明道址和能量的线性相关性比较好,得出未知源是Ba的可信度比较高。
但是没有观察到X射线峰和反散射峰可能是因为阈值比较高。
七.实验思考题1.如何从示波器上观察到的137Cs脉冲波形图,判断谱仪能量分辨率的好坏2.某同学实验结果得到137Cs能量分辨率为6%,试述怎样用实验来判断这一分辨率之真假3.若有一单能γ源,能量为2MeV,试预言其谱形。
4.试根据你测量137Cs、65Zn、60Co能谱,求出相应于、和γ射线全能峰的半宽度,并讨论半宽度随γ射线能量变化的规律。
5.试述60Co 这条γ射线相应的能量分辨率,能否直接从其全能峰半宽度求出,为什么6.在你测得的137Cs 0662MeV γ射线全能峰峰位处,作一垂线为对称轴,将会发现对称轴低能边计数明显地多于相应的高能边的计数,试参照表2分析全能峰不完全对称的原因。
1.将探测器信号输入到示波器中,出现脉冲,脉冲越宽,能量分辨率越差。
2.找到一个源与137Cs全能峰能量相差6%,两个源一起测能谱,看能否区分开这两个全能峰,若能说明,6%可靠。
3.谱仪的能量分辨率与入射粒子能量有关,能量越大,分辨率越好。
因此会在2MeV形成一个全能峰值,并且和137Cs一样有反散射峰和X射线峰,康普顿平台。
4.半高宽见数据分析,能量越高,半宽度越大。
5.不能。
此时有康普顿平台的影响,将峰抬高。
6.康普顿散射影响。