防火门质量检验批
- 格式:doc
- 大小:45.00 KB
- 文档页数:3
防火门质量检验批随着社会对消防安全意识的提高,防火门作为重要的消防设备之一,其质量检验批的重要性不容忽视。
防火门是指在一定时间内能满足耐火稳定性、完整性和隔热性要求的门,主要用于消防安全疏散通道、楼梯间、前室等处。
因此,防火门的质量直接关系到人员的生命财产安全,必须进行严格的检验和控制。
一、防火门质量检验批的依据防火门质量检验批的依据主要包括国家相关标准、规范和设计文件等。
其中,国家相关标准包括《防火门》、《防火窗》、《防火卷帘》等;规范包括《建筑设计防火规范》、《高层民用建筑设计防火规范》等;设计文件主要包括防火门的设计图纸和技术要求等。
二、防火门质量检验批的内容1、外观质量检验外观质量是防火门质量检验批的重要内容之一。
检验时,应检查门的外观是否平整、光洁,无明显瑕疵和变形,涂层是否均匀、连续、无流挂、起皮等问题。
还应检查门的标示和铭牌是否清晰、齐全,符合设计要求。
2、尺寸及安装位置检验尺寸及安装位置是防火门质量检验批的重要内容之一。
检验时,应检查门的尺寸是否符合设计要求,安装位置是否正确。
例如,门的宽度和高度应符合设计要求,门的开启方向应与疏散方向一致,门扇与地面之间应有合理的间隙等。
3、材料及配件质量检验材料及配件质量是防火门质量检验批的重要内容之一。
检验时,应检查门的材料是否符合要求,配件是否齐全、符合设计要求。
例如,门的材料应采用不燃或难燃材料,配件应采用防火材料等。
4、防火性能检验防火性能是防火门质量检验批的核心内容之一。
检验时,应检查门在一定时间内是否能满足耐火稳定性、完整性和隔热性要求。
例如,在模拟火灾的情况下,门的变形量、脱落情况、隔热性能等应符合要求。
三、防火门质量检验批的重要性防火门质量检验批的重要性主要体现在以下几个方面:1、保障人员生命安全:防火门是消防设备之一,其质量直接关系到人员的生命安全。
如果防火门的质量不过关,一旦发生火灾,将会给人员的生命安全带来严重威胁。
因此,对防火门进行严格的质量检验批,是保障人员生命安全的重要措施之一。
防火门质量检验批防火门质量检验批一、检验批准备1.1 准备工作1.1.1 确定检验批的数量和要求。
根据项目设计文件和标准规范要求,确定防火门的数量以及每个防火门的要求。
1.1.2 确定检验批的验收标准。
根据国家相关标准规范和设计要求,确定防火门的验收标准,包括外观质量、功能性能、防火性能等方面的要求。
1.1.3 确定检验批的验收方法。
根据验收标准,确定防火门的验收方法,如外观检查、尺寸测量、力学性能测试、防火性能测试等。
1.1.4 准备检验设备和工具。
根据测试要求,准备相应的检验设备和工具,如测量工具、试验仪器等。
1.1.5 建立检验记录表格。
根据检验批的要求,建立相应的检验记录表格,包括每一个防火门的编号、型号、质量要求、实测值、判定结果等。
二、防火门外观质量检验2.1 检查门框和门扇的外观。
2.1.1 检查门框的平直度。
使用直尺或者测量仪器,检查门框的平直度是否符合标准要求。
2.1.2 检查门扇的平直度。
使用直尺或者测量仪器,检查门扇的平直度是否符合标准要求。
2.2 检查门框和门扇的表面质量。
2.2.1 检查门框和门扇的涂层。
检查门框和门扇的涂层是否均匀、平滑,无起泡、脱落等缺陷。
2.2.2 检查门框和门扇的颜色。
检查门框和门扇的颜色是否符合要求。
2.3 检查门框和门扇的尺寸。
2.3.1 检查门框和门扇的外观尺寸。
使用测量工具,检查门框和门扇的外观尺寸是否符合标准要求。
2.3.2 检查门框和门扇的密封性能。
使用试验仪器,检测门框和门扇的密封性能,确保其符合要求。
三、防火门功能性能检验3.1 检查开启、关闭、锁紧功能。
使用适当的工具,测试防火门的开启、关闭、锁紧功能是否正常。
3.2 检查防火门的各项辅助设施。
检查防火门的门把手、门锁、门闭器等辅助设施是否齐全、完好,且能够正常使用。
3.3 检查防火门的自动控制装置(如有)。
检查防火门的自动控制装置是否能够正常工作,如控制器、传感器等。
四、防火性能检验4.1 对防火门进行耐火性能测试。
防火门检验批划分依据
防火门检验批划分依据主要根据以下几个方面来进行确定和执行:
1. 消防标准和法规:根据国家和当地的消防标准和法规,对防火门进行检验和
划分。
这些标准和法规通常包括防火门材料、结构、防火性能、安装和维护等方面的要求。
2. 防火等级:根据防火门的材料和结构以及其防火性能,将其划分为不同的防
火等级。
防火门通常可以分为防火门、防火窗、防火盖板等不同形式,每种形式都有不同的防火等级。
3. 使用环境:根据防火门所处的使用环境,将其划分为不同的检验批。
例如,
防火门在商业建筑、住宅楼、工厂或仓库等不同的场所和用途中使用,可能需要不同的检验批划分。
4. 维护记录和检查频率:根据防火门的维护记录和检查频率,划分不同的检验批。
维护记录和检查频率直接影响着防火门的可靠性和使用寿命,因此必须根据实际情况进行划分和执行。
5. 检验机构:根据专业的消防检验机构的要求,对防火门进行划分。
专业的消
防检验机构通常具备丰富的经验和专业知识,能够提供科学合理的划分依据和指导。
总之,防火门的检验批划分依据主要根据国家和当地的消防标准和法规、防火
等级、使用环境、维护记录和检查频率以及专业检验机构等方面进行确定和执行。
这些依据有助于确保防火门在各种不同环境下的有效性和可靠性,保障人员和财产的安全。
防火门安装分项工程检验批质量验收记录防火门是建筑物中重要的消防设施之一,对于保障人员生命安全和财产安全具有重要的作用。
为了确保防火门的安装质量,需要进行分项工程检验批质量验收记录。
本文将从验收记录的编写要点、验收过程中需要检查的主要项目以及常见的质量问题进行详细阐述。
一、编写要点1. 文档格式:以检验批质量验收记录为标题,包括建设单位名称、项目名称、施工单位名称、工程名称、工程验收范围等基本信息。
2. 验收人员:明确主要参与验收的人员,包括建设单位的代表、施工单位的代表以及监理单位的代表。
3. 验收时间:记录实际的验收时间,包括开始时间和结束时间。
4. 验收地点:记录验收的具体地点,通常为施工现场。
二、验收过程中的主要项目1. 防火门的安装位置和数量:核对防火门的安装位置和数量是否与图纸要求一致。
2. 防火门的尺寸:测量防火门的尺寸,包括门框尺寸和门扇尺寸,确保符合图纸要求。
3. 防火门的材质:检查防火门的材质,如门框和门扇材料是否符合规定要求。
4. 防火门的密封性能:测试防火门的密封性能,包括门扇与门框之间的间隙是否符合规定要求。
5. 防火门的开闭性能:测试防火门的开闭性能,确保防火门能够正常开闭,并能够自动关闭。
6. 防火门的安装质量:检查防火门的安装质量,如门框的固定是否牢固、门扇的装配是否精确等。
三、常见的质量问题1. 尺寸不符:防火门的尺寸与图纸要求不符,可能会导致防火门无法正常关闭或防火隔离效果不佳。
2. 材质不合格:防火门的材质不符合规定要求,可能会影响防火门的防火性能和耐用性。
3. 密封性能差:防火门的密封性能不好,可能会导致火灾时烟气和火焰逸出,从而影响逃生通道的安全性。
4. 开闭性能差:防火门的开闭性能不好,可能会导致在火灾发生时无法及时关闭,从而无法隔离火灾。
5. 安装质量差:防火门的安装质量不好,如门框固定不牢固、门扇装配不精确等,可能会影响防火门的正常使用和防火效果。
四、总结防火门作为消防设施的重要组成部分,对于保障人员生命安全和财产安全具有重要的作用。
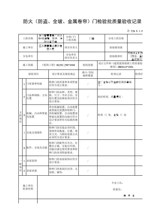
防火门安装检验批质量验收记录模板
项目信息
- 项目名称:
- 施工单位:
- 工程编号:
- 竣工日期:
检验批信息
- 检验批编号:
- 规格型号:
- 数量:
- 批次编号:
验收记录
- 安装位置:
- 钢框架安装质量验收:
- 框架与墙体连接牢固,无倾斜、松动等现象。
- 框架表面无明显划痕、凹陷、氧化等损坏情况。
- 门扇安装质量验收:
- 门扇与框架连接牢固,无摇晃、松动等现象。
- 门扇外观无明显划痕、凹陷、氧化等损坏情况。
- 铰链、锁具、密封条验收:
- 铰链连接部位无松动、磨损等现象。
- 锁具操作灵活,无阻塞、卡滞等问题。
- 密封条完好,无破损、脱落等现象。
- 标志标牌验收:
- 防火门标志醒目,易于识别。
- 相关标牌、标志附着牢固,无掉落、脱落等现象。
- 防火门开启及闭合验收:
- 门扇开闭自如,无卡滞、卡住等问题。
- 门扇闭合后紧密贴合框架,无明显间隙、漏光现象。
- 配套设施验收:
- 门锁齐全、牢固可靠。
- 紧急开启装置完好可靠。
- 其他配套设施符合要求。
验收结论
经验收,防火门安装质量合格。
验收人员
- 建设单位代表:
- 施工单位代表:
- 监理单位代表:
备注
(可根据实际情况添加备注信息)。
防火门检验报告随着人们对安全意识的不断提升,防火门的重要性也越来越被人们所重视。
防火门的作用是防止火势蔓延,限制火势向其他区域蔓延,保障人们的生命财产安全。
而防火门检验报告则是对防火门进行检测和评估的一个重要依据。
一、检测内容防火门检验报告包含的内容主要分为两大部分,一部分是对防火门本身的各项指标进行检测,包括门的尺寸是否符合要求、门的耐火极限是否达到规定标准、门框及门扇是否变形等。
另一部分则是对门的周边环境进行评估,包括门的密封性能、门边缝隙是否存在等问题。
二、检测方法防火门检验报告的检测方法较为科学严谨,一般采用不同的检测仪器和设备进行检测。
例如,检测防火门的密封性能时,可以使用烟雾机和手持烟雾感应器进行检测,以检测门扇与门框之间是否存在漏风等问题。
此外,还可以使用激光测距仪、测量尺等工具进行精准的尺寸检测。
三、检测结果防火门检验报告的检测结果通常分为合格和不合格两种情况。
如果检测结果不合格,需要及时进行修复和整改,确保防火门的使用功能和安全性能。
而对于合格的防火门,也需要定期进行维护和检测,以确保长期的使用安全和稳定性。
四、检验机构防火门检验报告需要由具有资质的检验机构进行检测和评估。
目前,国家质量监督检验检疫总局认可的防火门检验机构主要有中国防火协会、北京市防火门检测站、上海市防火门产品质量监督检验中心等。
在选择检测机构时,需要关注其资质认证情况和检测设备的先进性和可靠性。
总之,防火门检验报告是对防火门进行全面评估的一个重要参考依据,也是确保防火门使用安全和稳定性的一个重要措施。
希望大家都能够关注防火门的安全问题,避免安全事故的发生。
防火门安装分项工程检验批质量验收记录1. 项目概况项目名称防火门安装分项工程建设单位XXX工程有限公司监理单位XXX监理有限公司施工单位XXX建设有限公司工程地址XXX街道XXX号工程负责人张三2. 检验批情况检验批编号日期FHM01 2022年1月1日FHM02 2022年1月5日FHM03 2022年1月10日3. 检验依据•《建筑工程防火门安装及验收规范》(GB 12955-2008)•《建筑门、窗、幕墙工程质量验收规范》(GB/T 8478-2008)4. 检验内容4.1 矿棉芯板1.矿棉芯板外观无损坏、发霉等现象。
2.材质符合要求。
3.相邻两块矿棉芯板接缝处矩形度≤ 1mm。
4.2 铰链1.铰链数量符合设计要求。
2.铰链表面光洁、无裂纹、无损伤。
3.铰链装配牢固,无松动现象。
4.3 锁具1.锁具数量符合设计要求。
2.锁具表面光洁、无裂纹、无损伤。
3.锁具装配牢固,无松动现象。
5. 检验结果经过检验,上述3个检验批的防火门安装分项工程符合以下要求:1.以上3个检验批的矿棉芯板外观完好,材质符合要求,相邻两块矿棉芯板接缝处矩形度≤ 1mm。
2.以上3个检验批的铰链数量符合设计要求,表面光洁、无裂纹、无损伤,装配牢固,无松动现象。
3.以上3个检验批的锁具数量符合设计要求,表面光洁、无裂纹、无损伤,装配牢固,无松动现象。
4.经检验,以上3个检验批的防火门安装分项工程达到设计要求,合格。
6. 不合格项整改情况经检验,以上3个检验批的防火门安装分项工程未发现不合格项。
7. 监理工程师意见本次防火门安装分项工程的施工质量较好,符合设计要求和技术规范。
建议施工单位加强质量管理,确保后续工程质量不断提升。
8. 检验单位意见按照《建筑工程防火门安装及验收规范》(GB 12955-2008)和《建筑门、窗、幕墙工程质量验收规范》(GB/T 8478-2008)的要求,对防火门安装分项工程进行检验,检验结果表明该工程符合设计要求和技术规范。
防火门安装检验批质量验收记录
项目名称:________________________
项目地点:________________________
安装批次:________________________
检验日期:________________________
1.检验目的
本次检验旨在确认防火门安装工程是否符合相关标准和规范要求,确保安装质量达到预期标准。
2.检验内容
2.1 防火门安装位置确认:确认防火门安装位置是否与设计要求相符,是否合理布置,确保防火隔离效果。
2.2 防火门密封性能检验:检验防火门与墙面、门框之间的密封性能,确保防火门具备良好的防火隔离功能。
2.3 防火门关闭及锁紧功能检验:确认防火门的关闭功能是否正常,门是否能够锁紧,确保防火门可靠地关闭并保持密封状态。
2.4 防火门门扇材质检验:检验防火门门扇的材质是否符合相关标准和规范要求,确保门扇具有良好的耐火性能。
2.5 防火门门扇装配检验:检验防火门门扇的装配工艺是否符合相关要求,确保门扇的安装质量。
2.6 防火门五金配件检验:检验防火门五金配件的材质、尺寸和安装效果是否符合要求,确保五金配件的质量可靠。
3.检验结果
经检验,本批次防火门安装质量符合相关标准和规范要求,各项检验指标均达到预期标准。
4.处理意见
基于本次检验结果,建议继续进行后续工程,无需对本批次防火门安装进行调整或修复。
5.备注
在此处记录其他需要说明的事项】
检验人员:________________________
检验日期:________________________。
防火门质量检验批(一)引言概述:防火门作为一种重要的安全设备,质量的检验对于确保其有效性和可靠性至关重要。
本文将从五个大点出发,对防火门质量检验批的相关内容进行阐述。
正文:一、材料选用1. 防火门使用的材料应符合相关标准,如钢材应符合GB/T 708-2006标准。
2. 门框和门扇所用的钢板应具有足够的强度和耐火性能。
3. 聚苯颗粒保温材料、木板等非金属材料的使用应符合国家相关标准。
二、结构设计1. 防火门的结构设计应满足国家相关标准和规范,确保其在火灾情况下能有效阻隔火势和烟气。
2. 门框和门扇之间的连接应牢固可靠,门的开启和关闭应灵活顺畅。
3. 防火门的密封性能和隔热性能应符合国家相关标准,以确保其在火灾情况下能有效隔绝火焰和烟气。
三、制造工艺1. 防火门的制造工艺应符合国家相关标准和规范。
2. 钢材的切割、焊接和折弯等工艺应符合工艺要求,确保门的强度和密封性。
3. 防火门表面的处理和涂装应符合国家相关标准,以提高门的耐腐蚀性和美观度。
四、检验方法1. 防火门质量检验应通过抽样检查和实地测试的方式进行。
2. 检验项目包括门框和门扇的尺寸、硬度、耐火性能等。
3. 检验过程中应记录检测结果,并对不合格产品进行整改或淘汰。
五、质量控制1. 防火门的质量控制应从原材料进场开始,直到最终产品出厂。
2. 安装过程中应进行质量把控,确保门的安装质量和性能。
3. 防火门的使用寿命应符合国家相关标准,同时应建立定期检验和维护的制度。
总结:通过对防火门质量检验批的五个大点进行阐述,我们可以看出,材料选用、结构设计、制造工艺、检验方法和质量控制是保证防火门质量的关键要素。
只有在这些方面严格按照标准执行,才能确保防火门在火灾情况下发挥有效的作用,保护人们的生命财产安全。
2#防火门安装分项工程检验批质量验收记录检验批次信息
检验批号:20191203B
安装时间:2019年12月3日
验收时间:2019年12月5日
安装单位:XX建筑公司
检验依据
•《钢质防火门》(GB12955-2008);
•《建筑装饰装修防火规范》(GB50168-2018);
•《建筑门与窗》(GB/T7106-2008)。
检验项目
序
号检验项目验收标准
1 防火门电
气功能测
试
开门、关门、紧闭、防火检测等电气功能均正常
2 防火门外
观质量
无划痕、变形、掉漆等表面缺陷
3 防火门密
封性能
门扇与门框紧密接触,门框无缝隙、无松动、无脱落现象4 防火门尺
寸
门扇开启部分与门框间隙≤2mm
5 防火门用
力试验门扇在关闭状态时,加力45N,门扇不能发生任何移动并应紧密关闭;门扇在开启状态时,加力200N,门扇不能发生任何移动并应紧密关闭
检验结果
本次检验项目共有5项,全部合格。
不合格项处理
无不合格项。
验收
本次防火门安装分项工程经过质量检验合格,符合设计要求,达到了相应的标
准及规定,可以投入使用。
验收人员签名:
•建设工程项目质量监督检测报告编号:XXXXXXXXXXXXXX
•建设工程项目竣工验收报告编号:XXXXXXXXXXXXXX
备注
验收人员应在验收上签字,并注明建设工程项目质量监督检测报告编号及建设
工程项目竣工验收报告编号。
如有不合格项,应在此项目下列出,并说明处理措施。
本文档仅供内部文件参考使用,请勿外传。