钢筋锚固长度,搭接长度
- 格式:doc
- 大小:34.00 KB
- 文档页数:5
根据《钢筋混凝土设计规范》规定:受拉钢筋抗震锚固长度LaE,计算公式:LaE=ζaE La。
式中:LaE——受拉钢筋抗震锚固长度;ζaE——为抗震锚固长度修正系数,对一、二级抗震等级取,对三级抗震等级取,对四级抗震等级取。
La——受拉钢筋锚固长度(非抗震)。
一、受拉钢筋最小锚固长度(la、laE)非抗震受拉钢筋最小锚固长度la注:1. HPB235级钢筋(光面钢筋)的末端应做180度弯钩,弯后平直段长度应≥3d。
2.当钢筋在混凝土施工过程中易受扰动(如滑模施工)时,其锚固长度应将表值乘以修正系数。
3. HRB335、HRB400和RRB400级的环氧树脂涂层钢筋(用于三类环境的钢筋混凝土构件中),其锚固长度应将表值乘以修正系数。
4. 当HRB335、HRB400和RRB400级钢筋,在锚固区的混凝土保护层厚度>3d且配有箍筋时,其锚固长度可将表值乘以修正系数。
5.任何情况下锚固长度应≥250mm。
6.当钢筋末端采用机械锚固时,其锚固长度可将表值乘以修正系数。
7.当计算中充分利用纵向钢筋的抗压强度时,受压钢筋的锚固长度不应小于受拉锚固长度la的倍。
机械锚固措施不得用于受压钢筋的锚固。
二、受拉钢筋最小抗震锚固长度laE1.当钢筋在混凝土施工过程中易受扰动(如滑模施工)时,其锚固长度应将表值乘以修正系数。
2. HRB335、HRB400和RRB400级的环氧树脂涂层钢筋(用于三类环境的钢筋混凝土构件中),其锚固长度应将表值乘以修正系数。
3. 当HRB335、HRB400和RRB400级钢筋,在锚固区的混凝土保护层厚度>3d且配有箍筋时,其锚固长度可将表值乘以修正系数。
4. 当钢筋末端采用机械锚固时,其锚固长度可将表值乘以修正系数。
5. 四级抗震的锚固长度laE按非抗震的锚固长度la采用,即laE=la。
Lab和LaE 的区别:Lab=a*ft/fy,Lab为基本锚固长度,a为钢筋的外型系数,光圆钢筋取,带肋钢筋取,ft、fy分别为混凝土、钢筋抗拉强度设计值。
搭接长度和锚固长度的关系-概述说明以及解释1.引言1.1 概述概述:搭接长度和锚固长度是在建筑和结构工程中常用的两个概念。
搭接长度指的是在构件连接或接头处的重叠部分的长度,通常用来增加构件之间的连接强度和稳定性。
而锚固长度则是指在混凝土结构中用于将钢筋或预应力钢束固定在混凝土中的长度,主要用于提供结构的抗拉强度和抗震能力。
搭接长度和锚固长度在工程设计和施工中都起着至关重要的作用。
合理的搭接长度可以有效地提高构件连接的强度和刚度,从而增加整体结构的稳定性和安全性。
而适当的锚固长度则可以确保钢筋或钢束与混凝土之间的良好粘结,以提供足够的抗拉能力和变形能力。
本文将重点研究搭接长度与锚固长度之间的关系,并探讨它们对建筑结构性能的影响。
通过理论分析和实验研究,我们将探讨不同搭接长度和锚固长度对构件连接和结构整体性能的影响,并提出相应的应用建议和总结。
希望通过本文的研究,能够为工程设计和施工提供科学、合理的指导,从而提高建筑结构的安全性和可靠性。
1.2文章结构文章结构部分的内容如下:1.2 文章结构本文将按照以下结构进行探讨搭接长度和锚固长度之间的关系。
首先,引言部分将给出本文的概述,包括对搭接长度和锚固长度的定义和作用进行简要介绍。
其次,正文部分将详细阐述搭接长度和锚固长度的定义和作用,包括它们分别在不同领域中的具体应用和重要性。
最后,结论部分将总结搭接长度和锚固长度之间的关系,并给出一些建议和应用建议。
通过以上结构,本文将全面探讨搭接长度和锚固长度的关系,并希望能给读者带来一些启示和应用上的帮助。
1.3 目的本文的目的是探讨搭接长度和锚固长度之间的关系。
在工程领域中,搭接长度和锚固长度是两个重要的概念,它们对于构件的连接和固定起着至关重要的作用。
通过深入研究和探索搭接长度和锚固长度的定义、作用以及它们之间的关系,我们可以更好地理解这两个概念在工程实践中的应用和意义。
具体而言,本文将对搭接长度和锚固长度进行详细的介绍和解释,并深入分析它们在不同情况下的变化规律和相互影响。
根据《钢筋混凝土设计规范》11.1.7规定:受拉钢筋抗震锚固长度LaE,计算公式:LaE=ζaE La。
式中:LaE——受拉钢筋抗震锚固长度;ζaE——为抗震锚固长度修正系数,对一、二级抗震等级取1.15,对三级抗震等级取1.05,对四级抗震等级取1.00。
La——受拉钢筋锚固长度(非抗震)。
一、受拉钢筋最小锚固长度(la、laE)非抗震受拉钢筋最小锚固长度la注:1. HPB235级钢筋(光面钢筋)的末端应做180度弯钩,弯后平直段长度应≥3d。
2.当钢筋在混凝土施工过程中易受扰动(如滑模施工)时,其锚固长度应将表值乘以修正系数1.1。
3. HRB335、HRB400和RRB400级的环氧树脂涂层钢筋(用于三类环境的钢筋混凝土构件中),其锚固长度应将表值乘以修正系数1.25。
4. 当HRB335、HRB400和RRB400级钢筋,在锚固区的混凝土保护层厚度>3d且配有箍筋时,其锚固长度可将表值乘以修正系数0.8。
5.任何情况下锚固长度应≥250mm。
6.当钢筋末端采用机械锚固时,其锚固长度可将表值乘以修正系数0.7。
7.当计算中充分利用纵向钢筋的抗压强度时,受压钢筋的锚固长度不应小于受拉锚固长度la 的0.7倍。
机械锚固措施不得用于受压钢筋的锚固。
二、受拉钢筋最小抗震锚固长度laE1.当钢筋在混凝土施工过程中易受扰动(如滑模施工)时,其锚固长度应将表值乘以修正系数1.1。
2. HRB335、HRB400和RRB400级的环氧树脂涂层钢筋(用于三类环境的钢筋混凝土构件中),其锚固长度应将表值乘以修正系数1.25。
3. 当HRB335、HRB400和RRB400级钢筋,在锚固区的混凝土保护层厚度>3d且配有箍筋时,其锚固长度可将表值乘以修正系数0.8。
4. 当钢筋末端采用机械锚固时,其锚固长度可将表值乘以修正系数0.7。
5. 四级抗震的锚固长度laE按非抗震的锚固长度la采用,即laE=la。
Lab和LaE 的区别:Lab=a*ft/fy,Lab为基本锚固长度,a为钢筋的外型系数,光圆钢筋取0.16,带肋钢筋取0.14,ft、fy分别为混凝土、钢筋抗拉强度设计值。
人防工程纵向受拉钢筋最小锚固长度laF和绑扎接头的搭接长度L lF一、人防设计规范GB50038-2005钢筋锚固长度l af,搭接长度l lf规定:二、混凝土结构设计规范GB 50010—2002钢筋锚固长度L ae规定第11.1。
7条有抗震设防要求的混凝土结构构件,其纵向受力钢筋的锚固和连接接头除应符合本规范第9。
3节和第9。
4节的有关规定外,尚应符合下列要求:1、纵向受拉钢筋的抗震锚固长度Lae应按下列公式计算:一、二级抗震等级:Lae =1。
15 La,三级抗震等级:Lae=1.05 La四级抗震等级:Lae =La式中 La——纵向受拉钢筋的锚固长度,按本规范第9。
3.1条确定.2、当采用搭接接头时,纵向受拉钢筋的抗震搭接长度L le应按下列公式计算: Lle=ζLae ,式中ζ——纵向受拉钢筋搭接长度修正系数,按本规范第9。
4。
3条确定.纵向受拉钢筋搭接长度修正系数表9.4。
3纵向钢筋搭接接头面积百分率(%) ≤2550 100ζ1。
2 1。
4 1。
63、钢筋混凝土结构构件的纵向受力钢筋的连接可分为两类:绑扎搭接;机械连接或焊接.宜接不同情况选用合适的连接方式;4、纵向受力钢筋连接接头的位置宜避开梁端、柱端箍筋加密区;当无法避开时,应采用满足等强度要求的高质量机械连接接头,且钢筋接头面积百分率不应超过50%;三、综合以上规范,人防系数和抗震系数不同时考虑,人防工程纵向受拉钢筋最小锚固长度laF,和绑扎接头的搭接长度L lFE 如下1.不抗震、三级、四级抗震人防工程纵向受拉钢筋最小锚固长度laF是普通钢筋砼结构纵向受拉钢筋最小锚固长度的1。
05倍,laF=1。
05la 如下表不抗震、三级、四级抗震人防工程纵向受拉钢筋最小锚固长度LaF表1钢筋种类混凝土强度等级C20 C25 C30 C35 ≥C40d≤25 d〉25 d≤25 d>25 d≤25 d〉25 d≤25 d〉25 d≤25 d〉25HPB255 33d 33d 28d 28d 25d 25d 23d 23d 21d 21d HRB335 41d 45d 35d 39d 31d 34d 29d 31d 26d 29d于25%时, L lf=1.2 LaF;当搭接接头面积不大于50%时,L lf=1。
人防工程纵向受拉钢筋最小锚固长度laF和绑扎接头的搭接长度L lF一、人防设计规范GB50038—2005钢筋锚固长度l af,搭接长度l lf规定:二、混凝土结构设计规范 GB 50010—2002钢筋锚固长度L ae规定第11。
1。
7条有抗震设防要求的混凝土结构构件,其纵向受力钢筋的锚固和连接接头除应符合本规范第9。
3节和第9.4节的有关规定外,尚应符合下列要求:1、纵向受拉钢筋的抗震锚固长度Lae应按下列公式计算:一、二级抗震等级:Lae =1。
15 La,三级抗震等级:Lae=1。
05 La四级抗震等级:Lae = La式中 La——纵向受拉钢筋的锚固长度,按本规范第9.3。
1条确定。
2、当采用搭接接头时,纵向受拉钢筋的抗震搭接长度L le应按下列公式计算: L le=ζLae ,式中ζ--纵向受拉钢筋搭接长度修正系数,按本规范第9.4.3条确定.3接。
宜接不同情况选用合适的连接方式;4、纵向受力钢筋连接接头的位置宜避开梁端、柱端箍筋加密区;当无法避开时,应采用满足等强度要求的高质量机械连接接头,且钢筋接头面积百分率不应超过50%;三、综合以上规范,人防系数和抗震系数不同时考虑,人防工程纵向受拉钢筋最小锚固长度laF,和绑扎接头的搭接长度L lFE 如下1.不抗震、三级、四级抗震人防工程纵向受拉钢筋最小锚固长度laF是普通钢筋砼结构纵向受拉钢筋最小锚固长度的1。
05倍,laF=1.05 la 如下表不抗震、三级、四级抗震人防工程纵向受拉钢筋最小锚固长度LaF表12.不抗震、三级、四级抗震人防工程绑扎接头的搭接长度L lf,当搭接接头面积不大于25%时, L lf=1.2 LaF;当搭接接头面积不大于50%时,L lf=1.4 LaF;LaF按表1数值。
仅仅考虑抗震系数1.15,即la的1.15倍, laf=1.15 la。
4、一级、二级抗震人防工程的绑扎接头的搭接长度L lf,当搭接接头面积不大于25%时, L lf=1。
钢筋的锚固与搭接长度
梁
1、当为梁侧面构造钢筋时,其搭接与锚固长度可取为15d;
2、当为梁侧面受扭纵向钢筋时,其搭接长度为Ll或Lle(抗震)(取值见图集55页);锚固长度为La或Lae(抗震)(取值见图集54页)。
3、悬挑梁(包括其他类型梁的悬挑部分)上部第一排纵筋伸出至梁端头并下弯,第二排伸出至3l/4位置,l为自柱(梁)边算起的悬挑净长。
4、当梁(不包括框支梁)下部纵筋不全部伸入支座时,不伸入支座的梁下部纵筋截断点距支座边的距离,在标准构造详图中统一取为0.1Lnl(Lnl为本跨的净跨值)。
5、非框架梁、井字梁的上部纵向钢筋在端支座的锚固要求:当设计按铰接时,平直段伸至端支座对边后弯折,且平直段长度≧0.35Lab (框架梁≧0.4Lab),弯折段长度15d;当充分利用钢筋的抗拉强度时,直段伸至端支座对边后弯折,且平直段长度≧0.6Lab,弯折段长度15d。
工程量计算专家
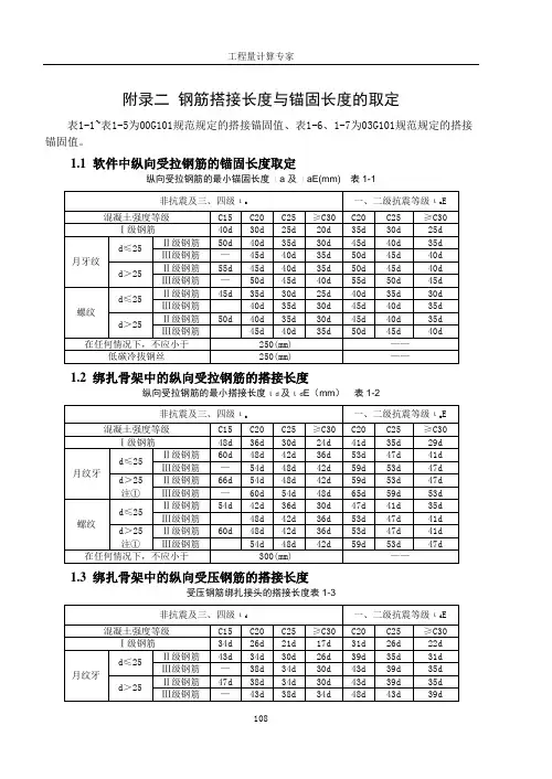
附录二钢筋搭接长度与锚固长度的取定
表1-1~表1-5为00G101规范规定的搭接锚固值、表1-6、1-7为03G101规范规定的搭接锚固值。
1.1 软件中纵向受拉钢筋的锚固长度取定
纵向受拉钢筋的最小锚固长度l a及l aE(mm) 表1-1
1.2 绑扎骨架中的纵向受拉钢筋的搭接长度
纵向受拉钢筋的最小搭接长度ιd及ιd E(mm)表1-2
1.3 绑扎骨架中的纵向受压钢筋的搭接长度
受压钢筋绑扎接头的搭接长度表1-3
108
鲁班钢筋用户手册
109
1.4 焊接骨架中的纵向受拉钢筋的搭接长度
受拉钢筋绑扎接头的搭接长度ιd 及ιdE (mm ) 1-4
1.5 焊接骨架中的纵向受压钢筋的搭接长度
纵向受压钢筋的最小搭接长度ιd 及ιd E (mm )
表1-5
a
工程量计算专家
纵向受拉钢筋抗震锚固长度laE
110。
构造钢筋的锚固长度与搭接长度一、引言钢筋在混凝土结构中起着非常重要的作用,是混凝土结构的骨架。
钢筋的锚固长度和搭接长度是钢筋连接的两个重要参数,对于混凝土结构的安全性和稳定性有着至关重要的影响。
因此,在建造混凝土结构时,必须根据实际情况合理选择钢筋的锚固长度和搭接长度。
二、什么是钢筋锚固长度?1. 定义钢筋锚固长度是指将一根钢筋埋入混凝土中所需的最小长度。
它是保证钢筋能够在混凝土中发挥最大强度和刚度作用的关键因素。
2. 影响因素(1)混凝土强度:钢筋锚固长度与混凝土强度成正比。
当混凝土强度增加时,需要更长的锚固长度才能保证同样的抗拉力。
(2)钢筋直径:同等条件下,直径较大的钢筋需要更长的锚固长度。
(3)钢筋试验结果:根据试验结果选择合适的锚固长度。
(4)混凝土表面状态:混凝土表面的光滑度和粗糙度也会影响钢筋的锚固长度。
3. 计算方法(1)根据混凝土强度和钢筋直径,查找相应的锚固长度表格或公式计算。
(2)根据试验结果选择合适的锚固长度。
(3)根据设计要求,通过有限元分析等方法计算出合理的锚固长度。
三、什么是钢筋搭接长度?1. 定义钢筋搭接长度是指在两根钢筋连接处重叠在一起的部分。
它是保证钢筋连接牢固、不滑移的关键因素。
2. 影响因素(1)钢筋直径:同等条件下,直径较大的钢筋需要更长的搭接长度。
(2)钢筋试验结果:根据试验结果选择合适的搭接长度。
(3)混凝土强度:混凝土强度越高,需要更长的搭接长度才能保证同样的抗拉力。
(4)钢筋受力状态:不同受力状态下需要不同长度的搭接。
3. 计算方法(1)根据钢筋直径和混凝土强度,查找相应的搭接长度表格或公式计算。
(2)根据试验结果选择合适的搭接长度。
(3)根据设计要求,通过有限元分析等方法计算出合理的搭接长度。
四、如何保证钢筋锚固和搭接长度的正确性?1. 按照设计要求进行施工。
2. 严格按照相关标准进行验收。
3. 对于特殊情况,进行必要的试验和计算,确保钢筋锚固和搭接长度符合要求。
钢筋锚固及搭接长度规范要求
1.钢筋锚固长度规范要求:
钢筋锚固是为了保证钢筋在混凝土中的完全传力,防止发生滑移或者断裂现象。
一般来说,钢筋的锚固长度应根据以下几个方面来决定:-经验法则:通常根据经验法则,钢筋的锚固长度可以按照直径的几倍来确定,不同的规范要求也可能有所不同。
-拉力要求:钢筋锚固长度的计算也需要考虑拉压力的要求,一般来说,拉力越大则锚固长度也需要相应增加。
-端部限制:一些情况下,由于空间限制或者施工工艺等原因,可能会对钢筋的锚固长度有一定的限制。
具体的规范要求可能因地区和不同的工程而有所不同,一般可以参考国家或地区的相关规范与标准。
2.钢筋搭接长度规范要求:
钢筋的搭接长度是为了保证钢筋之间的传力完全,并且能够满足工程的强度要求。
-最小搭接长度:一般情况下,最小搭接长度是由规范要求确定的,往往与钢筋直径有关。
最小搭接长度是保证钢筋传力和连接强度的最低要求。
-普通钢筋与高强钢筋的搭接长度:普通钢筋和高强钢筋的搭接长度可能会有所不同,一般来说,高强钢筋的搭接长度要比普通钢筋更长。
-断裂屈服法则:有些规范还需要考虑钢筋的屈服特性,根据钢筋的屈服特性来确定搭接长度。
-端部限制:钢筋搭接长度的计算也需要考虑到钢筋端部的约束或限制。
无论是钢筋锚固长度还是搭接长度,都需要进行正确的计算和设计,以满足工程的强度要求和设计规定。
此外,在实际施工中还需要注意保持适当的施工质量和操作规范,以确保钢筋连接的可靠性和安全性。
钢筋接头、钢筋锚固、搭接长度规定
(1)楼板及梁钢筋的直径小于22mm ,采用搭接接头,最小搭接长度见附表。
(2)楼板及梁钢筋直径大于等于22mm 时采用锥螺纹机械连接,柱子及剪力墙钢筋(3)钢筋的最小锚固长度见附表
钢筋最小搭接长度表
钢筋
最小锚固长度
(4)钢筋焊接的接头形式、抽样、焊接工艺和质量验收应符合“钢筋焊接及验收规范”有关规定。
(5)采取有效措施进行成品保护,特别是负弯矩钢筋的保护,以保证钢筋位置准确。
(6)搭接接头错开长度为钢筋直径的40倍,绑扎接头搭接长度
根据混凝土强度为钢筋直径的41倍、47倍,且两根接头端部错开0.3倍的搭接长度。
(7)为保证梁柱墙的钢筋保护层在梁柱墙钢筋绑扎完毕后,在箍筋上焊直径为14mm的长度满足梁柱墙截面的钢筋,每隔500mm一道,以便用来控制梁柱墙的保护层及截面。
梁下层为双层或三层钢筋是在绑扎时中间采用直径为25mm的钢筋进行隔开,间距为延梁长方向间距1000mm放置。
混凝土结构中,受拉钢筋的锚固和搭接是一个非常重要的概念,是工程人必须掌握的知识。
结合16G101制图规则、建筑抗震设计规范、混凝土结构设计规范解读锚固长度与搭接长度,以及纵向钢筋弯钩与机械锚固形式、搭接区箍筋构造、纵向钢筋的连接构造一、钢筋的锚固长度钢筋的锚固长度是指梁、板、柱等构件的受力钢筋伸入支座或基础中的总长度,包括直线及弯折部份。
主要起着结构变形时的抵抗作用。
关于受拉钢筋的锚固长度概念,la、lab、laE、labE分别代表什么意思?16G101-1中57页lab、labE锚固长度、58页la、laE锚固长度见下图表图表中,符号la代表受拉钢筋的锚固长度laE代表受拉钢筋抗震锚固长度lab代表受拉钢筋基本锚固长度labE代表抗震设计时受拉钢筋的基本锚固长度从上面图表中可以读出:1、基本锚固长度lab和抗震设计时受拉钢筋基本锚固长度labE的取值依据是钢筋种类、混凝土强度等级、结构设计抗震等级2、受拉钢筋锚固长度la、受拉钢筋抗震锚固长度laE的取值依据是钢筋种类、混凝土强度等级、结构抗震等级以及钢筋直径3、钢筋直径不大于25mm时,la=lab=数值(钢筋直径的倍数)4、钢筋直径不大于25mm时,laE=labE=数值(钢筋直径的倍数)5、基本锚固长度用在钢筋弯锚对平直段锚固长度的最小长度,0.4 lab(labE)+15d或0.6 lab(labE)+15d,弯折部分是15d6、锚固长度用在钢筋直锚时的最小长度7、四级抗震时,labE=lab,la=laE8、当锚固钢筋的保护层厚度不大于5d时,锚固钢筋长度范围内应设置横向构造钢筋,其直径不应小于d/4(d为锚固钢筋最大直径);对梁、柱等构件间距不应大于5d,对板、墙等构件间距不应大于10d,且均不应大于100(d为锚固钢筋最小直径)9、锚固长度表中,当为环氧树脂涂层带肋钢筋时,表中数据尚应乘以1.2510、锚固长度表中,当纵向受拉钢筋在施工中易受扰动时,表中数据尚应乘以1.111、锚固长度表中,当锚固长度范围内纵向受力钢筋周边保护层厚度为3d、5d(d为锚固钢筋直径)时,表中数据可分别乘以0.8、0.7;中间时按内插值12、锚固长度表中,当纵向受拉普通钢筋锚固长度修正系数(第9-第11)多于一项时,可以按连乘计算13、锚固长度表中,受拉钢筋的锚固长度la、laE计算值不应小于200二、钢筋的搭接长度为了保证钢筋的整体性和受力强度,钢筋必须连接起来,连接方式有:搭接、焊接和机械连接,搭接在不同位置有不同的规定。
受拉钢筋搭接长度与锚固的关系
受拉钢筋的搭接长度和锚固长度,这两兄弟虽然都是连接钢筋的好手,但干的活儿不太一样,各有各的门道。
搭接长度,简单来说,就是钢筋不够长时,需要用另一根钢筋接上,就像咱们衣服上的接缝,得保证这两段钢筋能紧紧拉着对方的手,不松开。
具体得多长,得看钢筋粗不粗、是光滑的还是带刺的(专业点说叫带肋),还有怎么接的,比如是用铁丝绑一起还是用电焊焊上。
不同的接法,这个“手牵手”的距离就不一样。
锚固长度,这更像是钢筋在混凝土里的脚,得深深地踩进去,才能站得稳。
它的任务是让钢筋和混凝土成为好朋友,一起承受外面的压力。
怎么算这个“脚”的深度呢?得看钢筋有多强壮,混凝土有多能拽住钢筋,还有钢筋的形状。
这个深度要够,钢筋才不会被轻易拉出来。
它们俩的关系,就像是团队合作,搭接长度保证钢筋和钢筋之间接力赛跑不掉棒,锚固长度保证钢筋在混凝土里站得稳,不被拔河比赛扯出去。
虽然各司其职,但目标一致,都是为了让整个建筑结实安全。
有时候,在搭接的地方也会特别加固一下锚固,好让那里更结实,整个结构就更安心了。
钢筋锚固及搭接长度规范要求文件编码(008-TTIG-UTITD-GKBTT-PUUTI-WYTUI-8256)受拉钢筋抗震锚固长度LaE,计算公式:LaE=ζaE La。
式中:LaE——受拉钢筋抗震锚固长度;ζaE——为抗震锚固长度修正系数,对一、二级抗震等级取,对三级抗震等级取,对四级抗震等级取。
La——受拉钢筋锚固长度(非抗震)。
一、受拉钢筋最小锚固长度(la、laE)非抗震受拉钢筋最小锚固长度la注:1. HPB235级钢筋(光面钢筋)的末端应做180度弯钩,弯后平直段长度应≥3d。
2.当钢筋在混凝土施工过程中易受扰动(如滑模施工)时,其锚固长度应将表值乘以修正系数。
3. HRB335、HRB400和RRB400级的环氧树脂涂层钢筋(用于三类环境的钢筋混凝土构件中),其锚固长度应将表值乘以修正系数。
4. 当HRB335、HRB400和RRB400级钢筋,在锚固区的混凝土保护层厚度>3d且配有箍筋时,其锚固长度可将表值乘以修正系数。
5.任何情况下锚固长度应≥250mm。
6.当钢筋末端采用机械锚固时,其锚固长度可将表值乘以修正系数。
7.当计算中充分利用纵向钢筋的抗压强度时,受压钢筋的锚固长度不应小于受拉锚固长度la的倍。
机械锚固措施不得用于受压钢筋的锚固。
二、受拉钢筋最小抗震锚固长度laE1.当钢筋在混凝土施工过程中易受扰动(如滑模施工)时,其锚固长度应将表值乘以修正系数。
2. HRB335、HRB400和RRB400级的环氧树脂涂层钢筋(用于三类环境的钢筋混凝土构件中),其锚固长度应将表值乘以修正系数。
3. 当HRB335、HRB400和RRB400级钢筋,在锚固区的混凝土保护层厚度>3d且配有箍筋时,其锚固长度可将表值乘以修正系数。
4. 当钢筋末端采用机械锚固时,其锚固长度可将表值乘以修正系数。
5. 四级抗震的锚固长度laE按非抗震的锚固长度la采用,即laE=la。
Lab和LaE 的区别:Lab=a*ft/fy,Lab为基本锚固长度,a为钢筋的外型系数,光圆钢筋取,带肋钢筋取,ft、fy分别为混凝土、钢筋抗拉强度设计值。
人防工程纵向受拉钢筋最小锚固长度laF和绑扎接头的搭接长度lFL一、人防设计规范GB50038-2005钢筋锚固长度afl, 搭接长度lfl规定:二、混凝土结构设计规范 GB 50010-2002钢筋锚固长度Lae规定第11.1.7条有抗震设防要求的混凝土结构构件,其纵向受力钢筋的锚固和连接接头除应符合本规范第9.3节和第9.4节的有关规定外,尚应符合下列要求: 1、纵向受拉钢筋的抗震锚固长度Lae应按下列公式计算:一、二级抗震等级:Lae =1.15 La ,三级抗震等级:Lae=1.05 La 四级抗震等级:Lae = La 式中 La--纵向受拉钢筋的锚固长度,按本规范第9.3.1条确定。
2、当采用搭接接头时,纵向受拉钢筋的抗震搭接长度L le应按下列公式计算: L le =ζLae ,式中ζ--纵向受拉钢筋搭接长度修正系数,按本规范第9.4.3条确定。
纵向受拉钢筋搭接长度修正系数表9.4.3纵向钢筋搭接接头面积百分率(%)≤25 50 100 ζ1.21.41.63、钢筋混凝土结构构件的纵向受力钢筋的连接可分为两类:绑扎搭接;机械连接或焊接。
宜接不同情况选用合适的连接方式;4、纵向受力钢筋连接接头的位置宜避开梁端、柱端箍筋加密区;当无法避开时,应采用满足等强度要求的高质量机械连接接头,且钢筋接头面积百分率不应超过50%;2三、综合以上规范,人防系数和抗震系数不同时考虑,人防工程纵向受拉钢筋最小锚固长度laF,和绑扎接头的搭接长度L lFE 如下1.不抗震、三级、四级抗震人防工程纵向受拉钢筋最小锚固长度laF是普通钢筋砼结构纵向受拉钢筋最小锚固长度的1.05倍,laF=1.05 la 如下表不抗震、三级、四级抗震人防工程纵向受拉钢筋最小锚固长度LaF 表1钢筋种类混凝土强度等级C20 C25 C30 C35 ≥C40 d≤25 d>25 d≤25 d>25 d≤25 d>25 d≤25 d>25d≤25 d>25 HPB255 33d 33d 28d 28d 25d 25d 23d 23d 21d 21d HRB335 41d 45d 35d 39d 31d 34d 29d 31d 26d 29d HRB40049d53d42d46d37d41d34d38d31d34d2.不抗震、三级、四级抗震人防工程绑扎接头的搭接长度L lf,当搭接接头面积不大于25%时, L lf=1.2 LaF;当搭接接头面积不大于50%时,L lf=1.4 LaF;LaF按表1数值。
钢筋分项平法讨论有些钢筋工同行新手应用《平法》时常发懵,晕头转向,不得要领。
本人从另一视角提取分类内容加以浅释,以帮助大家深入理解使用《平法》。
因水平所限,必然有不当之处,希望同道加以补充或指正。
钢筋的锚固长度为此构件中的纵筋伸入彼构件内的长度,以彼构件的完整边线起算。
如:梁伸入柱中;柱伸入梁中;次梁伸入主梁中;柱伸入基础中;墙或板伸入梁中;等等。
“锚固长度”应成为钢筋工的第一概念。
锚固长度是图集中的固定值。
在《平法》各本图集中均有列表。
锚固长度在101-1.3.4图集中总分两种:非抗震与抗震,内容是不同的。
选择锚固长度的前提条件是混凝土强度等级与抗震等级,然后参照钢筋种类决定。
在任何情况下,锚固长度不得小于250mm。
非框架梁下部纵筋的锚固长度为12d;非框架梁包括:简支梁;连系梁;楼梯梁;过梁;雨蓬阳台梁;但不包括圈梁悬挑梁和基础梁,圈梁悬挑梁和基础梁另有规定。
当边柱内侧柱筋顶部和中柱柱筋顶部的直锚长度小于锚固长度时,可向内或向外侧弯12d直角钩。
当柱墙插筋的竖直锚固长度小于规定值时,需按照101-3图集32页右下角的表或45页右上角的表加弯直角钩。
框架梁上下纵筋及抗扭腰筋和非框架梁上部纵筋的锚固长度为0.4laE 加15d直角钩。
纵向受拉钢筋的绑扎搭接长度纵向受拉钢筋的绑扎搭接长度是以锚固长度为先决条件,再根据纵向钢筋搭接接头的面积百分率给出3个修正系数来计算。
在任何情况下搭接长度不得小于300mm。
搭接长度与搭接位置是两个概念,不可混为一谈,各类构件各有具体要求。
受力钢筋的混凝土保护层最小厚度前提条件是混凝土结构的环境类别。
保护层厚度在图纸的结构说明页中均有详细规定。
一般情况下,无垫层基础是70mm;有垫层基础是35mm,柱是30mm,梁是25mm,板是20mm,薄板是15mm,图纸中均有具体规定。
保护层问题通常,钢筋工在绑扎大梁时,在梁下部纵筋之下,必须要垫好保护层,合理的保护层材料是混凝土垫块或塑料卡,用大块石子垫也是常有的事,上级允许时,可用25mm的钢筋头垂直垫在主筋下,最好用16或18mm的钢筋头斜着垫在大梁的箍筋下面。
圈梁的保护层,一般应由混凝土工随打随垫,因为木工在支模时在圈梁钢筋上行走,事先垫了保护层更加容易跺倒箍筋。
板的保护层是最不容易保证的,如果按照合理的混凝土施工规程,钢筋工应当事先把板的钢筋保护层用混凝土垫块或塑料卡垫好,但是,各个工地不一定都是规范的,好多工地,混凝土工以及其它各个工种的人员都在已经绑扎好的钢筋上踩踏,这时,钢筋工完全有理由不给垫保护层,因为保护层垫起之后,更容易使绑扎好的钢筋网被踩得乱七八糟,不好修正,这时应由混凝土工随打随垫才对。
架立筋以前的架立筋与现在的架立筋,其意义已经发生了根本的改变。
以前的架立筋是指梁的上部纵筋,现在的架立筋是指梁的上部中间连接负弯矩筋的连接筋,在复合箍筋的内上角处,其非抗震搭接长度为150mm。
主筋主筋以前是指梁的下部纵筋,板的下部纵筋,柱的立筋,楼梯板的下部纵筋,主筋的名称已经过时,内容已经变得含糊不清,今已减少了这样的称呼。
弯起筋自从推广《平法》以来,弯起筋已经很少采用,但在个别的设计中依然可见,其要点是弯起角度,斜长的计算和减延伸率。
腰筋腰筋包括两种,构造腰筋和抗扭腰筋,不同点是作用不一样,构造腰筋用G 打头,抗扭腰筋用N打头,构造腰筋的锚固长度为15d,抗扭腰筋的锚固长度与下部纵筋相同。
腰筋位置的计算,是以该梁所含板的下皮到梁的下部第一排纵筋之间均分间距,而不是按梁的上下纵筋之间来分或按梁高来分。
负弯矩筋一般框架梁端部负弯矩筋的锚固长度为:0.4laE加15d直角钩。
负弯矩筋位于第一排的取1/3净跨度ln,位于第二排的取1/4净跨度ln,但是其值要取左右两个跨度值之大的应用,这是理解负弯矩筋的关键点。
梁下部纵筋框架梁下部纵筋,即以前所指的主筋,是钢筋作用的重点,其锚固长度是0.4laE加15d直角钩,非框架梁的下部纵筋的锚固长度是12d,满足12d可不做弯钩。
箍筋箍筋计算应以内皮尺寸为准,这样不易出错。
箍筋的弯钩角度和弯钩长度分抗震与非抗震,框架与非框架。
非抗震又非框架的梁柱箍筋,可以执行以前的现定,钩长按直径6;8;10分别取50mm;60mm;70mm,可不做135度角,即可以做成90度弯钩。
这一说法有待探讨。
框架和抗震用的梁柱箍筋必须执行《平法》,必须做成135度的弯钩。
框架和抗震用的梁柱箍筋,其钩长为10d与75mm中之大值。
即如箍筋直径为6mm,钩长为75mm,直径为8mm钩长为80mm,直径为10mm,钩长为100mm,依此类推。
箍筋按内皮尺寸下料时应加延伸率,加3d较准。
复合箍筋复合箍筋分重叠复合与大小复合,现在要求大箍套小箍,不提倡重叠复合,但是,重叠复合也有其应用的场合与好处。
复合箍筋的计算,一般新手不知所措,应当努力精通,学会并不难。
按内皮尺寸,首先减去下角主筋的两个半径,再除以主筋之间的空数之后再乘以所要箍住主筋的空数,最后再加上主筋的两个半径。
注意空数的空是多音字,在此所用的是4声是空格的空,不是1声空间的空,是段的意思。
箍筋加密在框架及有抗震要求的梁柱中,凡在受拉纵筋绑扎搭接范围内的箍筋应加密。
在框架柱中,在底层的基础顶面及嵌固部位之上的柱净高度的下1/3内须加密,在除底层下部外,底层上部和以上各层的柱净高度的1/6内及不小于500mm 的范围内的箍筋要加密。
框架柱箍筋在穿越各梁板中均要加密。
在梁中,箍筋加密区位于受剪力最大处,在梁端支座里皮50mm处起往梁中间方向算。
在框架梁中,分抗震强度等级一级和二至四级来决定箍筋加密区的范围,分2倍梁高和1.5倍梁高两个数值,最小不得小于500mm。
在主次梁交叉处的主梁上,有附加箍筋也需加密,单侧加密区的计算从距次梁边的50mm处算起,一个次梁宽度加上一个主次梁底皮的高差。
其加密值为箍筋直径的8d,且不大于100mm。
吊筋吊筋的全高度应设置到主梁的最下层纵筋处或者二排纵筋处。
吊筋的上平直部分的长度为其直径的20d。
吊筋的下平直部分的长度为次梁宽加两个50mm。
吊筋的斜长按梁高,当梁高小于800时为45度角,当梁高等于或大于800时为60度角。
45度角时,用其直角边乘以根号2,即乘以1.414系数,当为60度角时,用其直角长边乘以1.155系数。
吊筋下料时需减延伸率。
拉筋又叫小拉钩,其钩长与弯钩角度同箍筋的弯钩。
拉筋必须钩住箍筋并紧靠梁或柱的纵筋。
柱内复合箍筋可全部采用拉筋。
梁中拉筋间距一般为箍筋间距的2倍,一般为400mm。
梁中拉筋多于两排时,其位置应上下相互错开。
拉筋的计算不同于箍筋,应按内皮尺寸计算,按箍筋内皮尺寸再加上两个箍筋直径才对。
板主筋板主筋的锚固长度为直径的5d,且不小于板厚。
板主筋的第一根起算位置是,距梁边上下纵筋连线1/2板主筋间距。
板主筋间距过密时,可以跳绑,即绑扎梅花扣。
但板边的两排必须绑扎全扣。
板扣筋板扣筋的直角钩只减上边保护层,通常减20mm,下边可直接立在模板上。
板扣筋在重叠时,有一个绑扎次序问题是必须注意的,同绑扎梁钢筋一样,先绑扎主梁方向的后绑扎次梁方向的,这样才不至于使扣筋加高一层,造成上边的保护层减小或者没有了。
楼梯筋楼梯梁相当于简支梁。
楼梯平台板当于简支板。
楼梯踏步板主筋的计算,只用于钢筋进料计划。
不能用于实际钢筋的下料。
实际楼梯板主筋的准确尺寸,应当实际到模板上量尺。
楼梯板扣筋也应当通过实际量取板主筋的尺寸再按图集要求算出来。
如果图纸上给出了楼梯板筋的尺寸,只能作为参考,也应当实际量尺后再下料。
钢筋翻样之《平法》要领(之二)写此文的愿意,是想给我的徒弟们总结一下学习使用《平法》的参考资料,顺便发到论坛里,试图请坛友们帮助指导修改一下。
下面接着唠叨,只要读者不烦,我就高兴。
先讨论一下板扣筋重叠问题很感谢一丁老师,提到板扣筋在重叠时,其上面的做成一字型,即只下料不打钩,由此进一步设想,把不打钩的直棍型的放到下面不是更好么?也不超高,算计好了,又省料又省工,我想,这在理论上只可以探讨,付诸实施恐怕不行,施工监理肯定不允许。
监理只认规范。
至于扣筋的脚长,还是按板厚减去两公分最为实用,前些年我都是减10mm,当浇筑混凝土时,老板总是嫌混凝土超厚扣筋的钩超高,太浪费混凝土,经研究找出的原因是,1.在成型扣筋的脚时常有偏差,2.混凝土经过震捣,有自动抬高板钢筋的现象,3.在板扣筋重叠处加高了一个扣筋直径。
为防止在扣筋重叠处超高,通常是把下一层的扣筋脚掰斜不使直立,这样就好了。
再说混凝土工也在时刻控制板厚,超高了增加工作量他也不干。
搭接位置主要是指绑扎搭接,关于搭接位置,各种构件各有各的要求,不可一概而论。
有些重要构件,当受力纵筋直径超过规定值,16或22或25或28时,就不允许绑扎搭接而只许机械连接,甚至不允许出现连接点。
作为钢筋工,最最重要的一点,是要知晓钢筋在各构件中各部位的物理作用,钢筋在混凝土中主要起受拉作用,其次起受剪作用,受剪其实是受拉的一种变形,再次起受扭作用。
钢筋的接头,是这根钢筋的薄弱点,往坏处想,便是危险点或者是事故点,所以要格外加小心,要注意,要把这个不良点放在不吃劲的地方。
钢筋的接点,一不能放在受拉最大处,二不能放在受剪处,三不能放在受扭最大处。
正弯矩梁的净跨度中段下部三分之一是受拉最大部位,越靠近跨中受拉力越大;净跨度距支座的三分之一区段内是受剪最大部位而且越靠近支座受剪力越大;净跨度下部三分之一至四分之一之间靠近支座这两小段受拉力最小受剪力也最小,所以这里被确定为连接区,跨中上部受拉力最小,也被确定为连接区。
负弯矩梁即反梁的受力道理与此相反,遇到反梁,您就倒过来思索,在脑子里过电影,便一目了然,如101-3《筏型基础》里面的基础梁则是。
在连接区,如果只有两根纵筋,我想可以把搭接头设在同一区段内,把锚固长度乘以1.6系数,即按100%接头面积百分率来取,如果超过4根筋,最好是隔一搭一或隔三搭一,搭接修正系数取1.4或1.2。
至于柱子钢筋的搭接部位,首先区分是什么柱,对于框架柱,要执行101-1图集,只要是“非连接区”,便可搭接。
非连接区便是箍筋的加密区,在底层,不一定是一层有可能是地下室,柱净高度下部三分之一,在底层柱净高度上部的六分之一及以上各层柱净高度靠近上下两头的六分之一不小于500mm范围,都是箍筋加密区也是非连接区。
箍筋加密区等于非连接区是柱子偏心受拉力的集中处,钢筋连接点是薄弱处,所以这两处不可共存,文字理论之要领其实也很简单。
至于构造柱和普通柱,搭接位置就在嵌固部位之上,不适用于101图集。
剪力墙钢筋的搭接与众不同,竖向钢筋的搭接分两种类型,一二级抗震和钢筋直径大于28时的搭接头需要错开,中间隔500mm;三四级抗震和钢筋直径小于28时的搭接头可在同一区段内,搭接长度均为锚固长度的1.2倍。