电动滑板车电动自行车新仪表设置 S5按压仪表
- 格式:pdf
- 大小:1.52 MB
- 文档页数:3
LCD蓝牙仪表设置操作说明注释:档位:分5档(1档:25km/h,2-5档:对25km/h-Speed max进行均分)X-LTD控制器温度过温保护范围:0-130摄氏度简要介绍:这是一款LCD断码屏仪表,支持蓝牙功能,可以连接手机app。
LCD视窗尺寸为:95*36mm,约为4.2英寸屏。
按键操作:长按POWER键,开/关机;长按MODE键,进入/退出模式设置页面,30s以后自动回到主界面;长按SET键,进入/退出ECO模式;短按POWER键,调整档位;短按MODE键,切换ODO(总行驶里程)/时间,默认显示当前时间;短按SET键,切换电池电压/百分比显示;在主界面,按下MODE键,同时连续5次短按SET按键,进入后台管理员设置模式,后台管理设置模式可以对:电机轮径,电池电压,磁极对数,普通用户上述参数只能查看不能设置;说明:进入模式设置时:POWER为‵确认‵键,SET键为‵+‵功能键,MODE键为切换模式功能键。
输入密码时:POWER为‵确认‵键,SET键为‵+‵功能键,MODE键为切换数字位置功能键。
ECO:系统限速50%,电机扭矩设置为最小档1档,软启动强度设置为最弱档(即5档,2.5秒软启动)设置模式说明:参数01:零起动和非零起动选择模式:当显示OFF时,表示零起动(静止起动);当显示ON时,LCD屏左上角会出现图标,表示非零起动。
默认OFF。
参数02:硬起动和软起动选择模式:当显示0时,表示硬起动(起步时冲力大);当显示1时表示0.5秒软起动(起步时柔和度),显示2时表示1秒软启动,显示3时表示1.5秒软启动,显示4时表示2秒软启动,显示5时表示2.5秒软启动。
默认2档,1秒软启动。
参数03:EBS(电子刹车)强度选择模式:当显示0时,表示无EBS,当显示1时,表示EBS为最弱,当显示2时,表示EBS为略强,当显示5时,表示EBS为最强。
参数从0至5可调,默认1。
参数04:ABS功能开关控制模式:当显示OFF时,表示ABS功能关毕,当显示ON时,表示ABS功能开启,LCD屏左上角会出现图标。
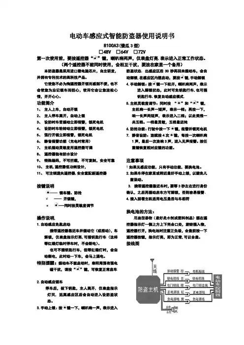
电动车感应式智能防盗器使用说明书8100A3(傻瓜3型) □48V □64V □72V第一次使用前,要按遥控器“”键,喇叭响两声,仪表盘灯亮.表示进入正常工作状态。
(两个遥控器不能同时使用,会相互干扰,要放在家里一个备用)本防盗器是采用进口微电脑芯片,自主研发,并拥有专利技术的高科技产品。
它使您不必为掏遥控器开锁而感到不便,也不会使您为忘记锁车而担心,使用它会让您放松心情,开开心心。
功能简介1、 主人上车,自动开锁2、 主人停车离开,自动上锁3、 设防时车受振动立即报警,锁死电机4、 设防时车轮转动立即报警,锁死电机5、 强行开锁立即报警,锁死电机6、 静音报警功能(充电时常用)7、 主机振动灵敏度用遥控器可调8、 遥控器独有防水设计9、 特殊编码,不可拦截,不可复制,安全可靠 10、 主机,遥控器低功耗设计,11、 可注销遗失遥控器,安全重配新遥控器按键说明—— 锁车键、防抢—— 开锁键,---同时按灵敏度调节操作说明,1.自动感应免匙启动携带遥控器靠近车并振动它(或推动),车解锁,仪表盘指示灯亮,可插钥匙行车(这样等红绿灯临时停车时,不会断电)。
也可不插钥匙行车,但等红绿灯时,会自动断电,此时动一下车,会马上通电。
特别提醒:振动车不能启动时,表明周围有强电磁干扰,请按“”键,可恢复正常启车2.自动感应锁车停车后,拔下钥匙,主人离开, 仪表盘指示灯灭, 远离感应区后会自动进入设防盗状态。
3.手动上锁:按键一下,喇叭响一声,表示进入防盗状态. 出感应区后30秒再回来振动车,会自动解锁,在感应区内想启动,要按键,手动解锁4.手动解锁:按键一下松开,喇叭响两声,表示进入解锁状态,此时可免钥匙行车,也可插钥匙行车.恢复自动感应模式. 5.主机灵敏度调节:同时按 “”和“”键,主机响一长声一短声,表示一档;再按一下,响一长声两短声,表示进入二档;以此类推一共五档。
一档最灵敏,五档最迟钝 6.防抢功能:行驶中按一下键,报警并锁死电机 7. 静音设防:连续按4次键,每按一次喇叭响1声,最后一次连响3声,进入无声报警。
五星黑马的电瓶车说明书概述感谢您购买五星黑马电瓶车!本说明书将为您提供关于电瓶车的基本信息、操作指南和维护建议。
在使用前,请仔细阅读本说明书,并按照指引进行正确操作,以确保您的安全和电瓶车的正常运行。
基本信息- 品牌:五星黑马- 型号:(型号名称)- 颜色:(颜色名称)- 电池容量:(电池容量,例如60V/20Ah)- 最大速度:(最大速度,例如40km/h)- 最大续航里程:(最大续航里程,例如80km)使用指南1. 充电:- 在首次使用前,请先充满电池。
- 使用标配充电器,将其插入电瓶车上的充电接口。
- 将充电器插入电源插座,并确保电源供应正常。
- 充电过程中,请注意电瓶车周围的通风情况。
- 充电完成后,及时拔掉充电器,并关闭电源插座开关。
2. 启动与停止:- 打开电瓶车的电门开关,确认仪表显示屏上的电量足够。
- 将刹车把手松开,确认制动系统正常工作。
- 使用脚踏板或者手柄控制器,将电瓶车启动。
- 当需要停止时,请松开油门,并轻轻按下刹车把手。
3. 骑行安全:- 佩戴头盔以确保骑行安全。
- 遵守交通规则,不超速行驶。
- 注意道路状况,避免行驶在不平整的路面上。
- 在夜间骑行时,请打开前后灯光以增加可见性。
- 长时间连续骑行时,请适当休息并补充水分。
维护与保养- 定期检查制动系统,确保刹车器及刹车线路工作正常。
- 检查轮胎气压,并进行必要的充气。
- 清洁电瓶车外表面,避免灰尘和污垢积累。
- 定期检查电池连接器,确保连接牢固可靠。
- 如果发现故障或异常情况,请立即联系经销商或专业技术人员进行检修。
注意事项- 请勿使用非原装充电器进行充电,以避免损坏电瓶车电池。
- 请勿对电瓶车进行改装或自行维修,以免影响安全性能。
- 请勿长时间靠近高温区域或暴露在阳光直射下,以防止电池过热。
- 在长时间不使用电瓶车时,请存放在干燥通风的地方,并保持电池的适当充电状态。
- 本电瓶车仅适用于合法道路上合法用途,禁止非法赛车或违规操作。
电动自行车电气综合测试仪使用说明本仪器专门为测量试验一般电动自行车电气性能设计的。
LD2为改进型。
1.作为模拟负载试验充电器。
2.0~45V可调DC电源。
3.测量充电器的正常、终止充电电压电流。
4.测量操纵器的正常、欠压爱护、过流爱护电压电流。
5.测量蓄电池恒流放电时刻〔容量〕。
6.试验转把。
仪器面板如下:面板说明:K1:设置参数时的增加键,测量过流时能够显示历史最大电流并清除K2:设置参数时的减少键。
K3:进入设置状态,改变设置项目〔翻菜单〕。
K4:设置时储存数据,退出设置状态。
测量时关闭所有的测量项目。
K5:蓄电池放电计时开始。
K6:模拟负载恒流源打开。
K7:可调电源打开。
K8:试验转把关闭可调电源。
K9:电源开关。
左边接线端子为测量充电器用的模拟负载,右边大的接线端子为测量操纵器用的可调电源,右边小的接线端子为测量转把的电源和输入端。
左边调剂旋钮为调剂模拟负载电流用,右边为调剂可调电源用。
显示屏:DISP1显示模拟负载电压。
DISP2显示模拟负载电流或放电时刻。
DISP3显示可调电源电压或转把电压。
DISP4显示可调电源电流。
仪器参数:1.电源:交流220V〔190~230V〕,功耗25~1200W。
2.电压测量精度:<1%.3.充电器的模拟可调负载:44V时输入电流0.1~5A,最小电阻 5欧姆,测量电压5~50V。
4.操纵器的模拟可调电源:输出电压5~45V,额定电流6A,短时刻〔<30秒〕过流试验电流15A。
5.蓄电池放电计时单位为秒。
测量精度:0.1%。
6.转把电源为5V。
测量电压范畴为0~5V, 测量精度:1%。
操作:1.开机不要连接任何接线端子,2个调剂旋钮都逆时针旋到底,然后插上交流电源插头,打开电源开关,正常时电源开关指示灯亮,显示屏自检。
4个显示屏显示X。
XX即为正常。
2.测量充电器:连接充电器于左边接线端子〔注意+/-极性不能接错〕,按K6使DISP2的电流指示灯亮,反复调剂左边的电位器,充电器的电流和电压显示于DISP1和DISP2。
电动车控制器有一根仪表线,和仪表怎么接啊1.找到电源正负极和电门锁线:正极指电源中电位(电势)较高的一端;负极指电源中电位(电势)较低的一端。
所以我们用万用表就可以找到正负极,先打直流档上,看那个电位较高较低就可以区分开来了。
2.连接电源线和电门锁线:粗黑线为电瓶负极粗红线为电瓶正极在这两根线旁边有根细红线,为电门锁线。
正确的方法是找到锁线,把那两根正负极线直接接锁上。
接线的时候要仔细的检查一下,车体到控制器的线路里是否还有其他的正极线是由锁控制的。
3.对接白色学习线:接之前先把反转线拔开,如果反转线已经反拔开,就把电机正转后拔开学习线即可。
4.测试霍尔好坏的方法:霍尔面向自己(印章面),管脚向下,从左到右分别为:正极(开关霍尔4.5V到24V,线性霍尔5V)、负极、输岀(信号),在正极和输出接电阻(1到10K)。
在负极和输出间接一个发光二极管,用万用表测量电压,高电平等于电源电压低电平约等于零。
接电后用磁铁靠近或远离霍尔可以看到发光二极管是否发光变化。
如有变化就好的,没变化就是坏的。
5.接仪表线和找出转把线:一般转把线是红黑蓝、刹车线是棕色或白色黄色。
转把线比较好找,在线束末端找3极插头的端子,有红色、黑色、蓝色的就是转把线;刹车信号线是2极插头,一般是有棕色和黄色的。
对着颜色就可以找到了,实在找不到可以用万用表测量。
6.接刹车断电线:刹车线一般是单独一根紫色的,同时还有紫色和黑色一起的。
有些电动车控制器后面有两根刹车断电线,只要把这两个刹车断电线搭在一起就会使车子出现断电,前面的刹车把也有想通的两个断电线,和后面控制器的断电线是相通的,你只要把后面的断电线接到前面的刹车断电线上久可以了。
7.自学习的启动:电路一接通会很快加速起来,启动后一定要缓慢扭动速度控制阀,然后拔开学习线。
8.电车上各个线什么意思的确定方法:顺着电机找到电机3根相位线5根霍尔线,拆下转把找到3根转把线,拆掉刹把可以找到2根刹车线。
电动车仪表的原理电动车仪表的原理与维修常用仪表功能描述电源指示指示整车电源已经打开电池电压用发光二级管或电压表头指示电池的电压欠压指示指示电池是否低于正常使用值以下过流指示指示当前电机运行的电流超过了允许的最大连续供电电流电机电流显示电机运行的电流大小行驶速度指示智能电动车"1:1助力"、"电动"、"定速"骑行状态行驶速度当前行驶的整车速度(km/h)灯具指示指示大灯、左右转向灯、刹车灯是否处于工作状态累计里程指示电动车累计行驶的公里数本次里程本次通电行驶的公里数行驶时间本次通电行驶的时间(时、分、秒)当前温度当前使用的环境温度一、指针仪表1.结构与原理这类仪表包含:累计行驶公里数通过6位数字码盘表显示、整车速度指针表指示(公里/小时)时速、电池电压指针表指示电池电压(伏特)、大灯指示、左右转向灯指示等内容。
累计行驶里程数字表是6个"十进制"的齿轮计数器,整车速度指针表是个阻尼转速表,它们共用一个转速输入信号进行换算通过机械传动实现各自的指示功能。
电压指针表是普通的50伏直流电压表头。
2.故障检测与维修指针类仪表的集成度比较低,电路的接线比较简单,仪表电路不依赖于控制器电路,能独立工作。
机械类仪表的故障主要是引线或仪表头故障。
在拆装仪表的时候,需要特别注意的是电源的正负极不能搞错。
闪光器是提供转向灯泡间隙电压,以便能使转向灯泡闪烁。
闪光器外壳的引脚标注B表示正极(Battery)L表示负极(Light),接线时不能接错。
二、液晶仪表1.结构与原理通过专用的霍耳传感器的开关信号,传输给液晶显示仪表总成上的单片机,对单位时间内车轮转动圈数的计数,能算出整车的行驶时速,对行驶时速和行驶时间相乘,能计算出整车行驶累计里程。
也有的无刷电机控制器内部选用单片机作为译码芯片,能对电机运行时速和累计行驶里程直接计算出来,输送到液晶显示仪表,这种液晶显示仪表总成内部就没有单片机了。
智能化仪表盘是现代智能车辆中不可或缺的一部分,它以科技的力量,为驾驶者提供了丰富的信息和功能。
然而,对于大多数驾驶者来说,如何正确使用智能化仪表盘却是一个令人头痛的问题。
本文将以不同角度探讨如何正确使用智能化仪表盘,并在此基础上给出一些建议。
智能化仪表盘的信息显示功能为驾驶者提供了实时的驾驶信息,如车速、引擎转速、燃油消耗等等。
然而,这些信息对于驾驶者来说并不总是简单易懂的。
因此,正确理解和利用这些信息是驾驶者运用智能化仪表盘的基础。
首先,我们来看看车速显示。
车速显示是智能化仪表盘中最基本也是最重要的一个功能。
驾驶者可以通过车速显示了解当前的行驶速度,从而掌握驾驶节奏。
但是,很多驾驶者对车速显示存在一定的误解,他们倾向于以更高的速度行驶,以追求速度的快感。
然而,正确的做法是根据道路条件和交通状况合理控制车速,以确保行驶的安全和平稳。
其次,引擎转速显示也是智能化仪表盘中一个重要的功能。
引擎转速显示可以帮助驾驶者了解引擎的工作状态,并根据需要进行相应的调整。
然而,很多驾驶者对引擎转速显示缺乏充分的了解,可能会出现“不知道转速高低该如何处理”的问题。
因此,建议驾驶者在驾驶时留意引擎转速显示,并且在转速过高或过低时及时调整油门,以确保引擎的正常运转。
另外,燃油消耗显示也是智能化仪表盘中一个有用的功能。
通过燃油消耗显示,驾驶者可以了解当前的油耗情况,并根据需要采取相应的节能措施。
然而,很多驾驶者对燃油消耗显示没有足够的重视,导致油耗过高,浪费了宝贵的资源。
因此,建议驾驶者在驾驶时关注燃油消耗显示,并采取合理的驾驶方式和节能措施,以降低油耗。
除了以上的基本功能外,智能化仪表盘还具有一些高级的功能,如导航显示、车辆故障指示等。
这些功能可以帮助驾驶者更方便地找到目的地,及时处理车辆故障等。
然而,很多驾驶者对这些功能并不熟悉,因此无法有效地利用它们。
因此,建议驾驶者在购买智能车辆时,了解并学习相关的操作方法,以充分发挥智能化仪表盘的功能。
爱尔威Z5电动滑板车学习方法
1、启动
将Z5的车头摆正,收起撑脚,并调整车架以及把手位置以保证驾驶时的舒适。
在电池盒上方找到电源开关,并开启,握住把手,双脚先后踏上踏板,右手向下拨动拇指转把进行加速。
驾驶者即可上车骑行。
图5
开启电源开关,启动完成
图6
向下拨动拇指转把进行加速,进行骑行模式
图7
骑行时,左手边的是后刹车,右手边的是前刹车2、学习驾驶
打开电源双脚先后上车
向下拨动拇指转把
轻轻握住手刹刹车
把头向右边转动
把头向左边转动
双脚先后从踏板上走下来
3、学习技巧
初学者操作步骤
1. 双手扶住车体把手,开启Z5滑板车的电源开关。
2. 一只脚踏上踏板,目视前方,另一只脚蹬地往前给车一个初始速度,拨动拇指转把就可以加速前进。
3. 当Z5滑板车在行驶中需要减速或停止时,将手指放在刹车把手上,并用力按下刹车把手直至滑板车减速或停止。
4. 刹车启动后,右手把的加速器自动断电无效。
·湿气会导致刹车反应变慢,清洗Z3滑板车后,需在安全的地方晾干。
·避免在恶劣的天气(如:下雨、下雪或有冰的环境)使用本产品。
·任何环境下使用本产品,请先确认刹车是否能正常使用。
时代小超人 SM5智能数显使用说明书
1、双排数字显示:
(1)上排数码管:在测量状态时,显示测量值;在设定状态时,显示设定参数的提示符。
(2)下排数码管:在测量状态时,显示第一报警设定值;在设定状态时,显示设定参数。
2、指示灯:
(1)S1:上限指示灯;
(2)S2:下限指示灯。
3、SET键:
(1)在测量状态下:启动仪表进入参数设置状态;
(2)在设定状态下:双显仪表,为参数修改确认键,并使仪表进入下一个参数设置。
4、A、M键:
在设定状态下,按一下该键设定程序返回上一级菜单,所设定的参数并不确认。
若和SET键同时按下,则仪表退出设定状态,仪表返回测量状态。
5、安装与接线:
(1)4和6:变送器输入,6正4负,为变送器提供DC24V;
(2)7和10:接模拟输出420电流信号,7正10负;
(3)23和24:接交流220伏电压;
(4)19和20:上限报警常开点;
(5)20和21:上限报警常闭点;
(6)17和18:下限报警常开点。
6、仪表的保管、维护、检修
仪表开箱后,应放置在通风、干燥、无腐蚀性气体的地方,且环境温度与相对湿度应符合技术要求。
当仪表出现故障需检修时,如属制造质量问题,在仪表出厂一年内可送到本公司免费修理。
如因用户保管或使用不当而造成损坏,厂方负责修理但酌情收取成本费和工时费。
申克仪表说明书控制方式:本地控制方式(键盘模式)/远程控制方式(非键盘模式)标定模式:容积模式(标定模式)/重量模式(非标定模式)按键说明启动停止选择上下显示器显示内容,选择功能复位计数器相当于FUNC键。
调用分配功能和时间按信息相当于DEL键,应答事件信息删除输入数字相当于ESC键,退出功能相当于ENT键,确认输入有效1、开启键盘模式:将仪表设为本地模式(键盘模式):由现场操作,中控不能操作。
按菜单键“”进入主菜单。
然后用上下键找到“Start Keyboard Mode”按确认键“”。
此时仪表左上方会出现一个小方格。
说明在键盘模式。
2、关闭键盘模式:按菜单键“”进入主菜单。
然后用上下键找到“Stop Keyboard Mode”按确认键“”。
此时仪表左上方小方格会消失。
说明在非键盘模式。
此时仪表将由中控控制。
3、开启容积模式:容积模式为标定模式,只有在标定、去皮和做环形时才用。
按菜单键“”进入主菜单。
然后用上下键找到“V olu Mode”按确认键“”。
仪表左上方小方格内会出现一个“v”字。
说明在容积模式。
4、关闭容积模式:即开启重量模式。
按菜单键“”进入主菜单。
然后用上下键找到“Gravimetric”按确认键“”。
仪表左上方小方格内“v”字会消失。
说明在重量模式。
仪表启停:必须在键盘模式下,设备允许开启。
按启动键即可启动设备。
按停止设备。
设置参数(慎用):按菜单键进入菜单,用上下键找到Programming 菜单。
确认键进入。
用上下键和确认键找到相应的参数。
当需要修改参数时,找到相应的参数,按修改键,后用数字键或山下建直接修改即可。
去皮:确保传感器正常,设备无料。
控制方式打到键盘和容积模式,给定到三倍额定量程。
开启设备。
观察变频器在五十赫兹恒定。
用菜单键进入菜单,进入标定程序Calib. Functions。
确认键进入,找到去皮TW :Tare 功能,确认键开始去皮,系统会自动倒计时,结束后,按确认键确定去皮结束。
电动车仪表的原理与维修技巧常用仪表功能描述电源指示指示整车电源已经打开电池电压用发光二级管或电压表头指示电池的电压欠压指示指示电池是否低于正常使用值以下过流指示指示当前电机运行的电流超过了允许的最大连续供电电流电机电流显示电机运行的电流大小行驶速度指示智能电动车"1:1助力"、"电动"、"定速"骑行状态行驶速度当前行驶的整车速度(km/h)灯具指示指示大灯、左右转向灯、刹车灯是否处于工作状态累计里程指示电动车累计行驶的公里数本次里程本次通电行驶的公里数行驶时间本次通电行驶的时间(时、分、秒)当前温度当前使用的环境温度一、指针仪表1.结构与原理这类仪表包含:累计行驶公里数通过6位数字码盘表显示、整车速度指针表指示(公里/小时)时速、电池电压指针表指示电池电压(伏特)、大灯指示、左右转向灯指示等内容。
累计行驶里程数字表是6个"十进制"的齿轮计数器,整车速度指针表是个阻尼转速表,它们共用一个转速输入信号进行换算通过机械传动实现各自的指示功能。
电压指针表是普通的50伏直流电压表头。
2.故障检测与维修指针类仪表的集成度比较低,电路的接线比较简单,仪表电路不依赖于控制器电路,能独立工作。
机械类仪表的故障主要是引线或仪表头故障。
在拆装仪表的时候,需要特别注意的是电源的正负极不能搞错。
闪光器是提供转向灯泡间隙电压,以便能使转向灯泡闪烁。
闪光器外壳的引脚标注B表示正极(Battery)L表示负极(Light),接线时不能接错。
二、液晶仪表1.结构与原理通过专用的霍耳传感器的开关信号,传输给液晶显示仪表总成上的单片机,对单位时间内车轮转动圈数的计数,能算出整车的行驶时速,对行驶时速和行驶时间相乘,能计算出整车行驶累计里程。
也有的无刷电机控制器内部选用单片机作为译码芯片,能对电机运行时速和累计行驶里程直接计算出来,输送到液晶显示仪表,这种液晶显示仪表总成内部就没有单片机了。
雅迪yd600dqt–b说明书
1、首先将启动钥匙插入,然后顺时针转向“ON”的位置,接通电瓶车电源。
2、仪表盘主要显示行驶速度和电池电量,接通后电量指针由零指向实际值。
3、调节左右后视镜至合适位置,可直接扳动后视镜下方。
4、转动右边的调速转把启动电瓶车,转把旁边有绿色的换挡按钮,有“经济”、“动力”、“高速”三个挡位可选择,喇叭按钮则在换挡按钮左边。
5、快速转动调速转把可进行提速,减速时需松开调速转把并捏住刹车。
6、左边把手附近有左右方向灯开关,左右拨动即为打方向灯,中间突出按钮为取消方向灯。
7、方向灯开关上方为近光、远光灯按钮,在此之前需将右边把手附近的相应开关拨到左边。
8、同时,仪表盘上也有方向灯及夜间灯开启的指示。