DAF50高效溶气气浮技术方案
- 格式:docx
- 大小:541.29 KB
- 文档页数:5
【最新】溶气气浮实验溶气气浮实验是一种常用的水处理方法,通过将水中的污染物与空气形成气泡,使其浮起,再利用气泡与污染物之间的物理化学反应将其除去。
本实验旨在通过模拟污染水体,探究不同因素对溶气气浮效果的影响。
实验器材:玻璃反应器、搅拌器、功率计、热电偶、注氧泵、气体流量计、压力计、PH计、纯水、苯酚溶液、二氧化碳气瓶、过硫酸钠、亚铁氰化钾等试剂。
实验步骤:1.制备苯酚溶液:将苯酚加入纯水中,稀释至所需浓度。
2.调节反应器内溶液的PH值:使用PH计将溶液的PH值调节至所需范围内。
3.注入适量的过硫酸钠:过硫酸钠能够加速氧化反应的速度,提高溶气气浮的效果。
4.注入适量的亚铁氰化钾:亚铁氰化钾是还原剂,能够促进污染物的氧化反应。
5.控制氧气气体流量:使用气体流量计精确控制注氧泵的氧气气体流量。
6.在搅拌器下均匀搅拌反应器内的溶液。
7.打开二氧化碳气瓶,将二氧化碳气体注入到反应器中,模拟污染水体中的二氧化碳。
8.记录反应器内的压力变化:使用压力计记录反应器内气体的压力变化,分析溶气气浮过程中的离子迁移及气泡抓附过程。
10.观察溶气气浮的效果:观察反应器内溶液的浊度、颜色等变化,分析气浮过程中污染物的去除率。
实验结果:通过调节溶液PH值、注入化学试剂、控制氧气气体流量、注入二氧化碳气体等手段,可以显著提高溶气气浮效果。
影响气浮效果的因素包括PH值、氧气气体流量、化学试剂投加量、二氧化碳气体注入量、搅拌速度等。
在此基础上,可以针对不同的水体污染条件制定不同的溶气气浮处理方案,达到最佳的污染去除效果。
溶气气浮技术是一种较为高效的水处理技术,在实际工艺中有广泛应用。
本实验中通过模拟污染水体,探究不同因素对溶气气浮效果的影响,发现控制PH值、化学试剂投加量、二氧化碳气体注入量等因素能够显著提高溶气气浮效果,同时也发现不同条件下的处理方案会有所不同,需要针对具体情况制定相应的处理方案。
未来,溶气气浮技术将在水处理领域中发挥越来越重要的作用。
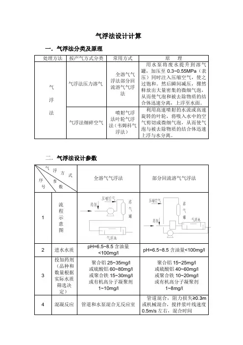
气浮法设计计算一.气浮法分类及原理处理方法按产气方式分类常用方式原 理气 浮 法气浮法压力溶气 全溶气气浮法部分回流溶气气浮法用水泵将废水提升到溶气罐,加压至0.3~0.55MPa (表压)同时注入压缩空气,使之过饱和。
然后瞬间减压,骤然释放出大量密集的微细气泡,从而使气泡和被去除物质的结合体迅速分离,上浮至水面。
气浮法细碎空气 喷射气浮法叶轮气浮法(韦姆科气浮法)利用高速喷射的水流或高速旋转的叶轮,将吸入水中的空气剪切成微细气泡,从而使气泡与被去除物质的结合体迅速上浮与水分离。
二.气浮法设计参数全溶气气浮法 部分回流溶气气浮法1流 程 示 意 图2 进水水质 pH=6.5~8.5含油量<100mg/l pH=6.5~8.5含油量<100mg/l3投加药剂(品种和数量根据实际水质筛选决定) 聚合铝25~35mg/l 或硫酸铝60~80mg/l 或聚合铁15~30mg/l 或有机高分子凝聚剂1~10mg/l 聚合铝15~25mg/l 或硫酸铝40~60mg/l 或聚合铁10~20mg/l 或有机高分子凝聚剂1~8mg/l 4混凝反应管道和水泵混合无反应室管道混合,阻力损失≥0.3m 或机械混合,搅拌浆叶线速度0.5m/s 左右,混合时间气 浮 方式参 数 序 号三.气浮法设计计算四.不同温度下的K T值和736K T值例:2×75m3 / h气浮池气浮池设置在絮凝池侧旁,沉淀池上方。
气浮类型较多,有全部压力溶气气浮、分散空气气浮、电解凝聚气浮、内循环射流气浮等,这里选择适用于城镇给水处理的部分回流压力溶气气浮。
气浮适用于含藻类及有机杂质、水温较低、常年浊度低于100NTU的原水;它依靠微气泡粘附絮粒,实现絮粒强制性上浮,达到固、液分离,由于气泡的重度远小于水,浮力很大,促使絮粒迅速上浮,提高固、液分离速度。
气浮依靠无数微气泡去粘附絮粒,对絮粒的重度、大小要求不高,能减少絮凝时间,节约混凝剂量;带气絮粒与水的分离速度快,单位面积产水量高,池容及占地减少,造价降低;气泡捕足絮粒的机率很高,跑矾花现象很少,有利于后级滤池延长冲洗周期,节约水耗;排渣方便,浮渣含水率低,耗水量小;池深浅,构造简单,可随时开、停,而不影响出水水质,管理方便。
溶气气浮设计计算一、溶气气浮设计计算的背景与目的溶气气浮(Dissolved Air Flotation,DAF)是一种常用的水处理技术,广泛应用于工业和生活污水处理、水源净化等领域。
其基本原理是利用气体溶解在水中形成微细气泡,通过气泡与污染物颗粒的附着和升浮来实现水的净化和固液分离。
溶气气浮设备的设计计算是确保其正常运行和高效处理水体的关键。
1. 溶气器尺寸:溶气器是将气体溶解在水中形成气泡的关键设备,其尺寸直接影响气泡的产生量和尺寸。
根据处理水量和水质要求,可以通过气泡量计算得到溶气器的尺寸。
2. 溶气器气水比:气水比是指气体与水的比例,通常用于描述气泡的产生量和尺寸。
气水比的选取应结合处理水质、溶气器类型和处理水量等因素进行综合考虑,一般在0.02~0.05之间。
3. 溶气器压力:溶气器内的气体压力是气泡产生的重要条件,通过调节气体压力可以控制气泡的尺寸和产生量。
溶气器压力的选取应根据水质要求和气泡尺寸的需求进行合理确定。
4. 气泡升浮速度:气泡升浮速度是衡量溶气气浮设备处理效率的重要指标,通过合理的设计计算可以控制气泡的升浮速度,以保证污染物颗粒与气泡的接触时间和接触机会,提高固液分离效果。
三、溶气气浮设计计算的步骤1. 确定处理水量和水质要求:根据实际情况确定需要处理的水量和水质要求,包括悬浮物浓度、COD(化学需氧量)浓度、浊度等指标。
2. 计算气泡量:根据处理水量和水质要求,结合经验数据或试验结果,计算得到所需的气泡量。
3. 确定溶气器尺寸:根据计算得到的气泡量,选择合适的溶气器尺寸,通常以气泡产生器的直径或面积来表示。
4. 选择气水比:根据处理水质、溶气器类型和处理水量等因素,选择合适的气水比,一般在0.02~0.05之间。
5. 确定溶气器压力:根据水质要求和气泡尺寸的需求,确定溶气器内的气体压力。
6. 设计气泡升浮速度:根据处理水质和气泡尺寸,设计合适的气泡升浮速度,以保证固液分离效果。
HS 型溶气气浮使用说明书1、设备用途主要起固—液或液—液分离,同时可以降低COD、BOD、色度等,用于去除废水中的油类与悬浮物。
2、产品性能描述2.1、工作原理:溶气气浮设备通过溶气和释放系统在水中产生大量的微细气泡,使其粘附于废水中密度与水接近的污染物固体或液体微粒上,造成污染物整体密度小于水的状态,并依靠浮力作用使其上升至水面,形成浮渣的形式,通过刮渣机刮去水面的浮渣,去除悬浮物等污染物质, 从而达到净化水质的目的。
2.2、结构特点:溶气气浮整套设备集成化。
结构紧凑、占地面积小、安装运输方便,处理效果好,并采用了回水科技股份有限公司自主研发的高效释放器,释放效率高,产生的微气泡直径小,气泡量大,而且释放器不易堵塞。
2.3、系统组成:溶气气浮设备由七部分构成:加药反应絮凝部分、加压溶气释放部分、气浮分离部分、刮渣部分、出水调节部分、手动排泥部分、电器控制部分等。
2.4、设备构成:溶气气浮设备由气浮设备本体、溶气罐、调压阀、空压机、水泵、刮渣机、释放器、出水调节堰及相关仪表、工艺管、阀件、电气控制柜、操作平台等构成。
2.5、溶气系统:对于气浮设备系统,溶气系统好比是气浮设备的“心脏”,也是气浮设备最主要的部分。
溶气系统主要由水泵、阀门、溶气罐、释放器、空压机组成。
采用内循环方式,通过不间断的溶气和释放过程,达到一个动态的平衡系统。
溶气水是由气浮清水仓的清水通过回流泵提升至溶气罐,在一定的压力下,压缩空气溶解在溶气罐内的水里而形成的气水混合体,;所需的溶解空气通过空压机提供,并由调压阀调节气体流量及压力。
整套溶气系统最大溶气量达10%,且气体溶解度为100%,使气体分散时的微气泡分散均匀,平均气泡直径小于30µm。
2.6、刮渣系统:方形设备采用专业设计的链条式刮渣机,圆形设备采用专业设计的电机式刮渣机,浮渣由刮板自动刮入浮渣槽,该刮渣机运转平稳,刮渣均匀,而且刮板高度可调,能更好的适应各种运行环境,降低泥渣含水率。
加压溶气气浮工程方案一、前言随着工业化进程的不断推进和人们对环境保护的日益重视,水处理工程也成为了一个备受关注的问题。
其中,气浮工程是一种常见的水处理方法,通过向水中注气,使悬浮物浮在水面上,然后进行分离处理。
而加压溶气气浮工程则是对传统气浮工程的升级和优化,其能够更高效地去除水中目标物质,达到更好的处理效果。
本文将就加压溶气气浮工程进行详细介绍,包括工程原理、设计方案、设备选型等内容。
二、加压溶气气浮工程原理1. 加压溶气气浮的原理加压溶气气浮是利用气体的溶解性与压力成正比关系的基本物理特性,通过向水中注气、将气体在高压情况下溶解到水中,使得水中的气体浓度增加,然后通过突然减压的方式释放气体,从而产生微小气泡,水和目标物质则一定程度地被吸附在气泡表面,使得它们一起浮到水表,最后通过物理和化学方法进一步分离处理。
2. 加压溶气气浮的优势(1)高效:相较于传统气浮工程,加压溶气气浮利用高浓度的气体使得气泡更加微小,能够更好地吸附水中的悬浮物质,从而更高效地进行处理。
(2)节能:加压溶气气浮能够在较低的气体用量下达到较好的处理效果,节约了能源成本。
(3)生产成本低:通过减少处理时间、提高效率和节约成本,加压溶气气浮工程使得生产成本得到了较大的降低。
(4)适用范围广:加压溶气气浮不受水质、水量等因素的限制,可广泛应用于污水处理、环保工程等领域。
三、加压溶气气浮工程设计方案1. 工程概述加压溶气气浮工程主要包括水处理厂房选址、工艺流程设计和设备选型等。
根据水质情况、处理量等,需要综合考虑工程的实际情况进行设计。
2. 厂房选址厂房选址应根据水处理工程的实际需求,选择离水源近、周围无臭味、噪音的场地,且保证排放和处理的安全性。
3. 工艺流程设计加压溶气气浮工程的工艺流程包括预处理、溶气、气浮、沉淀过程等。
通过对原水的预处理,将水中的杂质去除,再在高压条件下注气、释放气体,最后进行气浮与沉淀的过程,达到处理水的目的。
中国石油广西石化1000万吨/年炼油工程厂区污水处理场DAF气浮池施工方案(修订版)编制:审核:批准:大庆油田建筑公司二00八年三月目录1.0 编制说明 3 1.1 编制依据 3 2.0 工程概况 4 2.1 工程名称、地点 4 2.2 主要工程内容及工程量 5 2.3 工程质量目标 5 2.4 工程工期目标 5 2.5 工程特点及施工难点 5 2.6 针对工程特点、难点所采取的主要对象 6 2.7 工程施工条件 6 3.0 施工组织7 3.1 施工管理组织结构7 3.2 施工管理劳动力计划8 4.0 施工进度计划8 4.1 施工部署8 4.2 施工顺序8 4.3 各阶段施工进度控制目标8 5.0 质量、安全、HSE保证措施8 5.1 质量保证体系8 5.2 HSE体系正常运行的保证措施16 5.3 保证安全生产,文明施工的规定措施18 6.0 施工技术方案19 6.1 测量施工方案19 6.2 基坑土方开挖施工方案24 6.3 钢筋工程施工方案25 6.4 模板工程施工方案36 6.5 混凝土工程施工方案44 7.0 施工方案用器材计划53 7.1 施工方案用施工机具、器材计划53 7.2 施工方案用材料计划54DAF气浮池施工方案1.0 编制说明1.1 编制依据1.1.1本施工组织设计编制依据中国石油天然气股份有限公司广西石化分公司提供的中国石油广西石化1000万吨/年炼油工程污水处理场招标文件及招标咨询及答疑。
1.1.2 施工图纸及相关技术资料和有关程控文件等。
1.1.3 按照中国石油广西石化1000万吨/年炼油工程一体化管理组提供的“中国石油广西石化1000万吨/年炼油工程技术标格式”的规定编制。
1.1.4 根据国家相关施工验收规范,石油化工行业施工规范,化工建设项目施工组织设计标准(HG 20235-93)等。
1.1.5 本公司质量管理手册,施工人员、机械设备、材料配备情况和内部劳动定额,本公司同类工程施工经验和研究成果等。
高效溶气气浮装置技术选型手册
高效溶气气浮装置主要用于水中比重近于1.0的微细悬浮颗
粒的分离和去除。
高效溶气气浮装置(DAF)就是在水中通入大量
微细气泡,使其粘附于杂质颗粒上造成整体密度ρ<1.0的状态,
靠浮力使其上升至水面而使固液分离的一种净水方法。
工作原理:
主要利用微气泡发生装置产生的溶气水中的微气泡,与水中的微
细悬浮颗粒粘合在一起,随气泡浮升到水面,形成浮渣,使水中
微细悬浮颗粒得到去除。
主要特点:
➢外形紧凑,占地小。
➢设计合理,电耗省。
➢溶气效率高,操作方便,维护简单。
➢处理效果稳定,机电仪实现了一体控制。
➢按不同的水质及工艺要求:
➢可提供单微气泡发生装置或双微气泡发生装置;
➢可提供溶气水压力调整系统。
适用范围:
➢造纸白水纸浆回收及清水回用
➢各种重金属离子的去除
➢炼油废水、油污分离
➢制革废水杂质去除
➢印染废水色度及杂质去除
➢各类生物处理后污泥、膜的固液分离
➢污泥浓缩
技术参数表:
注:溶气水回流比按30%设计;水力表面负荷:3~5m 3/m 2·h ;停留时间:15~30min 。
外形结构图
刮沫机
溶气系统气浮池体平台栏杆1234。
高效溶气气浮装置技术选型手册
高效溶气气浮装置主要用于水中比重近于1.0的微细悬浮颗
粒的分离和去除。
高效溶气气浮装置(DAF)就是在水中通入大量
微细气泡,使其粘附于杂质颗粒上造成整体密度ρ<1.0的状态,
靠浮力使其上升至水面而使固液分离的一种净水方法。
工作原理:
主要利用微气泡发生装置产生的溶气水中的微气泡,与水中的微
细悬浮颗粒粘合在一起,随气泡浮升到水面,形成浮渣,使水中
微细悬浮颗粒得到去除。
主要特点:
➢外形紧凑,占地小。
➢设计合理,电耗省。
➢溶气效率高,操作方便,维护简单。
➢处理效果稳定,机电仪实现了一体控制。
➢按不同的水质及工艺要求:
➢可提供单微气泡发生装置或双微气泡发生装置;
➢可提供溶气水压力调整系统。
适用范围:
➢造纸白水纸浆回收及清水回用
➢各种重金属离子的去除
➢炼油废水、油污分离
➢制革废水杂质去除
➢印染废水色度及杂质去除
➢各类生物处理后污泥、膜的固液分离
➢污泥浓缩
技术参数表:
注:溶气水回流比按30%设计;水力表面负荷:3~5m 3/m 2·h ;停留时间:15~30min 。
外形结构图
刮沫机
溶气系统气浮池体平台栏杆1234。
应用技术 NDAF -50型氮气溶气气浮除油装置的应用3刘宏涛 王晓飞 刘 辉 秦大鹏(长庆油田分公司第七采油厂) 摘要 采用自然重力沉降法很难从水中去除油污和悬浮物,同时采出水腐蚀性强,并有一定的含氧量,加速了设备的腐蚀,为此研制了NDAF -50型氮气溶气气浮除油装置。
该装置主要由高效管式反应器、高压溶气系统、斜板溶气浮选机组成。
采出水进入管式反应器,与助剂、饱和溶气水混合后进入浮选机,浮选机内部的波纹斜板使气泡和污油、悬浮物的结合与水迅速分离,上浮到水面利用刮渣机刮走,大颗粒悬浮物在重力的作用下沉降至浮选机底部,通过自动排污阀排走,出水自动溢流出浮选机。
现场应用表明,当进口含油、悬浮物质量浓度在不大于400mg/L 的范围内变化时,处理效果基本不受影响;在一定范围内,气水比越大,处理效果越好。
关键词 氮气溶气气浮除油装置 采出水 高压溶气系统 浮选机 气浮技术用于去除水中污油和有机悬浮物。
近几年来,各种气浮技术在油田污水处理领域应用越来越广泛,由于不同区域不同层位油品的差异,尤其是场站面积有限,沉降时间短,采用自然重力沉降法很难从水中去除污油和悬浮物;同时采出水腐蚀性强,并有一定的含氧量,加速了设备、管材的腐蚀,普通材质很难满足生产需要。
为此,辽宁华浮环境工程有限公司于2007年8月成功研制了NDAF -50型氮气溶气气浮除油装置。
1 技术分析111 结构与工艺原理NDAF -50型氮气溶气气浮除油装置适用于固液和液液分离设备,主要由高效管式反应器、高压溶气系统、斜板溶气浮选机组成,其工艺流程如图1所示。
工艺原理是采出水进入管式反应器,与助剂、饱和溶气水混合后进入浮选机,浮选机内部的波纹斜板使气泡和污油、悬浮物的结合与水迅速分离,上浮到水面利用刮渣机刮走,大颗粒悬浮物在重力的作用下沉降至浮选机底部,通过自动排污阀排走,出水自动溢流出浮选机。
112 主要技术参数装置处理能力:800m 3/d;进水指标:含油质量浓度≤300mg/L,悬浮物质量浓度≤300mg/L;出水指标:含油质量浓度≤10mg/L,悬浮物质量浓度≤20mg/L;工作压力:常压;工作温度:≤70℃;溶气气源:N 2(标准状况下流量为8m 3/h );外形尺寸:4140mm ×2750mm ×3640mm。
气浮法溶气气浮(DAF)是气浮的一种,它利用水在不同压力下溶解度不同的特性,对全部或部分待处理(或处理后)的水进行加压并加气,增加水的空气溶解量,通入加过混凝剂的水中,在常压情况下释放,空气析出形成小气泡,粘附在杂质絮粒上,造成絮粒整体密度小于水而上升,从而使固液分离。
溶气气浮(DAF)适用于处理低浊度、高色度、高有机物含量、低含油量、低表面活性物质含量或具有富藻的水。
相对于其它的气浮方式(详见附录1),它具有水力负荷高,池体紧凑等优点。
但是它的工艺复杂,电能消耗较大,空压机的噪音大等缺点也限制着它的应用。
1 分类(type)根据不同的划分原则,DAF可以有不同的分类。
1.1 根据气泡从水中析出时所处压力的不同,可分为真空式气浮法与压力溶气气浮法两种。
前者利用抽真空的方法在常压或加压下溶解空气,然后在负压下释放微气泡,供气浮使用;后者是在加压情况下,使空气强制溶于水中,然后突然减压,使溶解的气体从水中释放出来,以微气泡形式粘附上絮粒,一起上浮。
1.1.1 真空式气浮池,虽然能耗低,气泡形成和气泡与絮粒的粘附较稳定;但气泡释放量受限制;而且,一切设备部件,都要密封在气浮池内;气浮池的构造复杂;只适用于处理污染物浓度不高的废水(不高于300mg/l),因此实际应用不多。
1.1.2 压力溶气气浮法是目前国内外最常采用的方法,可选择的基本流程有全流程溶气气浮法、部分溶气气浮法和部分回流溶气气浮法三种。
1.1.2.1 全流程溶气气浮法全流程溶气气浮法是将全部废水用水泵加压,在溶气罐内,空气溶解于废水中,然后通过减压阀将废水送入气浮池。
流程图见图1。
它的特点是:①溶气量大,增加了油粒或悬浮颗粒与气泡的接触机会;②在处理水量相同的条件下,它较部分回流溶气气浮法所需的气浮池小。
③全部废水经过压力泵,所需的压力泵和溶气罐均较其他两种流程大,因此投资和运转动力消耗较大。
1.1.2.2 部分溶气气浮法部分溶气气浮法是取部分废水加压和溶气,其余废水直接进入气浮池并在气浮池中与溶气废水混合。
DAF-5 高效溶气气浮操作维护手册目录一、注意事项二、安装三、原理四、主要组成五、功能操作六、启动运行七、维护和保养八、附图注意事项高效溶气气浮系统是一个涉及到机械、电力和相关的化学处理的综合工艺过程。
为了您更好的使用和管理该套系统,需注意事项有:●电力设施的维修、变更或调节必须由专门的电器人员来进行。
●机械设备的维修、变更或装配必须由专门的机械工程师或装配人员进行。
●使用化学药剂时,不能进行电力、机械的维修、调节或维护等工作。
●进行设备的维修、变更、调节或保养之前,必须关掉总电源。
●在设备的维护和相关的操作过程中,必须坚持安全第一的原则。
●所有操作人员必须经过设备方面的专业培训,熟悉设备的操作、维护及相关的安全知识。
●设备的操作及维护都需严格遵照相关的安全注意事项。
●提升或移动设备时,需要配备相关的提升设施并注意操作安全。
●电力及机械设备,要定期检查和维护保养。
●设备的维修、更改、调整或保养时,都必须严格按照生产厂家及供应商的要求,及有关法律规定执行。
●如对安全操作及维护如还有不解之处,请及时与我公司联系。
第一部分安装设备的部件图:(见附图)1 安装总则对于每一个使用者来说,设备的安装条件都有很大的不同。
我们所提供的安装说明仅仅是一个总则,具体安装时,根据现场的安装条件及电力上的要求做相应的调整。
●高效溶气气浮箱体应安装在坚固而且水平的基础上或能够承重包括设备及设备满负荷时(含液体重量)的重量的建筑基础。
整个处理系统各个方向都要保持水平。
以便保证系统能够有效地运行,发挥系统应有的高效率。
●所有的管道阀门联接处应保证良好的密封;所有的电线导管和线路布置都要合乎规范,并应由专业的电器人员安装。
●设备起吊:本设备内壁有四块供起吊的孔板,如下图所示:设备起吊示意图第二部分原理工作原理气浮分离是将空气与水在一定的压力和条件下,使气体极大限度地溶入水中,力求处于饱和状态,然后把所形成的压力溶气水通过特殊装置释压,把压能转化为动能,气体脱离水分子引力的束缚,急速产生大量的微气泡,与水中的悬浮物(经过加药后的絮凝体)充分接触,在絮粒的“网捕”,“包卷”,“架桥”作用下,气泡和悬浮物形成一个稳定的夹气絮体,其视密度小于水,因此夹气絮体很快升至水面,悬浮物在液面结聚成浮渣,把浮渣进行刮集,清除即达到了固液分离的目的。
溶气气浮操作说明一、介绍溶气气浮是一种常用的水处理技术,主要用于去除水中悬浮颗粒、沉积物和悬浮物质。
本文档将详细介绍溶气气浮的操作步骤和注意事项。
二、操作步骤1. 准备工作在进行溶气气浮之前,首先需要做好一系列的准备工作,包括清理溶气气浮设备、准备活性炭、添加剂和溶气气体等。
2. 调节气体流量打开溶气气浮设备上的溶气气体调节阀,根据水处理工艺的要求,调整溶气气体的流量。
注意,气体流量过大可能会导致气泡过大,影响气浮效果,而气体流量过小则无法有效去除悬浮物。
3. 水池水位控制根据设备的要求,通过调节进水阀和排水阀来控制水池的水位。
通常情况下,水池水位应保持在设备指定的范围内,以确保气浮设备的正常运行。
4. 活性炭添加根据水处理工艺需要,将适量的活性炭添加到溶气气浮设备中。
活性炭可吸附水中的有机物质和某些重金属离子,提高水质的净化效果。
5. 添加溶气剂选择适当的溶气剂,按照要求的剂量将其添加到溶气气浮设备中。
溶气剂可增加气泡的持久性和稳定性,提高气浮效果。
6. 操作溶气气浮设备根据设备的操作要求,启动溶气气浮设备,并根据设备指示调整溶气气体流量。
同时观察气泡的大小和分布情况,确保气浮效果良好。
7. 调节水质参数根据水处理工艺的要求,对水质参数进行调节。
包括pH值、浊度、悬浮颗粒的浓度等,以确保水质符合要求。
8. 监控和维护在气浮过程中,要定期监测溶气气浮设备的运行状态和水质参数变化。
如有异常情况出现,及时进行调整和维护,以确保设备的正常运行。
三、注意事项1. 操作人员应熟悉溶气气浮设备的操作流程和工艺要求,并具备必要的安全意识。
2. 注意溶气气体的流量调节,过大或过小都会影响气浮效果,需要根据实际情况进行调整。
3. 定期清理溶气气浮设备,防止气泡管道堵塞,影响气浮效果。
4. 剂量控制要准确,溶气剂和活性炭过量添加都会造成不必要的浪费。
5. 定期检查气浮设备的运行状况和水质参数,及时处理异常情况,确保设备的正常运行。
气浮法设计计算一.气浮法分类及原理二.气浮法设计参数三.气浮法设计计算四.不同温度下的K T值和736K T值气浮池设置在絮凝池侧旁,沉淀池上方。
气浮类型较多,有全部压力溶气气浮、分散空气气浮、电解凝聚气浮、内循环射流气浮等,这里选择适用于城镇给水处理的部分回流压力溶气气浮。
气浮适用于含藻类及有机杂质、水温较低、常年浊度低于100NTU的原水;它依靠微气泡粘附絮粒,实现絮粒强制性上浮,达到固、液分离,由于气泡的重度远小于水,浮力很大,促使絮粒迅速上浮,提高固、液分离速度。
气浮依靠无数微气泡去粘附絮粒,对絮粒的重度、大小要求不高,能减少絮凝时间,节约混凝剂量;带气絮粒与水的分离速度快,单位面积产水量高,池容及占地减少,造价降低;气泡捕足絮粒的机率很高,跑矾花现象很少,有利于后级滤池延长冲洗周期,节约水耗;排渣方便,浮渣含水率低,耗水量小;池深浅,构造简单,可随时开、停,而不影响出水水质,管理方便。
●结构尺寸:取回流比R=20%,气浮池处理水量:Q3=(1+R)Q2=1.2×75=90m3/h接触区底部上升段纵截面为矩形,上升流速10~20mm/s,取U J1=18mm/s=64.8m/h 接触区底部通水平面面积:F J1=90/64.8=1.389≈1.4m2接触区宽与絮凝池相同,B=2m,接触区底部平面池长方向尺寸:L J1=1.4/2=0.7m接触区上端扩散段纵截面为倒直角梯形,出口流速5~10mm/s,取U J2=7.5mm/s=27m/h 接触区上端扩散出口通水平面面积:F J2=90/27=3.333m2接触区宽与絮凝池相同,B=2m,接触区上端扩散出口平面池长方向尺寸:L J2=3.333/2=1.6665≈1.7m扩散段水平倾角α=35°,扩散段高:h K=(1.7-0.7)tan35°=0.7m扩散段容积:V K=〔(1.7+0.7)/2〕×0.7×2=1.68m3接触区停留时间需大于60s,取t J=90s=1.5min,接触区容积:V J=90×1.5/60=2.25m3接触区底部上升段高:h D=(V J-V K)/F J1=(2.25-1.68)/1.4=0.4m分离区清水下降流速1.5~2.5mm,取U3=2.5mm/s=9m/h分离区平面面积:F F=Q3/U3=90/9=10m2分离区平面池长方向尺寸:L F=10/2=5m(<沉淀池长5.5m)气浮池长度方向尺寸:L=5.5m取分离区液深h Y=1.5m,分离区容积:V F=5.5×2×1.5=16.5m3分离区清水下降时间:t F=h Y/U3=1.5/9=0.167h=10min取分离区安全超高h A=0.5m,气浮池高H F=1.5+0.5=2m复核分离停留时间:t F′=V F /Q3=16.5/90=0.183h=11min,满足停留10~15min的要求,并能满足清水到达池底所需时间。
溶气气浮机设备方案一、引言溶气气浮(DAF)是一种常见的水处理技术,广泛应用于污水处理、饮用水净化和工业废水处理等领域。
本文将介绍一种高效的溶气气浮机设备方案,旨在提高处理效率和降低运行成本。
二、设备原理溶气气浮机设备通过将气体溶解到水中,利用气泡的浮力将悬浮物团聚成大颗粒,从而实现悬浮物的分离。
其主要工作原理包括以下几个步骤:1. 溶气阶段:将气体通过增压装置注入到水中,并利用溶解气体的能力使气体溶解到水中;2. 络净阶段:在溶气气浮池中加入混合悬浮物的原水,在适当的条件下,利用鳞状气泡将悬浮物与气泡迅速接触并附着,形成浮团;3. 浮升阶段:浮团上升到液面并形成浮泡层,再经过收集装置的收集和排出,达到分离悬浮物的目的。
三、设备配置针对不同的处理需求,溶气气浮机设备的配置可以有所差异。
以下是一种常见的配置方案:1. 溶气系统:包括气体供应装置、增压装置和溶气槽。
气体供应装置一般选择空气压缩机,增压装置用于将气体压力提高至所需压力,而溶气槽则用于将气体溶解到水中。
2. 絮凝剂投加系统:用于投加絮凝剂以促进悬浮物的凝聚作用,一般包括絮凝剂储存装置、投加泵和混合装置。
3. 溶气气浮池:池体一般采用刚性材料构建,具有合理的倾斜角度和尺寸,以便于气泡与悬浮物迅速接触和聚集。
另外,溶气气浮池还应配备气液分离装置和浮渣集中装置。
4. 浮渣收集系统:包括浮渣收集槽和排泥泵。
浮渣收集槽用于收集和存储浮渣,排泥泵用于将浮渣排出系统。
5. 控制系统:用于对整个设备进行监控和自动控制,包括传感器、仪表、控制阀等。
四、设备优势这种溶气气浮机设备方案具有以下优势:1. 高效:通过高效的气泡产生设备和合理的池体设计,能够提高气泡接触到悬浮物的机会,从而提高处理效率。
2. 稳定性好:控制系统的精确控制能够保持设备的稳定运行,避免因处理水质波动而导致的效果下降。
3. 节能:采用能效高的空气压缩机和溶气槽,使得气体的利用率最大化,从而降低运行成本。
溶气气浮操作说明(一)引言概述:溶气气浮操作是一种常用的污水处理方法,通过在水中注入气体,使气泡与悬浮物质发生作用,从而起到去除污染物的作用。
本文将详细介绍溶气气浮操作的步骤和注意事项。
正文:1. 溶气气浮操作的前期准备a. 确定操作的污水处理量和处理水质要求b. 检查气浮设备的运行状况和相关管道的连接情况c. 准备好所需的药剂和气体供应设施2. 气浮装置的开机准备a. 检查气浮装置的控制阀、压力表和流量计的正常工作b. 打开进水阀和排水阀,排除管道中的空气和异物c. 检查气浮槽内部的清洁情况,保证无杂质3. 溶气气浮操作的步骤a. 将污水通过进水管道导入气浮槽,控制好进水流量b. 注入气体,通常使用氧气或二氧化碳,控制好气体的注入量c. 启动气浮装置,调节好气浮槽内的压力和气泡产生的速度d. 悬浮物质与气泡发生作用,迅速浮到水面形成浮渣e. 清除浮渣,可以使用刮泥机或人工清理,并及时排出4. 溶气气浮操作的注意事项a. 气体注入量应适量,避免气泡裂化或污水溢出b. 药剂应按照比例添加,不可过量或不足c. 定期检查气浮设备的运行情况,如压力变化、气泡产生等d. 注意悬浮物质的种类和浓度,根据情况调整操作参数e. 遵守操作规程,定期进行设备的维护保养和检修5. 溶气气浮操作的效果评估a. 定期监测处理后的水质,比较前后差异和是否达到要求b. 根据处理效果,调整操作参数,进一步提高溶气气浮效果c. 分析悬浮物质的特性和去除效率,优化操作步骤和药剂使用总结:溶气气浮操作是一种有效的污水处理方法,通过注入气体使悬浮物质浮出水面,达到净化水质的目的。
正确的操作步骤和注意事项能够保证溶气气浮的效果和设备的长期稳定运行。
通过定期评估和改进操作,可以进一步提高污水处理效果和设备的综合性能。
溶气气浮(DAF)是气浮的一种,它利用水在不同压力下溶解度不同的特性,对全部或部分待处理(或处理后)的水进行加压并加气,增加水的空气溶解量,通入加过混凝剂的水中,在常压情况下释放,空气析出形成小气泡,粘附在杂质絮粒上,造成絮粒整体密度小于水而上升,从而使固液分离。
溶气气浮(DAF)适用于处理低浊度、高色度、高有机物含量、低含油量、低表面活性物质含量或具有富藻的水。
相对于其它的气浮方式(详见附录1),它具有水力负荷高,池体紧凑等优点。
但是它的工艺复杂,电能消耗较大,空压机的噪音大等缺点也限制着它的应用。
1 分类(type)根据不同的划分原则,DAF可以有不同的分类。
1.1 根据气泡从水中析出时所处压力的不同,可分为真空式气浮法与压力溶气气浮法两种。
前者利用抽真空的方法在常压或加压下溶解空气,然后在负压下释放微气泡,供气浮使用;后者是在加压情况下,使空气强制溶于水中,然后突然减压,使溶解的气体从水中释放出来,以微气泡形式粘附上絮粒,一起上浮。
1.1.1 真空式气浮池,虽然能耗低,气泡形成和气泡与絮粒的粘附较稳定;但气泡释放量受限制;而且,一切设备部件,都要密封在气浮池内;气浮池的构造复杂;只适用于处理污染物浓度不高的废水(不高于300mg/l),因此实际应用不多。
1.1.2 压力溶气气浮法是目前国内外最常采用的方法,可选择的基本流程有全流程溶气气浮法、部分溶气气浮法和部分回流溶气气浮法三种。
1.1.2.1 全流程溶气气浮法全流程溶气气浮法是将全部废水用水泵加压,在溶气罐内,空气溶解于废水中,然后通过减压阀将废水送入气浮池。
流程图见图1。
它的特点是:①溶气量大,增加了油粒或悬浮颗粒与气泡的接触机会;②在处理水量相同的条件下,它较部分回流溶气气浮法所需的气浮池小。
③全部废水经过压力泵,所需的压力泵和溶气罐均较其他两种流程大,因此投资和运转动力消耗较大。
1.1.2.2 部分溶气气浮法部分溶气气浮法是取部分废水加压和溶气,其余废水直接进入气浮池并在气浮池中与溶气废水混合。
溶气气浮的分类及设计原理溶气气浮(DAF)是气浮的一种,它利用水在不同压力下溶解度不同的特性,对全部或者部份待处理(或者处理后)的水进行加压并加气,增加水的空气溶解量,通入加过混凝剂的水中,在常压情况下释放,空气析出形成小气泡,粘附在杂质絮粒上,造成絮粒整体密度小于水而上升,从而使固液分离。
溶气气浮(DAF)合用于处理低浊度、高色度、高有机物含量、低含油量、低表面活性物质含量或者具有富藻的水。
相对于其它的气浮方式(详见附录1),它具有水力负荷高,池体紧凑等优点。
但是它的工艺复杂,电能消耗较大,空压机的噪音大等缺点也限制着它的应用。
1 分类(type)根据不同的划分原则,DAF可以有不同的分类。
1.1 根据气泡从水中析出时所处压力的不同,可分为真空式气浮法与压力溶气气浮法两种。
前者利用抽真空的方法在常压或者加压下溶解空气,然后在负压下释放微气泡,供气浮使用;后者是在加压情况下,使空气强制溶于水中,然后蓦地减压,使溶解的气体从水中释放出来,以微气泡形式粘附上絮粒,一起上浮。
1.1.1 真空式气浮池,虽然能耗低,气泡形成温和泡与絮粒的粘附较稳定;但气泡释放量受限制;而且,一切设备部件,都要密封在气浮池内;气浮池的构造复杂;只合用于处理污染物浓度不高的废水(不高于300mg/l),因此实际应用不多。
1.1.2 压力溶气气浮法是目前国内外最常采用的方法,可选择的基本流程有全流程溶气气浮法、部份溶气气浮法和部份回流溶气气浮法三种。
1.1.2.1 全流程溶气气浮法全流程溶气气浮法是将全部废水用水泵加压,在溶气罐内,空气溶解于废水中,然后通过减压阀将废水送入气浮池。
流程图见图1。
它的特点是:①溶气量大,增加了油粒或者悬浮颗粒与气泡的接触机会;②在处理水量相同的条件下,它较部份回流溶气气浮法所需的气浮池小。
③全部废水经过压力泵,所需的压力泵和溶气罐均较其他两种流程大,因此投资和运转动力消耗较大。
1.1.2.2 部份溶气气浮法部份溶气气浮法是取部份废水加压和溶气,其余废水直接进入气浮池并在气浮池中与溶气废水混合。
**************有限公司
DAF 系列高效溶气气浮技术方案
2020 年 7 月 20 日
一、DAF50 高效溶气气浮基本参数描述
二、售后服务
1、指导调试:派员到现场提供指导及技术支持服务,免费提供一次指导调试服务,
并确保调试成功;
2、培训:对操作人员提供设备相关理论、操作、维护知识培训,确保用户正确使
用和维护产品;
3、及时解决用户使用过程中遇到的所有问题,保证产品稳定运行;
4、服务承诺:
●关于由我方提供的指导安装、调试、培训等售后服务,我们将针对用户
的安排给予积极和及时的响应并优于与服务;
●当用户在实际使用过程中遇到任何质量方面的问题,我公司在收到正式
书面通知后,我们承诺响应并优于时间为 2 小时;
●设备使用过程中,出现故障或质量问题,自接到书面通知后 24 小时内到
达现场处理,直至设备正常运行为止;
●重大问题:专业人员在 10 小时内到达现场解决;
5、质保与维修:
●质保期:一年
●质保期内出现的因制造产生的质量缺陷,免费维修、更换;
●因保管不当或人为操作不当因素造成的产品损坏或性能下降,可以予以
维修,但由此产生的人工、材料费由需方承担;
●产品终身保修,并保证备品备件的及时供应;
●超过质保期,我们仍会以最优惠的价格为用户提供满意的售后服务
三、综述:DAF 系列高效溶气气浮
DAF 系列高效溶气气浮规避了传统气浮的溶气水分布不均、出水悬浮物含量高、占地空间大等劣势,充分汲取了多类气浮设备设计的优点,优化了池体结构、溶气系统、排泥系统及释放系统,使得处理水力表面负荷很大程度上提高。
DAF 系列气浮采用了多项专利技术(一项发明,五项实用新型),设备具有结构紧凑,溶气效率高,造型美观,占地面积小,安装运输方便,电耗省,操作方便(加气、刮渣电器自动化),可实现无人值守,处理效果好等优点。
✧主要工作原理:
该设备采用了微气泡发生、次表面捕集、层流原理、多级序批式混凝、浮渣循环絮凝等五大专利核心技术,能高效分离污水中的悬浮物。
溶气水、污水、药剂三者在一个特别设计的多级序批式混凝反应器中,产生适合气浮比重小于 1 的“夹气泡絮体”,流入气浮接触区,在浮力的作用下,“泡絮体”上升至液面形成浮渣完成固液分离。
✧主要性能特点如下:
●占地小,出水好,投资省;
●采用高效的溶气系统,溶气效率达到 95%以上;
●降低表面浮渣含水率;
●采用专用的高效无堵塞释放器,维护简单;
●处理效果稳定,全自动控制,可实现无人值守;
●在国家技术监督局认可备案的气浮设备生产标准;
●气浮在工厂生产过程严格执行ISO9000 的质量控制体系,每个环节都具有可追溯
性,充分保证产品的品质。