2014年TI杯大学生电子设计竞赛题(8道赛题全)
- 格式:doc
- 大小:421.64 KB
- 文档页数:14
2014年全国大学生电子设计竞赛(D题)编号:题目:电能消耗计量装置 (D题)学校:学院:信息科学与电气工程学院参赛学生:联系方式:2014年月日电能消耗计量装置的设计报告摘要:本设计以ATMEGA16A为控制核心,通过交流整形电路连接AD637KQ真有效值转换芯片量锰铜电阻,实现负载电流有效值检测;市电电压有效值的监测是通过连接市电电压的负载分压之后,由AD637KQ真有效值转换器实现测量;通过功率因数测量电路,市电电压经过二极管电桥正弦波变为方波,经单片机捕获测量出负载的功率因数和市电频率;单片机连接键盘和12864B v2.0液晶显示屏,通过中断服务模式实现控制负载用电时间、电能消耗、二氧化碳排放量的显示,以及显示市电电压有效值和市电频率、负载的工作电流有效值和有功功率、负载的功率因数;该装置还具备最大门限值设置、过流保护功能,进行了大量试验和测试,验证了设计的有效性,完成了基本部分和发挥部分功能要求。
关键词:电能消耗计量装置,ATMEGA16A,AD637,低能耗,精度1.系统方案1.1系统要求设计一款用于市电的电能消耗计量装置,该装置能耗低,由非分体式独立供电结构供电,具备过流保护功能和声光报警功能,并可设置被测负载最大门限值。
能够监测所在电网的市电电压有效值和市电频率,以及连接负载的工作电流有效值和有功功率值,并显示出负载的功率因数、用电时间和负载用电量对应的二氧化碳排放量及电能消耗值,1.2 方案论证1.2.1 控制器模块采用ATMEGA16A控制器。
ATmega 16A是基于增强的AVRRISC结构的低功耗8位CMOS微控制器。
由于其先进的指令集以及单时钟周期指令执行时间,ATmega16的数据吞吐率高达1MIPS/MHz,功能强大,性价比高,使用方便。
1.2.2电压有效值测量模块和电流有效值测量模块方案一:带有AD637KQ真有效值转换器,AD637BQ可以计算各种杂波形的真有效值,最大3dp宽带可达8MHZ,可选择测量直流信号和交流信号,带载能力强。
2014年TI杯大学生电子设计竞赛题(多省联赛)A题:四旋翼飞行器1.任务设计制作一架能够自主飞行的四旋翼飞行器。
2.要求四旋翼飞行器能够完成以下飞行动作:(1)飞行器能够根据起飞前预置的指令起飞,飞离地面高度应超过30cm,飞行距离(水平)应超过60cm,然后飞行器应能平稳降落。
(30分)(2)飞行器能够根据指定(键盘设定)的飞行高度及降落地点(方向及距离)连续稳定地完成起飞、指定高度水平飞行、平稳降落等动作。
(20分)(3)飞行器能够根据起飞前预置的指令垂直起飞,起飞后能够在50cm以上高度平稳悬停5s以上,然后再平稳缓慢降落到起飞地点;起飞与降落地点水平距离不超过30cm。
(30分)(4)其他自主发挥设计的飞行动作。
(20分)(5)设计报告(20分)项目主要内容分数系统方案方案比较,方案描述 5设计与论证飞行器姿态测量方法飞行控制器控制方法与参数计算8测试测试方法与测试结果 5设计报告结构及规范性摘要,正文结构完整性、内容规范性 2小计203.说明(1)飞行器的姿态检测及飞行控制必须使用TI 公司的TIV A M4、C2000或MSP430等系列控制器。
(2)飞行器在完成每一项飞行动作期间不得以任何方式进行人为干预,如遥控等。
(3)飞行器的尺寸可自行选定。
(4)飞行方向以正北方向为0°、东北方向为45°、正东方向为90°等,以此类推;距离的单位为厘米(cm)。
(5)指定的降落地点是指降落地点距起飞地的水平距离及方向。
(6)平稳降落是指在降落过程中无明显的跌落、弹跳及着地后滑行等情况出现。
(7)能够完成要求(2)时,要求(1)可以免测。
(8)为确保安全,飞行器应在安全网中或在系留方式下工作(即以绳索将飞行器拴在地面固定物上)。
2014年TI 杯大学生电子设计竞赛题B 题:金属物体探测定位器4. 任务设计并制作一个可自主移动的金属物体探测定位器(以下简称探测器),可探测置于玻璃板下的金属物体并给出定位指示。
陕西理工学院2014年电子设计竞赛题目微弱信号检测装置(A题)一、任务设计并制作一套微弱信号检测装置,用以检测在强噪声背景下已知频率的微弱正弦波信号的幅度值,并数字显示出该幅度值。
为便于测评比较,统一规定显示峰值。
整个系统的示意图如图1所示。
正弦波信号源可以由函数信号发生器来代替。
噪声源采用给定的标准噪声(wav文件)来产生,通过PC机的音频播放器或MP3播放噪声文件,从音频输出端口获得噪声源,噪声幅度通过调节播放器的音量来进行控制。
图中A、B、C、D和E分别为五个测试端点。
图1 微弱信号检测装置示意图二、要求1. 基本要求(1)噪声源输出V N的均方根电压值固定为1V±0.1V;加法器的输出V C =V S+V N,带宽大于1MHz;纯电阻分压网络的衰减系数不低于100。
(2)微弱信号检测电路的输入阻抗R i≥1 MΩ。
(3)当输入正弦波信号V S 的频率为1 kHz、幅度峰峰值在200mV ~ 2V范围内时,检测并显示正弦波信号的幅度值,要求误差不超过5%。
2. 发挥部分(1)当输入正弦波信号V S 的幅度峰峰值在20mV ~ 2V范围内时,检测并显示正弦波信号的幅度值,要求误差不超过5%。
(2)扩展被测信号V S的频率范围,当信号的频率在500Hz ~ 2kHz范围内,检测并显示正弦波信号的幅度值,要求误差不超过5%。
(3)进一步提高检测精度,使检测误差不超过2%。
(4)其它(例如,进一步降低V S 的幅度等)。
三、说明1.微弱信号检测电路要求采用模拟方法来实现。
常用的微弱信号检测方法有:滤波,锁相放大,取样积分等(仅供参考)。
2.为便于各个模块的测试,所有测试端点(A~E)应做成跳线连接方式。
3.检测并显示正弦波信号的幅度值是指输入正弦波信号V S 的幅度(即峰值)。
4.测评时,应固定使用某一装置(PC机或MP3)来产生噪声源,所有作品均应采用该噪声源进行测试。
四、评分标准简易直流电子负载(B题)一、任务设计和制作一台恒流(CC)工作模式的简易直流电子负载。
2014年湖南省大学生电子设计竞赛(TI杯)评审结果序号所在学校学生姓名指导教师获奖等级1、A题:电容参数测量仪1 南华大学叶璞、邹艳梅、龚攀君赵立宏、陈文光一等奖2 长沙理工大学郑广财、苏杭、刘三元马钧、樊绍胜一等奖3 湖南工程学院唐梓傑、刘智永、邓兴武郭照南、曾志刚一等奖4 湖南理工学院陈凯、王敏、陈柳成伍建辉、欧阳竟成一等奖5 湖南工程学院李兴旺、张娇娇、陈俊超胡瑛、肖鹏一等奖6 南华大学蔡拓、邹佩、窦志慧王超、朱卫华一等奖7 湖南大学黄汉韬、刘芳冰、钟源叶佳卓、王敏一等奖8 湖南大学胡宇翔、林钰登、白杨方璐、张海燕一等奖9 中南大学殷实、徐青山、涂胜利宋学瑞一等奖10 湖南理工学院张飞、陈绪敏、孟林潘理、陈松一等奖11 衡阳师范学院彭昶、何雪鹏、李丹罗昌由、王金江二等奖12 国防科技大学余孙全、梅锴、阴鹏关永峰、刘菊荣二等奖13 湖南科技大学刘红波、龚文杰、周程鸿曾照福、韦文祥等奖14 湖南师范大学皮月庆李智尹芳玉汪鲁才、杨进宝二等奖15 湖南理工学院李昱明、邱兵兵、尹世强李宏民、陈松二等奖16 湖南工程学院廖将豪、彭子龙、游静李延平、曾志刚二等奖17 湖南科技大学张昱帆、邓晓宇、叶峰华谢素霞、吴伶锡二等奖18 南华大学王齐栋、田光权、陈晨曾铁军、赵立宏二等奖19 湖南科技学院莫稳福、袁迪、蒋继强李小武二等奖20 湖南科技大学吴建亭、黄启强、周检韦文祥、吴亮红二等奖21 衡阳师范学院谭传文、何梦豪、张银艳王文静、黄顺二等奖22 国防科技大学赵航、李璇、袁野刘菊荣、关永峰二等奖23 湘南学院张志童、李俊彪、程迅段凌飞、姚敏三等奖24 湖南科技学院李喻思杰、李祖平、蔡勇谭永宏、王志堂三等奖25 邵阳学院向彩华、邹陆华、高小伟李菲、余建坤三等奖26 湖南师范大学李武刚成宁湘银泽兰浩、杨进宝三等奖27 湖南师范大学周锦昊马坤曾利斌杨进宝、兰浩三等28 长沙理工大学张宽、何坤、张前程马钧、张一斌三等奖29 湖南商学院何志强、刘咏、彭锦阳倪文志、王莉三等奖30 湖南大学寇丽、骆云龙、王坤王绍源、王炼红三等奖31 湖南工程学院唐超龙、胡拚、李拔群曾志刚、郭照南三等奖32 长沙理工大学姜涛、李凌辉、廖加竞马钧、樊绍胜三等奖33 中南林业科技大学孙恺泽、刘雄超、宴海涛朱俊杰三等奖34 湖南科技大学黄嘉杰、戴超、邓旺宇曾福照、吴亮红优胜奖35 湖南科技大学郭石雷、卢泽、李声誉吴亮红、曾照福优胜奖36 湖南科技大学刘学兵、李虹、肖继伟詹杰、李志坚优胜奖37 国防科技大学赵飞鸿、李成鑫、赖格关永峰、陆珉优胜奖38 长沙理工大学王彬、黄健、白剑锋马钧、樊绍胜优胜奖39 湘潭大学田海波、廖少翔、卢世铭刘奇能、肖业伟优胜奖40 湖南工学院邓可忍、罗雪鹏、罗波王小虎、王韧优胜奖41湖南师范大学吴永仁巢欢范春平杨进宝、兰浩优胜奖42湘潭大学董召愿、胡淘尘、伍天意肖业伟、刘奇能优胜奖43邵阳学院何欣华、莫宁、周文王少杰、许建明优胜奖44湖南人文科技学院刘国文、李谟炜、周文成钟明生、侯周国优胜奖45湖南科技学院朱忠造、龚继、黄鹏飞陈光辉优胜奖46衡阳师范学院黄小飞、李芊芊、刘雄杰朱亚培、杨利容优胜奖47湘潭大学刘为强、龙海柱、张伟胡洪波、吴亚联优胜奖48邵阳学院范涛、阳泳、彭猛江世明、梁高卫优胜奖49湖南工程学院余东升、许旺、何凯燕郭照南、李延平优胜奖50湖南师范大学范艺馨邹文超卿勇杰邹孝、胡强优胜奖51中南林业科技大学王淑良、王佩、黄阶周国雄优胜奖52湘南学院熊春峰、尹珠辉、周加请黄建全、段凌飞优胜奖53邵阳学院王世玉、王富强、王香英黄乘顺优胜奖54怀化学院倪望龙、邓志明、蒲艳红肖景、杨恒玲优胜奖55湖南工学院冯晓康、李辉、陈善平王韧、王勇刚优胜奖56湖南工学院欧阳俊、张威、黄亚雄李祖林、伍麟珺优胜奖57湖南大学李俊、赵远程、曹海涛周腊吾、朱青优胜奖58长沙学院唐陶波、王辉、宋来峰张文希、谢明华优胜奖59长沙学院李仕琪、孙捷敏、刘盼谢明华、张文希优胜奖2、B题:程控直流开关稳压电源1南华大学崔深根、李炎锋、黄世通朱卫华、陈文光一等奖2中南大学李科浇、段超祥、范恒超罗桂娥一等奖3南华大学邹亮亮、胡家斌、陈华秋曾铁军、赵立宏一等奖4湖南第一师范学院罗斌肖维柱段四仟李新国、肖杰一等奖5南华大学李世锋、张江海、韩霆李月华、陈文光一等奖6湖南文理学院芙蓉学院刘佳、易鹏、易暄伍宗富、梅彬运一等奖7湖南工业大学马溪遥、王婓、吴浪戴圣伟、聂辉一等奖8湖南理工学院刘彪、廖斌、尚磊吴建辉、陈松二等奖9南华大学施琪、陈熙、陈方方朱卫华、王超二等奖10湖南城市学院姚洲、刘磊、刘博文谭跃、李稳国二等奖11湖南理工学院彭佳豪、陈晶铭、张俊程望斌、陈松二等奖12湖南理工学院赵海波、谢泽明、曹红英陈松、吴健辉二等奖13湖南理工学院刘洋、董喜普、曾荣鑫粟向军、陈松二等奖14湖南商学院文卓夫、李振斌、刘纪凤倪文志、王莉二等奖15国防科技大学邹宇航、陈更辉、朱弘博廖灵志、周资伟二等奖16吉首大学陈文琪、赵辰、李炜毅陈善荣、张榜英三等奖17湖南工程学院李勇、刘精菁、赵龙武赵振兴、黄望军三等奖18湖南工业大学刘明旗、谢云、彭伟强戴圣伟、谭会生三等奖19湖南工业大学张培添、周俊、何武林易吉良、张江洪三等奖20湖南城市学院田勇、李东、杨凡李稳国、蒋冬初三等奖21湖南城市学院张建涛、李志平、刘羽鹏杨冰、李稳国三等奖22湖南工业大学夏炜杰、蔡胜强、陈赛文刘国亮、唐吉三等奖23南华大学钟小平、朱勇、张朝宏李月华、朱卫华三等奖24湖南大学黄炜、主大宁、邓传洁温和、楚锋三等奖25衡阳师范学院南岳学院刘俊、黄亭、袁少君谢宇希、刘洪波优胜奖26衡阳师范学院刘一志、陶连明、贺彬黄顺、谭岳衡优胜奖27衡阳师范学院南岳学院李湘滔、欧阳旭、唐峰唐建锋、王文静优胜奖28湖南大学程颐、朱相军、范乃元全惠敏、马子骥优胜奖29湖南工业大学周楚刚、刘阳、刘典伟于惠钧、肖满生优胜奖30衡阳师范学院南岳学院欧伟、李响茂、黄爽黄顺、罗昌由优胜奖31怀化学院何玲妮、蒋聂、曾庆龙朱俊标、舒君优胜奖3、C题:自动增益控制放大器1中南大学张凡、黄武元、李芝浩罗桂娥一等奖2长沙理工大学赵川、陈勇、尹雅君马钧、李鸿一等奖3长沙理工大学陈建成、周锋、刘荣芳马钧、蔡灏一等奖4长沙理工大学陈小龙、戴其城、崔文飞马钧、张一斌一等奖5中南大学李建权、任士鑫、朱军楠彭卫韶一等奖6湖南科技大学王仁超、王海成、王文栋曾照福、韦文祥一等奖7湖南理工学院南湖学院唐江、江武、田培、胡文静、刘翔一等奖8长沙理工大学谢葵、骆要、黄昱马钧、张一斌一等奖9中南大学刘峰、刘宇卓、欧阳豪曹宏宇一等奖10中南大学潘冬、赫玉莹、边疆宋学瑞一等奖11湖南工业大学张永福、颜焕、张彤彤谭会生、宓茜二等奖12长沙学院古铖、张爱明、史明政杨军、刘亮二等奖13湖南文理学院汪大理、周双兴、刘远鹏王先春、胡惟文二等奖14湖南科技大学刘朝伟、张浩、周奇峰曾照福、韦文祥二等奖15怀化学院赵平、子锦福、任一多张涛、钱莹晶二等奖16湖南师范大学刘秋香卢灵敏许石龙兰浩、汪鲁才二等奖17中南大学卢军、刘金宝、蔡炳榕姜霞二等奖18湖南工学院戴志威、陈义、杨潇雷军、王小虎二等奖19邵阳学院谢良辉、周兴、舒文威许建明、王少杰二等奖20衡阳师范学院谭平平、陈玉旭、朱孝亮王金江、谢宇希二等奖21湖南工业大学张永福、颜焕、张彤彤谭会生、宓茜三等奖22长沙学院古铖、张爱明、史明政杨军、刘亮三等奖23湖南文理学院汪大理、周双兴、刘远鹏王先春、胡惟文三等奖24湖南科技大学刘朝伟、张浩、周奇峰曾照福、韦文祥三等奖25怀化学院赵平、子锦福、任一多张涛、钱莹晶三等奖26湖南师范大学刘秋香卢灵敏许石龙兰浩、汪鲁才三等奖27中南大学卢军、刘金宝、蔡炳榕曹宏宇三等奖28湖南工学院戴志威、陈义、杨潇雷军、王小虎三等奖29邵阳学院谢良辉、周兴、舒文威许建明、王少杰三等奖30衡阳师范学院谭平平、陈玉旭、朱孝亮王金江、谢宇希三等奖31湖南农业大学王一凡、张栋、单伟强康江、罗亚辉三等奖32国防科技大学戴少奇、智帅峰、杨兴隆刘菊荣、韩韬优胜奖4、公开赛A题:四旋翼自主飞行器(A)1湖南理工学院罗民、陆元桃、唐滔陈松、李宏民一等奖2国防科技大学王思宇、刘轶、江城廖灵志、王建文二等奖3湖南工程学院胡拼、李拔群、唐梓傑曾志刚、陈亚琼三等奖4湖南大学黄玉俊、林国斌、张麟威周冰航、银翔三等奖5湘潭大学王波、邝乐、常德肖业伟、刘奇能优胜奖6中南大学李炜坤、薛喜辉、卞栋磊曹宏宇优胜奖7湖南农业大学李荣伟、于强、赵辛茹康江、刘利方优胜奖5、公开赛B题:四旋翼自主飞行器(B)1湖南理工学院杨陈民、聂敏航、李勇奇张敏、伍健辉一等奖2长沙理工大学张洪龙、汪中原、吴静雯郑斌、马钧二等奖3湖南大学杨洪、胡玉光、陈谢沅澧毛旭光、吴桂清三等奖4湖南农业大学黄杰、单伟强、王鑫康江、李旭三等奖5湖南人文科技学院刘国文、李谟炜、周文成侯周国、王善伟三等奖6湖南文理学院奉强、聂庆春、黄轶伍宗富、王文虎优胜奖。
2014年TI 杯福建省大学生电子设计竞赛试题参赛注意事项(1)9月3日8:00竞赛正式开始。
本科组参赛队只能在【本科组】题目中任选一题;高职高专组参赛队在【高职高专组】题目中任选一题,也可以选择【本科组】题目。
(2)参赛队认真填写《登记表》内容,填写好的《登记表》交赛场巡视员暂时保存。
(3)参赛者必须是有正式学籍的全日制在校本、专科学生,应出示能够证明参赛者学生身份的有效证件(如学生证)随时备查。
(4)每队严格限制3人,开赛后不得中途更换队员。
(5)竞赛期间,可使用各种图书资料和网络资源,但不得在学校指定竞赛场地外进行设计制作,不得以任何方式与他人交流,包括教师在内的非参赛队员必须迴避,对违纪参赛队取消评审资格。
(6)9月6日20:00竞赛结束,上交设计报告、制作实物及《登记表》,由专人封存。
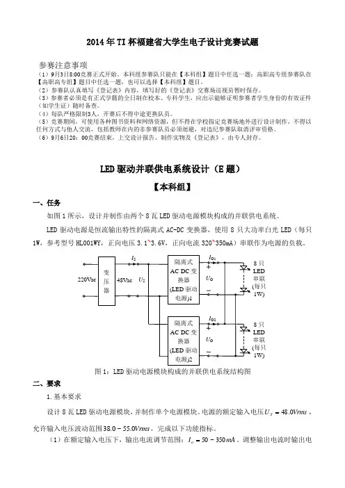
LED 驱动并联供电系统设计(E 题)【本科组】一、任务如图1所示,设计并制作由两个8瓦LED 驱动电源模块构成的并联供电系统。
LED 驱动电源是恒流输出特性的隔离式AC-DC 变换器,使用8只大功率白光LED (每只1W ,参考型号HL001WY ,正向电压3.1~3.6V ,正向电流320~350mA )串联作为电源的负载。
图1:LED 驱动电源模块构成的并联供电系统结构图二、要求1.基本要求设计8瓦LED 驱动电源模块,并制作单个电源模块。
电源的额定输入电压Vrms U S 0.48=,允许输入电压波动范围Vrms 0.55~0.38,完成以下功能指标。
(1)在额定输入电压下,输出电流调节范围:mA I o 350~50=。
调整输出电流时输出电变压器220Vac 48Vac U SI S隔离式AC-DC 变换器 (LED 驱动电源)1I O1 U O8只LED 串联(每只1W)隔离式AC-DC 变换器 (LED 驱动电源)2I O2 U O8只LED 串联(每只1W)压按LED 的正向导通特性有相应变化。
2014年TI杯竞赛陕西赛区设计报告封面说明1.本页作为竞赛设计报告的封面和设计报告一同装订;2. “参赛队编号”由参赛学校编写,其中“学校编号”应按照巡视员提供的组委会统一编排的编号填写,“组(队)编号”由参赛学校根据本校参赛队数按顺序编排,“选题编号”由参赛队员根据所选试题编号填写,例如:“0105B”或“3367F”。
3. 本页允许各参赛学校复印。
无线电能传输装置摘要电能谐振耦合无线传输是一种新的电能传输概念和方法,它能在中距离范围传递能量。
本文基于空间隔离的两线圈,设计制作了一个谐振耦合电能无线传输装置。
系统以MSP430F149单片机控制振荡频率,通过驱动电路与单管逆变电路产生高频功率源,经发射与接收线圈进行无线能量传输,到后级再经整流滤波电路,用来点亮LED。
设计分四个模块:单片机控制模块、驱动与高频逆变模块、发送与接收模块、整流滤波模块。
从输入15V经辅助电源给单片机与驱动电路提供电压,产生的功率源经收发线圈,可以实现DC-AC-DC的无线电能传输。
测试结果表明,空间隔离的两空心线圈达到谐振耦合时,线圈之间的传递能量最大,从而很好的实现了无线电能传输的功能。
关键词:能量无线传输;谐振耦合;单管逆变- 1 -1 引言随着电子技术的快速发展与个人电子设备的普及,无线电能传输装置也应运而生。
无线电能传输解决了传统电能传输的大电能存储和传输材料的问题,若技术成熟,可以广泛的应用到医疗电子产品、个人电子产品、工业电子产品等方面。
而本次题目要求设计一个磁耦合谐振式无线电能传输装置,因此我们采用单管高频逆变搭建高频功率源。
此次要求要接收端电压至少为8V,电流0.5A,这使得系统中的设计及参数要求更加的精准、严格。
2整体设计本系统设计输入为15V直流,输出为8V以上直流电压,0.5A电流的无线电能传输装置。
整个系统主要采用MSP430F149为主控芯片,12864液晶显示,IR2110驱动,IRF540 MOS管,通过单片机控制频率振荡、稳压和驱动电路、高频单管逆变电路、发射线圈等几部分组成发射部分,再由接收线圈、整流电路、滤波电路等几部分组成接收部分。
A--基于大功率白光LED 的可见光通信(本科组)一、任务设计并制作一个可见光通信装置。
二、要求1、基本要求(1)可见光通信装置利用单只10W(或≧9W)白光LED 和光电器件作为收发器件,用来传输语音和模拟波形信号,传输距离大于30cm ;自制24 V 、1A 直流电源2个(发端、收端分别采用此单电源供电),系统基本框图如图1。
发送端的供电部分需要加测试点(测试点加上鱼嘴夹方便测试),测试点电压U 1、电流I 1如图2所示。
(接收端负载最好为8Ω喇叭)可见光通信发端装置语音或者模拟波形信号24V 1A 直流电源可见光信道10W 白光LED可见光通信收端装置光电器件24V 1A 直流电源语音或者波形发送端接收端图1 系统基本框图24V1A电源可见光通信发端装置电压测试点电流测试点U 1I 1图2 电压、电流测试点(2)在不进行信号传输的情况下10W 白光LED 的功率必须达到10W ,要求电流为I 2=1±0.05 A ,电压U 2=10 V (误差可以稍大)。
需要加测试点(测试点加上鱼嘴夹方便测试),测试点电流I 2、电压U 2如图3所示。
10W 白光 L E D电压测试点电流测试点LED 驱动电路I 2U 2图3 10 W 白光LED 测试点(3)传输的语音信号或低频信号源信号频率范围为300~8000 Hz ,语音信号要求来自麦克风或MP3,模拟波形信号来自信号发生器。
要求发端装置的输入端以及收端装置的输出端加测试端子,以方便检测波形。
(4)在发送端发送300~8000Hz 音频信号时,接收的声音应无明显失真。
当发射端输入信号为300Hz 、1000Hz 、8000Hz 单音信号时,在8Ω电阻负载(或喇叭)上,接收装置的输出电压有效值不小于0.4V 。
不改变电路状态,减小发射端输入信号的幅度至0V ,采用低频毫伏表(低频毫伏表为有效值显示,频率响应范围低端不大于10Hz 、高端不小于1MHz )测量此时接收装置输出端噪声电压,读数不大于0.1V 。
2014年TI杯大学生电子设计竞赛设计报告D题:带啸叫检测与抑制的音频功率放大器【本科组】2014年8月D题:带啸叫检测与抑制的音频功率放大器摘要:根据题目的要求,本系统由拾音放大模块、功率放大模块、啸叫检测和抑制模块及电源模块组成,拾音电路采用同相放大器电路,使用基于TI的功率放大器芯片TPA3112D1来制作功率放大电路;并基于MSP430F149实现程控设置功率放大器的输出功率、实时显示啸叫频率和相应的功率放大器输出功率、抑制啸叫的功能,最终实现带啸叫检测与抑制的音频功率放大器电路的搭建,该电路不仅能实时显示啸叫频率和功率,还能有效抑制啸叫并保持很高的音频播放质量。
一、题目简介1.任务基于TI的功率放大器芯片TPA3112D1,设计并制作一个带啸叫检测与抑制功能的音频放大器,完成对台式麦克风音频信号的放大,通过功率放大电路送喇叭输出。
电路示意图如图1所示。
2.要求(1)设计并制作图1中所示的“拾音电路”和“功率放大电路”,构成一个基本的音频功率放大器。
要求:(25分)a)在输入音频信号有效值为20mV时,功率放大器的最大不失真功率(仅考虑限幅失真)为5W,误差小于10%;b)在输入音频信号有效值为20mV时,程控设置功率放大器的输出功率,功率范围为50mW~5W;c)功率放大器的频率响应范围为200Hz ~ 10kHz。
(2)系统采用12V直流单电源供电,所需其他电源应自行制作。
(10分)(3)在功率放大器输出功率为5W时,电路整体效率≥80%。
(10分)(4)将台式麦克风与喇叭相隔1m背靠背放置,见图2(a),使用电脑播放音乐作为音频信号源。
音频功率放大器能通过麦克风采集信号,经功率放大电路送喇叭输出,输出的音频信号清晰。
(5分)(5)设计并制作图1所示的啸叫检测电路和啸叫抑制电路,完善音频功率放大器。
要求:(15分)a)在不进行啸叫抑制时(图1的选择开关K1连接A端,K2连接C端),将麦克风与喇叭相隔1m面对面放置,见图2(b),从小到大调整功率放大器的输出功率,直到产生啸叫时停止;b)啸叫检测电路能实时监测所产生啸叫,并计算啸叫的频率。
2014年全国大学生电子设计竞赛地方赛区TI杯
评分
竞赛简介| 竞赛使用仪器及器件、设备 | 竞赛通用参考题
2014年TI杯地方赛区大学生电子设计竞赛由德州仪器公司冠名赞助,旨在吸引各地高校的电子信息技术及其相关专业的大学生广泛参与到学生创新活动中来,提升电子设计制作能力,培养大学生创新意识、动手能力和工程实践能力,并最新最先进的单片机和模拟技术带到高校的教学和科研中去。
2014年,德州仪器公司和16个地方赛区合作,他们分别是:北京、上海、江苏、浙江、天津、陕西、湖北、四川、重庆、山东、湖南、广西、辽宁、黑龙江、福建、安徽。
为了协助各赛区参赛队利用业界先进的半导体技术快速开展设计,TI大学计划部在每个赛区安排了一系列的相关培训,培训内容涵盖TI的超低功耗MSP430单片机、高性能运算放大器、数据转换器以及开关电源转换器。
各赛区的集中培训一方面为参与竞赛的老师和学生提供技术指导,以帮助他们在设计竞赛中快速、简单、高效的实现模拟系统和MSP430设计;另一方面也为今后的模拟电子相关科目的教学和科研提供帮助。
目前竞赛正处于紧张的赛前培训、学生训练和准备阶段,所有赛区竞赛会在9月份全部结束。
4251.2014年TI杯电子设计竞赛推荐芯片列表.xlsx。
2014年TI杯福建省大学生电子设计竞赛试题平衡杆小车(B题)【本科组】2014年9月6日摘要本系统选用STC12C5A60S2单片机作为主控芯片,以MPU-6050作为传感设备为核心的系统。
用MPU-6050来采集数据,通过A/D模块将采集的模拟化的量转化为数字量,由单片机控制减速电机来调整单摆在摆动过程中的得到角度,保证摆杆竖直倒立。
信号采集是MPU-6050六轴加速度传感器,该传感器采集了信号,并进行调整,卡尔曼滤波等调整,提供三个轴的灵敏度的选择。
但应该考虑到该系统的运行,只需要提供两轴的灵敏度参数。
该信号采集后由单片机进行监控,并通过减速电机来进行摆杆的调控。
最终实现该系统的功能。
关键字:MPU-6050,电机驱动,电源模块1系统方案本系统主要由最小系统模块、MPU-6050数据采集模块、驱动控制系统组成,下面分别论证这几个模块的选择。
1.1 最小系统模块的论证与选择方案一:选择STC89C52作为主控芯片,STC89C52周期比较慢,使系统反应比较慢。
方案二:选择MSP430G2553作为主控芯片,这款单片机的虽然周期是比STC89C52快,但是为了实现能用液晶12864显示,电路中的电压和电流,使用端口不够。
方案三:选择stc12C5a60s2作为主控芯片,有两路PWM输出,作为增强型51速度也比较快,还有自带AD,完全符合本系统开发。
综合以上三种方案,选择方案三。
1.2 数据采集模块的选择与论证方案一:单摆在摆动过程中需要传感器来收集角度信号变化,选择角度传感器增量式光电编码器,该传感器可以在一圈内收到360个脉冲,通过特地的算法,往一个方向转动时,正向转动时每度增加一个脉冲,计数增加,反向转动时每转动一度就减少一个一个脉冲,计数减少。
计数与光电编码器的初始位置有关,设置为在摆杆倒立时候的位置。
方案二:传感器芯片MPU-6050是一种低功耗,低压运行,高灵敏度的六轴加速度传感器,单摆在摆动的时候只需要芯片检测X,Y轴方向上得到加速度。
2014 年TI杯大学生电子设计竞赛E题:∑-Δ型A/D转换电路1.任务设计并制作1阶∑-Δ调制器,并在此基础上设计并制作∑-Δ型A/D转换电路,电路结构如图1所示。
图1 ∑-Δ型A/D转换电路框图2.要求(1)设计并制作1阶∑-Δ调制器,具体电路框图如图2所示。
图中U为2V。
要REFf自定。
(12分)求∑-Δ调制器输出的1位数据流为TTL电平,时钟频率CLK(2)利用(1)中制作的1阶∑-Δ调制器,设计并制作∑-Δ 型A/D转换电路。
要求A/D转换电路可设置工作于下列两种模式:(32分)●模式1,采样频率为100Hz,采样位数为12位;●模式2,采样频率为1600Hz,采样位数为8位。
(3)设计并制作∑-Δ型A/D转换电路的采样数据显示装置。
要求可以显示A/D转换电路连续采样数据波形,显示的波形数据点数不少于200点。
同时,在波形上显示一个光标,移动光标时能显示相应波形点的采样数据。
(6分)(4)改进∑-Δ 型A/D转换电路的显示装置,要求能计算A/D转换电路输出的采样,并实时显示。
方差的计算使用连续1秒的采样数据直接计算。
数据的方差2(10分)(5)改进∑-Δ型A/D转换电路的设计,尽量减小A/D转换电路的本底噪声和量化噪声,提高∑-Δ 型A/D转换电路的采样精度。
实现∑-Δ 型A/D转换电路能工作于下列模式:(20分)●模式3,采样频率为100Hz,采样位数为16位,有效位数不少于13位。
图2 1阶∑-Δ调制器的结构框图(6)进一步提高∑-Δ型A/D转换电路的采样速度。
实现∑-Δ 型A/D转换电路能工作于下列模式:(15分)模式4,采样频率为1600Hz,采样位数为16位,有效位数不少于13位。
(7)其他自主发挥。
(5分)(8)设计报告(20分)3.说明(1)要求(1)中,要求减法器、积分电路、比较器和1位DAC分别用独立电路实现,并在A、B、C、D信号处应留有测试口,以便对信号波形进行观察。
2014年TI杯福建省大学生电子设计竞赛试题(D题)设计报告——无线电源数字调谐超外差接收装置摘要本设计采用无线电源供电,用MSP430单片机控制产生本振信号,通过超外差接收电路,可自动频率搜索输入载频,自动增益控制,可显示载频频率及调制信号。
本系统无线电能传输电源,采用磁耦合方式;高放AGC和中放AGC共同作用,实现电路增益的自动控制,使电路更加可靠、稳定;本振信号由MSP430单片机控制锁相频率合成电路产生,频率在10.1~20.1MHz范围连续可调,步进1kHz;LC选频电路和选频器件实现选频及通带带宽需求;通过电压检测电路来检测判断输入信号频率。
经测试,无线电能传输电源输出+5V为系统供电正常,本设计可对输入信号实现自动搜索、检测并显示,可对输入调幅信号解调并显示相应的调制信号。
本设计完成了题目所要求的基本指标以及大部分发挥部分的指标。
关键词:无线磁耦合MSP430超外差接收机AGC低功耗1.系统方案设计(一)设计原理磁耦合无线电源:磁耦合谐振式无线电能传输技术,就是利用磁耦合和谐振技术来实现电能的无线传输。
其理论基础是耦合模式理论,其主要思想是系统中具有相同谐振频率的物体之间通过强耦合从而进行高效率的能量交换,而偏离谐振频率的物体之间相互作用则较弱。
超外差接收机:超外差接收,就是将所有要接收的电台在调频电路里调好以后,经过电路本身的作用,就变成另外一个预先设定好的频率,然后再经过放大和检波。
这个固定的频率就是由差额产生的。
在收音机内制造一个本地震荡,使它和外来高频调幅信号同时送到一个晶体管内混频。
由于晶体管的非线性作用导致混频的结果就会产生一个新的频率。
这就是外差作用。
采用了这种电路的接收机就叫外差式接收机,混频和振荡的工作,合称变频。
(二)设计方案整体方案框图:图1总体框图自动增益控制节点四节点三高频信号接收放大本振模块产生本振频率混频合成中频放大检波低频放大键盘键入频率自动扫描检测节点一节点二无线磁耦合供电MSP430控制无线电源数字调谐超外差接收装置由无线电源供电、mso430控制电路、超外差接收通道三部分构成,其中无线电源由无线系统集成芯片XKT-515结合匹配电容电感产生产生震荡发射,由电容电感谐振接收,经整流稳压后为接收机供电,接收机由手动键入或自动扫频监测输入频率,与锁相环产生的相应本振混频输出中频带载信号,并对其进行放大检波输出,在高品放大中频放大以完成设计要求。
一、任务
设计并制作一个额定输出功率为16W 的8V DC/DC供电电源,已知额定输入电压为24V。
二、要求
1. 基本要求
( 1 )调整负载电阻至额定输出功率工作状态,供电系统的直流输出电压U O =8.0 ± 0.4V 。
( 2 )额定输出功率工作状态下,供电系统的效率不低于60% 。
( 3 )调整负载电阻(4欧姆~20欧姆),保持输出电压U O =8.0 ± 0.4V。
( 4 )调整输入电压(10V~30V),保持输出电压U O =8.0 ± 0.4V。
( 5 )具有显示输出、输入电压、电流、功率、系统效率的功能。
2. 发挥部分
( 1 )额定输出功率工作状态下,进一步提高供电系统效率。
( 2 )具有负载短路保护及自动恢复功能,保护阈值电流为 4.5A (调试时允许有± 0.2A 的偏差)。
( 3 )能正确显示系统输出、输入电压、电流、功率、系统效率。
(4 )具有键盘调节输入电压的功能,额定输入时,输出电压可设定为(6V~20V),单步调压1V。
2014年TI杯西安邮电大学大学生电子设计竞赛
宽带放大器电路的设计(A题)
1.任务
设计并制作一个宽带放大器电路,并设计一个能对这个放大器电路的输出信号进行幅度测量的电路。
设计任务方框图如下图所示,其中的正弦信号产生器由实验室提供。
图1 设计任务方框图
2.要求
2.1基本要求
(1)宽带放大器电路
放大器输入电阻50Ω,输出电阻50Ω,负载电阻50Ω;
电压增益≥40dB;(电压增益由分别测量负载电阻两端电压幅度和信
号产生器输出信号幅度,通过计算获得)
放大器工作频率范围(即3dB带宽对应的频率范围):10.0Hz~
100.0kHz,上限、下限频率相对误差≤10%。
(2)正弦信号幅度测量电路
测量信号幅度范围为0.10V~5.00V;
测量信号频率范围为1.0Hz~1.0MHz。
(3)设计并制作一个数字显示电路。
电路能够以数字形式显示各种测量数据,并具有足够的数据显示精度。
2.2发挥部分
(1)在完成基本要求的基础上,放大器电压增益提高到≥60dB。
(2)在满足放大器电压增益≥60dB的条件下,在频率范围500.0Hz~
50.0kHz之内,带内电压增益波动≤1 dB。
(3)在满足放大器电压增益≥60dB的条件下,放大器输出噪声峰峰值≤100mV。
(4)其它。
3.评分标准。
2014年TI杯大学生电子设计竞赛题G题:简易风洞及控制系统(高职高专)1.任务设计制作一简易风洞及其控制系统。
风洞由圆管、连接部与直流风机构成,如右所示。
圆管竖直放置,长度约40cm,内径大于4cm且内壁平滑,小球(直径4cm黄色乒乓球)可在其中上下运动;管体外壁应有A、B、C、D等长标志线,BC段有1cm间隔的短标志线;可从圆管外部观察管内小球的位置;连接部实现风机与圆管的气密性连接,圆管底部应有防止小球落入连接部的格栅。
控制系统通过调节风机的转速,实现小球在风洞中的位置控制。
2.要求(1)小球置于圆管底部,启动后5秒内控制小球向上到达BC段,并维持5秒以上。
(20分)(2)当小球维持在BC段时,用长形纸板(宽度为风机直径的三分之一)遮挡风机的进风口,小球继续维持在BC段。
(10分)(3)以C点的坐标为0cm、B点的坐标为10cm;用键盘设定小球的高度位置(单位:cm),启动后使小球稳定地处于指定的高度3秒以上,上下波动不超过±1cm。
(10分)(4)以适当的方式实时显示小球的高度位置及小球维持状态的计时。
(10分)(5)小球置于圆管底部,启动后5秒内控制小球向上到达圆管顶部处A端,且不跳离,维持5秒以上。
(10分)(6)小球置于圆管底部,启动后30秒内控制小球完成如下运动:向上到达AB段并维持3~5秒,再向下到达CD段并维持3~5;再向上到达AB段并维持3~5,再向下到达CD段并维持3~5;再向上冲出圆管(可以落到管外)。
(20分)(7)风机停止时用手将小球从A端放入风洞,小球进入风洞后系统自动启动,控制小球的下落不超过D点,然后维持在BC段5秒以上。
(10分)(8)其他自主发挥设计。
(10分)(9)设计报告。
(20分)项目主要内容分数系统方案方案比较,方案描述 5设计与论证风洞控制实现方法电路设计及参数计算8测试测试方法与测试结果 5设计报告结构及规范性摘要,正文结构完整性、内容规范性 2小计203.说明(1)题中“到达XX段”是指,小球的整体全部进入该段内;(2)题中“维持”是指,在维持过程中小球整体全部不越过该段的端线;(3)小球的位置以其中心点为准(即小球的上沿切线向下移2cm,或下沿切线向上移2cm);(4)直流风机的供电电压不得超过24V,注意防止风机叶片旋转可能造成的伤害;可在圆管及其周围设置传感器检测管内小球的位置;可将圆管、连接部与直流风机安装在硬质板或支架上,以便于使圆管保持竖直状态,并保持风洞气流通畅。
2014北京工业大学TI杯电子设计竞赛题目
一、利用DC/DCLM2576设计一可调电源,要求输入电压可变,输出电压
可调。
可参考LM2576数据手册。
二、MSP430通过两条I/O信号输出两组脉宽调制波,经过低通滤波器提取脉宽调制的均值电压,输入到双通道示波器中。
示波器工作在X/Y模式。
示波器屏幕上的光点代表乒乓球。
乒乓球X/Y电压的控制下在屏幕上移动。
基本要求:
1.构造两组无源低通滤波器,使得FPGA可以用脉宽调制方式控制球的位置
(20分)
2.用给定的运放(LM324)制作一放大器,使光点运动范围在示波器的X轴,
Y轴方向上可调(10分)
3.乒乓球可按抛物线自动在屏幕上左右弹射,球的落点为屏幕两侧边的中间。
(20分)
扩展要求:
1.使用两个按钮分别作为左侧击球钮和右侧击球钮。
当乒乓球靠近屏幕左边
时按下左侧击球钮,可将球击回右侧。
右侧击球钮亦然。
(10分)
2.建立成败机制,即球抵达边沿而未按下击球钮,记为击球失败,用LED
灯光表示。
(10分)
3.建立记分机制,在七段数码管上显示双方得分(10分)
4.特殊功能,在不调整放大器的情况下,连按两下击球钮能击出高抛球,轨
迹抛物线曲率变大(20分)。
目录1.设计任务 (1)2.设计要求 (1)2.1 基本要求 (1)2.2 发挥部分 (2)2.3 解释说明 (2)3. 设计方案评定与选择 (3)3.1 拾音电路模块选择 (3)3.2 啸叫检测与抑制模块选择 (4)3.3 滤波模块选择 (5)3.4 电源模块选择 (6)3.5.1 12V转5V电源 (6)3.5.2 5V转—5V (7)4.单元模块设计 (9)4.1 拾音电路设计 (9)4.1.1 信号变换放大器 (10)4.1.2 程控三级运算放大器 (10)4.2 功率放大电路设计 (12)4.3 啸叫检测与抑制设计 (14)4.3.1 测频电路 (15)4.3.2 滤波处理单元 (15)5.程序设计 (16)6.系统调试与分析 (17)7.设计总结 (18)8.参考文献 (18)9.附件 (19)摘要本音频放大器是基于TI 的功率放大器芯片13112D TPA ,设计并制作的一个带有啸叫检测与抑制功能的音频放大器。
音频放大器主要由四部分组成:信号发生器、拾音电路、啸叫的检测与抑制、带有滤波功能的功率放大电路。
拾音电路主要是用信号放大电路将其信号发生器的单端输出i V 变换成前置放大器的双端输入0V ,在利用前置放大器将输入信号进行放大,以便对其信号进行检测。
对于前置放大器的放大倍数,通过对运算放大器的电阻进行控制,以达到改变放大倍数。
啸叫检测与抑制是利用波形变换电路将信号输入到单片机,在利用单片机对260MAX 控制达到啸叫的抑制。
功率放大电路是将输出的信号功率进行放大,并且将一些外界干扰进行滤波,使输出波形更加平稳可靠。
完成输入信号有效值为mV 20,在负载为Ω8的情况下,对其输出的功率进行控制,已到达W mW 5~50的范围,并且使其功率放大器的频率范围在KHZ HZ 10~200。
对由于声反馈产生的啸叫进行检测与抑制,使其音频放大器能够避免周围环境以及设备所产生的啸叫。
达到一个良好的音频效果。
2014年TI杯大学生电子设计竞赛题(多省联赛)A题:四旋翼飞行器1.任务设计制作一架能够自主飞行的四旋翼飞行器。
2.要求四旋翼飞行器能够完成以下飞行动作:(1)飞行器能够根据起飞前预置的指令起飞,飞离地面高度应超过30cm,飞行距离(水平)应超过60cm,然后飞行器应能平稳降落。
(30分)(2)飞行器能够根据指定(键盘设定)的飞行高度及降落地点(方向及距离)连续稳定地完成起飞、指定高度水平飞行、平稳降落等动作。
(20分)(3)飞行器能够根据起飞前预置的指令垂直起飞,起飞后能够在50cm以上高度平稳悬停5s以上,然后再平稳缓慢降落到起飞地点;起飞与降落地点水平距离不超过30cm。
(30分)(4)其他自主发挥设计的飞行动作。
(20分)(5)设计报告(20分)项目主要内容分数系统方案方案比较,方案描述 5设计与论证飞行器姿态测量方法飞行控制器控制方法与参数计算8测试测试方法与测试结果 5设计报告结构及规范性摘要,正文结构完整性、内容规范性 2小计203.说明(1)飞行器的姿态检测及飞行控制必须使用TI 公司的TIV A M4、C2000或MSP430等系列控制器。
(2)飞行器在完成每一项飞行动作期间不得以任何方式进行人为干预,如遥控等。
(3)飞行器的尺寸可自行选定。
(4)飞行方向以正北方向为0°、东北方向为45°、正东方向为90°等,以此类推;距离的单位为厘米(cm)。
(5)指定的降落地点是指降落地点距起飞地的水平距离及方向。
(6)平稳降落是指在降落过程中无明显的跌落、弹跳及着地后滑行等情况出现。
(7)能够完成要求(2)时,要求(1)可以免测。
(8)为确保安全,飞行器应在安全网中或在系留方式下工作(即以绳索将飞行器拴在地面固定物上)。
2014年TI 杯大学生电子设计竞赛题B 题:金属物体探测定位器4. 任务设计并制作一个可自主移动的金属物体探测定位器(以下简称探测器),可探测置于玻璃板下的金属物体并给出定位指示。
该探测器需采用TI 公司LDC1000电感/数字转换器评估板(AY-LDC1000)作为金属物体探头,探头上应有定位指针,以给出明显定位指示。
探头可在水平放置的玻璃板上移动。
用直径Φ2(mm )的铁丝围成约50cm×50cm 的正方形闭合框作为探测区边界置于玻璃板下,示意图见图1。
5. 要求(6) 在探测区域内某处(距探测边界≥5cm )玻璃下放置一枚直径约19mm 的镀镍钢芯1角硬币(第五套人民币的1角硬币)。
探头能从“探头进入区”一侧任意指定位置和方向自行进入探测区(铁丝框包围区域)。
通过探测,定位指针应指在硬币边沿之内,探测定位速度越快越好,且探测定位总时间应不超过2分钟。
完成定位时给出声-光指示,此后探头不得再移动。
(30分)(7) 将1角硬币更换成直径约25mm 的镀镍钢芯1元硬币(第五套人民币1元硬币),重复要求(1)的探测过程。
定位完成后,定位指针与硬币圆心之间的定位误差应控制在5mm 以内;探测定位速度越快越好,探测定位总时间不应超过2分钟。
完成定位时给出声-光指示,此后探头不得再移动。
(30分)(8) 将硬币改为自制圆铁环(用Φ2铁丝绕制),铁环外直径4cm 。
重复要求(1)的探测过程,应使定位指针尽可能指向铁环圆心,定位误差应控制在5mm 以内;完成定位时给出声-光指示,此后探头不得再移动,探测定位总时间应不超过3分钟。
(30分) (9) 其他自主发挥功能。
(10分) (10)设计报告。
(20分)项 目主要内容 分数玻璃板下 铁丝方框玻璃板下 金属物体图1 金属物体探测环境示意图无色透明普通玻璃板或有机玻璃板探头进入区50cm×50cm系统方案 系统结构、方案比较与选择4 理论分析与计算 探测器组成方案与工作原理分析、检测与控制算法6 电路与程序设计 电路设计,程序结构与设计 5 测试方案与测试结果 测试结果及分析3 设计报告结构及规范性摘要,设计报告正文的结构,公式、图表的规范性2 总分206. 说明(1) 金属物体探测定位装置探头采用AY-LDC1000板(由TI 公司提供),可直接用AY-LDC1000板上的覆铜线圈,也可自制线圈;不得安装其他传感与摄像装置。
探测开始后,不得手动或遥控探测器。
(2) 玻璃板可采用普通无色玻璃(玻璃边沿需贴上胶带以防划伤),也可用无色透明有机玻璃板;玻璃板长宽尺寸应大于50cm 、厚度约3mm 。
(3) 探头从“探头进入区”一侧进入时探头的起始位置和摆放方向,以及探测区域内的被测金属物体摆放位置均由测试专家在现场指定。
2014年TI 杯大学生电子设计竞赛题C 题:锁定放大器的设计1.任务设计制作一个用来检测微弱信号的锁定放大器(LIA )。
锁定放大器基本组成框图见图1。
2.要求(1)外接信号源提供频率为1kHz 的正弦波信号,幅度自定,输入至参考信号R (t )端。
R (t )通过自制电阻分压网络降压接至被测信号S (t )端,S (t )端幅度有效值为 10μV ~1mV 。
(5分)图1 锁定放大器基本组成结构框图交流 放大器相敏 检波器直流 放大器低通 滤波器带通 滤波器触发整形移相器方波 驱动参考输出 r (t )信号 x (t )信号通道 参考通道S (t )显示R (t )(2)参考通道的输出r (t )为方波信号,r (t )的相位相对参考信号R (t )可连续或步进移相180度,步进间距小于10度。
(20分)(3)信号通道的3dB 频带范围为900Hz ~1100Hz 。
误差小于20%。
(10分)(4)在锁定放大器输出端,设计一个能测量并显示被测信号S (t )幅度有效值的电路。
所测量的显示值与S (t )有效值的误差小于10%。
(15分)(5)在锁定放大器信号S (t )输入端增加一个运放构成的加法器电路,实现S (t )与干扰信号n (t )的1:1叠加,如图2所示。
(5分)(6)用另一信号源产生一个频率为1050~2100Hz 的正弦波信号作为n (t ),将其叠加在锁定放大器的输入端,信号幅度等于S (t )。
n (t )亦可由与获得S (t )同样结构的电阻分压网络得到。
锁定放大器应尽量降低n (t )对S (t )信号有效值测量的影响,测量误差小于10%。
(20分)(7)增加n (t )幅度,使之等于10S (t ),锁定放大器对S (t )信号有效值的测量误差小于10%。
(20分) (8)其他自主发挥。
(5分) (9)设计报告。
(20分)项 目主要内容满分 系统方案 总体方案设计4 理论分析与计算 锁定放大器各部分指标分析与计算 6 电路与程序设计 总体电路图,程序设计 4 测试方案与测试结果测试数据完整性,测试结果分析4 设计报告结构及规范性 摘要,设计报告正文的结构、图表的规范性2 总分203.说明(1)各信号输入、输出端子必须预留测量端子,以便于测量。
(2)要求(1)和(6)中的电阻分压网络的分压比例自行定义。
由于μV 级信号常规仪器难以测量,可通过适合加大输入信号幅度的方法,测量并标定其分压比。
(3)关于锁定放大器的原理可参考《微弱信号检测》。
高晋占编著,清华大学出版社交流放大器带通滤波器信号x (t )锁定放大器图2 锁定放大器叠加噪声电路图S (t ) 加法器n (t )S (t )+n (t )2004年。
2014年TI 杯大学生电子设计竞赛 D 题:带啸叫检测与抑制的音频功率放大器1.任务基于TI 的功率放大器芯片TPA3112D1,设计并制作一个带啸叫检测与抑制功能的音频放大器,完成对台式麦克风音频信号的放大,通过功率放大电路送喇叭输出。
电路示意图如图1所示。
图1 电路示意图2.要求(1)设计并制作图1中所示的“拾音电路”和“功率放大电路”,构成一个基本的音频功率放大器。
要求: (25分)a )在输入音频信号有效值为20mV 时,功率放大器的最大不失真功率(仅考虑限幅失真)为5W ,误差小于10%;b )在输入音频信号有效值为20mV 时,程控设置功率放大器的输出功率,功率范围为50mW ~5W ;c )功率放大器的频率响应范围为200Hz ~ 10kHz 。
(2)系统采用12V 直流单电源供电,所需其他电源应自行制作。
(10分) (3)在功率放大器输出功率为5W 时,电路整体效率≥80%。
(10分)啸叫检测啸叫抑制拾音电路接信号源功率放大电路ABK1音频功率放大器K2 DCR L 8V o(4)将台式麦克风与喇叭相隔1m背靠背放置,见图2(a),使用电脑播放音乐作为音频信号源。
音频功率放大器能通过麦克风采集信号,经功率放大电路送喇叭输出,输出的音频信号清晰。
(5分)(5)设计并制作图1所示的啸叫检测电路和啸叫抑制电路,完善音频功率放大器。
要求:(15分)a)在不进行啸叫抑制时(图1的选择开关K1连接A端,K2连接C端),将麦克风与喇叭相隔1m面对面放置,见图2(b),从小到大调整功率放大器的输出功率,直到产生啸叫时停止;b)啸叫检测电路能实时监测所产生啸叫,并计算啸叫的频率。
实时显示啸叫频率和相应的功率放大器输出功率;c)启动啸叫抑制电路(图1的选择开关K1连接B端,K2连接D端),音频功率放大器应能有效抑制啸叫,并正常播放音频信号。
(6)进一步改进啸叫抑制电路。
在保障无啸叫的前提下,尽量提高音频功率放大器的输出功率;如果输出功率达到5W功率,啸叫抑制电路仍能正常工作,进一步缩短面对面放置的麦克风与喇叭之间的距离。
(30分)(7)其他。
(5分)(8)设计报告(20分)项目主要内容满分方案论证比较与选择,方案描述 3理论分析与计算系统相关参数设计 5电路与程序设计系统组成,原理框图与各部分的电路图,系统软件与流程图5测试方案与测试结果测试结果完整性,测试结果分析 5设计报告结构及规范性摘要,正文结构规范,图表的完整与准确性 2总分20 3.说明(1)作品使用的麦克风应为台式全向麦克风,其灵敏度要大于-45dBV/P,插头直径为3.5mm,输出阻抗为1kΩ ~ 2.2kΩ。
关于麦克风灵敏度的定义是馈给1Pa(94dB)的声压时,麦克风输出端的电压(dBV )。
有些麦克风给出的灵敏度单位为dB/Bar ,注意之间的转换。
(2) 作品使用的喇叭应为组合纸盆方式的电动式喇叭,额定功率为5W ,额定阻抗为8Ω。
(3) 麦克风和喇叭可以直接购买,在设计报告中必须附有所购买的麦克风和喇叭的产品说明书或性能参数。
(4) 作品要求拾音电路的输入接口,以及功率放大电路连接到喇叭的接口必须外露,可方便进行连接,以便测试时使用。
(5) 作品评测由赛区统一准备测试平台,并统一使用由测试专家准备的台式麦克风和喇叭进行测试。