UDEC实例详解
- 格式:docx
- 大小:11.93 KB
- 文档页数:4
UDEC_数值模拟(⼊门学习)UDEC ⼊门;new 是刷新udec窗⼝,从新调⽤⼀个程序;title 与heading代表标题,后⾯紧跟标题的名称。
如:titlehang dao mo ni;round 指块体与块体之间的圆⾓半径,默认值是0.5,其值要求⼩于模型中最⼩块体的最短那条边长的⼆分之⼀。
如:round 0.05set ovtol=0.5;此命令是指层与层之间的嵌⼊厚度block x1,y1 x2,y2 x3,y3 x4,y4;建⽴模型框架,crack x1,y1 x2,y2;两点划⼀线jregion id n x1,y1 x2,y2 x3,y3 x4,y4 deletejset 90,0 4,0 4,0 6,0 0,-50 range jreg 3;jset 倾⾓,0 线段长,0 线段与线段轴向间隔长,0 垂向间距,0 xm,ym range jregion n;其中xm,ym为起始点坐标,n为设置的区域标号gen quad 10 range xl xu yl yu;在指定的区域⽣成⼀定宽度的单元(xu为x⽅向的取值)zone model mo range xl xu yl yu;使指定的区域材料采⽤摩尔--库仑本构关系计算(即弹塑性)change jcons=2 range xl xu yl yu;使指定的区域节理遵循摩尔--库仑准则计算(即弹塑性)change mat=1 range xl xu yl yuchange mat=2 range xl xu yl yuchange mat=3 range xl xu yl yu;指定各岩层的材料标号change jmat=1 range xl xu yl yuchange jmat=2 range xl xu yl yuchange jmat=3 range xl xu yl yu;指定各岩层的节理标号prop mat=1 dens=2000prop mat=2 dens=2650prop mat=3 dens=2700;指定各材料的密度,⽐如1号材料dens=2000,即1⽴⽅⽶重2吨zone k=0.15e9,g=0.1e9,fric=10.00,coh=0.19e6,ten=0.09e6 range mat=1zone k=2.8e9,g=2.2e9,fric=30.00,coh=1.5e6,ten=0.4e6 range mat=2zone k=6.9e9,g=6.6e9,fric=38.62,coh=5.63e6,ten=3.20e6 range mat=3;k为材料的法向刚度,g为材料的切向刚度,friction为材料的内摩擦⾓,;cohesion为材料的内聚⼒,tension为材料的抗拉强度prop jmat=1 jkn=0.2e8,jks=0.1e7,jcoh=0,jfric=4,jten=0prop jmat=2 jkn=8e8,jks=5e7,jcoh=0.1e6,jfric=8,jten=0prop jmat=3 jkn=20e8,jks=16e7,jcoh=0.4e6,jfric=15,jten=0;jkn为节理的法向刚度,jks为节理的切向刚度,jfriction为节理的内摩擦⾓,;jcohesion为节理的内聚⼒,jtension为节理的抗拉强度set gravity 0,-9.81;设置重⼒加速度,x⽅向为0,y⽅向为-9.8bound xvel=0 range -0.1 3.00 -60.1 20.1bound xvel=0 range 97 100.1 -60.1 20.1bound yvel=0 range 0.1 100.1 -60.1 -58;采⽤位移法固定边界solve\step 5000\cycle 5000;执⾏计算save pingheng.sav;保存⽂件,⽂件的后缀为.sav,⽂件名可以⾃⼰命名。
1、加载UDEC进入DOC环境后输入giic或者gui命令,然后进入主菜单2、Model option 选择合适条件通常情况下,你可以使用默认域联系(domain-logic)检测模式。
如果你想监测任何块体的位移,这些块体可能从隧道顶部分离或掉落,你应该使用“cell-space detection”模式跟踪位移和下落块体的潜在接触。
3、命名并且保存文件4、New block 建模,根据需要设置模型的长30 宽15415 410 405 400 395 390 385 380 375 370415 410 405 400 395 390 385 380 375 370 420 425 430 435 440 445 450 455 m5、Bound 调节边界,与实际相符6、Crack 添加节理,(层状岩体是否按节理处理?)岩层20°∠34°,J1产状60°∠15°J2产状为35°∠47°,J3产状为95°∠89°(怎么将不同产状节理进行转换?)路线设计好,为后来开挖做好准备。
7、execute 执行文件8、zone 执行长度为0.5的最大区域边界,划分网格9、Zone material 创建一个或者几个块体材料属性,选择一种本构模型,本次选择的是Mohr-Coulomb模型prop mat 1 den--2143 bu=30e9 sh=18e9 c=1.2e5f=21 t--2e5prop mat 2 den=2260 bu=40e9 sh=24e9 c=1.5e5f=28 t--2.5e5prop mat 3 den--2300 bu=50e9 sh=28e9 c=3.5e5f=32 t--3.5e510、JointMat 节理属性,选择;liexi 1prop jmat 1 jkn=4e9 jks=2.Oe9 j卜18 jc=0 jt=0jieli2prop jmat 2 jkn=4e9 jks=2.Oe9 jf=18 jc=le4 jt=0;huadai;bianxingtidijiemian3prop jmat 3 jkn=4e9 jks=2e9 jf--10jc=2e3 jt=0;duanceng4prop jmat 4 jkn=2e9 jks=0.7e9 jf=13 jc=le3 jt=011、instiu -bound 边界条件左右边xvelocity为0,下边界yvelocity为0保存slope112、utility 访问不同变量,可以监测将要下滑的块体垂直和水平位移13、setting 设置重力9.8114、run -solve 自动检测平衡,在分析的不同阶段保存项目为slope2、3、415、build -cut or fill 如果删除某一块后则可立即保存,评价岩体的稳定性用solve工具实现,计算稳定状态得到开挖后岩体周边的位移通过y位移等值线图来说明,点击“Contour-Motion/ydisplace”输出,保存slope516、接下来可以评价有弱节理的岩体中因开挖引起节理岩体的反应,首先回到slope1,A分支包含关于强节理岩体开挖的保存文件,B分支是一个新的分支,你可以用来执行弱节理的模拟。
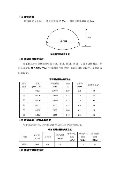
(1)断面形状隧道净宽(单洞):基本总宽度10.75m 。
隧道建筑限界净高5.0m 。
(2)围岩级别参数选取数值模拟针对公路隧道中的Ⅰ级、Ⅱ级、Ⅲ级、Ⅳ级、Ⅴ级和Ⅵ级围岩,参数主要依据JT G D70- 2004《公路隧道设计规范》中对各级围岩物理力学参数的经验取值。
不同围岩级别参数取值(3)喷射混凝土材料参数选取喷射混凝土材料,选用隧道建设实际工程中的经验取值。
喷射混凝土材料参数取值(4)围岩节理参数选取岩体内部倾角为30°和135°虚拟节理,按照经验及工程类比取值,具体参数如下:不同级别围岩节理参数建议值(5)模型本构关系模型的本构关系选取摩尔-库伦模型,节理的本构模型关系选取库伦-滑移模型。
(6)udec模型模型选择为80×60m的长方形,由于隧道位于地下220处,模型上部边界所受力由上覆岩石容重取得,侧压力系数取1.5。
左右及下部边界固定。
(7)模拟第一步:在隧道工程建设中,单一地下开挖工程,边界开挖的距离应大于5倍开挖跨度,隧道开挖后,3~5倍洞径范围为开挖影响范围,该范围内的掩体成为围岩体,应力将产生重分布。
因此,在建立数值模型计算时主要考虑该范围内的围岩体,具体为隧道上部和下部覆盖围岩体厚度取6倍的隧道半径,为30m,,左右两边岩体厚度取8倍的隧道半径,为40m。
按照上述设计尺寸,添加倾角为30°和135°的岩层节理面,划分网格如下图所示。
模型尺寸及网格划分第二步:施加边界条件,限制左右两侧水平方向位移为0,固定底边即水平和竖向位移均为0,在上边界均布施加竖直方向5.8e6N荷载,左右边界施加均布水平荷载8.7e6N,从而模拟地应力。
第三步:选定三级围岩及对应岩体节理,赋值于数值模型内,然后进行开挖,支护。
喷射混凝土的参数根据具体工程如下所示:struct gen xc 0 yc 0 npoint 16 mat 5 thick xx fang -10 theta 360prop mat=5 st_d=2400 st_ymod=24.0e9 st_prat=0.20 st_yield=1e10prop mat=5 if_kn=1e8 if_ks=1e7 if_coh=1.0e10喷混凝土层示意图(1)开挖未支护开挖未支护X方向位移开挖未支护Y方向位移选取几个点记录位移如下所示开挖未支护模型塑性区从上图可以看出,模型在隧道开挖后在不进行初期支护的情况,隧道周围出现破坏区,出现4个软弱屈服面。
^`UDEC 实例翻译与命令解析翻译:珠穆朗玛1 地震诱发地层坍塌 Seismic-Induced Groundfall1.1 问题描述本例展示使用 UDEC 模拟分析地震诱发地层坍塌的一类的问题,模型见图 1.1,该模型基 于加拿大安大略省萨德伯里市鹰桥公司弗雷则矿 34-1-554 切割断面的一个剖面图的结构和 尺寸. 用二维平面应变模型代表垂直于超采轴向方向的平面效应,超采面高 5m,宽 10m.假定两个连续节理交叉平面分析:一个角度为 45 度,另一个为-9 度,两者节理间距均为 5m,为了演示的目的,一个近似垂直的“虚拟节理”也被添加到块体内开挖面顶部以增强不稳 定性。
围岩参数来自试验室平均测试数值,假定岩石块体参数如下:假定块体仅具有弹性行为,节理假定符合库伦滑动准则,选择典型的教课书数值作为节 理参数,如下:初始应力状态按各向同性估计为24Mpa(假定垂直荷载由覆盖深度大约800m 的岩层产生)。
1.2 UDEC 分析UDEC 模拟顺序分三个阶段,首先,模型在初始应力状态下进行无超采固结.其次,进行开挖并且模型循环至平衡状态.本阶段超采面周围的应力分布见图1.2.超采正上方和下方的块体滑动后稳定.在第三阶段.估计了两个不同的峰值速度的地震事件.对所有地震模拟,在问题域的外周边界引入粘滞边界用以消除波的反射.从而模拟有限的岩体,地震事件用施加到模型顶部y 方向的正弦应力波表现.应力波被叠加到已存在的初始地应力上.在第一个模拟中,施加1.25Mpa 的峰值应力,应当注意的是,由于粘滞边界条件实际是在模型顶部, 施加的有效影响应力应该是1.25 MPa/2, or 0.625 MPa.0.02 秒后的开挖面拱顶的应力分布见图1.3,两点的位移被监测,1 点位于开挖面的左角,点2 位于拱顶块体的右角, 图1.4 的位移时间曲线显示两点本质上是弹性反应.本例关心的问题是在模型顶部施加的速度和计算速度的对比,下面的公式可以用以估计施加的波速.使用这个方程,施加的最大波速大概是0.04m/sec,图1.5 显示的峰值波速小于0.06m/sec. 估计的波速和监测波速的不同在于使用的围岩模量.而是没有考虑节理变形的相等变形模量.在第二个案例中,施加应力波峰值12.5 Mpa(有效应力6.25Mpa).0.02 秒后的开挖拱顶应力分布见图1.6.该图显示出拱顶岩体不受力,表面该块体已经松散并正在下落.对于关心的问题,后来三个时间的几何体和应力分布见图1.8 至图1.10.在问题的顶部预测的波速(从上面的方程)是0.4m/sec.从模型中计算的波速见图1.11,再次,由于使用的是原岩弹性模量而不是岩体的变形模量导致预测和监测的波速之间的差异.1.3 节包含了该模型的数据列表,该列表包含了一个FISH 函数(show)被用来创建坍塌的动画文件,每隔0.02 秒俘获一个显示的图片.通过改变FISH 参数time_int 可以改变动画帧的间隔.视图的总数也可以通过改变snap_shot 的数值进行改变.为了显示80 帧的显示图片而创建的该电影文件需要大概13MB 的硬盘空间.1.3 数据文件列表Example 1.1 SEISMIC.DATtitleSEISMIC INDUCED ROOF COLLAPSE 地震诱发拱顶坍塌;round 0.01; define original boundary of modeled region 定义模型区域的原始边界block -25,-20 -25,20 25,20 25,-20; generate joint pattern over entire original region 在整个原始区域生成节理形态jregion id 1 -25,-25 -25,25 25,25 25,-25jset 45,0 200,0 0,0 5.0,0 (0,0) range jreg 1jset -9,0 200,0 0,0 5.0,0 (0,0) range jreg 1; put in joints needed for the later excavation 为了后面开挖而设置的节理crack -5.01,-2.51 5.01,-2.51crack -5.01, 2.51 5.01, 2.51crack -5,-2.5 -5,2.5crack 5,-2.5 5,2.5crack 2.25,2.5 1.93,5.0; generate fdef zones and assign joint properties (mat=1 & jmat=1;default) 生成单元和设置节理参数generate edge 9.0 range -30,30 -30,30prop mat=1 d=0.00300 k=39060 g=31780prop jmat=1 jkn=20000 jks=20000prop jmat=1 jf=30.0; apply boundary conditions and initial conditions to 在地应力下施加边界条件和初始条件; consolidate model under field stressesbound stress=-24.0, 0.0, -24.0 ygrad=-0.3 0 -0.3insitu stress=-24.0, 0.0, -24.0 ygrad=-0.3 0 -0.3bound yvel 0.0 range -26,26 -21,-19grav 0.0 -10.0; track the x-displacement, and y-displacement over time 追踪位移hist solvehist xdis=0,7 ydis=0,7 type 1solve rat 1e-5; save consolidated statesave seismic1.sav; make excavationdelete range -5,5 -2.5,2.5solve rat 1e-5; save excavated statesave seismic2.sav;rest seismic2.sav; apply seismic load from top (peak velocity=0.04 m/sec);; set up nonreflecting boundarybound mat=1bound xvisc range -26 -23 -21 21bound xvisc range 23 26 -21 21bound xvisc yvisc range -26 26 -21 -19bound xvisc yvisc range -26 26 19 21; apply sinusoidal stress wavebound stress 0 0 -1.25 yhist=cos(100.0,0.0195) range -26 26 19 21 ;reset time hist disp rothist ydis (-4.48,2.57)hist ydis (0,2.57) yvel (0,2.57) yvel (4,2.57) yvel(-4.48,2.57)hist yvel (0,20) yvel (25,10) yvel (25,-10) yvel (0,-20)hist yvel (-25,-10) yvel (-25,10)hist sxx (25,10) sxx (25,-10) sxx (-25,-10) sxx (-25,10)hist syy (0,20);damp 0.1 1.0 mass; 0.02 sec.cyc time 0.02save seismic3.sav;rest seismic2.sav; apply seismic load from top (peak velocity=0.4 m/sec); set up nonreflecting boundarybound mat=1bound xvisc range -26 -23 -21 21bound xvisc range 23 26 -21 21bound xvisc yvisc range -26 26 -21 -19bound xvisc yvisc range -26 26 19 21; apply sinusoidal stress wavebound stress 0 0 -12.5 yhist=cos(100.0,0.0195) range -26 26 19 21 reset time hist disphist ydis (-4.48,2.57)hist ydis (0,2.57) yvel (0,2.57) yvel (4,2.57) yvel(-4.48,2.57)hist yvel (0,20) yvel (25,10) yvel (25,-10) yvel (0,-20)hist yvel (-25,-10) yvel (-25,10)hist sxx (25,10) sxx (25,-10) sxx (-25,-10) sxx (-25,10)hist syy (0,20);damp 0.1 1.0 masssave seismov.sav;; 0.02 sec.cyc time 0.02save seismic4.sav; 0.25 sec.cyc time 0.23save seismic5.sav; 0.50 sec.cyc time 0.25save seismic6.sav; 0.75 seccyc time 0.25save seismic7.sav;rest seismov.sav; make a movie of the groundfall;wind -12 12 -12 12set ovtol 0.05plot block vel max 2.0 blue stress max 50movie onmovie file = seismic.dcxmovie step 1000step 400003 隧道支护荷载Tunnel Support Loading3.1 问题陈述本例模拟展示了UDEC 在检查衬砌隧道方面的应用,着重强调了荷载在混凝土衬砌中的发展,本例也解释了模拟连续建造操作中独立阶段的模拟程序.隧道系统的理想几何体见图3.1.系统包含在海床下大约70m(中线)深度,中线间距12m 的两个隧道, 初始水位在隧道中线上方110m 处.服务隧道直径5.24m,衬砌厚度37cm.主隧道直径8.22m,衬砌厚度46cm.服务隧道先于主隧道开挖和衬砌.随后设置主隧道衬砌,水位上升增加到100m.施工顺序是:(1)开挖服务隧道excavation of the service tunnel;(2)衬砌服务隧道lining of the service tunnel; (3)开挖主隧道excavation of the main tunnel; (4)衬砌主隧道lining of the main tunnel; and (5)升高水位raising of the water level.分析的目的是评价每个施工阶段服务隧道和主隧道支护状况.本例的材料参数见下:岩体——开挖隧道的围岩参数为:弹性模量elastic modulus 0.89 GPa泊松比Poisson’s ratio 0.35单轴抗压强度uniaxial compressive strength 3.5 MPa粘聚力cohesion 1 MPa密度density 1340 kg/m3混凝土衬砌——弹性模量为24 GPa ,泊松比为0.19. 假定衬砌为线弹性材料。
UDEC 实例翻译与命令解析中铁隧道集团科研所——珠穆浪玛UDEC 实例翻译与命令解析翻译:珠穆朗玛1 地震诱发地层坍塌 Seismic-Induced Groundfall1.1 问题描述本例展示使用 UDEC 模拟分析地震诱发地层坍塌的一类的问题,模型见图 1.1,该模型基 于加拿大安大略省萨德伯里市鹰桥公司弗雷则矿 34-1-554 切割断面的一个剖面图的结构和 尺寸. 用二维平面应变模型代表垂直于超采轴向方向的平面效应,超采面高 5m,宽 10m.假定两个连续节理交叉平面分析:一个角度为 45 度,另一个为-9 度,两者节理间距均为 5m,为了演示的目的,一个近似垂直的“虚拟节理”也被添加到块体内开挖面顶部以增强不稳 定性。
围岩参数来自试验室平均测试数值,假定岩石块体参数如下:假定块体仅具有弹性行为,节理假定符合库伦滑动准则,选择典型的教课书数值作为节 理参数,如下:初始应力状态按各向同性估计为24Mpa(假定垂直荷载由覆盖深度大约800m 的岩层产生)。
1.2 UDEC 分析UDEC 模拟顺序分三个阶段,首先,模型在初始应力状态下进行无超采固结.其次,进行开挖并且模型循环至平衡状态.本阶段超采面周围的应力分布见图1.2.超采正上方和下方的块体滑动后稳定.在第三阶段.估计了两个不同的峰值速度的地震事件.对所有地震模拟,在问题域的外周边界引入粘滞边界用以消除波的反射.从而模拟有限的岩体,地震事件用施加到模型顶部y 方向的正弦应力波表现.应力波被叠加到已存在的初始地应力上.在第一个模拟中,施加1.25Mpa 的峰值应力,应当注意的是,由于粘滞边界条件实际是在模型顶部, 施加的有效影响应力应该是1.25 MPa/2, or 0.625 MPa.0.02 秒后的开挖面拱顶的应力分布见图1.3,两点的位移被监测,1 点位于开挖面的左角,点2 位于拱顶块体的右角, 图1.4 的位移时间曲线显示两点本质上是弹性反应.本例关心的问题是在模型顶部施加的速度和计算速度的对比,下面的公式可以用以估计施加的波速.使用这个方程,施加的最大波速大概是0.04m/sec,图1.5 显示的峰值波速小于0.06m/sec. 估计的波速和监测波速的不同在于使用的围岩模量.而是没有考虑节理变形的相等变形模量.在第二个案例中,施加应力波峰值12.5 Mpa(有效应力6.25Mpa).0.02 秒后的开挖拱顶应力分布见图1.6.该图显示出拱顶岩体不受力,表面该块体已经松散并正在下落.对于关心的问题,后来三个时间的几何体和应力分布见图1.8 至图1.10.在问题的顶部预测的波速(从上面的方程)是0.4m/sec.从模型中计算的波速见图1.11,再次,由于使用的是原岩弹性模量而不是岩体的变形模量导致预测和监测的波速之间的差异.1.3 节包含了该模型的数据列表,该列表包含了一个FISH 函数(show)被用来创建坍塌的动画文件,每隔0.02 秒俘获一个显示的图片.通过改变FISH 参数time_int 可以改变动画帧的间隔.视图的总数也可以通过改变snap_shot 的数值进行改变.为了显示80 帧的显示图片而创建的该电影文件需要大概13MB 的硬盘空间.1.3 数据文件列表Example 1.1 SEISMIC.DATtitleSEISMIC INDUCED ROOF COLLAPSE 地震诱发拱顶坍塌;round 0.01; define original boundary of modeled region 定义模型区域的原始边界block -25,-20 -25,20 25,20 25,-20; generate joint pattern over entire original region 在整个原始区域生成节理形态jregion id 1 -25,-25 -25,25 25,25 25,-25jset 45,0 200,0 0,0 5.0,0 (0,0) range jreg 1jset -9,0 200,0 0,0 5.0,0 (0,0) range jreg 1; put in joints needed for the later excavation 为了后面开挖而设置的节理crack -5.01,-2.51 5.01,-2.51crack -5.01, 2.51 5.01, 2.51crack -5,-2.5 -5,2.5crack 5,-2.5 5,2.5crack 2.25,2.5 1.93,5.0; generate fdef zones and assign joint properties (mat=1 & jmat=1;default) 生成单元和设置节理参数generate edge 9.0 range -30,30 -30,30prop mat=1 d=0.00300 k=39060 g=31780prop jmat=1 jkn=20000 jks=20000prop jmat=1 jf=30.0; apply boundary conditions and initial conditions to 在地应力下施加边界条件和初始条件; consolidate model under field stressesbound stress=-24.0, 0.0, -24.0 ygrad=-0.3 0 -0.3insitu stress=-24.0, 0.0, -24.0 ygrad=-0.3 0 -0.3bound yvel 0.0 range -26,26 -21,-19grav 0.0 -10.0; track the x-displacement, and y-displacement over time 追踪位移hist solvehist xdis=0,7 ydis=0,7 type 1solve rat 1e-5; save consolidated statesave seismic1.sav; make excavationdelete range -5,5 -2.5,2.5solve rat 1e-5; save excavated statesave seismic2.sav;rest seismic2.sav; apply seismic load from top (peak velocity=0.04 m/sec);; set up nonreflecting boundarybound mat=1bound xvisc range -26 -23 -21 21bound xvisc range 23 26 -21 21bound xvisc yvisc range -26 26 -21 -19bound xvisc yvisc range -26 26 19 21; apply sinusoidal stress wavebound stress 0 0 -1.25 yhist=cos(100.0,0.0195) range -26 26 19 21;reset time hist disp rothist ydis (-4.48,2.57)hist ydis (0,2.57) yvel (0,2.57) yvel (4,2.57) yvel(-4.48,2.57)hist yvel (0,20) yvel (25,10) yvel (25,-10) yvel (0,-20)hist yvel (-25,-10) yvel (-25,10)hist sxx (25,10) sxx (25,-10) sxx (-25,-10) sxx (-25,10)hist syy (0,20);damp 0.1 1.0 mass; 0.02 sec.cyc time 0.02save seismic3.sav;rest seismic2.sav; apply seismic load from top (peak velocity=0.4 m/sec); set up nonreflecting boundarybound mat=1bound xvisc range -26 -23 -21 21bound xvisc range 23 26 -21 21bound xvisc yvisc range -26 26 -21 -19bound xvisc yvisc range -26 26 19 21; apply sinusoidal stress wavebound stress 0 0 -12.5 yhist=cos(100.0,0.0195) range -26 26 19 21reset time hist disphist ydis (-4.48,2.57)hist ydis (0,2.57) yvel (0,2.57) yvel (4,2.57) yvel(-4.48,2.57)hist yvel (0,20) yvel (25,10) yvel (25,-10) yvel (0,-20)hist yvel (-25,-10) yvel (-25,10)hist sxx (25,10) sxx (25,-10) sxx (-25,-10) sxx (-25,10)hist syy (0,20);damp 0.1 1.0 masssave seismov.sav;; 0.02 sec. —————————————————————————————————————UDEC 实例翻译与命令解析中铁隧道集团科研所——珠穆浪玛cyc time 0.02save seismic4.sav; 0.25 sec.cyc time 0.23save seismic5.sav; 0.50 sec.cyc time 0.25save seismic6.sav; 0.75 seccyc time 0.25save seismic7.sav;rest seismov.sav; make a movie of the groundfall;wind -12 12 -12 12set ovtol 0.05plot block vel max 2.0 blue stress max 50movie onmovie file = seismic.dcxmovie step 1000step 400003 隧道支护荷载Tunnel Support Loading3.1 问题陈述本例模拟展示了UDEC 在检查衬砌隧道方面的应用,着重强调了荷载在混凝土衬砌中的发展,本例也解释了模拟连续建造操作中独立阶段的模拟程序.隧道系统的理想几何体见图3.1.系统包含在海床下大约70m(中线)深度,中线间距12m 的两个隧道, 初始水位在隧道中线上方110m 处.服务隧道直径5.24m,衬砌厚度37cm.主隧道直径8.22m,衬砌厚度46cm.服务隧道先于主隧道开挖和衬砌.随后设置主隧道衬砌,水位上升增加到100m.—————————————————————————————————————UDEC 实例翻译与命令解析中铁隧道集团科研所——珠穆浪玛施工顺序是:(1)开挖服务隧道excavation of the service tunnel;(2)衬砌服务隧道lining of the service tunnel; (3)开挖主隧道excavation of the main tunnel; (4)衬砌主隧道lining of the main tunnel; and (5)升高水位raising of the water level.分析的目的是评价每个施工阶段服务隧道和主隧道支护状况.本例的材料参数见下:岩体——开挖隧道的围岩参数为:弹性模量elastic modulus 0.89 GPa泊松比Poisson’s ratio 0.35单轴抗压强度uniaxial compressive strength 3.5 MPa粘聚力cohesion 1 MPa密度density 1340 kg/m3混凝土衬砌——弹性模量为24 GPa ,泊松比为0.19. 假定衬砌为线弹性材料。
UDEC流固耦合-边坡渗流实例解析岩体节理边坡的稳定性受边坡后面水位所影响。
本例中,水位阶段升高直到边坡失稳,当节理内的流体压力增加(节理内的有效正应力降低)以至于边坡面节理的抗剪强度达到极限时,边坡产生破坏。
包含规则节理边坡的几何模型见图8.1。
水位在坡址按四个阶段逐渐升高,四个阶段的水位高程分别是6m、8m、9m和10m。
在每一阶段均进行一个稳定流体的分析。
图8.1节理边坡渗流问题的几何体假定下面的材料参数为节理边坡的岩体参数。
8.2 UDEC分析UDEC分析模型见图8.2, 本问题通过设置SET flow steady命令进行稳定流模拟,水位的上升采用BOUND pp pygrad命令改变每个阶段的流体压力梯度来实现.数据文件见8.3节.首先,边坡在重力荷载下达到平衡,然后在右侧的水位上升到坡址上高度6m处;左侧的水位保持在坡址的水平上,在这个流体压力条件下,边坡是稳定的.此条件下的稳定流态见图8.3.接下来,右侧的水位上升到8m,8m水位高度条件下稳定流态见图8.4.系统再次达到平衡.然后水位上升至9m.流体状态见图9.5,边坡仍旧保持稳定.最后,水位达到边坡的顶部,此条件下的流态见图8.6.在10m水位时,边坡滑动,见图8.7的岩石楔形体.注意.本问题采用了命令SET delc off进行设置,它将阻止接触后面破坏的岩石楔形体被删除,否则,与这些接触相关的区域将变成外部区域,并且流体压力将会消失. 当楔形体产生大位移时.这将很难确定实际的流体压力.保守的估计是假定流体压力没有消.Example 8.1 SLOPEFLO.DAT; ================================================;; --- fluid flow test run ---; --- slope : 10 m high ---;; --- 2 joint sets : 20 and 80 deg.; friction = 30 deg.;; --- r.h.s. water level : 6 m --- no failure ---;8m;9m;10 m --- failure ---;; ================================================ ;round 0.05;设置倒圆角数值set delc off;设置破坏体不被删除;block 0,-5 0,0 5,0 11,10 22,10 22,-5;定义问题几何体的外轮廓;节理切割块体jset 20,0 100,0 0,0 2,0 (5,1);倾角20jset 80,0 100,0 0,0 3,0 (5,0);倾角80;del area 0.1;删除面积小于0.1的块体;;plot block;显示块体gen auto 10;生成变长10的三角形单元;;plot block zones;显示单元划分网格;参数设置prop mat=1 dens=0.0025 k=16667 g=10000prop mat=1 jkn=10000 jks=10000 jfric=45.0prop mat=1 jperm=1.0e8 azero=0.0005 ares=0.0002 ;change jmat=1 jcons=2;初始应力条件insitu str -0.125 0 -0.25 ygrad 0.0125 0 0.025 ;边界条件bound xvel=0 range -1,1 -6 1bound yvel=0 range -1,31 -6 -4bound xvel=0 range 21,23 -6 11;设置重力加速度grav 0 -10;记录时步和点的位移、不平衡力hist n=100 xdis 11,10 ydis 11,10hist unbal;求解和保存solve rat 1e-5save slfl1.sav;查看计算结果;plot block dis yel;plot hist 1;plot hist 2; --------------------------------------;; flow --- r.h.s. water at y=6m;; --- no failure ---;; --------------------------------------fluid dens 0.001;流体密度bound imperm range -1,31 -6 -4;不可渗透边界bound pygrad -0.01 range -1,1 -6 1;左侧水位0,x=0,y=-6~1bound pp=0.06 pygrad -0.01 range 21,23 -6 6 ; 右侧升高水位到6m,x=22,y=-6~6;set flow steady;设置稳定流;hist xdis 5.92 1.54 ydis 5.92 1.54;记录点位移reset displ jdisprop mat=1 jfric=25cyc 500save slfl2.sav;计算结果显示;plot bl vf yel显示流体矢量-黄色;plot bl dis yel显示块体位移;plot bl pp yel显示节理孔隙水压力; --------------------------------------;; flow --- r.h.s. water raised to y=8m;; --- some slip, but no block failure ---;; --------------------------------------bound pp=0.08 pygrad -0.01 range 21,23 -6 8 cyc 500save slfl3.sav;;plot bl vf yel流体矢量-黄色;plot bl pp red dis yel同时显示孔隙水压力(红色)和位移(黄色);plot bl sh yel显示节理剪切位移数量; --------------------------------------;; flow --- r.h.s. water raised to y=9m;; --- no failure ---;; --------------------------------------bound pp=0.09 pygrad -0.01 range 21,23 -6 9 cyc 1000save slfl4.sav;; --------------------------------------;; flow --- r.h.s. water raised to y=10m;; --- failure ---;; --------------------------------------bound pp=0.10 pygrad -0.01 range 21,23 -6 11 cyc 15000save slfl5.savreturn欢迎您的下载,资料仅供参考!致力为企业和个人提供合同协议,策划案计划书,学习资料等等打造全网一站式需求。
UDEC 实例翻译与命令解析翻译:珠穆朗玛1 地震诱发地层坍塌Seismic-Induced Groundfall1.1 问题描述本例展示使用UDEC 模拟分析地震诱发地层坍塌的一类的问题,模型见图1.1,该模型基于加拿大安大略省萨德伯里市鹰桥公司弗雷则矿34-1-554 切割断面的一个剖面图的结构和尺寸. 用二维平面应变模型代表垂直于超采轴向方向的平面效应,超采面高5m,宽10m.假定两个连续节理交叉平面分析:一个角度为45 度,另一个为-9 度,两者节理间距均为5m,为了演示的目的,一个近似垂直的“虚拟节理”也被添加到块体内开挖面顶部以增强不稳定性。
围岩参数来自试验室平均测试数值,假定岩石块体参数如下:假定块体仅具有弹性行为,节理假定符合库伦滑动准则,选择典型的教课书数值作为节理参数,如下:初始应力状态按各向同性估计为24Mpa(假定垂直荷载由覆盖深度大约800m 的岩层产生)。
1.2 UDEC 分析UDEC 模拟顺序分三个阶段,首先,模型在初始应力状态下进行无超采固结.其次,进行开挖并且模型循环至平衡状态.本阶段超采面周围的应力分布见图 1.2.超采正上方和下方的块体滑动后稳定.在第三阶段.估计了两个不同的峰值速度的地震事件.对所有地震模拟,在问题域的外周边界引入粘滞边界用以消除波的反射.从而模拟有限的岩体,地震事件用施加到模型顶部y 方向的正弦应力波表现.应力波被叠加到已存在的初始地应力上.在第一个模拟中,施加1.25Mpa 的峰值应力,应当注意的是,由于粘滞边界条件实际是在模型顶部, 施加的有效影响应力应该是1.25 MPa/2, or 0.625 MPa.0.02 秒后的开挖面拱顶的应力分布见图1.3,两点的位移被监测,1 点位于开挖面的左角,点2 位于拱顶块体的右角, 图1.4 的位移时间曲线显示两点本质上是弹性反应.本例关心的问题是在模型顶部施加的速度和计算速度的对比,下面的公式可以用以估计施加的波速..估计的波速和监测波速的不同在于使用的围岩模量.而是没有考虑节理变形的相等变形模量在问题的顶部预测的波速(从上面的方程)是0.4m/sec.从模型中计算的波速见图1.11,再次,由于使用的是原岩弹性模量而不是岩体的变形模量导致预测和监测的波速之间的差异.1.3 节包含了该模型的数据列表,该列表包含了一个FISH 函数(show)被用来创建坍塌的动画文件,每隔0.02 秒俘获一个显示的图片.通过改变FISH 参数time_int 可以改变动画帧的间隔.视图的总数也可以通过改变snap_shot 的数值进行改变.为了显示80 帧的显示图片而创建的该电影文件需要大概13MB 的硬盘空间.1.3 数据文件列表Example 1.1 SEISMIC.DATtitleSEISMIC INDUCED ROOF COLLAPSE 地震诱发拱顶坍塌;round 0.01; define original boundary of modeled region 定义模型区域的原始边界block -25,-20 -25,20 25,20 25,-20; generate joint pattern over entire original region 在整个原始区域生成节理形态jregion id 1 -25,-25 -25,25 25,25 25,-25jset 45,0 200,0 0,0 5.0,0 (0,0) range jreg 1jset -9,0 200,0 0,0 5.0,0 (0,0) range jreg 1; put in joints needed for the later excavation为了后面开挖而设置的节理crack -5.01,-2.51 5.01,-2.51crack -5.01, 2.51 5.01, 2.51crack -5,-2.5 -5,2.5crack 5,-2.5 5,2.5crack 2.25,2.5 1.93,5.0; generate fdef zones and assign joint properties (mat=1 & jmat=1;default) 生成单元和设置节理参数generate edge 9.0 range -30,30 -30,30prop mat=1 d=0.00300 k=39060 g=31780prop jmat=1 jkn=20000 jks=20000prop jmat=1 jf=30.0; apply boundary conditions and initial conditions to 在地应力下施加边界条件和初始条件; consolidate model under field stressesbound stress=-24.0, 0.0, -24.0 ygrad=-0.3 0 -0.3insitu stress=-24.0, 0.0, -24.0 ygrad=-0.3 0 -0.3bound yvel 0.0 range -26,26 -21,-19grav 0.0 -10.0; track the x-displacement, and y-displacement over time追踪位移hist solvehist xdis=0,7 ydis=0,7 type 1solve rat 1e-5; save consolidated statesave seismic1.sav; make excavationdelete range -5,5 -2.5,2.5solve rat 1e-5; save excavated statesave seismic2.sav;rest seismic2.sav; apply seismic load from top (peak velocity=0.04 m/sec);; set up nonreflecting boundarybound mat=1bound xvisc range -26 -23 -21 21bound xvisc range 23 26 -21 21bound xvisc yvisc range -26 26 -21 -19bound xvisc yvisc range -26 26 19 21; apply sinusoidal stress wavebound stress 0 0 -1.25 yhist=cos(100.0,0.0195) range -26 26 19 21;reset time hist disp rothist ydis (-4.48,2.57)hist ydis (0,2.57) yvel (0,2.57) yvel (4,2.57) yvel(-4.48,2.57)hist yvel (0,20) yvel (25,10) yvel (25,-10) yvel (0,-20)hist yvel (-25,-10) yvel (-25,10)hist sxx (25,10) sxx (25,-10) sxx (-25,-10) sxx (-25,10)hist syy (0,20);damp 0.1 1.0 mass; 0.02 sec.cyc time 0.02save seismic3.sav;rest seismic2.sav; apply seismic load from top (peak velocity=0.4 m/sec); set up nonreflecting boundarybound mat=1bound xvisc range -26 -23 -21 21bound xvisc range 23 26 -21 21bound xvisc yvisc range -26 26 -21 -19bound xvisc yvisc range -26 26 19 21; apply sinusoidal stress wavebound stress 0 0 -12.5 yhist=cos(100.0,0.0195) range -26 26 19 21reset time hist disphist ydis (-4.48,2.57)hist ydis (0,2.57) yvel (0,2.57) yvel (4,2.57) yvel(-4.48,2.57)hist yvel (0,20) yvel (25,10) yvel (25,-10) yvel (0,-20)hist yvel (-25,-10) yvel (-25,10)hist sxx (25,10) sxx (25,-10) sxx (-25,-10) sxx (-25,10)hist syy (0,20);damp 0.1 1.0 masssave seismov.sav;; 0.02 sec.—————————————————————————————————————cyc time 0.02save seismic4.sav; 0.25 sec.cyc time 0.23save seismic5.sav; 0.50 sec.cyc time 0.25save seismic6.sav; 0.75 seccyc time 0.25save seismic7.sav;rest seismov.sav; make a movie of the groundfall;wind -12 12 -12 12set ovtol 0.05plot block vel max 2.0 blue stress max 50movie onmovie file = seismic.dcxmovie step 1000step 400003 隧道支护荷载Tunnel Support Loading3.1 问题陈述本例模拟展示了UDEC 在检查衬砌隧道方面的应用,着重强调了荷载在混凝土衬砌中的发展,本例也解释了模拟连续建造操作中独立阶段的模拟程序.隧道系统的理想几何体见图3.1.系统包含在海床下大约70m(中线)深度,中线间距12m 的两个隧道, 初始水位在隧道中线上方110m 处.服务隧道直径5.24m,衬砌厚度37cm.主隧道直径8.22m,衬砌厚度46cm.服务隧道先于主隧道开挖和衬砌.随后设置主隧道衬砌,水位上升增加到100m.—————————————————————————————————————施工顺序是:(1)开挖服务隧道excavation of the service tunnel;(2)衬砌服务隧道lining of the service tunnel; (3)开挖主隧道excavation of the main tunnel; (4)衬砌主隧道lining of the main tunnel; and (5)升高水位raising of the water level.分析的目的是评价每个施工阶段服务隧道和主隧道支护状况.本例的材料参数见下:岩体——开挖隧道的围岩参数为:弹性模量elastic modulus 0.89 GPa泊松比Poisson’s ratio 0.35单轴抗压强度uniaxial compressive strength 3.5 MPa粘聚力cohesion 1 MPa密度density 1340 kg/m3混凝土衬砌——弹性模量为24 GPa ,泊松比为0.19. 假定衬砌为线弹性材料。
《Udec 命令总结》精华版1. 安装、打开、保存(1) 安装:①执行Udec 3.1→将Crack文件中的内容替换;②复制Udec.exe,粘贴为快捷方式→属性,目标,加入空格256【开始内存8M,将内存改为256】,可以复制快捷方式至桌面或硬盘。
(2) 打开:①直接在udec> 命令行输入;②写好程序,udec>命令输入call,然后将*.txt文件拖入命令行,执行(3) 保存:输入save d:\kaicai.sav, 调用命令rest,将kaicai.sav 拖入命令行【!!!文件名最好不用汉字,有时候不识别】注释:如果保存为save d:\111\kaicai.sav, 注意其中111文件必须提前建好,否则无法保存或者保存错误(4) 操作:Ctrl+Z选中图像可以放大,Ctrl+Z 双击复原,屏幕中会出现十字叉,按住鼠标左键不放,移动光标直到你满意的窗口为止;pause暂停,此时可以察看任何信息;continue继续调用下面程序段。
ESC可以随时进行停止,但不能继续;英文分号; 表示注释不运行命令。
2. 基本命令2.1 基本设置Udec>n【new刷新窗口,从新调用一个程序,修改后的*.txt文件必须输入n,重新运行文本文件】Udec>title 【或heading代表标题,后面紧跟标题的名称。
如:hang dao mo ni 或济宁三号井围岩变形破坏规律研究】Udec> round d 【“圆角”命令,Udec中所有的块体都有圆角,目的是为防止块体悬挂在有棱角的节点上,由于块体悬挂将产生应力集中。
d指块体与块体之间的圆角半径,默认值是0.5,其值要求小于模型中最小块体的最短那条边长的二分之一,最大圆角长度不能超过块体平均棱长的1%。
在block 命令前指定圆角长度。
如:round 0.05】圆角图1 10×10块体圆角Udec>set ovtol 0.5 【此命令是指层与层之间的嵌入厚度,当提示为“overlap too large”时就需要修改此值更大一些,可以显示设计的块体,plot overlap!嵌入太大的原因可能为块体强度太小】Udec>set log onprintset log off 【命令用于导出数据,可以将数据导出至硬盘f:\】命令:set log f:\yuanyan.logprint pline 1 syy 【记录测线1应力】print pline 2 ydisset log off;设置观测线set pline 1 x1,y1 x2,y2 n (n--观测线分的段数)set pline 25,20 300,20 10 ;定义测线,起始点坐标,测线分段2.2 图形划分;块体命令Udec> block x1,y1 x2,y2 x3,y3 x4,y4【建立模型框架,四个坐标角点必须按“顺时针”排列,也可以为五个坐标点。
6.4喷射混凝土UDEC模拟6.4.1 UDEC简介刚体离散单元法一般认为Cundall于1971年提出来的。
该法适用于研究在准静力或动力条件下的节理系统或块体集合的力学问题,最初用来分析岩石边坡的运动。
该法是在牛顿第二定律的基础上建立起来的, 假设块体为准刚度体,块体运动主要受节理或弱面控制。
刚性块体的假设对于应力水平较低的问题,如边坡稳定是合理的。
将节理岩体视为由裂隙切割的非连续介质,相互切割的裂隙将岩体分成相互独立的块体单元,单元之间可以看成是角-角接触、角-边接触或边-边接触。
块体间的边-边接触可分解为由两个角-边接触而成,并且随着单元的平移和转动,允许调整各个单元之间的接触关系,最终块体单元可能达到平衡状态,也可能一直运动下去。
这些块体在平衡条件发生变化时,块体之间就产生相互作用力,从而导致块体产生一定的加速度和位移,使块体的空间位置和状态发生变化。
运动的块体之间,由于差异位移矢量的存在,从而使块体之间又发生新的作用力,根据新的力系,又可以计算出来各个块体在新的力系下的加速度、位移及新的运动位置。
如此反复迭代直到整个体系在新的力系作用下达到平衡状态为止,这样整个岩体的破坏运动过程就被真实的模拟出来。
离散单元法可以对由不同块体构成的整体进行应力、应变的分析计算,各不同块体之间通过接触点的耦合而互相连接在一起。
就大多数岩体来说,其构造弱面的刚度和强度均比岩石本身要小得多,从这点出发,为了减少研究对象的不确定性(自由度)的数量,通常假定各不同岩石块体为刚性,结构产生的总位移仅仅是由各接触点(面)的变形所引起。
这里的研究对象被认为是各种离散块体的堆砌,块体之间的相互作用力可根据位移和力的关系式来求解,单个块体的运动遵循牛顿运动定律,即力和力矩的平衡。
数值分析模型的建立必须满足平衡方程、变形协调方程和本构方程,此外,还需要满足一定的边界条件。
但离散元块体之间不存在变形协调的约束,因为块体之间是彼此互不约束的,因而仅需满足物理方程和运动方程。
菜单驱动模式运行离散元1、菜单驱动模式运行离散元对于Itasca加码图形界面是一个菜单驱动的图形界面开发,以协助助用户掌握Itasca代码。
在UDEC中,UDEC—GIIC很容易与点和点击式操作,以访问所有的命令和设施。
该GIIC结构是专门用来模拟预期的Windows功能,并允许显示的项目相对应的离散元操作的一般性鼠标性操作。
你可以能够立即使用UDEC解决问题,无须通过命令来选择你需要的分析。
本节提供了一个GIIC的介绍,并包括一个简单的教程,以帮助您开始。
你会注意到在GIIC主菜单栏中一个帮助菜单。
帮助按钮还包括在GIIC中的每一个工具,并且帮助窗格可以通过在模型工具标签上右击打开。
咨询帮助意见可以得到具体的GIIC功能的详细信息。
图1-1 UDEC—GIIC主窗口在利用UDEC进行全面的项目分析之前,我们强烈建议你阅读离散元用户指南和核查问题和示例应用程序,从而对离散元模型、分配材料特性、模型的初始条件和计算程序获得一个一般性的认识和理解。
1.1进入GIIC并选择分析选项在开始/程序/Itasca/udec菜单中,当UDEC加载时,你可以选择“UDEC 4.01 with GIIC”,自动启动GIIC。
或者,您可以在打开UDEC时,如果你在文本模式下,你可以在“udec>”提示下键入“giic”命令。
GIIC主窗口如图1.1所示。
该代码名称和当前版本号印在标题栏中的窗口顶部,主菜单栏位于标题栏下方的位置。
在主菜单栏下方有两个窗口:一个资源窗口和一个模型视图窗口。
资源窗口包括四个以文本为基本信息的标签。
“console”(控制台)标签显示文本输出和允许命令行输入(在窗口的底部)。
“record”窗口显示生成当前模型项目状态的命令的记录。
该记录以“项目树”的形式,显示保存文件之间的变化。
保存状态显示在树状结构。
数据可以作为离散元组命令形式导出到数据文件,命令组代表所分析的问题。
“FISH”窗口可以打开FISH编辑器,能方便执行FISH的功能。
序 言针对岩土体问题开发的Itasca数值计算软件FLAC/FLAC3D、UDEC/3DEC、PFC2D/PFC3D无疑赢得了国际范围内最广泛的首肯,已经成为全世界范围内岩土体领域覆盖面最广、用户最多的软件产品,在科学研究和生产实践环节越来越发挥重要的作用。
Itasca软件的开发最早要追溯到1971年Peter Cundall院士提出离散元的概念,80年代初,Itasca推出的第一款商业化数值计算软件为UDEC,此后才陆续发展了其他数值计算软件。
作为一家以解决超常规工程问题为主的高端技术咨询机构,遍布世界五大洲共12个国家的Itasca咨询专家和工程师也是Itasca软件最忠实的用户,在几十年日复一日地应用这些软件解决复杂现实工程问题的同时,也在应用环节积累了独到的心得和体会,成为Itasca标志性技术特长之一。
相对于FLAC/FLAC3D而言,中国岩土工程界或许对非连续方法程序UDEC/3DEC、以及PFC2D/PFC3D的认识还不是很深入,学术界对非连续方法的成熟性可能还存在一些疑虑。
事实上,自80年代起,Itasca专家已越来越广泛地采用非连续方法程序解决复杂的实际工程问题。
鉴于这种情况,我们汇总了UDEC/3DEC的一些应用实例,分别从模型几何构建、计算策略、特定专题、成果解译等几个环节比较系统地介绍了在Itasca内部完成的一些成果。
其中的大多数实例来自中国,也出自Itasca中国公司技术人员之手,更贴近中国现实地介绍一些具有世界水平的应用成果。
实现数值计算工程应用是已经存在的客观现实,实现数值计算工程应用需要丰富的积累,理解并合理选择程序就是基础性环节之一。
我们希望这些实例介绍能帮助数值计算人员更全面地认识UDEC/3DEC程序,更希望通过更合理地选择和运用程序促进数值计算工程应用整体水平的提高。
编者:朱焕春、孟国涛几何篇之案例一:地下工程规则几何形态的模拟问题的提出:水电站、交通、地下实验场等领域的生产和科研工作中地下建筑物的特点是形态规则但结构复杂,对这些规则且形态复杂地下结构洞室群的模拟是数值计算的基础。
UDEC实例详解实例1 荷载作⽤下边坡稳定问题朔准线黄河⼤桥,边坡⾼105m,层理间距取3m,岩层视倾⾓6°;主节理间距取2m,视倾⾓85°,计算模型如下:DEM计算模型相关计算参数取值如下:桥基长15m,宽12m,荷载180000kN;灰岩弹性模量E=4×104MPa,泊松⽐µ=0.23,岩体密度γ=2.7×103kg/m3。
newround 0.05set delc offblock 0 0 0 50 50 50 62.6 115.2 68.9 123.9 85.5 132.5 &105.5 140.1 125.4 156.4 180 156.4 180 0jset 85,0 300,0 0 0 3,0 (50 50)jset 6 0 300 0 0 0 4 0 (50 50)gen auto 5change jmat=1 range angle 84 86change jmat=2 range angle 5 7prop mat=1 den=2700 b=1.5e9 s=0.6e9prop jmat=1 jkn=2e9 jks=2e9 jcoh=1e9 jfr=25 jten=1e5prop jmat=2 jkn=2e9 jks=2e9 jcoh=1e10 jfr=35hist n=100 xdis 125.4 156.4 ydis 125.4 156.4hist unbalbound xvel=0 range -1 0.2 -1 50.1bound xvel=0 range 224.9 225.1 -1 157 bound yvel=0 range -1 226 -1 0.1 cyc 5000 save nature.savUDEC (Version 3.10)LEGEND3-Jun-07 23:46 cycle 100000 history plot-6.93E-03 1.14E-01 Vs.0.00E+00 9.45E+010.00 0.10 0.20 0.30 0.40 0.50 0.60 0.70 0.80 0.90 1.00(e+02)-0.200.000.200.400.600.801.001.20(e-01) JOB TITLE :Itasca Consulting Group, Inc. Minneapolis, Minnesota USA变坡点x 位移UDEC (Version 3.10)LEGEND3-Jun-07 23:46 cycle 100000 history plot-1.25E-01 0.00E+00 Vs.0.00E+00 9.45E+010.00 0.10 0.20 0.30 0.40 0.50 0.60 0.70 0.80 0.90 1.00(e+02)-1.40-1.20-1.000.20(e-01) JOB TITLE :Itasca Consulting Group, Inc. Minneapolis, Minnesota USA 变坡点y 位移UDEC (Version 3.10)LEGEND3-Jun-07 23:46 cycle 100000 history plot-3.80E-03 1.39E-01 Vs.0.00E+00 9.45E+010.00 0.10 0.20 0.30 0.40 0.50 0.60 0.70 0.80 0.90 1.00 (e+02)-0.200.000.200.400.600.801.001.201.40(e-01) JOB TITLE :Itasca Consulting Group, Inc. Minneapolis, Minnesota USA 坡顶点x 位移UDEC (Version 3.10)LEGEND3-Jun-07 23:46 cycle 100000 history plot-1.99E-01 0.00E+00 Vs.0.00E+00 9.45E+010.00 0.10 0.20 0.30 0.40 0.50 0.60 0.70 0.80 0.90 1.00 (e+02)-1.00-0.80-0.60-0.40-0.200.000.20(e-01) JOB TITLE :Itasca Consulting Group, Inc. Minneapolis, Minnesota USA 坡顶点y 位移UDEC (Version 3.10)LEGEND3-Jun-07 23:46 cycle 100000 history plot0.00E+00 1.98E+06 Vs.0.00E+00 9.45E+010.00 0.10 0.20 0.30 0.40 0.50 0.60 0.70 0.80 0.90 1.00 (e+02)0.000.200.400.600.801.001.201.401.601.802.00(e+06) JOB TITLE :Itasca Consulting Group, Inc. Minneapolis, Minnesota USA问题定义:; ================================================; --- fluid flow test run ---; --- slope : 10 m high ---; --- 2 joint sets : 20 and 80 deg.; friction = 30 deg.;; --- r.h.s. water level : 6 m --- no failure ---; 8 m; 9 m; 10 m --- failure ---; ================================================;round 0.05定义刚体⾓边圆⾓半径,缺省值0.5,建议为块体边长的1%,设定后不可更改。
UDEC 实例翻译与命令解析翻译:珠穆朗玛1 地震诱发地层坍塌 Seismic-Induced Groundfall1.1 问题描述本例展示使用 UDEC 模拟分析地震诱发地层坍塌的一类的问题,模型见图 1.1,该模型基 于加拿大安大略省萨德伯里市鹰桥公司弗雷则矿 34-1-554 切割断面的一个剖面图的结构和 尺寸. 用二维平面应变模型代表垂直于超采轴向方向的平面效应,超采面高 5m,宽 10m.假定两个连续节理交叉平面分析:一个角度为 45 度,另一个为-9 度,两者节理间距均为 5m,为了演示的目的,一个近似垂直的“虚拟节理”也被添加到块体内开挖面顶部以增强不稳 定性。
围岩参数来自试验室平均测试数值,假定岩石块体参数如下:假定块体仅具有弹性行为,节理假定符合库伦滑动准则,选择典型的教课书数值作为节 理参数,如下:初始应力状态按各向同性估计为24Mpa(假定垂直荷载由覆盖深度大约800m 的岩层产生)。
1.2 UDEC 分析UDEC 模拟顺序分三个阶段,首先,模型在初始应力状态下进行无超采固结.其次,进行开挖并且模型循环至平衡状态.本阶段超采面周围的应力分布见图1.2.超采正上方和下方的块体滑动后稳定.在第三阶段.估计了两个不同的峰值速度的地震事件.对所有地震模拟,在问题域的外周边界引入粘滞边界用以消除波的反射.从而模拟有限的岩体,地震事件用施加到模型顶部y 方向的正弦应力波表现.应力波被叠加到已存在的初始地应力上.在第一个模拟中,施加1.25Mpa 的峰值应力,应当注意的是,由于粘滞边界条件实际是在模型顶部, 施加的有效影响应力应该是1.25 MPa/2, or 0.625 MPa.0.02 秒后的开挖面拱顶的应力分布见图1.3,两点的位移被监测,1 点位于开挖面的左角,点2 位于拱顶块体的右角, 图1.4 的位移时间曲线显示两点本质上是弹性反应.本例关心的问题是在模型顶部施加的速度和计算速度的对比,下面的公式可以用以估计施加的波速.使用这个方程,施加的最大波速大概是0.04m/sec,图1.5 显示的峰值波速小于0.06m/sec. 估计的波速和监测波速的不同在于使用的围岩模量.而是没有考虑节理变形的相等变形模量.在第二个案例中,施加应力波峰值12.5 Mpa(有效应力6.25Mpa).0.02 秒后的开挖拱顶应力分布见图1.6.该图显示出拱顶岩体不受力,表面该块体已经松散并正在下落.对于关心的问题,后来三个时间的几何体和应力分布见图1.8 至图1.10.在问题的顶部预测的波速(从上面的方程)是0.4m/sec.从模型中计算的波速见图1.11,再次,由于使用的是原岩弹性模量而不是岩体的变形模量导致预测和监测的波速之间的差异.1.3 节包含了该模型的数据列表,该列表包含了一个FISH 函数(show)被用来创建坍塌的动画文件,每隔0.02 秒俘获一个显示的图片.通过改变FISH 参数time_int 可以改变动画帧的间隔.视图的总数也可以通过改变snap_shot 的数值进行改变.为了显示80 帧的显示图片而创建的该电影文件需要大概13MB 的硬盘空间.1.3 数据文件列表Example 1.1 SEISMIC.DATtitleSEISMIC INDUCED ROOF COLLAPSE 地震诱发拱顶坍塌;round 0.01; define original boundary of modeled region 定义模型区域的原始边界block -25,-20 -25,20 25,20 25,-20; generate joint pattern over entire original region 在整个原始区域生成节理形态jregion id 1 -25,-25 -25,25 25,25 25,-25jset 45,0 200,0 0,0 5.0,0 (0,0) range jreg 1jset -9,0 200,0 0,0 5.0,0 (0,0) range jreg 1; put in joints needed for the later excavation 为了后面开挖而设置的节理crack -5.01,-2.51 5.01,-2.51crack -5.01, 2.51 5.01, 2.51crack -5,-2.5 -5,2.5crack 5,-2.5 5,2.5crack 2.25,2.5 1.93,5.0; generate fdef zones and assign joint properties (mat=1 & jmat=1;default) 生成单元和设置节理参数generate edge 9.0 range -30,30 -30,30prop mat=1 d=0.00300 k=39060 g=31780prop jmat=1 jkn=20000 jks=20000prop jmat=1 jf=30.0; apply boundary conditions and initial conditions to 在地应力下施加边界条件和初始条件; consolidate model under field stressesbound stress=-24.0, 0.0, -24.0 ygrad=-0.3 0 -0.3insitu stress=-24.0, 0.0, -24.0 ygrad=-0.3 0 -0.3bound yvel 0.0 range -26,26 -21,-19grav 0.0 -10.0; track the x-displacement, and y-displacement over time 追踪位移hist solvehist xdis=0,7 ydis=0,7 type 1solve rat 1e-5; save consolidated statesave seismic1.sav; make excavationdelete range -5,5 -2.5,2.5solve rat 1e-5; save excavated statesave seismic2.sav;rest seismic2.sav; apply seismic load from top (peak velocity=0.04 m/sec);; set up nonreflecting boundarybound mat=1bound xvisc range -26 -23 -21 21bound xvisc range 23 26 -21 21bound xvisc yvisc range -26 26 -21 -19bound xvisc yvisc range -26 26 19 21; apply sinusoidal stress wavebound stress 0 0 -1.25 yhist=cos(100.0,0.0195) range -26 26 19 21 ;reset time hist disp rothist ydis (-4.48,2.57)hist ydis (0,2.57) yvel (0,2.57) yvel (4,2.57) yvel(-4.48,2.57)hist yvel (0,20) yvel (25,10) yvel (25,-10) yvel (0,-20)hist yvel (-25,-10) yvel (-25,10)hist sxx (25,10) sxx (25,-10) sxx (-25,-10) sxx (-25,10)hist syy (0,20);damp 0.1 1.0 mass; 0.02 sec.cyc time 0.02save seismic3.sav;rest seismic2.sav; apply seismic load from top (peak velocity=0.4 m/sec); set up nonreflecting boundarybound mat=1bound xvisc range -26 -23 -21 21bound xvisc range 23 26 -21 21bound xvisc yvisc range -26 26 -21 -19bound xvisc yvisc range -26 26 19 21; apply sinusoidal stress wavebound stress 0 0 -12.5 yhist=cos(100.0,0.0195) range -26 26 19 21 reset time hist disphist ydis (-4.48,2.57)hist ydis (0,2.57) yvel (0,2.57) yvel (4,2.57) yvel(-4.48,2.57)hist yvel (0,20) yvel (25,10) yvel (25,-10) yvel (0,-20)hist yvel (-25,-10) yvel (-25,10)hist sxx (25,10) sxx (25,-10) sxx (-25,-10) sxx (-25,10)hist syy (0,20);damp 0.1 1.0 masssave seismov.sav;; 0.02 sec.cyc time 0.02save seismic4.sav; 0.25 sec.cyc time 0.23save seismic5.sav; 0.50 sec.cyc time 0.25save seismic6.sav; 0.75 seccyc time 0.25save seismic7.sav;rest seismov.sav; make a movie of the groundfall;wind -12 12 -12 12set ovtol 0.05plot block vel max 2.0 blue stress max 50movie onmovie file = seismic.dcxmovie step 1000step 400003 隧道支护荷载Tunnel Support Loading3.1 问题陈述本例模拟展示了UDEC 在检查衬砌隧道方面的应用,着重强调了荷载在混凝土衬砌中的发展,本例也解释了模拟连续建造操作中独立阶段的模拟程序.隧道系统的理想几何体见图3.1.系统包含在海床下大约70m(中线)深度,中线间距12m 的两个隧道, 初始水位在隧道中线上方110m 处.服务隧道直径5.24m,衬砌厚度37cm.主隧道直径8.22m,衬砌厚度46cm.服务隧道先于主隧道开挖和衬砌.随后设置主隧道衬砌,水位上升增加到100m.施工顺序是:(1)开挖服务隧道excavation of the service tunnel;(2)衬砌服务隧道lining of the service tunnel; (3)开挖主隧道excavation of the main tunnel; (4)衬砌主隧道lining of the main tunnel; and (5)升高水位raising of the water level.分析的目的是评价每个施工阶段服务隧道和主隧道支护状况.本例的材料参数见下:岩体——开挖隧道的围岩参数为:弹性模量elastic modulus 0.89 GPa泊松比Poisson’s ratio 0.35单轴抗压强度uniaxial compressive strength 3.5 MPa粘聚力cohesion 1 MPa密度density 1340 kg/m3混凝土衬砌——弹性模量为24 GPa ,泊松比为0.19. 假定衬砌为线弹性材料。
实例1 荷载作用下边坡稳定问题朔准线黄河大桥,边坡高105m,层理间距取3m,岩层视倾角6°;主节理间距取2m,视倾角85°,计算模型如下:DEM计算模型相关计算参数取值如下:桥基长15m,宽12m,荷载180000kN;灰岩弹性模量E=4×104MPa,泊松比μ=,岩体密度γ=×103kg/m3。
newroundset delc offblock 0 0 0 50 50 50 &180 180 0jset 85,0 300,0 0 0 3,0 (50 50)jset 6 0 300 0 0 0 4 0 (50 50)gen auto 5change jmat=1 range angle 84 86change jmat=2 range angle 5 7prop mat=1 den=2700 b= s=prop jmat=1 jkn=2e9 jks=2e9 jcoh=1e9 jfr=25 jten=1e5prop jmat=2 jkn=2e9 jks=2e9 jcoh=1e10 jfr=35grav 0 -10hist n=100 xdis ydishist n=100 xdis ydishist unbalbound xvel=0 range -1 -1bound xvel=0 range -1 157bound yvel=0 range -1 226 -1cyc 5000save变坡点x位移变坡点y位移坡顶点x位移坡顶点y位移不平衡力实例2 边坡渗流稳定问题问题定义:; ================================================; --- fluid flow test run ---; --- slope : 10 m high ---; --- 2 joint sets : 20 and 80 deg.; friction = 30 deg.; 8 m; 9 m; 10 m --- failure ---; ================================================;round定义刚体角边圆角半径,缺省值,建议为块体边长的1%,设定后不可更改。
set delc off如果接触块体张开距离大于倍round定义的长度时,接触将被自动删除(缺省值on),off 则表示不自动删除。
block 0,-5 0,0 5,0 11,10 22,10 22,-5生成一个块体,每次分析该命令只能用一次。
jset 20,0 100,0 0,0 2,0 (5,1)设置节理性质,20为角度,100为长度,2为间距,(5,1表示起点位置)jset 80,0 100,0 0,0 3,0 (5,0);del area;删除面积小于的块体gen auto 10;prop mat=1 dens= k=16667 g=10000定义材料属性:密度(de nsity)、体积模量(b ulk),剪切模量(sh ear)(当cons=3、6时,还需要coh esion粘聚力、di lation剪胀角、fri ction内摩擦角、te nsion拉张强度)prop mat=1 jkn=10000 jks=10000 jfric=prop mat=1 jperm= azero= ares=; 定义材料属性:法向刚度系数,切向刚度系数,摩擦角(度),节理渗透系数、法向应力为零时的裂隙开口大小、高应力作用下裂隙开口大小(长度)Jcons=2 (面面接触,库仑滑动准则)还有一些参数:如:jcohesion,jdilation,jtension Jcons=1(点接触)参数:ccohesion(内聚力),cdilation(剪胀角),cfriction(摩擦系数),cperm(渗透系数),ctension(拉张强度),kn(法向刚度),ks(切向刚度) Jcons=5(面面接触,库仑滑动准则,残余强度) ,与jcons=2相比,多了以下参数:jrescoh(残余内聚力),jrfric(残余摩擦角),jrtens(残余拉张强度)对于jcons=2和5,可以指定非线性应力应变关系,用property nstable n命令,Table n (x,y) (x1,y2)…….change jmat=1 jcons=2;设置材料对应关系,如节理采用编号为1的材料,节理性质为2(1,2,3,5,7)insitu str 0 ygrad 0;初始化应力,str表示(0,0)处应力,sxx0,sxy0,syy0, 分别表示x方向应力,剪应力,y方向应力Ygrad表示变化梯度,sxxy,sxyy,syyySxx=sxx0+sxxx*x+sxxy*ySxy=sxy0+sxyx*x+sxyy*ySyy=syy0+syyx*x+syyy*y还可以给出Xgrad,同上。
bound xvel=0 range -1,1 -6 1bound yvel=0 range -1,31 -6 -4bound xvel=0 range 21,23 -6 11;定义边界条件外部边界条件:1)荷载边界:bound xload fx range x,y……..bound yload fy range x,y,………2) 自由边界:bound xfreebound yfree3) 应力边界:bound stress sxx0,sxy0,syy0 xgrad sxxx,sxyx,syyx ygrad sxxy,sxyy,xyyy4) 位移速度边界bound gvel vx0,vy0,vxx,vxy,vyx,vyyVx=vx0+vxx*x+vxy*yVy=vy0+vyx*x+vyy*yBound nvel vn 变形块体法向位移速度Bound svel vs 变形块体剪切位移速度Bound xvel vx 变形体x方向位移速度Bound yvel vy 变形体y方向位移速度内部边界条件:1)荷载边界:bound interior xload fx range x,y……..bound interior yload fy range x,y,………2) 自由边界:bound interior xfreebound interior yfree3) 应力边界:bound interior stress sxx0,sxy0,syy0 xgrad sxxx,sxyx,syyx ygrad sxxy,sxyy,xyyy4) 位移速度边界bound interior gvel vx0,vy0,vxx,vxy,vyx,vyyVx=vx0+vxx*x+vxy*yVy=vy0+vyx*x+vyy*yBound interior nvel vn 变形块体法向位移速度Bound interior svel vs 变形块体剪切位移速度Bound interior xvel vx 变形体x方向位移速度Bound interior yvel vy 变形体y方向位移速度grav 0 -10;x、y方向的重力加速度,同set gravity x, yhist n=100 xdis 11,10 ydis 11,10保存变量历史,n=100表示第循环100时间步,存储一次,Xdis 11,10 表示存储距11,10最近的点的x方向位移;Ydis 11,10表示存储距11,10最近的点的y方向位移;hist unbal; 记录最大不平衡力Solve求解save;保存文件; --------------------------------------;;; --- no failure ---;; --------------------------------------fluid dens定义流体密度,注意单位要统一bound imperm range -1,31 -6 -4设置无渗流的边界范围,x最小最大范围,y最小最大范围bound pygrad range -1,1 -6 1设置流体压力梯度范围bound pp= pygrad range 21,23 -6 6;设置流体压力梯度范围,pp表示压力初值,pygrad表示梯度range 表示范围。
set flow steady;设置稳定流模式hist xdis ydis记录位移历史reset displ jdis设置块体和节理位移为零prop mat=1 jfric=25设置材料1的节理摩擦角为25度。
cyc 500执行时间500步。
save;; --------------------------------------;;; --- some slip, but no block failure ---;; --------------------------------------bound pp= pygrad range 21,23 -6 8cyc 500save;; --------------------------------------;;; --- no failure ---;; --------------------------------------bound pp= pygrad range 21,23 -6 9cyc 1000save;; --------------------------------------;;; --- failure ---;; --------------------------------------bound pp= pygrad range 21,23 -6 11cyc 15000savereturn。