导管内穿线和槽盒内敷线检验批质量验收记录07030601
- 格式:xls
- 大小:26.50 KB
- 文档页数:1
管内穿线和槽盒内敷线检验批质量验收记录管内穿线和槽盒内敷线是施工中常见的电气安装工作,对于确保电气设备的正常运行和使用安全具有重要作用。
为了保证施工质量,需要进行管内穿线和槽盒内敷线的检验批质量验收记录。
以下是一份1200字以上的管内穿线和槽盒内敷线检验批质量验收记录:一、项目概况项目名称:XX工程项目地点:XXX施工单位:XXX监理单位:XXX质检单位:XXX施工日期:XXXX年XX月XX日二、验收内容1.管内穿线2.槽盒内敷线三、验收标准1.符合国家相关电气安全标准2.管内穿线要求整齐,线缆保护措施到位3.槽盒内敷线接头牢固可靠,线缆固定牢固四、验收要点1.规格型号验收:核对线缆规格型号是否符合设计要求。
2.线缆包装验收:检查线缆包装是否完整无损。
3.线缆外观验收:检查线缆外观是否平整,裸露部分是否完好,无挤压、打结、破损等情况。
4.绝缘层质量验收:检查绝缘层是否均匀,无明显鳞状剥落、裂痕等情况。
5.线芯颜色验收:确认线芯颜色标识是否正确。
6.线缆弯曲半径验收:计算线缆的弯曲半径是否符合要求。
7.穿线工艺验收:检查管道内穿线的工艺是否正确,是否有截面损坏、破坏电缆绝缘等情况。
8.线缆保护验收:检验线缆保护措施是否到位,如套管、路面隧道等。
9.接头质量验收:检查接头的质量,包括固定牢固、焊接质量、绝缘层是否完好等。
10.线缆固定验收:检验线缆固定是否牢固,无松动、脱落等情况。
五、验收结果1.管内穿线:检验合格2.槽盒内敷线:检验合格六、存在问题及整改措施1.存在问题:XXX整改措施:XXX2.存在问题:XXX整改措施:XXX七、验收结论经对管内穿线和槽盒内敷线进行质量验收,符合相关标准和要求,验收结果为合格。
八、质量保证书本质量验收记录作为本工程的质量保证书,具有法律效力。
九、检查人员签名施工单位(盖章):__________________监理单位(盖章):__________________质检单位(盖章):__________________。
电线导管电缆导管和线槽敷设安装室内检验批质量验收记录电线导管、电缆导管和线槽的敷设安装是室内电气工程中非常重要的一环,对于保障电气系统的正常运行和使用安全起着至关重要的作用。
为了确保敷设安装质量,需要进行严格的现场检验和质量验收。
以下是电线导管、电缆导管和线槽敷设安装室内检验批质量验收记录的一个示例。
---项目名称:XXX建筑工程施工单位:XXX公司监理单位:XXX公司施工日期:XXXX年XX月XX日一、电线导管敷设安装检查记录1.检查主要内容:(1)导管的规格和型号是否符合设计要求;(2)导管的材质和表面处理是否符合规范要求;(3)导管支架和连接件的设置是否稳固可靠;(4)导管的固定是否符合规范要求;(5)导管电气接地是否符合规范要求。
2.检查结果:(1)导管的规格和型号符合设计要求;(2)导管的材质和表面处理符合规范要求;(3)导管支架和连接件设置稳固可靠;(4)导管的固定符合规范要求;(5)导管电气接地符合规范要求。
3.处理意见:(1)导管敷设安装符合要求,无需处理。
二、电缆导管敷设安装检查记录1.检查主要内容:(1)导管的规格和型号是否符合设计要求;(2)导管的材质和表面处理是否符合规范要求;(3)导管支架和连接件的设置是否稳固可靠;(4)导管的固定是否符合规范要求;(5)导管电气接地是否符合规范要求;(6)电缆弯曲半径是否符合规定;(7)电缆连接头的安装是否牢固可靠;2.检查结果:(1)导管的规格和型号符合设计要求;(2)导管的材质和表面处理符合规范要求;(3)导管支架和连接件设置稳固可靠;(5)导管电气接地符合规范要求;(6)电缆弯曲半径符合规定;(7)电缆连接头的安装牢固可靠。
3.处理意见:(1)导管敷设安装符合要求,无需处理。
三、线槽敷设安装检查记录1.检查主要内容:(1)线槽的规格和型号是否符合设计要求;(2)线槽的材质和表面处理是否符合规范要求;(3)线槽支架和连接件的设置是否稳固可靠;(4)线槽固定是否符合规范要求;(5)线槽电气接地是否符合规范要求;(6)线槽的翻盖板安装是否牢固可靠。
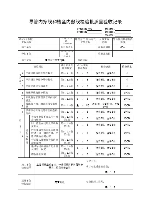
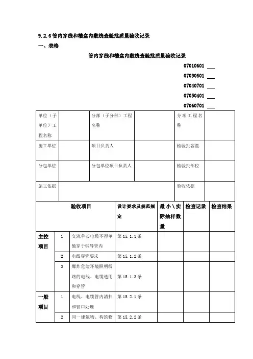
9.2.6管内穿线和槽盒内敷线查验批质量验收记录一、表格管内穿线和槽盒内敷线查验批质量验收记录0701060107030601070407010705040107060701二、验收依听说明【标准名称及编号】《建筑电气工程质量验收标准》GB50303-2002【条文摘录】15 电线、电缆穿管和线槽敷线主控项目15.1.1 三相或单相的交流单芯电缆,不得单独穿于钢导管内。
说明:15.1.1 本条是为了避免产生涡流效应必需遵守的规定。
15.1.2 不同回路、不同电压和交流与直流的电线,不该穿于同一导管内;同一交流回电线应穿于同一金属导管内,且管内电线不得有接头。
说明:15.1.2 本条是避免彼此干扰,幸免发生故障时扩大阻碍面而作出的规定。
同一交流回路要穿在同一金属管内的目的,也是为了避免产生涡流效应。
回路是指同一个操纵开关及爱惜装置引出的线路,包括相线和中性线或直流正、负2根电线,且线路自始端至用电设备器具之间或至下一级配电箱之间再也不设置爱惜装置。
15.1.3 爆炸危险环境照明线路的电线和电缆额定电压不得低于750v,且电线必需穿于钢导管内。
说明:15.1.3 由于现行这国家标准 IEC227的聚氯乙烯绝缘电缆的额定电压提高为450/750V,故而将电压提高为750V,其余规定与《电气装置安装工程爆炸和火灾危险环境电气装置施工及验收标准》GB50257相一致。
一样项目15.2.1 电线、电缆穿管前,应清除管内杂物和积水。
管口应有爱惜方法,不进入接线盒(箱)的垂直管口穿入电线、电缆后,管口应密封。
15.2.2 当采纳多相供电时,同一建筑物、构筑物的电线绝缘层颜色选择应一致,即爱惜地线(PE线)应是黄绿相间色,零线用淡蓝色;相线用;A相-黄色、B 相-绿色、C相-红色。
说明:15.2.2 电线外护层的颜色不同是为区别其功能不同而设定的,对识别和方便保护检修均有利。
PE线的颜色是全世界统一的,其他电线的颜色还未一致起来。
修改说明:本表格与13版比较表头部分将项目负责人改为项目经理,因为项目经理是施工企业在工程项目上的合法代表。
增加了验收记事一栏,方便记录验收当时情况。
验收内容与验收规范要求一致未作修改。
一、验收依据1、《建筑工程施工质量验收统一标准》GB50300-20132、《建筑电气工程质量验收规范》GB50303-2002二、规范摘要1、检验批划分原则依据工程量的大小来划分,可把某个区段的几个层划分为一个检验批。
2、验收要求详见后3、主控项目1)三相或单相的交流单芯电缆,不得单独穿于钢导管内。
检查方法:目测检查或检查隐蔽工程记录。
抽检10%;少于10处,全数检查。
2)不同回路、不同电压等级和交流与直流的电线,不应穿于同一导管内;同一交流回路的电线应穿于同一金属导管内,且管内电线不得有接头。
检查方法:目测检查或检查隐蔽工程记录。
抽检10%;少于10处,全数检查。
3)爆炸危险环境照明线路的电线和电缆额定电压不得低于750V,且电线必须穿于钢导管内。
检查方法:目测检查或检查隐蔽工程记录。
抽检10%;少于10处,全数检查。
4、一般项目1)电线、电缆穿管前,应清除管内杂物和积水。
管口应有保护措施,不进入接线盒(箱)的垂直管口穿入电线、电缆后,管口应密封。
检查方法:目测检查。
抽检20%;少于10处(回路),全数检查。
2)当采用多相供电时,同一建筑物、构筑物的电线绝缘层颜色选择应一致,即保护地线(PE 线)应是黄绿相间色,零线用淡蓝色;相线用:A 相-黄色、B 相-绿色、C 相-红色。
检查方法:目测检查或穿线时旁站。
抽检20%;少于10处(回路),全数检查。
3)线槽敷线应符合下列规定:a.电线在线槽内有一定余量,不得有接头。
电线按回路编号分段绑扎,绑扎点间距不应大于2m;b.同一回路的相线和零线,敷设于同一金属线槽内;c.同一电源的不同回路无抗干扰要求的线路可敷设于同一线槽内;敷设于同一线槽内有抗干扰要求的线路用隔板隔离,或采用屏蔽电线且屏蔽护套一端接地。
电线电缆穿管和线槽敷线分项工程检验批质量验收记录一、项目基本情况项目名称:电线、电缆穿管和线槽敷线分项工程施工单位:XX公司验收时间:XXXX年XX月XX日二、验收人员验收人员:主管单位:监理单位:施工单位:三、施工情况1.工程范围:电线、电缆穿管和线槽敷设工程。
2.施工内容:根据设计要求,在建筑物内部和外部进行电线、电缆穿管和线槽敷设,负责连接电力供应与电力接收设备。
四、检验批验收情况1.第一检验批:(包括检验编号、检验日期、验收人员等)2.第二检验批:(包括检验编号、检验日期、验收人员等)……(根据实际情况逐一列出每个检验批的基本情况)五、质量验收情况1.检验项目:(1)穿管工程:a.管道规格是否符合要求;b.管道长度是否符合要求;c.管道安装是否牢固;d.管道间隔是否均匀;e.管道弯曲是否符合要求;f.管道的防腐措施是否到位。
(2)线槽敷设:a.线槽规格是否符合要求;b.线槽长度是否符合要求;c.线槽安装是否牢固;d.线槽间隔是否均匀;e.线槽弯曲是否符合要求。
(3)电线、电缆敷设:a.电线、电缆规格是否符合设计要求;b.电线、电缆敷设是否牢固;c.电线、电缆敷设是否整齐;d.电线、电缆的弯曲半径是否符合要求;e.电线、电缆与穿管、线槽的接触面是否符合要求。
2.质量验收结论:(根据每个检验项目的具体情况,进行评定,可以分为合格、基本合格和不合格)六、存在的问题及整改措施1.存在的问题:(列出存在的问题)2.整改措施:(针对每个问题提出相应的整改措施)七、质量验收意见及签字1.质量验收意见:经对电线、电缆穿管和线槽敷线分项工程进行检验批质量验收(1)合格项目数量:(2)基本合格项目数量:(3)不合格项目数量:2.签字:主管单位:监理单位:施工单位:验收人员:八、总结根据对电线、电缆穿管和线槽敷线分项工程的质量验收,发现了一些问题和不足之处,通过采取相应的整改措施,保证了工程的质量和安全。
在今后的工程施工中,应进一步加强质量管理,确保施工符合相关规范和要求,以达到更好的工程质量。
电线电缆穿管和线槽敷线安装工程检验批质量验收记录日期:2024年X月X日项目名称:XXX工程总包单位:XXX公司施工单位:XXX公司监理单位:XXX公司一、工程概况:该工程是电线电缆穿管和线槽敷线安装工程,总长XXX米。
按照设计要求和施工图纸,本次验收主要检查穿管安装和线槽敷设工艺是否符合规范要求,以及工程质量是否符合标准。
二、检验批次及工程部位:本次检验共分为X个批次进行,主要包括穿管安装和线槽敷设两个部分。
具体批次如下:1.穿管安装:批次一、批次二、批次三、..2.线槽敷设:批次一、批次二、批次三、..三、检验方法和标准:1.检验方法:现场实地检查和测量、抽样送验等方式。
2.检验标准:按照国家标准《电线电缆穿管和线槽敷设技术规范》(GB/TXXXX)和设计要求进行验收。
四、检验结果:1.穿管安装:批次一:a.穿管工艺:施工人员按照设计要求和规范进行穿管,管道连接牢固,且无明显倾斜。
b.管道标识:每根穿过的管道都标有规范要求的标识,清晰易读。
c.管道保护:穿过的管道有适当的保护措施,避免机械损伤。
结论:穿管安装工艺符合规范要求,质量合格。
批次二:a.穿管工艺:施工人员按照设计要求和规范进行穿管,管道连接牢固,且无明显倾斜。
b.管道标识:标识清晰,易读,与设计图纸一致。
c.管道保护:穿过的管道有适当的保护措施,避免机械损伤。
结论:穿管安装工艺符合规范要求,质量合格。
2.线槽敷设:批次一:a.线槽尺寸:线槽尺寸符合设计要求,且无明显变形、裂缝等缺陷。
b.线槽固定:线槽固定牢固,无松动现象。
c.线槽标识:每个线槽都标有规范要求的标识,清晰易读。
结论:线槽敷设工艺符合规范要求,质量合格。
批次二:a.线槽尺寸:线槽尺寸符合设计要求,且无明显变形、裂缝等缺陷。
b.线槽固定:线槽固定牢固,无松动现象。
c.线槽标识:标识清晰,易读,与设计图纸一致。
结论:线槽敷设工艺符合规范要求,质量合格。
五、存在问题及处理意见:1.检验过程中,未发现存在重大质量问题。
导管内穿线和槽盒内敷线检验批质量验收记录导管内穿线和槽盒内敷线是建筑、电气等工程中常见的施工工作,为了保证施工质量,需要进行质量验收。
下面是导管内穿线和槽盒内敷线检验批质量验收记录的最新版,包括文档的标题、目的、范围、检查项目、检查方法、记录和报告要求等内容。
1.标题:2.目的:确保导管内穿线和槽盒内敷线工程质量符合相关标准和要求。
3.范围:本次质量验收适用于所有导管内穿线和槽盒内敷线的施工工序。
4.检查项目:4.1导管内穿线4.2槽盒内敷线5.检查方法:5.1现场检查5.2抽样检验5.3实测实量6.记录和报告要求:6.1记录环节6.1.1记录人员应当对导管内穿线和槽盒内敷线进行细致的检查,并记录下检查结果。
6.1.2记录内容应包括:施工单位名称、施工日期、检查项目、检查结果、问题描述等。
6.1.3记录人员应当及时汇总检查结果,并准备检验批质量验收报告。
6.2报告环节6.2.1检验批质量验收报告应由专业人员编写,内容应真实、准确、完整。
6.2.2报告内容应包括:施工单位概况、施工工序、质量验收内容、发现的问题及处理措施、合格数量和不合格数量统计、质量验收的评价意见等。
6.2.3技术负责人应对检验批质量验收报告进行审核,并签署意见。
7.1报告审核应由项目技术负责人负责。
7.2审核内容应包括:报告中的各项内容是否真实准确;问题描述和处理措施是否合理;评价意见是否明确等。
8.问题整改:8.1对于不合格的导管内穿线和槽盒内敷线,应及时通知施工单位进行整改。
8.2整改内容应包括:对问题的具体描述、整改的具体措施及负责人、整改的时间要求、整改后的复检等。
9.质量验收评价:9.1根据导管内穿线和槽盒内敷线的质量验收情况,对施工单位的工作进行评价。
9.2评价应包括:施工单位的工作态度、技术水平、工作质量以及与业主、监理单位的沟通等。
10.附件:以上便是导管内穿线和槽盒内敷线检验批质量验收记录的最新版,1500字以上的文档。