附属设施项目人防门安装方案
- 格式:doc
- 大小:1.45 MB
- 文档页数:12
人防工程门安装施工方案一、前期准备工作1. 确定安装位置要首先确定人防工程门的安装位置,需要根据现场情况和安全要求来选择合适的位置,同时要考虑到使用便利性和人员流动情况,确保选定位置符合实际需求。
2. 测量尺寸在确定安装位置后,需要对安装位置的尺寸进行详细测量,包括高度、宽度、厚度等尺寸数据,以便后续的制作和安装工作。
3. 确定门型根据实际需求和安全要求,选择合适的人防工程门型,包括单开门、双开门、滑动门等,同时需要考虑到门的材质和密封性能,以确保安全和防护效果。
4. 准备材料和工具根据实际需求和施工计划,准备所需的安装材料和工具,包括门扇、门框、五金配件、密封胶条、安装螺丝等,同时需要准备好安装所需的电动工具、手动工具等。
5. 安装方案设计根据实际情况和安全要求,设计详细的安装方案,包括安装顺序、施工步骤、安装方法等,确保施工过程中安全、高效、质量可控。
6. 人员培训在进行施工前,要对参与安装工作的施工人员进行专业的培训,包括安装操作规程、安全注意事项、紧急处理方法等,确保每个施工人员都具备必要的安全技能和专业知识。
二、施工工艺1. 安装门扇首先要进行门扇的安装,确保门扇与门框的匹配度和密封性能,安装时要根据实际情况选择合适的安装方法和螺丝规格,确保门扇安装牢固、平整、紧密。
2. 安装门框在门扇安装完成后,要进行门框的安装工作,门框安装需要根据实际位置和尺寸进行调整,确保门框的稳固和密封性,同时要注意门框与地面的水平和垂直度,确保门的开闭顺畅。
3. 安装五金配件在门扇和门框安装完成后,要进行五金配件的安装,包括门锁、门把手、门铰链等五金配件的安装工作,要根据实际需要进行安装位置和方式的选择,确保五金配件的牢固和可靠。
4. 密封胶条安装在门扇和门框安装完成后,要进行密封胶条的安装工作,确保门的密封性和防护效果,密封胶条的安装需要根据门的材质和结构进行选择和安装,确保密封效果可靠。
5. 调试和验收在门的安装工作完成后,要进行门的调试和验收工作,包括开闭试验、密封性检查、五金配件工作情况检查等,确保门的正常使用和安全性能。
项目名称:XX人防工程项目地点:XX市XX区工程规模:建筑面积XX平方米结构形式:钢筋混凝土结构人防等级:XX级二、施工准备1. 材料准备(1)人防门:根据设计要求,选择符合国家标准的钢制人防门、钢筋混凝土人防门等。
(2)门框:选用与门扇材质相匹配的钢制门框、钢筋混凝土门框等。
(3)配件:各种五金配件、密封件、膨胀螺栓等。
(4)其他材料:各种规格的螺钉、垫片、焊条、防锈漆等。
2. 机械设备(1)电焊机、切割机、气泵、钻床等。
(2)工具:扳手、螺丝刀、钳子、锤子、线坠、水平尺、钢尺等。
(3)计量检测用具:托线板、线坠、水平尺、钢尺等。
3. 人员组织(1)成立施工班组,明确各岗位人员职责。
(2)对施工人员进行技术交底和安全教育。
三、施工工艺1. 施工顺序(1)门框安装:先安装门框,再安装门扇。
(2)门扇安装:先安装门扇,再安装五金配件。
2. 施工要点(1)门框安装:根据设计图纸,在墙体上预留门洞,安装门框。
门框安装要垂直、平整,缝隙均匀,固定牢固。
(2)门扇安装:将门扇放入门框,调整门扇位置,确保门扇开启、关闭顺畅。
门扇与门框的缝隙要均匀,不得有明显的缝隙。
(3)五金配件安装:根据设计要求,安装门把手、锁具、密封条等五金配件。
安装要牢固,外观整洁。
(4)密封处理:在门扇与门框缝隙处,涂抹密封胶,确保密封效果。
(5)防护处理:对人防门进行防锈漆处理,提高使用寿命。
四、质量控制1. 材料质量:选用符合国家标准的材料,确保材料质量。
2. 施工质量:严格按照施工工艺进行施工,确保施工质量。
3. 检验检测:施工过程中,对施工质量进行检验检测,发现问题及时整改。
五、安全文明施工1. 施工现场:保持施工现场整洁,合理堆放材料、工具。
2. 安全生产:严格执行安全生产规章制度,确保施工安全。
3. 环境保护:遵守国家环境保护法规,减少施工对环境的影响。
六、工期安排根据工程规模和施工条件,制定合理的施工进度计划,确保工程按期完成。
人防门施工方案范文人防门是指用于防护和控制人员进出的门,广泛应用于公共场所、居民小区、商业区等场所。
人防门的施工方案需要综合考虑安全性、便利性、结构性等多个因素,下面是一份详细的人防门施工方案。
一、施工目标和任务:1.确保人员进出的安全性和便利性。
2.保证人防门整体结构的稳定性和耐用性。
3.提高人防门的防护能力和安全防范功能。
4.尽量减少施工过程对周围环境的影响和破坏。
5.完成人防门设计和施工工作。
二、施工步骤:1.方案设计:根据实际需要,结合场地环境和使用要求,制定人防门的设计方案,包括材料选择、结构设计、防护标准等。
2.施工准备:准备施工所需材料和设备,包括门体材料、门框、安全锁具、控制系统等。
同时进行周围环境的清理和防护措施。
3.人防门制作:根据设计方案开始制作人防门的门体和门框,在制作过程中要保证制作精度和质量。
同时进行相应的材料防腐、防锈处理。
4.安装调试:将制作好的人防门安装到门洞位置,正确连接门框和门体,进行紧固固定。
进行人防门的功能性测试,确保门的打开、关闭、锁闭等操作正常。
5.附属设施安装:安装和连接人防门所需的附属设施,包括安全锁具、控制系统、报警系统等。
进行必要的调试和测试。
6.防护措施:在人防门周围进行防护设施的设置,包括防撞护栏、安全标识等,确保人防门的安全功能完善。
7.环境恢复:及时清理施工现场的杂物和垃圾,恢复周围环境的整洁,对施工过程中可能对周围环境造成的损坏进行修复。
8.定期维护:根据人防门的使用情况,进行定期的维护工作,包括油润、防锈等,确保门的正常使用功能。
三、施工要求:1.材料选择:人防门的材料选择应符合相应的安全标准,包括强度、防腐性能等。
同时要选择具备良好的耐用性和防护性的材料。
2.结构设计:人防门的门体和门框结构设计应稳固可靠,能承受较大的冲击和外力。
门框应牢固连接到墙体,无松动等现象。
3.安装固定:人防门在安装过程中要保持水平、垂直等准确位置,确保门的正常打开、关闭操作。
第1篇一、前言人防工程防护门作为人防工程的重要组成部分,其安装质量直接关系到人防工程的防护效能和使用安全。
本方案旨在提供一套科学、合理、安全的人防工程防护门安装方案,确保人防工程防护门的安装质量,提高人防工程的防护能力。
二、工程概况1. 工程名称:XX人防工程防护门安装工程2. 工程地点:XX市XX区XX街道3. 工程规模:XX平方米4. 工程工期:XX天5. 工程质量要求:符合国家相关标准和规范要求,确保安装质量,提高人防工程防护能力。
三、安装方案1. 安装前准备(1)施工人员:组织一支具备相关专业知识和技能的施工队伍,对施工人员进行技术交底和安全教育。
(2)施工材料:根据工程需求,准备足够的防护门、安装配件、密封材料等。
(3)施工工具:准备电钻、螺丝刀、扳手、水平尺、卷尺等施工工具。
2. 安装步骤(1)现场勘查:对安装现场进行勘查,了解现场环境、结构、尺寸等,确保安装方案的可行性。
(2)定位放线:根据设计图纸,确定防护门安装位置,使用水平尺、卷尺等工具进行定位放线。
(3)开洞:根据防护门尺寸,使用电钻在洞口处进行开洞,确保洞口尺寸准确。
(4)安装门框:将门框放置在洞口处,调整门框水平、垂直度,使用膨胀螺栓固定门框。
(5)安装门扇:将门扇放置在门框上,调整门扇水平、垂直度,使用螺丝固定门扇。
(6)安装密封条:在门框与门扇、门扇与地面之间安装密封条,确保密封性能。
(7)安装配件:根据需要,安装门把手、闭门器、地弹簧等配件。
(8)调试:对安装好的防护门进行调试,确保门扇开关顺畅、密封良好。
3. 安装质量控制(1)严格按照设计图纸和施工规范进行安装,确保安装质量。
(2)对安装过程中的每个环节进行严格检查,发现问题及时整改。
(3)对安装好的防护门进行验收,确保满足设计要求和使用功能。
四、施工注意事项1. 施工人员应佩戴安全帽、安全带等个人防护用品。
2. 施工现场应保持整洁,不得乱堆乱放材料、工具。
3. 严禁在安装过程中损坏墙体、地面等结构。
人防门施工方案第1篇人防门施工方案一、项目背景随着城市建设的发展,地下室及人防工程在民用建筑中日益普及。
人防门作为人防工程中的重要组成部分,其施工质量直接关系到人防工程的防护效能。
为确保人防门施工的合法合规,特制定本方案。
二、施工目标1. 确保人防门施工符合国家相关法律法规和标准要求。
2. 确保人防门的施工质量,提高防护效能。
3. 保障施工现场安全,减少环境污染。
三、施工内容1. 人防门的制作与安装。
2. 人防门相关设施的施工。
3. 施工现场管理及环境保护。
四、施工准备1. 熟悉并掌握国家及地方相关法律法规、标准规范。
2. 对施工人员进行技术培训,确保施工人员具备相应技能。
3. 准备施工所需材料、设备、工具,确保质量合格。
4. 办理施工许可等相关手续。
五、施工方法及步骤1. 人防门制作:(1)根据设计图纸,采用符合国家标准的材料进行制作。
(2)门扇与门框的连接采用焊接或螺栓连接,确保连接牢固。
(3)门扇内填充材料应符合防火、防水、防潮、无毒、无害等要求。
(4)门扇表面处理应平整、光滑,颜色一致,无划痕、脱落等缺陷。
2. 人防门安装:(1)根据设计图纸,确定人防门安装位置。
(2)门框安装应垂直、水平,与墙体连接牢固。
(3)门扇安装应保证开关灵活、关闭严密,无卡阻现象。
(4)安装完毕后,进行验收,确保符合国家标准。
3. 人防门相关设施施工:(1)人防门观察窗、通风口等设施的施工。
(2)人防门防护密闭门的施工。
(3)人防门电气系统、报警系统的施工。
4. 施工现场管理:(1)建立健全施工现场管理制度,明确责任分工。
(2)加强施工现场安全防护,确保施工人员安全。
(3)加强施工现场环境保护,减少噪音、粉尘等污染。
六、施工质量保证措施1. 严格遵循国家及地方相关法律法规、标准规范。
2. 对施工过程进行全程监控,确保施工质量。
3. 对施工人员进行技能培训,提高施工水平。
4. 对施工材料、设备进行严格把关,确保质量合格。
人防门安装工程施工技术方案一、项目概述本项目是一个人防门安装工程的施工项目,旨在地区的人防工程提供安全、可靠的人防门安装服务。
该工程包括人防门的选购、运输、装配和安装。
项目的主要任务是按照设计要求和相关标准规范,保证人防门的质量和运行安全。
二、施工准备工作1、制订施工计划:根据项目要求和工期安排,制定详细的施工计划,明确安装步骤和时间节点。
2、购买设备材料:根据设计要求和施工计划,购买所需的设备和材料,包括人防门、安装工具、螺栓、焊接材料等。
3、组建施工队伍:组建一支经验丰富、技术过硬的安装队伍,确保施工质量和进度。
三、施工流程1、现场勘测:对人防门的安装位置进行现场勘测,理清布局和操作空间,确保安装工作顺利进行。
2、人防门选购:根据设计要求和现场勘测结果,选购符合要求的人防门,包括门体和门框。
3、加工和装配:根据人防门的尺寸要求,对门体和门框进行加工和装配,确保门体与门框间隙符合要求,门体操作灵活、顺畅。
4、焊接:按照设计要求和施工图纸,对门框和门体进行焊接,确保焊接接头牢固、平整,没有裂纹和缺陷。
5、涂装:对焊接完成的人防门进行喷涂处理,确保门体表面光滑,并具有一定的防腐蚀性能。
6、运输和起吊:将安装完成的人防门运输到现场,并使用合适的起吊设备将门体安装到预定位置。
7、固定和调整:通过调整螺栓和门体的位置,确保人防门的水平、垂直和密封性能,同时保证门的开启和关闭灵活、顺利。
8、安装附件:安装合适的门锁、门把手和门关等附件,确保人防门的操作方便、安全。
9、检验和保养:对安装完成的人防门进行全面检验,确保门的质量和安全性能,同时制定合理的保养计划,定期对人防门进行保养和维修,延长使用寿命。
四、施工注意事项1、严格按照设计要求和相关标准规范进行施工,确保人防门的质量和安全性能。
2、施工过程中要保持施工现场的整洁和安全,做好施工区域的隔离和标识。
3、施工过程中,加强与业主和监理单位的沟通,及时解决问题,确保工程进度和质量。
人防门安装施工方案三篇第1条民防门安装施工方案施工方案1 、编制依据1.1.XX科技产业中心项目16、17建筑地下结构施工图。
1.2.主要法规、规格、标准。
序列码、代码、标准名称类别编号1工程建设标准强制性条文(建筑构造部分)国家XXXX第2版人防地下室设计规范国家GB 50038-20X3人防工程施工及验收规范国家GB 50134-20X4人防地下室出入口建筑设计国家04FJ025人防地下室通风建筑设计国家04FJ036人防地面下部房间的钢防护设备为国家04FJ047人防地下室建筑结构项目名称为XX工业中心项目。
地下一层是平时的地下车库,战时是二等兵的避难所。
抗性等级为核等级6、正常等级6和化学等级c。
3 、施工准备3.1材料准备进入工厂的防盗门和门框的施工单位应提供垂直存放空间。
3.1.1人防门门扇和门框规格、型号、技术性能应符合设计要求,产品合格证、性能测试报告和生产许可证。
3.1.2配件各种五金配件、密封件必须与门的规格、型号相匹配。
3.1.3各种规格的螺钉、垫片、焊条、防锈漆等。
3.2机器和设备3.2.1机械电焊机3.2.2工具手柄线螺纹、楔形、锤子、扳手、钳子、螺丝刀、链条反转、链条反转支架。
3.2.3测量和测试工具钢丝支撑板、钢丝下降、水平、钢尺。
3.2.4安全防护用品绝缘手套、安全带、口罩等。
3.3运行条件3.3.1安装人防门框时,必须认真执行规范,配合塔吊进行垂直吊装就位,垂直安装稳定后进行安装。
只有当框架就位且矫直坐标垂直且准确时,才能绑扎钢筋。
安装门框时,钢管应用卡扣紧固。
施工人员不得随意拆除或切断固定人防门框的扣扣、钢管等物品。
3.3.2地下结构工程施工完毕,经验收合格后,办理工序交接手续。
3.3.3根据设计要求,人防门框已随结构施工预埋,经检查符合安装要求。
3.3.4防盗门及配件已存在,其规格、型号符合设计要求并通过检验。
3.4技术准备3.4.1根据图纸现场检查并复核防空门架的尺寸。
一、工程概况1. 项目名称:XX人防工程2. 项目地点:XX市XX区XX路XX号3. 项目规模:地下一层,平时为地下车库,战时为二等人员掩蔽所4. 抗力等级:核6级常6级5. 防化等级:丙级二、施工准备1. 材料准备(1)人防门:门扇和框的规格、型号、技术性能应符合设计要求。
(2)配件:各种五金配件、密封件必须与门的规格、型号相匹配。
(3)其他材料:各种规格的螺钉、垫片、焊条、防锈漆等。
2. 机具设备(1)机械:电焊机、切割机、气泵、水平尺、钢尺等。
(2)工具:焊把线、小线、木楔、锤子、扳手、钳子、螺丝刀、倒链、倒链支架等。
(3)计量检测用具:托线板、线坠、水平尺、钢尺等。
3. 人员准备(1)施工人员:熟练掌握人防门安装技术的施工人员。
(2)管理人员:具备相关专业知识的管理人员。
三、施工工艺1. 施工工艺原理对人防门进行安装施工,通过对整体起吊、安装、支设、固定、模板混凝土浇筑的控制,保证人防门的安装施工质量。
2. 施工工艺流程(1)施工准备:熟悉图纸,技术交底,现场安全教育。
(2)测量放线:根据图纸放出轴线、标高控制线、模板控制线。
(3)钢筋绑扎:按照设计要求进行钢筋绑扎。
(4)整体起吊:使用塔吊将人防门整体起吊至安装位置。
(5)校正安装:调整门框位置,确保门框垂直、水平。
(6)设定支撑:在门框两侧设置支撑,保证门框稳定。
(7)固定:使用螺栓将门框固定在墙体上。
(8)模板支设:在门框周围支设模板,为混凝土浇筑做准备。
(9)混凝土浇筑:浇筑混凝土,确保门框固定牢固。
(10)拆除模板:混凝土凝固后,拆除模板。
四、质量控制1. 材料质量:严格按照设计要求选用人防门、配件等材料,确保材料质量符合规范要求。
2. 施工质量:按照施工工艺流程进行施工,确保施工质量符合规范要求。
3. 检验检测:施工过程中,定期进行检验检测,确保工程质量。
五、安全措施1. 施工现场设置安全警示标志,提醒施工人员注意安全。
2. 施工人员必须佩戴安全帽、安全带等防护用品。
一、工程概况1.1 工程名称:XXXX人防门安装工程1.2 工程地点:XXXX1.3 工程规模:XXXX1.4 工程类别:人防门安装工程1.5 施工单位:XXXX1.6 施工日期:XXXX年XX月XX日至XXXX年XX月XX日二、施工准备2.1 材料准备2.1.1 人防门:符合设计要求,具备产品合格证。
2.1.2 门框:符合设计要求,具备产品合格证。
2.1.3 配件:五金配件、密封件等,与门、框规格型号相匹配。
2.1.4 其它材料:螺钉、垫片、焊条、防锈漆等。
2.2 机具设备2.2.1 机械:电焊机、切割机、钻床等。
2.2.2 工具:扳手、钳子、螺丝刀、倒链、锤子等。
2.2.3 计量检测用具:托线板、线坠、水平尺、钢尺等。
三、施工工艺3.1 施工流程3.1.1 施工现场准备:清理施工现场,确保施工环境安全、整洁。
3.1.2 材料验收:对人防门、门框、配件等进行验收,确保质量合格。
3.1.3 预埋门框:根据设计要求,在墙体上预埋门框,确保位置准确。
3.1.4 安装门框:将门框与预埋的墙体连接,确保牢固。
3.1.5 安装门扇:将门扇与门框连接,确保门扇与门框平行、垂直。
3.1.6 防水、密封处理:对门缝进行防水、密封处理,确保密封性能。
3.1.7 调试:对安装完成的人防门进行调试,确保运行正常。
3.2 施工要点3.2.1 预埋门框时,要确保位置准确,避免偏差。
3.2.2 安装门框时,要确保门框与墙体连接牢固。
3.2.3 安装门扇时,要确保门扇与门框平行、垂直。
3.2.4 防水、密封处理要均匀,避免漏缝。
四、质量保证措施4.1 施工前,对施工人员进行技术交底,确保施工质量。
4.2 施工过程中,对施工过程进行监督检查,发现问题及时整改。
4.3 施工完成后,进行自检、互检,确保工程质量。
4.4 对施工过程中出现的质量问题,要及时分析原因,制定整改措施。
五、安全文明施工措施5.1 施工现场要设置安全警示标志,确保施工安全。
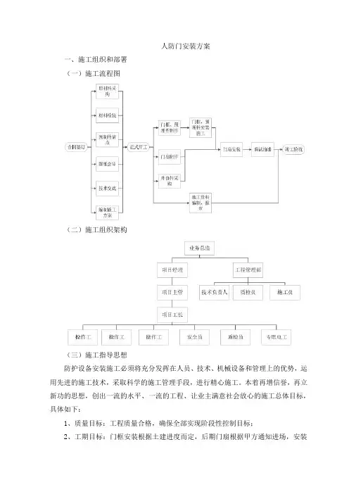
人防门安装方案一、施工组织和部署(一)施工流程图(二)施工组织架构(三)施工指导思想防护设备安装施工必须将充分发挥在人员、技术、机械设备和管理上的优势,运用先进的施工技术,采取科学的施工管理手段,进行精心施工。
本着再增信誉,再立新功的思想,创出一流的水平、一流的工程、让业主满意社会放心的施工总体目标,具体如下:1、质量目标:工程质量合格,确保全部实现阶段性控制目标;2、工期目标:门框安装根据土建进度而定,后期门扇根据甲方通知进场,安装工期 20 天,保证全部实现阶段性控制目标;3、安全、文明生产目标:市级安全文明施工工地,无安全施工事故。
4、社会效益目标:各方评价良好,让业主放心。
5、为顺利实现以上目标,我们采取的主要措施有:(1)每个工程均由公司管理调度,在各施工生产要素的配置上专人专项安排,确保工程顺利完成。
(2)组建项目班子,选配项目经理和管理人员,实行项目经理制,合理调配人、材、物等生产要素,优化施工程序。
(3)选用能打硬仗的高素质的作业队伍为公司所用。
(4)发挥公司管理上的优势,强化职能,统筹协调,综合管理,确保工程总体目标的实现。
(四)现场施工组织机构公司将按项目经理负责制管理原则,组织项目的施工与管理。
项目管理机构由项目领导层、专业管理层和劳务层组成。
各类人员的岗位职责按公司项目管理手册执行。
1、项目领导层项目领导层防护设备安装工程人防整个工程设一名项目经理、一名项目主管、一名项目工长、一名施工员及一名质安员组成。
以项目经理为首的领导班子全权组织该工程的生产诸要素,项目经理是企业法人在本工程上的代表。
具有人事、成本控制、技术决策、设备租赁的权利。
对工程进度、质量、安全负责。
2、项目作业层项目作业层主要为现场一、二线工人组成。
由具有一定操作技术和操作经验的自身职工队伍组成的施工班组,配合组建有等级的施工队伍作为补充。
通过经济合同形式明确双方目标、责任。
二、人防防护设备制作方案(一)人防门框的制作各种人防防护密闭门、密闭门、战时封堵门框主要是由角钢、扁钢、钢板制作而成,采用 A3 钢。
人防门安装施工方案人防门是指用来防护人员的入侵或者恶劣环境的门,其安装施工方案应当能够确保人防门的稳固性、防护性以及美观性。
以下是一个人防门安装施工方案的参考,包括前期准备、具体施工内容以及后续维护等方面的内容。
一、前期准备1.安全评估:在施工前应对要安装的位置进行安全评估,包括评估周边环境的安全情况、存在的风险等。
2.材料准备:根据设计要求,准备所需的人防门和相关安装组件,确保质量可靠。
3.施工人员:安排合格的施工人员,具备相应的施工经验和技能。
二、具体施工内容1.清理现场:施工前应清理现场,确保施工区域干净整洁,并保持个人和现场的安全。
2.定位施工:根据设计要求,确定人防门的安装位置,并进行标注和测量。
3.准备开口:根据人防门的尺寸和形状,在墙体或者构件上进行开口,确保开口的尺寸和位置准确。
4.安装门体:将人防门的门体放置在开口位置上,使用螺栓或者焊接等方式进行固定,确保门体稳固可靠。
5.安装门框:根据人防门的门框设计和尺寸要求,将门框固定在墙体或者构件上,确保门框的稳固性。
6.安装密封条:在门框和门体之间安装密封条,以确保门的密封性能和防护性能。
7.安装门锁:根据设计要求,安装门锁和把手等附件,确保门的开闭和安全性能。
8.进行调试:安装完成后,进行调试和检验,确保人防门的开闭灵活,密封性能良好。
9.进行试验:安装完成后,进行人防门的试验,包括开闭试验、防护试验等,确保人防门的功能和性能。
三、后续维护1.定期检查:定期对人防门进行检查,包括检查门体、门框和门锁等部件的磨损程度,及时进行更换和修理。
2.清洁保养:定期清洁人防门的外表面,防止积尘和腐蚀,同时对门锁进行润滑保养,确保开闭顺畅。
3.修理更换:当发现人防门存在问题或者损坏时,应及时进行修理或者更换,确保人防门的正常使用。
4.安全教育:加强对使用人员的安全教育,指导其正确使用人防门,并加强消防和安全意识的培训。
5.定期检测:定期组织专业人员对人防门进行检测,包括防火性能、密封性能和防弹性能等方面的检测,确保人防门的安全可靠。
人防门安装施工方案人防门作为一种重要的防护设施,广泛用于公共场所和居民楼等地方。
安装人防门需要经过一系列的施工工序,下面是一个人防门安装的施工方案。
施工前准备:1.确认施工现场的具体位置和要求,包括门的尺寸、材质、颜色等。
2.购买所需的材料和设备,包括人防门、工具、钢筋等。
施工流程:1.清理施工区域,确保施工区域干净整洁。
2.按照设计要求开挖门孔,并进行地面处理,确保门孔的平整度和强度。
3.在门孔周围架设临时支架,用以支撑门框和门扇。
4.根据门扇的尺寸和设计要求,制作门框。
门框的制作需要用到钢筋和焊接设备,确保门框的牢固度和稳定性。
5.将制作好的门框安装到门孔上,使用水平仪进行调整,使门框保持水平。
6.在门框上打开门扇的安装孔,将门扇安装到门框上。
门扇的安装需要使用螺丝和螺母进行固定,确保门扇的稳定性和安全性。
7.安装好门扇后,进行门扇和门框的检查和调整,确保门扇的开启和关闭顺畅。
8.安装好的人防门需要进行腰线涂装,以提高人防门的防腐和防锈能力。
涂装前需要对门扇和门框的表面进行清洁和打磨,然后涂刷底漆和面漆。
施工后处理:1.清理施工现场,确保施工区域干净整洁。
2.对安装的人防门进行整体检查,确保门的安装质量和稳定性。
3.整理和存放好施工中使用的工具和材料。
4.与业主进行验收,并解答业主对人防门的使用、维护等方面的问题。
以上是一个人防门安装的施工方案,具体施工过程中需要根据实际情况进行调整。
在施工过程中要注意安全,严格按照相关安全操作规范进行操作,确保施工质量和施工安全。
同时,人防门的安装也需要遵循国家的相关标准和规范,以确保人防门的使用安全和持久性。
一、工程概况本工程为人防防护门安装工程,施工地点位于我国某城市,工程总建筑面积约10000平方米。
工程主要包括地下车库和人防掩蔽所,抗力等级为核6级常6级,防化等级为丙级。
二、施工准备1. 材料准备(1)人防防护门:门扇、门框及配件应符合设计要求,具有相应的质量证明文件。
(2)五金配件:各种规格的螺钉、垫片、焊条、防锈漆等。
2. 人员准备组织专业施工队伍,施工人员需具备相关资质,熟悉人防防护门安装工艺。
3. 设备准备(1)电动工具:电焊机、切割机、钻床、扳手、螺丝刀等。
(2)手动工具:锤子、钳子、线坠、水平尺、钢尺等。
三、施工工艺1. 施工测量(1)根据设计图纸,对人防防护门洞口进行测量,确保洞口尺寸准确。
(2)在洞口四周弹出控制线,标出人防防护门安装位置。
2. 预埋件安装(1)根据设计要求,在洞口四周预埋钢筋,用于固定人防防护门门框。
(2)预埋件位置应准确,尺寸应符合设计要求。
3. 门框安装(1)将门框放置在洞口,调整门框位置,使其与洞口四周控制线对齐。
(2)使用电焊机将门框与预埋钢筋焊接牢固。
4. 门扇安装(1)将门扇放置在门框内,调整门扇位置,使其与门框对齐。
(2)使用电焊机将门扇与门框焊接牢固。
5. 配件安装(1)根据设计要求,安装门锁、门铰链、门拉手等配件。
(2)确保配件安装牢固,功能正常。
6. 防锈处理对人防防护门进行防锈处理,提高其耐腐蚀性能。
四、施工质量控制1. 材料检验:对进场的材料进行严格检验,确保其质量符合设计要求。
2. 施工过程控制:加强施工过程管理,确保施工质量。
3. 质量验收:按照国家相关标准进行质量验收,确保工程质量。
五、安全文明施工1. 施工现场应设置安全警示标志,确保施工安全。
2. 施工人员应佩戴安全帽、安全带等防护用品。
3. 施工现场应保持整洁,减少扬尘污染。
4. 施工过程中,注意节约资源,减少浪费。
六、施工进度安排1. 施工前期准备:5天2. 预埋件安装:3天3. 门框、门扇安装:5天4. 配件安装:2天5. 防锈处理:2天6. 质量验收:2天总计:17天七、施工总结本施工方案根据工程实际情况制定,旨在确保人防防护门安装工程顺利进行。
本工程为某综合楼人防门安装工程,位于XX市XX区,总建筑面积为XX平方米。
人防门安装工程包括地下室的防护密闭门、防护密闭通道门、防护密闭防护单元门等。
本工程人防门安装工程抗力等级为核6级常6级,防化等级为丙级。
二、施工准备1. 材料准备(1)人防门:门扇和门框的规格、型号、技术性能应符合设计要求。
(2)配件:各种五金配件、密封件必须与门的规格、型号相匹配。
(3)其他材料:各种规格的螺钉、垫片、焊条、防锈漆等。
2. 人员准备组织一支具备丰富经验的人防门安装专业施工队伍,包括施工队长、技术员、施工人员等。
3. 设备准备(1)机械:电焊机、切割机、钻机等。
(2)工具:焊把线小线、木楔、锤子、扳手、钳子、螺丝刀、倒链、倒链支架等。
(3)计量检测用具:托线板、线坠、水平尺、钢尺等。
三、施工工艺1. 人防门安装前的准备工作(1)清理施工现场,确保人防门安装位置无杂物。
(2)检查人防门、门框、配件等材料是否齐全、完好。
(3)根据设计要求,确定人防门的安装位置和高度。
2. 人防门安装施工步骤(1)在门洞口两侧安装临时支撑,确保人防门安装过程中洞口安全。
(2)根据门洞尺寸,对门框进行切割、打磨,使其符合安装要求。
(3)在门框上焊接预埋件,预埋件应牢固、平整。
(4)将人防门与门框连接,确保连接牢固、严密。
(5)对门扇进行安装,确保门扇与门框间隙均匀。
(6)安装五金配件,如门把手、锁具等。
(7)对安装完成的人防门进行验收,确保安装质量。
四、质量控制1. 材料质量控制:人防门、门框、配件等材料应符合国家相关标准,并经过检验合格。
2. 施工过程质量控制:严格按照施工工艺进行施工,确保安装质量。
3. 验收质量控制:对人防门安装工程进行验收,确保安装质量符合设计要求。
五、安全措施1. 施工人员必须佩戴安全帽、手套等防护用品。
2. 施工现场应设置安全警示标志,防止人员误入危险区域。
3. 严格执行施工操作规程,确保施工安全。
4. 定期对施工现场进行安全检查,及时消除安全隐患。
完整word版人防门安装施工方案一、施工前准备1.1阅读施工图纸及人防门相关技术规范,了解工程特点及施工要求。
1.2准备施工工具及设备,如扳手、螺丝刀、焊接设备等。
1.3确定施工人员,进行技术交底,明确分工和责任。
1.4检查施工现场,确保安全防护措施到位。
二、人防门安装流程2.1安装门框2.1.1根据图纸尺寸,测量门洞大小,确保与门框尺寸相符。
2.1.2将门框放置在门洞口,调整水平度和垂直度,用膨胀螺栓固定。
2.1.3焊接门框与预埋件,确保连接牢固。
2.2安装门扇2.2.1将门扇放置在门框内,调整水平度和垂直度。
2.2.2用螺丝将门扇与门框连接,注意调整间隙,保证开关顺畅。
2.2.3安装门锁和闭门器,调试合格。
2.3安装防护设备2.3.1按照图纸要求,安装防护板、防护网等设备。
2.3.2确保防护设备安装牢固,与门框和门扇连接严密。
2.4安装防火隔离带2.4.1在门框与墙体之间安装防火隔离带,填充防火材料。
2.4.2确保防火隔离带安装到位,与门框和墙体连接严密。
三、施工注意事项3.1严格遵循施工图纸及规范要求,确保施工质量。
3.2施工过程中,注意安全防护,避免发生意外事故。
3.3焊接作业时,应采取防尘、防毒措施,确保作业人员健康。
3.4施工现场严禁烟火,注意防火安全。
3.5施工完成后,进行自检、互检、专检,确保工程质量。
四、施工验收4.1施工完成后,提交验收申请。
4.2验收人员现场检查,确认施工质量符合要求。
4.3验收合格后,办理验收手续,交付使用。
五、售后服务5.1提供一年内免费保修服务。
5.2施工期间,对客户提出的合理要求,及时予以解决。
5.3定期回访客户,了解产品使用情况,提供技术支持。
六、施工心得6.1做好施工前的准备工作,确保施工顺利进行。
6.2严格遵循施工流程,确保施工质量。
6.3注重细节,提高施工美观度。
6.4加强售后服务,提升客户满意度。
注意事项:1.施工图纸与现场不符,造成安装困难。
中国建筑工程总公司CHINASTATE CONSTRUCTION ENGRG.CORP. 东北亚(长春)国际机械城会展中心附属附属设施项目人防工程人防门安装方案第三建筑工程有限公司2017年6月目录目录 (1)一、编制说明及依据 (2)二、工程概况 (2)三、施工准备 (2)四、施工工艺及技术措施 (2)五、施工进度计划 (4)六、主要设备配备 (5)七、现场组织机构及劳动力配备 (6)八、质量保证措施及验收 (6)九、安全措施与文明施工 (7)附件:人防工程施工配合及注意事项一、施工配合二、注意事项一、编制说明及依据为了能圆满地完成东北亚(长春)国际机械城会展中心附属设施项目人防工程地下室人防工程防护设备制作安装任务,我们组织技术人员仔细阅读本项目人防施工图。
本工程施工方案设计主要依据以下规范和国标图集:1、《东北亚(长春)国际机械城会展中心附属设施施工图》;2、《人民防空工程防护设备产品质量检验与施工验收标准》RFJ01-2002;3、《人民防空工程防护设备选用图集》RFJ01-2008;4、东北亚(长春)国际机械城会展中心附属设施项目人防工程的战时设计图纸。
5、其他相关规范、规程。
二、工程概况1、本工程为东北亚(长春)国际机械城会展中心附属设施项目人防工程,工程为甲类人防工程。
2、本工程各专业需平时安装的孔口防护设备如下:(设备清单附后)建筑专业:人防门【115】樘,其中钢筋混凝土防护密闭门【41】樘;钢筋混凝土密闭门【47】樘;连通口双向受力防护密闭门【10】樘;悬板活门【16】樘;战时封堵预埋件【13】樘;三、施工准备1、首先组织有关人员熟悉图纸,领会设计意图,于正式会审前组织一次内部会审,仔细核对施工图上防护设备的型号规格及尺寸、位置是否符合相关规范的要求,有不符合的地方及时向甲方、监理和施工单位提出,会同设计院协商解决。
同时优化设计图纸,为建设单位节约投资2、所有人防工程防护设备都必须严格按国家标准图集制作和安装,如果有非标型号的,我们会提醒甲方、监理和设计院,必须将其改为标准的定型设备。
一、编制依据1.1 国家人防工程建设标准强制性条文(房屋建筑部分)1.2 人防地下室设计规范1.3 人防工程施工及验收规范1.4 防空地下室出入口部建筑设计规范二、工程概况本工程为XX市某小区人防地下室,地下车库,战时为人员掩蔽所,抗力等级为核6级常6级,防化等级为丙级。
三、施工准备3.1 材料准备3.1.1 人防门窗:门扇、门框、配件等应符合设计要求,质量合格。
3.1.2 五金配件:各种规格的螺钉、垫片、焊条、防锈漆等。
3.1.3 其他材料:防腐涂料、密封胶、泡沫填缝剂等。
3.2 机具设备3.2.1 机械:电焊机、切割机、钻孔机、冲击钻等。
3.2.2 工具:扳手、螺丝刀、钳子、水平尺、钢尺、线坠等。
3.2.3 计量检测用具:托线板、线坠、水平尺、钢尺等。
四、施工工艺流程4.1 施工准备4.1.1 根据设计图纸,确定门窗的安装位置、尺寸和标高。
4.1.2 对施工现场进行清理,确保无障碍物。
4.1.3 检查人防门窗及配件的质量,确保符合设计要求。
4.2 门窗安装4.2.1 划线定位:根据设计图纸,确定门窗的安装位置,弹出水平线和垂直线,确保门窗安装位置准确。
4.2.2 防腐处理:对人防门窗及配件进行防腐处理,防止腐蚀。
4.2.3 门窗安装:按照以下步骤进行:(1)将门框与墙体连接,使用电焊机焊接牢固。
(2)将门扇安装到门框上,使用螺钉固定。
(3)检查门扇与门框的间隙,确保安装牢固。
(4)安装五金配件,如门把手、锁具等。
4.2.4 填缝处理:在门窗框与墙体之间的缝隙中填充泡沫填缝剂,确保密封。
4.3 施工质量控制4.3.1 门窗安装位置、尺寸和标高应符合设计要求。
4.3.2 门窗安装牢固,无松动现象。
4.3.3 门窗缝隙填充均匀,无空隙。
4.3.4 门窗防腐处理完整,无腐蚀现象。
五、施工注意事项5.1 施工过程中,应注意安全,遵守施工安全规范。
5.2 门窗安装过程中,注意保护现场,避免损坏墙体和其他设施。
中国建筑工程总公司CHINASTATE CONSTRUCTION ENGRG.CORP. 东北亚(长春)国际机械城会展中心附属附属设施项目人防工程人防门安装方案第三建筑工程有限公司2017年6月目录目录 (1)一、编制说明及依据 (2)二、工程概况 (2)三、施工准备 (2)四、施工工艺及技术措施 (2)五、施工进度计划 (4)六、主要设备配备 (5)七、现场组织机构及劳动力配备 (6)八、质量保证措施及验收 (6)九、安全措施与文明施工 (7)附件:人防工程施工配合及注意事项一、施工配合二、注意事项一、编制说明及依据为了能圆满地完成东北亚(长春)国际机械城会展中心附属设施项目人防工程地下室人防工程防护设备制作安装任务,我们组织技术人员仔细阅读本项目人防施工图。
本工程施工方案设计主要依据以下规范和国标图集:1、《东北亚(长春)国际机械城会展中心附属设施施工图》;2、《人民防空工程防护设备产品质量检验与施工验收标准》RFJ01-2002;3、《人民防空工程防护设备选用图集》RFJ01-2008;4、东北亚(长春)国际机械城会展中心附属设施项目人防工程的战时设计图纸。
5、其他相关规范、规程。
二、工程概况1、本工程为东北亚(长春)国际机械城会展中心附属设施项目人防工程,工程为甲类人防工程。
2、本工程各专业需平时安装的孔口防护设备如下:(设备清单附后)建筑专业:人防门【115】樘,其中钢筋混凝土防护密闭门【41】樘;钢筋混凝土密闭门【47】樘;连通口双向受力防护密闭门【10】樘;悬板活门【16】樘;战时封堵预埋件【13】樘;三、施工准备1、首先组织有关人员熟悉图纸,领会设计意图,于正式会审前组织一次内部会审,仔细核对施工图上防护设备的型号规格及尺寸、位置是否符合相关规范的要求,有不符合的地方及时向甲方、监理和施工单位提出,会同设计院协商解决。
同时优化设计图纸,为建设单位节约投资2、所有人防工程防护设备都必须严格按国家标准图集制作和安装,如果有非标型号的,我们会提醒甲方、监理和设计院,必须将其改为标准的定型设备。
3、深入工地现场实地勘察,充分了解工程进展状况,紧密跟踪工程进度,与土建施工单位协商好需要配合协调的有关事项,并以书面形式提出人防工程各专业施工要注意的事项。
向土建施工单位申请施工用水用电,施工场地道路的使用,明确安装程序及相关工序的作业顺序等。
4、根据图纸要求,准备好要预埋安装的产品和安装工具、设备,确定本工程施工班组。
组织施工班组进行技术交底、安全交底,使施工班组明确各部位的施工要求、技术措施、施工难点及注意事项。
根据实际情况,制订相应的、切实可行的制作安装方案。
5、认真按监理的要求填写我公司的资质及施工组织设计报审表、材料进场和使用报审表,报请监理公司审查。
项目经理或现场负责人按时参加工程例会。
6、将本施工组织设计按监理的审批意见要求进一步修改完善。
四、施工工艺及技术措施1、人防门门框的预埋安装首先根据图纸要求将相应型号的人防门门框搬运到位,需要现场组装的门框应严格按国标图集的技术要求进行组装。
确保各尺寸公差在2mm以内。
然后找到并核实土建施工单位在门洞附近放好的轴线、模板线和标高基准点,并将它们用卷尺和水平管引到门洞钢筋上,根据建筑施工图上的门洞尺寸确定门框水平方向和垂直方向的准确位置,使门框外表面与门框墙模板外表面在同一平面上,也就是预留20mm的抹灰层。
门框角钢与钢筋、模板的位置关系如下图:然后将门框底部与门槛钢筋焊接定位,如果门框钢筋不牢固的要用电焊加固。
再以门框底部位置为基准,用吊锤和水平尺确定门框顶部位置,然后用钢管或钢筋钭向支撑牢固。
钢门框支撑面的平整度偏差不应超过2mm。
门框垂直度偏差不应超过长边的2‰。
为了确保门框安装质量和避免变形。
土建施工单位在校正钢筋和支模板的过程中,应注意保护好门框的固定支撑,发现有影响支模板的地方请及时通知我们,由我们来处理。
2、人防门门扇的安装在人防地下室通车、通电,无积水、垃圾时即可进行门扇安装。
门扇吊装到位后,留出密封胶条的间隙即可将绞耳焊牢在门框绞耳预埋板上,然后进行调试、安装闭锁和密封胶条,门扇与门框应贴合紧密均匀。
铰页、闭锁安装位置应准确,上、下铰页同轴度偏差不应超过规范允许偏差值。
门扇应启闭灵活。
安装完成后,对外露金属表面进行清渣、打磨、除锈。
达到表面光洁平整后,刷两遍防锈底漆,两遍灰色面漆。
对钢筋混凝土门扇表面进行刮腻子、打磨,然后刷两至三遍外墙乳胶漆。
最后进行喷字,标出手轮或闭锁把手的开关方向和人防门型号。
示意图如下:3、战时封堵预埋件的安装战时封堵四周都要预埋钢板或角钢框,底部应平该处建筑标高,两侧和顶部预埋钢板均贴模板内侧安装。
临战时再将封堵板焊上去。
五、施工进度计划1、人防门门框及预埋件的安装不单独编排进度计划,主要是配合主体施工,与土建施工同步进行。
我们穿插在绑扎钢筋和封模板之间进行预埋。
只是要求土建施工单位调整一下工作顺序,有人防设备预埋的地方优先绑扎钢筋,后封模板,以便我们有足够的时间安装和组织验收。
我们人防地下室防护设备的施工进度以满足总进度计划要求,不占用土建工程净工期为原则。
我们承诺:绝不耽误土建施工单位施工进度。
2、人防门门扇及设备安装、调试需要一个月的时间才能达到验收要求。
待土建工程进行装修阶段,再将人防门扇的安装及装修穿插于土建施工中,确保土建总工期不变。
因此希望甲方和施工单位结合主体工程进度及时通知我们进场。
3、各种设备制作安装工期见下表:序号施工项目工程量单位施工工期1 人防门框制作【114】樘25天2 人防门框安装【114】樘随土建进度3 人防门扇制作【114】樘30天六、主要设备配备见下表:进入施工现场的设备清单及用电量所有工作人员吃住均不在现场。
八、质量保证措施及验收对于施工质量,我们公司有一系列的质量保证措施:(1)建立了完善的质量保证体系、检验制度和奖罚制度。
(2)定期组织员工进行培训,开设了人防规范、机械制图、金属加工工艺、焊接工艺等课程。
还组织技术人员编写了《人防工程防护设备制作和安装操作规程》,发给一线员工,人手一册。
每年都要进行考核。
(3)建立了完善的资料归档制度,每一个工程项目一个独立建档,将所有与该工程有关的文件资料都归到一起。
(4)在车间生产和工地安装这两个环节都设了专职检验员,每一个设备的生产和安装都有详细的检验记录。
记录了设备型号、安装位置、质量情况、操作人员、检验人员等情况。
人防门门框及其它人防设备预埋件安装完成后,我公司质检员和现场负责人先进行自检,并作好检验记录,合格后再请监理工程师到现场检查验收,合格后请监理工程师在《隐蔽工程验收记录》上签字。
人防门门扇及其它设备安装是在人防地下室装修阶段进行。
待人防地下室各专业施工完成后,分施工范围整理工程竣工资料和竣工图。
由建设单位组织监理、设计、施工单位及人防专用设备施工单位对建设项目人防地下室进行预验收。
即对整个人防地下室的防水工程、结构工程、装饰工程、孔口防护工程、通风与空调工程、给水排水工程、建筑电气安装工程等七个分部工程进行验收评定,检查是否符合设计和规范要求。
对存在问题确定整改方案并组织实施;对质量保证资料进行核查。
最后将竣工资料报送有关备案登记。
九、安全措施与文明施工为了更好地完成本项目人防地下室孔口防护设备施工任务,使我们的客户满意,从安全和文明生产角度来说,必须贯彻国家关于“安全第一、预防为主”的方针,切实加强安全生产、文明施工管理,以杜绝和防止意外事故的发生。
1、建立健全的安全制度:a、为了搞好安全工作,首先要把安全和文明生产这项工作落实到人。
我公司规定:项目负责人为安全生产第一责任人。
各班长是各班安全负责人,同时也是安全监督员。
在建立安全责任制后,从项目负责人直至作业人员各自明确自己的职责。
同时,在日常的工作中,我们也进行安全、防火教育,使人人知晓安全施工的重要性。
b、服从总包土建施工单位的安全文明施工管理,接受建设单位、监理单位、总包土建施工单位的安全检查。
c、建立经常性的检查制度,公司规定:每个项目必须进行两次以上的安全检查。
主要是对一些如:吊装设施、电器设备、劳保用品等环节进行检查,发现问题及时整改,消除安全隐患,以防止意外事故的发生。
d、每天上班前进行10分钟的安全教育。
2、安全技术措施:a、操作人员实行证上岗制度,凡电焊、气焊操作工必须有焊工证,电工必须要有电工证,。
b、进入工地的配电箱,必须符合安全用电规范,电器设备必须有漏电保护装置。
电焊机必须要有防护罩。
c、施工人员进入工地,必须佩戴安全帽,扣好帽带,并服从工地现场的指挥。
d、起吊设备必须事先进行安全检查,否则不得使用,在起吊设备时,重物跌落范围不得有工作人员进行作业。
e、高空作业时,必须佩戴安全帽。
3、文明施工:a、各种电器设施,均要有安全用电等标志。
b、建立防火责任制,进入工地,不得抽烟,氧割设备除必须装有回火止回阀外,必须放在安全地带,且氧气和乙炔不得放在一起。
c、遵守操作规程,不得自行其事,电焊作业时要佩戴绝缘手套,电焊手套淋湿时,要更换电焊手套等。
e、遵守现场总包土建施工单位的各项规章制度。
f、工作完毕,进行施工场地清扫。
附件:人防工程施工配合及注意事项一、施工配合1、人防工程防护设备进场安装时,需施工单位提供塔吊、380V电源接线点和固定门框时作临时支撑用的钢筋和钢管(门框墙浇混凝土后会拆下还给土建施工单位)。
2、人防门进场安装时,要求土建施工单位派专业人员准确提供轴线、模板线和标高基准点。
3、人防门门框预埋与土建施工同步进行,施工单位应尽可能调整好工作顺序,优先绑扎人防门门洞处的钢筋,并后封模板,这样就使我们有足够的安装和验收时间,以免影响整体工程进度。
4、因为人防门的门扇都比较笨重,人工无法搬运,必须小型货车运到地下室,因此门扇必须在地下室通车、通电并无积水、无垃圾的情况下才能进行。
二、注意事项人防地下室是独立的单位工程,由防水工程、结构工程、孔口防护工程、装饰工程、给水排水工程、通风与空调工程、建筑电气安装工程等七个分部工程组成,以上七个分部工程中只有孔口防护工程中的防护设备是由我们人防设备定点专业厂施工。
其它分部工程均应由各自的专业施工单位进行施工。
像防爆地漏的排水管、防爆门铃按钮的预埋线管、所有水、电、通风专业的穿墙密闭套管等均应由相应的水电风专业施工单位进行施工。
为了确保整个人防地下室的工程质量符合人防技术规范要求,根据以往人防办验收中比较普遍存在的问题,对一些人防有特殊要求的做法罗列如下,需要各专业施工单位严格把关:1、人防地下室的防护密闭隔墙和密闭隔墙装模时都要用一次性螺杆,不允许用PVC套管。
2、人防墙体、顶板、底板应设置间距不大于500×500的Φ6以上的拉结筋。