电路图中的符号表
- 格式:doc
- 大小:39.00 KB
- 文档页数:7
电路图符号大全介绍电路图是一种标志电子电路零部件和连接的图示与符号的图形表示法。
通过使用标准的电路图符号,工程师和技术人员可以有效地传达和理解电路设计和原理。
本文档将介绍一些常见的电路图符号,帮助读者了解电路图的表示方法和解读能力。
1. 基本元件符号1.1 电源符号•直流电源符号:使用一个或两个竖线表示电源的正极和负极,例如+和-。
•交流电源符号:使用波浪线表示交流电源。
1.2 电阻符号•固定电阻符号:使用一个矩形框表示,两端连接直线。
•变阻器符号:类似于固定电阻,但在矩形框内部画有可调节箭头。
1.3 电容符号•极性电容符号:使用一个矩形框表示,与正极连接一个加号。
•非极性电容符号:类似于极性电容,但没有加号。
1.4 电感符号•一个线圈的直线和曲线组合表示电感。
1.5 二极管符号•硅二极管符号:三角形和一条直线组合表示。
1.6 三极管符号•NPN 三极管符号:三个箭头表示器件的两个P 区之间夹着一个N 区。
2. 连接符号2.1 导线符号•直线表示导线连接。
2.2 连接点符号•两条线交叉表示连接点。
3. 电源连接符号3.1 地线符号•一条水平线和一个附在下方的倒三角表示地线。
3.2 独立电源符号•一个竖线和一个等号组合表示独立电源。
4. 其他符号4.1 灯泡符号•斜杠和一个圆表示灯泡。
4.2 电平指示符号•一条水平线和一个竖立的短竖线表示电平。
4.3 开关符号•开关符号:一个打开和关闭的图形组合。
结论本文档介绍了一些常见的电路图符号,这些符号在电子电路设计中起着非常重要的作用。
通过掌握这些符号,工程师和技术人员可以更好地理解和解读电路图,从而提高设计和故障排除的效率。
阅读和理解电路图的能力是电子领域从业人员必备技能之一,希望本文档对于读者有所帮助。
电路图常用符号:AC——交流电DC——直流电FU——熔断器跌落式熔断器 FF快速熔断器 FTFG ——发电机M ——电动机HP——光字牌HL——指示灯HY——黄灯HB——蓝灯HG——绿灯HR——红灯HW——白灯K ——继电器KA——电流继电器KD——差动继电器KF——继电器KH——热继电器KA——瞬时接触继电器.瞬时有或无继电器.交流继电器中间继电器KOF 出口中间继电器KS 信号继电器KT 时间继电器KV(NZ) 电压继电器(负序零序)KP 极化继电器KR 干簧继电器KI 阻抗继电器KW(NZ) 功率方向继电器(负序零序) KM——接触器KV电压继电器L 线路QF 断路器QS 隔离开关T 变压器TA 电流互感器TV 电压互感器W 直流母线YC 合闸线圈YT 跳闸线圈PQS 有功无功视在功率EUI 电动势电压电流SE 实验按钮SR 复归按钮Q——电路的开关器件FR——热继电器KT——延时有或无继电器Q——电路的开关器件KT——延时有或无继电器SB——按钮开关SA 转换开关电流表 PA电压表 PV有功电度表 PJ无功电度表 PJR频率表 PF相位表 PPA最大需量表(负荷监控仪) PM 功率因数表 PPF有功功率表 PW无功功率表 PR无功电流表 PAR声信号 HA光信号 HS连接片 XB插头 XP插座 XS端子板 XT电线电缆母线 W直流母线 WB插接式(馈电)母线 WIB 电力分支线 WP照明分支线 WL应急照明分支线 WE电力干线 WPM照明干线 WLM应急照明干线 WEM滑触线 WT合闸小母线 WCL控制小母线 WC信号小母线 WS闪光小母线 WF事故音响小母线 WFS 预报音响小母线 WPS 电压小母线 WV事故照明小母线 WELM 避雷器 F限压保护器件 FV电容器 C电力电容器 CE正转按钮 SBF反转按钮 SBR停止按钮 SBS紧急按钮 SBE试验按钮 SBT复位按钮 SR限位开关 SQ接近开关 SQP手动控制开关 SH时间控制开关 SK液位控制开关 SL湿度控制开关 SM压力控制开关 SP速度控制开关 SS温度控制开关辅助开关 ST 电压表切换开关 SV电流表切换开关 SA整流器 U可控硅整流器 UR控制电路有电源的整流器 VC 变频器 UF变流器 UC逆变器 UI 电动机 M异步电动机 MA同步电动机 MS直流电动机 MD绕线转子感应电动机 MW鼠笼型电动机 MC电动阀 YM电磁阀 YV防火阀 YF排烟阀 YS电磁锁 YL跳闸线圈 YT合闸线圈 YC气动执行器 YPAYA电动执行器 YE发热器件(电加热) FH照明灯(发光器件) EL空气调节器 EV电加热器加热元件 EE感应线圈电抗器 L励磁线圈 LF消弧线圈 LA滤波电容器 LL电阻器变阻器 R电位器 RP热敏电阻 RT光敏电阻 RL压敏电阻 RPS接地电阻 RG放电电阻 RD启动变阻器 RS频敏变阻器 RF限流电阻器 RC光电池热电传感器 B 压力变换器 BP温度变换器 BT速度变换器 BV时间测量传感器 BT1BK 液位测量传感器 BL温度测量传感器 BHBM。
电路原理图中的符号大全及其应用
1. 电源符号
•直流电源符号:用水平线表示负极,垂直线表示正极。
•交流电源符号:用波浪线表示。
2. 连接线符号
•直线:表示连接正极和负极。
•曲线:表示交叉或接地。
3. 导线符号
•直线:表示导线连接。
•短线:表示电子元器件之间的连接。
•Wiggly Line:表示电路间的可调连接。
4. 开关符号
•SPST(一个极性、单极单刀):简单的开关符号。
•SPDT(一个极性、单极双刀):表示一个开关控制两个电路。
•DPST(双极性、双极单刀):表示两个开关可同时控制两个电路。
•DPDT (双极性、双极双刀):表示两个开关可同时控制四个电路。
5. 电阻符号
•可调电阻:表示可根据需要调整电阻大小。
•固定电阻:表示电阻固定不变。
6. 电容符号
•林肯式电容:平行线表示林肯式电容。
•E形电容:类似字母。
电路图符号大全_电路图路图符号是指用一种书画图形代表一种电子元件(比如:电容、电阻、二极管、三极官、集成电路等等)的符号,有我学习、演示、设计就可以轻松的在图纸上完成。
明有一种电路图符号是字符表示电子元件的,下面是字符电路图符号大全:源自动投入装置电电器机机牌器电流继电器(负序零序)继电器继电器电器继电器口中间继电器继电器继电器电压继电器(负序零序)继电器继电器继电器功率方向继电器(负序零序)器继电器;瞬时有或无继电器;交流继电器继电器器开关器互感器互感器母线线圈线圈功无功视在功率动势电压电流按钮按钮路的开关器件熔断器热继电器接触器、瞬时接触继电器 2、瞬时有或无继电器 3、交流继电器延时有或无继电器按钮开关 Q——电路的开关器件熔断器接触器、瞬时接触继电器 2、瞬时有或无继电器 3、交流继电器延时有或无继电器按钮开关开关PAPV度表 PJ度表 PJRPFPPA量表(负荷监控仪) PM数表 PPF率表 PW率表 PR流表 PARHAHSHLHRHGHYHBHWXBXT缆母线 W线 WB馈电)母线 WIB 支线 WP支线 WL明分支线 WE线 WPM线 WLM明干线 WEMWT母线 WCL母线 WC母线 WS母线 WF响小母线 WFS 响小母线 WPS 母线 WV明小母线 WELM FFU断器 FTF熔断器 FF护器件 FVC容器 CE钮 SBF钮 SBR钮 SBS钮 SBE钮 SBT钮 SR关 SQ关 SQP制开关 SH制开关 SK制开关 SL制开关 SM制开关 SP制开关 SS制开关辅助开关 ST 切换开关 SV切换开关 SAU整流器 UR路有电源的整流器 VC UFUCUIM动机 MA动机 MS动机 MD子感应电动机 MW电动机 MCYMYVYFYSYL圈 YT圈 YC行器 YPAYA行器 YE件(电加热) FH 发光器件) EL 节器 EV器加热元件 EE 圈电抗器 L圈 LF圈 LA容器 LL变阻器 RRP阻 RT阻 RL阻 RPS阻 RG阻 RD阻器 RS阻器 RF阻器 RC热电传感器 B 换器 BP换器 BT换器 BV量传感器 BT1BK 量传感器 BL量传感器 BHBM。
电流表PA 电压表PV有功电度表PJ无功电度表PJR频率表PF相位表PPA最大需量表(负荷监控仪) PM 功率因数表PPF有功功率表PW无功功率表PR无功电流表PAR声信号HA光信号HS指示灯HL红色灯HR绿色灯HG黄色灯HY蓝色灯HB白色灯HW连接片XB插头XP插座XS端子板XT电线,电缆,母线W直流母线WB插接式(馈电)母线WIB电力分支线WP照明分支线WL应急照明分支线WE电力干线WPM照明干线WLM应急照明干线WEM滑触线WT合闸小母线WCL控制小母线WC信号小母线WS闪光小母线WF事故音响小母线WFS预告音响小母线WPS电压小母线WV事故照明小母线WELM避雷器F熔断器FU快速熔断器FTF跌落式熔断器FF限压保护器件FV电容器C电力电容器CE正转按钮SBF反转按钮SBR停止按钮SBS紧急按钮SBE试验按钮SBT复位按钮SR限位开关SQ接近开关SQP手动控制开关SH时间控制开关SK液位控制开关SL湿度控制开关SM压力控制开关SP速度控制开关SS温度控制开关,辅助开关ST 电压表切换开关SV电流表切换开关SA整流器U可控硅整流器UR控制电路有电源的整流器VC 变频器UF变流器UC逆变器UI电动机M异步电动机MA同步电动机MS直流电动机MD绕线转子感应电动机MW 鼠笼型电动机MC电动阀YM电磁阀YV防火阀YF排烟阀YS电磁锁YL跳闸线圈YT合闸线圈YC气动执行器YPA,YA电动执行器YE光电池,热电传感器 B压力变换器BP温度变换器BT速度变换器BV时间测量传感器BT1,BK 液位测量传感器BL温度测量传感器BH,BM发热器件(电加热) FH照明灯(发光器件) EL空气调节器EV电加热器加热元件EE感应线圈,电抗器L励磁线圈LF消弧线圈LA滤波电容器LL电阻器,变阻器R电位器RP热敏电阻RT光敏电阻RL压敏电阻RPS接地电阻RG放电电阻RD启动变阻器RS频敏变阻器RF 限流电阻器RC。
电工电路的符号比较多,有好多面熟但会忘记是什么功能的;现在,搜集了这么多电工电路符号供大家参考,如果有问题可以留言;电流表 PA电压表 PV有功电度表 PJ无功电度表 PJR频率表 PF相位表 PPA最大需量表负荷监控仪 PM功率因数表 PPF有功功率表 PW无功功率表 PR无功电流表 PAR声信号 HA光信号 HS指示灯 HL红色灯 HR绿色灯 HG黄色灯 HY蓝色灯 HB白色灯 HW连接片 XB插头 XP插座 XS端子板 XT电线,电缆,母线 W 直流母线 WB插接式馈电母线 WIB 电力分支线 WP照明分支线 WL应急照明分支线 WE 电力干线 WPM照明干线 WLM应急照明干线 WEM滑触线 WT合闸小母线 WCL控制小母线 WC信号小母线 WS闪光小母线 WF事故音响小母线 WFS 预告音响小母线 WPS 电压小母线 WV事故照明小母线 WELM 避雷器 F熔断器 FU快速熔断器 FTF跌落式熔断器 FF限压保护器件 FV电容器 C电力电容器 CE 正转按钮 SBF反转按钮 SBR停止按钮 SBS紧急按钮 SBE试验按钮 SBT复位按钮 SR限位开关 SQ接近开关 SQP手动控制开关 SH 时间控制开关 SK 液位控制开关 SL 湿度控制开关 SM 压力控制开关 SP 速度控制开关 SS温度控制开关,辅助开关 ST 电压表切换开关 SV电流表切换开关 SA整流器 U可控硅整流器 UR控制电路有电源的整流器 VC 变频器 UF变流器 UC逆变器 UI电动机 M异步电动机 MA同步电动机 MS直流电动机 MD绕线转子感应电动机 MW鼠笼型电动机 MC电动阀 YM电磁阀 YV防火阀 YF排烟阀 YS电磁锁 YL跳闸线圈 YT合闸线圈 YC气动执行器 YPA,YA 电动执行器 YE发热器件电加热 FH 照明灯发光器件 EL 空气调节器 EV电加热器加热元件 EE 感应线圈,电抗器 L 励磁线圈 LF消弧线圈 LA滤波电容器 LL电阻器,变阻器 R电位器 RP热敏电阻 RT光敏电阻 RL压敏电阻 RPS接地电阻 RG放电电阻 RD启动变阻器 RS频敏变阻器 RF限流电阻器 RC光电池,热电传感器 B 压力变换器 BP温度变换器 BT速度变换器 BV时间测量传感器 BT1,BK 液位测量传感器 BL温度测量传感器 BH,BM 辅助文名称字符号A 电流A 模拟ACA 交流自动AUTACC 加速ADD 附加ADJ 可调AUX 辅助ASY 异步BBRK 制动BK 黑BL 蓝BW 向后C 控制CW 顺时针CCW 逆时针D 延时延迟D 差动D 数字D 降DC 直流DEC 减E 接地EM 紧急F 快速FB 反馈FW 正,向前GN 绿H 高IN 输入INC 增IND 感应L 左L 限制L 低LA 闭锁M 主M 中M 中间线MMAN 手动N 中性线ON 接通闭合OUT 输出P 压力P 保护PE 保护接地PEN 保护接地与中性线共用PU 不接地保护R 记录R 右R 反RD 红色RRST 复位RES 备用RUN 运转ST 启动SSET 置位、定位SAT 饱和STE 步进STP 停止SYN 同步T 温度T 时间TE 无噪音防干扰接地V 真空V 速度V 电压WH 白YE 黄电气元件符号大全序号元件名称新符号旧符号1 继电器 K J2 电流继电器 KA LJ3 负序电流继电器 KAN FLJ4 零序电流继电器 KAZ LLJ5 电压继电器 KV YJ6 正序电压继电器 KVP ZYJ7 负序电压继电器 KVN FYJ8 零序电压继电器 KVZ LYJ9 时间继电器 KT SJ10 功率继电器 KP GJ11 差动继电器 KD CJ12 信号继电器 KS XJ13 信号冲击继电器 KAI XMJ14 继电器 KC ZJ15 热继电器 KR RJ16 阻抗继电器 KI ZKJ17 温度继电器 KTP WJ18 瓦斯继电器 KG WSJ19 合闸继电器 KCR或KON HJ20 跳闸继电器 KTR TJ21 合闸继电器 KCP HWJ22 跳闸继电器 KTP TWJ23 电源监视继电器 KVS JJ24 压力监视继电器 KVP YJJ25 电压继电器 KVM YZJ26 事故信号继电器 KCA SXJ27 继电保护跳闸出口继电器 KOU BCJ28 手动合闸继电器 KCRM SHJ29 手动跳闸继电器 KTPM STJ30 加速继电器 KAC或KCL JSJ31 复归继电器 KPE FJ32 闭锁继电器 KLA或KCB BSJ33 同期检查继电器 KSY TJJ34 自动准同期装置 ASA ZZQ35 自动重合闸装置 ARE ZCJ36 自动励磁调节装置 AVR或AAVR ZTL37 备用电源自动投入装置 AATS或RSAD BZT38 按扭 SB AN39 合闸按扭 SBC HA40 跳闸按扭 SBT TA41 复归按扭 SBre或SBR FA42 试验按扭 SBte YA43 紧急停机按扭 SBes JTA44 起动按扭 SBst QA45 自保持按扭 SBhs BA46 停止按扭 SBss47 控制开关 SAC KK48 转换开关 SAH或SA ZK49 测量转换开关 SAM CK50 同期转换开关 SAS TK51 自动同期转换开关 2SASC DTK52 手动同期转换开关 1SASC STK53 自同期转换开关 SSA2 ZTK54 自动开关 QA55 刀开关 QK或SN DK56 熔断器 FU RD57 快速熔断器 FUhs RDS58 闭锁开关 SAL BK59 信号灯 HL XD60 光字牌 HL或HP GP61 警铃 HAB或HA JL62 合闸接触器 KMC HC63 接触器 KM C64 合闸线圈 Yon或LC HQ65 跳闸线圈 Yoff或LT TQ66 插座 XS67 插头 XP68 端子排 XT69 测试端子 XE70 连接片 XB LP71 蓄电池 GB XDC72 压力变送器 BP YB73 温度变送器 BT WDB74 电钟 PT75 电流表 PA76 电压表 PV77 电度表 PJ78 有功功率表 PPA79 无功功率表 PPR80 同期表 S81 频率表 PF82 电容器 C83 灭磁电阻 RFS或Rfd Rmc84 分流器 RW85 热电阻 RT86 电位器 RP87 电感电抗线圈 L88 电流互感器 TA CT或LH89 电压互感器 TV PT或YH 10KV电压互感器 TV SYH35KV电压互感器 TV UYH 110KV电压互感器 TV YYH90 断路器 QF DL91 隔离开关 QS G92 电力变压器 TM B93 同步发电机 GS TF94 交流电动机 MA JD95 直流电动机 MD ZD96 电压互感器二次回路小母线97 同期电压小母线待并 WST或WVB TQMa,TQMb98 同期电压小母线运行 WOS`或WVBn TQM`a,TQM`b99 准同期合闸小母线 1WSC,2WSC,3WSC1WPO,2WPO,3WPO 1THM,2THM,3THM100 控制电源小母线 +WC,-WC +KM,-KM101 信号电源小母线 +WS,-WS +XM,-XM102 合闸电源小母线 +WON,-WON +HM,-HM103 事故信号小母线 WFA SYM104 零序电压小母线 WVBz电流表 PA电压表 PV有功电度表 PJ无功电度表 PJR频率表 PF相位表 PPA最大需量表负荷监控仪 PM 功率因数表 PPF有功功率表 PW无功功率表 PR无功电流表 PAR声信号 HA光信号 HS指示灯 HL红色灯 HR绿色灯 HG黄色灯 HY蓝色灯 HB白色灯 HW连接片 XB插头 XP插座 XS端子板 XT电线,电缆,母线 W 直流母线 WB插接式馈电母线 WIB 电力分支线 WP照明分支线 WL应急照明分支线 WE 电力干线 WPM照明干线 WLM应急照明干线 WEM 滑触线 WT合闸小母线 WCL控制小母线 WC信号小母线 WS闪光小母线 WF事故音响小母线 WFS 预告音响小母线 WPS 电压小母线 WV事故照明小母线 WELM 避雷器 F熔断器 FU快速熔断器 FTF跌落式熔断器 FF限压保护器件 FV电容器 C电力电容器 CE正转按钮 SBF反转按钮 SBR停止按钮 SBS紧急按钮 SBE试验按钮 SBT复位按钮 SR限位开关 SQ接近开关 SQP手动控制开关 SH时间控制开关 SK液位控制开关 SL湿度控制开关 SM压力控制开关 SP速度控制开关 SS温度控制开关,辅助开关 ST 电压表切换开关 SV电流表切换开关 SA。
电气原理图常用符号
1. 平行线:两条平行线之间用较短的斜线连接。
2. 直线:用一条直线表示。
3. 角:两条直线交汇形成一个角,角的两边用直线表示,角尖用一个小圆点表示。
4. 箭头:表示电流的方向,箭头指向沿着电流的流动方向。
5. 电源:一条短直线和一个长直线表示,短直线表示正极,长直线表示负极。
6. 开关:用一个直线连接两条平行线,表示开关的开闭。
7. 电阻:一个平行线与中间相连的直线表示。
8. 电感:两个半圆线和直线相连表示。
9. 电容:两条平行线和中间相连的直线表示。
10. 变压器:两组平行线和相连的直线表示,表示电压的变换。
11. 二极管:一个三角形和一个线段表示,三角形表示二极管
的箭头方向。
12. 三极管:三个箭头方向相反的箭头组成一个三角形。
13. 晶体管:三个箭头方向一致的箭头组成一个三角形。
14. 电池:用一个长直线和两个短直线表示,长直线表示正极,短直线表示负极。
15. 圆圈:圆圈内画上字母或符号表示特定的组件或设备。
电路图符号大全电路图符号是指用一种书画图形代表一种电子元件(比方:电容、电阻、二极管、三极管、集成电路等等)的符号,有了电路图符号我学习、演示、计划就能够轻松的在图纸上完结。
符号阐明还有一种电路图符号是字符标明电子元件的,字符电路图符号大全如下:AAT电源主动投入设备AC沟通电DC直流电FU熔断器G发电机M电动机HG绿灯HR红灯HW白灯HP光字牌K继电器KA(NZ)电流继电器(负序零序)KD差动继电器KF亮光继电器KH热继电器KM 基地继电器KOF出口基地继电器KS信号继电器KT时刻继电器KV(NZ)电压继电器(负序零序)KP极化继电器KR干簧继电器KI阻抗继电器KW(NZ)功率方向继电器(负序零序)KM触摸器KA瞬时继电器;瞬时有或无继电器;沟通继电器KV电压继电器L线路QF断路器QS 阻离隔关T变压器TA电流互感器TV电压互感器W直流母线YC合闸线圈YT跳闸线圈PQS有功无功视在功率EUI电动势电压电流SE 实验按钮SR复归按钮f频率Q——电路的开关器材FU——熔断器FR——热继电器KM——触摸器KA——1、瞬时触摸继电器2、瞬时有或无继电器3、沟通继电器KT——延时有或无继电器SB——按钮开关Q——电路的开关器材FU——熔断器KM——触摸器KA——1、瞬时触摸继电器2、瞬时有或无继电器3、沟通继电器KT——延时有或无继电器SB——按钮开关SA改换开关电流表PA电压表PV 有功电度表PJ无功电度表PJR频率表PF相位表PPA最大需量表(负荷监控仪)PM功率因数表PPF有功功率表PW无功功率表PR无功电流表PAR声信号HA光信号HS指示灯HL赤色灯HR绿色灯HG黄色灯HY蓝色灯HB白色灯HW衔接片XB插头XP插座XS端子板XT电线电缆母线W直流母线WB插接式(馈电)母线WIB电力分支线WP 照明分支线WL应急照明分支线WE电力干线WPM照明干线WLM 应急照明干线WEM滑触线WT合闸小母线WCL操控小母线WC信号小母线WS亮光小母线WF事端音响小母线WFS预告音响小母线WPS电压小母线WV事端照明小母线WELM避雷器F熔断器FU敏捷熔断器FTF下跌式熔断器FF限压维护器材FV电容器C电力电容器CE正转按钮SBF回转按钮SBR接连按钮SBS急迫按钮SBE实验按钮SBT复位按钮SR限位开关SQ挨近开关SQP手动操控开关SH时刻操控开关SK液位操控开关SL湿度操控开关SM压力操控开关SP 速度操控开关SS温度操控开关辅佐开关ST电压表切换开关SV电流表切换开关SA整流器U可控硅整流器UR操控电路有电源的整流器VC变频器UF变流器UC逆变器UI电动机M异步电动机MA同步电动机MS直流电动机MD绕线转子感应电动机MW鼠笼型电动机MC电动阀YM电磁阀YV防火阀YF排烟阀YS电磁锁YL跳闸线圈YT 合闸线圈YC气动施行器YPAYA电动施行器YE发热器材(电加热)FH 照明灯(发光器材)EL空气调理器EV电加热器加热元件EE感应线圈电抗器L励磁线圈LF消弧线圈LA滤波电容器LL电阻器变阻器R电位器RP热敏电阻RT光敏电阻RL压敏电阻RPS接地电阻RG放电电阻RD发动变阻器RS频敏变阻器RF限流电阻器RC光电池热电传感器B压力改换器BP温度改换器BT速度改换器BV时刻丈量传感器BT1BK液位丈量传感器BL温度丈量传感器BHBM。
DB-直埋TC-电缆沟BC-暗敷在梁内CLC-暗敷在柱内WC-暗敷在墙内CE-沿天棚顶敷设CC-暗敷在天棚顶内SCE-吊顶内敷设F-地板及地坪下SR-沿钢索BE-沿屋架,梁WE-沿墙明敷三,灯具安装方式的表示CS-链吊DS-管吊W-墙壁安装C-吸顶R-嵌入S-支架CL-柱上沿钢线槽:SR沿屋架或跨屋架:BE沿柱或跨柱:CLE穿焊接钢管敷设:SC穿电线管敷设:MT穿硬塑料管敷设:PC穿阻燃半硬聚氯乙烯管敷设:FPC电缆桥架敷设:CT金属线槽敷设:MR塑料线槽敷设:PR用钢索敷设:M穿聚氯乙烯塑料波纹电线管敷设:KPC 穿金属软管敷设:CP直接埋设:DB电缆沟敷设:TC导线敷设部位的标注沿或跨梁(屋架)敷设:AB暗敷在梁内:BC沿或跨柱敷设:AC暗敷设在柱内:CLC沿墙面敷设:WS暗敷设在墙内:WC沿天棚或顶板面敷设:CE暗敷设在屋面或顶板内:CC吊顶内敷设:SCE地板或地面下敷设:FCHSM8-63C/3PDTQ30-32/2P 这两个应该是两种塑壳断路器的型号,HSM8-63C/3P 适用于照明回路中,为3极开关,额定电流为63A(3联开关)DTQ30-32/2P 也是塑壳断路器的一种,额定电流32A,2极开关其他那些符号都是关于导线穿管和敷设方式的一些表示方法,你对照着查一下**************************************************型号含义:R-连接用软电缆(电线),软结构。
V-绝缘聚氯乙烯。
V-聚氯乙烯绝缘V-聚氯乙烯护套B-平型(扁形)。
S-双绞型。
A-镀锡或镀银。
F-耐高温P-编织屏蔽P2-铜带屏蔽P22-钢带铠装Y—预制型、一般省略,或聚烯烃护套FD—产品类别代号,指分支电缆。
将要颁布的建设部标准用FZ表示,其实质相同YJ—交联聚乙烯绝缘V—聚氯乙烯绝缘或护套ZR—阻燃型NH—耐火型WDZ—无卤低烟阻燃型WDN—无卤低烟耐火型例如:SYV 75-5-1(A、B、C)S: 射频Y:聚乙烯绝缘V:聚氯乙烯护套A:64编B:96编C:128编75:75欧姆5:线径为5MM 1:代表单芯SYWV 75-5-1S: 射频Y:聚乙烯绝缘W:物理发泡V:聚氯乙烯护套75:75欧姆5:线缆外径为5MM 1:代表单芯例如:RVVP2*32/0.2 RVV2*1.0 BVRR: 软线VV:双层护套线P屏蔽2:2芯多股线32:每芯有32根铜丝0.2:每根铜丝直径为0.2MMZR-RVS2*24/0.12ZR: 阻燃R: 软线S:双绞线2:2芯多股线24:每芯有24根铜丝0.12:每根铜丝直径为0.12MM型号、名称RV 铜芯氯乙烯绝缘连接电缆(电线)AVR 镀锡铜芯聚乙烯绝缘平型连接软电缆(电线)RVB 铜芯聚氯乙烯平型连接电线RVS 铜芯聚氯乙烯绞型连接电线RVV 铜芯聚氯乙烯绝缘聚氯乙烯护套圆形连接软电缆ARVV 镀锡铜芯聚氯乙烯绝缘聚氯乙烯护套平形连接软电缆RVVB 铜芯聚氯乙烯绝缘聚氯乙烯护套平形连接软电缆RV-105 铜芯耐热105oC聚氯乙烯绝缘聚氯乙烯绝缘连接软电缆AF-205AFS-250AFP-250 镀银聚氯乙氟塑料绝缘耐高温-60oC~250oC连接软电线2、规格表示法的含义规格采用芯数、标称截面和电压等级表示①单芯分支电缆规格表示法:同一回路电缆根数*(1*标称截面),0.6/1KV,如:4*(1*185)+1*95 0.6/1KV②多芯绞合型分支电缆规格表示法:同一回路电缆根数*标称截面,0.6/1KV,如:4**185+1*95 0.6/1KV③多芯同护套型分支电缆规格表示法:电缆芯数×标称截面-T,如:4×25-T*****************************************************矿用铠装控制电缆;MKVV22,MKVV32 2*0.5,3*0.75,4*4,------37*1.5mm铠装控制电缆;KVV22,KVV32,KVVR22 2*0.5,3*0.75,4*4,------37*1.5mm铠装屏蔽控制电缆KVVP-22,RVVP-22,KVVRP-22,KVVP2-22,KVVRP2-222*0.5,3*0.75,4*4,------37*1.5mm铠装阻燃控制电缆;ZR-KVV22,ZR-KVV32,ZR-KVVR222*0.5,3*0.75,4*4,------37*1.5mm铠装阻燃屏蔽控制电缆;ZR-KVVP22,ZR-KVVRP22,ZR-KVVP2-22,ZR-KVVRP2-222*0.5,3*0.75,4*4,------37*1.5mm铠装通信电缆;HYA22,HYA23,HYA53,HYV22,HYV23 5对,10对------2400 对,0.4-0.5-0.6-0.7-0.8-0.9线径铠装充油通信电缆;HYAT22,HYAT23,NYAT53 5对,10对------800对0.4-0.5-0.6-0.7-0.8-0.9线径铠装阻燃通信电缆;ZR-HYA22,ZR-HYA23,ZR-HYA53,WDZ-HYA23,WDZ-HYA535对,10对------2400对,0.4-0.5-0.6-0.7-0.8-0.9线径矿用铠装阻燃通信电缆;MHYA22,MHYV22,MHYA32,MHYV325对,10对------200对,0.5-0.6-0.7-0.8-0.9-1.0线径铠装计算机电缆;DJYVP22,ZR-DJYVP22,DJYVRP22,DJYPV22,ZR-DJYPV22DJYPVR22 DJYPVP22,DJYPVRP22,ZR-DJYPVP22,ZR-DJYPVPR221*2*0.75 2*2*1.0 3*2*1.5 ------30*2*1.5mm铠装铁路信号电缆;PZY23,PTY23,PZY22,PTY22,PZYH23,PTYH23 PZYA23,PZYA22,PZYAH22,PTYAH22,PTYAH32,PZY324芯-6芯-8芯-9芯------6字符电路图符号大全:AAT 电源自动投入装置AC 交流电DC 直流电FU 熔断器G 发电机M 电动机HG 绿灯HR 红灯HW 白灯HP 光字牌K 继电器KA(NZ) 电流继电器(负序零序)KD 差动继电器KF 闪光继电器KH 热继电器KM 中间继电器KOF 出口中间继电器KS 信号继电器KT 时间继电器KV(NZ) 电压继电器(负序零序)KP 极化继电器KR 干簧继电器KI 阻抗继电器KW(NZ) 功率方向继电器(负序零序)KM 接触器KA 瞬时继电器;瞬时有或无继电器;交流继电器KV电压继电器L 线路QF 断路器QS 隔离开关T 变压器TA 电流互感器TV 电压互感器W 直流母线YC 合闸线圈YT 跳闸线圈PQS 有功无功视在功率EUI 电动势电压电流SE 实验按钮SR 复归按钮f 频率Q——电路的开关器件FU——熔断器FR——热继电器KM——接触器KA——1、瞬时接触继电器2、瞬时有或无继电器3、交流继电器KT——延时有或无继电器SB——按钮开关Q——电路的开关器件FU——熔断器KM——接触器KA——1、瞬时接触继电器2、瞬时有或无继电器3、交流继电器KT——延时有或无继电器SB——按钮开关SA 转换开关电流表PA电压表PV有功电度表PJ无功电度表PJR频率表PF相位表PPA最大需量表(负荷监控仪) PM功率因数表PPF有功功率表PW无功功率表PR无功电流表PAR声信号HA光信号HS指示灯HL红色灯HR绿色灯HG黄色灯HY蓝色灯HB白色灯HW连接片XB插头XP插座XS端子板XT电线电缆母线W直流母线WB插接式(馈电)母线WIB 电力分支线WP照明分支线WL应急照明分支线WE电力干线WPM照明干线WLM应急照明干线WEM滑触线WT合闸小母线WCL控制小母线WC信号小母线WS闪光小母线WF事故音响小母线WFS 预报音响小母线WPS 电压小母线WV事故照明小母线WELM 避雷器F熔断器FU快速熔断器FTF跌落式熔断器FF限压保护器件FV电容器C正转按钮SBF反转按钮SBR停止按钮SBS紧急按钮SBE试验按钮SBT复位按钮SR限位开关SQ接近开关SQP手动控制开关SH时间控制开关SK液位控制开关SL湿度控制开关SM压力控制开关SP速度控制开关SS温度控制开关辅助开关ST 电压表切换开关SV电流表切换开关SA整流器U可控硅整流器UR控制电路有电源的整流器VC 变频器UF变流器UC逆变器UI电动机M异步电动机MA同步电动机MS直流电动机MD绕线转子感应电动机MW鼠笼型电动机MC电动阀YM电磁阀YV防火阀YF排烟阀YS电磁锁YL跳闸线圈YT合闸线圈YC气动执行器YPAYA发热器件(电加热) FH照明灯(发光器件) EL空气调节器EV电加热器加热元件EE感应线圈电抗器L励磁线圈LF消弧线圈LA滤波电容器LL电阻器变阻器R电位器RP热敏电阻RT光敏电阻RL压敏电阻RPS接地电阻RG放电电阻RD启动变阻器RS频敏变阻器RF限流电阻器RC光电池热电传感器 B压力变换器BP温度变换器BT速度变换器BV时间测量传感器BT1BK液位测量传感器BL温度测量传感器BHBM配电房电工符号大全:常用电气符号大全电流表PA电压表PV有功电度表PJ无功电度表PJR频率表PF相位表PPA最大需量表(负荷监控仪) PM 功率因数表PPF有功功率表PW无功功率表PR无功电流表PAR声信号HA光信号HS指示灯HL红色灯HR绿色灯HG黄色灯HY蓝色灯HB白色灯HW连接片XB插头XP插座XS端子板XT电线,电缆,母线W直流母线WB插接式(馈电)母线WIB 电力分支线WP照明分支线WL应急照明分支线WE电力干线WPM照明干线WLM应急照明干线WEM滑触线WT合闸小母线WCL控制小母线WC信号小母线WS闪光小母线WF事故音响小母线WFS 预告音响小母线WPS 电压小母线WV事故照明小母线WELM 避雷器F熔断器FU快速熔断器FTF跌落式熔断器FF限压保护器件FV电容器C电力电容器CE正转按钮SBF反转按钮SBR停止按钮SBS紧急按钮SBE试验按钮SBT复位按钮SR限位开关SQ接近开关SQP手动控制开关SH时间控制开关SK液位控制开关SL湿度控制开关SM压力控制开关SP速度控制开关SS温度控制开关,辅助开关ST 电压表切换开关SV电流表切换开关SA整流器U可控硅整流器UR控制电路有电源的整流器VC 变频器UF变流器UC逆变器UI电动机M异步电动机MA同步电动机MS直流电动机MD绕线转子感应电动机MW鼠笼型电动机MC电动阀YM电磁阀YV防火阀YF排烟阀YS电磁锁YL跳闸线圈YT合闸线圈YC气动执行器YPA,YA电动执行器YE发热器件(电加热) FH照明灯(发光器件) EL空气调节器EV电加热器加热元件EE 感应线圈,电抗器L励磁线圈LF消弧线圈LA滤波电容器LL电阻器,变阻器R电位器RP热敏电阻RT光敏电阻RL压敏电阻RPS接地电阻RG放电电阻RD启动变阻器RS频敏变阻器RF限流电阻器RC光电池,热电传感器 B压力变换器BP温度变换器BT速度变换器BV时间测量传感器BT1,BK 液位测量传感器BL温度测量传感器BH,BM6|评论(2)。
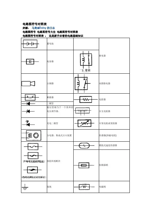
电路图符号对照表来源:马爽❀Daisy的日志电路图符号电路图符号大全电路图符号对照表电路图符号对照表:这是新手必看的电路基础知识蓄电池继电器电容器点烟器双掷继电器断路器电阻器二极管稳压管相当于一个简单的电压调节器。
分支电阻器光电二极管可变电阻或变阻器分电器,集成式点火装置传感器(热敏电阻)模拟式速度传感器保险丝熔断丝短路插销接地电磁阀大灯扬声器喇叭手动开关点火线圈双掷开关灯点火开关LED(发光二极管) 刮水器停驻开关模拟式仪表晶体管数字式仪表导线接合处无黑点的交叉线(1)未连在一起。
接合处有黑点或八角形(○)标记的交叉线连接在一起。
电机字符电路图符号大全:AAT 电源自动投入装置AC 交流电DC 直流电FU 熔断器G 发电机M 电动机HG 绿灯HR 红灯HW 白灯HP 光字牌K 继电器KA(NZ) 电流继电器(负序零序)KD 差动继电器KF 闪光继电器KH 热继电器KM 中间继电器KOF 出口中间继电器KS 信号继电器KT 时间继电器KV(NZ) 电压继电器(负序零序)KP 极化继电器KR 干簧继电器KI 阻抗继电器KW(NZ) 功率方向继电器(负序零序)KM 接触器KA 瞬时继电器;瞬时有或无继电器;交流继电器KV电压继电器L 线路QF 断路器QS 隔离开关T 变压器TA 电流互感器TV 电压互感器W 直流母线YC 合闸线圈YT 跳闸线圈PQS 有功无功视在功率EUI 电动势电压电流SE 实验按钮SR 复归按钮f 频率Q——电路的开关器件FU——熔断器FR——热继电器KM——接触器KA——1、瞬时接触继电器 2、瞬时有或无继电器3、交流继电器KT——延时有或无继电器SB——按钮开关Q——电路的开关器件FU——熔断器KM——接触器KA——1、瞬时接触继电器 2、瞬时有或无继电器3、交流继电器KT——延时有或无继电器SB——按钮开关SA 转换开关电流表PA电压表PV有功电度表PJ无功电度表PJR频率表PF相位表PPA最大需量表(负荷监控仪) PM功率因数表PPF有功功率表PW无功功率表PR无功电流表PAR声信号HA光信号HS指示灯HL红色灯HR绿色灯HG黄色灯HY蓝色灯HB白色灯HW连接片XB插头XP插座XS端子板XT电线电缆母线W直流母线WB插接式(馈电)母线 WIB电力分支线WP照明分支线WL应急照明分支线WE电力干线WPM照明干线WLM应急照明干线WEM滑触线WT合闸小母线WCL控制小母线WC信号小母线WS闪光小母线WF事故音响小母线WFS预报音响小母线WPS电压小母线WV事故照明小母线WELM避雷器 F熔断器FU快速熔断器FTF跌落式熔断器FF限压保护器件FV电容器 C电力电容器CE正转按钮SBF反转按钮SBR停止按钮SBS紧急按钮SBE试验按钮SBT复位按钮SR限位开关SQ接近开关SQP手动控制开关SH时间控制开关SK液位控制开关SL湿度控制开关SM压力控制开关SP速度控制开关SS温度控制开关辅助开关ST 电压表切换开关SV电流表切换开关SA整流器U可控硅整流器UR控制电路有电源的整流器VC 变频器UF变流器UC逆变器UI电动机M异步电动机MA同步电动机MS直流电动机MD绕线转子感应电动机MW鼠笼型电动机MC电动阀YM电磁阀YV防火阀YF排烟阀YS电磁锁YL跳闸线圈YT合闸线圈YC气动执行器YPAYA电动执行器YE发热器件(电加热) FH 照明灯(发光器件) EL空气调节器EV电加热器加热元件EE感应线圈电抗器L励磁线圈LF消弧线圈LA滤波电容器LL电阻器变阻器R电位器RP热敏电阻RT光敏电阻RL压敏电阻RPS接地电阻RG放电电阻RD启动变阻器RS频敏变阻器RF限流电阻器RC光电池热电传感器 B压力变换器BP温度变换器BT速度变换器BV时间测量传感器BT1BK 液位测量传感器BL。
蓄电池
继电器
电容器
点烟器双掷继电器
断路器
电阻器
二极管
稳压管
相当于一个简单的
分支电阻器
电压调节器。
光电二极管可变电阻或变阻器
分电器,集成式点火
传感器(热敏电阻) 装置
模拟式速度传感器保险丝
熔断丝
短路插销
接地电磁阀
大灯扬声器
喇叭手动开关
点火线圈双掷开关
灯点火开关
LED(发光二极管) 刮水器停驻开关模拟式仪表晶体管
数字式仪表导线
接合处无黑点的交叉线(1)未连在一起。
接合处有黑点或八角形(○)标记的交叉线连接在一起。
电机
字符电路图符号大全:
AAT 电源自动投入装置
AC 交流电
DC 直流电
FU 熔断器
G 发电机
M 电动机
HG 绿灯
HR 红灯
HW 白灯
HP 光字牌
K 继电器
KA(NZ) 电流继电器(负序零序) KD 差动继电器
KF 闪光继电器空气调节器 EV
电加热器加热元件 EE 感应线圈电抗器 L
励磁线圈 LF
消弧线圈 LA
滤波电容器 LL
电阻器变阻器 R
电位器 RP
热敏电阻 RT
光敏电阻 RL
压敏电阻 RPS
接地电阻 RG
放电电阻 RD
启动变阻器 RS
频敏变阻器 RF
限流电阻器 RC
光电池热电传感器 B 压力变换器 BP
温度变换器 BT
速度变换器 BV
KH 热继电器
KM 中间继电器
KOF 出口中间继电器
KS 信号继电器
KT 时间继电器
KV(NZ) 电压继电器(负序零序)。
电路图中代码表在电路图中KT代表时间继电器KA:中间继电器KM:接触器电路图常用符号:AC 交流电DC 直流电FU 熔断器G 发电机M 电动机HG 绿灯HR 红灯HW 白灯HP 光字牌K 继电器KA中间继电器KD 差动继电器KF 闪光继电器FR 热继电器KM 接触器KOF 出口中间继电器KS 信号继电器KT 时间继电器KV(NZ) 电压继电器(负序零序)KP 极化继电器KR 干簧继电器KI 阻抗继电器KW(NZ) 功率方向继电器(负序零序)KA 瞬时继电器;瞬时有或无继电器;交流继电器KV电压继电器L 线路QF 断路器QS 隔离开关T 变压器TA 电流互感器TV 电压互感器W 直流母线YC 合闸线圈YT 跳闸线圈PQS 有功无功视在功率EUI 电动势电压电流SE 实验按钮SR 复归按钮f 频率Q——电路的开关器件FU——熔断器FR——热继电器KM ——接触器KA——1、瞬时接触继电器2、瞬时有或无继电器3、交流继电器SB——按钮开关Q——电路的开关器件FU——熔断器KM——接触器KA——1、瞬时接触继电器2、瞬时有或无继电器3、交流继电器KT——延时有或无继电器SB——按钮开关SA 转换开关声信号HA光信号HS指示灯HL红色灯HR绿色灯HG黄色灯HY蓝色灯HB白色灯HW连接片XB插头XP插座XS 端子板XT电线电缆母线W直流母线WB插接式(馈电)母线WIB电力分支线WP照明分支线WL应急照明分支线WE电力干线WPM照明干线WLM应急照明干线WEM滑触线WT合闸小母线WCL控制小母线WC信号小母线WS闪光小母线WF事故音响小母线WFS预报音响小母线WPS电压小母线WV事故照明小母线WELM避雷器F熔断器FU快速熔断器FTF跌落式熔断器FF限压保护器件FV电容器C电力电容器CE正转按钮SBF反转按钮SBR停止按钮SBS 紧急按钮SBE试验按钮SBT复位按钮SR限位开关SQ接近开关SQP手动控制开关SH时间控制开关SK液位控制开关SL湿度控制开关SM压力控制开关SP速度控制开关SS温度控制开关辅助开关ST电压表切换开关SV电流表切换开关SA整流器U可控硅整流器UR控制电路有电源的整流器VC变频器UF变流器UC逆变器UI 电动机M异步电动机MA同步电动机MS直流电动机MD绕线转子感应电动机MW鼠笼型电动机MC电动阀YM电磁阀YV防火阀YF 排烟阀YS电磁锁YL跳闸线圈YT合闸线圈YC气动执行器YPAYA 电动执行器YE发热器件(电加热) FH照明灯(发光器件) EL空气调节器EV电加热器加热元件EE感应线圈电抗器L励磁线圈LF消弧线圈LA滤波电容器LL电阻器变阻器R电位器RP热敏电阻RT光敏电阻RL压敏电阻RPS接地电阻RG放电电阻RD启动变阻器RS频敏变阻器RF限流电阻器RC光电池热电传感器B压力变换器BP温度变换器BT速度变换器BV时间测量传感器BT1BK液位测量传感器BL 温度测量传感器BHBM 电流表PA电压表PV有功电度表PJ无功电度表PJR频率表PF相位表PPA最大需量表(负荷监控仪) PM功率因数表PPF有功功率表PW无功功率表PR无功电流表PARFC是地面内暗敷设。
电流表PA电压表PV有功电度表PJ无功电度表PJR频率表PF相位表PPA最大需量表(负荷监控仪) PM 功率因数表PPF有功功率表PW无功功率表PR无功电流表PAR声信号HA光信号HS指示灯HL红色灯HR绿色灯HG黄色灯HY蓝色灯HB. 白色灯HW连接片XB插头XP插座XS端子板XT电线,电缆,母线W直流母线WB插接式(馈电)母线WIB电力分支线WP照明分支线WL应急照明分支线WE电力干线WPM照明干线WLM应急照明干线WEM滑触线WT合闸小母线WCL控制小母线WC信号小母线WS闪光小母线WF事故音响小母线WFS预告音响小母线WPS电压小母线WV事故照明小母线WELM避雷器F熔断器FU快速熔断器FTF跌落式熔断器FF限压保护器件FV电容器C电力电容器CE正转按钮SBF反转按钮SBR停止按钮SBS紧急按钮SBE试验按钮SBT复位按钮SR限位开关SQ接近开关SQP手动控制开关SH时间控制开关SK液位控制开关SL湿度控制开关SM压力控制开关SP.速度控制开关SS温度控制开关,辅助开关ST电压表切换开关SV电流表切换开关SA整流器U可控硅整流器UR控制电路有电源的整流器VC变频器UF变流器UC逆变器UI电动机M异步电动机MA同步电动机MS直流电动机MD绕线转子感应电动机MW鼠笼型电动机MC电动阀YM电磁阀YV防火阀YF排烟阀YS电磁锁YL跳闸线圈YT合闸线圈YC气动执行器YPA,YA电动执行器YE光电池,热电传感器B压力变换器BP温度变换器BT速度变换器BV时间测量传感器BT1,BK液位测量传感器BL温度测量传感器BH,BM. 发热器件(电加热) FH照明灯(发光器件) EL空气调节器EV电加热器加热元件EE感应线圈,电抗器L励磁线圈LF消弧线圈LA滤波电容器LL电阻器,变阻器R电位器RP热敏电阻RT光敏电阻RL压敏电阻RPS接地电阻RG放电电阻RD启动变阻器RS频敏变阻器RF限流电阻器RC电路图符号是指用一种书画图形代表一种电子元件(比如:电容、电阻、二极管、三极官、集成电路等等)的符号,有了电路图符号我学习、演示、设计就可以轻松的在图纸上完成。
电路图形大全一、图形二、电工电路图符号大全电流表PA电压表PV有功电度表PJ无功电度表PJR频率表PF相位表PPA电力分支线WP照明分支线WL应急照明分支线WE电力干线WPM照明干线WLM应急照明干线WEM滑触线WT合闸小母线WCL控制小母线WC信号小母线WS闪光小母线WF事故音响小母线WFS预告音响小母线WPS电压小母线WV事故照明小母线WELM避雷器F熔断器FU电流表切换开关SA整流器U可控硅整流器UR控制电路有电源的整流器VC 变频器UF变流器UC逆变器UI电动机M异步电动机MA同步电动机MS直流电动机MD绕线转子感应电动机MW 鼠笼型电动机MC电动阀YM压敏电阻RPS接地电阻RG放电电阻RD启动变阻器RS频敏变阻器RF限流电阻器RC光电池,热电传感器B压力变换器BP温度变换器BT速度变换器BV时间测量传感器BT1,BK 液位测量传感器BL温度测量传感器BH,BM辅助文名称字符号D延时(延迟)D差动D数字D降DC直流DEC减E接地EM紧急F快速FB反馈FW正,向前GN绿H高IN输入INC增IND感应L左RD红色RRST复位RES备用RUN运转S信号ST启动SSET置位、定位SAT饱和STE步进STP停止SYN同步T温度T时间TE无噪音(防干扰)接地V真空15热继电器KRRJ16阻抗继电器KIZKJ17温度继电器KTPWJ18瓦斯继电器KGWSJ19合闸继电器KCR或KONHJ 20跳闸继电器KTRTJ21合闸继电器KCPHWJ22跳闸继电器KTPTWJ23电源监视继电器KVSJJ24压力监视继电器KVPYJJ25电压继电器KVMYZJ26事故信号继电器KCASXJ27继电保护跳闸出口继电器KOUBCJ 28手动合闸继电器KCRMSHJ29手动跳闸继电器KTPMSTJ30加速继电器KAC或KCLJSJ31复归继电器KPEFJ53自同期转换开关SSA2ZTK54自动开关QA55刀开关QK或SNDK56熔断器FURD57快速熔断器FUhsRDS58闭锁开关SALBK59信号灯HLXD60光字牌HL或HPGP61警铃HAB或HAJL62合闸接触器KMCHC63接触器KMC64合闸线圈Yon或LCHQ 65跳闸线圈Yoff或LTTQ 66插座XS67插头XP68端子排XT69测试端子XE35KV电压互感器TVUYH 110KV电压互感器TVYYH 90断路器QFDL91隔离开关QSG92电力变压器TMB93同步发电机GSTF94交流电动机MAJD95直流电动机MDZD96电压互感器二次回路小母线97同期电压小母线(待并)WST或WVBTQMa,TQMb98同期电压小母线(运行)WOS`或WVBnTQM`a,TQM`b 99准同期合闸小母线1WSC,2WSC,3WSC1WPO,2WPO,3WPO1THM,2THM,3THM100控制电源小母线+WC,-WC+KM,-KM101信号电源小母线+WS,-WS+XM,-XM102合闸电源小母线+WON,-WON+HM,-HM103事故信号小母线WFASYM连接片XB插头XP插座XS端子板XT电线,电缆,母线W直流母线WB插接式(馈电)母线WIB电力分支线WP照明分支线WL应急照明分支线WE电力干线WPM照明干线WLM应急照明干线WEM滑触线WT合闸小母线WCL控制小母线WC手动控制开关SH时间控制开关SK液位控制开关SL湿度控制开关SM压力控制开关SP速度控制开关SS温度控制开关,辅助开关ST 电压表切换开关SV电流表切换开关SA整流器U可控硅整流器UR控制电路有电源的整流器VC 变频器UF变流器UC逆变器UI感应线圈,电抗器L励磁线圈LF消弧线圈LA滤波电容器LL电阻器,变阻器R电位器RP热敏电阻RT光敏电阻RL压敏电阻RPS接地电阻RG放电电阻RD启动变阻器RS频敏变阻器RF限流电阻器RC光电池,热电传感器B压力变换器BP二、GB/T6988.1-2008标准中关于选用图形符号的规则在5.12.1节(符号的选择)中指出:符号应遵照有关国家标准或IEC、ISO、IEC/ISO标准,例如:——GB/T4728用于电气项目的简图和安装图,……。
电路图中的符号表
电流表PA
电压表PV
有功电度表PJ
无功电度表PJR
频率表PF
相位表PPA
最大需量表(负荷监控仪) PM
功率因数表PPF
有功功率表PW
无功功率表PR
无功电流表PAR
声信号HA
光信号HS
指示灯HL
红色灯HR
绿色灯HG
黄色灯HY
蓝色灯HB
白色灯HW
连接片XB
插头XP
插座XS
端子板XT
电线,电缆,母线W
直流母线WB
插接式(馈电)母线WIB
电力分支线WP
照明分支线WL
应急照明分支线WE
电力干线WPM
照明干线WLM
应急照明干线WEM
滑触线WT
合闸小母线WCL
控制小母线WC
信号小母线WS
闪光小母线WF
事故音响小母线WFS
预告音响小母线WPS
电压小母线WV
事故照明小母线WELM
熔断器FU
快速熔断器FTF
跌落式熔断器FF
限压保护器件FV
电容器C
电力电容器CE
正转按钮SBF
反转按钮SBR
停止按钮SBS
紧急按钮SBE
试验按钮SBT
复位按钮SR
限位开关SQ
接近开关SQP
手动控制开关SH
时间控制开关SK
液位控制开关SL
湿度控制开关SM
压力控制开关SP
速度控制开关SS
温度控制开关,辅助开关ST 电压表切换开关SV
电流表切换开关SA
整流器U
可控硅整流器UR
控制电路有电源的整流器VC 变频器UF
变流器UC
逆变器UI
电动机M
异步电动机MA
同步电动机MS
直流电动机MD
绕线转子感应电动机MW
鼠笼型电动机MC
电动阀YM
电磁阀YV
防火阀YF
排烟阀YS
电磁锁YL
跳闸线圈YT
气动执行器YPA,YA
电动执行器YE
发热器件(电加热) FH
照明灯(发光器件) EL
空气调节器EV
电加热器加热元件EE
感应线圈,电抗器L
励磁线圈LF
消弧线圈LA
滤波电容器LL
电阻器,变阻器R
电位器RP
热敏电阻RT
光敏电阻RL
压敏电阻RPS
接地电阻RG
放电电阻RD
启动变阻器RS
频敏变阻器RF
限流电阻器RC
光电池,热电传感器B
压力变换器BP
温度变换器BT
速度变换器BV
时间测量传感器BT1,BK
液位测量传感器BL
温度测量传感器BH,BM
(录入编辑:电路图网dzdlt)
HP 光字牌
K 继电器
KA(N,Z) 电流继电器(负序,零序) KD 差动继电器
KF 闪光继电器
KH 热继电器
KM 中间继电器
KOF 出口中间继电器
KS 信号继电器
KT 时间继电器
KV(N,Z) 电压继电器(负序,零序) KP 极化继电器
KR 干簧继电器
KI 阻抗继电器
KW(N,Z) 功率方向继电器(负序,零序) KM 接触器
KA 瞬时继电器;瞬时有或无继电器;交流继电器
KV电压继电器
L 线路
QF 断路器
QS 隔离开关
T 变压器
TA 电流互感器
TV 电压互感器
W 直流母线
YC 合闸线圈
YT 跳闸线圈
P,Q,S 有功,无功,视在功率
E,U,I, 电动势,电压,电流
SE 实验按钮
SR 复归按钮
f 频率
Q——电路的开关器件
FU——熔断器copyright
FR——热继电器
KM——接触器
KA——1、瞬时接触继电器2、瞬时有或无继电器3、交流继电器
KT——延时有或无继电器
SB——按钮开关Q——电路的开关器件
FU——熔断器
KM——接触器
KA——1、瞬时接触继电器2、瞬时有或无继电器3、交流继电器
KT——延时有或无继电器
SB——按钮开关
SA 转换开关
淘巧网
本篇文章来源于淘巧网Taoqao| 原文链接:/wangdianyunying/hangyezhishi/20100727/6609.html
电气设备常用文字符号新旧对照表
名称文字符号
新旧
(一)常用基本文字符号
电桥AB DQ
晶体管放大器AD DF
集成电路放大器AJ
印刷电路板AP
抽屉柜AT
旋转变压器(测速发电机) TG CF
电容器C C
发热器件EH RJ
照明灯EL ZD
空气调节器EV
过电压放电器件避雷器 F BL
具有瞬时动作的限流保护器件FA SX
具有延时动作的限流保护器件FR YX
具有延时和瞬时动作的限流保护器件FS YSX 熔断器FU RD
限压保护器件FV RD
同步发电机GS TF
异步发电机GA YF
蓄电池GB XC
声响指示器HA YS
光指示器HL GS
指示灯HL SD
瞬时有或无继电器,交流继电器KA J
接触器KM C
极化继电器KP JJ
簧片继电器KP
延时有或无继电器KT SJ
电感器L L
电抗器L DK
电动机M D
同步电动机MS TD
异步电动机MA YD
电流表PA I
电压表PV U
电能表PJ Wh
断路器QF DL
电动机保护开关QM
隔离开关QS GLK
电阻器R R
电位器RP W
控制开关SA KK
选择开关XK
按钮开关SB AK
电流互感器TA LH
控制变压器TC KB
电力变压器TM LB
电压互感器TV YH
整流器U ZL
二极管V D
晶体管B
晶闸管KG
电子管VE G
控制电路用电源的整流器VC KZ 连接片XB LP
测试插孔XJ
插头XP CT
插座XS CZ
端子板XT JX
电磁铁Y A DT
电磁制动器YB ZD
电磁离合器YV CLH
电磁吸盘YH CX
电动阀YM
电磁阀YV
(二)常用辅助文字符号
电流A L
交流AC JL
自动A,AUT Z
加速ACC JS
附加ADD F
可调ADJ T
辅助AUX FZ
异步ASY Y
制动B,BRK ZD
黑BK
蓝BL A
向后BW H
控制C K
直流DC ZL
紧急EM
低L D
正,向前FW Q
绿GN L
高H G
输入IN SR
感应IND Y
左L ZU
主,中M Z
手动M,MAN S
断开OFF DK
闭合ON BH
输出OUT SC
记录R JL
右R YO
反R F
红RD H
复位R,RST F
备用RES BY
信号S X
起动ST Q
停止STP T
同步SYN T
温度T W
时间T S
速度V SD
电压速度V Y
白WH B
黄YE U(录入编辑:电路图电路网)。