土方回填工程检验批质量验收记录表38715
- 格式:doc
- 大小:97.00 KB
- 文档页数:6
【最新整理,下载后即可编辑】
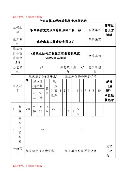
土方回填工程检验批质量验收记录
技术负责人)组织项目专业质量(技术)负责人进行验收。
2.记录中定量项目填写数据,定性项目“符合规范要求”用√标注,结果和结论栏由本人签字。
土方回填工程检验批质量验收记录
技术负责人)组织项目专业质量(技术)负责人进行验收。
2.记录中定量项目填写数据,定性项目“符合规范要求”用√标注,结果和结论栏由本人签字。
土方回填工程检验批质量验收记录
技术负责人)组织项目专业质量(技术)负责人进行验收。
2.记录中定量项目填写数据,定性项目“符合规范要求”用√标注,结果和结论栏由本人签字。
土方回填工程检验批质量验收记录
技术负责人)组织项目专业质量(技术)负责人进行验收。
2.记录中定量项目填写数据,定性项目“符合规范要求”用√标注,结果和结论栏由本人签字。
土方开挖工程检验批质量验收记录表GB50202-2002A—1土方回填工程检验批质量验收记录表GB50202-2002A —22模板安装工程检验批质量验收记录表GB50204-2002(Ⅰ)模板安装工程检验批质量验收记录表GB50204-2002(Ⅰ)模板安装工程检验批质量验收记录表GB50204-2002(Ⅰ)模板安装工程检验批质量验收记录表GB50204-2002(Ⅰ)模板拆除工程检验批质量验收记录表GB50204-2002(Ⅲ)模板拆除工程检验批质量验收记录表GB50204-2002(Ⅲ)模板拆除工程检验批质量验收记录表GB50204-2002(Ⅲ)A—24模板拆除工程检验批质量验收记录表GB50204-2002(Ⅲ)混凝土原材料及配合比设计检验批质量验收记录表GB50204-2002混凝土原材料及配合比设计检验批质量验收记录表GB50204-2002混凝土原材料及配合比设计检验批质量验收记录表GB50204-2002混凝土原材料及配合比设计检验批质量验收记录表GB50204-2002混凝土原材料及配合比设计检验批质量验收记录表GB50204-2002混凝土原材料及配合比设计检验批质量验收记录表GB50204-2002混凝土施工检验批质量验收记录表GB50204-2002(Ⅱ)混凝土施工检验批质量验收记录表GB50204-2002(Ⅱ)混凝土施工检验批质量验收记录表GB50204-2002(Ⅱ)A 010603 020103混凝土施工检验批质量验收记录表GB50204-2002(Ⅱ)混凝土施工检验批质量验收记录表GB50204-2002(Ⅱ)混凝土施工检验批质量验收记录表GB50204-2002(Ⅱ)现浇结构外观及尺寸偏差检验批质量验收记录表GB50204-2002(Ⅰ)现浇结构外观及尺寸偏差检验批质量验收记录表GB50204-2002(Ⅰ)现浇结构外观及尺寸偏差检验批质量验收记录表GB50204-2002(Ⅰ)010603 020105现浇结构外观及尺寸偏差检验批质量验收记录表GB50204-2002(Ⅰ)钢筋加工检验批质量验收记录表GB50204-2002(Ⅰ)钢筋加工检验批质量验收记录表GB50204-2002(Ⅰ)钢筋加工检验批质量验收记录表GB50204-2002(Ⅰ)钢筋加工检验批质量验收记录表GB50204-2002(Ⅰ)钢筋加工检验批质量验收记录表GB50204-2002(Ⅰ)钢筋安装工程检验批质量验收记录表GB50204-2002钢筋安装工程检验批质量验收记录表GB50204-2002钢筋安装工程检验批质量验收记录表GB50204-2002。
土方回填工程查验批质量查收记录表
单位(子单位)工程名称
分部(子分部)工程名称地基与基础
施工单位青岛润通水利工程有限企业
分包单位
施工履行标准名称及编号
施工质量查收规范的规定
同意误差或同意值(mm)项目柱基场所平坦管地
基坑人工机械沟(路)主1标高-50±30± 50-5-50
控
分层压实
项 2
系数
目
一 1 回填土料
般分层厚度
2
项及含水量
鲁 JJ-083
查收部位基槽
项目经理
分包项目经理
监理(建设)施工单位检查评定记录
单位查收记
录12345678910
-210 -2 -2 -2 -2-1 -1 -1 12
切合设计要求
切合设计要求
切合设计要求
目 3 表面平坦度202030202015 16 12 13 12 12 15 16 12 12
专业工长(施工员)施工班组长
主控项目合格,一般项目切合设计及规范要求。
施工单位检查
评定结果
项目专业质量检查员:年月日
监理(建设)单
位查收结论
专业监理工程师:
(建设单位项目专业技术负责人):年月日注:地(路)面基层的误差只合用于直接在挖﹑填方上做地(路)面的基层
山东省建设工程质量监
督总站监制。
A4土方回填报验申请表工程名称:仁怀生活垃圾卫生填埋场编号:01致:深龙港监理企业遵义分企业我单位已达成了管理区集水井土方回填工作,上该工程报验申请表,请予以审察和查收。
附件:1、查验批自检合格查收记录承包单位(章)项目经理汤永怀日期2005年08 月28 日复查建议:项目监理机构总 / 专业监理工程师日期200感谢观看土方回填工程查验批质量查收记录表GB50202-2002010101单位(子单位)工程名称仁怀市生活垃圾卫生填埋场02分部(子分部)工程名称管理区查收部位集水井施工单位中国建筑第四工程局第五建筑工程企业项目经理汤永怀分包单位分包项目经理施工履行标准名称及编号《建筑工程施工质量查收一致标准》GB50202- 2001施工质量查收规范的规定检查项目主1标高控项目2分层压实系数一1回填土料般分层厚度2及含水量项目3表面平坦度同意误差或同意值(mm )监理(建设 )场所平坦地(路)施工单位检查评定记录单位查收记桩基基坑管基槽面基础录人工机械沟层- 50±30± 50-50-50-25 –40–35–41–39-51设计要求设计要求设计要求2020302020151721111319专业工长(施工员)施工班组长主控项目所有合格 , 一般项目知足规范规定要求。
施工单位检查评定结果项目专业质量检查员:2005年08月28日监理(建设)单位查收结论专业监理工程师:(建设单位项目专业技术负责人):年月日感谢赏析。
土方回填工程检验批质量验收记录表GB50202-2002010102土方回填是一个综合性项目,使用哪一项时,在哪一项打“V”注明。
或在表名土方回填前加上xx 土方回填,更清楚。
主控项目:1. 检查数量:柱基按总数抽查10%但不少于5个,每个不少于2点;基抗每20m2取1点,每坑不少于2点;基槽、管沟、排水沟、路面基层每20m取1点,但不少于5点;地面基层每30〜50m2取1点,但不少于5点;场地平整每100〜400m取1点,但不少于10点。
检验方法:用水准仪测量回填后的表面标高,检查测量记录。
2. 检查数量:柱基抽查总数的10%但不少于5个;基槽和管沟回填,每层按长度20〜50m取样1组,但不少于1组;基坑和室内填土,每层按100〜500mm2取样1组,但不少于1组;场地平整填方,每层按400〜900m2取样1组,但不少于1组。
检验方法:按规定或环刀法取样测试,不满足要求应随时返工。
检查测试记录。
注:灌砂或灌水法的取样数量可较环刀法适当减少。
一般项目:1. 检查数量:全数检查。
检验方法:取样检验或直观鉴别。
检查施工记录和试验报告。
2. 检查数量同主控项目2。
检验方法:分层厚度及含水量:符合设计要求。
如设计无规定应符合规范表 6.3.3的规定。
用水准仪检查分层厚度。
取样检测含水量。
检查施工记录和试验报告。
3.检查数量:每30〜50m2取1点检查表面平整度。
检验方法:用水准仪和靠尺检查。
土方回填前清除基底的垃圾、树根等杂物,去除积水、淤泥,验收基底标高。
如在耕植土或松土上填方,应在基底压实后再进行。
填方土料按设计要求验收。
填方施工中检查排水措施,每层填筑厚度、含水量控制、压实程度。
土方回填工程检验批质量验收记录
注:1.本表由施工项目专业质量检查员填写,监理工程师(建设单位项目技术负责人)组织项目专业质量(技术)负责人进行验收。
2.记录中定量项目填写数据,定性项目“符合规范要求”用√标注,结果和结论栏由本人签字。
土方回填工程检验批质量验收记录
注:1.本表由施工项目专业质量检查员填写,监理工程师(建设单位项目技术负责人)组织项目专业质量(技术)负责人进行验收。
2.记录中定量项目填写数据,定性项目“符合规范要求”用√标注,结果和结论栏由本人签字。
土方回填工程检验批质量验收记录
注:1.本表由施工项目专业质量检查员填写,监理工程师(建设单位项目技术负责人)组织项目专业质量(技术)负责人进行验收。
2.记录中定量项目填写数据,定性项目“符合规范要求”用√标注,结果和结论栏由本人签字。
土方回填工程检验批质量验收记录
注:1.本表由施工项目专业质量检查员填写,监理工程师(建设单位项目技术负责人)组织项目专业质量(技术)负责人进行验收。
2.记录中定量项目填写数据,定性项目“符合规范要求”用√标注,结果和结论栏由本人签字。
饱食终日,无所用心,难矣哉。
——《论语•阳货》。
土方回填工程检验批质量验收记录
注:1.本表由施工项目专业质量检查员填写,监理工程师(建设单位项目技术负责人)组织项目专业质量(技术)负责人进行验收。
2.记录中定量项目填写数据,定性项目“符合规范要求”用√标注,结果和结论栏由本人签字。
土方回填工程检验批质量验收记录
注:1.本表由施工项目专业质量检查员填写,监理工程师(建设单位项目技术负责人)组织项目专业质量(技术)负责人进行验收。
2.记录中定量项目填写数据,定性项目“符合规范要求”用√标注,结果和结论栏由本人签字。
土方回填工程检验批质量验收记录
注:1.本表由施工项目专业质量检查员填写,监理工程师(建设单位项目技术负责人)组织项目专业质量(技术)负责人进行验收。
2.记录中定量项目填写数据,定性项目“符合规范要求”用√标注,结果和结论栏由本人签字。
土方回填工程检验批质量验收记录
注:1.本表由施工项目专业质量检查员填写,监理工程师(建设单位项目技术负责人)组织项目专业质量(技术)负责人进行验收。
2.记录中定量项目填写数据,定性项目“符合规范要求”用√标注,结果和结论栏由本人签字。