高炉技术方案
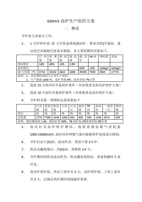
- 格式:doc
- 大小:254.50 KB
- 文档页数:53
第一章高炉主要施工方案第一节高炉炉壳制作高炉炉壳制作精度要求高,需要大型专用设备,拟定在武汉大型金属结构厂制作。
l、高炉炉壳制作应符合《冶金机械设备安装工程施工及验收规范——炼钢设备》的有关规定,其它要求符合6B50205—95《钢结构工程施工及验收规范》的规定。
2、高炉炉壳钢板在加工前应作平直校正,钢板的切边须用自动、半自动切割机进行,炉壳配件可用剪板机剪切。
3、钢板切割后边缘必须平整,切割线应符合设计尺寸,切割后尺寸极限偏差±lmm,两对角线长度之差不得大于3mm,在制作高炉外壳时,必须考虑好工地焊接时焊缝的收缩余量。
4、焊缝坡口尺寸应符合设计文件的规定,用样板检查加工边缘与样板间的间隙不得大于lmm。
5、外壳钢板的弯曲加工,应符合设计规定的曲率半径,用弦长不小于1500mm 的弧形样板之间的间隙不得大于2mm,锥形外壳钢板应检查上下口。
6、高炉系统下列工艺结构必须在制造厂进行予装配合合格后出厂。
(1)高炉外壳(预计分16~18 带,每带4 块,工厂组装合格后出厂)。
(2)炉底封板。
(3)高炉炉顶封板外壳与相连的导出管(短管与炉壳予装合格后,点焊牢出厂,工地开孔)导出管留出插入长度。
7、外壳预装配应在专门设置的予装平台上进行,予装平台表面高低差不得大于2mm,并应在每组装一段前检测其水平度,调整合乎要求后,方可进行组装工作。
8、外壳预装配应从下往上按顺序进行,每次组装不得大于3 圈,逐圈检查合格(检查每圈炉皮的高度,外壳钢板圈中心,对预装平台上检查中心的位移,外壳钢板圈的最大直径与最小直径之差;外壳钢板圈上口水平差,对口错边量;坡口端部间隙等并作好记录,提供给安装单位,作为现场安装的依据,并打上标记,焊好定位器,然后拆开作为成品,但上面一圈要留作下一组装段的底圈。
9、每块外壳钢板上应焊上脚手架挂耳、夹具、固定块、定位器等。
脚手架、挂耳以出铁口中心线为起点,沿炉壳圆周顺时针排列,每隔1500mm弧长焊上一个,距离上口600mm,内外两面设置,遇焊缝时要错开焊缝300-500mm,并对其间距作适当调整,相邻两挂耳的间距作适当调整,相邻两挂耳的间距不得大于1700mm。
一、方案背景随着我国钢铁工业的快速发展,高炉作为钢铁生产的核心设备,其稳定运行对于整个钢铁产业链的稳定具有重要意义。
然而,高炉在长期运行过程中,面临着各种技术难题和设备故障。
为了确保高炉的稳定运行,提高生产效率,降低生产成本,特制定本高炉专项方案。
二、方案目标1. 提高高炉生产效率,降低生产成本;2. 提高高炉设备可靠性,延长设备使用寿命;3. 优化高炉操作工艺,提高产品质量;4. 建立健全高炉运行监测与维护体系。
三、方案内容1. 高炉设备改造(1)对高炉本体进行改造,提高其容积、炉缸寿命和炉顶压力;(2)对高炉炉衬进行修复,延长炉衬使用寿命;(3)对高炉风机系统进行改造,提高风机性能和可靠性;(4)对高炉冷却系统进行改造,降低高炉热负荷,提高冷却效率。
2. 高炉操作工艺优化(1)优化高炉配料结构,提高炉料利用率;(2)优化高炉冶炼制度,提高炉温、炉压和冶炼强度;(3)优化高炉操作参数,降低高炉能耗,提高生产效率;(4)加强高炉操作人员培训,提高操作技能。
3. 高炉运行监测与维护(1)建立高炉运行监测系统,实时监测高炉运行状态;(2)定期对高炉设备进行检查和维护,确保设备正常运行;(3)对高炉故障进行快速诊断和修复,降低故障率;(4)建立高炉运行档案,为高炉生产提供数据支持。
4. 人员培训与安全管理(1)对高炉操作人员进行专业培训,提高操作技能和安全意识;(2)加强高炉安全管理,确保生产安全;(3)定期开展安全检查,消除安全隐患;(4)制定应急预案,提高应对突发事件的能力。
四、方案实施与保障1. 制定详细实施计划,明确责任人和时间节点;2. 加强项目协调,确保项目顺利推进;3. 设立专项经费,保障项目实施;4. 建立项目考核机制,确保项目达到预期目标。
五、预期效果通过实施本高炉专项方案,预计可达到以下效果:1. 高炉生产效率提高10%以上;2. 高炉设备故障率降低30%以上;3. 高炉能耗降低5%以上;4. 高炉产品质量稳定提高。
高炉富氢喷吹冶炼技术推广方案一、实施背景随着全球对环境保护和可持续发展的关注日益加深,钢铁产业作为碳排放的大户,需要进行深入的产业结构改革。
高炉富氢喷吹冶炼技术作为一种新型的、环保的冶炼技术,具有显著降低碳排放、提高能源利用效率和改善钢铁品质的优点。
因此,推广高炉富氢喷吹冶炼技术对钢铁产业的可持续发展具有重要意义。
二、工作原理高炉富氢喷吹冶炼技术是在传统的钢铁冶炼工艺中,加入富氢气体(如氢气、天然气等),以替代部分焦炭,作为还原剂和能量来源。
通过喷吹富氢气体,可以显著提高铁水产量和质量,同时降低焦炭的消耗和碳排放。
其工作原理可以总结为以下几点:1. 加入富氢气体:将一定比例的富氢气体与焦炭、矿石一起加入高炉中,作为还原剂和能量来源。
2. 还原铁矿石:富氢气体与矿石中的氧化铁反应,生成铁水和二氧化碳。
3. 能量转化:高炉内的反应释放大量热能,使炉内温度维持在较高水平,有助于铁水熔化和还原反应进行。
4. 铁水提纯:通过控制冶炼工艺参数,提高铁水纯度和质量。
三、实施计划步骤1. 技术研发:开展高炉富氢喷吹冶炼技术的研发工作,包括工艺流程设计、设备选型和优化、安全保障措施等。
2. 试点推广:选择有条件的钢铁企业进行试点,实施高炉富氢喷吹冶炼技术,并对其效果进行监测和评估。
3. 制定标准:根据试点企业的运行情况和实际效果,制定高炉富氢喷吹冶炼技术的企业标准和行业标准。
4. 全面推广:在试点企业取得成功经验的基础上,向更多钢铁企业推广高炉富氢喷吹冶炼技术,推动整个行业的产业结构改革。
四、适用范围高炉富氢喷吹冶炼技术适用于各种类型的钢铁企业,尤其是生产规模较大、环境保护意识强的特大型钢铁企业。
该技术不仅适用于新建项目,也可以用于现有高炉的改造升级,具有广泛的适用性。
五、创新要点1. 技术创新:高炉富氢喷吹冶炼技术融合了先进的材料科学、热力学和化学反应理论,是对传统冶炼工艺的重大创新。
2. 能源结构优化:通过引入富氢气体,优化了钢铁冶炼过程中的能源结构,降低了碳排放和能源消耗。
630m3高炉生产组织方案一、概述开炉前几项重点工作:1、1号炉停炉前15天开始备落地烧结矿,要求含[Ti]尽量低,建议用巴西精粉代替南非精粉,各主要原燃料用量如下:2、提前23天热风炉具备烘炉条件(具体要求见热风炉烘炉方案)3、提前10天高炉具备烘炉条件(具体要求见高炉烘炉方案)4、开炉料及第一周物料总需求量如下5、热风炉及高炉烘炉期间,炼铁需增加煤气消耗量1000-15000m3/h,届时送外网煤气量应根据烘炉进度进行限制。
6、开炉后由于[Si]高,流动性差,需放干渣2-5炉。
7、铁水过撇渣器后,因[Si]高,需铸铁3-4天。
8、开炉期间因铁水流动性差,铁水罐容易粘结,需备铁罐砖5套应急。
9、热风炉烘炉前,热风工需补员3人;高炉烘炉前,上料工需补员3人,以满足烘炉期间现场操作需要。
10、高炉开炉达产后,由于块矿球团用量大幅增加,须把落地烧结矿移到1#料场,蛇纹石、硅石运走腾出地方才能满足生产需要。
二、开炉前后节点计划1、按照公司计划2#高炉(630m3)定于2016年1月10日开炉,以此推算,高炉开炉前生产准备各重要节点计划如下:(表一)2、630m3高炉开炉后,由于烧结产量有限(平均日产3050吨),熟料比会大幅下降,对提高产量及维持高炉长期稳定顺行非常不利,加上630高炉单铁口出铁,难以接受高冶强,从全国范围看,该级别高炉普遍水平均在利用系数3.6以下(见表二),因此,建议2#高炉达产后前6个月按照日产2100—2200吨/天(系数3.33—3.5)组织,重点抓好节能降耗,降低燃料比和用料成本。
6个月后高炉操作炉型达到最佳状态且新烧结投产后可进行产量攻关,往全国先进水平靠拢。
(转第2部分)。
高炉高比例球团冶炼技术推广方案一、实施背景随着全球钢铁工业的持续发展,高炉-转炉(BF-BOF)流程已无法满足环境保护和资源高效利用的需求。
因此,以球团矿为主要炉料的现代高炉炼铁工艺得到了广泛的应用。
高炉高比例球团冶炼技术以其环保和高效的优势,逐渐成为了钢铁产业转型升级的重要方向。
二、工作原理高炉高比例球团冶炼技术,主要是将球团矿与块矿、焦炭等原料按照一定比例配合,加入高炉进行冶炼。
球团矿是一种经过焙烧处理的预还原物料,具有较高的强度、粒度和活性,能够显著提高炉料的透气性和还原性。
在高炉中,球团矿的预还原度高,能够大量吸收焦炭中的CO 和H2,加速了焦炭的燃烧和挥发。
同时,球团矿的强度高、不易破损,能够提高炉料的透气性和还原性,从而降低了能源消耗和环境污染。
三、实施计划步骤1. 确定实施范围:选择适合的钢铁企业进行高炉高比例球团冶炼技术的推广应用。
2. 技术调研:对目标企业进行实地考察,了解其生产工艺、装备水平、原料来源等情况,为技术方案的制定提供依据。
3. 技术方案制定:根据目标企业的实际情况,制定具体的实施方案,包括球团矿的比例、原料配比、焙烧工艺等。
4. 技术培训:对目标企业的技术人员进行培训,使他们了解和掌握高炉高比例球团冶炼技术的原理、操作规程等。
5. 技术实施:按照制定的技术方案,逐步推广应用到目标企业的生产过程中。
6. 监测与评估:对应用效果进行监测和评估,及时调整技术方案,不断完善和提升技术水平。
四、适用范围高炉高比例球团冶炼技术适用于钢铁企业生产过程中的炼铁环节,特别是对于具有较高环保要求和资源高效利用需求的企业。
同时,该技术也可适用于其他具有类似生产工艺和需求的行业。
五、创新要点1. 高效利用资源:通过提高球团矿的比例,实现了资源的的高效利用,降低了能源消耗和环境污染。
2. 改善冶金性能:球团矿的预还原度高、强度高、不易破损,能够改善炉料的透气性和还原性,提高钢铁产品的质量和产量。
高炉本体施工方法及技术措施2.1.1 高炉结构及设备安装主要包括高炉炉壳安装、炉体框架结构安装、炉渣处理设备、炉顶设备、炉体设备、风口平台及出铁场设备的安装。
其中炉顶设备包括装料设备、探料装置、炉顶煤气放散阀、均压阀及排压阀、除尘罩等;炉体设备包括炉体冷却设备、风口装置、渣口装置、铁口装置、煤气取样机炉喉砖、固定测温装置、热风围管吊架等。
风口平台及出铁场设备包括液压泥炮、开口机、液压堵渣机、渣铁沟槽、炉前液压站等。
其施工特点为:高炉主体结构及设备安装大多在露天和高空作业,易受风、雨、雾等自然条件影响;高炉主体结构及设备安装为多工种的立体交叉、多层平行作业、相互干扰因素多,安全防护问题突出;高炉主体结构及设备安装点多,作业面狭窄,配合关系复杂,既有主体工艺线上的关键结构及设备又有辅助生产的配套设备;既有土建、钢结构、设备、管道、耐火材料砌筑、电气仪表的互相穿插施工,又有工序上的互相配合,施工场地平面狭小,地面上有正式建筑物和构筑物,还有大量钢结构件和设备的堆放;受起重能力的限制,难以实现大部件整体吊装,只能在起重设备能力许可的前提下尽可能采用大部件整体吊装,以缩短工期。
新技术、新工艺、新设备对安装质量提出更为严格的要求,加大了施工难度。
2.1.2 下列结构必须在制造厂进行预装配:(1)高炉炉壳;热风炉炉壳;(2)高炉炉顶封板外壳及与其相连的导出管;(3)热风围管;(4)炉顶钢架的主构架;2.1.3 高炉工艺结构及设备安装2.1.3 1 安装方法要点1)安装原则:以炉壳及炉体框架结构为中心,设备为重点,附属及辅助设备相配合组织施工,并与系统设备联动试运转密切结合;2)吊装机具设置:以炉壳及炉壳框架结构吊装为主,设置一台150t履带吊及一台50t 履带吊,进行吊装作业,同时兼顾设备及管道的吊装。
3)大临设施:除水、电、道路(见施工平面图—供水、供电平面图)应满足安装要求外,高炉区还须留有一块或几块足以用来堆放、清洗、组装、试压的场地,以进行炉壳圈段、框架结构、炉顶小框架的组装及阀类的研磨与试压。
1#高炉开炉方案一、开炉方法采用带风装料,全焦炭填充炉缸,钒钛烧结矿+普球+会块开炉。
炉料填充原则:炉缸加上炉腹2/3填充净焦,炉腹1/3、炉腰、炉身下部填充空焦,最上面装入正常料。
当净焦和空焦装完后,开始通过混风阀向高炉送风,热风炉冷、热风阀全部关闭,当料线见影、上料设备运转正常后,转用热风阀向高炉送风,然后根据当时的高炉状况,逐步装料到规定料线。
二、开炉前的准备工作1、高炉所有检修项目结束,烘炉完毕;2、喷吹口装好,送风前开少量风(压力2.5-3kg/cm2),高、低渣口用镂耙堵上,外面固定保证不退出;3、1#、14#风口和铁口烧通。
开炉用8个风口送风,堵5#~10#风口,保证只能捅开不能吹开;4、炉前做好临时撇渣器;5、干渣场清理完毕,保证干渣场无积水,做好放干渣的准备;6、开铁口机角度调至0度;7、热风炉提前8小时烧好两座热风炉,保证送风时风温≥900℃;8、校正溜槽角度;9、上料系统联动试车8小时以上;10、铁水罐按要求配好,尽量用旧罐。
三、开炉原燃料结构1、焦炭: 30%德马焦+20%攀钢焦+50%圣达焦;2、烧结矿70%+普球15%+会块15%;四、开炉配料计算一、开炉参数的确定1、开炉总焦比(干)3.2t/t,正常料焦比(干)1.2t/t2、生铁成分:3、炉渣二元碱度R:1.05~1.14、各段炉容填充容积5、炉料压缩率6、各种料的堆比重(t/m3)7、原燃料化学分析8、焦炭水分:7%㈡配料计算(另出)五、开炉装料1、炉料填充原则:开炉料由净焦、空焦、正常料组成。
各种料的填充原则:炉缸加上炉腹2/3填充净焦、炉腹1/3以上填充空焦、正常料。
装料表如下:注:①、以上焦炭均为干焦,装料时根据当时焦炭的水份折算成湿焦。
②、每批料加萤石100kg,共56×100=5.6吨。
2 装料前准备工作确认装料准备工作和设备状态确认表3.装料操作(1)烘炉温度降至≤400℃,条件具备即开始装料。
序号12 工程高炉有效容积年平均利用系数单位m3t/m3d指标1283.5备注128高炉炼铁工艺方案1.炼铁系统概述建128m3高炉,主体车间包括车间内部原、燃料贮运、上料系统、炉顶装料设备、热风炉系统、炉体系统、风口平台、出铁场、粗煤气处理等。
还设有鼓风机站、煤气干法除尘、槽上和地沟除尘等关心工段。
炉渣实行轮法或水冲渣处理。
本次设计的指导思想是:依据的生产条件和技术上的可能,力求到达较好的技术效果,实现高产、优质、低耗、长寿的目的。
设计中本着先进、牢靠、有用的原则,认真地吸取承受国内128m3高炉上行之有效、有用的技术工艺等。
为了到达高炉“高产、优质、低耗、长寿”的目的,工艺设计主要围绕“精、灵、高、准、长、净”等方向进展工作。
即精料,入炉原料含粉率≤5%,入炉原料重量误差<1%;炉顶装料设备布料机敏;较高的炉顶压力,较高的风温水平;准确的计量、必要的检测手段;较长的炉体寿命,稳定的热风炉构造,确保高炉炉龄6年以上;“三废”综合治理,较干净的环境条件。
为到达上述要求,相应实行的主要技术措施和选用的主要工艺设备是:烧结矿、原块矿、焦炭全部筛分入炉,承受双钟炉顶空转螺旋布料器或谢式炉顶。
假设承受双钟炉顶,为提高大小钟、斗的耐磨性,大小料钟、斗的接触面承受浸润碳化钨处理。
供料、上料和炉顶装料设备全系统承受计算机把握。
热风炉型式为球式热风炉,助燃空气预热到200℃,热风炉承受自动把握,实现自动换炉等。
高炉炉体承受工业水冷却,冷却设备的材质和构造型式均相应实行一系列措施。
炉缸、炉底承受自焙炭块-一级高铝复合炉衬,水冷炉底,并对各局部温度分布埋热电偶检测。
高炉、热风炉承受两级计算机集散系统,取消常规仪表,实现数据自动处理,自动打印。
槽上原料系统和槽下、上料系统设置布袋除尘设施,高炉冷风放风阀设置消音器,使排放气体的含尘量和噪音值把握在国家标准以内。
1.1.128m3高炉设计主要技术经济指标128m3 高炉设计主要经济技术指标5:210 11 12 风温水平 年工作日 高炉一代寿命℃日 年1100~1150350 6~8年3 年平均冶炼强度 t/m 3d 1.9254 入炉焦比 kg/t-Fe 5505 烧结矿使用率 % 90~956 渣铁比 kg/t 4607 综合矿入炉品位 % 608 炉顶煤气压力 kPa 609 混合煤气CO 含量% 181.2. 规模及物料平衡烧结矿 球团熔剂焦炭 7.48煤气铁水 3.56~ 3.9×10415 Nm 3/h水渣 7.821×128m 3高炉年产炼钢生铁17万t/年,主要物料平衡如下计算单位:万t/年 1.3. 产品及副产品 1.3.1. 生铁高炉炉容128m 3,设计利用系数3.5t/m 3.d ,年产炼钢生铁15万吨。
高炉富氢喷吹冶炼技术推广方案一、实施背景随着全球对环境保护和可持续发展的关注日益加深,钢铁产业作为碳排放的大户,需要进行深入的产业结构改革。
高炉富氢喷吹冶炼技术作为一种新型的、环保的冶炼技术,具有显著降低碳排放、提高能源利用效率和钢铁产品质量等优点,是钢铁产业结构改革的重要方向。
二、工作原理高炉富氢喷吹冶炼技术是在传统的钢铁冶炼工艺中引入富氢气体,以替代部分焦炭,达到降低碳排放和提高能源利用效率的目的。
其工作原理是将氢气与铁矿石一起加入高炉,通过加热和还原反应,使铁矿石中的铁氧化物还原成金属铁。
同时,氢气与二氧化碳反应生成甲烷和水,甲烷进一步与氧气反应生成二氧化碳和水,这个过程可以降低碳排放。
三、实施计划步骤1. 技术研发:开展高炉富氢喷吹冶炼技术的研发工作,包括工艺流程设计、设备选型和实验室验证等。
2. 示范项目建设:选取有代表性的钢铁企业进行示范项目实施,以点带面,逐步推广。
3. 行业标准制定:结合示范项目的实施情况,制定高炉富氢喷吹冶炼技术的行业标准和操作规范。
4. 技术培训:对钢铁企业的技术人员进行高炉富氢喷吹冶炼技术的培训,确保技术的顺利应用。
5. 推广应用:在总结示范项目经验的基础上,逐步推广高炉富氢喷吹冶炼技术在钢铁行业的应用。
四、适用范围高炉富氢喷吹冶炼技术适用于各种类型的钢铁企业,尤其适用于生产高品质钢材、高附加值钢材的钢铁企业。
此外,对于有富余煤气、副产氢气的钢铁企业,也可以考虑使用该技术。
五、创新要点1. 高效还原:通过引入富氢气体,可以加快铁矿石的还原速度,提高生产效率。
2. 能源节约:由于氢气的燃烧热值高,可以替代部分焦炭,从而降低能源消耗。
3. 环保减排:通过将氢气与二氧化碳反应生成甲烷和水,可以实现二氧化碳的减排和循环利用。
4. 产品升级:高炉富氢喷吹冶炼技术可以提高钢材的质量和附加值,满足高端市场需求。
六、预期效果1. 降低碳排放:预计可以将碳排放量降低30%以上。
高炉施工方案高炉施工方案一、前期准备工作1.前期筹备在施工前,我们将进行详细的前期准备工作,包括确定施工方案、编制施工计划、组织施工人员等。
2.场地清理对施工场地进行彻底清理,确保施工区域的平整和清洁,为后续施工工作提供良好的基础条件。
3.施工材料准备准备所需的施工材料,包括钢材、水泥、砖块等。
并对材料进行检验和验收,确保质量符合要求。
二、施工工序1.基础施工首先进行高炉的基础施工工作,包括基础混凝土浇筑、基础钢筋绑扎等。
2.炉体搭建安装高炉本体结构,包括炉壳、炉喉、炉缸等,确保结构稳固。
3.炉衬施工进行炉衬的施工工作,包括炉衬材料的安装,炉衬的固定和砌筑等。
4.加热设备安装安装高炉的加热设备,包括高炉燃烧器、加热炉等。
5.管道布置布置高炉内的各种管道,包括风管、水管等,确保高炉运行期间的正常供气供水。
6.电气设备安装安装高炉的电气设备,包括电缆、电机等,确保高炉的正常运行。
7.防腐保温处理对高炉进行防腐和保温处理,保证高炉的正常使用寿命。
8.试车调试进行高炉的试车调试工作,包括点火、升温等,确保高炉的性能和安全。
三、安全保障措施1.施工现场设置安全警示标志,划定施工区域,禁止无关人员进入施工区域。
2.施工人员必须佩戴安全帽、安全鞋等个人防护装备,并进行必要的安全培训。
3.施工中必须遵守现场施工规定,禁止乱堆乱放材料,保持作业现场的整洁和安全。
4.对施工现场进行定期巡查,及时发现和排除安全隐患。
5.配备安全监测设备,对施工过程进行监控,确保施工的安全性。
四、质量控制1.根据相关技术规范和标准,对施工过程进行质量控制,并进行必要的检测和验收。
2.对施工材料进行检验和验收,确保质量符合要求。
3.加强施工人员的技术培训和管理,确保施工的质量和安全。
4.定期进行施工质量的检查和评估,及时发现和处理质量问题。
五、环保措施1.根据国家环保要求,进行高炉施工过程中的环保措施,包括减少粉尘和废气的排放等。
2.配备相应的环保设备,如除尘器等,对高炉产生的废气进行处理。
高炉施工方案1. 引言高炉是冶金工业中重要的设备之一,用于将铁矿石还原为铁水。
高炉施工是高炉建设过程中的重要环节,良好的施工方案能够确保高炉的建设质量和进度。
本文将介绍高炉施工的一般步骤和注意事项。
2. 施工前准备2.1 资源准备在进行高炉施工前,需要充分准备各种所需的资源,包括材料、设备、人力等。
确保施工期间能够供应充足的原材料和能源,以及所需的施工设备和工具。
2.2 施工区域准备在施工前,需要对施工区域进行准备工作。
清理施工区域,确保没有杂物和障碍物。
为施工人员提供安全的工作环境,保证施工的顺利进行。
2.3 施工方案制定制定高炉施工方案是施工前的重要工作。
根据高炉的设计图纸和相关要求,制定详细的施工方案,包括施工的步骤、方法、时间计划等。
确保施工过程中遵循正确的施工序列,保证高炉的建设质量。
3. 施工过程3.1 基础施工高炉的施工从基础开始。
首先需要进行地基的开挖和处理工作。
根据设计要求,开挖基础坑,并进行边坡的处理和地基的夯实。
然后进行基础混凝土的浇筑和养护工作。
3.2 炉体结构施工在完成基础施工后,进行高炉炉体结构的施工。
根据设计图纸和施工方案,安装高炉的筒体和炉带。
确保筒体的垂直度和整体结构的稳定性。
同时,进行内衬和保温材料的安装工作。
3.3 风口和铁口的施工完成炉体结构的施工后,进行高炉风口和铁口的施工。
根据设计要求,安装风口和铁口,并进行密封处理。
确保风口和铁口的位置准确,且能够满足高炉的冶炼要求。
3.4 冷却系统的施工高炉需要配备冷却系统,用于控制高炉的温度和保护冷却壁。
进行冷却系统的管道安装和设备安装工作,并进行调试和测试,确保冷却系统的正常运行。
3.5 安全设施的安装在施工过程中,需要安装各种安全设施,以保证施工人员的安全。
安装防护栏杆、安全网、灭火设备等,并进行测试和调整,确保安全设施的有效性。
4. 施工质量控制4.1 施工过程的监督在施工过程中,需要进行严格的监督和检查。
高炉煤气余压透平发电装置--TRT技术方案目录一、设计条件二、 TRT装置的主要技术性能1、透平主机2、发电机3、润滑油系统4、液压伺服控制系统5、给水系统6、大型阀门系统7、自控系统8、高低压发配电系统9、隔声罩三、供货范围四、设计制造验收考核标准五、设计分工六、机组各项工艺消耗指标(参考值)一、设计条件1.工厂条件1.1 高炉条件炉容:2000m3炉顶压力:最大点:200kPa(G)正常点:170kPa(G)最小点:150kPa(G)1.2 透平入口煤气条件煤气介质成份透平入口煤气量最大46 万Nm3/h最小40 万Nm3/h正常43 万Nm3/h透平入口压力最大185 kPa(G)最小135 kPa(G)正常170 kPa (G)透平出口压力正常18 kPa (G)透平入口煤气温度最大190 ℃最大160 ℃正常170 ℃透平入口煤气含尘量最大≤ 50 mg/Nm3正常≤ 10 mg/m3煤气除尘方式:采用全干式布袋除尘,无湿式除尘备用系统。
1.3 厂区公用工程条件1.3.1气象条件年平均温度:21.1℃极端最高温度:41℃极端最低温度:1℃历年平均降水量:760mm年最大降水量:1254.5mm一日最大降水量:90.5mm小时最大降水量:31.4mm主导风几:夏季:SE 冬季:S平均风速:夏季:2.2m/s 冬季:1.8m/s海拔高程:1104.0mm大气压力:89.06kPa大气含尘量:25mg/m3地震烈度:7度1.3.2 氮气压力:0.4MPa露点:-30°纯度:99.9%1.3.3 压缩空气压力:0.4MPa温度:40℃1.3.4 冷却水(工业新水)压力:0.4MPa温度:32°悬浮物含量:50-100mg/L硬度:7.84dIICa+2:37 mg/L Cl-1:26 mg/L Mg+2:11 mg/L 1.3.5 电高压电:10kV,50Hz低压电:两路可靠供电,380/220V,50Hz二、TRT装置的主要技术性能1.透平主机1.1透平各工况点设计参数1.2 透平主机型号:MPG14.6-264.1/170型式:干式两级轴流反动式、两级静叶可调透平主机振动值:正常值 0.05 mm报警值 0.08 mm停机值 0.16 mm透平轴位移值:报警值± 0.3 mm停机值± 0.5 mm外型尺寸:7740×4220×4330透平主机重量:138t主要件材质:机壳QT400-15A 转子25Cr2Ni4MoV最大件起吊重量:17.5t1.3 TRT技术采用先进的TRT设计、制造及成套技术。
高炉智慧系统设计方案智能高炉系统设计方案一、引言高炉是钢铁冶炼中非常重要的设备,其性能的优劣直接关系到冶炼质量和生产效率。
随着人工智能和物联网技术的不断发展,智能高炉系统的设计和应用已经成为了钢铁行业的研究热点。
本文将介绍一种智能高炉系统的设计方案,以提升高炉的冶炼效率和降低能耗。
二、系统结构智能高炉系统包括传感器、信号采集模块、数据处理模块、控制模块和人机界面等组件。
1. 传感器:通过安装在高炉的各个部位的传感器,实时采集高炉的各种参数,包括高炉温度、煤气成分、压力、风温风量、物料厚度等。
2. 信号采集模块:负责将传感器采集到的数据进行采集和转换,将模拟信号转换成数字信号,并通过通信接口传送给数据处理模块。
3. 数据处理模块:主要负责对采集到的数据进行分析和处理,通过算法模型对高炉的状态进行监测和预测。
该模块可以具备机器学习和深度学习的能力,通过训练模型对高炉的运行状态进行预测和优化。
4. 控制模块:根据数据处理模块的分析结果和预测结果,实时调节高炉的工艺参数,包括风温风量、喷煤量、加料量等,以实现高炉的自动化控制。
5. 人机界面:提供给操作人员进行设置参数、监控状态和报警等功能的界面,可以通过计算机、手机或者触摸屏等方式实现。
三、主要功能和特点1. 实时监测和预测:智能高炉系统通过传感器实时采集高炉的各种参数,并通过数据处理模块对高炉的状态进行监测和预测,可以及时发现并解决潜在问题,提高高炉的冶炼效率。
2. 自动调节控制:智能高炉系统根据数据处理模块的分析结果和预测结果,自动调节高炉的工艺参数,实现高炉的自动化控制,减少人为干预,降低操作风险,提高冶炼效率和产品质量。
3. 数据分析和优化:智能高炉系统通过机器学习和深度学习的算法模型对高炉的运行数据进行分析和优化,通过精确的预测和优化,调节高炉的工艺参数,提高冶炼效率,降低能耗。
4. 实时报警和故障诊断:智能高炉系统可以根据数据处理模块的分析结果,实时监测高炉的运行状态,并发出报警信号,及时预警和处理潜在问题;同时,还可以通过故障诊断模块对高炉的故障进行诊断,并给出相应的解决方案。
65m3高炉技术方案说明书西姆—五矿集团Cimm Group CO.,LTD2005年11月目录1.工程范围及分工 (1)1.1 工程主要范围 (1)1.2 分工 (1)2.技术及专有技术 (3)2.1 干法除尘 (3)2.2 球式热风炉 (3)2.3 陶瓷燃烧器 (3)2.4 无料钟炉顶装料设备 (4)2.5 箱式烧结 (4)2.6 铸铁机 (5)3.原、燃、辅料化学成分及用量 (6)3.1 原料、燃料及辅助材料化学成份 (6)3.2 原料、燃料及辅助材料用量 (7)4.炼铁工艺及技术参数 (8)4.1 工艺流程图 (13)4.2 主要工艺设备及技术性能 (14)4.3 动力系统 (21)4.4 给水排水 (26)4.5 高炉鼓风机站 (29)4.6 主要技术经济指标 (29)5.设备清单 (30)6.耐火材料用量表 (40)6.1 高炉耐火砖用量表 (40)6.2 球式热风炉耐火砖用量表 (40)7、建构筑物一览表 (40)8、备品备件明细表 (41)9、劳动定员 (42)10.投资估算表 (43)11.工程进度表 (46)12.工程建设施工监督 (47)12.1 施工监理 (47)12.2 现场服务 (47)13.人员培训 (48)13.1 培训内容 (48)13.2 培训时间 (48)13.3 培训地点 (48)13.4 培训对象 (48)13.5 培训费用 (48)14.质量保证 (49)15.技术进步与企业发展 (50)16.生产设施的维护与保养费用 (51)17.环保予评价 (52)17.1 工程污染源确定 (52)17.2 工程拟采取的污染治理措施分析 (55)1.工程范围及分工1.1 工程设计主要范围本工程设计的主要内容包括一座65m3高炉本体及其配套的辅助设施。
1、箱式烧结系统包括原燃料堆场、焦粉石灰石破碎、皮带输送机、储矿仓、仓下配料、一,二次混料、箱式烧结机、旋风除尘器、引风机等。
2、原料处理系统包括烧结矿的破碎、筛分、除尘、粉矿仓、粉焦仓、皮带运输机通廊、操作室等。
3、上料系统有储料仓,仓下给料、筛分、除尘、电子称量、上料皮带输送机。
4、高炉系统有65m3高炉本体,料车、卷扬机、上料操作室,炉顶装料设备、炉前设备、出铁场、铸铁机、高炉计器值班室。
5、煤气净化系统有重力、布袋二级净化除尘器一套。
6、热风炉系统包括球式热风炉,热风总管,各种伐门仪表、烟囱、计器操作室。
7、送风系统包括风机房、风机及检测仪表,滤风室、排风消声器。
8、供水系统包括净循环水池、冲渣水池、循环水系统,水泵房、操作室、柴油发电机组等。
9、供电系统包括高低压变配电所、电气设备及厂区、车间及室内照明。
10、其它:包括碾泥机室等。
1.2 分工本工程由CIMM总承包,设计由山西省冶金设计院完成,工程所需主要机械设备及耐火材料由CIMM供货,土建工程、钢结构制作安装及以下设施由买方负责。
1、总图及生活设施,包括厂内外运输车辆、围墙、地磅房、办公楼、食堂、浴室、锅炉房等。
2、电源和供水外线(电源及供排水厂外部分均供至围墙外一米,水源井设计施工由买方负责)。
3、通讯设施4、机修、化验5、消防设施由中方设计,印方负责配置。
2.技术及专有技术2.1 干法除尘高炉煤气必须除尘后方能作为燃料使用。
煤气除尘工艺分为湿法除尘和干法除尘两种。
干法除尘工艺是对经过粗除尘设备后的高炉煤气,采用布袋除尘作为精除尘设备,干法布袋除尘与传统湿法除尘相比具有除尘效率高,煤气质量好,运行费用低,节电,省水以及不向外排放污水等优点。
经过干法除尘后煤气的含尘量可降到小于10mg/m3。
2.2 球式热风炉目前,中国山西省内小型高炉绝大部分都使用球式热风炉。
球式热风炉的炉体结构与顶燃式热风炉相似。
不同的是蓄热室内的换热介质为高铝质和硅质耐火球。
其工作原理分燃烧和送风两个阶段,并交替进行。
燃烧阶段是将高炉煤气直接引入热风炉拱顶空间内燃烧,自上而下加热耐火球至1100-1250℃;送风阶段是将冷风自下而上通过热风炉内灼热的球床,进行热交换,使冷风变成950-1050℃的热风,送入高炉。
球式热风炉具有结构简单,蓄热面积大,蓄热量大,球床中气流通路不规则,热效率高,送风期长的优点。
与传统的考贝式热风炉相比,送风温度高100-150℃,热效率提高1.5倍,同时建设投资节省30%以上。
2.3 陶瓷燃烧器陶瓷燃烧器是用耐火材料予制的,一般采用磷酸盐耐火混凝土或矾土水泥耐火混凝土。
本工程采用的燃烧器是套筒式燃烧器,它由两个套筒和空气分配帽组成。
燃烧时,空气从一侧进入外面的环形套筒,从顶部的环状圈空气分配帽上的狭窄喷口中喷射出来,煤气从另一侧进入到中心管道内,并从其顶部出口喷出。
由于空气喷出口中心线与煤气管中心线成一定夹角,所以空气与煤气在进入燃烧室时能充分混合,完全燃烧,从而提高燃烧效果。
套筒式燃烧器的主要优点是结构简单,构件少,加工制造方便。
特别适合于小型高炉的热风炉。
2.4 无料钟炉顶装料设备无料钟炉顶装料设备没有传统的大小料钟机构,采用HY型炉顶布料系统。
该设备具有布料均匀、密封性好和寿命长的优点,其结构简单独特,适用于50-180m3高炉。
2.5 箱式烧结本工程采用的箱式烧结工艺包括:原燃料制备、配料、烧结、破碎、筛分等工序,其工作原理与带式烧结相似。
生产工艺流程如下:原燃料及熔剂分别装入各自的料仓内,燃料和熔剂各设一台细碎破碎机,将焦粉和石灰石粉加工成0-3mm的粒度再入仓;精矿粉、生石灰、焦粉和石灰石粉按比例由园盘给料机在带式输送机上配料,然后送入园筒混料机内混合。
混好的料用带式输送机送到箱式烧结机的烧结箱内,铺好料后,由点火器用高炉煤气在料层上面点火;点燃后利用离心引风机,从烧结箱下面抽风,使料层自上而下燃烧,生成烧结矿。
烧好的烧结矿经破碎、筛分,筛上成品送高炉料仓,供冶炼使用;筛下粉矿返回流程中,重新混料烧结。
该工艺具有流程短、设备简单,投资省,适合与小型高炉配套,生产成本低等优点。
2.6 铸铁机铸铁机是把铁水连续铸成铁块的机械化设备,一般可分为两类,一类是辊轮安装在链带两侧,链带运行时,辊轮沿着固定轨道前进,称为辊轮移动式铸铁机,另一类是把辊轮安装在链带下面的固定支座上。
支撑链带称为固定辊轮式铸铁机。
本工程采用的是后者。
其特点是结构简单、运行可靠、寿命长。
因涉及专有技术,此设备须定点厂家订货。
3.原、燃、辅料化学成分及用量3.1 原料、燃料及辅助材料化学成份1、精矿粉精矿粉化学成份表:2、块矿粒度:15-30mm块矿化学成份表:3、焦炭:粒度:20-40mm焦炭化学成份表:4、石灰石粒度:20-40mm石灰石化学成份表:3.2 原料、燃料及辅助材料用量3.2.1 高碱度烧结矿配原矿方案1、1×65m3高炉用料量:精矿粉:t/年71036原矿:t/年23678焦炭:t/年46963石灰石:t/年8302、主要材料吨铁消耗量:精矿粉:吨铁耗精矿粉1.29吨块矿:吨铁耗原矿0.43吨焦炭:吨铁耗焦炭0.85吨3.2.2 全原矿方案1、用料量原矿t/年94714焦炭t/年46963石灰石t/年24902、主要材料吨铁消耗量原矿:吨铁耗原矿 1.71吨焦炭:吨铁耗焦炭0.85吨4,炼铁工艺及技术参数4.1 箱式烧结4.1.1规模及产品方案烧结生产能力拟年产6.6万吨合格熟料,碱度≈1.60,烧结矿品位TFe>56%、成品烧结矿粒度8-40mm。
4.1.2烧结工艺1,原燃料、熔剂及其化学性质⑴精矿粉:采用印度本土铁矿粉生产的精矿粉,品位TFe≥65%、FeO≈21-23%;⑵焦粉:采用炼焦厂分级后的粉焦,其固定炭>82%、含硫<0.6%、发热值>7000J;粒度0-3mm⑶石灰石粉,生石灰:采用当地产品,其中CaO>50%。
2,成品烧结矿成品烧结矿的质量和粒度应当满足高炉生产的要求,为高炉的稳产和高产创造条件。
成品烧结矿的品位TFe>56%、尽量降低硫、磷等有害成分的含量,成品烧结矿粒度8-40mm。
3,工艺流程原燃料及熔剂分别装入各自的料仓内,燃料和熔剂各设一台细碎破碎机将焦粉和石灰石粉加工成0-3mm的粒度再入仓;精矿粉、生石灰、焦粉和石灰石粉按比例由圆盘给料机在带式输送机上配料,然后送入圆筒混料机内混合。
混好的料由带式输送机送到箱式烧结机的烧结箱内,用高炉煤气在料层上面点火;点燃后利用离心引风机的抽力,使料层自上而下燃烧,生成烧结矿。
烧好的烧结矿经破碎筛分,成品送高炉料仓,供冶炼使用;筛下粉矿返回流程中,重新混料烧结。
4,原燃料、熔剂消耗指标及产品平衡计算4.1.3工艺流程图烧结车间工艺流程如下:4.1.4车间配置和设备选型 (1)车间配置烧结车间主要建筑物有受料坑、燃料和熔剂破碎室、配料仓、配料间、一、二次混料间、烧结机间、风机房及皮带通廊,车间布置力求紧凑,减少占地,便于生产管理。
2,设备选型⑴燃料、熔剂破碎设备燃料用Φ900×700四辊破碎机、熔剂用PC0606锤式破碎机; ⑵配料系统配料仓共设6个,各种物料单独存储。
6个料仓下面分别设有6台Φ1000圆盘给料机控制各种物料的配比,配料后经带式输送机运至混料机。
精矿粉 焦粉 石灰石 生石灰细碎细碎配料一二次混合箱式烧结机破碎筛分成品烧结矿返⑶混合设备一、二次混合间各设置一台Φ2000×8000圆筒混料机,将各种物料充分混匀。
混匀后的物料经带式输送机运至箱式烧结机间的料仓内。
⑷烧结设备烧结设备采用箱式烧结机,共设置24个烧结箱体,双列平行布置,每列12个箱体,每个箱体的面积为1.8×1.6m²;装料采用布料器,卸料采用液压倾翻机构,除尘采用旋风除尘器,引风机采用烧结专用离心式通风机,配套电机315kw。
⑸除尘设备各皮带输送机的转运点处设吸尘罩,除尘采用加压反吹扁袋除尘器。
上述各工序之间均用带式输送机连接。
4.1.5主要技术指标4.2炼铁高炉系统4.2.1工艺流程图65m3炼铁高炉工艺流程示意图如下:4.2.2主要工艺设备及技术性能4.2.2.1 高炉及附属设备1.高炉本体(见附图2)(1)高炉内型①炉缸直径d=φ2500mm②炉腰直径D=φ3150mm③炉喉直径d1=φ2000mm④炉缸高度h1=1800mm⑤炉腹高度h2=2100mm⑥炉腰高度h3=1000mm⑦炉身高度h4=6000mm⑧炉喉高度h5=1200mm⑨有效高度Hu=12100mm⑩炉身角β=84°33′35″⑾炉腹角α= 81°12′9″⑿炉缸断面积S=4.91m2炉体各主要部分尺寸比例关系:D/d=1.26 Hu/D=3.905d1/D=0.635 d1/d=0.8(2)炉体结构:炉体结构为炉体框架式钢炉壳结构,内砌耐火砖,炉顶框架、煤气上升管、各层平台及水管的重量完全通过大框架直接传递给基础,只有装料设备重量和炉体的荷载经炉壳传递给高炉基础。