2016年绿色建筑和建筑节能工程实施情况检查表
- 格式:doc
- 大小:41.00 KB
- 文档页数:2
2016年深圳建筑节能工程施工质量检查表1.前言建筑节能工程是指在建筑设计、施工、验收及运营过程中,采取各种措施并综合运用技术手段,提高建筑的节能性能、降低能源消耗、减少二氧化碳排放,达到提高建筑能源利用效率和保障环境质量的目的。
在深圳市,为确保建筑节能工程的施工质量,提高建筑节能性能,保障环境质量,加强对建筑节能工程施工现场的监督管理,制定了相应的建筑节能工程施工质量检查表。
本文档就是根据这份检查表所制定的。
2.检查内容2.1.建筑物围护结构施工1.应满足设计和有关规范的技术要求。
2.外墙保温层应无损伤、裂纹和空鼓。
3.外墙表层应平整、美观,无色差、涂层脱落。
4.外窗密封材料应符合设计要求,无老化、漏气等现象。
5.门窗、阳台应安装牢固、平整,无变形、松动、脱落等现象。
6.避雷装置应安装牢固、自然接地、引下线端点符合标准要求。
2.2.建筑底部结构施工1.结构尺寸和形状应符合设计规范。
2.装饰材料应牢固,不得有翘曲变形现象。
3.技术要求:无裂纹、空鼓现象,不得出现冒粉(挂灰),无积水现象。
4.排水管需要按设计要求安装,并能正常排水。
2.3.建筑采光通风系统施工1.瑕疵面积应符合国家标准。
2.各类管道应按设计要求安装,安装位置、起终点应相一致并符合设计要求。
3.采光系统柜体内零部件应完好,无严重缺陷、磨损、裂纹和变形现象。
4.系统的室内采光及外墙窗台采光柜安装牢固,门窗自动控制正常,功能齐全。
2.4.建筑电工设备施工1.电气设备应符合国家标准、行业标准、安全及操作规定的要求。
2.强电和弱电之间应保持安全距离,管线应保持相互独立。
3.整个系统应遵循一定协调统一原则进行设计和安装,在施工过程中应注意配电系统与建筑系统的天平关系,保证配电系统的安全和稳定。
4.电气接地系统应符合规定的要求,大型电器设备需通过特定连接器与接地。
5.照明设备应安装牢固,电气线路应正确与安全连接。
防火设备应完好,安全门锁应紧固,防雷装置接地安全性应符合规定。
附件1:
2016年民用建筑在建(竣工)项目汇总表
(2015年10月1日至2016年9月30日)
-1-
附件2:
2016年绿色建筑推广项目汇总表
(2015年1月1日至2016年9月30日)
-2-
附件3:
居住建筑节能设计文件检查表(严寒及寒冷地区)
-3-
-4-
-5-
-6-
附件4:
公共建筑节能设计文件检查表
-7-
-8-
-9-
-10-
-11-
2016年建筑节能与绿色建筑检查处理情况汇总表
- 12 -
2016年国家可再生能源建筑应用示范进展情况表
城市(单位盖章):联系人:电话:
2、示范类型按国家示范、省级推广、城市(县、区、镇)自建、追加推广面积、等分类填写。
3、完工率=已竣工应用面积/任务面积。
4、建筑面积(万m2)均填写折算后面积
- 13 -。
绿色建筑和建筑节能工程实施情况检查表LEKIBM standardization office【IBM5AB- LEKIBMK08- LEKIBM2C】附件12016年绿色建筑和建筑节能工程实施情况检查表项目名称:设计审查备案编号:注:工程进度分为:基础、主体出地面第几层、封顶(砌墙到第几层)、门窗安装、室内装修、屋面、竣工,已办理竣工验收备案、交楼等。
施工单位代表签字:监理公司代表签字:检查组成员:检查内容说明:1、施工图设计文件应当包括建筑节能(或绿色建筑)设计审查备案表、建筑节能(或绿色建筑)设计说明专篇和节能计算书等,明确材料、构件、设备的技术指标要求和节能措施、构造等内容。
2、有关建筑节能设计变更部分应当经原审查机构重新审核通过,并办理建筑节能设计审查备案变更手续。
3、施工单位应严格按照经施工图审查合格的施工图纸进行建筑节能施工。
4、施工单位应当编制符合工程实际的建筑节能工程(或绿色建筑)专项施工方案,报监理单位审批并按照方案组织施工。
监理单位根据设计图纸编写有针对性的监理细则。
5、施工单位应当按要求在施工现场公示建筑节能相关信息。
6、施工单位应对现场使用的墙体材料、保温材料、门窗、空调系统和照明设备等进行查验,对产品说明书和产品标识上注明的能源消耗指标不符合施工图设计文件要求的,不得使用。
7、施工单位应建立建筑节能材料管理台帐,节能工程的材料、设备进场复验应当符合验收规定,复验批次符合要求。
8、建筑节能工程施工前,对于采用相同建筑节能设计的房间和构造做法,应在现场使用相同材料和工艺制作不小于2平方米的样板间或样板墙。
样板间或样板墙须经建设、设计、施工、监理各方主体确认并做好验收记录。
9、建筑节能分部、分项工程的施工与验收记录应当齐全。
10、按绿色建筑标准设计的项目应在验收前申报取得绿色建筑设计标识,并按工程进度落实相应的绿色建筑技术措施。
附件3 建筑节能检查项目情况汇总表
填报单位:(盖章)
2、受检项目单位提供材料清单:全套施工图设计文件(建筑、空调设备、电气)、节能计算报告书(公建包括水力计算书和冷热负荷计算书)、设计变更文件、施工图审查文件、建筑节能工程施工技术方案、节能材料进场验收单、检测报告(含防火性能检测报告)、节能隐蔽验收记录和竣工验收备案资料等。
附件3 建筑节能检查项目情况汇总表
填报单位:(盖章)
2、受检项目单位提供材料清单:全套施工图设计文件(建筑、空调设备、电气)、节能计算报告书(公建包括水力计算书和冷热负荷计算书)、设计变更文件、施工图审查文件、建筑节能工程施工技术方案、节能材料进场验收单、检测报告(含防火性能检测报告)、节能隐蔽验收记录和竣工验收备案资料等。
附件4
受检工程基本情况表
工程所在省(市、县):
检查组成员签字:检查日期:
附件5: 江西省居住建筑节能设计文件检查表市(县、区):项目名称:
检查组成员签字:日期:
附件6:江西省公共建筑节能设计文件检查表(适用于2015年10月1日以前的设计项目)市(县、区):项目名称:
检查组成员签字:日期:
附表6:
江西省公共建筑节能设计文件检查表
(适用于2015年10月1日以后的设计项目)
市(县、区):项目名称:
检查组成员签字:日期:
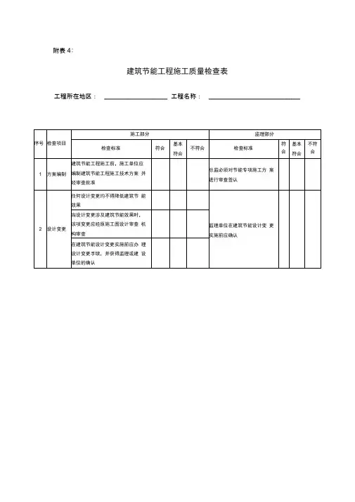
附件7:建筑节能工程施工质量检查表工程所在地区:工程名称:
检查组成员签字:检查日期:
附件8:
建筑节能在建工程一览表
填表单位: 填表人:填表时间:
附件9:
2016年已竣工验收新建(含既有建筑节能改造)民用建筑工程项目清单
填表单位: 填表人:填表时间:。
附件1建筑节能工作情况专项检查表市附件2绿色建筑工作情况专项检查表附件3目标责任状完成情况检查表市(盖章)填写人得分例:(一)目标:全市新建民用建筑节能强制性标准设计阶段执行率达100%,城区施工阶段达100%,县(市)城区施工阶段达到98%以上。
(20分)完成情况:全市新建民用建筑节能强制性标准设计阶段执行率达()%,城区施工阶段达()%,县(市)城区施工阶段达到()%以上。
得分(二)目标:2014年10月15日后立项的政府投资公益性公共建筑、2万平方米以上大型公共建筑全面执行绿色建筑标准;2014年1月1日后立项的保障性住房全面执行绿色建筑标准;城区范围内25%(按面积)以上新建建筑执行绿色建筑标准,且执行绿色建筑标准的项目中达到二、三星级评价标准的比例不小于30%(按面积);所辖县创建1个以上获得绿色建筑评价标识的居住小区。
完成情况:2014年10月15日后立项的政府投资公益性公共建筑、2万平方米以上大型公共建筑()%执行绿色建筑标准;2014年1月1日后立项的保障性住房()%执行绿色建筑标准;城区范围内()%的新建建筑执行绿色建筑标准,且执行绿色建筑标准的项目中达到二、三星级评价标准的比例达()%;()个所辖县创建()个获得绿色建筑评价标识的居住小区。
得分(三)目标:全市完成既有居住建筑节能改造56万平米以上。
(16分)完成情况:全市完成既有居住建筑节能改造()万平米。
得分(四)目标:全市完成公共建筑能耗监测系统建设98栋以上,上报能耗基本信息和能耗统计信息数据1000栋以上,并提交年度数据分析报告。
(16分)完成情况:全市完成公共建筑能耗监测系统建设( )栋,上报能耗基本信息和能耗统计信息数据( )栋。
得分(五)目标:完成可再生能源建筑应用示范验收。
(16分)完成情况:可再生能源建筑应用示范验收比例()%。
得分(六)目标:城区达到无障碍环境市建设标准,至少1个以上的县达到无障碍环境县建设标准。
附件1建筑节能和绿色建筑基本情况统计表报送单位(盖章)注:1.满足绿色建筑标准的项目包括按照绿色建筑标准进行设计并通过施工图审查的项目和获得绿色建筑设计标识的项目。
2.所有统计数据截至上报日期的上一月份。
3.大型公共建筑是指单体建筑面积2万平米以上的公共建筑。
附件2 建筑节能和绿色建筑工作自查报告(编写大纲)一、2016年建筑节能和绿色建筑年度工作目标及其落实情况二、2016年建筑节能和绿色建筑工作能力建设情况(包括机构、人员和制度建设)三、2016年建筑节能和绿色建筑宣传推广情况(包括国家、省、市相关法律法规、标准规范和政策等的宣贯)四、2016年建筑节能和绿色建筑监督检查情况(包括专项检查和专项验收)五、主要经验及做法六、存在问题七、下一步工作计划注:相关情况的总结截至上报日期的上一月份。
附件3 2016年在建民用建筑项目一览表报送单位:(盖章)1.工程类型包括公共建筑、居住建筑、公共建筑+居住建筑;2.项目类别包括政府投资项目、保障性住房、开发项目;-4-2.工程进度包括桩基、主体、装修。
-5-附件4 昆明市建筑节能和绿色建筑专项检查现场核查表昆明市建筑节能和绿色建筑专项检查现场核查表检查单位(盖章):检查日期:年月日附件5 2016年施工图审查合格的民用建筑项目一览表报送单位:(盖章)1.工程类型包括公共建建筑、居住建筑、公共建筑+居住建筑;2.项目类别包括政府投资项目、保障性住房、开发项目;-10-3.绿色建筑标准包括导则(《昆明市绿色建筑设计导则》)、地标(《云南省绿色建筑评价标准》(DBJ 53/T-49-2015))和国标(《绿色建筑评价标准》(GB/T 50378-2014))。
-11-附件6 现场核查基础资料清单-12-。
附件3 建筑节能检查项目情况汇总表
填报单位:(盖章)
2、受检项目单位提供材料清单:全套施工图设计文件(建筑、空调设备、电气)、节能计算报告书(公建包括水力计算书和冷热负荷计算书)、设计变更文件、施工图审查文件、建筑节能工程施工技术方案、节能材料进场验收单、检测报
告(含防火性能检测报告)、节能隐蔽验收记录和竣工验收备案资料等。
附件3 建筑节能检查项目情况汇总表
填报单位:(盖章)
备注:1、此表需列入所有受检项目。
2、受检项目单位提供材料清单:全套施工图设计文件(建筑、空调设备、电气)、节能计算报告书(公建包括水力计算书和冷热负荷计算书)、设计变更文件、施工图审查文件、建筑节能工程施工技术方案、节能材料进场验收单、检测报告(含防火性能检测报告)、节能隐蔽验收记录和竣工验收备案资料等。
附件4
受检工程基本情况表工程所在省(市、县):
检查组成员签字:检查日期:
附件5: 江西省居住建筑节能设计文件检查表
市(县、区):项目名称:
检查组成员签字:日期:
附件6:江西省公共建筑节能设计文件检查表
(适用于2015年10月1日以前的设计项目)市(县、区):项目名称:
检查组成员签字:日期:
附表6:
江西省公共建筑节能设计文件检查表
(适用于2015年10月1日以后的设计项目)
检查组成员签字:日期:
附件7:建筑节能工程施工质量检查表
工程所在地区:工程名称:
附件8:
建筑节能在建工程一览表
填表单位: 填表人:填表时间:
附件9:
2016年已竣工验收新建(含既有建筑节能改造)民用建筑工程项目清单
填表单位: 填表人:填表时间:。
附件1
2016年绿色建筑和建筑节能工程实施情况检查表
项目名称:设计审查备案编号:
注:工程进度分为:基础、主体出地面第几层、封顶(砌墙到第几层)、门窗安装、室内装修、屋面、竣工,已办理竣工验收备案、交楼等。
施工单位代表签字:监理公司代表签字:
检查组成员:
检查内容说明:
1、施工图设计文件应当包括建筑节能(或绿色建筑)设计审查备案表、建筑节能(或绿色建筑)设计说明专篇和节能计算书等,明确材料、构件、设备的技术指标要求和节能措施、构造等内容。
2、有关建筑节能设计变更部分应当经原审查机构重新审核通过,并办理建筑节能设计审查备案变更手续。
3、施工单位应严格按照经施工图审查合格的施工图纸进行建筑节能施工。
4、施工单位应当编制符合工程实际的建筑节能工程(或绿色建筑)专项施工方案,报监理单位审批并按照方案组织施工。
监理单位根据设计图纸编写有针对性的监理细则。
5、施工单位应当按要求在施工现场公示建筑节能相关信息。
6、施工单位应对现场使用的墙体材料、保温材料、门窗、空调系统和照明设备等进行查验,对产品说明书和产品标识上注明的能源消耗指标不符合施工图设计文件要求的,不得使用。
7、施工单位应建立建筑节能材料管理台帐,节能工程的材料、设备进场复验应当符合验收规定,复验批次符合要求。
8、建筑节能工程施工前,对于采用相同建筑节能设计的房间和构造做法,应在现场使用相同材料和工艺制作不小于2平方米的样板间或样板墙。
样板间或样板墙须经建设、设计、施工、监理各方主体确认并做好验收记录。
9、建筑节能分部、分项工程的施工与验收记录应当齐全。
10、按绿色建筑标准设计的项目应在验收前申报取得绿色建筑设计标识,并按。