手袋厂生产流程
- 格式:doc
- 大小:36.00 KB
- 文档页数:6
手提袋制作工艺流程手提袋是我们日常生活中不可或缺的用品之一,而如何制作一款美观、耐用的手提袋则是一门需要专业技能和经验的工艺。
下面将介绍手提袋制作的工艺流程。
1. 设计稿制作首先需要进行手提袋的设计,设计师根据客户的需求和设计要求,进行手绘或电脑绘图等各种方式的稿件制作。
然后根据客户的要求对设计稿进行修改,直到达到客户满意为止。
2. 模板制作经过客户的确认,需要根据设计稿制作模板。
模板制作有很多种方法,可以用纸质模板制作、手绘模板等,也可以利用电脑制图软件直接产生出来。
根据制作材料不同,模板也需要相应的设计,比如纸质的模板需要采用良好的材料和方法,避免因为湿度和使用频率不同,导致变形和破损。
3. 材料选择材料是影响手提袋外观和质量的重要因素之一。
一般采用的材料有纸张、塑料、皮革、布料等。
根据客户不同需求,选择不同的材料。
4. 面料裁剪材料选择完成后,需要对面料进行裁剪。
裁剪的时候需要按照模板逐一切割,注意不要将面料切割破坏,尽量将面料利用最大化。
在切割过程中,需要按照材料的厚度选用合适的工具,避免出现面料破损的情况。
5. 手提袋拼合在裁剪完成后,需要将面料拼合成手提袋的形状。
按照模板依次将各个部位拼合好。
拼合完成后,需要进行缝合。
缝合分为手工缝和机器缝。
一般情况下,大批量生产时采用机器缝合,小批量生产时采用手工缝合。
缝合的时候需要注意线的质量和颜色,线的材质和颜色应该与面料相同或互补,从而达到美观的效果。
7. 辅料加工手提袋需要的辅料有磁扣、链条、绒布等,它们需要在缝合后进行加工。
进行加工时需要注意位置和数量,使得手提袋更加美观和实用。
8. 清洗/包装制作完成后,还需要进行清洗和包装。
清洗时需要注意面料和辅料的质量和是否容易褪色,避免在清洗过程中出现破损等情况。
包装时需要根据手提袋的大小和客户的要求,采取不同的包装方式。
以上就是手提袋制作的流程,每一个小的环节都要考虑细致,这样才能制作出高质量的手提袋。
手袋厂的生产工艺流程手袋是现代人日常生活必不可少的配饰之一,市场需求量也越来越大。
为了满足市场需求,手袋厂需进行一系列的生产工艺流程。
以下是手袋厂的生产工艺流程。
首先,手袋厂需进行设计工作。
设计师根据市场需求和时尚趋势,设计出新颖、实用的手袋款式。
设计师通过手绘或计算机辅助设计软件绘制草图和三维模型,形成初步的设计方案。
接着,手袋厂开始进行材料采购。
手袋的材料多种多样,如皮革、布料、金属配件等。
手袋厂需联系供应商采购所需的材料,并进行材料检验,保证质量符合要求。
同时,手袋厂还需储备一定数量的库存材料,以应对订单的突发增加或紧急需求。
然后,手袋厂进行裁剪工作。
根据设计方案,工人将所需的材料按照尺寸进行裁剪,包括手袋主体、内衬、口袋等各个部分。
裁剪完成后,工人将各个部分进行分类和整理,以备后续工序使用。
接下来,手袋厂择进行缝制工作。
缝纫工人根据设计方案将各个部分进行缝制组合,使用特定的缝纫机器和线材。
首先,将手袋主体和内衬缝制在一起,然后再缝制口袋和拉链等辅助功能。
缝制时,工人需精确计算尺寸和位置,确保每个部分的制作无误。
紧接着,手袋厂进行装配工作。
装配工人根据设计方案,将手袋的配件和金属部件进行安装。
这包括安装手柄、铆接金属标识、调整扣具等。
装配工作需要细心和耐心,确保每个配件安装均匀、固定可靠。
最后,手袋厂进行质检和包装工作。
质检工人对手袋进行检查,确保每个环节都符合质量标准。
如发现有瑕疵或缺陷,需及时修复或重新制作。
完成质检后,手袋被包装成标准包装,并进行标签打印,以便销售和运输。
以上就是手袋厂的生产工艺流程。
每个环节都需要专业的工人和精确的操作,确保手袋的质量和外观符合要求。
同时,手袋厂还需注意及时调整生产计划,协调各个环节的工作,以满足市场需求。
只有如此,手袋厂才能顺利完成生产任务,为消费者提供优质的手袋产品。
手袋的工艺流程下载温馨提示:该文档是我店铺精心编制而成,希望大家下载以后,能够帮助大家解决实际的问题。
文档下载后可定制随意修改,请根据实际需要进行相应的调整和使用,谢谢!并且,本店铺为大家提供各种各样类型的实用资料,如教育随笔、日记赏析、句子摘抄、古诗大全、经典美文、话题作文、工作总结、词语解析、文案摘录、其他资料等等,如想了解不同资料格式和写法,敬请关注!Download tips: This document is carefully compiled by theeditor. I hope that after you download them,they can help yousolve practical problems. The document can be customized andmodified after downloading,please adjust and use it according toactual needs, thank you!In addition, our shop provides you with various types ofpractical materials,such as educational essays, diaryappreciation,sentence excerpts,ancient poems,classic articles,topic composition,work summary,word parsing,copy excerpts,other materials and so on,want to know different data formats andwriting methods,please pay attention!制作手袋的工艺流程一、设计与选材阶段在手袋制作的第一步,需要进行设计和选材工作。
手袋生产工艺流程
手袋生产工艺流程大致可以分为设计、裁剪、缝制、包装四个阶段。
下面我将为您详细介绍每个阶段的工艺流程。
第一阶段:设计
手袋的生产首先需要进行设计,设计师根据市场需求和时尚潮流进行设计,并确定手袋的款式、尺寸、材料、颜色等。
设计师将手袋的设计图纸交给样板师进行制作样品。
第二阶段:裁剪
在裁剪阶段,根据设计图纸和手袋的样品,工人将所需要的材料按照尺寸进行裁剪。
常用的手袋材料有皮革、布料和合成纤维等,工人需要按照设计要求选择合适的材料。
第三阶段:缝制
在缝制阶段,裁剪好的材料将会被送到缝纫车间。
工人将材料用缝纫机进行缝制,制作出手袋的基本形状。
在缝制的过程中,需要注意对工艺细节的处理,如线迹的平整、线迹的均匀等。
第四阶段:包装
手袋缝制完成后,需要进行包装。
包装是保护手袋的重要环节,也是产品最后一个环节。
手袋将会被放入塑料袋中,再塞入纸箱,防止受潮、刮损等。
在包装的过程中,还需要贴上产品标签和质量检测标签。
手袋生产工艺流程可以根据产品的不同而有所差异,以上只是一个基本的流程示意。
在实际生产中,还会涉及到品质把控、
检验、质量控制等环节,以确保生产出的手袋符合标准和客户的要求。
另外,由于手袋的种类繁多,工艺流程也会有所不同,一些高级手袋可能会涉及到更多的工艺环节,如手工绣花、刺绣、珠片镶嵌等。
总之,手袋的生产工艺需要经过多个环节的精心制作,以保证手袋的质量和外观。
手袋厂的生产工艺流程手袋厂的生产工艺流程主要包括设计开发、材料采购、裁剪缝制、组装加工、质量检验和包装出货等步骤。
首先,设计开发是手袋生产的首要步骤。
设计师根据市场需求和潮流趋势,创意出一款款具有吸引力和实用性的手袋样板。
设计师通常会使用电脑辅助设计(CAD)和手绘技术来完成设计图纸和样板。
其次,材料采购是手袋生产的重要环节。
手袋的材质通常包括面料、饰品、拉链、五金配件等。
采购部门负责与供应商联系,确保所采购材料的质量和数量符合要求。
同时,还需要考虑成本和交货时间等因素。
然后,裁剪缝制是手袋生产中的核心环节。
根据设计图纸,裁剪工人将面料按照尺寸和形状进行裁剪。
然后,缝纫工人将各个面料进行缝制和拼接,形成手袋的外观。
这个过程需要精确的尺寸控制和高超的缝纫技术。
接下来,组装加工是手袋生产的重要步骤。
组装工人将缝制好的袋面与内胆、提手、拉链等配件进行组合,完成手袋的基本结构。
这个过程中,需要仔细检查各个组件的质量和尺寸,确保组装的精度和稳定性。
随后,质量检验是手袋生产过程中不可或缺的环节。
质量检验员会对每一批次的手袋进行全面的检查,包括外观、尺寸、结构、拉链拉力等方面。
任何出现的问题都会及时追溯原因,并采取相应的措施进行修复或返工。
最后,包装出货是手袋生产的最后一步。
手袋会根据要求进行个体包装,然后装箱出货。
包装工人会仔细检查每一个包装的手袋,确保外观无瑕疵,并进行标签贴附和箱贴打印等工作。
同时,还需要记录和整理出货清单,确保订单准确无误地发货。
综上所述,手袋厂的生产工艺流程包括设计开发、材料采购、裁剪缝制、组装加工、质量检验和包装出货等步骤。
每一步骤都需要精确的操作和严格的质量控制,以确保生产出高质量的手袋产品。
制袋工艺流程制袋是一种常见的加工工艺,用于生产各种类型的塑料袋、纸袋、复合袋等包装材料。
制袋工艺流程包括了原料准备、印刷、复合、切割、制袋等多个环节,下面我们将详细介绍制袋的工艺流程。
1. 原料准备制袋的第一步是原料准备,常见的制袋原料包括塑料薄膜、纸张、复合材料等。
在原料准备阶段,需要根据产品的要求选择合适的原料,并进行相应的处理,比如塑料薄膜需要进行挤出、拉伸等工艺处理,纸张需要进行裁剪、印刷等处理。
2. 印刷印刷是制袋工艺中非常重要的一个环节,通过印刷可以在包装材料上印上各种图案、文字、标识等。
常见的印刷方式包括凸版印刷、柔版印刷、丝网印刷等,根据产品的要求选择合适的印刷方式,并进行相应的调色、校对等工作。
3. 复合复合是将不同材料的薄膜或纸张通过复合机进行复合,形成复合材料,常见的复合方式包括干式复合、湿式复合、溶剂复合等。
复合可以提高包装材料的强度、阻隔性能、印刷性能等,使得包装材料更加适合产品的包装需求。
4. 切割切割是将复合好的材料按照产品的尺寸进行切割,常见的切割方式包括热切割、冷切割、压切割等。
切割需要根据产品的要求进行精确的尺寸控制,确保切割后的包装材料符合产品的包装需求。
5. 制袋制袋是将切割好的包装材料通过制袋机进行制袋,形成最终的包装产品。
制袋的工艺包括封口、开口、拉链、孔位等工艺,根据产品的要求选择合适的制袋工艺,并进行相应的调试和检验。
以上就是制袋工艺的基本流程,通过原料准备、印刷、复合、切割、制袋等多个环节,可以生产出各种类型的塑料袋、纸袋、复合袋等包装材料。
制袋工艺流程中的每个环节都需要严格控制,确保产品质量和生产效率,从而满足市场的需求。
真皮手袋工艺流程下载温馨提示:该文档是我店铺精心编制而成,希望大家下载以后,能够帮助大家解决实际的问题。
文档下载后可定制随意修改,请根据实际需要进行相应的调整和使用,谢谢!并且,本店铺为大家提供各种各样类型的实用资料,如教育随笔、日记赏析、句子摘抄、古诗大全、经典美文、话题作文、工作总结、词语解析、文案摘录、其他资料等等,如想了解不同资料格式和写法,敬请关注!Download tips: This document is carefully compiled by theeditor. I hope that after you download them,they can help yousolve practical problems. The document can be customized andmodified after downloading,please adjust and use it according toactual needs, thank you!In addition, our shop provides you with various types ofpractical materials,such as educational essays, diaryappreciation,sentence excerpts,ancient poems,classic articles,topic composition,work summary,word parsing,copy excerpts,other materials and so on,want to know different data formats andwriting methods,please pay attention!真皮手袋工艺流程一、准备工作阶段在进行真皮手袋的制作之前,需要进行一系列准备工作。
手袋厂生产流程图手袋厂生产流程1 目的为强化生产过程管理,规影响生产进度和过程质量各个因素的控制,使生产在受控状态下进行,提高生产效率,提升产品质量。
2 适用围适用于客户意向锁定后,从订单评审签订开始到成品入库/交付为止整个生产过程控制。
3 职责a) 业务部:订单产品报价成本分析,提供材料(定额)清单,样品制作和确认,签发生产通知单,协调产品发货,销售款项催收结算。
b) 生产部:参与订单评审,审核业务部提交的生产通知单、材料定额,审定工序(工步)流程和工时定额,下达采购指令、生产指令,协调督导采购、车间、设备、检验包装和仓库落实职能工作,按期保质保量完成生产任务。
c) 采购科:根据材料定额和生产部下达的采购指令组织原辅材料的采购,保证质量,按期入库,确保生产用料。
d) 品管科:根据程序执行进料检验、成品检验和出货检验,确保出货产品的品质。
e) 车间:执行生产部下达的周生产进度计划,分解工序,调配生产要素(人员、材料、机台等),组织均衡生产,督导落实制作工艺流程,按期完成生产任务。
f) 仓管组:物料的进库、保管和发放及资材帐务、票证管理。
g) 其他:办公室、财务部按照职能开展工作。
4 业务洽谈和销售合同4.1 业务部销售人员应通过原有的市场网络和电脑网络,多渠道搜集客户需求信息,主动联系,扩大业务触角,争取更多的目标客户。
4.2 客户联络应建立完整记录,对总经理室锁定的目标客户,应保持跟踪联络,及时通报洽谈的进展情况,必要时,应提报总经理室介入洽谈,形成合同意向。
4.3 业务部与客户洽谈合同,应对合同要素(如款式、单价、交货期限、付款办法及质量要等进行认真评审,财务部、生产部应配合成本分析,提供决策依据。
4.4 销售合同应按规定格式拟制,报经总经理室签发。
4.5 合同意向达成(或签订合同)后,业务部应向技术科下达样品制作,并交付客户确认。
确认的主要容包括包袋的结构样式,布料质地和颜色,装饰件及辅料,外观视觉效果及验收标准。
手袋生产工艺流程1. 设计与样品制作手袋的生产过程始于设计阶段。
设计师会根据市场需求和最新时尚趋势,绘制手袋的初始设计草图。
设计师与生产团队合作,选择合适的材料,并制作手袋的样品。
2. 材料准备与裁剪在进入生产阶段之前,制造手袋所需的材料需要提前准备。
根据设计要求,材料可以包括皮革、织物、金属配件等。
接下来,裁剪师傅使用基于设计尺寸的模板,将材料按照需要的形状和尺寸进行裁剪。
这一步骤非常重要,因为一个精确的裁剪过程可以确保手袋最终的外观和尺寸。
3. 缝制与组装在裁剪完成后,裁剪好的材料会交给裁缝团队。
裁缝会根据设计草图,将各个部分缝合在一起。
他们会使用缝纫机、针线和其他工具,确保每一个细节都精确无误。
裁缝还会在适当的位置添加拉链、扣子和其他金属配件,以增加手袋的实用性和美观性。
4. 衬里加工与涂层如果设计中需要,手袋还会进行衬里加工和涂层处理。
衬里加工可以增加手袋的耐用性和舒适度。
涂层处理则可以为手袋提供防水、防污和防刮的特性,使其更加耐用和易于保养。
5. 检验与质检在手袋制作完成后,会进行一系列的检验和质量控制测试。
检验人员会检查手袋的各个部分,确保没有裂缝、断线或其他质量问题。
并且他们还会对手袋的外观、尺寸和功能进行全面检查。
6. 包装与发货通过质检后,手袋会进行包装。
包装可以根据需求使用纸盒、透明塑料袋或布袋等。
包装完成后,手袋被装入运输箱,并通过适当的物流方式进行发货。
7. 售后服务手袋生产过程不仅仅止于制造和发货,良好的售后服务也是重要的一环。
客户如果在使用过程中遇到问题或有其他需要,可以随时与制造商或销售商联系,获得售后支持和解决方案。
以上是手袋生产的基本工艺流程。
每个环节都需要精细的操作和严格的质量控制,以确保最终产品的品质和客户的满意度。
手袋厂工艺流程手袋厂是指专门制造各类手袋的工厂,手袋厂工艺流程是指在生产手袋的过程中,所需要经历的一系列工艺步骤。
下面将为大家介绍手袋厂的工艺流程。
首先,在手袋厂的生产车间,需要准备好所需的原材料,如织物、皮革、拉链、五金配件等。
这些原材料都是手袋制作的基础。
同时,还需要准备相应的设备和工具,如缝纫机、切割机、压花机等。
接下来,工人们会根据设计师提供的手袋样板,进行手袋的打样与开模。
打样是将设计师的手袋设计制作成实物样品的过程,开模是将手袋分解成各个零部件,并制作相应的模板。
然后,根据打样和开模制作好的样品,开始进行手袋的裁剪和缝制。
首先,将织物或皮革按照手袋模板进行精确的裁剪,确保每个零部件的尺寸准确无误。
然后,用缝纫机将各个零部件缝合在一起,形成手袋的基本框架。
在缝制过程中,还需要注意缝纫的线迹和线头的处理,以确保手袋的品质和美观。
在裁剪和缝制完成后,手袋需要进行一系列的后续工艺处理。
比如手袋的内衬制作,可以使用衬布等材料进行内衬的裁剪和缝制。
还有手袋的包边处理,可以用生胶或毛边进行包边处理,以增加手袋的美观度和耐用度。
另外,还可以进行手袋的压花、绣花等工艺,增加手袋的装饰效果。
最后,手袋需要进行质检和包装。
质检是确保手袋的品质和符合设计要求的重要环节。
质检人员会对手袋的外观、尺寸、结构、五金配件等进行检查,以确保手袋的品质达到标准。
然后,手袋会进行包装,包括使用塑料袋、包装盒等对手袋进行外包装,以防止污染和损坏。
总结起来,手袋厂的工艺流程包括材料准备、打样与开模、裁剪与缝制、后续工艺处理、质检和包装等环节。
每个环节都需要经过精确的操作和仔细的检查,以确保最终制作出的手袋质量过硬,并满足消费者的需求和期望。
手袋的工艺流程下载温馨提示:该文档是我店铺精心编制而成,希望大家下载以后,能够帮助大家解决实际的问题。
文档下载后可定制随意修改,请根据实际需要进行相应的调整和使用,谢谢!并且,本店铺为大家提供各种各样类型的实用资料,如教育随笔、日记赏析、句子摘抄、古诗大全、经典美文、话题作文、工作总结、词语解析、文案摘录、其他资料等等,如想了解不同资料格式和写法,敬请关注!Download tips: This document is carefully compiled by theeditor. I hope that after you download them,they can help yousolve practical problems. The document can be customized andmodified after downloading,please adjust and use it according toactual needs, thank you!In addition, our shop provides you with various types ofpractical materials,such as educational essays, diaryappreciation,sentence excerpts,ancient poems,classic articles,topic composition,work summary,word parsing,copy excerpts,other materials and so on,want to know different data formats andwriting methods,please pay attention!陶瓷手袋的工艺流程一、设计准备阶段在进行陶瓷手袋的制作之前,需要进行一系列准备工作。
流 程 图为了加强生产管理,提升生产效率,提高产品质量;同时为了防止由于过程的波动影响产品质量和产品交货期,特制定本程序。
2 范围:本程序适用于本公司手袋产品的生产过程。
3 定义:无4 职责:4.1 手袋生产课:负责根据生管组编制的生产计划合理组织各生产组进行生产,监督跟进生产进度,协调处理生产过程中出现的各种问题,采取纠正和预防措施,降低生产不良率,提高生产效率。
4.2 手袋PMC:负责根据生产单编制整体生产计划及进度跟进与协调。
4.2.1PMC主管:负责编制生产计划及生产进度的整体跟进与协调;4.2.2生产跟单:负责根据生产单、包装要求及生产损耗标准编制生产(备料/加工)明细单、包装明细表;4.2.3仓储:负责根据领料单及生产(备料/加工)明细单核对数量后进行物料发放控制。
4.3 手袋品管课:负责生产过程的产品质量检验与质量控制。
5 程序:5.1 生产安排:5.1.1生产课根据生管组放发的的生产(备料/加工)明细单、包装明细表及生产计划,以及纸格、确认样板或参照样板等工作指导文件,组织组长、PMC、品管召开生产产前会,介绍产品的质量要求和可能存在的生产难点或容易出现质量问题的注意点,并要求生产组长严格按工作指导文件执行。
5.1.2生产课主管依据物料交期异动情况,及时知会各生产组长调配生产内部工作安排。
5.1.3如生产出现异常,产生停工工时,各主管应及时进行处理,并每月进行原因分析。
5.2 生产前准备及排线作业:5.2.1 生产主管将生产(备料/加工)明细单、生产计划、纸格、样版等各组所需相关资料发放给各生产组长,由各生产组长做好本组产前准备及排线工作。
5.2.2收发员依据生产计划及生产(备料/加工)明细单在生产前一日开立领料单至仓库领料生产。
5.3 首件样制作:5.3.1 生产各组排好线后,由各组组长进行大货首件样生产。
5.3.2 首样生产完成,由生产组长填写《首检记录表》交生产主管确认后转品管确认。
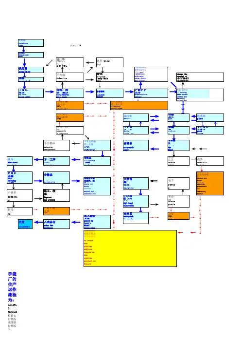
prod↙←↗→→→→→→→↓→↓←↓↓→↓←←←←←←→↓→↓↓↓↓←↓↓↓↓手袋厂的生产运作流程为:SAMPL EHOUSE 根据客户样板或图稿打样板>认结构样并下订单>采购部根据客人订单要求确认各物料供应商提供的物料打样色卡>业务部根据客人的要求编写发放生产制单给工厂各部门>采购部根据最新客资讯和物料打样色卡下大货订单给各物料供应商>物料到仓库后,仓库开检测通知书给来料检查部(IQC )>IQC检查合格入仓,不良品拒收或经QC经理和采购经理共同签名后特采,仓库根据大货物料色卡和最新生产制单发放物料给生产部>车间产前试办,检查大货刀模,与结构批办,客人评语,生产制单要求是否吻合,在递交QA 部确认>主持产前会议,对生产流程和手工要求提出建议和预防措施>裁床严格按大货物料色卡,生产制单,QA 部评语和确认样开料,女包更要留意手挽,盖头物料的纹路要求,有色差的物料严格配纹,配色,配套开裁。
裁片QC按公司内部要求全检,抽检裁片,合格裁片上车间>大货上线到女包油边部,胶水部,手工部,五金部,车缝部,进行首件确认,确认OK,大量生产>线上巡检(IPQC ),抽检,特别部件全检,督促车间各部门物料的摆放(6S)工作,不良品返工并采取改善措施>合格品流入下一工序,填写IPQC 检查报告>第一成品确认,确认OK >成品全检(FQC ,finshed product full checking),隔离不良品并返工或报废并填写全查结果统计分析,合格品转交包装部>第一包装成品确认,包装方式,颜色搭配,内唛及挂牌资料,胶袋外箱资料核对。
> OQC(outgoing quality control )按AQL标准抽检,不合格则退回生产部返工,填写OQC报表>合格品入成品仓。
品质保证部总结分析研讨提升此单的品质问题原因,以求类似产品避免再发生类似的问题,完善品质保障体系。
手袋生产的工序知识以下内容为转摘,请各位前辈帮忙看看,有无问题? 谢谢~~~~~~1、手袋设计2、出格3、做样板(板房操作)4、接单(门市部、经销商)、计划生产时间,预定出货期(制作生产单)5、备料(采购)6、仓库发料(仓管)7、开料 1、开主料2、开配料3、开裡4、开托胶5、开海棉6、开纸7、开什辅料(透明胶、无纺布等)8、开包边(骨)条8、铲皮 1、通铲2、中铲3、平铲4、斜铲9、过胶1、阿蒙尼亚(喷)2、粉胶(过胶机)3、万能胶(人工涂)10、冲床开料1、冲料2、冲耳仔、饰贴3、冲纸11、压唛(花)1、高机2、压唛机12、印花1、丝印2、机印13、绣花(唛)绣花机14、上料(收发、负责、组织、已开好和已压、印、绣好的原料进行分组发放)15、台面1、领料点数2、查不及格载片3、分序作业4、折边A、折边机B、推竹C、手工5、打厄位(点为画位)6、部位组合7、包底8、套袋口9、修边16、配见装钉手袋制作与出格手袋的定义:陕义的手袋,是皮具有手挽的各种手挽包包的总称,而广义的手袋,其产品包括:有肩带的挎包、背袋;和没带的银包、皮夹,即包包。
以广义的手袋的用途分,有旅行袋、公文袋、时款袋、包装袋、银包、腰包、书包、皮夹几类。
手袋制作:简而言之,会车缝就能制作手袋。
一句话,功多艺熟。
它与服装的差别是变化不一,无规则,况且,手袋的原料大多数是厚而硬质的,兼有海棉、纸皮、五金、塑胶等捕料或饰物。
从二者结构对比,手袋制作要比服装难。
相关资料请看"手袋制作工艺"和"手袋车缝基本知识"手袋出格:所谓手袋出格,就是根据手袋原辨 ( 或设计图、摄影图 ) ,用纸板作材料,划出手袋构成元件的形状,并在纸格元件上打上各种标记表示手袋制法的一项工作。
从事这种工作的部门叫辨房,从事这种工作的人员叫出格师傅或辨房师傅,或手袋师傅,或打辨师。
根据参照物件,手袋实物 ( 原辨 ) 或各种图片,重新出格,制作出几个符合要求的产品。
手袋管生产的基本流程下载温馨提示:该文档是我店铺精心编制而成,希望大家下载以后,能够帮助大家解决实际的问题。
文档下载后可定制随意修改,请根据实际需要进行相应的调整和使用,谢谢!并且,本店铺为大家提供各种各样类型的实用资料,如教育随笔、日记赏析、句子摘抄、古诗大全、经典美文、话题作文、工作总结、词语解析、文案摘录、其他资料等等,如想了解不同资料格式和写法,敬请关注!Download tips: This document is carefully compiled by theeditor. I hope that after you download them,they can help yousolve practical problems. The document can be customized andmodified after downloading,please adjust and use it according toactual needs, thank you!In addition, our shop provides you with various types ofpractical materials,such as educational essays, diaryappreciation,sentence excerpts,ancient poems,classic articles,topic composition,work summary,word parsing,copy excerpts,other materials and so on,want to know different data formats andwriting methods,please pay attention!手套管生产基本流程:1. 原料配制,根据配方,将天然橡胶、合成橡胶、填料、促进剂、抗氧化剂等原料进行配料。
手袋生产流程即手袋,在这个日新月异、追求时尚“有型”的时代里,手袋正向着视觉华丽,触觉舒适,工艺精妙细致的方向发展,种类已发展有旅行包、休闲包、时装包、晚装包、公文包、化装包,皮夹,银包,腰包,书包等等。
各类手袋的结构,选料也正在不断变化发展之中。
以下列出包包的生产的关键技术和制造流程,让有兴趣的朋友真正了解手袋的生产过程和发展方向:辨房与出格师傅手袋的定义狭义的手袋,是指具有手挽的各种袋的总称,而手袋厂中的手袋,却是广义的手袋,其产品包括:有肩带的肩袋、背袋;手袋没带的银包、皮夹,腰包夹等大类。
手袋出格的定义所谓手袋出格,就是根据手袋原辨(或草图、拍的照片),用纸格作材料,设计出手袋构成元件的形状,并在纸格元件上打上各种标记表示手袋制法的一项工作。
辨房的职能第一,在手袋厂,其产品一般是按客户提供的手袋实物(原辨)或各种图片,也就是出格师傅出格的依据,辨房以出格师傅作主导,重新制作出几个符合要求的产品来,所以辨房是样品制作部。
第二,由于辨房负责样品制作,所以辨房率先了解产品的制作工序和技术以及产品的生产工作总量和产品质量要求。
所以,辨房是手袋厂的工程技术部。
第三,手袋厂的财会部从辨房取得产品工序工价,原材料及其数量等资料,结合原料价格等开展生产成本预算工作。
物料部从辨房取得所需采购物料的种类及数量,开展本部物料供应工作。
裁床部门从辨房取得纸格订做刀模,开展排料及裁料工作。
生产车间从辨房取得制作工序及技术,以组织流水生产线和生产管理工作。
出格师傅的职责第一、对客户提供的原辨(或图)作整体结构上的分析,分清主、次格。
第二、对原辨(或图)的构成元件作形状上的分析。
第三、对构成本袋有关资料,其内容包括:一、纸格数量。
二、五金,塑胶封料的规格,颜色及数量。
三、拉链和织带号数、规格、颜色及数量。
四、包边及位骨料规格。
五、针距(一般下8针/寸)。
第四、书写制作工序。
第五、计料。
第六、指导辨房开料工人及车辨工人工作。
手袋厂生产流程1 目的为强化生产过程管理,规范影响生产进度和过程质量各个因素的控制,使生产在受控状态下进行,提高生产效率,提升产品质量。
2 适用范围适用于客户意向锁定后,从订单评审签订开始到成品入库/交付为止整个生产过程控制。
3 职责a) 业务部:订单产品报价成本分析,提供材料(定额)清单,样品制作和确认,签发生产通知单,协调产品发货,销售款项催收结算。
b) 生产部:参与订单评审,审核业务部提交的生产通知单、材料定额,审定工序(工步)流程和工时定额,下达采购指令、生产指令,协调督导采购、车间、设备、检验包装和仓库落实职能工作,按期保质保量完成生产任务。
c) 采购科:根据材料定额和生产部下达的采购指令组织原辅材料的采购,保证质量,按期入库,确保生产用料。
d) 品管科:根据程序执行进料检验、成品检验和出货检验,确保出货产品的品质。
e) 车间:执行生产部下达的周生产进度计划,分解工序,调配生产要素(人员、材料、机台等),组织均衡生产,督导落实制作工艺流程,按期完成生产任务。
f) 仓管组:物料的进库、保管和发放及资材帐务、票证管理。
g) 其他:办公室、财务部按照职能开展工作。
4 业务洽谈和销售合同4.1 业务部销售人员应通过原有的市场网络和电脑网络,多渠道搜集客户需求信息,主动联系,扩大业务触角,争取更多的目标客户。
4.2 客户联络应建立完整记录,对总经理室锁定的目标客户,应保持跟踪联络,及时通报洽谈的进展情况,必要时,应提报总经理室介入洽谈,形成合同意向。
4.3 业务部与客户洽谈合同,应对合同要素(如款式、单价、交货期限、付款办法及质量要等进行认真评审,财务部、生产部应配合成本分析,提供决策依据。
4.4 销售合同应按规定格式拟制,报经总经理室签发。
4.5 合同意向达成(或签订合同)后,业务部应向技术科下达样品制作,并交付客户确认。
确认的主要内容包括包袋的结构样式,布料质地和颜色,装饰件及辅料,外观视觉效果及验收标准。
4.6 样品经客户确认后,业务部应提报总经理室组织合同执行评审,明确采购周期、生产周期和检验包装周期、确定计划交货期,并提供材料(定额)清单。
5 生产计划和生产准备协调工作5.1 销售合同经执行评审后,各部门应按规定期限落实生产准备工作,为车间生产创造良好条件业务部提供材料采购清单及耗用定额,经生产厂长审核,报总经理室审定,交采购科组采购。
5.2 采购科接到审定的材料采购清单后,应分解选择合格(定点)供应商,洽谈(“货比三家,选优择省”)有关采购合同要素(包括材料品种、规格型号、质量要求、单价、交货时间、付款办法等),拟定采购合同,报总经理室批准执行,在计划时间内采购到库。
5.3 业务部应在规定时间内提供指导生产的样品,交付车间生产控制参照。
对有特殊要求的产品,业务部技术科应对提供作业指导文件(或工作联络单)予以明确。
5.4 车间主管应对拟批量投产的产品进行工步分解和工序划分,编制生产工序流程,拟定计件工资工序(工步)单价,报生产部审核。
5.5 生产部在审核计件工资单价时,应控制工序之间的平衡,计件工资总额超过业务部核定的工资成本时,应及时反馈业务部,必要时,应提报总经理室审定。
5.6 车间作业人员原则实行计件工资,必要时,经厂部核定,部分勤杂辅助人员可实行计时工资,但应严格控制编制。
5.7 生产部根据定单合同和车间的实际产能,编制周生产计划,经周例会审定,下达各部门、车间执行。
5.8 因市场客户需要临时紧急插单需要调整生产计划,业务部应提报总经理室组织评审,并对订单的生产顺序提出相应调整方案。
5.9 临时插单一般会影响车间正常生产计划,给车间管理带来一些困难。
但车间管理人员要以公司全局出发,无条件的配合销售业务工作,不得以任何理由拒绝条件执行厂部的计划调整指令,以满足市场客户的需要。
5.10在订单大于产能时,业务部生产应与客户保持良好沟通,争取在交货周期取的客户的支持和谅解,为生产车间创造必要的环境。
5.11各车间根据周生产计划调配人员、材料和机台设备,仓库、机修等保障人员密切配合,保障按期投产。
5.12每天上班,车间管理人员提前10-15分钟上班,下达每个工序人员的“派工单”和加工材料、产成品。
、每天下班前,车间管理人员应根据生产计划产量指标、工序均衡的需要,合理调配作业人员,确定次日每个工序人员的定额产量,填制“派工单”。
6 生产过程控制6.1新订单投料后,车间应对每道工序进行首件确认,确认的内容包括材料质地颜色、样式结构、加工质量和外观效果(参照业务部提供的样品)。
6.2 首件确认由车间主任或组长或半道检牵头组织,本工序作业人员参加,首件确认必须要有记录。
6.3 首件确认发现重大不合格(如材料不良、色差超标、裁减尺寸超差、线的配色不符要求、款式不符及外观重大不良等),应及时纠正合格,方可批量投料生产。
6.4 车间管理人员应按规定程序手续,协调材料申领、材料发放、成品移转的交接点验,保障生产物流顺畅贯通。
6.5 车间管理人员和检验人员应做好巡检,控制过程质量,纠正违章作业和不合格,关键工序应做好转序检验。
6.6 在生产过程中,发现材料不良率或制作不良报废超过规定指标,应及时报告报告厂部组织相关人员评审,提出解决办法。
6.7 车间应把成品送至包检车间,由品管部组织检验。
成品全检必须对送检成品进行逐个、逐项检验。
发现不合格,应标识不合格项目和部位,予以剔除隔离,返回车间责任工序进行返工,并经再次检验合格。
成品必须经全检合格方可包装发货。
6.8 车间管理人员应强化督导隶属人员遵守劳动纪律,做好本岗位的整理整顿,不窜岗、不闲聊、不喧哗、不擅自离岗,自觉维护生产秩序和环境。
作业人员下班,应整理本岗位的卫生,随手关灯、关电扇,切断机台电源。
6.9 车间各工序作业人员应完成“派工单”下达的定额产量和进度,每日下班时,把经车间管理人员签证的“派工单”投进工单箱,作为工资核算的依据。
6.10车间应按厂部下达的日生产指标,未经厂长同意,车间主任不得在未完成日生产指标擅自宣布停产下班。
6.11厂部人员应深入车间,检查生产计划的落实情况,及时协调处理生产现场的出现的缺料、产成品转序堵塞、重大质量不合格及车间与车间之间、车间与部门之间的不协调等问题,控制总体生产节奏,提高效率,按时交货,减低损耗。
7 物流管理7.1 物料采购依据7.1.1 业务部业务员应根据客户提供或确认的样品,对材料厂进行分解,编制材料预算表。
7.1.2 材料预算表中的布料应提供下料的计算尺寸,供核对。
7.1.3材料预算表对应的材料名称/型号规格型号应用意规范(具有唯一识别性),必要时。
应提供材料样品。
7.1.4材料预算表应经专业审核人(暂定厂长)审核,作为采购依据。
7.1.5材料预算表经审核,由业务主管填制单价后,报总经理室备案。
7.1.6生产需要零星物料采购由生产部或车间填制申购单,经厂长审核,100元/批次可直接作为采购依据,超过100元/批次应报总经理室签批。
7.2 材料采购合同7.2.1采购科主办接到《销售合同进度计划评审》表和材料预算表后,对合格(定点)供应商搜索和市场调查,就交货期、单价等要项比较,选择相应供应商。
7.2.2 采购科主办根据材料类别,分别与供应商洽谈合同要素(材料名称、规格型号、数量、单价、交货时间、结算方式、付款办法及材料质量不合格、材料不良品的处理办法等),拟制采购合同,报总经理室批准。
7.2.3 采购合同经总经理室签发后,采购主办应把采购合同和材料清单印发相应部门:采购合同供应商(原)财务部(原)仓库组(复)总经理室(复)采购科(原)材料清单生产部财务部仓管组业务部采购科7.2.4 外购材料到库时,先放置在指定的“待检区”,通知品管科进行进料检验(大宗材料来不及检验,可以先办理入库手续)。
并通知采购组和生产部。
7.2.5 仓管员进行入库点验,应持采购合同(或请购单)与供应商客户提供的随货“发货清单”比较核对,并对实物包装标签进行逐一点收确认(必要时,应进行计量验收)。
7.2.6 采购合同、随货单及实物“三者”相印无误,可直接开具入库单,与送货人签证确认。
“三者”相印出现“不符”,若仅属数量不符,可按实填单入库。
7.2.7 属供应商发错料或重大质量缺陷,应立即通知采购员与供应商联系处理或拒收退货。
7.2.8 仓管员应认真填写“收料单”,对有关要素(如名称、规格型号、数量、单价、到库时间等)应认真审核,字迹清楚,涉及数据的不得擅自涂改。
入库收料单一式四份,分别送供应商、财务部(经采购主办签审)、总经理室和仓库存根。
7.2.9 材料入库后,应在当日进行登帐。
并标识入库单的编号。
7.2.10仓管员应保管好帐本和有关原始票证,定期缴交财务部,作为核算依据和归挡。
7.3 车间生产用料出库7.3.1生产部签发的“生产通知单”,作为仓库备料、发料的依据。
7.3.2发料时,仓管员根据车间的生产进度和“生产通知单”填写“领料单”,标明清楚订单合同编号、材料名称、规格型号、出库时间及出库数量等要素。
材料名称规格要与采购合同的(采购材料清单)对应。
7.3.3出库的材料数量累计未超过“生产通知单”的定额数量,由仓管员与车间领料员直接办理出库交接,车间领料员应在“领料单”签收。
7.3.4车间领料达到“生产通知单”的定额数量后需要“补料”,由车间主任申报,仓管员填写“领料单”,并在单上标识“补料”,交车间主任(或领料员)提报厂长审批,到仓库补料。
订单完成后,仓管员应汇总本订单发生的补料“领料单”提报厂长处理。
7.3.5“领料库”一式三份,仓库(存根)、车间和财务各一份。
7.3.6车间领料出库,仓管员必须在当日登帐。
7.4 车间成品移转检验7.4.1生产车间应完成生产部下达的日定额成品产量计划,按批次(一般装满一车为一批次)及时移转检包车间。
7.4.2生产车间成品由领料员负责移转,与检包车间指定人员点数交接。
成品移转登记表生产车间与检包车间各持一份,相互印证。
7.4.3检包车间对车间送检的成品进行全(逐一逐项)检,剔除不良品,标识不合格项的位置,作为车间返工的依据,并进行不合格品总数统计及返工工序统计。
返工不合格品一般应在该批次检验完毕,接车间新的批次时与车间领料员交接。
7.4.4返工不合格品的交接,品管科应建立“车间返工不合格品交接记录”,标明不合格品的数量、返工工序名称和数量等要素,双方签证确认,作为车间质量指标考核的依据。
车间对品管判定返工的标准有异议,依照检验标准商定,商定不一致,车间应先执行品管科意见,但可持样品提报生产部厂长申诉裁决,必要时,请业务部配合判定。
7.4.5合格成品的数量一定要满足订单的数量。
7.4.6成品必须经全检合格,方可包装装箱。
7.5 外协加工材料出库7.5.1生产部下达的“外协加工协议”和“外协生产通知单”是仓库备料、发料的依据。