(完整版)弹簧测力计读数练习
- 格式:doc
- 大小:69.01 KB
- 文档页数:1
押填空题6:常考的测量仪器及读数本节内容包括了中考物理的所有常考的测量仪器,其中包括刻度尺、秒表、温度计、天平、量筒、弹簧测力计、电流表、电压表和电能表。
从近3年的广东省卷、深圳卷和广州卷发现、深圳卷和广东省卷每年的填空题的第1道题均考查对测量仪器的读数问题,今年深圳卷和广东省卷同样会对中考常考的测量仪器的读数进行考察。
中考常考的测量仪器虽然有9个,但都是简单的送分题,考生务必拿下此分。
秘籍1.刻度尺(1)读数步骤:确定分度值→确定始末刻度→相减①确定分度值:0.1cm;②确定起始刻度:6.00cm;③确定末端刻度:8.70cm;④确定物体长度:8.70cm-6.00cm=2.70cm.(2)注意事项:①视线与刻度尺垂直(如视线B);②读须估读到分度值下一位;③刻度尺是初中物理唯一需要估读的测量工具.秘籍2.秒表(1)读数步骤:确定分度值→确定分针的位置及读数→确定秒针的读数→相加①分针的分度值:0.5min;②秒针的分度值:0.ls;③分钟:4min,过半格;①秒针:由于分针过半格,读数从30开始,秒针读数为39.5s;⑤确定时间:4min39.5s(或279.5s).(2)注意事项:大表盘读数时应注意小表盘中分针的指针是否过半格(半分钟),过半格大表盘的读数在30s之上,没有过半格读数在30s之下.秘籍3.温度计(1)读数步骤:①温度计的示数由下至上变大,则可确定所读示数为零上温度;②在40℃~50℃之间共有10小格,则温度计的分度值为1℃;③温度计液柱的液面与示数40℃以上的第8小格相平,则温度计的读数为40℃+8×1℃=48℃(2)注意事项:①读温度计示数时一定要注意是零上温度还是零下温度;②读数时玻璃泡要继续留在被测物体中;③读数时视线与温度计垂直(如视线B)秘籍4.天平(1)读数步骤:确定砝码的质量一确定标尺分度值→确定标尺示数→相加①确定砝码质量:20g+10g+5g-35g;②确定标尺分度值:0.2g;③确定标尺的示数:3g+1×0.2g=3.2g;④确定物体的质量:35g+3.2g=38.2g.(2)注意事项:①天平放水平,游码归至零,测量前“左偏右调、右偏左调”;②标尺读数时应读游码左侧对应的刻度值;(2)注意事项:①天平放水平,游码归至零,测量前“左偏右调、右偏左调”;②标尺读数时应读游码左侧对应的刻度值;③测量过程中,平衡螺母是不能移动的.秘籍5.量筒(1)读数步骤:确定分度值→确定示数①确定分度值:1mL;②确定量筒的示数:10mL+8×1mL=18mL.(2)注意事项:读数时视线与凹液面底部相平秘籍6.弹簧测力计(1)读数步骤:确定分度值→确定弹簧测力计示数①确定分度值:0.2N;②确定弹簧测力计示数:2N+3×0.2N=2.6N.(2)注意事项:使用前应对弹簧测力计进行调零秘籍7.电流表(1)读数步骤:观察电流表所选的量程→确定分度值→确定电流表示数①确定所选的量程:0~0.6A;②确定分度值:0.02A;③确定电流表示数:0.4A+2×0.02A=0.44A.(2)注意事项:串联接入电路,“十”进“-”出.秘籍8.电压表(1)读数步骤:观察电压表所选的量程→确定分度值→确定电压表示数①确定所选的量程:0~3V;②确定分度值:0.1V;③确定电压表示数:2V+5×0.1V=2.5V.(2)注意事项:并联接入电路,“十”进“一”出.秘籍9.电能表(1)读数:①电能表上最后一位数字表示小数点后一位.如图所示电能表示数为248.6kW·h,即248.6度;②1920r/(kW·h)表示转盘每转1920r电路消耗的电能为1kW·h.(2)计算电能的方法:①W =W 末-W 初;②w=kw·h1.(2023·广东深圳·中考真题)如图所示,亮亮同学做了如下测量:如图1,物体质量为:g ;如图2,停表读数为:s ;如图3,弹簧测力计读数为:N 。
第 1 页,共 1 页
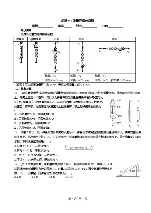
问题9:弹簧秤读数问题
班级__________ 座号_____ 姓名__________ 分数__________
一、知识清单
1. 考虑外壳重力时弹簧秤读数
0=0,无论如何测量,都有F 1=F 2。
二、经典习题
2. (2005·青岛质检)实验室常用的弹簧秤如图甲所示,连接有挂钩的拉杆与弹簧相连,并固定在外壳一端O 上,外壳上固定一个圆环,可以认为弹簧秤的总质量主要集中在外壳(重力为G )上,弹簧和拉杆的质量忽略不计,现将该弹簧秤以两种方式固定于地面上,如图乙、丙所示,分别用恒力F 竖直向上拉弹簧秤,静止时弹簧秤的读数为 ( )
A .乙图读数F 0-G ,丙图读数F 0+G
B .乙图读数F 0+G ,丙图读数F 0-G
C .乙图读数F 0,丙图读数F 0-G
D .乙图读数F 0-G ,丙图读数F 0
3. 如图2所示,某一弹簧测力计外壳的质量为m ,弹簧及与弹簧相连的挂钩质量忽略不计。
将其放在光滑水平面上,现用两水平拉力F 1、F 2分别作用在与弹簧相连的挂钩和与外壳相连的提环上,关于弹簧测力计的示数,下列说法正确的是( ) A.只有F 1>F 2时,示数才为F 1 B.只有F 1<F 2时,示数才为F 2 C.不论F 1、F 2关系如何,示数均为F 1 D.不论F 1、F 2关系如何,示数均为F 2
4. (2015·江苏淮安高三考前信息卷)如图3所示,斜面的倾角为30°,物块A 、B 通过轻绳连接在弹簧测力计的两端,A 、B 重力分别为10 N 、6 N ,整个装置处于静止状态,不计一切摩擦,则弹簧测力计的读数为( ) A.1 N B.5 N C.6 N D.11 N。
教科版科学四年级上册3.4弹簧测力计练习卷一、选择题1.在测力计下挂一个小铁桶,桶内装入半桶水,这时将手指插入水中不动(水不溢出),手指也不与桶底和桶壁接触,那么弹簧秤的示数()。
A.不变B.增加C.减少D.不确定2.关于弹簧测力计,下列说法正确的是()。
A.所有弹簧测力计的一小格都表示1牛顿B.挂钩上的物体重量减少时,弹簧就会变长C.弹簧测力计的指针可以指示力的大小3.在使用弹簧测力计测量物体的重力时,如果发现了指针在“0”刻度以上,则用这个弹簧测力计测得的物体重力会()。
A.偏大B.偏小C.正常4.在科学中测量力的大小,我们通常会选择的测量工具是()。
A.B.C.5.小科在科学课上用弹簧测力计测量笔袋,下列操作不规范的是()。
A.测量前,检查指针是否在“0”位置B.视线与测力计平视C.笔袋的重力超出测力计的最大数字6.在科学中,力的单位是()。
A.克B.千克C.牛顿7.在一定限度内,橡皮筋下端挂的钩码越多,橡皮筋伸长的长度()。
A.不变B.越长C.越短8.在做拉力大小与小车运动关系的实验时,拉力越大,小车的速度()。
A.越大B.不受影响C.越小9.生活中还有很多应用,比如弹簧测力计测量力的大小时利用了内部弹簧。
使用弹簧测力计时,下列做法错误的是()。
A.使用前,需要“调零”才能进行测量。
B.使用时,要用食指钩住提环。
C.读数时,视线可以俯视指针。
二、填空题10.弹簧测力计是测量________的一种工具。
11.蹦床,海绵垫,跳板等都是生活中运用_______________的实例。
12.下图是测量力大小的弹簧测力计,此时该弹簧测力计显示读数为___________。
13.弹簧测力计的使用,弹簧测力计是测量力大小的一种工具,力的单位是牛顿,简称( ),用符号( )表示。
14.妈妈买来几个苹果,小明想知道它们的重量,家里只有一个弹簧测力计,他不会用,请你教小明使用。
使用前要检查指针是否指在( )位置。
义务教育教科书(五·四学制)物理八年级下册第六章力和运动第二节弹力弹簧测力计练习题基础训练1.弹性是指物体受到力发生_______,不受力时又恢复到________的________。
例如:橡皮筯受到________被拉长,当这个力撤去后,橡皮筯就会复原。
2.塑性是指物体受到力发生_______,不受力时不能_______到原来形状的特性。
例如:我们手中的________,被手捏了后,当手不再作用时,它也不能恢复原状。
3.弹簧的________是有一定_______的,超过这个限度也不能复原。
在弹性限度内弹簧受到的拉力越________,弹簧的________就越长,________就是根据这个道理制作的。
4.物体由于发生________而产生的力叫做________。
5.使用弹簧测力计应该注意哪些问题?请你来告诉大家!6.关于弹力的说法正确的是()A.只有弹簧、橡皮筯才能产生弹力B.只有物体发生形状变化就会产生弹力C.弹力的大小只跟物体形状变化的程度有关D.任何物体都有一定的弹性限度,因此弹力不可能无限地大7.下列不是弹力的是()A.重力B.绳子对重物的拉力C.绷床对小孩的向上的力D.沙发对人的力8.关于弹簧测力计的认识,正确的是()A.弹簧测力计上的测量限度就是弹性限度B.弹簧测力计的刻度是均匀的,因为弹簧的长度跟受到的拉力成正比C.弹簧的伸长跟受到的拉力成正比,这就是弹簧测力计的原理D.弹簧测力计是用弹簧做成的,因此就可以用弹簧来测量力9.利用弹簧测力计来测量力的大小,它利用了力的作用效果中的()A.力可以改变物体的运动状态B.力可以改变物体的运动速度C.力可以改变物体的运动方向D.力可以改变物体的形状10.使用弹簧测力计时,下列说法中错误的是()A.弹簧测力计必须竖直放置,不得倾斜B.使用前必须检查指针是否指零C.使用前,弹簧、指针、挂钩不能与外壳摩擦D.使用时必须注意所测的力不超过测力计的测量限度11.使用弹簧测力计前,应来回拉动几下它的挂钩,目的是()A.看每次指针是否都能回到零刻线B.看弹簧是否有良好的弹性C.看弹簧是否有与外壳相碰、伸缩不灵的现象D.看以上三点是否都符合要求12.如下图所示,弹簧测力计的测量限度和分度值分别是()A.测量限度是5N,分度值是0.2NB.测量限度是5N,分度值是0.1NC.测量限度是5N,分度值是0.5ND.测量限度是10N,分度值是0.5N13.如下图中,弹簧测力计的读数是()A.4.05NB.4.10NC.4.20ND.4.50N14.下列哪种测量工具是直接用来测力的()A.天平B.案秤C.弹簧测力计D.杆秤15.几个同学用同一个弹簧拉力计比试臂力,如下图所示,结果每个人都能把手臂撑直,则()A.臂力大的人所用拉力大B.手臂长的人所用的拉力大C.体重大的人所用拉力大D.每个人所用拉力一样大16.弹簧测力计的弹簧断了,拆去断掉部分,把剩下的较长的部分仍装在原来的弹簧测力计上,调零后,再用它测力,结果会()A.测量值仍和实际值相等B.测量值比实际值大C.测量值比实际值小D.无法判断17.如下图所示。
1测量力的大小的仪器叫.它是根据 原理制成的.使用测力计前,①首先要看清它的 ,也就是它的最大刻度值;②再要看清刻度盘上的 和 ;③然后观察测力计的指针是否与 ,若没有对齐,要进行 .2.关于弹簧测力计的使用,下列没必要的是( )A .测量某方向的力前必须将弹簧测力计沿着此方向“校零”B .使用前应轻轻的拉几下弹簧,避免弹簧被卡住C .所测的力不能超过它的量程D .弹簧测力计必须竖直放置,不得歪斜3.写出如图弹簧测力计的示数:A :______;B :______C :______.4.小明使用弹簧测力计前发现指针指在0.4N 处,没有调节就测一物体的重力,且读数为2.5N ,则物体重力的准确值应为( )A .2.1NB .2.5NC .2.7ND .2.9N5.某一弹簧测力计在使用前,指针指在0.1N 的刻度上,某同学没有校零,就用该弹簧测力计测一个2N 的力,测得的结果为N6.如图所示,小刚和小明同学用两个弹簧测力计进行如下图所示的实验,小刚沿水平方向向左拉,同时小明水平向右拉,这时两个弹簧测力计均保持静止,小刚发现左边弹簧测力计的示数为6牛,则右边弹簧测力计的示数应为 N .7.如图所示是正在使用的弹簧测力计,这个弹簧所测拉力F 的大小是( )A . 3.1NB .3.2NC .4.9ND .4.8N弹簧测力计的使用与读数知识点8.两位同学沿相反方向拉弹簧测力计,各用10N的拉力,则弹簧测力计的示数为()A.0N B.20N C.10N D.小于5N9.粗心的小超在使用弹簧测力计测一个拉力前,指针指在0.2N的刻度上,而他没有校零便开始了测量,他测出的力为4.2N,则该力的大小应该为N;他接着又准备测量另一个2.8N重的物体,他的测量值将是N.10.使用弹簧测力计时,下列注意事项中错误的是()A.弹簧测力计必须竖直放置B.使用前必须检查指针是否指在零刻度线上C.使用中,弹簧、指针、挂钩不能与外壳摩擦D.测量力的大小不能超出测量范围11.同学们总结的关于弹簧测力计的说法中,不正确的是()A.弹簧测力计的原理是:在一定范围内,弹簧受到的拉力越大,它的伸长越长B.使用前必须在水平方向上调零C.所测的力不能超过弹簧测力计的量程D.使用过程中,若弹簧、指针与外壳有摩擦,会影响测量结果弹簧测力计的正确使用方法是:(1)测量前了解弹簧测力计的______,认清每个大、小格表示多少______,检查弹簧测力计的指针是否在______.(2)在测量物体重力时,要使弹簧测力计内的弹簧轴线方向跟______方向一致,读数时,眼睛观察指针的视线应与弹簧测力计的刻线在______.【解析】弹簧测力计的正确使用方法是:(1)测量前了解弹簧测力计的量程,认清每个大、小格表示多少N,检查弹簧测力计的指针是否在0刻度线.(2)在测量物体重力时,要使弹簧测力计内的弹簧轴线方向跟重力方向一致,读数时,眼睛观察指针的视线应与弹簧测力计的刻线在同一水平线.故答案为:(1)量程;N;0刻度线;(2)重力;同一水平线.。
实验一练习使用弹簧测力计教学目标:学习正确使用弹簧测力计的方法。
实验教学重、难点:重点:学习正确使用弹簧测力计的方法。
难点:弹簧测力计的读数。
实验课时:一课时实验班级:802 803 804 805实验时间:实验器材:弹簧测力计、木块、长木板、头发丝教学内容与实验步骤:一、原理和构造:弹簧受到的拉力越大,弹簧的伸长就越长,在弹性限度内,弹簧的伸长量和它受到的拉力成正比,弹簧测力计正是根据这一原理设计的。
弹簧测力计都由弹簧、指针、刻度板、挂钩、吊环和外壳等组成,常见的两种弹簧测力计及其内部构造如图所示。
二、使用方法1.使用弹簧测力计时,首先要看清其量程,所要测量的力不能超过它的量程。
因为弹簧是有一定弹性限度的,超过这个限度测量就不准确,还有可能损坏测力计。
2.测量前要看清楚弹簧测力计的分度值,以便测量时读数。
3.测量前要检查指针是否指在零刻度线。
如果没有指在零刻度线,要进行调节使指针指在零刻度线。
4.使用前,要轻轻地来回拉动弹簧测力计的挂钩,以免指针被卡住,给测量带来较大的误差。
5.测量时,拉弹簧测力计挂钩的力要和测力计的外壳平行,避免扭曲和摩擦,尽量减小由于摩擦产生的测量误差。
6.要等到示数稳定后再读数,读数时视线要与刻度板表面垂直。
最后要说明的是:在使用弹簧测力计时,要尽量使用用挂钩把物体向上拉的测量方法。
因为它就是按照这种方法设计的,使用其他方法的误差相对较大。
三、读数清楚弹簧测力计的量程和分度值,然后再根据指针所指的位置(注意读数时一定要由零刻线往数值增大的方向读)读出所测量力的大小。
四、练习使用弹簧测力计1、观弹簧测力计的量程(最大刻度),认清每一小格表示多少牛。
检查弹簧测力计不受力时,指针时否指在零刻度处。
2、用手拉弹簧测力计的挂钩,使指针指到1N、3N、5N等处,感受一下1N、3N、5N的力有多大。
3、在弹簧测力计的挂钩上挂一个质量已知(约500g)的物体,读出拉力的大小填入记录表中。
弹簧测力计的使用与读数一.选择题(共15小题)1.关于下列测量仪器的说法错误的是()A.弹簧测力计使用前应先在受力方向上调零B.许多测量仪器的示数都是以长度的示数为基础的C.使用温度计时观察零刻度线没有意义D.使用天平时,游码的示数以左端所对刻度值为准2.弹簧测力计是科学实验中常用的仪器.下列关于其它的说法中不正确的是()A.B.C.D.3)0 N4(A.B.C.D.5.()6A.B.C.D.必须换一个弹簧测力计测量,该弹簧测力计已不能使用7.某同学在用弹簧测力计测量一个物体的重力时,错将物体挂在拉环上,当物体静止时,弹簧测力计的读数为4N,则物体的重力()A.一定等于4N B.一定大于4NC.一定小于4ND.以上判断均不正确8.有关弹簧测力计的使用错误的是()A.每个弹簧测力计都有测量的最大值B.测量时要防止弹簧与侧壁的摩擦C.测量时必须匀速拉动,不能突然加速拉动或减速拉动D.测量时弹簧测力计必须保持在竖直方向上9.在实验室里,常用的测量力的工具是()A.停表B.温度计C.天平D.弹簧测力计10.关于测力计,下列说法错误的是()A.测力计必须竖直悬挂B.使用前要先估计所测力的大小,选择量程合适的测力计C.测力计也可以测量水平方向的力D.测力计的量程即其最大刻度值11.如图,两手在竖直方向拉一弹簧秤,它的示数是20N,这两手的拉力分别()不考虑弹簧测力计重12A.B.C.D.13.如图甲所示,弹簧的一端与连接有挂钩的拉杆相连,另一端)竖直向上拉弹簧秤,则稳定后弹簧秤的读数分别为(A.B.C.D.14.某同学在用弹簧测力计测量一只雪梨的重力时,错将雪梨挂在了拉环上,如图所示,当雪梨静止时,测力计C.15A.16.如图所示,用弹簧测力计测一物体所受重力,由图可知,物体所受重力为N,重力的施力物体是.17.如图所示,弹簧测力计的示数为N,物体受到的重力为N.18.如图1所示,弹簧测力计的量程是,此时弹簧测力计的示数是.图2所示的是家用电能表应装在家庭电路的(填“干”或“支”)路上,此时读数是.19.物理学是一门以实物为基础的自然科学,实验中经常测量和记录数据,请读数并记录下面的结果:(1)如图甲是测量某铁块在空气中的重力为N.(2)如图乙是某实验室温度的示数,此时温度为℃.20.如图所示,是正在使用的弹簧测力计,这个弹簧测力计的量程为N,此时的测力计的示数为N.21.请你读出图中弹簧测力计的示数是,此时弹簧由于发生形变而具有能.如果在完全失重的情况下测力计(选填“可以”或“不可以”)测力的大小.22.在某次实验中,弹簧测力计的示数如图所示,则其读数为.23.如图所示,弹簧测力计的量程为N,此时弹簧测力计的示数为N.24(填“25.26N2728N29测拉力30.N.弹簧测力计的使用与读数参考答案一.选择题(共15小题)1.C 2.C 3.D 4.D 5.B 6.B 7.C 8.D 9.D 10.AD 11.A 12.D 13.A 14.B 15.C二.填空题(共15小题)16.2.4地球17.22 18.0~5N2.4N干262.2kW?h 19.1.0-5 20.0~83.2 21.3.2N弹性势可以22.0.28N 23.0~52.4 24.3.2平衡力竖直向上25.0~50.23.6 26.0~100.4 27.0,22.2在弹性限度内,弹簧的伸长量跟受到的拉力成正比28.力0.21.6BA 29. 30.力伸长量0-50.23.2。
(完整版)弹簧测力计专题训练题八年级物理第二学期辅导专题训练弹簧测力计选择题班别:_________ 姓名:_____________ 成绩:_______________ 一、把正确的选项填写在下面表格中题1 2 3 4 5 6 7 8 9 10 11 12 13 14 15 16 17 18 19 20 号答案A.用弹簧测力计测力时,被测力的大小应在测量范围之内;B.用弹簧测力计测力时,其读数应根据最小分度值确定;C.测量前一定要校零;D.实际测量力时,测力计内的弹簧伸长方向不一定要跟所测力的方向在一条直线上.2、关于弹簧测力计上零刻度的意义,下列说法中错误的是:A. 弹簧的长度为零; B.弹簧的伸长为零;C. 弹簧所受的拉力为零; D.指针的初始位置.3、一同学实验时在弹簧测力计的两侧沿水平方向各加6牛拉力。
并使其保持静止,此时弹簧测力计的示为:A.0牛; B.3牛; C.6牛; D.12牛.4、在使用弹簧测力计之前,把它的挂钩轻轻来回拉动几次,这样做的好处是:A.试试弹簧的弹性; B.可避免弹簧被卡壳;C.是无意识的随便拉拉; D.看看能测多大的拉力,以便确定量程.5、有一把弹簧秤,秤钩上不受力时,指针不是指在零刻度位置,而是指在0.2 N的位置上,此时用手拉弹簧秤的秤钩,使弹簧秤的示数为4N,则手拉弹簧的力是:A.4.2 N; B.4 N; C.3.8 N; D.无法判断.6、使用弹簧秤测量之前,如果零点没有校正,指针指在零点的上方,则测量力的大小的读数比真实值将:A.偏大; B.不变;C.偏小; D.无法确定.7、挂在弹簧秤上的钩码静止不动时,受到的作用力是:A、钩码的重力与它拉弹簧的力;B、钩码的重力与弹簧对它的拉力;C、钩码的重力与地球对它的吸引力;D、弹簧的重力与地球对钩码的吸引力.8、使用弹簧秤时,下列做法不正确的是:()A、使用前应调节弹簧秤,使其指针对准零点;B、弹簧秤必须竖直放置,不得倾斜;C、使用时,弹簧秤的弹簧、指针、挂钩不能与外壳有摩擦;D、使用时,必须注意所测的力不得超过弹簧秤的量程。
八年级物理下册《弹力》练习题(附带答案)一单选题1. 下列说法中正确的是( )A. 物体发生形变就一定产生弹力B. 两个物体只要接触就一定产生弹力C. 只有发生弹性形变的物体才会产生弹力D. 拉力属于弹力支持力不属于弹力2. 如图一根弹簧一端固定在竖直墙上在弹性限度内用手水平向右拉伸弹簧的另一端下列有关弹簧形变产生的力的描述正确的是( )A. 手对弹簧的拉力B. 弹簧对手的拉力C. 墙对弹簧的拉力D. 以上说法都不正确3. 两手同时用10N的力向两侧拉弹簧测力计两端的挂钩测力计的示数是( )A. 20N B. 10 N C. 5 N D. 0 N4. 在图中A B两球相互间一定有弹力作用的是( )A. B.C. D.5. 如图所示跳水运动员站在跳板上静止不动下列说法正确的是( )A. 跳板被压弯说明力可以改变物体的运动状态B. 跳板被压弯说明力可以改变物体的形状C. 跳板对运动员的支持力是由运动员施加的D. 运动员对跳板的压力不属于弹力6. 放在水平桌面上的茶杯对桌面有压力下列有关“桌面形变产生的力”的说法正确的是( )A. 茶杯对桌面的压力B. 桌面对茶杯的支持力C. 茶杯的重力D. 茶杯对地球的吸引力7. 使用弹簧测力计时下面几种说法中错误的是( )A. 弹簧测力计必须竖直放置不得倾斜B. 使用中弹簧指针挂钩不能与外壳摩擦C. 使用前必须检查指针是否指在零刻度上D. 使用时必须注意所测的力不能超过弹簧测力计的测量范围8. 弹簧测力计分别受到水平向左的F1和水平向右的F2的拉力作用F1F2均为3N静止时如图所示下列说法正确的是( )A. 弹簧测力计的示数为0NB. 弹簧测力计的示数为6NC. F1F2是一对相互作用力D. 弹簧测力计的示数为3N9. 使用弹簧测力计时下面几种说法中错误的是()A. 弹簧测力计必须竖直放置不得倾斜B. 使用中弹簧指针挂钩不能与外壳摩擦C. 使用前必须检查指针是否指在零点上D. 使用时必须注意所测的力不能超过弹簧测力计的测量范围10. 如图所示下列描述错误的是( )A. ①图若甲乙两车都在向东匀速直线运动以甲为参照物乙向西运动B. ②图若体积质量都相等的甲乙两球则乙球空心部分的体积一定比甲多C. ③图表示弹簧受到的拉力与弹簧的长度的关系D. ④图表示弹簧受到的拉力与弹簧的伸长的关系二填空题11. 如图所示将足球放在一块长木板上静止木板与足球均发生弹性形变则足球受到的弹力是因为______发生弹性形变而产生的使木板发生形变的力是足球对木板的______力。
九年级物理弹力弹簧测力计同步练习题1.橡皮泥变形后不能自动恢复原来的形状,物体的这种特性叫,当弹力作用在物体上时,会使物体发生形变。
2.弹簧受力时会,不受力时又会,物体的这种性质叫做;弹力是物体由于发生而产生的力,力、力、力都是弹力。
在一定范围内拉弹簧,弹簧所受的越大,它被拉得,弹簧测力计就是根据弹簧的这种性质制成的。
3.如图所示,是正在使用的弹簧测力计,这个弹簧测力计的量程为,分度值为,此时的测力计的示数为N。
4.在实验室使用弹簧测力计时,下列说法错误的是()A.弹簧测力计必须竖直放置,不得倾斜B.使用前必须检查指针是否在零刻度线上图C.使用过程中,弹簧、指针、挂钩不能与外壳摩擦D.测量力的大小不能超出测力计的范围5.小明在实验室用弹簧测力计测量物重时不小心将物体挂在拉环上,当物体静止时,弹簧测力计示数为10.0N,则该物体重是()A.一定为10.0NB.一定小于10.0NC.一定大于10.0ND.以上说法都不正确6.若先在地球上后在月球上分别用天平和弹簧测力计称量同一个物体,则会发现()A.天平示数变大,弹簧测力计示数变大B.天平示数变小,弹簧测力计示数不变C.天平示数不变,弹簧测力计示数变大D.天平示数不变,弹簧测力计示数变小7.下列关于弹力说法正确的是()A.物体间不相互接触,也能产生弹力B.只要物体接触就一定会产生弹力C.发生弹性形变的物体,形变越大,弹力越大D.只有弹簧才产生弹力8.某同学在使用弹簧测力计之前,发现弹簧测力计的指针在0.2N的位置,为了使测量准确,这个同学提出了以下调整方法,其中正确的是()A. 把指针扳动到“0”刻度线B.测出拉力后,再减去0.2NC.因为实验总有误差,直接读出数值就可以D.以上方法都可以9.弹簧测力计在端点附近断裂,小明把断裂的那一部小段取下,将剩余部分弹簧重新安装好,并校准了零点,用这个测力计来测量力的大小为测量值M ,弹簧没有断裂前测量相同的力的测量值为N ,比较两次测量值的大小则 ( )A.M 比N 大B.M 比N 小C.M 等于ND.以上具有可能10.铁架台上悬挂一根弹簧,如图所示,分别用6次大小不等的力拉弹簧,测得弹簧伸长记录如下表格,则用这根弹簧制成的弹簧测力计,其量程为 ( )A. 0-3.0NB. 0-2.5NC. 0-2.0ND. 0-1.5N.11.下列关于弹簧测力计使用的说法,错误的是( )A.每个弹簧测力计都有一个测量范围,被测力应小于这个范围B.使用前必须先对弹簧测力计校零C.弹簧测力计只能竖直放置,测竖直方向的力D.弹簧测力计可以测不同方向的力12.某同学在用弹簧测力计测量一物体的重力时,错将物体挂在了拉环上,当物体静止时,弹簧测力计的读数为10.0N ,则物体的重力为( )A.一定等于10.0 NB.一定小于10.0 NC.一定大于10.0 ND.以上判断都不正确13.测一个大小为8 N 的力时,应选用的弹簧测力计,最恰当的规格是( )A.量程为10 N ,最小刻度值为0.2 NB.量程为5 N ,最小刻度值为0.1 NC.量程为15 N ,最小刻度值为0.5 ND.上述三个弹簧测力计都可以用14.使用弹簧测力计,下列说法正确的是( )A .测量前应让测力计的弹簧自由下垂,看指针是否对准零刻度线B .弹簧测力计必须竖直放置,不准倾斜C .应避免弹簧测力计指针、挂钩与外壳摩擦D .所测的力的大小不能超出它的测量范围15.有一弹簧测力计放在水平桌面上,两位同学各拉着它的一端,当弹簧测力计静止时,其示数5N ,忽略其他力的影响,两位同学所用的拉力分别是( )A .5N 、5NB .10N 、10NC .2.5N 、2.5ND .5N 、0N图12-216.有三根完全相同的弹簧并联在一起做成的拉力器,如果将一根弹簧拉长5cm,需要用力15N。
教科版八年级物理下册:7.3“弹力弹簧测力计”质量检测练习题7.3“弹力弹簧测力计”质量检测练习题一、单选题1.关于弹簧测力计的使用,下列说法中正确的是()A. 测量前不用将指针调零B. 读数时,视线应穿过指针与刻度盘垂直C. 使用弹簧测力计可以测任何大小的拉力 D. 使用弹簧测力计时,必须竖直提着用2.下列几种测量工具中,哪种是用来测量力的大小的工具()A. 刻度尺B. 弹簧测力计C. 天平D. 温度计3.如图,小熊正在划船前进,则下列说法中正确的是( )A. 小熊停止划浆时小船会立即停止前进B. 小船前进时,小熊相对于船是运动的C. 小熊对船的压力和船对小熊的支持力是一对平衡力D. 用浆向后划水船会前进,说明物体间力的作用是相互的4.关于弹性形变概念,下列理解正确的是 ( )A. 物体形状改变叫弹性形变B. 一根铁丝用力折变后的形变就是弹性形变C. 物体在外力停止作用后,能够恢复原状的形变叫弹性形变D. 物体在外力作用后的形变叫做弹性形变5.测量力的常用工具是()A. 托盘天平B. 电子台秤C. 弹簧测力计D. 磅秤6.中华民族有着悠久的文明历史,我国古代早就有人对自然现象进行观察和研究,留下了许多史料记载,一些民间谚语、优美的诗词以及俗语等也包含着大量的物理知识。
下列语句和相应的物理本质的解释,其中不正确的是()A. “山顶有泉,煮米不成饭”——山顶气压较低,泉水的沸点较高,水不容易沸腾B. 小小秤砣压千斤——杠杆原理C. 磨刀不误砍柴工——减小受力面积,增大压强D. 一个巴掌拍不响——力是物体对物体的作用7.下列说法正确的是()A. 有受力物体时,一定有施力物体B. 磁铁吸引小铁钉时,只有铁钉受到磁铁的吸引力作用C. 投出的铅球在空中飞行时,受到一个使它前进的推力D. 不接触的物体,一定没有力的作用8.使用弹簧测力计时,下列说法正确的是()A. 测量前不用将指针调零B. 使用弹簧测力计可以测任何大小的力C. 读数时,视线应正对指针,与刻度盘垂直D. 使用弹簧测力计时,必须竖直提着用9.使用弹簧测力计时,下列几种说法错误的是()A. 弹簧测力计只能测竖直方向的力B. 使用前必须检查指针是否指在零刻度线上C. 必须注意所测的力不能超过弹簧测力计的测量范围D. 施力方向不应偏离弹簧的轴线方向10.端午节赛龙舟是我国民间传统习俗,举行龙舟比赛时,使龙舟前进的力的施力物体是()A. 人B. 船桨C. 湖水D. 龙舟11.有人认为使用弹簧测力计必须注意以下几点,你认为其中哪一点是不正确的().A. 使用前必须检查指针是否在零刻度处 B. 弹簧测力计必须竖直放置,不能倾斜C. 使用时避免弹簧、指针、挂钩与外壳摩擦 D. 不能测量超过弹簧测力计量程的力12.随着人们的生活水平不断提高,小轿车已进入千家万户,下列与小轿车相关的物理知识的说法中正确的是()测力计的挂钩,使测力计示数为4N,则手拉挂钩的力是()A.4.2NB.4NC.3.8ND.无法判断二、填空题16.春天到了,周末,小李和小明泛舟游东湖,若以________为参照物,小李是静止的,小明向后划桨使船前进,这说明力可以改变物体的________(选填“形状”或“运动状态”).17.“让我们荡起双浆,小船儿推开波浪,海面倒映着美丽的白塔,四周环绕着绿树红墙,小船轻轻飘荡在水中,迎面吹来了凉爽的风……”.大多数同学是唱着这支优美的歌曲长大的,歌曲中含有许多物理知识,例如:用船浆划水,船就会运动起来,这说明________ .18.小铭参加立定跳远考试,起跳时他用力向后蹬地,就能向前运动,一是利用了物体间力的作用是________,二是利用了力可以改变物体的________。
弹簧测力计读数方法大全弹簧测力计是一种常用的物理实验仪器,用于测量物体受力情况。
准确读取弹簧测力计的读数对于实验结果的准确性至关重要。
本文将介绍几种常用的弹簧测力计读数方法,帮助读者更好地理解和运用该仪器。
一、零位调整法零位调整法是最常见也是最基础的弹簧测力计读数方法。
在使用弹簧测力计前,首先需要进行零位调整。
具体操作如下:1. 将测力计置于水平桌面上,确保其底部完全接触桌面;2. 慢慢旋转测力计的调整手柄,调整至仪表指针指向“0”刻度线;3. 确认读数指针已稳定在“0”刻度上,此时进行测量即可。
二、水平校正法在实验中,有时由于测量误差或其他原因,弹簧测力计可能发生倾斜。
为了保证测力计的准确性,需要进行水平校正。
具体操作如下:1. 将测力计放置在水平桌面上,接通电源,等待仪表稳定;2. 轻轻转动测力计的底部调整螺丝,使仪表指针指向“0”刻度线;3. 待仪表稳定后,进行读数。
三、垂直放置法如果需要进行上下方向力的测量,可以使用垂直放置法。
具体操作如下:1. 将测力计固定在支架上,并保持仪器正立,使测力计与竖直方向垂直;2. 调整测力计的零位,确保指针指向“0”刻度线;3. 进行测量时,保持仪器的稳定,读取指针指示的读数。
四、转盘法转盘法适用于需要连续测量多个力的情况。
具体操作如下:1. 将弹簧测力计固定在转盘上,并固定好转盘;2. 通过旋转转盘的方式,依次测量多个力值;3. 每次测量后,及时读取指针指示的读数,并记录下来。
五、力的平行分解法力的平行分解法适用于需要分解力的情况,可以将一个力按照不同方向的分量进行测量。
具体操作如下:1. 将测力计与待测物体连接,并保持力的方向与测力计夹角固定;2. 观察并记录测力计指针指示的读数;3. 根据力的分解原理,计算出力的各个方向的分量读数。
六、直读法直读法适用于弹簧测力计上标有刻度线的情况,可以直接读取刻度线上对应的力值。
具体操作如下:1. 将测力计与待测物体连接,并固定好;2. 直接读取刻度线上的力值,注意选择距离力的作用点最近的标度线;3. 进行测量后,即可得到力的读数。
中考物理专项练习之弹簧测力计及其使用(含解析、全国通用)一、单选题(本大题共19小题,共38.0分)1. 如图所示,弹簧测力计的正确读数是()A. 2.4NB. 3.4NC. 2.6ND. 3.2N2. 如图为实验室的一种弹簧秤.把物体挂在弹簧秤上处于静止时,从左边刻度(单位为牛顿)可以测出物体重力的大小,从右边刻度(单位为克)可以测出物体在地球上的质量近似值,如果把该弹簧秤拿到月球上使用(已知同一物体在月球上的重力是地球上的六分之一),下列刻度的重新标法正确的是()左边刻度线左边刻度线对应的数值为右边刻度线右边刻度线对应的数值为A 不变原值不变不变原值的六倍B 不变原值的六倍不变原值不变C 不变原值不变不变原值的六分之一D 不变原值的六分之一不变原值不变A. AB. BC. CD. D3. 如图所示的基本量具的测量结果,记录正确的是()A.天平所测物体的质量为6.6g B.温度计的示数为16℃ C.电流表的示数为0.32A D.弹簧测力计的示数为1kg4. 如图所示的y-x图象,它可以表示()A. 做匀速运动的物体,速度和时间的关系B. 同种液体,液体压强与深度的关系C. 某一弹簧,产生的弹力和弹簧长度的关系D. 电流通过某一导体产生的电热与流经这一导体的电流的关系5. 下列一些常用仪器的操作,正确的是()A. B.C. D.6. 如图所示,弹簧测力计的示数为()A. 3NB. 3.8NC. 4ND. 4.2N7. 如图所示,小明同学把钩码挂到弹簧秤的挂钩上,下列有关说法错误的是()A. 此时弹簧秤的示数为5.4NB. 钩码受到的重力与它的质量成正比C. 称量时挂钩和钩码之间力的作用是相互的D. 称量时弹簧秤中的弹簧在拉力的作用下发生了形变8. 关于物理测量仪器的使用规则,下列说法中正确的是()A. 使用刻度尺测长度时,一定要从零刻线开始且得估读B. 使用天平测质量时,一定要等天平横梁静止下来再读数C. 使用弹簧测力计测拉力时,测力计一定要保持竖直D. 使用量筒测液体体积时,读数的视线一定要与凹面底部或凸面顶部相平9. 关于弹簧测力计的使用方法中,错误的是()A. 被测力应作用在挂钩上B. 测量时指针不要与外壳接触C. 弹簧测力计不能斜着用D. 被测力的大小不允许超过弹簧测力计的量程10. 下列各组数据读数正确的是()A. 3N; 19℃; 3.80cm; 2.5VB. 3N; 21℃; 3.80cm; 2.5VC. 3N; 21℃; 9.80cm; 2.5VD. 3N; 19℃; 9.80cm; 0.5V11. 物理学是一门实验性很强的基础科学,正确使用仪器的技能是做好物理实验的基础,下列操作规范的是()A. 使用温度计测量液体温度,将温度计从液体中取出来读数B. 使用弹簧测力计时,不调零就直接进行测量C. 使用天平称量物体质量时,用手直接拿取砝码D. 不能直接把电流表接在电源的正、负极上12. 如图所示,弹簧测力计和细线的重力及一切摩擦均不计,物重G=5N,则弹簧测力计A和B的示数分别为()A. 5N,0NB. 0N,5NC. 5N,5ND. 5N,10N13. 下列关于实验仪器使用的说法中,正确的是()A. 使用弹簧测力计时,可以超过它的量程B. 使用天平测量物体质量时,应将法码放在左盘C. 使用电流表时,应使电流从“+”接线柱流入,从“-”接线柱流出D. 使用液体温度计测量水温时,将温度计放入水中后应马上读数14. 用细线绑住干净的玻璃板,将玻璃板吊在弹簧测力计的下面,静止时测力计示数为F1;又使玻璃板水平接触水面,然后稍稍用力向上拉玻璃板,且没有离开水面,如图所示,测力计示数为F2;再将玻璃板慢慢浸没在水中,玻璃板没有接触杯底,静止时测力计示数为F3.则()A. F2>F1>F3B. F1>F2>F3C. F2>F1=F3D. F1=F2=F315. 下列操作正确的是()A. B.C. D.16. 以下是小明所作物理笔记的摘抄,其中错误的是()A. 物体运动速度改变时,不一定受到力的作用B. 热气球静止在空中,其所受浮力等于重力C. 使用弹簧测力计前,要检查指针与零刻度是否对齐D. 无论用何种方式提高机械效率,都不能使其达到100%17. 测量是物理实验的基本技能,下列测量工具的使用,方法正确的是()A. B. C.D.18. 下列说法正确的是()A. 使用刻度尺测量物体长度必须用零刻度作为测量起点B. 使用天平测量物体的质量,被测物体应放在左盘,砝码放在右盘C. 弹簧测力计只能测量物体受到的重力大小D. 多次测量求平均值是消除测量误差常用的方法19. 小峰学习物理知识,进行了如下所示的四次测量实验,其中测量结果正确的是()A.B.物体的长度为5.23cm物体A的重力是4.6NC.金属块的体积是100cm3D.金属块的质量为25g二、多选题(本大题共2小题,共6.0分)20. 如图所示的仪器读数不正确的是()A. 甲图中的秒表的读数是5分37.5秒B. 乙图中的弹簧测力计的读数是2.6NC. 丙图中的温度计的读数是14℃D. 丁图中的刻度尺的读数是4.50cm21. 下列说法不正确的是()A. 天平可以间接测量物体的重力B. 弹簧所受拉力越大,弹簧长度就越长C. 对于处于平衡状态的杠杆,动力臂是阻力臂的几倍,动力一定是阻力的几分之一D. 使用斜面时,斜面越长越省力三、填空题(本大题共14小题,共28.0分)22. 实验室测量力的工具是______,如图所示所测力的大小为______N .23. 今年6月4日,中央电视台对我市焦山“瘗鹤铭”疑似残石的第四次打捞进行了报道,激起了小韦同学对浮力知识进一步探究的兴趣.他用弹簧测力计、烧杯进行了探究,其主要过程和测得的数据如图所示.把金属块缓慢浸入水中(水足够深),从金属块接触水面到刚好全部浸没,弹簧测力计的示数变______,金属块全部浸没后,所受的浮力是______N,金属块浸没后随深度增加,所受水的压强变______.24. 小明通过实验探究物体受力情况与运动状态之间的关系,他在弹簧测力计下悬挂一个3N的砝码(如图),钩码的运动状态与弹簧测力计的示数记录如下表所示:实验次数钩码的运动状态弹簧测力计读数(N)①匀速向上运动 3.0②匀速向下运动 3.0③加速向上运动 4.5④加速向下运动2.3⑤减速向下运动 2.4⑥减速向下运动 3.8(1)由①②可知,钩码在匀速直线运动时弹簧测力计对钩码的拉力______钩码的重力;(2)由③⑥可知,钩码在加速向上或减速向下时,弹簧测力计对钩码的拉力______钩码的重力;(3)由④⑤可知,钩码在加速向下或减速向上时,弹簧测力计对钩码的拉力______钩码的重力(以上均选填“大于”、“等于”或“小于”).(4)小明在体重计上静止时,体重计的示数为550N,当小明从站立到迅速蹲下的过程中,可看作先加速向下运动,然后减速向下运动,最后静止,据(1)中的结论可知体重计的示数变化______.A.一直小于550N最后等于550NB.一直大于550N最后等于550NC.先小于550N,后大于550N,最后等于550ND.先大于550N,后小于550N,最后等于550N.25. 如图所示,弹簧测力计的示数为______N.26. 如图所示,轻弹簧一端固定,在保证撤去拉力后,弹簧可以恢复原来形状的前提下,小明用手拉弹簧的自由端,弹簧伸长.当他用更大的力拉弹簧时,弹簧伸长更多.请根据此情景,提出一个可以探究的科学问题:______.27. 如图所示,弹簧测力计的示数为______N.28. 小李利用图示装置做“探究影响滑动摩擦力大小的因素”实验,他沿水平方向匀速拉动木板,稳定时弹簧测力计示数如图所示,读数为______ N,在木块上放一重物,重复实验,弹簧测力计的示数变化情况是______ .拉动木板过程中,木板______ (受到/不受到)木块的摩擦力.29. 如图所示,用动滑轮提升重物,使用动滑轮的好处是______ .若物体重为4N,弹簧测力计示数如图所示为______ N,则动滑轮的机械效率为______ .30. 使用弹簧测力计之前,要先______ .如图所示,所测物体M受到的重力是______ .31. 如图所示,弹簧测力计的量程为______ N,鱼对弹簧测力计秤钩的拉力是______ N,鱼的重力和______ 是一对平衡力.32. 科学家罗伯特•胡克一生为科学发展作出巨大的贡献.(1)胡克曾协助科学家玻意耳发明了抽气机,当抽气机将密闭玻璃罩中的部分空气抽出时(如图甲),玻璃罩内的空气密度如何变化?______ .(2)胡克研究弹性物体的形变程度与力的大小关系,得出了相关规律.实验室中哪种测量工具是利用此规律制成的?______ .33. 写出下列读数:如图所示弹簧测力计示数是______ N,电流表读数是______A.34. 弹簧测力计是测量______ 的仪器.关于弹簧测力计的使用,下列说法中正确的是______ (填序号)A.弹簧秤必须竖直放置使用,不得倾斜B.使用过程中,弹簧、指针、钩子不能与外壳摩擦C.测力时,弹簧测力计的轴线方向可以与受力方向不一致D.使用弹簧测力计可以测量任何大的力.35. 物理学是一门以实验为基础的学科,实验中仪器的读数是必不可少的.请你读出图中所示的各测量工具的示数,并把它们填写在下面的横线上:木块的长度是______ ;测力计的示数是______ ;温度计的示数是______ .四、实验探究题(本大题共13小题,共78.0分)36. 如图(a)所示的实验的装置可以用来证明______的存在.如图(b)所示的实验仪器是______,它的工作原理是通过改变______来改变电阻,它是______实验中的重要元件(填实验名称).在“验证阿基米德原理”的实验中用到弹簧测力计,如图(c)所示,弹簧测力计的最小分度值是______牛,此时弹簧测力计的示数是______牛.37. (1)如图1所示,物体A的长度为______cm;(2)图2所示的弹簧测力计的示数是______N;(3)如图3所示的量筒是以为单位标度的______,最小分度值是______;测量时如果如图那样读数,则读出的液体体积与真实值相比将______(填“偏大”、“偏小”或“相等”).38. 小芳实验小组对“金属丝被拉断时,拉力的大小与哪些因素有关”进行了探究.他们的猜想是:猜想一:拉力的大小与金属丝的长度有关;猜想二:拉力的大小与金属丝的材料有关.为了探究的方便,他们使用的器材是:拉力机一台(拉力机可逐渐增大固定在其上的金属丝的拉力,可以显示金属丝刚被拉断时拉力的大小)、金属丝若干(各种材料、各种长度、各种横截面积的金属丝)和其它辅助工具.(1)为了验证猜想一,她们选用拉力机、三根材料相同的金属丝进行了实验,得到的数据如下表.实验次数横截面积/mm2长度/m拉断时拉力大小/N1 2 0.5 15002 2 1.0 15003 2 1.5 1500由表中数据可得到的初步结论是:______.(2)为了验证猜想二,她们选用三根材料不同、长度相同、______相同的金属丝分别安装在拉力机上进行实验,测出______(物理量用字母表示).由此得到的实验结论可能是______或______.(3)上述探究活动应用了控制变量的研究方法,这种方法在我们已经探究的其他物理问题中也经常用到.请你举出其中的一例:______.39. 小华同学将小石柱挂于弹簧测力计的下端,缓慢浸入水中.如图所示,是实验过程中的状态示意图.(1)实验用弹簧测力计的分度值是______N,小石柱受到的重力是______N.(2)小石柱所受浮力大小的变化过程是先______,后______.(3)实验表明,小石柱受到的浮力与______有关,与______无关.40. 小雨同学在研究弹簧弹力与弹簧伸长量的关系时,通过测量得到如下表所示的实验数据.请根据表中数据归纳出弹簧弹力F与弹簧伸长量x的关系式为:F=______.x/cm 0 5 10 15 20 25 30F/N 0 100 200 300 400 500 60041. 如图,物体A的长度为______ cm.弹簧测力计的示数为______N.42. 在学完弹力后,同学们在“制作弹簧测力计”的活动课中发现:在一定的范围内,弹簧受到的拉力越大,弹簧的长度就会越长,根据这一现象,小明和小丽提出如下猜想,究竟谁的正确呢?它们决定一起通过实验来验证自己的猜想.(1)小明和小丽利用一根弹簧、若干个相同的钩码、刻度尺等器材设计实验,实验记录数据如下表:1 拉力(钩码总重)F/N 0 0.5 1.0 1.5 2.0 2.52 橡皮筋的总长度l/cm 4.50 5.10 5.70 6.31 A 7.503 橡皮筋伸长的长度△l/cm 0 0.60 1.20 1.81 B 3.00表中有一组数据没有记录,请根据如图补充A处数据为______ cm,B处数据为______ cm.根据表中数据,两个同学中______ 猜想是正确的.(2)在学完摩擦力之后,小丽同学又用弹簧测力计探究滑动摩擦力大小与哪些因素有关时,进行了甲、乙、丙三次实验,如图所示.由______ 两个实验可知,滑动摩擦力的大小与压力大小有关.由图甲和图丙两个实验可知,滑动摩擦力的大小与______ 有关.(3)在研究滑动摩擦力实验中,小丽同学主要应用下列哪一种研究物理问题的方法______ .A.类比法B.控制变量法C.推理法D.等效替代法.43. 请按要求完成填空.(1)如图1所示,量筒中液体的体积为______ mL.(2)如图2所示,弹簧测力计的示数为______ N.(3)如图3所示,液体温度计是利用测温液体______ 的性质制成.(4)如图4所示,在利用该装置探究光的反射规律的过程中,多次改变入射角可以探究______ 大小的关系.44. 如图所示的弹簧测力计的最小分度值为______ 牛,读数为______ 牛.在“探究杠杆平衡的条件”实验中,需要测量的物理量是______ 、动力臂、阻力和阻力臂,为了能直接读出力臂的数值,应使杠杆在______ 位置保持平衡.45. 回答下列问题:(1)螺线管通电后,小磁针静止时的指向如图1所示,则通电螺线管右端为______ 极,电源的______ 端为正极.(2)实验室里常用的液体温度计是根据______ 的规律制成的,如图2所示,液体温度计测量液体温度时,操作正确的是______ 图.(3)如图3所示,电流表的示数是______ A,如图4所示,弹簧测力计的示数是______ N,物体M的质量是______ kg(g=10N/kg).46. 如图所示,弹簧测力计的示数为______ N.电流表的示数为______ A.温度计的示数为______ ℃.47. 正确使用仪器进行测量是物理学习中的一项基本实验技能.(1)如图甲、乙所示,在测物体的长度时,两种使用方式中正确的是______图,铅笔的长度应读为______ cm.(2)用刻度尺测物理课本的长度需要多次测量,多次测量的目的是______ .若用毫米刻度尺测量,四次读数分别为25.98cm、26.00cm、26.02cm、26.42cm,其中错误的数据是______ ,该物理课本的长度应为______ .(3)如图丙所示,是正在使用的弹簧测力计测量一个物体的重力大小,此时弹簧测力计的示数应读为______ N.48. (1)基本仪表读数:①图1中常用温度计读数是______ ℃;②图2中用刻度尺测得物体的长度是______ cm;③图3中弹簧测力计所受的拉力为______N.(2)小娟在探究某光学元件成像规律实验中,用装有6个发光二极管的有方格的白纸板做发光物体,如图甲所示.又用这种有同样大小方格的白纸板做光屏.将发光物体、某光学元件和光屏组装到光具座上并调整好.①当发光物体在a点时,如图乙所示,在光屏上成的像如图丙所示.则光屏上的像是倒立、______ (选填“放大”“等大”或“缩小”)的实像.②将发光物体由a点移动到b点,要想找到像的位置,应向______ 选填“左”或“右”)移动光屏,直到光屏上出现清晰的像为止.光屏上成像的尺寸比物体______ (选填“大”或“小”).五、计算题(本大题共9小题,共72.0分)49. 我们知道,在弹性限度内弹簧的伸长x和受到的拉力F成正比,在物理学中用劲度系数k表示弹簧的弹性性能.则有关系式F=kx.(1)如图甲所示是某根弹簧的F与x之间的关系图,则该弹簧的劲度系数k为多少?(2)因单根弹簧的弹性限度有限,某同学将两根同样的轻质弹簧并联起来使用,如图乙所示,忽略整个装置的重力,若所挂物体的质量为1kg,则每根弹簧受到的拉力为多大?(3)试推导上述两根并联弹簧的劲度系数k′与单根弹簧的劲度系数k的关系.50. 如图1所示,物体A的长度为______;图2中作用在测力计上的拉力为______.51. 图所示的弹簧测力计的示数是______N.52. (1)图1所示弹簧测力示数为______N.(2)图2所示木块长度为______cm.(3)图3所示体温计的示数为______℃.53. 图中,物体A受到的重力为______N.54. 如图所示,弹簧测力计的示数是______N.55. 如图所示,物体A重2.4N,请标出弹簧测力计指针的位置.56. 如图所示的弹簧测力计的示数是______ N.57. 如图1中甲物体A的重力为______ N,乙物体B的长度为______ cm.如图2所示的情景,受到敲击的2号棋子飞了出去,表明力可以改变物体的______ ;上面的棋子在______ 力的作用下,最终竖直下落.六、综合题(本大题共3小题,共30.0分)58. 如图所示的弹簧测力计的示数是______N.59. 请完成下列实验:(1)如图1所示,物体的长度是______cm.(2)如图2所示,温度计的示数是______℃.(3)如图3所示,弹簧测力计的读数是______N.60. 读数题:如图所示(1)木块的长度是______ cm;(2)弹簧测力计的示数为______N.中考物理专项练习之弹簧测力计及其使用(含解析、全国通用)【答案】1. C2. A3. C4. B5. B6. C7. A8. D9. C 10. A11. D 12. C 13. C 14. A 15. D16. A 17. D 18. B 19. B 20. ACD21. BD22. 弹簧测力计;2.623. 小;1;大24. 等于;大于;小于;C25. 2.226. 弹簧的伸长量与拉力大小是否有关?27. 228. 0.8;变大;受到29. 可以省力;2.4;83.3%30. 观察弹簧测力计的量程和分度值;3.6N31. 0~5N;2.2;测力计对鱼的拉力32. 变小;弹簧测力计33. 2.2;0.334. 力的大小;B35. 4.50cm;3.6N;24℃36. 大气压;滑动变阻器;连入电路中电阻线的长度;测定小灯泡电功率;0.2;2.437. 3.10;2.2;ml;2ml;偏大38. 当金属丝材料、横截面积相同时,金属丝被拉断时的拉力大小与金属丝的长度无关;横截面积;三根金属丝被拉断时的拉力F1、F2、F3;金属丝被拉断时拉力的大小与金属丝的材料无关;金属丝被拉断时,拉力的大小与金属丝的材料有关;研究导体中的电流与电压的关系39. 0.2;4.0;变大;不变;物体排开液体的体积;物体在液体中浸没的深度40. 20(N/cm)•x41. 3.90;2.242. 6.91;2.41;小明;甲、乙;接触面粗糙程度;B43. 35;3.6;热胀冷缩;反射角与入射角44. 0.2;3.2;动力;水平45. 北(N);右;液体热胀冷缩;丁;2.5;1;0.146. 3;0.28;3847. 乙;3.40;减小误差;26.42cm;26.00cm;2.848. -14;2.45;3.6;缩小;左;小49. 解:(1)根据F=kx,由图知当拉力F=2N时弹簧的伸长x=1cm,故该弹簧的劲度系数k===2N/cm;(2)因G=mg=1kg×10N/kg=10N则每根弹簧受到的拉力为F1=F2===5N;(3)两根并联弹簧受到的总拉力F′=F1+F2=2F,两根并联弹簧后总伸长量和每个弹簧的伸长量相等.又F′=k′x,F=kxF′=2F=k′x=2kx所以k′x=2kx故k′=2k.答:(1)该弹簧的劲度系数k为2N/cm;(2)每根弹簧受到的拉力为5N.(3)两根并联弹簧的劲度系数k′与单根弹簧的劲度系数k的关系:k′=2k.50. 2.45cm;2.2N51. 152. 2.4;2.17;37.453. 254. 2.455. 解:图中弹簧测力计的分度值为0.2N,因此2.4N应在2N以下第二个格的位置,如图所示.56. 2.057. 4.6;2.13;运动状态;重58. 159. 1.16;-4;4.660. 4.50;2.2【解析】1.解:由图知:弹簧秤的最小刻度值为0.2N,因此弹簧测力计的示数为2.6N;故选C.此题在弹簧测力计的量程内读数,由图示可知此弹簧测力计的最小刻度值为0.2N,根据弹簧测力计的读数规则即可读出示数.在弹簧秤读数时,首先观察量程与最小刻度,并且视线要与测力计指针持平.2.解:(1)物体放到月球上,质量不变,重力会变为地球上重力的六分之一;但弹簧的材料不变(劲度系数不变),将弹簧拉长到同样长度,需要的重力不变,因此左边刻度线(代表重力)不变时,对应的原值不变;(2)在地球上,取g=10N/kg,左边刻度线标有10N数值时,需要在弹簧秤上挂质量为1kg的物体(重力为10N),弹簧秤的指针会被拉到10N的位置;在月球上,左边刻度线标有10N数值不变时,因同一物体在月球上的重力是地球上的六分之一,则需要在弹簧秤上挂上质量为6kg的物体,弹簧秤的指针才会被拉到10N的位置(G=G地=×6kg×10N/kg=10N);月(3)因此右边刻度线(代表质量)不变时,对应的数值应为原值的6倍;只有这样,才能正确测量力和显示质量.故选项A符合题意,选项BCD不符合题意.故选:A.(1)物体所含物质的多少叫质量,质量是物体本身的一种属性,与物体所含物质的多少有关,与物体的形状、状态、位置和温度无关;(2)月球上物体的重力是它在地球上重力的六分之一;(3)弹簧秤拿到月球上后左侧和右侧的刻度线不变,重力刻度值为原值不变,质量刻度值为原值的6倍.此题考查的是质量的特点和月球重力与地球重力的关系的应用,难度较大.3.A、在天平的标尺上,1g之间有5个小格,一个小格代表0.2g,即天平的分度值为0.2g.被测物体的质量为m=5g+1.2g=6.2g.此选项错误;B、在温度计上,10℃之间有10个小格,一个小格代表1℃,所以此温度计的分度值为1℃;液柱最高处在0℃以下,说明温度低于0℃,为-4℃.此选项错误;C、由图知,电流表选择的是0~0.6A量程,对应的分度值为0.02A,此时的示数为0.32A.此选项正确;D、弹簧测力计是测量力的工具,计量单位是N.此选项错误.故选C.①使用天平测量物体质量时,首先要明确标尺的分度值.被测物体质量等于砝码的总质量与游码所对刻度之和.②使用温度计测量温度时,首先要明确温度计的分度值,读数时视线与液柱最高处相平,并注意区分零上或零下.③读取电流表示数时,首先要明确电流表选择的量程和对应的分度值,读数时视线与指针所对刻线相垂直;④在国际单位制中,力的单位是N,质量的单位是kg.读取不同测量工具的示数时,基本方法是一致的,都要先明确测量工具的量程和分度值,确定零刻度线的位置,视线与刻度线垂直.4.解:A、做匀速直线运动的物体,速度是不变的,时间增大,速度不变,速度和时间的比值是变化的,速度和时间不成正比.不符合题意.B、根据液体公式p=ρgh得,同种液体ρ一定,g是常量,液体压强跟深度成正比.符合C、某一弹簧,产生的弹力和弹簧伸长的长度成正比.不符合题意.D、电流通过某一导体产生的电热与流经这一导体的电流的平方成正比.不符合题意.故选B.如图所示的y-x图象,说明y跟x成正比,凡是两个物理量之间成正比的均符合要求.两个物理量之间的比值是一个定值,这两个物理量之间是成正比的.学科之间的综合题是中考的热点,本题通过图象得出横纵坐标代替的物理量之间成正比.5.解:A、此图的刻度尺没有和被测物体对齐,使用错误,故A错误.B、温度计的玻璃泡没有接触烧杯,而且视线也和刻度垂直,故B是正确的.C、电流表不能直接接在电源的两极,这样会烧坏电流表和电源,故C错误.D、弹簧测力计不能倒着使用,故D错误.故选B.对于4个选项中的测量工具逐一分析,对照它们的使用原则,看哪个符合使用要求,就选哪个.此题考查了多个测量工具的使用,要在对每一种测量工具能熟练使用的基础上来解此题.6.解:由图知:弹簧测力计上1N之间有5个小格,所以一个小格代表0.2N,即此弹簧测力计的分度值为0.2N,此时指针指在“4”处,所以弹簧测力计的示数为4N,故C正确.故选C.使用弹簧测力计时,首先要明确其分度值,读数时视线与指针所在刻线相垂直.此题考查的是弹簧测力计的读数,初中物理学习了很多测量工具的使用,但没有特殊说明,只有刻度尺的读数要有估读值,其它只要读到准确值即可.7.解:A、由图知,在弹簧秤上1N之间有5个小格,一个小格代表0.2N,即弹簧秤的分度值为0.2N.此时的示数为4.6N.此选项错误;B、钩码受到的重力与其质量成正比.此选项正确;C、称量时挂钩对钩码、钩码对挂钩的作用力是相互的.此选项正确;D、弹簧秤的弹簧在拉力的作用下发生形变.此选项正确.故选A.①读取弹簧秤示数时,首先要明确弹簧秤的量程和对应的分度值,读数时视线与指针所对刻线相垂直;②物体受到的重力与其质量成正比;③力是物体对物体的作用,力的作用是相互的;④力的作用效果有二:改变物体的运动状态,改变物体的形状.熟知弹簧秤的制作原理,并应注意这种成正比的关系是建立在不超出弹簧的弹性限度的基础之上的.8.解:A、刻度尺的使用时可以从整刻度开始,故A错误;B、当天平指针两边偏转程度相同时,认为天平平衡可以测量天平质量;故B错误;C、使用弹簧测力计时,拉力的方向应与弹簧伸长方向相同,不一定要保持竖直,故C错误;。
弹力弹簧测量专项练习30题(有答案)1.使用弹簧测力计前要观察它的指针是否指在上,还要观察它的和;加在弹簧测力计挂钩上的力,不允许超过其.2.利用弹簧测力计测量一块秒表的重力(如图所示).(1)弹簧测力计分度值是,(2)秒表的重力是N.(3)使弹簧伸长的力是(选填:“表的重力”、“表拉弹簧的力”或“弹簧拉表的力”).3.悬挂在铁架台上的弹簧测力计如图所示.(1)弹簧测力计是用来测量的工具,右图这个弹簧秤的量程是,分度值是.(2)图中的字母“N”表示弹簧测力计使用的力的单位是.(3)用这个弹簧测力计测量力时,校零.(选填:不需要或需要).(4)弹簧测力计的原理是.4.运动员撑杆跳高的过程中包含很多物理道理,如:(1)撑竿由于发生,因此会产生弹力;(2)弯曲的撑竿具有能;运动员由于被弹起一定的高度,具有能;(3)运动员会落向地面,是由于受到的作用,该力的施力物体是.5.小刚在探究弹簧的伸长与拉力的关系时,记录了如表的实验数据:0 1 2 3 4 5 6 7弹簧所受的拉力/N2 3 4 5 6 7 7.5 7.7弹簧的长度/cm(1)当弹簧所受的拉力为3N时,弹簧的伸长是cm.(2)分析实验数据,你可得出的结论是.6.有一根弹簧,(在弹性限度内)用5N的力拉它,总长度为12cm;若用10N的力拉它,总长度为14cm,求弹簧7.如图所示,用滑轮组匀速提升物体A时,测力计的示数为N,如果不计滑轮重和摩擦,物体A的重力为N.8.一根10cm长的弹簧,受到6N的拉力时,伸长了3cm;若要使弹簧伸长5cm,受到的拉力是N;若弹簧只受4N的拉力时,弹簧的长度是cm.9.在研究弹簧的伸长与外力关系的实验中,将弹簧水平放置测出其自然长度L0=10cm,然后竖直悬挂让其自然下垂,在其下端竖直向下施加外力F,实验过程是在弹簧的弹性限度内进行的,用记录的外力F与弹簧的伸长量X做出的F﹣X图象如图.(1)由图可知,该弹簧受到的拉力每增加1N,弹簧的伸长增加cm.(2)当弹簧受到4N的拉力作用时,弹簧的长度为cm.(3)如图,当拉力F为0时,弹簧的伸长量X不为0是因为.10.甲、乙两同学各用2N的力在水平桌面上沿相反方向拉一弹簧测力计,则弹簧测力计的示数是N,弹簧测力计所受合力是N.11.某研究小组的同学们准备制作一个弹簧测力计,他们选用了甲、乙两种不同规格的弹簧进行测试,绘出如图所示的图象,图象中只有OA段和OB段是弹性形变.若他们要制作量程较大的弹簧测力计,应选用弹簧,若要制作精确程度较高的弹簧测力计,应选用弹簧.(选填“甲”或“乙”)12.某一弹簧不挂物体时,长度为12cm,受2N的拉力时,长度为14cm,此时弹簧伸长了.若受6N 的拉力时,弹簧伸长,此时弹簧长度为.13.如图所示,一根弹簧一端挂在墙上,用490N的力拉另一端,弹簧伸长了20cm.如果改为两个人分别拉弹簧的两端,把它也拉长了20cm,则每个人各用了N的力.14.如图所示,三个完全相同的弹簧都处于水平位置,它们的右端受到大小皆为F的拉力作用,而左端的情况各不相同:图①中弹簧的左端固定在墙上,此时弹簧的伸长量为X l;并处于静止状态.图②中弹簧的左端受大小也为F的拉力作用,此时弹簧的伸长量为X2并处于静止状态.图③中弹簧的左端挂一小物块,物块在粗糙的桌面上做匀速直线运动,此时弹簧的伸长量为X3.则X l、X2、X3的大小关系是:X l X2,X2X3.15.小刚同学做“弹簧的伸长与所受拉力的关系”的探究实验,记录数据如下:拉力大小/N 0 4 5 6 9 10 11 12弹簧全长/cm 3.5 5.5 6 6.5 8 9 10.5 14(1)经分析数据得知:在弹性限度内,弹簧的伸长跟受到的拉力成比(填写“正”或“反”);(2)在满足(1)的条件下,每增加1N的力弹簧应伸长cm.(3)如果用这根弹簧做成弹簧测力计,那么弹簧测力计的测量范围是.16.橡皮筋也像弹簧一样,在弹性限度内,伸长量x与弹力F成正比,即F=kx,下面的表格是张翰做的某橡皮筋受到的拉力F与伸长量x的实验记录.拉力F/N 5 10 15 20 25伸长量x/cm 1.6 3.2 4.7 6.4 8(1)请在如图所示坐标系中作出F﹣x图象.(2)由图象可求得该橡皮筋的劲度系数k=N/m.(3)若用该橡皮筋做一个弹簧测力计,且弹簧测力计上的刻度均匀,则每1N的距离为cm.(4)若几根橡皮筋并排使用拉伸,则它们整体的k比一根橡皮筋的k要(选填“大”或“小”).17.学习了弹力知识后,小萱发现:给弹簧施加拉力,当拉力越大时,弹簧的伸长量就越大.于是小萱提出猜想:弹簧的伸长量跟所受拉力成正比.实验桌上已经备有如下器材:一个满足实验要求的弹簧、一个铁架台、一个刻度尺、六个质量均为50g的钩码.请你利用上述实验器材,设计一个实验探究:“弹簧的伸长量(△L)跟所受拉力(F)(1)请写出实验步骤(可画示意图辅助说明);(2)画出实验数据记录表.18.电视纪录片《复活的军团》以科学的态度真实地再现了秦始皇的军队的强悍骁勇.其中重点介绍了秦弩的威力,弩是古代一种武器,在射击前,必须把机括(即一根钢性的弹簧片)拉开,然后在其中放入短箭.一扣板机,机括松开后就能将短箭发出,射中远处的敌人.请你从物理学的角度分析秦弩为什么有这么大的威力?19.为制作弹簧测力计,某物理实验小组对弹簧的伸长与拉力的关系作了探究.下表是他们利用甲、乙两根不同的弹簧做实验时所记录的数据.弹簧受到的拉力/N 0 1 2 3 4甲弹簧的长度/cm 6 7 8 9 10乙弹簧的长度/cm 6 8 10 12 14(1)分析数据可知:①在一定条件下,弹簧伸长的长度与它所受的拉力成;②甲弹簧受4N拉力时的长度跟乙弹簧受N拉力的长度相同.(2)如图所示的A、B两弹簧测力计分别使用了甲、乙两弹簧,它们的外壳相同,刻度线分布情况相同.若甲弹簧的刻度如图A.①由图知A弹簧的量程是4N,B 弹簧的量程应是N,②B 弹簧的分度值是N,(3)经实验探究发现:在拉力相同的情况下,弹簧伸长的长度与弹簧的材料、粗细、原长(弹簧不受外力时的长度)等均有关系,现为探究在拉力相同的情况下,弹簧伸长的长度与弹簧原长的关系,设计实验如下①将一根弹簧剪成长度(选填“相同”或“不同”)的两段.②分别用大小(选填“相同”或“不同”)的力拉两弹簧,然后比较弹簧伸长的长度.20.一根弹簧受到3N的拉力时,长度为12cm,当它受到6N的拉力时,长度为14cm,在弹性限度内,这根弹簧受到12N的拉力时,其长度为多少cm?21.弹簧测力计的原理是弹簧伸长的长度与所受到的拉力成正比,其数学表达式就是F=kx,(其中k是常数,不同的弹簧k一般是不同的,x是指伸长的长度),现有两根弹簧,原长都是0.1m,其中一根的k1=500N/m,第二根的k2=1000N/m.请回答:(1)第一根弹簧若要伸长0.01m,则需要多大的拉力?(2)第二根弹簧若受到10N的拉力,则弹簧的总长度是多少?(3)若把两根弹簧并列成一根(原长是0.1m),则若要伸长0.01m,需要多大的拉力?(4)若把两根弹簧依次连接成一根(原长是0.2m),若用5N的力去拉,则它可以伸长多少?22.在“制作一个橡皮筋测力计”的小组活动中,小军提出了一个问题:“在一定的弹性范围内,橡皮筋伸长的长度跟它受到的拉力可能存在什么关系?”小明和小丽经过思考并猜想后,他们决定用通过“在橡皮筋下挂钩码,同时测橡皮筋的长度”的实验来验证.小明和小丽的实验记录数据如下表:1 拉力(钩码总重)F/N 0 0.5 1.0 1.5 2.0 2.5 3.0 3.52 橡皮筋的总长度L/cm 4.5 5.0 5.5 6.0 6.5 7.0 7.4 7.73 橡皮筋伸长的长度△L/cm 0 0.5 1.0 1.5 2.0 2.5 2.9 3.2(1)没有挂钩码时,橡皮筋的长度L0=cm;(2)请在方格纸中作出关于F与△L的关系图象;(3)分析表格中的数据,你认为实验能得到的结论是(用语言叙述):;(4)把小明和小丽实验时所用的橡皮筋做成测力计,根据实验数据,则它的量程为.23.弹簧测力计量程为5N,请你将它的量程改为15N.说明具体做法和理由.24.在探究弹簧的伸长量跟所受拉力的关系时,小华同学利用了如图所示的实验装置.她记录的数据如下表:钩码质量/g 0 50[ 100 150 200 250 300指针位置/cm 2 3 4 5 6 8 11(1)分析实验数据可得到的结论是;(2)图中能表示实验结果的是;(3)这项研究在实际中的应用有(举一例).25.轻按桌面能使它发生弹性形变吗?请设计一个实验来验证你的想法.(如图)26.在研究“弹力与弹簧伸长的关系”时,某同学记录了如下的数据:拉力F/(N)10 20 30 40 50弹簧长度l(m)0.20 0.30 0.40 0.50 0.60(1)请根据上表数据写出F与l的关系表达式..(2)倔强系数指弹簧形变时产生的弹力与形变量的比值,即倔强系数k=.由表中的数据可知,该弹簧的倔强系数k=N/m.27.小李在课外用图示装置探究弹簧的长度跟外力的变化关系,并记录了相应实验数据如下:钩码质量(g)0 50 100 150 200 250 3002 3 4 5 6 7 7.5 指针位置(cm)(1)分析实验数据你可得到的结论是;(2)该弹簧原长是cm,若用该弹簧制作一只弹簧测力计,其量程为N;(3)小李作出了如图的三个图象,其中正确的是.28.在研究弹簧的伸长与外力的关系实验中,将弹簧水平放置测出其自然长度,然后竖直悬挂让其自然下垂,在其下端竖直向下施加外力F,实验过程是在弹簧的弹性限度内进行的,用记录的外力F与弹簧的伸长量x作出的F﹣x 图线如图所示.(1)由图可知,该弹簧受到的拉力每增加1N,弹簧的伸长量增加cm;(2)分析图象,你可以得出的结论是;(3)该研究在实际中的应用是;(4)该图线不过原点的原因是.29.赵明准备自己制作一只弹簧测力计,他找来弹簧、钩码、直尺、指针等器材.首先测出弹簧的长度L0=2.10cm,然后在弹簧下挂上不同的钩码,测出弹簧的长度L,算出比原长L0的伸长量△L(△L=L﹣L0),填在如下表格中:拉力F/N 1 2 3 4 5 6 7长度L/cm 2.50 2.90 3.30 3.70 4.10 4.50 4.900.40 0.80 1.20 1.60 2.00 2.40 2.80 伸长量△L/cm(1)从表中数据可以看出拉力F和弹簧伸长量△L的关系为:.(2)赵明继续实验,得到下列数据:拉力F/N 8 9 10 11 12长度L/cm 5.30 5.70 6.10 6.60 7.30伸长量△L/cm3.20 3.604.00 4.505.20从这次数据看出,拉力达到N时,拉力和弹簧伸长的关系就改变了.因此弹簧测力计的测量范围只能达到N.30.为制作弹簧测力计,某物理实验小组对弹簧的伸长与拉力的关系作了探究.下表是他们利用甲、乙两根不同的弹簧做实验时所记录的数据.表一:甲弹簧受到的拉力/N O 1 2 3 4 5 6甲弹簧的长度/cm 6.O 9.O 12.0 15.O 18.O21.O24.O表二:乙弹簧受到的拉力/N O 1 2 3 4 S 6乙弹簧的长度/cm 6.0 7.5 9.O 1O.5 12.0 13.5 15.O(1)分析表一和表二数据可知:①在一定条件下,弹簧伸长的长度与它所受的拉力成;②在拉力相同的情况下,甲弹簧伸长的长度比乙弹簧(选填“大“或“小”).(2)如图所示的A、B两弹簧测力汁分别使用了甲、乙两弹簧,它们的外壳相同,刻度线分布情况相同.则量程较大的是(选填“A”或“B”下同)测力计,精度较高的是测力计.(3)经实验探究发现:在拉力相同的情况下,弹簧伸长的长度与弹簧的材料、粗细、原长(弹簧不受外力时的长度)等均有关系,请设计一个简单实验,证实弹簧伸长的长度与弹簧原长有关.弹力弹簧测量30题参考答案:1.解:弹簧测力计在使用前应先观察它的量程和分度值,这样是为了选择合适的测力计和便于读数,还要看指针是否指在零刻度线上,因为这会影响测量的结果,然后还要轻轻拉动几下挂钩,使指针和弹簧不要被外壳卡住,使其能自由伸缩;因为弹簧测力计是依据弹簧的伸长与拉力成正比的关系制成的,因此拉力不能超过弹簧的弹性限度,也就是它的量程.故答案为:零刻度;量程;分度值;量程2.解:(1)由图知,测力计的分度值是0.1N,所以示数为2.8N;(2)表受到重力和弹簧对表的拉力,在这两个力的作用下保持平衡,大小相等,故秒表的重力为2.8N;(3)表的重力是表受到的力,表拉弹簧的力是作用在弹簧上的力,弹簧拉表的力是表受到的力,所以应选表拉弹簧的力.故答案为:(1)0.1N;(2)2.8;(3)表拉弹簧的力.3.解:由图可知,(1)弹簧测力计是用来测量力的工具,弹簧秤的量程是0~5N,分度值是0.2N;(2)弹簧测力上的字母“N”表示弹簧测力计使用的力的单位是牛顿;(3)测力前指针与零刻度线没有对齐,需要校零;(4)弹簧测力计的原理:在弹性限度内,弹簧受到的拉力越大,弹簧的伸长就越长.故答案为:(1)力;0~5N;0.2N;(2)牛顿;(3)需要;(4)在弹性限度内,弹簧受到的拉力越大,弹簧的伸长就越长.4.解:(1)撑竿由于发生弹性形变,因此会产生弹力;(2)弯曲的撑竿由于发生了弹性形变而具有弹性势能;运动员由于被弹起一定的高度,而具有重力势能;(3)运动员会落向地面,是由于受到重力的作用,该力的施力物体是地球.故答案为:(1)弹性形变;(2)弹性势;重力势;(3)重力;地球.5.解:(1)由表格中数据知,当F=0N时,弹簧的长度为2cm,当F=3N时,其长度为5cm,所以△L=5cm﹣2cm=3cm;(2)同理当F=1、2、4、5N时,其伸长分别为1、2、4、5cm,可见弹簧的伸长与拉力大小成正比,当拉力F=6N、F=7N时,不再成正比关系,说明已超过了弹簧的弹性范围,可得在弹性限度内,弹簧的伸长与拉力成正比.故答案为:(1)3;(2)在弹性限度内,弹簧的伸长与拉力成正比6.解:设不受外力时,弹簧原长为L,当弹簧受拉力F1=5N时,长度为12cm,△L1=12cm﹣L,﹣﹣﹣﹣﹣①当弹簧受拉力F2=10N时,长度为14cm,△L2=14cm﹣L,﹣﹣﹣﹣﹣﹣②∵在弹性限度内,弹簧的伸长与拉力成正比,∴由①②得:=,即:=,解得:L=10cm,即弹簧的原长为10cm=0.1m.故答案为:0.1.7.解:由图可知测力计的分度值为0.2N,测力计的读数为5.4N.由图可知该滑轮组中有三股绳子承担物重,如果不计滑轮重和摩擦,则有:F=,所以G=16.2N.故答案为:5.4;16.28.解:(1)受到6N的拉力时,伸长了3cm;那么,伸长1cm时受的拉力为2N,根据正比关系,弹簧伸长5cm时,受到的拉力F=2N×5=10N;(2)受到4N的拉力时,弹簧的伸长△L=1cm×2=2cm,因此,弹簧的长度L=L0+△L=10cm+2cm=12cm.故答案为:10;12所以弹簧受到的拉力每增加1N,弹簧的伸长增加0.5cm;(2)由图可得,拉力为4N时,弹簧伸长2.5cm.加上原长,总长度为12.5cm;(3)由图象可知,该图线不过原点,当弹簧被竖直悬挂自然下垂时,说明由于弹簧自身受重力而伸长,由图可知,弹簧的自然长度为0.5cm.故答案为:(1)0.5;(2)2.5;(3)弹簧在竖直悬挂自然下垂时在自身重力作用下已有一定量的伸长.10.解:测力计的示数等于测力计挂钩一端所受的力也就是2N,F合=F1﹣F2=2N﹣2N=0N.故答案为:2、011.解:因为OA段和OB段是弹性形变,通过观察图象可知,甲能承受的最大拉力是4N,而乙能承受的最大拉力是8N,若他们要制作量程较大的弹簧测力计,应选用乙;当甲受到的拉力是4N时,弹簧伸长6cm,当乙受到的拉力是8N时,弹簧伸长4cm,说明甲受到的拉力虽小,但伸长的长度却长,若要制作精确程度较高的弹簧测力计,应选用弹簧甲.故答案为:乙;甲.12.解:当拉力为2N时,弹簧长度为14cm,原长为12cm,所以伸长了2cm;若受6N的拉力时,弹簧伸长应该为6cm,此时的长度就为12cm+6cm=18cm;故答案为:2cm,6cm,18cm13.解:改为两人拉弹簧后,其中一人跟墙一样起到了固定弹簧的作用,因此弹簧伸长不变,所用拉力也不变.故答案为:490N14.解:用大小均为F的拉力作用在弹簧秤的右端,弹簧测力计受到了一对平衡力,无论弹簧的左端情况怎样,弹簧受的是平衡力,它两端的拉力总相等.且在弹性限度内,弹簧的伸长与受到的拉力成正比,所以三个弹簧的伸长量相同.故答案为:=;=15.解:该实验探究的是弹簧的伸长与拉力之间的关系,从数据中可以看出,拉力每增加1N,弹簧伸长0.5cm,说明弹簧的伸长与受到的拉力成正比;当拉力为10N时,弹簧的长度应为8.5cm,而表格中是9cm,说明此时超出了弹性限度,因此该弹簧测力计的范围是0~9N.故答案为:(1)正;(2)0.5;(3)0~9N.16.解:(1)根据表格中数据描点,并用平滑的曲线连接起来,如图所示:(2)由图象知,劲度系数k===312.5N/m;(3)取第一组数据,橡皮筋受拉力为5N,伸长为1.6cm,所以1N的伸长量为=0.32cm/N;(4)若几根橡皮筋并排使用拉伸,施加同样的拉力F,其伸长量将变小,由k=可知,它们整体的k比一根橡皮筋的k要大.故答案为:(1)见上图;(2)312.5;(3)0.32;(4)大.17.解:(1)实验步骤:①将弹簧悬挂在铁架台的支架上,用刻度尺测量弹簧的长度L0,将数据记录在表格中;②将一个钩码挂在弹簧下面的挂钩上,用刻度尺测量弹簧此时的长度L,将钩码的质量m和弹簧的长度L记录在表格中;③仿照步骤②,依次在弹簧下面挂2个、3个、4个、5个、6个钩码,每次用刻度尺测量弹簧的长度L,并将每次钩码的总质量m和相应的弹簧长度L记录在表格中;④利用公式F=G=mg,分别计算出6次弹簧所受拉力F,分别记录在表格中;利用公式△L=L﹣L0,分别计算出6次弹簧的伸长量△L,分别记录在表格中.(2)实验数据记录表格:L0/mm/kgL/mF/N△L/m18.解:秦弩的机括具有弹性,拉开机括时,发生了弹性形变,扣动扳机,机括对短箭产生弹力作用,短箭受力后,运动状态发生变化,射向远处,在冷兵器时代,具有很大的威力.故答案为:秦弩的机括具有弹性,拉开机括时,发生了弹性形变,扣动扳机,机括对短箭产生弹力作用,短箭受力后,运动状态发生变化,射向远处,属于远程武器,在冷兵器时代,具有很大的威力.19.解:(1)①根据表格数据可以得出,不论是甲弹簧还是乙弹簧,弹簧受到的拉力越大,弹簧伸长的长度越长,弹簧伸长的长度与弹簧受到的拉力之比是定值,即在一定条件下,弹簧伸长的长度与它所受的拉力成正比;②由表格可知:拉力F=4N时甲弹簧的长度10cm,长度为10cm的乙弹簧对应的拉力为2N;(2)拉力F=4N时甲弹簧伸长的长度△L=10cm﹣6cm=4cm,伸长的相同长度时乙弹簧长度为L B=6cm+4cm=10cm,由表格可知:长度为10cm的乙弹簧对应的拉力为2N;故B 弹簧的量程应是2N;由图B 弹簧测力计可知:在0~2N之间共分20格,则分度值为=0.1N;(3)要证实弹簧伸长的长度与弹簧原长的关系,设计实验时要采用控制变量法,需要控制弹簧的材料、粗细、所受拉力相同,只改变弹簧的原长,要控制弹簧的材料、粗细相同可以取同一根弹簧来做实验,再将弹簧截成长度不同的两段,就可以改变弹簧的原长,并分别用大小相同的力拉两根弹簧,就可以控制弹簧所受的拉力相同,最后比较弹簧伸长长度的关系;故答案为:(1)正比;2;(2)2;0.1;(3)不同;相同20.解:弹簧测力计是使用原理是:弹簧的伸长量和它受到的拉力成正比,所以设弹簧的原长物L0,则,解得L0=10cm;设弹簧受到12N的拉力时,其长度为L,则,解得L=18cm.答:弹簧受到12N的拉力时,长度为18cm21.解:(1)F1=k1x1=500N/m×0.01m=5N;(2)根据F=kx得,x2===0.01m弹簧的总长度l=0.1m+0.01m=0.11m(3)若两根并列连接,伸长0.01m,第一根所需拉力F1′=k1x=500N/m×0.01m=5N;第二根所需拉力F2′=k2x=1000N/m×0.01m=10N;所以共同的拉力F=F1′+F2′=5N+10N=15N;(4)若把两根弹簧依次连接成一根,若用5N的力去拉,两根弹簧受到的拉力均为5N,由上知,第一根弹簧伸长的长度为0.01m;第二根弹簧伸长的长度x2===0.005m两根伸长的长度为:x′=0.01m+0.005m=0.015m.答:(1)第一根弹簧若要伸长0.01m,需要5N拉力;(2)第二根弹簧若受到10N的拉力,弹簧的总长度是0.11m;(3)若把两根弹簧并列成一根,若要伸长0.01m,需要15N的拉力;(4)若把两根弹簧依次连接成一根,若用5N的力去拉,则它可以伸长0.015m.22.解:(1)从表中数据可知,当F=0时,即没有挂钩码时,橡皮筋的长度为4.5cm;(2)在坐标上找出每一个拉力和伸长的长度对应的点,然后连点成线,如图所示;(3)分析表中数据,或从图象中可以看出,在拉力为2.5N之内,弹簧伸长的长度与拉力是成正比的,所以可以得出的结论是:在一定的弹性范围内,弹簧伸长的长度与它受到的拉力成正比;(4)由于拉力超过2.5N时,弹簧伸长的长度和拉力已不成正比,故做成的测力计最大可以测量值为2.5N.故答案是:(1)4.5;(2)如图所示;(3)在一定的弹性范围内,弹簧伸长的长度与它受到的拉力成正比;(4)0~2.5N.23.答:(1)辅助器材及制作方法:用铁钉将铅笔固定在O点(或用铁丝悬挂),做成杠杆,使OA:OB=1:3,如图所示.(2)测量原理:根据杠杆平衡条件:F1•L1=F2•L2得G•OA=F•OBG==3F将重物悬挂在A点,将弹簧测力计固定在B点,竖直向下拉,杠杆处于水平平衡时,弹簧测力计示数为5N时,物体的重力为3×5N=15N.(3)使用方法:①用铁丝将杠杆悬挂起来,O为支点;②被测物体挂于A点;③竖直向下拉动弹簧测力计,达到水平平衡;④读出指针指示的读数,此读数的3倍就是物体的重力.24.解:(1)由表中数据可知:在所挂物体质量在0~200g的范围内,弹簧的长度随物体质量的增大而加长,且成正比当物体的质量超过200g后,不再有此规律,即:在弹簧的弹性限度内,弹簧的伸长和受到的拉力成正比;(2)由表中数据知:当m=0g,即F=G=0N时,弹簧的长度L=2cm;当F=G≥2.5N时,弹簧的长度L=8cm;当F=3N时,弹簧的长度为11cm,由图中,B符合这个要求.(3)实验研究的是弹簧长度和重力的关系,在已学的物理仪器中,弹簧测力计符合该实验的实际应用;故答案为:(1)在弹性限度内,弹簧的伸长与所受的拉力成正比;(2)B;(3)弹簧测力计.25.解:(1)桌子受到了力的作用,就会发生形变,因为力可以使物体发生形变;(2)用力压桌面,桌面发生形变,两平面镜的高度或角度就会发生变化,从而使刻度尺上的光斑移动.故本题答案为:桌子会发生形变;刻度尺上的光斑亮点会移动.26.解:(1)根据表格中数据,根据弹簧的伸长与所受的拉力成正比的特点得:=则解得L0=0.1m=100N/m则=100N/m代入数据可知:F=100N/m×(L﹣0.1m);(2)由题意知,k===100N/m故答案为:(1)F=100N/m×(L﹣0.1m);(2)100.27.解:(1)由表中数据知:由表中数据可知:在50~250g的范围内,弹簧的长度随物体质量的增大而加长,即:在弹性限度内,弹簧的伸长与所受的拉力成正比;(2)根据表中数据可知,当所挂钩码为0时,弹簧的长度为2cm,因此弹簧的原长为2cm;当弹簧的长度为7.5cm时,弹簧的长度不会发生改变,因此当弹簧伸长7cm时所受的拉力即可弹簧的量程,即F=G=mg=0.25kg×10N/kg=2.5N;(3)结合表中数据读图象可知,弹簧的原长为2cm,所以横坐标应从2cm处开始,所以A错误;当超过弹簧的弹性限度,即使再增加物体的重力,弹簧也不会再伸长,故C错误;所以只有B符合题意.故答案为:(1)在弹性限度内,弹簧的伸长与所受的拉力成正比;(2)2;2.5;(3)B.28.解:(1)由图可知,该弹簧受力为零时,伸长是0.5cm,受到拉力为1N时,伸长为1cm.该弹簧受到的拉力每增加1牛顿,弹簧的伸长增加0.5厘米.(2)分析图象,可以得出的结论是:在一定范围内,弹簧的伸长量跟它受到的拉力成正比.(3)弹簧测力计就是根据在一定范围内,弹簧的伸长跟受到的拉力成正比制成的.(4)该图线不过原点的原因是:弹簧自身有重力,弹簧水平放置其自然长度为0.5cm,竖直放置时由于自身的重力必然就会有一定的伸长.故答案为:(1)0.5;(2)在一定范围内,弹簧的伸长量跟它受到的拉力成正比;(3)弹簧测力计;(4)弹簧在竖直悬挂自然下垂时,在自身重力作用下已有一定量的伸长29.解:(1)从表中数据可以找出这一规律:,亦即弹簧的伸长△L与弹簧所受的拉力F成正比.(2)从继续实验的表中数据可以发现:,说明了在一定范围内弹簧的伸长与弹簧所受的拉力成正比,超过了一定的范围,这一规律就不成立了.对于赵明所使用的这根弹簧,拉力F=11N时拉力和弹簧的伸长的关系就改变了,因而用此弹簧制作的弹簧测力计测量范围只能达到10N.故答案为:(1)F与△L成正比;(2)11;10.30.解:(1)①根据表格数据可以得出,不论是甲弹簧还是乙弹簧,弹簧受到的拉力越大,弹簧伸长的长度越长,弹簧伸长的长度与弹簧受到的拉力之比是定值,即在一定条件下,弹簧伸长的长度与它所受的拉力成正比;②计算出甲乙弹簧在拉力相同时伸长的长度,发现甲弹簧伸长的长度总大于乙弹簧伸长的长度;(2)根据甲乙弹簧在拉力相同时甲弹簧伸长的长度大于乙弹簧伸长的长度,可得出在弹簧的伸长相同时,甲弹簧所受拉力小于乙弹簧所受拉力,由题意知,A、B两弹簧测力计分别使用了甲、乙两弹簧,它们的外壳相同,刻度线分布情况相同即两弹簧的伸长相同,则甲弹簧所受拉力小于乙弹簧所受拉力即甲弹簧测力计的量程小于乙,即量程较大的是B测力计;同样根据甲乙弹簧在拉力相同时甲弹簧伸长的长度大于乙弹簧伸长的长度,在拉力相同时用甲弹簧做成的测力计,示数间的间距较大,刻刻度时可以刻得更小,因此用甲弹簧做成的测力计精度更高,即精度较高的是A测力计;(3)要证实弹簧伸长的长度与弹簧原长的关系,设计实验时要采用控制变量法,需要控制弹簧的材料、粗细、所受拉力相同,只改变弹簧的原长,要控制弹簧的材料、粗细相同可以取同一根弹簧来做实验,再将弹簧截成长度不同的两段,就可以改变弹簧的原长,并分别用大小相同的力拉两根弹簧,就可以控制弹簧所受的拉力相同,最后比较弹簧伸长长度的关系;故本题答案为:(1)①正比;②大;(2)B;A;(3)将一根弹簧截成长度不同的两段,分别用大小相同的力拉两根弹簧,比较弹簧伸长的长度.。
弹力、弹簧测力计习题及答案第一部分1.测量力的大小的工具叫___________,在物理实验室中,经常使用___________来测量力。
思路解析:测量力的工具叫测力计,物理实验室里经常使用弹簧测力计来测量力。
2.弹簧受到拉力或压力而产生___________,在一定范围内拉力或压力越大,弹簧的形变量越大。
根据这个道理,人们设计了一种弹簧测力计,用弹簧的伸长量或压缩量来表示___________或___________的大小。
3.弹簧测力计是利用弹簧受到的拉力越___________,弹簧的___________越大的道理制成的。
4.下列关于弹簧测力计使用的说法,错误的是()___________A.每个弹簧测力计都有一个测量范围,被测力应小于这个范围B.使用前必须先对弹簧测力计校零C.弹簧测力计只能竖直放置,测竖直方向的力D.弹簧测力计可以测不同方向的力5.某同学在用弹簧测力计测量一物体的重力时,错将物体挂在了拉环上,当物体静止时,弹簧测力计的读数为10.0N,则物体的重力为()A.一定等于10.0 NB.一定小于10.0 NC.一定大于10.0 ND.以上判断都不正确6.测一个大小为8 N的力时,应选用的弹簧测力计,最恰当的规格是()A.量程为10 N,最小刻度值为0.2 NB.量程为5 N,最小刻度值为0.1 NC.量程为15 N,最小刻度值为0.5 ND.上述三个弹簧测力计都可以用7.甲、乙两同学各用15 N的力拉弹簧测力计两端,则弹簧测力计示数为()A.0 NB.7.5 NC.15 ND.30 N8.每一个测力计都有一定的___________范围,允许测量最大的力就是它的最后刻度数,这个刻度数,叫做弹簧测力计的___________。
9.弹簧测力计是测量___________大小的仪器。
两人同时用4 N的力拉一弹簧测力计的两端,则弹簧测力计的示数为___________N;若将此弹簧测力计的一端固定在墙上,另一端用8 N 的力拉它,则弹簧测力计的示数为___________N。
初二物理弹力和弹簧测力计练习题及答案8.1弹力和弹簧测力计基础知识训练1.物体形状或体积的改变叫做____.作用在物体上的外力越大,物体的___就越大.根据这个特性制成的____,可以测量力的大小,_______就是其中的一种.2.物体形变能产生力,这个力叫做___.拉力、压力都属于___.(题型一)3.发生形变的物体具有的能量,叫做____.撑杆跳高中弯曲的撑杆和跳水时的弯曲跳板都具有______能.4.关于弹簧测力计的说法中,不正确的是 ( ) (题型二)A.弹簧测力计是常见的测力计 B.弹簧测力计的最大刻度就是它的量程.弹簧测力计的刻度是不均匀的D.弹簧测力计的刻度是根据弹簧的长度与受到的拉力成正比的原理制成的5.在使用弹簧测力计之前,把它的挂钩轻轻回拉动几次,这样做的好处是 ( ) (题型二)A.试试弹簧的弹性B.可避免弹簧被卡壳.是无意识的随便拉拉D.看看能测多大的拉力,以便确定量程6. 关于弹簧测力计的使用方法的说法中,错误的是 ( ) (题型二)A.测力计的量程不允许超过被测力的大小B.弹簧测力计不仅能测竖直方向的力,也能测其他方向上的力.被测力应作用在挂钩上D.测量时指针不要与外壳接触7.某同学在用弹簧测力计测量力前,发现指针指在0.1N 的位置上,为了使测量准确,他提出了以下调整方法,其中正确的是( ) (题型二)A. 必须将指针拨到“0”刻度线,若不能使指针对准零刻度线,该弹簧测力计已不能使用B.仍可以直接测出拉力,然后再减去0.1N.仍可以直接测出拉力数值,因为实验时误差不可避免D. 必须换一个弹簧测力计测量,该弹簧测力计已不能使用8.在光滑的水平面上有一个物体靠墙静止着,如图8-4所示.问:(1)物体与墙壁之间有没有弹力作用?(2)给物体一个水平向左的力F,物体与墙壁间是否有弹力作用?(题型一)综合提高训练1.如图8-5所示的弹簧测力计的测量范围是___N,分度值为___N.弹簧测力计在测量前位于第二小格的A 处,未作调整便用测量手的拉力,指针位于B处,则手对弹簧测力计的拉力为___N.(题型二)2.健身用的弹簧拉力器,共有四根并接在一起,假如每根伸长1要用1N的拉力,则将健身器拉长0.5,需要拉力为 N。
弹簧测力计的使用一、知识回顾弹簧测力计的使用(1)根据被测力的大小选择量程合适的弹簧测力计,不能超量程测量(会损坏弹簧测力计),又不要量程过大(容易增大产生较大的测量误差).(2)使用前要检查弹簧测力计的指针是否指到零位置.如果没有指在零位置就需要调零,调零一般方法是通过移动指针来调零;再用手轻轻抖动挂钩,确保与外壳无摩擦;并用标准砝码来检查示数是否准确.(3)被测力的方向应与弹簧测力计轴线方向一致.(4)读数时应正对平视.一次测量时间不易过长,以免弹簧疲劳.(5)弹簧、指针、拉杆都不要与刻度板和刻度板末端的限位卡发生摩擦.(6)读数时,除读出弹簧测力计上分度值所表示的数值,还要估读一位.二、典型例题例1:(2008·怀柔区)测量力的常用工具是()A.刻度尺 B.天平 C.微小压强计 D.弹簧测力计分析:解决此题的关键是知道各种仪器的运用.解答:A、刻度尺是测量长度的工具,不符合题意;B、天平是测量质量的工具,不符合题意;C、微小压强计是测量压强的工具,不符合题意;D、弹簧测力计是测量力的常用工具,符合题意;故选D.——————————————————————————————————————————————————————例2:在弹性限度内,下列说法正确的是()A.弹簧的长度跟受到的拉力成正比 B.弹簧的伸长量跟受到的拉力成正比C.弹簧受到的拉力跟它的长度成正比D.弹簧的伸长量跟受到的重力成正比分析:弹簧测力计是测量力的工具,它的原理是:在弹性限度内,弹簧的伸长跟受到的拉力成正比.解答:弹簧测力计是根据弹簧在弹性限度内,其伸长量跟受到的拉力成正比的原理制成的.故选B.——————————————————————————————————————————————————————例3:一只弹簧原长10cm,挂100N砝码时,弹簧变为12cm,如再加挂200N 砝码时,弹簧的长度变为()A.16cm B.6cm C.14cmD.19cm分析:弹簧测力计是根据弹簧在一定的弹性范围内,弹簧的伸长量与弹簧受到的拉力成正比制成的.解答:原长为10cm,受到100N的拉力时,弹簧长为12cm,则100N的拉力伸长2cm,所以1N拉力伸长0.02cm.受到200N的拉力时,弹簧伸长4cm,再加上第一长为12cm,所以弹簧长度为16cm.故选C.——————————————————————————————————————————————————————例4:(2012·聊城)图甲中寒署表的示数为_____℃;图乙中弹货测力计的示数为_____N.分析:寒暑表和弹簧测力计的读数首先要观察其量程和分度值,然后再根据指针所指示的来读数.解答:甲图中寒暑表的分度值为1℃,故其读数为26℃;乙图中弹簧测力计一个大格表示1N,里面有5个小格,一个小格表示0.2N,其分度值为0.2N.故弹簧测力计的示数=1N+0.4N=1.4N.故答案为:26;1.4 ——————————————————————————————————————————————————————例5:请你读出图1、2所示的各测量工具的示数:木块的长度_________cm;物体的重力为________N.分析:在长度测量的读数中,要先明确刻度尺的分度值,再观察所测长度的起止点,最后还要估读到分度值的下一位;读取弹簧测力计的示数时,也要先明确分度值,然后再数格并读出结果.解答:图1中刻度尺的分度值为1mm,起点为3cm处,故其示数为3.20cm(或3.21cm);图2中弹簧测力计的分度值为0.2N,故其示数为2N+0.2N×4=2.8N.故答案为:3.20,2.8.——————————————————————————————————————————————————————例6:(2007·钦州)如图所示,用弹簧测力计水平向右拉着小车做匀速直线运动,测力计的读数为_________N,小车受到_________对平衡力的作用.分析:测力计在读数时注意要先观察量程和分度值,对于测力计的读数不需要进行估读;小车受力情况要先进行受力分析,然后根据小车所处的状态---匀速直线运动状态判断.解答:测力计的量程是5N,分度值为0.2N,则测力计的示数是2.6N;小车受力分析如图:共受到四个力的作用,因小车做匀速直线运动,所以水平方向上的拉力和摩擦力是一对平衡力;竖直方向上的重力和支持力是一对平衡力;共受到两对平衡力的作用.故答案为:2.6,两.——————————————————————————————————————————————————————例7:如图所示,用水平力F通过滑轮组(滑轮的质量可忽略,且不计轮与轴间的摩擦)拉动物块A在水平地面上做匀速运动,弹簧测力计的示数如图所示.水平力F 为_________N.分析:由图可知,弹簧测力计的示数为3.6N,则可求出作用在测力计上的拉力F的大小;因不计绳重、绳子的伸长和滑轮组内部的摩擦,n=3,可求水平拉力F的大小.解答:测力计的分度值为0.2N,测力计的示数为3.6N,又因为作用在测力计连接的滑轮上的绳子段数为n=3,所以水平拉力F=3.6N/3 =1.2N.故答案为:1.2三、解题经验考试中常常会考察弹簧测力计的读数,一般以填空题、实验题出现,要细心分析,其次要多做练习来巩固,如上面例7,这种题很容易出错。