砂子试验记录
- 格式:doc
- 大小:72.50 KB
- 文档页数:1
一.目的检测砂子各项指标,指导检测人员按规程正确操作,确保检测结果科学、准确。
二.检测参数及执行标准颗粒级配、表观密度、堆积密度、紧密密度、空隙率、含泥量、泥块含量、有机物含量、石粉含量、坚固性、云母含量、轻物质含量。
执行标准:GB50204-2002《混凝土结构工程质量验收规范》中7.2.5条。
GB/T14684-2001《建筑用砂》JGJ52-2006《普通混凝土用砂石质量及检验方法标准》三.适用范围适用于建筑工程中混凝土及其制品和建筑砂浆用砂。
四.职责检测员必须执行国家标准,按照作业指导书操作,随时作好试验记录,填写检测报告,并对数据负责。
五.样本大小及抽样方法同一规格产地,每验收批取样部位应均匀分布,将表面层铲去,然后由8个部位取大致等量的砂,组成一组样品,人工四分法缩分至所需试样。
用大型运输工具的,以400m3或600t为一验收批,用小型工具运输时,以200m3或300t为一验收批。
不足上述数量以一批论。
最少取样数量不少于80kg。
六.仪器设备1.GY64鼓风烘箱(JC411):能使温度控制在(105±5)℃;2. TGT-6案称(JC072):称量10kg,感量5g;3.电子天平:编号JC601,精度0.1g。
4.T21摇筛机(JC391);5.方孔筛(JC381):孔径为75μm -9.50mm的筛共八只,并附有筛底和筛盖;6.容器:要求淘洗试样时,保持试样不溅出(深度大于250 mm);7.量具:500 mL容量瓶;8.容量筒:圆柱形金属筒,内径108 mm,净高109mm,壁厚2mm,筒底厚约5mm,容积为1L;;9.密度计;10.放大境:3倍—5倍放大率;钢针;11.搪瓷盘,毛刷、垫棒(直径10 mm,长500 mm的圆钢)、直尺、漏斗或料勺、亚甲蓝溶液等;七.环境条件常温下物理试验内进行。
八.检测步骤及数据处理1.颗粒级配准备好试验用的工具,检查仪器设备的状态是否正常。
砂含石量试验方法第一篇:《砂子里的石头,怎么数?》这天,我跟爸爸去工地玩,正好看到工人叔叔们在做砂含石量的试验,感觉特别神奇,就像侦探在找线索一样。
其实,砂含石量试验就是看看砂子里有多少小石头,这对建房子来说特别重要,因为用错了材料,房子的质量就不行了。
试验的第一步是取样,就是从一堆砂子里随机挑一些出来。
这可不像我们平时抓糖那么简单,得用专门的工具,确保每一块砂子都有机会被选到,这样结果才准。
然后,把取好的样本放到筛子里摇啊摇,这个过程就像是给砂子做按摩,让那些混进去的小石子自己跳出来。
筛子有好几种,孔径大小不一样,大的石头先出来,小的慢慢跟上。
最后一步就是称重了,分别称出砂子和石子的重量,再算一算比例,就知道砂子里有多少石子了。
这可是个技术活儿,得仔细认真,一点都不能马虎。
爸爸说,这个试验虽然听起来简单,但每一个步骤都关乎着建筑的安全呢。
回家的路上,我在想,原来建房子这么复杂,连砂子里的小石子都要算得清清楚楚。
以后我要是当工程师,也一定要像今天看到的叔叔们一样,严谨认真,保证每一栋房子都结实耐用。
第二篇:《砂子的秘密》昨天,我跟着爷爷去了他的老朋友家,那是一个专门研究建筑材料的老教授。
爷爷说,这位教授一辈子都在跟砂子打交道,连砂子里有多少石头都能知道,我觉得特别不可思议。
到了教授家,他正忙着做砂含石量的试验,看着他认真的样子,我也忍不住好奇起来。
教授告诉我,做这个试验主要是为了确保建筑质量。
他说,砂子里如果石子太多,会影响混凝土的性能,到时候盖出来的房子就容易出问题。
所以,他们要通过一系列的方法来测定砂子里的石子含量。
第一步是取样,这得从不同的地方取,确保样本具有代表性。
接着,就是筛选了,这个过程就像是砂子和石子在玩躲猫猫,筛子一摇,石子就乖乖地出来了。
教授还给我看了一个表格,上面记录着不同大小石子的重量,他说,通过这些数据,就能计算出砂子里石子的比例。
我觉得这个过程既科学又有趣,就像是在解一个谜题,而每个答案都关系到千家万户的安全。
砂子压碎值试验记录一、引言砂子压碎值试验是一种常用的岩土工程试验方法,用于评估砂土的抗压能力。
该试验能够提供砂土在受力下的变形特性和抗压强度等重要参数,对于土体的工程设计和施工具有重要意义。
本文将详细记录砂子压碎值试验的过程和结果。
二、试验设备和试验样品本次试验所用的设备有:压力机、压力计、试验模具等。
试验样品是从现场采集的砂土,经过筛分和干燥后得到。
三、试验步骤1. 将试验模具放在压力机的工作台上,调整好位置。
2. 在模具内放入一层砂土样品,用手轻轻压实,保证均匀分布。
3. 以每秒1mm的速度施加压力,记录下压力计的读数以及相应的变形量。
4. 继续增加压力,每隔一定压力增量记录一次变形量,直至砂土样品发生破坏。
5. 将试验结果整理并进行分析。
四、试验结果分析根据试验记录,我们可以得到砂子的压碎值。
根据经验,砂子的压碎值与其抗压强度有关,一般来说,压碎值越大,抗压强度越高。
通过对试验结果的分析,我们可以了解砂土的力学性质,为工程设计和施工提供依据。
五、试验注意事项在进行砂子压碎值试验时,需要注意以下几点:1. 试验前要确保试验设备和样品的清洁和干燥。
2. 试验过程中,要注意保持压力的均匀施加,避免过快或过慢。
3. 试验结束后,要及时清理试验设备,防止砂土残留对下次试验造成影响。
六、试验应用砂子压碎值试验是岩土工程领域中常用的试验方法,广泛应用于土体的力学性质研究、基础工程设计等。
通过对砂土样品的压碎值进行测定,可以评估砂土的抗压能力,为工程施工提供指导。
七、结论通过本次砂子压碎值试验,我们得到了砂土样品的压碎值,并进行了相应的分析。
试验结果表明,砂土的压碎值与其抗压强度相关,可以为工程设计和施工提供参考。
同时,本次试验过程中我们也注意到了一些需要注意的事项,以确保试验的准确性和可靠性。
八、参考文献[1] XXX.《岩土力学实验方法》.XXX出版社,200X.[2] XXX.《岩土工程原理与实践》.XXX出版社,200X.以上为砂子压碎值试验记录的内容。
压实度试验记录压实度试验是土工常用的试验之一,主要用于研究土壤的工程性质和预测工程土的沉降性能。
本次试验采用灌砂法进行压实度试验,通过测量土壤的干径密度和含水量,得出土壤的压实度曲线和相应的最大干密度与最佳含水量。
以下是本次试验的记录:一、试验目的:1.测定土壤的干径密度和含水量。
2.绘制土壤的压实度曲线。
3.确定土壤的最大干密度和最佳含水量。
4.分析土壤的压实性质。
二、试验原理:1.灌砂法是一种常用的压实度试验方法,通过灌入不同体积的砂子来改变土壤体积,从而得到不同的压实度。
2.试验过程中需要测量的参数包括土壤的湿重、湿体积和干重,通过计算得出相应的干体积和含水量。
三、试验步骤:1.准备工作:(1)将试验室内温度恒定在20°C左右。
(2)预先准备好需要的砂子、称重器具和其他试验设备。
2.试验操作:(1) 准备试样:取一定数量的土壤样品,并将其通过细孔筛分成小于20mm的颗粒。
(2)秤重:称量砂子和试样的质量,记录下来。
(3)灌砂:将砂子分次倒入试样中,每次灌入后用锤子轻轻敲击试样,使砂子充分填充空隙。
(4)冲洗:将试样表面平整,用水冲洗试样表面,使其充分饱和。
(5)干燥:将试样放置在室温下自然风干,直到质量不再变化。
(6)秤重:记录干试样的质量,计算干体积。
(7)计算:根据试样的湿重、湿体积和干重,计算出相应的含水量和干径密度。
四、试验结果与分析:1.试验数据:记录下试样的湿重、湿体积、干重等数据。
2.数据处理:根据记录的数据,计算出试样的干体积、含水量和干径密度。
3.绘制曲线:根据不同压实度下的试样的含水量和干径密度,绘制压实度曲线。
4.计算最大干密度和最佳含水量:根据曲线的形态,确定最大干密度和最佳含水量的点。
五、实验结论:1.根据压实度曲线可以确定土壤的工程性质,如随着压实度增加,干径密度增加而含水量减小。
2.根据最大干密度和最佳含水量可以评估土壤在工程施工中的压实性质。
3.通过该试验可以为土壤工程设计提供参考依据。
砂实验报告填写样板1. 实验目的本实验旨在通过进行砂实验,观察砂的物理性质和行为特征,实践科学实验的基本步骤和方法,培养实验操作能力和科学观察能力。
2. 实验器材和药品2.1 实验器材- 砂- 半圆形砂槽- 直尺- 手电钻- 马克笔- 塑料桶2.2 实验药品- 无特殊药品3. 实验原理砂是一种颗粒状形态不规则的颗粒体,它的颗粒直径范围较大,通常在0.06 mm - 2 mm之间。
由于颗粒之间的内摩擦力和表面张力的作用,砂体呈现出一些特殊的性质和行为。
本实验通过在半圆形砂槽中进行砂实验,观察砂的流动性、刚性、堆积性等特征。
4. 实验步骤4.1 实验准备1. 准备好实验器材和药品;2. 在塑料桶中倒入适量的砂。
4.2 进行实验1. 将半圆形砂槽放在水平桌面上;2. 把马克笔作为参考线,沿半圆形砂槽的弧形边缘进行标记;3. 把半圆形砂槽放在桌面上,使得砂槽中心的高度与标记线对齐;4. 慢慢倾斜桌面,观察砂体的变化情况,记录倾斜角度;5. 在倾斜角度较小的情况下,用手电钻在半圆形砂槽的底部开一个小孔;6. 观察砂体通过小孔的流量、流动轨迹等情况。
4.3 数据记录与分析1. 记录砂体沿着半圆形砂槽流动的角度;2. 记录砂体通过小孔的流量;3. 记录砂体在流动过程中的流动轨迹;4. 分析砂体流动的原因和规律。
5. 实验结果与分析本次砂实验中,观察到砂体在不同倾斜角度下的流动情况。
随着倾斜角度的增加,砂体的流动速度逐渐增加,流动轨迹变得更加曲折。
在较小的倾斜角度下,砂体的流动速度较慢,流动轨迹相对直线。
通过对砂体流动规律的分析,发现砂体流动与重力的作用有关。
当倾斜角度增加时,重力对砂体的作用增加,砂体流动速度加快。
同时,砂体颗粒之间的内摩擦力和表面张力也对流动起着重要的作用。
砂体流动的路径受到颗粒之间的相互作用力的影响,使得砂体形成了曲线的流动轨迹。
6. 实验结论通过本次砂实验,我们可以得出以下结论:1. 砂体在倾斜的半圆形砂槽中,随着倾斜角度的增加,砂体的流动速度逐渐增加。
普通混凝土用砂试验规程一、依据标准:JGJ52-2006《普通混凝土用砂、石质量及检验方法标准》。
二、检验项目:筛分析、表观密度、堆积密度(紧密密度)、含泥量、泥块含量。
三、使用仪器:砂方孔筛、JP-A 型架盘天平、电热鼓风干燥烘箱、容量瓶、浅盘、铝制料勺、漏斗、直尺、秤、容量为1L 的筒、 四、取样:按同产地,同规格、同一进场时间,每400m 3或600t 为一验收批。
不足400m 3或600t 时亦为一验收批。
天然砂取22kg ,人工砂取52kg 。
五、方法与步骤:5.1、筛分析:5.1.1用于筛分析的试样,其颗粒的公称粒径不应大于10.0mm 。
试验前应先将来样通过公称直径为10.0mm 的方孔筛,并计算筛余。
称取经缩分后样品不少于550g 两份,分别装入两个浅盘,在(105±)℃的温度下烘干到恒重。
冷却至室温用。
5.1.2准确称取烘干试样500g (特细砂可称250g ),按筛孔大小顺序排列(大孔在上、小孔在下)的套筛的最上一只筛(公称直径为5.00mm 的方孔筛)上;将套筛装入摇筛机内固紧,筛分10min ,然后取出套筛,再按筛孔由大到小的顺序,在清洁的浅盘上逐一进行手筛,直至每分钟的筛出量不超过试样总量的0.1%为止;通过的颗粒并入下一只筛子,并和下一只筛子中的试样一起进行手筛,这样依次进行,直至所有的筛子全部筛完为止。
注:1当试样含泥量超过5%时,应先将试样水洗,然后烘干至恒重,再进行筛分;2无摇筛机时,可改用手筛。
5.1.3试样在各只筛子上的筛余量均不得超过按式4.1.3计算得出的剩留量,否则应将该筛的筛余试样分成两份或数份,再次进行筛分,并以其筛余量之和作为该筛的筛的筛余量。
300dA m r式4.1.3 式中m r ― 某一筛上的剩留量(g ); d ―筛孔边长(mm ); A ―筛的面积(mm 2)。
5.1.4称取各筛筛余试样的质量(精确到1g ),所有各筛的分计筛余量和底盘中的剩余量之和与筛分前的试样总量相比,相差不得超过1%。
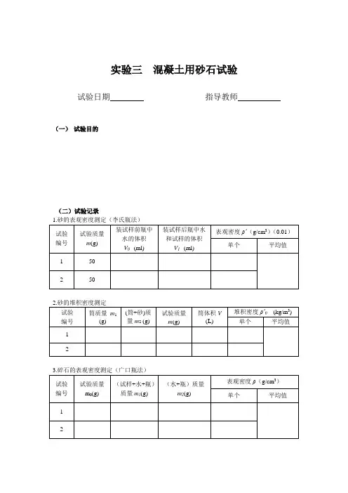
实验三混凝土用砂石试验试验日期指导教师(一)试验目的(二)试验记录1.砂的表观密度测定(李氏瓶法)试验编号试验质量m(g)装试样前瓶中水的体积V0 (ml)装试样后瓶中水和试样的体积V1 (ml)表观密度ρ’(g/cm3)(0.01)单个平均值1 502 50 2.砂的堆积密度测定试验编号筒质量m1(g)(筒+砂)质量m2 (g)试验质量m(g)筒体积V(L)堆积密度ρ’0(kg/m3)单个平均值123.碎石的表观密度测定(广口瓶法)试验编号试验质量m0(g)(试样+水+瓶)质量m1(g)(水+瓶)质量m2(g)表观密度ρ(g/cm3)单个平均值1 24.砂筛分试验试验质量m(g)公称尺寸(mm)分计筛余量m i(g)分计筛余率αi(%)累计筛余率βi(%)5005.02.51.250.630.3150.16筛底误差(三)试验结果分析1.计算砂子的空隙率%1001P''⨯-=)(ρρρ’0—堆积密度;ρ’—表观密度砂空隙率为:(精确至1%)2.计算砂的细度模数,评定粗细程度11654321005)(βββββββμ--++++=ffμ—砂的细度模数;654321ββββββ、、、、、—分别为公称直径5.00mm、2.5mm、1.25mm、0.63mm、0.315mm、0.16mm 筛上的累积筛余。
砂细度模数为:砂的粗细程度评定为:砂的颗粒级配为区。
依据标准:JGJ52—2006 《普通混凝土用砂、石质量及检验方法标准》课程名称:《建筑材料实验》第周,第讲次摘要授课题目混凝土用砂石试验本讲目的要求及重点难点:【目的要求】通过本讲课程的学习,掌握混凝土用砂石视密度、堆积密度、筛分析试验方法。
【重点】测定砂的表观密度、堆积密度并计算空隙率。
【难点】计算砂的细度模数,确定砂子级配的好坏和粗细程度。
内容砂石密度试验砂的视密度试验(李氏瓶法) (一)实验原理表观密度是指材料在自然状态下单位体积的质量。
砂的相对密度试验记录实验目的:通过试验测定砂的相对密度,了解砂的物理性质。
实验仪器与材料:砂、水桶、铁质圆柱体、天平、测量尺、搅拌棒实验原理:砂的相对密度是指砂的实际密度与水的密度之比,用来衡量砂体的紧密程度。
实验步骤:1.准备工作(1)清洗砂:先将所使用的砂放入水桶中,加入适量的水,用搅拌棒将砂搅拌均匀,让其中的杂质浮在水面,倾倒掉浑浊水,重复该步骤直至水基本清洁。
(2)准备铁质圆柱体:将铁质圆柱体清洗干净,并在外表面涂上一层适量的润滑油,避免与砂生锈粘连。
(3)准备水:准备一桶足够的水,用于测量铁质圆柱体的体积。
(4)准备测量尺:准备一把尺子,用于测量砂体积和直径。
2.实验操作(1)测量铁圆柱体的质量:使用天平将铁圆柱体的质量测量并记录下来,记为m1(2)计算铁圆柱体的体积:先称取一桶水,并记录水的质量,记为m2、将铁圆柱体完全浸入水中,用测量尺测量圆柱体的直径,记为d;然后用测量尺测量圆柱体的长度,记为h。
计算出圆柱体的体积V1,即V1=π*(d/2)^2*h。
(3)浸泡砂:将清洗后的砂倒入水桶中,加入适量的水,用搅拌棒将砂搅拌均匀,待其均匀沉淀后,将水面以上的浑浊水倾倒掉。
(4)浸泡砂和铁圆柱体:将已去除浑浊水的砂体倒入另一个水桶中,将铁圆柱体完全浸泡在砂中,轻轻搅拌使砂均匀填充铁圆柱体的孔隙,直至不再有气泡冒出。
(5)称量砂和铁圆柱体的总质量:将装有砂和铁圆柱体的另一个水桶放在天平上进行称量,并记录下质量,记为m3(6)计算砂体的质量:砂体的质量为m3减去m1(7)测量铁圆柱体和砂体的体积:将装有砂和铁圆柱体的水桶取出,倒掉其中的砂,使用测量尺测量砂体积的高度,记为H。
计算出砂体的体积V2,即V2=V1*(m3-m2)/(m3-m1)。
(8)计算砂的相对密度:砂的相对密度为V2除以V13.实验数据与计算根据实验步骤记录的数据,在以下表格中进行统计及计算:试验数据,记--------,---m1(铁圆柱体质量)m2(水的质量)d(铁圆柱体直径)h(铁圆柱体长度)m3(砂和铁圆柱体总质量)H(砂体高度)在根据实验数据计算相对密度时,可以参照以下公式:相对密度=V2/V14.实验结果与讨论根据实验数据计算出砂的相对密度,并在实验报告中进行结果的展示和讨论。
第1篇一、实验背景砂子作为建筑材料中的重要组成部分,其颗粒级配和粗细程度对建筑物的质量和稳定性有着重要影响。
为了确保砂子的质量,本实验通过对砂子进行筛分试验,以测定其颗粒级配和粗细程度,为后续的建筑工程提供依据。
二、实验目的1. 确定砂子的颗粒级配,为建筑工程提供合理的砂子配比。
2. 分析砂子的粗细程度,判断其适用性。
3. 掌握砂子筛分实验的操作方法,提高实验技能。
三、实验原理砂子筛分实验是利用不同孔径的筛子对砂子进行筛选,根据筛分结果计算各粒级含量,从而确定砂子的颗粒级配和粗细程度。
筛分实验中,常用的指标有筛余率、通过率、细度模数等。
四、实验仪器与材料1. 仪器:筛分试验筛一套(孔径分别为2.36mm、4.75mm、9.50mm、16.0mm、19.0mm、37.5mm、50.0mm)、天平、烘箱、托盘、摇筛机等。
2. 材料:砂子试样。
五、实验步骤1. 准备试样:将砂子试样过筛,筛除大于10mm的颗粒,记录筛余百分率。
若试样含泥量超过5%,则先用水洗。
2. 烘干试样:将试样充分拌匀,用四分法缩分至每份不少于550g的试样两份,在105℃下烘干至恒重,冷却至室温后备用。
3. 称取试样:准确称取烘干试样500g,置于按筛孔大小顺序排列的套筛最上一只筛上。
4. 摇筛:将套筛装入筛机摇筛约10min(无摇筛机可采用手摇)。
5. 筛分:取下套筛,按孔径大小顺序逐个在清洁的浅盘上进行手筛,直至每分钟的筛出量不超过试样总量的1%时为止。
6. 记录数据:记录各号筛上的筛余量,计算筛余率、通过率等指标。
六、实验结果与分析1. 砂子颗粒级配:根据实验数据,绘制砂子颗粒级配曲线,计算各粒级含量。
2. 砂子粗细程度:根据实验数据,计算细度模数,判断砂子的粗细程度。
3. 分析结果:根据砂子的颗粒级配和粗细程度,评价其适用性。
七、实验结论1. 通过本次实验,掌握了砂子筛分实验的操作方法,提高了实验技能。
2. 实验结果表明,本批砂子的颗粒级配和粗细程度符合建筑工程的要求,可以用于相关工程。
砂子的筛分实验报告砂子的筛分实验报告引言:砂子是一种常见的天然颗粒状物质,广泛应用于建筑、道路、玻璃制造等行业。
砂子的质量和粒度对其使用效果起着重要影响。
本实验旨在通过筛分方法,对砂子的粒度进行分析和评估,以了解其物理性质和适用范围。
实验原理:筛分是一种常用的粒度分析方法,通过将颗粒状物料通过不同孔径的筛网进行分级,以确定颗粒的大小分布。
实验中使用的筛网按照国际标准ISO 3310-1:2016进行选择,其中包括了一系列不同孔径的筛网。
实验步骤:1. 准备工作:清洗筛网,准备好实验所需的砂子样品。
2. 将砂子样品放入筛分装置中,盖上筛盖,开始筛分。
3. 摇动筛分装置,使砂子在筛网上进行分级。
4. 筛分完成后,取下每个筛网上的砂子,并进行称重。
5. 记录每个筛网上的砂子质量,并计算出每个筛网的通过率和累积通过率。
6. 绘制砂子的粒度分布曲线。
实验结果:根据实验数据,我们得到了砂子的粒度分布曲线。
通过该曲线,我们可以了解到砂子中各个粒径的含量比例。
根据筛分结果,我们将砂子分为不同的级别,如粗砂、中砂和细砂等。
通过计算每个级别的通过率和累积通过率,可以进一步评估砂子的物理性质。
讨论与分析:通过实验结果,我们可以看出砂子的粒度分布较为均匀,没有出现明显的偏离。
这说明该砂子样品的质量较好,适用于建筑和道路等领域。
同时,通过计算不同级别的通过率和累积通过率,我们可以得到更具体的粒度分布信息,为实际应用提供参考。
然而,需要注意的是,本实验只是对砂子样品的粒度进行了初步分析,没有涉及到其他物理性质的测试。
实际应用中,还需要综合考虑砂子的密度、含水量等因素,以确定其最终的适用范围。
结论:通过筛分实验,我们成功地对砂子的粒度进行了分析和评估。
实验结果表明,该砂子样品的粒度分布较为均匀,适用于建筑和道路等领域。
然而,为了更准确地评估砂子的适用性,还需要进一步考虑其他物理性质的测试。
总结:本实验通过筛分方法对砂子的粒度进行了分析和评估。
压实度(灌砂法)试验记录数据试验概述本试验旨在评估土壤的压实度,通过灌入一定数量的砂子来模拟实际场地条件下的压实过程。
本段将介绍试验的目的和内容,包括使用的试验方法和设备,以及试验的步骤和要求。
试验目的:评估土壤的压实度,了解土壤的密实程度及可用性。
试验目的:评估土壤的压实度,了解土壤的密实程度及可用性。
试验内容:使用灌砂法进行压实度试验,通过灌入一定数量的砂子来模拟实际场地条件下的压实过程。
试验内容:使用灌砂法进行压实度试验,通过灌入一定数量的砂子来模拟实际场地条件下的压实过程。
试验内容:使用灌砂法进行压实度试验,通过灌入一定数量的砂子来模拟实际场地条件下的压实过程。
试验内容:使用灌砂法进行压实度试验,通过灌入一定数量的砂子来模拟实际场地条件下的压实过程。
试验方法:试验方法:准备土壤样品和砂子,确保土壤样品具有代表性。
将土壤样品放置在压实仪器中,并确定初始土壤重量。
逐渐向土壤样品中灌入砂子,同时记录已灌入的砂子重量。
每次灌入砂子后,使用压实仪器进行压实操作,并记录压实次数和对应的压实度。
当达到要求的压实度或无法再继续灌入砂子时,停止试验并记录最终土壤重量和对应的压实度。
试验要求:试验前应对仪器进行校准,确保测试准确可靠。
每次灌入砂子后应进行适当的压实操作,以保证试验的连续性和可比性。
试验过程中应注意记录每次灌入砂子的重量和对应的压实度,确保数据的准确性。
以上是压实度(灌砂法)试验的概述内容,包括试验目的、内容、方法和要求。
接下来将详细记录试验数据和结果。
本段描述试验数据的记录方式和要点,包括记录的时间、地点和环境条件,以及记录的数据类型和格式。
时间:记录试验进行的具体时间,包括日期和具体的时刻。
地点:记录试验进行的地点信息,如实验室名称或者试验场地地址。
环境条件:记录试验进行时的相关环境条件,例如温度、湿度等。
数据类型:记录试验数据的具体类型,比如碾压次数、压实度值等。
数据格式:记录试验数据的格式要求,如采用表格形式、数字或者图表等方式。
级配砂石最大干密度检验原始记录
一、试验目的:
通过测定砂石的级配曲线,确定最大干密度,为工程设计提供依据。
二、试验器材:
1.圆形筛分器
2.洗砂器
3.干燥箱
4.平盘天平
5.瓶子
6.砂浆搅拌器
三、试验材料:
1.砂石样品
2.水
四、试验步骤:
1.取1000g砂石样品,并在洗砂器中用自来水进行清洗,使砂石表面的杂质和粉末被清除干净。
2.清洗后的砂石样品放入干燥箱中,以80°C的温度干燥24小时,直到砂石完全干燥。
3. 干燥后的样品在研磨机中研磨,使其完全破碎并通过10mm筛下,再将通过筛下的样品放入砂浆搅拌器中搅拌均匀。
4. 将搅拌后的样品通过2mm筛分,收集各级配筛上的砂石样品,并分别称重,记录各级配筛下的砂石质量。
5.根据所得数据绘制级配曲线,并确定最大干密度值。
五、试验数据记录:
筛孔尺寸:2mm
筛孔直径(mm)筛上质量(g)
5.0
2.5
1.25
0.63
0.31
0.16
0.08
0.04
总量
六、试验结果分析:
(插入级配曲线图)
通过观察级配曲线,确定最大干密度值为XXXXg/cm³。
该数值可作为该砂石在工程设计中的参考参数。
七、结论:
通过本次试验,得出了砂石的级配曲线,并确定了最大干密度值。
该结果可供工程设计使用,确保工程施工的质量和稳定性。
《建筑材料与检测》试验报告(1)班级、学号1303工程造价**********试验组别 4姓名魏业祥成绩指导教师王会芳扬州工业职业技术学院建筑工程系建筑材料实验室实验一 砂石材料试验一、试验目的:二、试验记录:(一)砂 子 试 验2.表观密度测定3.空隙率计算:P =⎪⎪⎭⎫ ⎝⎛-0'01ρρ×100%=53%4.筛分析试验M x =11654321005)(A A A A A A A --++++级配曲线:0.15 0.30 0.60 1.18 2.36 4.75 9.50筛孔尺寸(mm )0 20 40 60 80累 计 筛 余 百 分率 %(二)石 子 试 验1.堆积密度测定2.表观密度测定3.空隙率计算:P =⎪⎪⎭⎫ ⎝⎛-0'01ρρ×100%=40%4.筛分析试验结果评定:(1)级配情况:良好(2)最大粒径(mm):16三、思考题:1.为什么要进行砂石的级配试验?若用级配不符合要求的砂、石子配制混凝土时有何缺陷?答:(1)通过筛分析试验来检测砂石粒径分布是否合理。
如果级配合理,可以提高混凝土密实度,节省水泥,还可以提高混凝土和易性。
(2)混凝土拌合物性能不良,坍落度不容易控制,容易出现离析、泌水等现象。
混凝土浇筑中不宜密实导致混凝土结构强度不够等等。
2.进行砂筛分时,试样准确称量500 g,但各筛的分计筛余量之和大于或小于500 g,试分析其可能的原因。
答:(1)试样前筛内有残余砂(2)筛分过程中砂丢失。
实验日期: 2014 年 3 月20日。