汽车配置计划表.doc
- 格式:doc
- 大小:40.50 KB
- 文档页数:1
汽车产品开发时间进度表及apqp文件提交计划附表一:汽车产品开发时间进度表及APQP文件提交计划供应商: 联系人: 供应商代码: 地址: 电话:2010年备注序所需项目阶段策划内容开始时间完成时间 3456789101112 号天数月月月月月月月月月月1.1成立多功能小组1.2编制产品质量保证计划1.3确定可靠性目标和质量目标 1.计划和确定项目 1.4项目进度计划1.5风险评估1.6初始材料清单2.1设计FMEA分析表 2.设计阶 2.2产品设计样图段设计验证3.1 DFMEA(适用时)3.2 特殊特性清单3.3 设计验证计划3.4 设计评审3.5 工程图样、规范 3 手工样 3.6 材料规范件阶段 3.7 初始过程流程图3.8 样件制造控制计划3.9 新增设备和相关设施清单3.10 新增工装模具及检具开发进度计划3.11 检具方案确认(适用时)3.12 手工样件尺寸、材料、性能、功能验证报告4.1过程流程图4.2包装标准与规范4.3PFMEA4.4试生产控制计划4.5量检具、检测试验设备清单 4.工装样 4.6专用工装/模具清单件阶段4.7供应商分供应商清单4.8外协零部件控制计划编制4.9工装样件尺寸、材料、性能、功能验证报告4.10提供工装样件5.1进行试生产5.2测量系统分析5.3初始过程能力研究 5.小批量 5.4生产控制计划生产阶段 5.5包装评价 4.小批量 5.6PPAP批准生产阶段 5.7过程审核(与顾客共同参与)5.8小批量样件检验、试验5.9提供小批量样件6.1编制年度型式试验计划6.2制定产能提升计划6.3遗留问题的关闭 6.批量生产阶段 6.4更改或更新P/DFMEA和控制计划6.5提供批量样件6.6项目总结编制: 审核: 批准:----------------下面是赠送的excel操作练习不需要的下载后可以编辑删除(Excel 2003部分) 1. 公式和函数1. (1)打开当前试题目录下文件excel-10.xls;,2,利用函数计算每个人各阶段总成绩~并利用函数计算各阶段的平均成绩, ,3,“平均成绩”行数字格式都为带一位小数,例如0.0,格式,,4,同名存盘。
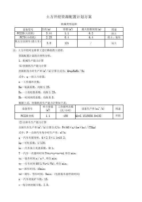
土方开挖资源配置计划方案机械类型选择注:土方开挖时安排普工进行路面渣土清理。
资源配置计划的合理性分析:1、机械生产能力计算(1)挖掘机生产能力计算挖掘机每小时生产率(m3∕h)计算公式为:Q=qnKmKb∕Ks式中:q一挖土斗容量;n一工作循环次数;Km—装满系数,均取1.25;Ks一土的松散系数,均取1.25;Kb一时间利用系数,均取0.8。
(2)自卸车生产能力计算自卸汽车生产率(m3∕h)计算公式为:P=(60×q×ke×kc)/(TXkp)式中:P一自卸汽车每小时生产率:m3/h;q一汽车车箱容积,6×2.3×1.1=15.2;kp—可松系数:1/125;kc一汽车装土充盈系数,取1;T一汽车一次循环时间T=tz+ty+tx+td,单位min;tz一装车时间n∕nθ,单位min;ty一行车时间60(1/Vz+1/Vk),单位min;tx—卸车时间:1Omin;td—调车、等车时间:5min;(包括装车前停放时间)n一汽车需装铲斗数:15;«一每分钟挖掘斗数:2.5;tr—汽车进入装位时间:3min;1一运距:14km以内;Vz一重车行车速度:取为20Km∕h;Vk一空车行车速度:取为25Km∕h;T=tz+ty+tx+td=15∕2.5+60(14/30+14/35)+10+5=73minP=60×15.2×0.8×1×0.98/73X1.25=10m3∕h,则12t自卸汽车生产率为IOm3/h•辆。
则每台挖机需要配备汽车数量N计算如下:机械台数:N=Q∕P=132∕8.9=14辆挖掘机按照每天工作7h(晚7点〜凌晨2点)计算。
机械台数:N=W/(7QT)式中:W一计划工期内机械完成工作总量(4);Q—机械生产率(m3/h);T一计划工期内机械的有效工作天数。
2、根据上式,结合已计算的设备单位时间生产率,土方施工机械设备投入如下表。
销售服务商运营管理表格序号分册归属表格名称格式要求 1 核心流程三表一卡奇瑞统一 2 奇瑞统一 3 奇瑞统一4 奇瑞统一 5 试乘试驾奇瑞统一 6 推荐 7 奇瑞统一 8 奇瑞统一 9 商谈报价奇瑞统一 10 推荐 11 新车交付奇瑞统一 12 奇瑞统一 13 奇瑞统一 14 客户关怀推荐 15 推荐16 基础管理展厅管理推荐 17 推荐 18 推荐 19 推荐 20 推荐 21 文件信息管理推荐 22 推荐 23 推荐 24 推荐 25 业务管理销售管理推荐展厅来电/店登记表展厅客流量统计表意向客户流失分析表意向客户跟踪卡试乘试驾预约登记表试乘试驾协议书试乘试驾管理表试乘试驾满意度评估表商谈报价单购车合同——推荐本交车确认单交车预约登记表 SSI抱怨记录表新客户回访登记表客户抱怨问题闭环管理表轮岗制排班表分组制排班表专职制排班表当班记录表 5S管理销售服务商5S管理自检表本销售服务商文件统计表销售服务商部文件的基本格式销售服务商文件信息简报销售服务商文件发放回收记录表销售服务商工作计划表 26 业务管理销售管理推荐 27 推荐 28 推荐 29 推荐 30 促销管理推荐 31 推荐 32 推荐 33 推荐 34 推荐35 推荐 36 客户关系管理奇瑞统一 37 推荐 38 推荐 39 推荐 40 推荐 41 推荐 42 监督评价奇瑞统一 43 现场督导推荐 44 推荐 45 推荐 46 推荐 47 推荐 48 持续改进推荐49 推荐 50 推荐 51 推荐营业目标计划与实绩比较表奇瑞销售服务商各渠道销售目标分解表月销售计划分配表绩效周进度管控表奇瑞销售服务商促销活动物料计划表奇瑞销售服务商促销活动广告传播计划表奇瑞销售服务商促销活动公关软文计划表奇瑞销售服务商促销活动费用预算(结算)参考表奇瑞销售服务商促销活动客户登记统计分析表奇瑞销售服务商促销活动评估表奇瑞汽车客户档案登记表客户信息变更表客户信息分类表会员申请表会员积分申请表会员升级申请表销售日常工作管理销售顾问日工作检查表本店督导监控表二网督导过程监控表销售服务商立项整改计划书销售服务商书面销项申请书销售服务商整改项目延期/取消书运营管理综合指标分析销售服务商运营与满意度改进计划三表一卡延伸分析月运营管理工作计划表月运营管理异常项目解决措施整改问题闭环管理表咨询类型序号日期客户性别地址拟购车型(时间) 1 2 3 4 5 6 7 前台客户接待:客服经理:展厅来电/店登记表进-离来电(店) 信息来源□来电□来店□来电□来店□来电□来店□来电□来店□来电□来店□来电□来店□来电□来店来电/店信息来源:网络、电视、报纸杂志、广播、展会、亲友、路过、其他接待经过追踪后级别结案情形接待人备注客服经理:展厅经理: /店登记表意向级别及购买周期展厅客流量统计表时间段日期 1 2 3 4 5 6 星期08:00-10:00 10:00-12:00 12:00-14:00 14:00-16:0016:00-18:00 18:00-20:00 来店客户批数合计留有客户资料数时间段日期 1 2 3 4 5 6 星期 08:00-10:00 10:00-12:00 12:00-14:00 14:00-16:00 16:00-18:00 18:00-20:00 来电客户批数合计留有客户资料数来访客户批数合计留有客户资料数接到订单数展厅销售台数当月销售总量展厅销售率备注注:适用于每日客流量登记。
车辆调度安排表车号:驾驶员:篇二:公司车辆调度安排表车辆调度安排表篇三:车辆调度工作方案全省教育工作会议车辆调度工作方案全省教育工作会议即将召开,届时省教育厅副厅长xxx同志亲临讲话。
为做好全省教育工作会议的车辆调度工作,体现本承办单位快捷、安全、高效的良好形象,根据工作实际和承办单位的总体安排,特制定如下工作方案:一、工作目标按照一流的工作标准,精心组织,周到安排,厉行节约,文明礼貌,高质量、高效率的搞好车辆安排和调度工作,力争让每一位参会人员高兴而来,满意而归,树立会议承办单位的良好对外形象。
二、工作任务1、负责编制全省教育工作会议的车辆保障经费预算;2、做好会议期间的车辆安排、调度;3、做好服务车辆驾驶员培训管理;4、进行车辆技术状态审查、驾驶员审查,制作和发放参会车辆编号、通行证;5、负责通行线路确定;6、会议结束后进行车辆保障经费的结算等工作。
三、工作机构及职责根据实际情况,为保证会议期间车辆调度工作的顺利进行,决定成立五个车辆调度小组,分别负责来自全省各地的参人员接送工作,具体职责如下:1、总务组,由车队长xxx为总协调,xxx、xxx二人参加,调配小汽车、9座商务车各一辆(车号??、??),用于机动。
具体负责车辆运行费用的预决算,制定调度工作预案,省教育厅领导车辆安排,参会人员返程机、车票的预订,调配会议用车并制订车辆行驶路线、对驾驶员进行培训、督促各小组对车辆进行检修,及时了解和掌握参会人员途中情况及反馈至各调度小组,妥善安排好来宾车辆。
2、机场组,由xxx、xxx二个人组成,xxx总牵头,驾驶12座中型商务车一辆(车号??),具体负责乘坐飞机前来参加全省教育工作会议的10名参会人员接送,并保证途中乘客人身和财产安全;3、火车站组,由xxx、xxx、xxx等四人组成,xxx总牵头,驾驶33座大客车两辆(车号??、??),具体负责乘坐火车前来参加全省教育工作会议的60名参会人员接送,并保证途中乘客人身和财产安全;4、汽车站组,由xxx、xxx组成,xxx总牵头,驾驶33座大客车一辆(车号??),具体负责乘坐长途汽车前来参加全省教育工作会议的30名参会人员接送,并保证途中乘客人身和财产安全;5、自驾组,由xxx、xxx、xxx、xxx 、xxx等五人组成,xxx总牵头,负责自驾车辆前来参加全省教育工作会议的50名参会人员的路线提示,必要情况下前往现场进行引路,并提醒他们人身和财产安全,及时协调解决相关困难和问题。
竭诚为您提供优质文档/双击可除smart工作计划表篇一:smART计划表成功宝典目意标向清强晰烈完迫整切计行划动调整心态面对事实自律坚持修正行为目标设定原则s明确的specificm可量度的measurableA可达到的AttainableRT相关联的Relevant有检视点的Track-able实践计划目标姓名:_________________手机:传真:公司电话:住宅电话:电子邮箱:住址:座右铭:●我要提升的影响力:(至少选三项)□激情□承诺□负责任□欣赏□付出□信任□共赢□感召□可能性●我要提升的是从到●我愿意贡献给团队是:个人行动计划(请详细列出以下的目标、行动及其可度量的成果以下为建议范畴)时间20年月日-----20年月日实践阶段学习模板成果学习体验篇二:日工作计划表smart工作计划表姓名:所属部门:年月日年月第周工作计划表姓名:所属部门:日至日篇三:smART计划表目意标向清强晰烈完迫整切计行划动调整心态面对事实自律坚持修正行为目标设定原则s明确的specificm可量度的measurablea可达到的attainablert相关联的relevant有检视点的track-able实践计划目标姓名:_________________手机:传真:公司电话:住宅电话:电子邮箱:住址:座右铭:●我要提升的影响力:(至少选三项)□激情□承诺□负责任□欣赏□付出□信任□共赢□感召□可能性●我要提升的是从到●我愿意贡献给团队是:个人行动计划(请详细列出以下的目标、行动及其可度量的成果以下为建议范畴)时间20年月日-----20年月日实践阶段学习模板成果学习体验篇二:smart计划书1、工厂各项管理制度、厂纪厂规的补充、修改、完善并公布出来。
包括:员工考勤制度、工厂各项行政管理制度、人事管理制度、薪酬管理制度、员工绩效考核管理制度、办公室管理制度、车间管理制度、员工宿舍管理条例、仓库管理制度等。
所有车辆选配方案表格图背景介绍汽车市场竞争激烈,车辆选购也越来越趋向个性化。
车辆选配方案是指车辆数据中提供的选装配置,可根据客户对性能、舒适度、安全性、娱乐性等方面的不同需求,为客户提供不同的选择,从而获得更大的市场份额。
车辆选配方案涵盖了各种选装配置,包括发动机、汽车空调、音响设备、安全装置等多个方面。
为方便客户的选购,车辆选配方案不同方案提供更全面的数据展示,通过数据的分析,为客户提供更好的选购体验。
方案表格展示下面为各大车企提供的常规车型的选配清单,以表格方式呈现。
汽车品牌A车型发动机自动驾驶轮毂空调音响A1 2.0L 否19英寸四区自动空调8英寸中控液晶屏和12扬声器A2 2.0T 是20英寸全自动空调卡罗拉音响系统A3 3.0L 否18英寸三区自动空调8英寸中控液晶屏和10扬声器汽车品牌B车型发动机自动驾驶轮毂空调音响B1 1.5L 否17英寸三区自动空调杜比全景环绕音响B2 2.0T 是19英寸全自动空调卡群音响系统B3 1.8L 否18英寸四区自动空调8英寸中控液晶屏和10扬声器汽车品牌C车型发动机自动驾驶轮毂空调音响C1 1.2T 是16英寸两区自动空调索尼音响系统C2 2.0L 否17英寸全自动空调海尔曼卡顿音响系统C3 1.5T 是18英寸四区自动空调9英寸中控液晶屏和12扬声器根据车辆选配方案选择客户可以根据自己的需求,结合车辆选配方案的数据,选出最适合自己的方案。
例如,对于需要安全性能较高的客户,可以选择配备自动驾驶系统的汽车;对于注重音乐体验的客户,可以选择配备卡罗拉音响系统的汽车等。
当然,除了车辆选配方案外,客户在购车时还需要关注价格、品牌、售后服务等多个方面,综合考虑才能做出最好的决策。
结论车辆选配方案表格可以为客户提供了直观的数据展示,帮助客户方便地了解某一车型的选配配置,并根据自己的需求做出最优选择。
因此,车辆选配方案表格是购车过程中必不可少的一部分。
汽车公司的生产计划与决策摘要当今社会发展迅速,社会的需求也在增加,特别是代步的轿车的需求更是供不应求。
针对问题一:为计算每一种车型的生产成本和预计销售利润,建立成本函数:0i j k C c e d w =+++ 和预计销售利润函数:().*R P C Q =-,根据函数,利用Matlab 程序将算出结果。
针对问题二:首先针对如何计算最大利润的问题建立模型一:最大预计销售利润模型181max R=i i i x r =∑,利用lingo 软件求解出结果为只生产NH16和HA16两种车型;然后运用winQSB 的LP ILP -对模型一进行检验,得出结果为只生产NA18和NH16两种车型,为了计算出题中车型在哪一生产线生产接着建立模型二:0-1规划模型,以求得每条生产线具体生产哪种车型,最后为了计算出该问题的多种最优解我们再次运用Lingo 进行编程计算出生产了NA18、NH16和HA16三种车型并计算出了三种车型分别在哪一生产线上生产。
针对问题三:首先根据dynasearch 算法,建立模型三:最优解模型,得出最优解为只生产HA20;然后为计算出生产HA20具体的量,根据Lingo 中的01-整数规划思想,建立模型四:最优解模型,得出生产HA20300辆且最大利润为930万元。
针对问题四:首先根据销售量的概率分布,利用matlab 编程计算出每种车型预期需求的期望,建立模型五:最大期望获利模型,然后利用Lingo 软件算出最优解为只生产HA20型号车且最大利润为905.2万元。
由于概率是一个预测值,通过matlab 随机产生概率值进行运算得出:最优解在18EH 的销售量小等于293时最优解发生改变,因此此生产方案不具有稳定性。
针对问题五:运用与问题四相同的方法计算得出生产16NH 和16HA 两种车型,同样由于概率是一个预测值,通过matlab 随机产生概率进行运算得出最优解和最优值的大小相同,因此此生产方案具有稳定性。
供方名称***股份有限公司生产地点适用车型及产品(项目名称)立柱护板总成,侧围护板及门槛压板总成零部件号/名称依据文件图纸最新图纸编号及日期样件来源1、主要原材料、外协件/供方所需主要原材料/零件名称数量/台自制/外协国产/进口PP+EPDM+T20左前门槛压板J11-51070111自制国产***股份有限公司PP+EPDM+T20右前门槛压板J11-51070211自制国产***股份有限公司PP+EPDM+T20左B柱上护板总成J11-54020301自制国产***股份有限公司PP+EPDM+T20右B柱上护板总成J11-54020401自制国产***股份有限公司PP+EPDM+T20左B柱下护板总成J11-54020501自制国产***股份有限公司PP+EPDM+T20右B柱下护板总成J11-54020601自制国产***股份有限公司PP+EPDM+T20左C柱上护板总成J11-54020701自制国产***股份有限公司PP+EPDM+T20右C柱上护板总成J11-54020801自制国产***股份有限公司PP+EPDM+T20左后侧围衣帽架支撑护板J11-56020511自制国产***股份有限公司PP+EPDM+T20右后侧围衣帽架支撑护板J11-56020621自制国产***股份有限公司PP+EPDM+T20左后侧围护板总成J11-56020101自制国产***股份有限公司PP+EPDM+T20右后侧围护板总成J11-56020201自制国产***股份有限公司PP+EPDM+T20左后侧围护板总成J13-56020101自制国产***股份有限公司PP+EPDM+T20右后侧围护板总成J13-56020201自制国产***股份有限公司PP+EPDM+T20左前门槛压板总成J11-5107010BA1自制国产***股份有限公司PP+EPDM+T20右前门槛压板总成J11-5107020BA1自制国产***股份有限公司2、产品设计方案(可以使用附件描述)有设计图纸3、工艺过程流程(以框图表示,可以使用附件描述)供方名称填写此表前,请认真阅读《采购管理手册III》4、设备及工艺、检验装备——生产设备/工装/模具/工为器具所需生产设备/工装/模具/工为器具主要技术参数用途现有/需新增国产/进口备注注塑机80T-1600T 注塑成型现有国产焊接机热熔焊接实现B柱上的滑动机构需新增国产——检验设备/检具/检验辅具所需生产设备/工装/模具/工为器具主要技术参数用途(检验及控制对象)原有/需新增国产/进口实验室/在线使用检具待检具开发节点时定义验证产品符合性新增国产在线使用电子天平(0.01~300)g测量重量原有国产实验室冲击试验机XJU-2.75检测材料机械性能原有国产实验室深度游标卡尺0-200mm 测量缝隙深度原有国产在线使用外径千分尺G205测量产品外径尺寸原有国产在线使用万能材料试验机HY-932C 检测材料机械性能原有国产实验室色差仪XP60°检验产品的颜色符合性原有进口实验室六光源对色灯箱CAC-600-6模仿标准光源原有国产实验室汽车内饰燃烧仪MC-867D 测量材料燃烧性能指标原有国产实验室三坐标悬臂FAR0125监控产品的尺寸原有进口实验室高低温交变湿热试验箱RGDJS-100检测高低温性能原有国产实验室熔体流动速率测定仪RZY-400检测材料流动性能原有国产实验室熔融指数试验机HY-833检测材料流动性能原有国产实验室游标万能角度尺0-320°产品的角度验证原有国产在线使用——新增设备及工艺、检验装备采购计划(各阶段工装、设备等名称设计制造采购安装调试验收生产厂家焊接设备2009.122010.22010.62010.62010.7检具2010.12010.22010.62010.62010.75、人员所需人员分配计划实际具备资格人员需培训人员培训周期国内/国外培训内容产品技术及管理人员(数)4生产过程操作人员(数)26试验及检验人员(数)3项目开发小组构成项目经理联系电话组员产品工程师工艺工程师质量工程师采购工程师其他6、场地/物流各阶段计划时间填写此表前,请认真阅读《采购管理手册III 》填写此表前,请认真阅读《采购管理手册III》。
汽车销售目标分解计划表格篇一:汽车销售工作总结与计划销售工作总结与计划销售>工作总结与计划(一)20xx年即将过去,在这一年的时间中销售部通过努力的工作,也取得了一点>收获,临近年终,对销售部的工作做一下总结。
目的在于吸取教训,提高销量,以至于把工作做的更好,以至于有信心也有决心把明年的工作做的更好。
下面我对一年来的工作进行简要的总结。
在20xx年当中,坚决贯彻xx厂家的政策。
学习、制定销售各环节话术,公司产品的核心竞争优势,和市场部共同策划宣传公司的形象、品牌的形象,在各媒体广告里如;广播电台、报刊杂志等,使我们公司的知名度在太原市场上渐渐被客户所认识。
部门全体员工累计发短信三万余条,团队建设方面;制定了详细的销售人员考核标准、销售部运行制度、工作流程、团队文化等。
这是我认为我们做的比较好的方面,但在其他方面工作中我们做的还有很大的差距。
从销量上看,我们的工作做的是不好的,销售业绩的确很不理想。
客观上的一些因素虽然存在,在工作中其他的一些做法也有很大的问题,目前发现销售部有待解决有主要问题有以下几点:1、销售人员工作的积极性不高,缺乏主动性,懒散,也就是常说的要性不强。
2、对客户关系维护很差。
销售顾问最基本的客户留资率、基盘客户、回访量太少。
一个月的时间里,总共八个销售顾问一天拜访的客户量20余个,手中的意向客户平均只有七八个。
从数字上看销售顾问的基盘客户是非常少的,每次搞活动邀约客户、很不理想。
导致有些活动无法进行。
3、沟通不够深入。
销售人员在与客户沟通的过程中,不能把我们公司产品的情况十分清晰的传达给客户,了解客户的真正想法和意图;对客户提出的一些问题和要求不能做出迅速的反应和正确的处理。
在和客户沟通时不知道客户对我们的产品有几分了解或接受到什么程度,在被拒绝之后没有二次追踪是一个致命的失误。
4、工作没有一个明确的目标和详细的计划。
销售人员没有养成一个工作总结和计划的习惯,销售工作处于放任自流的状态,工作时间没有合理的分配,工作局面混乱等各种不良的后果。
汽车零部件采购供应计划1. 引言本文档旨在制定汽车零部件的采购供应计划。
该计划将包括供应商的选择、采购的数量和时间表以及相关措施,以确保生产线的正常运作和产品质量的稳定。
2. 供应商选择为了确保零部件的质量和成本效益,我们将采用以下策略来选择供应商:- 审核供应商的资质和许可证,确保其符合相关的质量和生产标准。
- 参考过往的供应商表现和客户反馈,以评估供应商的稳定性和可靠性。
- 考虑供应商的价格竞争力,与其协商谈判以获得最佳价格。
基于以上标准,我们将与优质且具有良好信誉的供应商进行长期合作,并建立稳定的供应链。
3. 采购数量和时间表为了满足生产需求并避免库存积压或缺货情况,我们将进行以下采购数量和时间表的规划:- 根据产品销售预测和生产计划,我们将制定每月的采购数量,以确保及时供应和需求平衡。
- 与供应商协商,并制定供货周期以及零部件交付的时间表,以确保生产线的连续运转。
我们将定期评估采购数量和时间表的执行情况,并根据市场需求和生产状况进行调整。
4. 相关措施为了确保采购供应计划的顺利执行,我们将采取以下措施:- 建立与供应商的有效沟通渠道,并定期开展供应商评估和交流,以及解决任何供应问题。
- 定期监测零部件的质量,并与供应商合作进行质量改进和持续监控。
- 建立物料管理系统,以管理库存水平和及时调整采购计划。
5. 结论以上是我们的汽车零部件采购供应计划。
通过合理选择供应商、规划采购数量和时间表,并采取相关措施,我们将确保生产线的正常运作和产品质量的稳定。
请注意,该计划可能需要根据实际情况进行调整,以适应市场需求和生产变化。
我们将不断监督和评估采购供应计划的执行情况,并作出相应的改进和调整。
汽贸公司资金管理工作计划表格一、资金来源分析资金是汽贸公司运营的血脉,其来源的多样性和稳定性对公司的持续发展至关重要。
自有资金:这是公司运营的基础,包括股东投入、公司留存收益等。
银行贷款:通过与银行合作,获取短期或长期贷款,满足公司运营和扩张的资金需求。
供应商融资:与供应商建立良好的合作关系,通过供应链融资缓解资金压力。
汽车销售融资:利用汽车金融产品,如汽车贷款、租赁等,为消费者提供购车融资服务,同时为公司带来资金流入。
其他融资渠道:如发行债券、股权融资等,为公司提供多元化的资金来源。
二、资金使用规划资金的有效使用是提升公司经营效率和盈利能力的关键。
采购资金需求:根据市场需求和销售计划,合理规划采购资金,确保库存周转率和资金利用率的平衡。
运营成本:包括人员工资、租金、水电费等日常运营支出,需确保资金及时支付以维持公司正常运转。
市场推广费用:投入适量的资金用于品牌推广、活动策划等,提升公司知名度和市场份额。
研发创新投入:为保持竞争优势,需持续投入资金进行产品研发和创新。
储备资金:预留一定比例的资金作为风险储备,应对市场波动和突发事件。
三、风险预测与应对资金管理过程中需对潜在风险进行预测,并制定相应的应对策略。
市场风险:关注汽车市场动态,预测市场需求变化,调整库存结构和销售策略。
信用风险:建立客户信用评估体系,对不同信用等级的客户采取不同的销售策略和收款方式。
流动性风险:合理规划资金流,确保在需要时能够及时获取足够的资金。
利率风险:关注利率变化,合理利用金融工具进行风险管理,如利用远期利率协议、利率互换等金融衍生工具进行套期保值。
四、流动性管理策略流动性管理是确保公司资金安全和稳定运营的关键。
现金流预测:通过预测公司未来一段时间的现金流情况,合理安排资金使用和筹集计划。
建立紧急资金池:储备一定比例的紧急资金,用于应对突发事件和资金短缺情况。
加强与金融机构的合作:与多家金融机构建立合作关系,确保在需要时能够及时获得资金支持。
汽车销售月度工作计划表以下是汽车销售部门的月度工作计划表:
月度目标:
1. 实现销售额目标
2. 增加新客户数量
3. 提升客户满意度
第一周:
1. 确定本月销售目标,并与销售团队共享
2. 进行销售培训,提升销售技巧和产品知识
3. 联系现有客户并跟进他们的购车进展
4. 开展市场调研,了解竞争对手的销售策略和市场趋势
第二周:
1. 制定销售促销活动计划,并与市场部合作执行
2. 发送邮件或短信给潜在客户,介绍最新车型和优惠政策
3. 创建社交媒体广告并进行推广,吸引更多潜在客户
4. 参加行业展览会或活动,与潜在客户建立联系
第三周:
1. 跟进已有报价并协商成交条件
2. 安排试驾活动,让客户亲自体验车辆性能
3. 提供客户优质的售后服务,解答他们的疑问和问题
4. 制定客户满意度调查问卷,并向客户收集反馈
第四周:
1. 与销售团队进行绩效评估,提供反馈和激励
2. 分析销售数据,评估销售策略的有效性,并进行调整
3. 确定下月的销售目标,并制定相应的销售计划
4. 开展销售会议,分享本月的成功案例和经验教训,并讨论改进措施
以上是一个基本的汽车销售部月度工作计划表,具体的内容可以根据公司的实际情况进行调整和补充。
汽车设备维修保养计划1. 背景汽车设备在长期使用过程中,需要进行维修和保养以确保其正常运行和延长使用寿命。
本文档旨在制定一份汽车设备维修保养计划,以提供有关维修保养工作的详细指导和安排。
2. 目标- 提高汽车设备的可用性和可靠性。
- 减少设备故障和停机时间。
- 延长汽车设备的使用寿命。
- 降低维修保养成本。
3. 计划内容3.1 维修计划- 按照设备制造商的维修要求,制定维修周期表。
- 定期检查设备的关键部件和系统,例如发动机、传动系统、制动系统等。
- 及时修复设备的故障和异常。
- 保持维修记录并进行归档。
3.2 保养计划- 制定定期保养计划,包括更换机油、滤清器、点火器件等。
- 检查车辆液体(冷却液、制动液、机油等)的质量和水平,及时添加和更换。
- 清洁车辆外观和内饰。
- 定期进行轮胎保养,包括轮胎气压检查和轮胎磨损程度检查。
4. 实施和监控4.1 实施过程- 为维修保养工作指定专门的责任人和团队。
- 制定维修保养工作流程和标准操作程序。
- 提供必要的培训和培训材料给维修保养人员。
- 确保维修保养工作的及时执行。
4.2 监控和评估- 定期跟踪维修保养工作的执行情况。
- 分析维修保养工作的效果和成本。
- 针对存在的问题进行改进和调整。
5. 预算和资源- 制定维修保养工作的预算,并提供必要的资金支持。
- 确保维修保养所需的设备、工具和材料的供应。
- 配置足够的维修保养人员和设备。
6. 风险和应对- 预见可能出现的设备故障和维修延误的风险。
- 制定应对措施,如备用设备、备用零件的储备等。
7. 评估和改进- 定期评估维修保养计划的实施效果。
- 根据评估结果,进行相应的改进和调整。
结论本文档是一份汽车设备维修保养计划,旨在提供全面的维修保养指导和安排。
通过执行计划,我们可以提高汽车设备的可用性和可靠性,减少故障和停机时间,延长汽车设备的使用寿命,并降低维修保养成本。
汽车销售工作计划表格1. 背景与目标- 背景描述:汽车销售市场竞争激烈,公司希望考虑新的销售策略来提高销售额。
- 目标:制定一份全面的汽车销售工作计划表,通过有效的销售策略提高销售额,拓展市场份额。
2. 市场分析- 调查和分析目标市场、竞争对手及需求。
- 定义目标受众,确定其需求,为产品定制推广策略。
3. 销售策略- 制定明确的销售目标,包括销售额、销售数量和市场份额。
- 推出激励计划,激励销售人员达成目标。
- 制定灵活的定价策略,使产品具有竞争力。
- 发布产品促销活动,吸引潜在客户。
4. 销售渠道- 确定合适的销售渠道,如直销、经销商、电子商务等。
- 与经销商建立合作关系,并加强合作伙伴关系。
- 拓展线上销售渠道,提高线上销售额。
5. 销售团队建设- 招聘并培训具有销售技巧和产品知识的销售人员。
- 提供持续的销售培训,提高销售人员的销售技巧和产品知识。
- 建立团队合作精神,加强内部沟通与协作。
6. 销售活动- 制定销售活动计划,包括展会、推广活动、客户见面会等。
- 与合适的媒体合作,提高品牌知名度。
- 定期进行销售活动的评估,分析活动效果。
7. 客户关系管理- 建立客户数据库,进行客户分析和维护。
- 定制客户关系管理计划,提供个性化的服务,增强客户忠诚度。
- 定期发送电子邮件、短信、电话等方式与客户互动,保持与客户的联系。
8. 销售绩效评估- 设定关键绩效指标,如销售额、销售数量、客户满意度等。
- 定期评估销售绩效,分析销售问题并提出解决方案。
- 定期召开销售会议,汇报销售情况和讨论销售策略。
9. 风险管理- 评估销售风险,制定相应的风险管理计划。
- 定期进行销售风险评估,分析风险和应对措施。
- 建立应急预案,应对潜在的销售风险。
10. 预算与资源管理- 制定销售预算,包括市场推广费用、销售人员工资、培训费用等。
- 合理分配资源,确保销售活动的顺利进行。
- 定期审议销售预算和资源分配方案。
11. 时间计划- 制定详细的时间计划,明确每个阶段的工作重点和时间节点。
汽车保养计划模板汽车是我们日常生活中不可或缺的交通工具,而保养汽车则是保证车辆安全和延长使用寿命的关键。
制定一个汽车保养计划模板可以帮助车主更好地管理汽车保养事务,让车辆始终保持最佳状态。
下面简单介绍一下汽车保养计划模板的一些内容和重要性。
首先,汽车保养计划模板可以帮助车主记录车辆的基本信息,包括车牌号、车型、购买日期、保险信息等。
这些信息的记录可以方便车主随时查看车辆的相关情况,及时处理各种问题。
其次,汽车保养计划模板应包含定期保养项目的内容和时间表。
定期更换机油、空气滤清器、刹车油等是保证汽车正常运行的重要步骤,因此在模板中设置提醒时间是至关重要的。
此外,汽车保养计划模板还可以记录车辆的日常维护情况,包括检查机油液面、轮胎气压、刹车片磨损情况等。
通过及时记录这些细节,车主可以更好地了解车辆的状况,及时发现问题并解决。
另外,在汽车保养计划模板中还可以设置维修记录和费用记录表。
当车辆出现故障需要维修时,可以详细记录维修内容、费用和修复时间,方便车主随时查看和核对。
更重要的是,汽车保养计划模板可以帮助车主制定合理的保养预算。
通过记录每一次保养和维修的费用,车主可以控制好每月的车辆保养开支,避免因为车辆问题而导致突然的财务压力。
最后,在编写汽车保养计划模板时,车主还可以对不同保养项目进行分级设置,根据优先级别和重要程度来确定优先处理的保养事项。
这样可以更加有序地进行汽车保养管理,确保关键部件始终处于良好状态。
总的来说,汽车保养计划模板是车主管理汽车保养事务的好助手,可以帮助车主更好地管理车辆,延长车辆使用寿命,节约维修费用。
因此,车主们应该认真制定并执行汽车保养计划模板,让爱车始终保持最佳状态。