铲车司机技能竞赛方案
- 格式:doc
- 大小:23.50 KB
- 文档页数:3
车工职工技能比赛方案范本一、竞赛项目与要求1、竞赛项目:普通车工2、要求:本次比赛根据教育部中等职业学校普通车工教学指导方案,紧密联系实际,并参照相关专业职业技能鉴定标准中关于高级工的要求,体现现在车削加工的新知识、新材料、新技术、新设备,___相关专家命题;二、竞赛规程1、竞赛名称:___年___市中等职业学校普通车工技能大赛2、竞赛目的:进一步深化职业教育教学改革,积极推进校企合作、工学结合的职业教育人才培养模式,培养高素质、高技能型人才,展示我市中职学校技能主体教学水平,激励中职学校师生爱岗敬业、自强不息,营造尊重技能人才的社会环境和舆论氛围,为专业教师提供新知识、新技术、新材料、新设备在机械加工中运用的交流平台。
3、竞赛内容和方式竞赛内容:按照本工种高级工的相关技能标准要求执行。
竞赛形式:采用实操竞赛形式。
命题要求:竞赛试题由组委会___相关专家封闭式命题,试题难度参照本工种的高级工职业技能鉴定标准。
竞赛时限:___小时三、竞赛规则1、裁判组在赛前___分钟,对参赛选手的证件进行检查及进行大赛相关事项教育。
2、参赛选手按照大赛组委会规定时间到达指定地点,凭参赛证、学生证或教师证、___(三证必须齐全)进入赛场,并随机抽取工位号。
选手迟到___分钟取消竞赛资格。
3、参赛选手必须按照设备管理规程进行操作。
参赛选手不得携带通讯工具和其它未经允许的资料、物品进入比赛场地,不得中途退场。
如出现较严重的违规、违纪、舞弊等现象,经裁判组裁定取消比赛成绩。
4、各队领队、指导教师和其他非工作人员不得进入赛场。
5、新闻媒体等进入赛场需经大赛执委会同意,由专人陪同并且听从现场工作人员的安排和管理,不得影响比赛。
6、比赛过程中出现设备或软件故障等问题,应提请裁判确认原因。
如影响比赛进程,裁判请示裁判长裁定后,可将该选手比赛时间酌情后延。
7、比赛过程中,选手若需休息、饮水或去洗手间,一律计算在比赛时间内,食品和饮用水由赛场统一提供。
铲车驾驶员技能竞赛方案一、竞赛目的为了激发广大铲车驾驶员的工作热情,掀起岗位练兵的高潮,决定在公司大车运输队开展铲车驾驶员技能竞赛活动。
通过竞赛活动的开展,来提高铲车驾驶员学习业务知识、练就过硬本领的积极性和自觉性,不断提升职工业务技能。
二、竞赛内容(一)理论内容1、试题范围和内容试题80%内容为专业知识内容,20%内容为企业文化内容。
2、试题类型题目类型分为填空题、判断题和简答题。
(二)实际操作内容1、绕桩运水比赛开始前,由工作人员将装满水的水桶放置在铲斗中央(固定位置),参赛人员驾驶铲车从起点A出发,按规定路线行驶,到达B 点后,再由B点将铲车倒回至A点(如图1所示,实线为前行路线,虚线为倒车路线),。
比赛过程中,要求车轮不能压边线、不能触碰障碍物,且要保证水桶内水尽可能少的溢出。
2、稳穿螺母在参赛车辆铲斗上方焊接一根细铁棍,参赛人员由起点出发,经过指定路线行至A区,由左向右依次将铁架上的螺母串起,(如图2 所示)。
穿螺母结束后,将铲车沿原路线到回至起点。
整个过程时间不超过规定时间(2分钟)。
在行驶、倒车过程中,要求在规定区域内车轮不能压边线。
(铲车停至终点线时,铁棍上的螺母个数为成功穿起的个数)2A 起始线图 2 图1 (场地要求:1、平稳运水项目:两油桶中心距为7.1米,油桶直径0.60米,边油桶中心距上、下边线距离为6.8米,距左、右边线距离为3.8米。
2、稳串螺母项目:场地待定)司各部门、分厂:为鼓励广大员工立足岗位、学技术、钻业务,积极创先争优,引导广大职工学知识、学本领,激励职工熟练掌握生产业务技能,营造良好的企业氛围,夯实企业发展基础。
经公司研究决定,在全公司范围内开展技术技能比武活动。
一、组织机构为确保本次技能比武竞赛活动有序有效开展,特成立技能比武竞赛活动领导小组,活动领导小组办公室设在综合管理部,其主要职责是负责活动的总体部署、组织领导和监督指导。
组长:张炜银副组长:路云飞李增录成员:李平王宁生郭建军张元利曹建林二、报名方式及要求:以厂为单位,于9月22号前将报名表交回办公室,其他要求详见各工种技能比武实施细则。
装载机司机岗位技能比武规则和评分标准
一、比赛项目
勇闯“三关”
二、比赛流程
1、参赛选手在指定的比赛起点启动装载机鸣笛示意比赛开始,计时员听见鸣笛信号开始计时;参赛选手依次完成“地雷阵”、“铁树挂物”、“机械保龄球”三关。
2、“地雷阵”,装载机起步后,在A区域,沿划定的S线行车道通过,S线行车道上设置3颗地雷(废旧轮胎),装载机四个车轮需躲避地雷通过。
3、“铁树挂物”,装载机通过地雷阵后到达B区域,将摆放的3个重物利用装载机铲斗上的特制挂钩提起,依次搬运悬挂在铁树树杈上。
4、“机械保龄球”,装载机通过铁树挂物后到达C区域,在划定的禁止线前停车(注意:装载机前轮不得超过禁止线)。
由比赛组管理人员将一颗篮球放于铲斗特制篮球架上,装载机将篮球原地抛投,击打叠放在一起的10个圆桶。
根据倒地圆桶数量计分。
每位选手只有一次抛投机会。
5、参赛选手完成机械保龄球项目后,将装载机驶回起点,鸣笛示意,计时员停止计时,评委按评分表各项进行评分。
三、比赛时间
设定标准比赛操作时间为所有参赛选手比赛完成后的平均用时,时间以每秒计时。
四、比赛主要器材
五、配图
序号
名称单位数量备注
1 装载机台 1
2 轮胎个
3 地雷阵
3 铁树棵 1 铁树挂物
4 重物个 3 铁树挂物
5 篮球颗 1 机械保龄球
6 小圆桶个10 机械保龄球
装载机司机岗位技能比武评分记录表参赛选手号码:
规定标准操作用时:8分钟选手实际用时:裁判员签字:
3。
铁路装卸技能竞赛装卸司机实作竞赛方案一、竞赛纪律1.参赛选手要着工装,佩戴参赛胸牌,携带特种设备操作证和职业资格证书,在规定的时间到达比赛地点,未按时到场、未携带证件或在比赛过程中发生责任安全事故的,取消本项目参赛资格。
2.每位选手要分别完成两个项目,每个项目连续操作两次(装载机出入库检查及装车作业仅操作一次),取其中最好一次成绩记入总成绩。
3.各参赛选手按抽签顺序进行比赛,如需调整顺序,须经竞赛组委会批准。
4.比赛过程中,选手要服从裁判员的统一指挥。
对不服从裁判的人员,可视情节给予批评、警告,直至取消比赛资格。
5.比赛过程中,无关人员不得进入竞赛区域(安全紧急情况除外),也不得向选手发出任何提醒或暗示。
如遇危及安全的紧急情况,可立即叫停。
6.比赛过程中,参赛人员如有异议,可通过领队向裁判委员会申诉,不得刁难或纠缠裁判,影响竞赛正常进行。
7.比赛过程中,如出现本规则未明确规定的其它情况,报裁判委员会裁决。
8.每个项目满分50分,各项目分扣完为止,不出现负分。
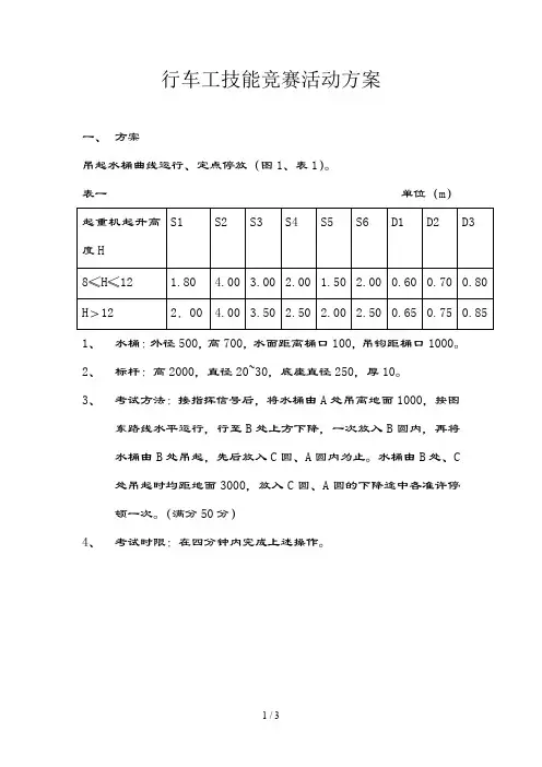
二、起重机司机实作竞赛项目(一)吊物过框架1. 设备钩头门吊1台(或集装箱专用门式起重机,根据承办单位货场门吊类型确定)。
2.比赛用具(1)带挂索的重锤1个:尺寸为φ300×200mm(如图所示)。
(2)框架5个:内空高×宽=500×600 mm,开口宽200 mm,框架底边离地高度分别为500、1100、900、700、1300 mm,圆形底座直径分别为200、300、300、300、400 mm。
框架及底座用φ12 mm圆钢制作。
刷成宽100 mm的红、白相间颜色。
3.场地布置(如图所示)⑴框架间距2m,排成直线,与大车走行方向约成45度夹角。
⑵重锤起始点A圆直径为φ400 mm。
⑶B点为三个同心圆,直径分别为350、450、550 mm,圆圈之间地带依次用红色、白色、黄色填充。
4、操作要求(1) 赛前准备不超过1分钟。
铲车劳动竞赛方案铲车劳动竞赛方案一、竞赛背景随着工业化进程的推进,铲车成为一个重要的物流装备,在许多工矿企业中扮演着重要的角色。
为了提高铲车操控技能和操作效率,激励员工积极参与工作,提高生产效率,本公司将举办一次铲车劳动竞赛。
此竞赛将通过比拼技能、速度和专业知识,吸引员工之间的竞争,展示出最优秀的铲车操作员并为其提供激励。
二、竞赛目的1.提高员工铲车操作技能和安全意识。
2.激发员工学习和提高的动力,促进个人和团队的发展。
3.通过竞争来提高生产效率,减少资源的浪费。
4.提高员工的团队合作和沟通能力。
三、竞赛规则1.参赛人员资格本次竞赛针对全公司铲车操作员进行,参赛员工需持有有效的铲车操作证件,并具备一定的工作经验。
2.竞赛内容(1)技术比拼:参赛员工需进行基本的铲车操作技能测试,包括装卸货物、转弯、起重等操作动作,通过评委对表现进行评分。
(2)速度比拼:参赛员工需完成特定任务,比如在规定时间内将一批货物从A地运到B地,比较谁完成时间最短。
(3)专业知识测试:参赛员工需参加一次关于铲车知识和操作规范的考试。
成绩将作为竞赛的一部分评分依据。
3.竞赛组织和评委(1)竞赛组织:由公司的人力资源部门组织整个竞赛过程,包括报名、绩效考核等。
(2)竞赛评委:由公司的专业员工组成,具备丰富的铲车操作经验和相关知识,确保评分的客观性和公正性。
4.奖励措施(1)冠军奖励:最优秀的铲车操作员将被授予“铲车之王”称号,并获得丰厚的奖金和奖品。
(2)亚军和季军奖励:获得亚军和季军的员工将获得相应的奖金和奖品。
(3)参与奖励:所有参与竞赛的员工将获得一定的鼓励奖金和纪念品。
五、竞赛安排1.宣传推广宣传推广竞赛的重要性和意义,提高员工对竞赛的重视程度。
2.报名与选拔员工需在报名截止日期前向人力资源部门报名参加竞赛。
报名后,人力资源部门将根据员工的工作经验和相关证件进行初步的选拔。
3.技术培训和备赛选拔出的参赛员工将参加由公司组织的铲车技术培训和备赛活动,以提升铲车操作技能和专业知识。
叉车、铲车司机技能比武规则和评分标准
一、比赛项目
以“移形换位”、“妙躲”、“扫雷”、“穿针”、入库”五个操
作过程,模拟装载机作业现场,来评价选手操作机械的“稳、准”性及动作的协调配合性和心理素质。
二、比赛时限
1.准备时间:5分钟
2.操作时间:10分钟;如果超时5分钟选手需终止比赛。
3.比赛按分钟计时,不足一分钟时,按一分钟计算。
三、比赛主要器材
四、比赛准备与流程
1.准备在场地甲到乙之间摆放好等距离(3.5米)的三个空油桶,每只油桶被固定在一个圆圈内;在丙到丁处设置两个标志杆,要求距离稍大于转载机工作宽度;在丁处区域内不规则设置轮胎作为“地雷”,轮胎之间的距离可以通过装载机。
2.流程第一步:装载机从车库鸣笛起步后倒行进入场内并倒行绕过三个等距离的油桶到达乙处;
第二步:装载机从丙处经过,通过设置在途中的障碍标杆,避过丁处“雷区”内设置的“地雷”;
第三步:装载机通过丁处雷区后,到铁环架前,将装载机上安装的铁针穿过铁环内,穿入长度需不少于有颜色部分;
第四步:装载机入库,回到起点,要求装载机两侧距离相等15厘米,并鸣笛示意过程结束。
说明:1.每个障碍物预置在画好圆圈的中央位置;
2.每位参赛者比赛前,自行检查设备及障碍物摆放的适宜
情况。
五、比赛示意图。
挖掘机安全技术操作技能竞赛方案1. 赛事背景挖掘机是一种常用的工程机械设备,广泛应用于各个行业的建设和工程项目中。
然而,由于挖掘机操作存在一定的风险,操作人员的安全意识和技术操作能力对于保障工作场所的安全至关重要。
为了提高挖掘机操作人员的安全意识和技术操作能力,促进相关行业的发展,举办挖掘机安全技术操作技能竞赛是一个非常有效的方式。
本方案旨在设计一场具有挑战性、实用性和综合性的竞赛,帮助参赛选手提升操作技能,提高安全意识。
2. 赛事目标•提高参赛选手的挖掘机操作技能和安全意识。
•推动挖掘机行业的标准化和规范化发展。
•增加参赛选手之间的交流与学习机会,促进行业合作。
3. 赛事内容3.1 报名和选拔参赛选手需提前报名,并提交相关证件和资质。
组委会将根据报名情况进行选拔,确定参赛选手名单。
3.2 赛前培训为了确保参赛选手具备必要的知识和技能,组委会将组织赛前培训。
培训内容包括但不限于挖掘机的结构和原理、操作技巧、安全事故案例等。
3.3 初赛初赛将在指定的挖掘机操作场地进行。
参赛选手需根据要求完成一系列挑战,包括但不限于: - 精准定位:通过控制挖掘机,将指定位置的物品准确无误地取出。
- 物料搬运:将指定的物料从一个位置运输到另一个位置,要求稳定、安全。
- 基础工程:按照要求进行挖掘、填土等基础工程操作。
初赛的评分将综合考虑参赛选手的操作技能、速度和安全意识等指标。
3.4 复赛复赛将根据初赛成绩确定。
复赛内容将更加复杂和具有挑战性,要求参赛选手在限定时间内完成更多的操作任务。
评分将更加注重操作技能、效率和安全性。
3.5 决赛决赛将选取初赛和复赛中表现突出的选手进行。
决赛的任务将更加复杂和高难度,要求参赛选手能够熟练掌握挖掘机的操作技巧,并在有限时间内完成各项任务。
评分将更加注重操作技能、速度和安全意识。
4. 赛事规则4.1 安全规范•参赛选手需要佩戴相关的安全装备,并遵循操作场地的安全规定。
•参赛选手需熟悉挖掘机的操作手册和安全注意事项。
车工职工技能比赛方案范本为进一步深化我区职工创业创新活动,激发职工岗位创新精神、提高职工技能素质,经研究,决定举办____区车工技能大赛。
现将有关事项通知如下:一、竞赛项目车工操作技能。
二、竞赛性质区级一类比赛。
三、竞赛内容本次竞赛依据《车工》国家职业标准关于高级工的知识、技能要求,紧密联系企业生产实际进行命题。
竞赛分理论知识和操作技能两部分。
理论试卷满分为100分,理论成绩将按照____%折算计入竞赛总成绩;操作竞赛满分为100分,将按照____%折算计入竞赛总成绩;理论竞赛成绩与操作竞赛成绩经折算后相加得出竞赛总成绩。
具体复习资料和大赛操作规程另行下发。
四、参赛对象全区企业(个人)从事车工操作的专业人员。
五、竞赛时间与地点大赛定于____年____月在____职业技能学校举行。
具体时间另行通知。
六、奖励办法竞赛总分排名前三名选手授予“____区技术能手”称号,理论知识和技能操作均合格选手,由区人力资源和社会保障局颁发高级工职业资格证书。
同时,竞赛组委会对竞赛总分排名前八名的选手给予表彰奖励。
七、组织领导本次区级一类技能竞赛在区社会主义劳动竞赛委员会统一领导下,由区总工会、____区____街道劳动竞赛领导小组合办,区人力资源和社会保障局、____区____职高(技工学校)协办,____街道总工会、____起重机械有限公司承办。
竞赛成立组委会:组长:副组长:成员:八、具体要求请各镇、街道、开发区工会按照考试内容和要求,根据本地区实际情况,选拔推荐____名选手来参加,并于____月____日前将选手报名表报____区____街道总工会办公室,身份证复印件和2张____寸彩照在大赛之日交竞赛组委会。
如有不明事宜请联系区总工会____,____区运河街道总工会____。
车工职工技能比赛方案范本(二)为进一步深化我区职工创业创新活动,激发职工岗位创新精神、提高职工技能素质,经研究,决定举办____区车工技能大赛。
公司司机技能竞赛方案背景为了提高公司司机的驾驶技能和安全意识,减少交通事故的发生,公司决定举办一次司机技能竞赛。
本次竞赛旨在鼓励司机们积极参与,彼此学习,提高技能水平,同时进一步加强对司机的管理和考核。
目的通过司机技能竞赛的形式,达到以下目的:1.提高司机的驾驶技能和安全意识;2.促进司机间的团结和互相学习;3.加强公司对司机的管理和考核,提高运输效率。
活动内容为了保证竞赛的公平公正,竞赛分为两个阶段,包括预赛和决赛。
具体内容如下:预赛预赛分为理论和实际两部分。
1.理论部分:参赛司机需进行一次多项选择题考试,主要测试参赛司机的交通安全法规和车辆维护知识。
各部门需自行组织参赛司机参加考试。
2.实际部分:参赛司机需进行一次长途驾驶和一次障碍路段驾驶。
参赛司机需在规定时间内完成长途驾驶,并在障碍路段上完成提前设定的障碍任务,通过表现评分选出前十名进入决赛。
决赛决赛分为理论和实际两部分。
1.理论部分:参赛司机需进行一次交通安全理论考试,主要测试参赛司机的道路交通安全管理知识和紧急情况处理能力。
2.实际部分:参赛司机需进行一次紧急情况驾驶测试,主要测试参赛司机的应急处置能力和安全驾驶技巧。
各项考试成绩合并计算总成绩,按总成绩从高到低排名,前三名获奖并颁发证书和奖金。
时间与地点预赛和决赛时间和地点如下:1.预赛:时间待定,地点各部门自行组织。
2.决赛:时间待定,地点为公司内部训练场地。
注意事项1.参赛司机需按时参加考试,不得迟到或早退;2.参赛司机需准备好所需的驾驶证件和车辆保险单等证明材料;3.竞赛过程中,参赛司机需遵守交通安全法律法规,自觉遵守竞赛纪律;4.竞赛结果公开透明,不得干扰或影响竞赛公正性。
结束语司机是公司运输的重要组成部分,司机安全文明的驾驶行为,影响着整个公司的形象和运营效率。
此次司机技能竞赛旨在通过竞赛的形式,提高司机的驾驶素质和交通安全意识,既有助于提高公司整体业务水平,也是对参赛司机的一次全面检验和考核,希望本次竞赛能够取得圆满成功。
车工比武的策划书3篇篇一车工比武策划书一、活动主题“以车为媒,展现技能;以赛促学,共同进步”二、活动目的本次车工比武旨在为车工技术人员提供一个展示技能、交流经验的平台,激发员工的工作热情和创新精神,提高团队整体素质和竞争力。
三、活动时间和地点时间:[具体日期]地点:公司车间四、参赛对象公司全体车工技术人员五、活动内容1. 理论知识考核主要考察车工相关的理论知识,包括公差配合、机械制造工艺等。
2. 实际操作比赛根据给定的图纸和工艺要求,选手在规定时间内完成工件的加工。
3. 团队协作比赛设置团队协作项目,考察选手的团队合作能力和沟通协调能力。
六、活动流程1. 开幕式主持人介绍活动背景、目的和流程,邀请领导致辞。
2. 理论知识考核选手在指定考场进行理论知识考核,监考人员负责监考。
3. 实际操作比赛选手在车间进行实际操作比赛,评委根据加工精度、表面质量、操作规范等方面进行评分。
4. 团队协作比赛组织团队协作项目,评委根据团队表现和协作效果进行评分。
5. 颁奖典礼主持人宣布比赛结果,邀请领导为获奖选手颁奖。
6. 闭幕式七、评分标准1. 理论知识考核(30%)根据选手的答题准确性和完整性进行评分。
2. 实际操作比赛(50%)根据加工精度、表面质量、操作规范等方面进行评分。
3. 团队协作比赛(20%)根据团队表现和协作效果进行评分。
八、奖项设置1. 个人奖项一等奖 1 名,二等奖 2 名,三等奖 3 名。
2. 团队奖项最佳团队奖 1 名九、活动预算1. 奖品费用:[具体金额]2. 宣传费用:[具体金额]3. 其他费用:[具体金额]十、注意事项1. 参赛选手需提前熟悉比赛内容和规则。
2. 比赛过程中,选手应严格遵守安全操作规程,确保人身和设备安全。
3. 评委应严格按照评分标准进行评分,确保比赛公平、公正。
4. 工作人员应做好比赛的组织和协调工作,确保比赛顺利进行。
篇二车工比武策划书一、活动主题“以车为媒,展现技能;以赛促学,共同进步”二、活动目的本次车工比武旨在为车工行业的从业者提供一个展示技能、交流经验的平台,同时也为企业选拔优秀的技术人才提供参考。
铲车技术比武内容(一)曲线前进和倒车一、曲线前进和倒车如图所示:1—6杆在一直线上,各杆的距离相等,均为二倍车长,(7.31*2=14.62米)。
桩宽为车宽(3米)加0.8米二、评分方法(计60分)1、中途不得停车,驾驶过程不能熄火。
铲斗离地高度保持在0.5米以下,否则一次扣2分。
2、压线、倒杆一次扣5分。
3、下车后停车不稳或铲斗没放地面扣5分。
4、本项目考试时间为4分钟,每超时10秒扣2分。
5、违反考试路线扣60分。
三、考试驾车顺序1.从一号库开始,曲线前进至五号库。
2.从五号库倒车至一号库,停车后把铲斗放至地面考试结束。
四、考试提示曲线前进,尽量靠前杆。
逐段选定标杆准确判断方向,转动方向要适当。
前进、倒车应顾及铲斗碰撞桩杆。
(二)精准装车一、铲车技术比武内容:装运货物重量及规范,在规定场地转运15吨砂石。
二、要求:5铲必须完成15吨货物上车。
评分标准(40分):1、上车前检查:绕车一周检查轮胎及外观没检查扣2分。
2、上车检查:油、水、气、电。
一样没检查扣2分。
3、上车鸣喇叭,倒车看后视镜。
一样没做扣2分。
4、5铲必须完成15吨砂石转运,每增减1吨扣2分;5、装载时不允许触碰汽车栏板,每触碰一次扣4分;6、砂石只能从一边上车,必须保持砂石在货车厢物的中心位置,装偏扣4分;7、装车期间,车辆不能熄火,为连续作业,熄火一次扣4分;8、装车时,如果货物外溢扣4分;附表:铲车操作技术考试评分表。
铲车操作技术考试评分表选手编号:姓名:(总分100分)。
车工职工技能比赛方案范文为进一步深化我区职工创业创新活动,激发职工岗位创新精神、提高职工技能素质,经研究,决定举办____区车工技能大赛。
现将有关事项通知如下:一、竞赛项目车工操作技能。
二、竞赛性质区级一类比赛。
三、竞赛内容本次竞赛依据《车工》国家职业标准关于高级工的知识、技能要求,紧密联系企业生产实际进行命题。
竞赛分理论知识和操作技能两部分。
理论试卷满分为100分,理论成绩将按照____%折算计入竞赛总成绩;操作竞赛满分为100分,将按照____%折算计入竞赛总成绩;理论竞赛成绩与操作竞赛成绩经折算后相加得出竞赛总成绩。
具体复习资料和大赛操作规程另行下发。
四、参赛对象全区企业(个人)从事车工操作的专业人员。
五、竞赛时间与地点大赛定于____年____月在____职业技能学校举行。
具体时间另行通知。
六、奖励办法竞赛总分排名前三名选手授予“____区技术能手”称号,理论知识和技能操作均合格选手,由区人力资源和社会保障局颁发高级工职业资格证书。
同时,竞赛组委会对竞赛总分排名前八名的选手给予表彰奖励。
七、组织领导本次区级一类技能竞赛在区社会主义劳动竞赛委员会统一领导下,由区总工会、____区____街道劳动竞赛领导小组合办,区人力资源和社会保障局、____区____职高(技工学校)协办,____街道总工会、____起重机械有限公司承办。
竞赛成立组委会:组长:副组长:成员:八、具体要求请各镇、街道、开发区工会按照考试内容和要求,根据本地区实际情况,选拔推荐____名选手来参加,并于____月____日前将选手报名表报____区____街道总工会办公室,身份证复印件和2张____寸彩照在大赛之日交竞赛组委会。
如有不明事宜请联系区总工会____,____区运河街道总工会____。
车工职工技能比赛方案范文(二)一、竞赛项目与要求1、竞赛项目:普通车工2、要求:本次比赛根据教育部中等职业学校普通车工教学指导方案,紧密联系实际,并参照相关专业职业技能鉴定标准中关于高级工的要求,体现现在车削加工的新知识、新材料、新技术、新设备,组织相关专家命题;二、竞赛规程1、竞赛名称:____年____市中等职业学校普通车工技能大赛2、竞赛目的:进一步深化职业教育教学改革,积极推进校企合作、工学结合的职业教育人才培养模式,培养高素质、高技能型人才,展示我市中职学校技能主体教学水平,激励中职学校师生爱岗敬业、自强不息,营造尊重技能人才的社会环境和舆论氛围,为专业教师提供新知识、新技术、新材料、新设备在机械加工中运用的交流平台。
公司车工技术比武方案为进一步提高公司车工操作人员的专业技术素质,引导和激励广大职工立足本职工作,钻研技术技能,积极推进公司备品配件的加工、生产及检修保障能力,更好服务于公司的日常生产,保证公司生产经营目标顺利实施,充分发挥公司职工在生产中的主力军作用,同时,更好地团结和引导职工为公司发展建功立业,开展车工培训及技术比武活动,具体方案如下:一、参赛对象和范围公司在岗全体车工.二、组织机构评委组长:评委副组长:评委成员:培训教师:质量检验员:三、比武方式1、比武宗旨:本次技能比赛以岗位练兵为前提,考核操作技能为重点,提高岗位技能为目的,旨在进一步加强高技能人才队伍建设,提高了职工队伍整体素质.2、考核方式及分值比例:本次技术比武分理论知识考试和实际操作考试两部分,分别占总成绩的20%和80%.并指定两台设备CA6140进行实作比赛,完成考核工件后,由指定质检员检测,评委评分并汇总综合成绩确定比武名次.A、理论知识考试:采用闭卷笔试方式,以车工高级工技能题量约占50%,技师及其以上技能题量约占50%,满分100分,考试时间60分钟.B、实际操作考试:按照既能够赛出水平又能够节约成本的原则,此次比武项目定为公司批量产品件——以多功能木工刨主刀滚工件加工为考试标的,同时比赛领导小组在产品件原有公差、尺寸的基础上增加了跳动公差、外圆公差、长度超差、粗糙度等项目标准,具体见主刀滚比赛用图.C、为有效地调动员工的竞赛热情,将提前一周公布实际操作考试试题让选手们在日常工作中挤时间、练操作、查资料,作好充分准备.3、评分标准:A、每人加工多功能木工刨主刀滚20件,全部完成计100分每件计5分.每提前1小时完成加5分不足1小时的每提前15分钟加1分,每延时1小时完成减5分不足1小时的每延时10分钟减1分,未加工完成工件不加分不计分.B、尺寸公差、形位公差不达标扣1分/项、件,每件扣完5分为止.每件不合格尺寸达三个及以上扣完5分.C、法定工作日每天7:10—11:50;2:40—5:20为实际操作考试时间.每件工件加工时间要求为70分/件,实际操作考试时间共计23小时20分,预计考试时间3天半/两人.D、非制作时间加工工件视为作弊,计零分并取消员工参赛资格.四、表彰奖励:本次比武依综合成绩排序表彰奖励获得前三名的员工,奖励包括荣誉证书、奖金.奖金标准为:第一名:1200元,第二名:800元;第三名:500元.比武活动是提高技能人员素质的一个重要途径,为广大职搭建了一个展示才华的舞台、岗位成材的舞台.为激发一线员工学习热情,促使更多的优秀人才脱颖而出,评委会对表现出色的优胜选手除给予精神和物质奖励外,此次成绩可作为员工将来评定技师、技术等级的依据,形成比武、奖励、晋级三者相结合的技术等级晋级激励新机制.五、赛前培训及及考试安排:比赛前进行理论知识培训,并在培训结束后组织理论知识考试.车工培训及考试安排表六、有关要求一安全生产方面:严格执行公司生产、安全、环保操作规程和公司管理规程、规定.二劳保穿戴方面:执行车工劳动保护穿戴标准.三对参赛者参加考试的纪律要求1、考试选手应严格遵守考试规则和各种规定的考试纪律,服从裁判员和考试工作人员的统一安排,自觉维护赛场秩序.2、参赛选手必须按时准点到指定赛场地参赛,并接受评委的检查.3、参赛选手进入赛场时,除按考试技术文件规定携带比赛用品具外,不准带入任何技术资料和工具书.4、理论知识考试,提前5分钟进入赛场;实际操作考试提前15分钟进入赛场,并按照指定位号参加比赛.迟到30分钟者,取消考试资格;考试开始30分钟后,选手方可交卷交件离开赛场.选手在考试过程中不得擅自离开赛场,如有特殊情况,需经评委同意后特殊处理.5、比赛期间,除正在参赛的选手和工作人员外,其他人员一律不得进入赛场.6、考试在规定时间结束时,参赛选手应立即停止答题和操作,不得以任何理由拖延考试时间.选手完成操作比赛,向评委报告方可离开考场,否则该选手比赛结果无效.7、参赛人员应爱护比赛场所的仪器设备,并自觉维护考试场所的环境卫生,操作设备应谨慎,不得触动非考试用仪器设备.8、参赛选手在考试过程中,如遇问题,须举手向裁判员提问.参赛选手在考场内不得发生交头接耳、偷看、暗示等作弊行为.七、参考书目和资料:1、国家职业技能鉴定培训从书车工高级河南科学技术出版社2008年9月出版2、车工机械工业技师考评培训教材机械工业出版社 2001年4月出版八、比武预算支出:合计3000元,其中比赛奖金2500元,比赛组织及培训费用500元.公司年月日。
车工职工技能比赛方案〔一〕车工职工技能比赛方案〔一〕一、大赛宗旨发展壮大技能人才队伍,推进现代产业体系建设,推动经济发展方式转变;搭建技能人才展示技艺技能、及时发现、选拨和培养技能人才;激励广大劳动者爱岗敬业、自强不息;营造尊重知识、尊重技能、尊重人才的社会环境和舆论氛围.二、组织机构根据安排,市经济和信息化委员会作为__市_届职业技能大赛车工、钳工、电焊工决赛项目的主办单位,具体负责和协调三个决赛项目的各项工作,包括制定决赛实施方案,编制各工种竞赛技术文件,组织安排决赛实操考核.为此,成立__市车钳焊工决赛办公室.(一)车钳焊工决赛办公室在市职业技能大赛组委会的领导下,负责本次工种决赛的组织实施及协调工作.主任:副主任:成员:(二)办公室下设综合组、秘书组、赛务组、裁判组、监察组、安保组等六个工作组.1.综合组工作职责:①负责与大赛联办单位的沟通和协调;②负责有关工作会议安排,并对会议议定的事项进行催办落实和信息反馈;③制定决赛实施方案,组织编制各工种竞赛技术文件和《竞赛指南》;④负责进度安排的拟定、分解,协调各组工作,了解掌握大赛进展情况;⑤负责制定竞赛规则、工作人员守则以及相关规定;⑥制定比赛日程计划;⑦负责安排有关人员的食宿、交通;⑧负责决赛场地的必要配备(医护人员、饮用水供应等);⑨联系、邀请有关部门领导.2.秘书组工作职责:①负责参赛选手的资格审查;②负责决赛各种证件的发放和决赛选手报到登记工作;③负责决赛宣传报道工作;④负责对决赛结束后有关材料、各项密码名册、评分表以及工件的收集、造册和封存;⑤负责比赛期间参赛选手管理工作.3.赛务组工作职责:①负责赛场安排及场地布置;②根据有关技术文件负责准备竞赛设备、工具及材料;③负责实操试题及考评标准的拟制,竞赛技术文件的解答;④负责比赛图纸印刷、分装和保管工作;⑤组织赛场抽签工作;⑥负责赛场设备维护、电力保障等工作;⑦负责成绩统计、汇总等工作.4.裁判组工作职责:①负责裁判的培训和决赛阶段的裁判管理工作;②负责决赛场地、设备和实操比赛毛坯试件的检查工作;③按保密规定要求,负责比赛试件检测前的保密编码;④按照比赛规则和标准评判打分,做好工件的检测工作;⑤负责决赛阶段实操比赛中出现的技术问题.5.监察组工作职责:①依据竞赛规则,对相关工作机构及工作人员履行职责和执行竞赛规则的情况进行监督;②对比赛中出现的泄密现象和有失公平、公正方面的问题及时处理或向决赛办公室报告;③负责组织有关专家解决比赛过程中出现的异议;④监督抽签过程;⑤核定比赛成绩.6.安保组工作职责:负责检录证件、维护赛场秩序、处理赛场突发事件等工作.三、决赛内容及相关要求(一)决赛项目本次决赛设置车工、钳工(工具钳工)和电焊工三个竞赛职业(工种).(二)决赛内容决赛以国家职业标准《车工》、《钳工》和《电焊工》高级工(国家职业资格三级)的要求为基础.车工操作技能主要考察:在正确理解图纸的基础上和限定时间内,按图纸给定技术要求在规定时间内完成工件的加工,且不得使用车削加工以外的任何加工手段.主要考核选手制定加工工艺、选择合理的刀具切削参数,正确使用刀具,以及合理掌握尺寸公差等技能.钳工操作技能主要考察:在正确理解图纸的基础上和限定时间内,制作装配多元组合几何图形的配合零件,并达到较高的装配精度;控制尺寸公差、形位公差能力;合理使用各种工卡具、量具,并熟练使用各种量具,选用适当的测量方法保证其工件的测量.电焊工操作技能主要考察:在正确理解图纸的基础上和限定时间内,编制合理的焊接工艺方法;正确选用焊接工艺参数;熟练使用焊接工量具和设备;遵守焊接安全规范;按技术要求完成工件的焊接.(三)决赛时间__市_届职业技能大赛车工、钳工、电焊工实操决赛时间为:车工:完成规定的全部工作任务时间为360分钟;钳工:完成规定的全部工作任务时间为360分钟;电焊工:完成规定的全部工作任务时间为120分钟.(四)决赛地点实操决赛在____技师学院内举行(地址:__市__区__大道__路_号).____技师学院作为本次决赛的协办单位,负责提供比赛场地、设施和设备.(五)决赛方式:个人赛.四、参赛选手条件__市区域内各企业单位职工,年龄在18-55周岁(19__年_月_日至19__年_月_日出生),从事竞赛职业(焊工、车工、钳工之一).本次决赛,参赛选手不受学历和职业资格等级限制.五、组队形式原则上,各县(市)、区在本区域范围内先组织初赛,在此基础上选拔优秀选手组成县(市)、区代表队参加本次市级决赛.市直及在宜中央、省属的大型企业参照执行.参赛选手男女不限.各县(市)、区组成的代表队报领队一人,各工种教练一人,各工种参赛选手三名;大型企业组成的代表队报领队一人,各工种教练一人,各工种参赛选手不超过两名.六、报名事项1.报名时间:20__年_月_日—_日2.报名地点:__市__委,联系人:__,电话:__,传真:__,邮箱:__.3.报名时提供以下材料:(1)__市_届职业技能大赛报名表(附件1)(2)参赛选手身份证复印件1份(3)焊工参赛选手《特种行业操作证》复印件1份(4)参赛选手一寸近期免冠照片4张(5)参赛选手汇总表(附件2)决赛办公室秘书组对各县(市)、区、各大型企业选报参赛选手资料进行资格审查,做到真实、准确无误.七、命题1.命题:由决赛办公室赛务组负责大赛题库建设,命题工作要求在大赛前半个月完成.实操正式决赛前,从多份竞赛试题中随机抽取一份作为正式决赛题.2.裁判:决赛办公室聘请我市具有高级工程师职称、技师职称、检验师、高级考评员证书之一的专家担任评审裁判员,裁判工作按照公平、公正、客观的原则进行.八、场地与设施1.决赛场地:①车工:____技师学院机械加工中心;②钳工:____技师学院实训中心;③电焊工:____技师学院实训楼_楼大厅;④考务室:教室4间;⑤侯考区(选手准备和休息场地):教室3间;⑥领队工作室:教室1间;⑦教练工作室:教室1间.2.决赛设备:___九、竞赛日期与抽签_月_日上午九点在__市__委_楼会议室召开各代表队领队会议,领取由大赛组委会统一制发的参赛证、领队证和教练证,并进行抽签.本次决赛抽签按照国务院颁布的国家行政区划排序,决定市直(含在宜中央及省属企业)、各县(市)、区代表队的抽签顺序,然后由各领队抽签决定本队参赛选手的竞赛场次,同一代表队同工种选手安排在同一场次.工位号由参赛选手在竞赛开始前各自抽取.抽签工作由赛务组负责,监察组现场监督.竞赛具体日期另行通知(_月上旬).十、__1.参赛选手必须持本人身份证原件并佩戴大赛组委会签发的参赛证参加比赛.2.参赛选手须按竞赛时间提前30分钟检录进入赛场,抽取工位号并参加竞赛.迟到30分钟者不得参加比赛.3.各类赛务人员必须佩戴由大赛组委会签发的相关证件,着装整齐.各参赛选手应严格遵守竞赛规则、竞赛纪律和安全操作规程,尊重裁判和赛场工作人员,自觉维护赛场秩序.4.各赛场除现场裁判、安全巡视和赛场配备的工作人员以外,其他人员未经允许不得进入赛场.5.新闻媒体等进入赛场采访必须经决赛办公室同意,并且听从现场工作人员的安排和管理,不得影响选手比赛.6.各参赛队的领队、教练以及随行人员一律不得进入比赛现场.十一、成绩评定1.参赛选手的技能操作成绩评定由决赛裁判组负责.2.操作技能的成绩根据现场实际操作表现,由现场裁判评判;质量依据评分标准,根据检测设备的实际检测结果,进行客观评判、计分.3.按照竞赛个人总成绩决定竞赛名次.当出现总成绩相同时,比较操作技能成绩,以操作技能成绩高者名次在前,若仍不能分出先后,取相同名次.十二、申诉与仲裁(一)申诉1.参赛选手对不符合竞赛规定的设备、工具和备件,有失公正的检测、评判以及对工作人员的违规行为等均可提出申诉.2.选手申诉均须通过本代表队领队在规定时限内以书面形式向决赛仲裁组提出.(二)仲裁1.为保证比赛顺利进行,保证比赛结果公平、公正,决赛办公室设立仲裁组.仲裁组负责受理竞赛中出现的所有申诉并进行仲裁.2.仲裁组受理选手申诉后,应积极调查取证,并将处理意见尽快通知领队或当事人.3.仲裁组的裁决为最终裁决.参赛选手不得因申诉或对处理意见不服而停止竞赛,否则,按弃权处理.十三、其他1.本次决赛不收参赛费.决赛办公室统一安排各参赛队在__市__区__商务酒店食宿,费用自理.2.鉴于住宿地与竞赛地点有一定路程,请各代表队自备车辆,确保选手准时参加竞赛.3.实操备料详细清单在决赛前10日公布,届时请在__市__网站或__市__网站“职业培训”板块__.4.本实施方案由车钳焊工决赛办公室负责解释.。
日照港股份二公司第二届装载机项目比赛方案一、时间地点:比赛时间定于8月10(星期五),地点环保队车场大院。
二、参赛人员:环保队装载机操作的员工港达装载机操作员工日东装载机操作员工。
装载机技术比赛技术纲要一、命题模式及分值计算方法(一)比赛采取理论和实际操作相结合的命题模式。
(二)理论试卷满分为100分,将按照30%折算计入竞赛总成绩;操作满分为100分,按照70%折算计入竞赛总成绩。
(三)理论成绩30%加实际操作成绩70%之和为竞赛选手的最终成绩。
三、理论知识竞赛纲要(一)基础知识(二)专业知识(三)试题范围、类型本次技术比赛决赛以基础知识、专业知识综合的原则命题。
试题主要分五个类型,名词解释、填空题、判断题、选择题、简答题。
(其中:名词解释2道共计10分;填空5道共计20分;判断题10道共计15分;选择题10道共计15分;简答题4道共计40分)(四)理论考试时间60分钟。
四、实际操作竞赛纲要1.竞赛项目名称:勇闯“三关”实践操作项目主要由“梅花阵”、“取舍林”、“愚公山”三关组成,比赛目的主要想通过技巧性的操作,来加强选手操作机械的“稳、准”性及动作的协调配合性和心理素质。
2.标准时间:4分钟。
(以4分钟为准,每超10秒加减1分,不四舍五入,依此类推。
)3.比赛使用的设备型号:改装过的630B清扫装载机4.比赛使用的主要器材标志杆若干(图中黑点处),3只200L空油桶,易拉罐瓶若干,篮球若干100CM的撑杆(带有小挂鼻)4根,280CM 横杆2根,带有挂钩的小铁桶4只。
详细尺寸及图形,见附图。
5.比赛地点:环保队车场大院6.比赛内容与流程①内容第一关:梅花阵。
此关主要由三个等距离的200L空油桶和“铜人”组成,每只油桶被固定在一个圆圈内。
(此关主要采用减分制,碰到障碍物扣分,碰倒莲花座扣分,打到“铜人”加分)第二关:取舍林。
此关主要由百花台和常青树组成。
选手从百花台上取下四个花台,然后再把花台挂到常青树上,有“移花接木”的取意。
车工比武的策划书3篇篇一《车工比武策划书》一、活动背景车工技能是机械制造行业中至关重要的一项技能,为了提高车工技术水平,激发车工的工作热情和创新能力,特举办此次车工比武活动。
二、活动目的1. 提升车工的技能水平,促进车工之间的技术交流与学习。
2. 选拔出优秀的车工人才,为企业发展提供人才支持。
三、活动主题“技能比拼展风采,匠心铸就新辉煌”四、活动时间[具体活动时间]五、活动地点[详细活动地点]六、参与人员企业内部全体车工七、活动流程1. 报名阶段([具体报名时间 1]至[具体报名时间 2])发布活动通知,明确报名要求和方式。
员工自愿报名,填写报名表格并提交相关资料。
2. 培训阶段([具体培训时间 1]至[具体培训时间 2])根据车工的技能水平,组织针对性的培训课程,包括理论知识讲解和实际操作训练。
培训讲师由企业内部经验丰富的车工师傅或专业技术人员担任。
3. 预赛阶段([具体预赛时间 1])按照车工的技能水平进行分组,每组进行一定时间的实际操作比赛。
预赛内容包括工件的加工精度、表面质量、加工效率等方面的考核。
预赛评选出一定数量的优秀选手进入决赛。
4. 决赛阶段([具体决赛时间 2])决赛选手进行更加严格和复杂的实际操作比赛,加工难度和精度要求更高。
决赛评委根据选手的操作规范、技能水平、加工质量等方面进行综合评分。
决赛设置一等奖、二等奖、三等奖和优秀奖若干名,颁发荣誉证书和奖金。
召开表彰大会,对获奖选手进行表彰和奖励,树立榜样,激励更多员工提升技能。
八、活动准备1. 成立活动筹备小组,负责活动的策划、组织、协调和实施等工作。
2. 确定活动场地,进行场地布置和设备调试,确保活动的顺利进行。
3. 准备比赛所需的工件、刀具、量具等物资,并进行检查和校准。
4. 邀请专业的评委团队,制定评分标准和评分细则。
5. 做好宣传工作,通过企业内部公告、宣传栏、群等渠道宣传活动信息,提高员工的参与度。
6. 安排好活动期间的后勤保障工作,如餐饮、安全等。
2016年铲车驾驶员技能竞赛方案
一、竞赛目的
为了激发广大铲车驾驶员的工作热情,掀起岗位练兵的高潮,决定在公司大车运输队开展铲车驾驶员技能竞赛活动。
通过竞赛活动的开展,来提高铲车驾驶员学习业务知识、练就过硬本领的积极性和自觉性,不断提升职工业务技能。
二、竞赛内容
(一)理论内容
1、试题范围和内容
试题80%内容为专业知识内容,20%内容为企业文化内容。
2、试题类型
题目类型分为填空题、判断题和简答题。
(二)实际操作内容
1、绕桩运水
比赛开始前,由工作人员将装满水的水桶放置在铲斗中央(固定位置),参赛人员驾驶铲车从起点A出发,按规定路线行驶,到达B点后,再由B 点将铲车倒回至A点(如图1所示,实线为前行路线,虚线为倒车路线),。
比赛过程中,要求车轮不能压边线、不能触碰障碍物,且要保证水桶内水尽可能少的溢出。
2、稳穿螺母
在参赛车辆铲斗上方焊接一根细铁棍,参赛人员由起点出发,经过指定路线行至A区,由左向右依次将铁架上的螺母串起,(如图2 所示)。
穿螺母结束后,将铲车沿原路线到回至起点。
整个过程时间不超过规定时间(2分钟)。
在行驶、倒车过程中,要求在规定区域内车轮不能压边线。
(铲车停至终点线时,铁棍上的螺母个数为成功穿起的个数)
图1
(场地要求:1、平稳运水项目:两油桶中心距为7.1米,油桶直径0.60米,边油桶中心距上、下边线距离为6.8米,距左、右边线距离为3.8米。
2、稳串螺母项目:场地待定)。