步进电机原理接线
- 格式:doc
- 大小:79.50 KB
- 文档页数:3
用L298N驱动器驱动四相五线制步进电机28BYJ-48-5V接线说明
如图所示,逻辑输入四个输入端与单片机相连,电源线的连接,在X宝上购买时都有相应的说明,请参考卖家标注。
此模块能同时驱动两个直流电机,但是只能驱动一个步进电机,本文只说明与四相五线制28BYJ-48-5V电机接法。
电机的原来,参考图2
图1驱动模块
图2,电机原理
通过图2电机原理的说明,我们可以进行连线,,如图所示。
找到对应的电机四相的关系,电机的四线(公共端除外)分别接到L298N模块的OUT1 ,OUT2和OUT3,OUT4输出端,其中公共端线接到5V电源。
因为本步进电机的额定电压为5V,所以从单片机引出5V电压接到驱动模块的12V输入口,5V输入口不接电源
如图所示进行连线,此时电机可能出现振动情况,但是不运转,或者只运转一个角度,此时,拔去四个输入口旁边的使能通道EB的跳线帽(或者EA),此时电机正常运转。
步进电机原理及使用说明-安装接线方法步进电机是将电脉冲信号转变为角位移或线位移的开环控制元件双击自动滚屏发布者:admin 时间:2008-8-20 19:25:05 阅读:1050次【字体:大中小】一、前言步进电机是将电脉冲信号转变为角位移或线位移的开环控制元件。
在非超载的情况下,电机的转速、停止的位置只取决于脉冲信号的频率和脉冲数,而不受负载变化的影响,即给电机加一个脉冲信号,电机则转过一个步距角。
这一线性关系的存在,加上步进电机只有周期性的误差而无累积误差等特点。
使得在速度、位置等控制领域用步进电机来控制变的非常的简单。
虽然步进电机已被广泛地应用,但步进电机并不能象普通的直流电机,交流电机在常规下使用。
它必须由双环形脉冲信号、功率驱动电路等组成控制系统方可使用。
因此用好步进电机却非易事,它涉及到机械、电机、电子及计算机等许多专业知识。
目前,生产步进电机的厂家的确不少,但具有专业技术人员,能够自行开发,研制的厂家却非常少,大部分的厂家只一、二十人,连最基本的设备都没有。
仅仅处于一种盲目的仿制阶段。
这就给户在产品选型、使用中造成许多麻烦。
签于上述情况,我们决定以广泛的感应子式步进电机为例。
叙述其基本工作原理。
望能对广大用户在选型、使用、及整机改进时有所帮助。
二、感应子式步进电机工作原理(一)反应式步进电机原理由于反应式步进电机工作原理比较简单。
下面先叙述三相反应式步进电机原理。
1、结构:电机转子均匀分布着很多小齿,定子齿有三个励磁绕阻,其几何轴线依次分别与转子齿轴线错开。
0、1/3て、2/3て,(相邻两转子齿轴线间的距离为齿距以て表示),即A与齿1相对齐,B与齿2向右错开1/3て,C与齿3向右错开2/3て,A'与齿5相对齐,(A'就是A,齿5就是齿1)下面是定转子的展开图:2、旋转:如A相通电,B,C相不通电时,由于磁场作用,齿1与A对齐,(转子不受任何力以下均同)。
如B相通电,A,C相不通电时,齿2应与B对齐,此时转子向右移过1/3て,此时齿3与C偏移为1/3て,齿4与A偏移(て-1/3て)=2/3て。
2相四线,四相五线,四相六线步进电机接线及驱动方法步进电机原理按照常理来说,步进电机接线要根据线的颜色来区分接线 的步进电机,线的颜色不一样。
特别是国外的步进电机那么,步进电机接线应该用万用表打表。
~B 是一组b o 不管是两相四相,四相五线,四相六线步进电机。
内部构造都是如此。
至于究竟是四线,五线,还是六线。
就要看 A 和~A 之间,B 和B~之间有没有公共端com 抽线。
如果a 组和b 组各自有一个com 端,则该步进电机六线,如果 a 和b 组的公 共端连在一起,则是 5 线的。
但是不同公司生产B 和~B 是联通。
那么, A 和~A 是一组a , B 和通过上图可知,A, ~A 是联通的,步进电机内部构造如下图所以,要弄清步进电机如何接线,只需把 a 组和 b 组分开。
用万用表打。
四线:由于四线没有com公共抽线,所以,a和b组是绝对绝缘的,不连通的。
所以,用万用表测,不连通的是一组。
五线:由于五线中,a和b组的公共端是连接在一起的。
用万用表测,当发现有一根线和其他几根线的电阻是相当的,那么,这根线就是公共com端。
对于驱动五线步进电机,公共com端不连接也是可以驱动步进电机的。
六线:a和b组的公共抽线com端是不连通的。
同样,用万用表测电阻,发现其中一根线和其他两根线阻止是一样的,那么这根线是com端,另2根线就属于一组。
对于驱动四相六线步进电机,两根公共com端不接先也可以驱动该步进电机的。
步进电机相关概念:相数:产生不同对极N S磁场的激磁线圈对数。
常用m表示。
拍数: 完成一个磁场周期性变化所需脉冲数或导电状态用n 表示,或指电机转过一个齿距角所需脉冲数,以四相电机为例,有四相四拍运行方式即AB-BC-CD- DA-AB四相八拍运行方式即A-AB-B-BC-C-CD-D-DA-A.步距角:对应一个脉冲信号,电机转子转过的角位移用9表示。
B =360度(转子齿数J*运行拍数),以常规二、四相,转子齿为50齿电机为例。
两相步进电机接线方法步进电机是一种常见的电动机类型,广泛应用于各种自动化设备中。
其中,两相步进电机是一种常见型号,具有较简单的接线方法,适用于许多应用场景。
在进行两相步进电机的接线时,正确的操作能够确保电机正常运行,提高设备的稳定性和可靠性。
两相步进电机的工作原理首先,我们来了解一下两相步进电机的工作原理。
两相步进电机由两组线圈(A相和B相)组成,通过改变不同线圈通电的极性以及电流来控制电机的转动。
当电流流入线圈时,会在电机内部产生磁场,从而使得电机转动到特定的位置。
通过控制电流的大小和极性,可以控制电机的转动方向和步距角度,从而实现精确定位和控制。
两相步进电机的接线方法在进行两相步进电机的接线时,需要将电机绕组和驱动器正确地连接起来,以确保电机能够正常工作。
常见的两相步进电机接线方法有以下几种:•串联接线法:将A相的两端分别接到驱动器的一个端口上,同理将B相的两端接到另一个端口上。
这样可以简化接线,但需要注意保持A相和B相线圈之间没有短路。
•并联接线法:将A相和B相各自的两端并联在一起,然后将并联后的A相和B相分别接到驱动器的两个端口上。
这样可以减小线圈电阻,提高电机的响应速度。
•混合接线法:将A相的一端接到驱动器的一个端口上,另一端与B相的一端并联后再接到另一个端口上。
这种接线方法综合了串联和并联的特点,可以在一定程度上平衡电机的性能。
选择合适的接线方法取决于具体的应用需求和电机参数,可以根据实际情况进行调整和优化。
接线注意事项在进行两相步进电机的接线时,需要注意以下几个问题:1.保持电机线圈之间的绝缘:避免线圈之间短路或接触,确保每条线圈都能正常工作。
2.正确连接驱动器:根据驱动器的接口要求正确连接电机,保证电机能够被准确控制。
3.控制接线长度:尽量减小接线长度,减少电阻和信号干扰,提高电机的运行效率。
4.注意电流和极性:根据电机的额定电流和极性要求设置驱动器参数,确保电机正常运行。
在接线完成后,可以通过对电机进行逐步调试和测试来确认电机的运行是否正常,同时也可以根据实际情况进行参数的调整和优化,以获得最佳的性能表现。
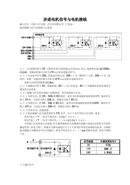
步进电机信号与电机接线输入信号(共阳方式为例,浮空时均默认为“1”状态)驱动器输入信号内部接口示意图4.1.1步进脉冲信号CP:下降沿有效,控制电机运行的启动、停止、速度和长度;f≤150KHz,tw≥3uS。
双脉冲控制方式时为CW―正转步进脉冲信号。
4.1.2方向电平信号DIR:控制运行的方向,DIR=1为(顺时针)正转,DIR=0为(逆时针)反转。
双脉冲控制方式时为CC W――反转步进脉冲信号。
切换方向时间间隔要求≥10ms。
4.1.3使能电平信号EN:使能控制,EN=1为工作状态,EN=0为脱机状态即各相均不通电处自由状态。
4.2三路输入信号的内部接口电路相同,常用的连接方式为:4.2.1共阳方式:把CP+、DIR+和EN+接在一起作为共阳端接控制系统的+5V,脉冲信号接入CP-端,方向信号接入DIR-端,使能信号接入EN-端。
4.2.2共阴方式:把CP-、DIR-和EN-接在一起作为共阴端接控制系统的G ND,脉冲信号接入CP+端,方向信号接入DIR+端,使能信号接入EN+端。
4.2.3差动方式:直接连接。
4.2.4驱动器输入信号最常用的为TTL电平,以5V电平共阳方式为例,要求:高电平≥3.5V (包含干扰在内,电流≤0.3mA);低电平≤1.0V (包含干扰在内,11mA≥电流≥8.0mA)。
不管接口以怎样的方式连接,信号最终要转化为光耦器件的输入电流以达到信号可靠传输的目的(参考上图),如果信号源电源电压大于5V时须在外部另加限流电阻R,以确保驱动器输入光耦高电平时可靠截止,低电平时有足8.0~11mA的驱动电流,参见下图和下表。
4.3输出信号4.3.1故障电平信号S:故障信号输出端;对应于Com端,S=1为正常,S=0为故障(在加电后约2秒驱动器做准备工作时,S也为0)。
步进驱动器接线:步进电机驱动器与plc怎么接线【附接线图】 步进电机驱动器和PLC怎么接线? PUL+:+5V或+24V串2K电阻。
PUL-:Y0 (PLC输出COM0:-5V或-24V (输出Y点对应COM端))。
DIR+:+5V或+24V串2K电阻。
DIR-:Y1 (PLC输出COM1:-5V或-24V (输出Y点对应COM端))。
EN+:+5V或+24V串2K电阻。
EN-:同上(使能脱机信号,可接可不接) 伺服电机内部的转⼦是永磁铁,驱动器控制的U/V/W三相电形成电磁场,转⼦在此磁场的作⽤下转动,同时电机⾃带的编码器反馈信号给驱动器,驱动器根据反馈值与⽬标值进⾏⽐较,调整转⼦转动的⾓度。
伺服电机的精度决定于编码器的精度(线数)。
脉冲型步进电机驱动器与PLC的接线: 以PMD006P2这款驱动器采⽤共阴极接法为例,下图为PMD006P2驱动器操作⼿册上的共阴极接线⽅式: 驱动器实物及详细端⼝描述如下图: 脉冲型驱动器与PLC共阴极接线⽅案图如下: 注意: 1、R电阻为分压电阻,由于PMD006P2驱动器信号输⼊电压为5V,⽽PLC输出信号电压为24V所以需要接⼀个3.3Kohm 1/4W的分压电阻 2、使⽤此种共阴极接法在待机状态下,需保证Y0为低电平,如果Y0为⾼电平,驱动器待机时也会处于⼯作状态,从⽽导致驱动器发热 步进电机驱动器与PLC的接线图 步进电机驱动器与PLC的接线图分很多种,⾸先我们需要确定步进电机驱动器的类型,总线控制的步进电机驱动器与PLC的接线图和脉冲型的步进电机驱动器是有较⼤区别。
总线型步进电机驱动器与PLC的接线最⽐较简单,如果⽤CAN总线只需分别将PLC的CANH、ANL与驱动器的CANH、CANL⼀⼀对应接上就⾏,值得注意的是CAN总线的末端需要接⼀个120欧的终端电阻。
德科智控步进驱动器⼚家提供步进驱动器、步进电机接线⽰意图及接线⽅法指导,有对应电机⼯程师给与技术⽀持!相关推荐。
】步进电机的类型和接线2011-07-01 16:08转载自分享最终编辑ALALMN蓝狐步进电机的类型和接线对于业余爱好者来说,最容易得到的步进电机是单极性(又称双线或4相)和双极性(又称单线或两相)步进电机。
一、单极性步进电机这种步进电机之所以称为单极性是因为每个绕组中电流仅沿一个方向流动。
它也被称为两线步进电机,因为它只含有两个线圈。
两个线圈的极性相反,卷绕在同一铁芯上,具有同一个中间抽头。
单极性步进电机还被称为4相步进电机,因为它有4个激励绕组。
单极性步进电机的引线有5或6根。
如果步进电机的引线是5根,那么其中一根是公共线f连接到v+),其他4根分别连到电机的4相。
如果步进电机的引线是6根,那么它是多段式单极性步进电机有两个绕组,每个绕组分别有一个中问抽头引线。
但是如何分辨这些引线呢?请继续读下述内容。
1.分辨5线单极性步进电机接头为了找出5线单极性步进电机各条引线的正确配置,事先需要做一番实际上很简单的考察。
图1给出了5线步进电机的基本引线配置。
为了找出正确的引线顺序并使电机转动,需要一块电池和一段胶带(当然也需要一个5引线步进电机1。
备好记号笔来标注引线以便分辨它们。
按以下步骤操作:①用数字万用表找到公共线。
其他引线与公共线之问的电阻测量值都相同。
将此线连接到电池的v+。
5v或6V就足够测试用了。
②胶带粘贴到步进电机的输出铀上,并使它垂直于轴端伸出成为一个标志。
此标志的作用在于判断电机是否转动。
③任意挑出一条引线称之为相1。
若将此线接地,则电机输出轴将做轻微的转动。
现在步进电机被锁定在相1的位置上。
如图2所示。
④取另一根引线并将其接地,仔细观察输出轴上的胶带。
如果输出轴向右轻微地旋转,那么此根引线是相2。
如图3所示。
⑤取另一根线并将其接地,仔细观察输出轴上的胶带。
如果输出轴向左轻微地旋转,那么此根引线是相4。
如图4所示。
⑥再取另一根线并将其接地,仔细观察输出轴上胶带的运动状态。
如果输出轴不旋转,那么此根引线就是相3。
混合式步进电机接线原理混合式步进电机是一种结合了永磁式步进电机和可变磁阻式步进电机的特点,具有高精度、高扭矩和低噪音等优点,广泛应用于各种自动控制系统中。
接线是混合式步进电机使用过程中需要重点关注的一个环节,正确的接线方式可以有效提高电机的性能和稳定性。
首先,混合式步进电机通常包括两相、三相和四相电机,接线方式会有所不同。
在进行接线之前,需要明确每一相的线圈标识和极性,以免导致接线错误。
一般来说,每个相都有两根线,分别表示正极和负极,正确连接线圈是保证电机正常工作的基础。
在两相混合式步进电机的接线中,通常采用四线制,将每相的两根线单独连接到驱动器中,实现逆向旋转。
而在三相和四相混合式步进电机中,接线方式会更为复杂,需要根据具体的相序进行接线,以确保电机按照预定的步进序列正常运转。
混合式步进电机的接线原理涉及到两种常见的接线方式,即串联和并联接线。
在串联接线中,将每相的线圈依次连接起来,形成环路,电流只能沿着一个方向流动,这样可以提高步进电机的精度和扭矩输出。
而在并联接线中,将每相的线圈同时与电源连接,电流可以同时流过不同的线圈,使步进电机产生更大的转矩。
在接线时需要留意的是,混合式步进电机的线圈具有一定的电阻,过大的电流可能会导致线圈过热,甚至烧坏电机。
因此,在选择驱动器时需要根据电机的额定电流和电阻来合理匹配,以确保电机能够正常工作并且兼顾寿命和性能。
总的来说,混合式步进电机的接线原理是使用者在安装和调试电机时需要深入了解和掌握的重要知识之一。
正确的接线方式可以提高电机的运行效率和稳定性,保证自动控制系统的正常运转。
希望本文对混合式步进电机接线原理有所帮助,让您在实际应用中更加得心应手。
1。
∙o接线图适配驱动器电机型号 适配驱动器57HS04 DM422C/DM432C/DM556/DM856/M752/M542/M860/M880A/MA550/MA860/H850/ND556/ND882/M415B/M325 57HS06 57HS0957HSM0957HS13 DM556/DM856/M752/M542/M860/M880A/MA550/MA860/H850/ND556/ND882 57HS22步进电机是一种专门用于位置和速度精确控制的特种电机。
步进电机的最大特点是其“数字性”,对于控制器发过来的每一个脉冲信号,步进电机在其驱动器的推动下运转一个固定角度(简称一步),如下图所示。
如接收到一串脉冲步进电机将连续运转一段相应距离。
同时可通过控制脉冲频率,直接对电机转速进行控制。
由于步进电机工作原理易学易用,成本低(相对于伺服)、电机和驱动器不易损坏,非常适合于微电脑和单片机控制,因此近年来在各行各业的控制设备中获得了越来越广泛的应用。
∙步进电机的种类和特点步进电机在构造上有三种主要类型:反应式(Variable Reluctance ,VR)、永磁式(Permanent Magnet,PM)和混合式(Hybrid Stepping,HS)。
* 反应式定子上有绕组、转子由软磁材料组成。
结构简单、成本低、步距角小,可达1.2°、但动态性能差、效率低、发热大,可靠性难保证。
* 永磁式永磁式步进电机的转子用永磁材料制成,转子的极数与定子的极数相同。
其特点是动态性能好、输出力矩大,但这种电机精度差,步矩角大(一般为7.5°或15°)。
* 混合式混合式步进电机综合了反应式和永磁式的优点,其定子上有多相绕组、转子上采用永磁材料,转子和定子上均有多个小齿以提高步矩精度。
其特点是输出力矩大、动态性能好,步距角小,但结构复杂、成本相对较高。
按定子上绕组来分,共有二相、三相和五相等系列。
接线图适配驱动器电机型号 适配驱动器57HS04 DM422C/DM432C/DM556/DM856/M752/M542/M860/M880A/MA550/MA860/H850/ND556/ND882/M415B/M32557HS0657HS0957HSM0957HS13DM556/DM856/M752/M542/M860/M880A/MA550/MA860/H850/ND556/ND88257HS22步进电机是一种专门用于位置和速度精确控制的特种电机;步进电机的最大特点是其“数字性”,对于控制器发过来的每一个脉冲信号,步进电机在其驱动器的推动下运转一个固定角度简称一步,如下图所示;如接收到一串脉冲步进电机将连续运转一段相应距离;同时可通过控制脉冲频率,直接对电机转速进行控制;由于步进电机工作原理易学易用,成本低相对于伺服、电机和驱动器不易损坏,非常适合于微电脑和单片机控制,因此近年来在各行各业的控制设备中获得了越来越广泛的应用;步进电机的种类和特点步进电机在构造上有三种主要类型:反应式Variable Reluctance,VR 、永磁式Permanent Magnet,PM 和混合式Hybrid Stepping,HS;反应式定子上有绕组、转子由软磁材料组成;结构简单、成本低、步距角小,可达°、但动态性能差、效率低、发热大,可靠性难保证;永磁式永磁式步进电机的转子用永磁材料制成,转子的极数与定子的极数相同;其特点是动态性能好、输出力矩大,但这种电机精度差,步矩角大一般为°或15°;混合式混合式步进电机综合了反应式和永磁式的优点,其定子上有多相绕组、转子上采用永磁材料,转子和定子上均有多个小齿以提高步矩精度;其特点是输出力矩大、动态性能好,步距角小,但结构复杂、成本相对较高;按定子上绕组来分,共有二相、三相和五相等系列;最受欢迎的是两相混合式步进电机,约占97%以上的市场份额,其原因是性价比高,配上细分驱动器后效果良好;该种电机的基本步距角为°/步,配上半步驱动器后,步距角减少为°,配上细分驱动器后其步距角可细分达256倍°/微步;由于摩擦力和制造精度等原因,实际控制精度略低;同一步进电机可配不同细分的驱动器以改变精度和效果;雷赛步进电机系列雷赛两相、三相混合式步进电机,采用优质冷轧钢片和耐高温永磁体制造,产品规格涵盖35-13 0范围;具有温升低、可靠性高的特点,由于其具有良好的内部阻尼特性,因而运行平稳,无明显震荡区;可满足不同行业、不同环境下的使用需求;雷赛采用专利技术研发的三相步进电机驱动系统,更好地解决了传统步进电机低速爬行、有共振区、噪音大、高速扭矩小、起动频率低和驱动器可靠性差等缺点,具有交流伺服电机的某些运行特性,其运行效果可与进口产品相媲美;两相步进电机命名规则<>上例表示机座号为57mm,两相混合式,步距角为度,扭矩,设计序号01,单边出轴的电机;三相步进电机命名规则<>上例表示机座号为57mm,三相混合式,步距角为度,扭矩,设计序号01,单边出轴的电机;两相步进电机选型列表相数 外型 型号静扭矩NM 步距角o 引线数相电流电阻Ω电感m H长度Lmm转子惯量重量kg适配驱动器 串联 并联二相 3535HS014352812M415B/DM320/M32539 39HS024 15 16 34 20M415B/DM320/M32542 42HS024 21 40 57DM320/DM422C/DM432C/DM556/DM856/ND556/ M415B/M32542HS038 48 8257 57HS068 55 145DM422C/DM432C/DM556/DM856/M752/M542/M860/M880A/MA550/MA860/H850/ND556/ND882/M415B/M32557HS098 54 26057HS138 76 46057HS228 76 4808686HS35 8 65 800DM556/DM856/M752/86HS38 8 71 1200M860/M880A/MA550/MA860/H850/MA860H/ND882/ND1182/ND2282/M535/MD227886HS458 140086HS858 118 2800110 110HS1212 4 15 99 5500MA860H/ND1182/ND2282/MD2278110HS2020 4 150 11000MA860H/ND1182/ND2282/MD2278130 130HS2727 4 227 35000 13 ND2282/MD2278 130HS4545 4 283 48400 19 ND2282/MD2278三相步进电机选型列表相外型号静扭步距引相电流电阻电感mH长度Lm转子惯量重量kg 适配驱动器数型矩NM 角o 线数串联并联Ωm三相57573S05 6 50 1103DM683/3ND583/3ND883 573S09 6 56 3003DM683/3ND583/3ND883 573S15 6 76 4803DM683/3ND583/3ND883 86863S22 6 71 11003DM683/3ND583/3ND883/3ND1183/3ND2283863S42 6 103 2320863S68H6 33 135 3300怎样选择步进电机和驱动器判断需多大力矩:静扭矩是选择步进电机的主要参数之一;负载大时,需采用大力矩电机;力矩指标大时,电机外形也大;判断电机运转速度:转速要求高时,应选相电流较大、电感较小的电机,以增加功率输入;且在选择驱动器时采用较高供电电压;选择电机的安装规格:如57,86,110等,主要与力矩要求有关; 确定定位精度和振动方面的要求情况:判断是否需细分,需多少细分;根据电机的电流、细分和供电电压选择驱动器;。
五相步进电机接线方法
步进电机的应用越来越普遍。
在使用过程中,电机的相序主要靠引出线的颜色、长度来区分。
若找不到说明书或标记不清,则步进电机的接线将非常麻烦。
大家都知道步进电机是将电脉冲信号转变为角位移或线位移的开环掌握元件。
在非超载的状况下,电机的转速、停止的位置只取决于脉冲信号的频率和脉冲数,而不受负载变化的影响,即给电机加一个脉冲信号,电机则转过一个步距角。
下面以五相步进电机为例教大家在如何在步进电机不知道接线方法的状况下接线:
1、用万用表电阻挡找出步进电机的五相绕组:Al—A
2、B1-B2、C1-C2、D1-D2、El-E2;
2、把万用表拨到直流微安挡。
将万用表的表笔接到其中一相,如B相上,红表笔接B1,黑表笔接B2;
3、将电池分别接步进电机其余四相,在接通瞬间登记万用表指针摇摆幅度。
假如指针反转,则要调换电池极性。
在四次接通的瞬间,指针有两次摇摆幅度最大,说明这两次电池所接的是万用表所接B相旁边的两相,即A相和C相;
4、将万用表接A相或C相中的一相,如接C相。
用上述方法可找出C相旁边的两相:B相和D相。
依此类推,可按挨次找出A、B、C,D、E五相相序;
5、电池接A相,万用表接B相,在电池接通的瞬间,万用表指
针正转(如指针反转,应调换电池极性),则电池正极所接的Al端和万用表红表笔所接的B1端为首端。
依此方法,可以确定其余三相的首端C1,D1、E1。
步进电机接线图,许多合作伙伴刚熟悉步进电机和步进电机驱动器。
他们可能不了解42步进电机接线方法和接线图,因此可能无法启动。
下面这篇文章可以让你快速掌握步进电机的接线方法,快速了解步进接线图。
首先,让我们看看如何连接42步进电机接线方法。
第一步是接通步进电机驱动器的电源。
如果我们在步进电机中使用直流24伏电源,我们可以与仪表控制共用开关电源。
第二步是连接步进电机驱动器和仪表控制控制接线:1.将步进电机驱动器的脉冲输入信号和方向输入信号的正极连接到仪表控制的5V端子上。
2.将步进电机驱动器脉冲输入信号的负端连接到仪表控制的Y1输出端。
3.将步进电机驱动方向输入信号负端接至仪表控制Y2输出端。
4.下一步是设置步进电机驱动器的细分,一般可放置在8(1600)左右。
在初步调试之后,设置所需的实际细分。
5.设定步进电机正向旋转设定,参照设定,一行实现正向旋转。
X1是向前旋转的起动开关。
6.步进电机反向设定:X2为反向启动开关,Y1输出脉冲,Y2输出方向信号。
两行执行相反的操作。
以上简单介绍42步进电机接线的方法和最基本的设置教程,一般要保证接线正确,但要特别注意电源的极性,正确的设置才能正常工作。
扩展资料:两相42步进电机的额定功率:步进电机不讲功率得,一般都讲转速,电流,力矩,惯量等。
在非超载的情况下,电机的转速、停止的位置只取决于脉冲信号的频率和脉冲数,而不受负载变化的影响,当步进驱动器接收到一个脉冲信号,它就驱动步进电机按设定的方向转动一个固定的角度。
它的旋转是以固定的角度一步一步运行的。
可以通过控制脉冲个数来控制角位移量,从而达到准确定位的目的;同时可以通过控制脉冲频率来控制电机转动的速度和加速度,从而达到调速的目的。
步进电机原理按照常理来说,步进电机接线要根据线的颜色来区分接线。
但是不同公司生产的步进电机,线的颜色不一样。
特别是国外的步进电机。
那么,步进电机接线应该用万用表打表。
步进电机内部构造如下图:通过上图可知,A,~A是联通的,B和~B是联通。
那么,A和~A是一组a,B和~B是一组b。
不管是两相四相,四相五线,四相六线步进电机。
内部构造都是如此。
至于究竟是四线,五线,还是六线。
就要看A和~A之间,B和B~之间有没有公共端com抽线。
如果a组和b组各自有一个com端,则该步进电机六线,如果a和b组的公共端连在一起,则是5线的。
所以,要弄清步进电机如何接线,只需把a组和b组分开。
用万用表打。
四线:由于四线没有com公共抽线,所以,a和b组是绝对绝缘的,不连通的。
所以,用万用表测,不连通的是一组。
五线:由于五线中,a和b组的公共端是连接在一起的。
用万用表测,当发现有一根线和其他几根线的电阻是相当的,那么,这根线就是公共com端。
对于驱动五线步进电机,公共com端不连接也是可以驱动步进电机的。
六线:a和b组的公共抽线com端是不连通的。
同样,用万用表测电阻,发现其中一根线和其他两根线阻止是一样的,那么这根线是com端,另2根线就属于一组。
对于驱动四相六线步进电机,两根公共com端不接先也可以驱动该步进电机的。
步进电机相关概念:相数:产生不同对极N、S磁场的激磁线圈对数。
常用m表示。
拍数:完成一个磁场周期性变化所需脉冲数或导电状态用n表示,或指电机转过一个齿距角所需脉冲数,以四相电机为例,有四相四拍运行方式即AB-BC-CD-DA-AB,四相八拍运行方式即A-AB-B-BC-C-CD-D-DA-A.步距角:对应一个脉冲信号,电机转子转过的角位移用θ表示。
θ=360度(转子齿数J*运行拍数),以常规二、四相,转子齿为50齿电机为例。
四拍运行时步距角为θ=360度/(50*4)=1.8度(俗称整步),八拍运行时步距角为θ=360度/(50*8)=0.9度(俗称半步)。
步进电机的类型和接线对于业余爱好者来说,最容易得到的步进电机是单极性(又称双线或4 相)和双极性(又称单线或两相)步进电机。
一、单极性步进电机这种步进电机之所以称为单极性是因为每个绕组中电流仅沿一个方向流动。
它也被称为两线步进电机,因为它只含有两个线圈。
两个线圈的极性相反,卷绕在同一铁芯上,具有同一个中间抽头。
单极性步进电机还被称为4 相步进电机,因为它有4个激励绕组。
单极性步进电机的引线有5 或6根。
如果步进电机的引线是 5 根,那么其中一根是公共线(连接到V+),其他4 根分别连到电机的4 相。
如果步进电机的引线是6 根,那么它是多段式单极性步进电机有两个绕组,每个绕组分别有一个中间抽头引线。
但是如何分辨这些引线呢?请继续读下述内容。
1.分辨5 线单极性步进电机接头为了找出5线单极性步进电机各条引线的正确配置,事先需要做一番实际上很简单的考察。
图1 给出了 5 线步进电机的基本为了找出正确的引线顺序并使电机转动,需要一块电池和一段胶带(当然也需要一个5引线步进电机)。
备好记号笔来标注引线以便分辨它们。
按以下步骤操作:①用数字万用表找到公共线。
其他引线与公共线之间的电阻测量值都相同。
将此线连接到电池的V+。
5V或6V就足够测试用了。
②胶带粘贴到步进电机的输出铀上,并使它垂直于轴端伸出成为一个标志。
此标志的作用在于判断电机是否转动。
③任意挑出一条引线称之为相1。
若将此线接地,则电机输出轴将做轻微的转动。
现在步进电机被锁定在相1的位置上。
如图 2 所示。
④取另一根引线并将其接地,仔细观察输出轴上的胶带。
如果输出轴向右轻微地旋转,那么此根引线是相2。
如图3所示。
⑤取另一根线并将其接地,仔细观察输出轴上的胶带。
如果输出轴向左轻微地旋转,那么此根引线是相4。
如图4 所示。
⑥再取另一根线并将其接地,仔细观察输出轴上胶带的运动状态。
如果输出轴不旋转,那么此根引线就是相3。
如图5 所示。
2.分辨6 线单极性步进电机接头回收打印机旧电机时最常遇到这种类型的单极性步进电机。
2相四线,四相五线,四相六线步进电机接线及驱动方法
分类:单片机2010-07-18 09:24 5085人阅读评论(9) 收藏举报
步进电机原理
按照常理来说,步进电机接线要根据线的颜色来区分接线。
但是不同公司生产的步进电机,线的颜色不一样。
特别是国外的步进电机。
那么,步进电机接线应该用万用表打表。
步进电机内部构造如下图:
通过上图可知,A,~A是联通的,B和~B是联通。
那么,A和~A是一组a,B和~B是一组b。
不管是两相四相,四相五线,四相六线步进电机。
内部构造都是如此。
至于究竟是四线,五线,还是六线。
就要看A和~A之间,B和B~之间有没有公共端com抽线。
如果a组和b组各自有一个com端,则该步进电机六线,如果a和b组的公共端连在一起,则是5线的。
所以,要弄清步进电机如何接线,只需把a组和b组分开。
用万用表打。
四线:由于四线没有com公共抽线,所以,a和b组是绝对绝缘的,不连通的。
所以,用万用表测,不连通的是一组。
五线:由于五线中,a和b组的公共端是连接在一起的。
用万用表测,当发现有一根线和其他几根线的电阻是相当的,那么,这根线就是公共com端。
对于驱动五线步进电机,公共com端不连接也是可以驱动步进电机的。
六线:a和b组的公共抽线com端是不连通的。
同样,用万用表测电阻,发现其中一根线和其他两根线阻止是一样的,那么这根线是com端,另2根线就属于一组。
对于驱动四相六线步进电机,两根公共com端不接先也可以驱动该步进电机的。
步进电机相关概念
相数:产生不同对极N、S磁场的激磁线圈对数。
常用m表示。
拍数:完成一个磁场周期性变化所需脉冲数或导电状态用n表示,或指电机转过一个齿距角所需脉冲数,以四相电机为例,有四相四拍运行方式即AB-BC-CD-DA-AB,四相八拍运行方式即A-AB-B-BC-C-CD-D-DA-A.
步距角:对应一个脉冲信号,电机转子转过的角位移用θ表示。
θ=360度(转子齿数J*运行拍数),以常规二、四相,转子齿为50齿电机为例。
四拍运行时步距角为θ=360度/(50*4)=1.8度(俗称整步),八拍运行时步距角为θ=360度/(50*8)=0.9度(俗称半步)。
定位转矩:电机在不通电状态下,电机转子自身的锁定力矩(由磁场齿形的谐波以及机械误差造成的)
静转矩:电机在额定静态电作用下,电机不作旋转运动时,电机转轴的锁定力矩。
此力矩是衡量电机体积(几何尺寸)的标准,与驱动电压及驱动电源等无关。
步进电机驱动
驱动步进电机,无非是给电机a和b组先轮流给连续的脉冲,步进电机就可以驱动了。
步进电机驱动码:
从图中可以看出来,要实现步进电机的转动,可以用以下两种方式:
(1)8拍的方式
八个状态:1、在A与A-正电压,B与B-不给电悬空;2、在A与A-正电压,B与B-也给正电压;3、A与A-不给电压悬空,B与B-正电压;4、A与A-给负电压,B与B-给正电压;5、A与A-给负电压,B与B-不给悬空;6、A与A-给负电压,B与B-给负电压;7、A与A-不
给电悬空,B与B-给负电压;8、A与给正电压,B与B-给负电压;按以上八个状态轮流供电,控制一下脉宽应该就可以了。
四个引脚各一根控制线:A~H表示各线时序
A B C D E F G H
A 1 1 0 0 0 0 0 1
A- 0 0 0 1 1 1 0 0
B 0 1 1 1 0 0 0 0
B- 0 0 0 0 0 1 1 1
.........
(2)4拍的方式
我的方法
一般是电流驱动的。
我下面的a~ 和b~ 表示反向电流。
两相双二拍:
ab -a~b -a~b~ -ab~ 为一个转向。
ab -ab~ -a~b~ -a~b 为反向。
自己的一点体会:偶觉得两相4线电机和四相4线电机差不多.(这从上面我画的图)也可以看出来,只不过物理上绕线的方式不同(这也导致编程上脉冲表的不同),在功能上是一样的.。