沥青混合料的疲劳试验及其影响因素
- 格式:doc
- 大小:76.00 KB
- 文档页数:6
沥青混合料疲劳试验沥青混合料疲劳试验是评估沥青混合料在交通载荷作用下的疲劳性能的一种重要方法。
本文将介绍沥青混合料疲劳试验的目的、试验方法、试验结果的分析以及对道路工程的意义。
一、试验目的沥青混合料疲劳试验的主要目的是评估沥青混合料在交通载荷下的疲劳性能,以确定其在实际道路使用中的耐久性和寿命。
通过疲劳试验,可以了解沥青混合料在长期交通荷载下的变形和破坏情况,为道路工程的设计和施工提供科学依据。
二、试验方法沥青混合料疲劳试验通常采用梁式疲劳试验机进行。
试验时,将沥青混合料制成试件,然后在试验机上施加交通载荷,通过循环加载和卸载的方式模拟实际道路上的交通荷载作用。
在试验过程中,记录试件的应力、应变和循环次数等参数,以评估沥青混合料的疲劳性能。
三、试验结果分析通过沥青混合料疲劳试验得到的试验结果可以进行多方面的分析。
首先,可以通过绘制应力-循环次数曲线来评估沥青混合料的疲劳寿命。
曲线的形状和斜率可以反映沥青混合料的疲劳特性。
其次,可以计算出试件的疲劳强度和疲劳指数等参数,用于评估沥青混合料的疲劳性能。
此外,还可以通过观察试件的破坏形态和表面裂纹情况,进一步分析沥青混合料的疲劳破坏机制。
四、对道路工程的意义沥青混合料疲劳试验对道路工程具有重要的意义。
首先,通过评估沥青混合料的疲劳性能,可以选择合适的沥青混合料类型和配合比,以提高道路的耐久性和使用寿命。
其次,可以根据试验结果对道路结构进行优化设计,以减少疲劳损伤和维修成本。
此外,疲劳试验还可以用于评估不同施工工艺和材料改性方法对沥青混合料疲劳性能的影响,为道路工程的技术改进提供参考。
沥青混合料疲劳试验是评估沥青混合料疲劳性能的重要方法。
通过试验可以评估沥青混合料的疲劳寿命、疲劳强度和疲劳指数等参数,为道路工程的设计和施工提供科学依据。
沥青混合料疲劳试验的结果分析可以帮助优化道路结构和材料选择,提高道路的耐久性和使用寿命。
因此,沥青混合料疲劳试验在道路工程中具有重要的应用价值。
《Superpave沥青混合料疲劳性能与分数阶灰色预测模型研究》篇一一、引言随着交通量的不断增加和道路使用年限的延长,沥青路面的疲劳性能逐渐成为道路工程领域关注的重点。
Superpave沥青混合料因其良好的路用性能在道路建设中得到广泛应用。
然而,沥青混合料的疲劳性能受多种因素影响,如温度、荷载、材料性能等。
因此,研究Superpave沥青混合料的疲劳性能及其预测模型对于提高道路使用寿命和保障行车安全具有重要意义。
本文旨在探讨Superpave沥青混合料的疲劳性能,并引入分数阶灰色预测模型进行预测分析。
二、Superpave沥青混合料疲劳性能研究2.1 实验方法Superpave沥青混合料的疲劳性能实验主要采用沥青混合料疲劳试验机进行。
通过设定不同的温度、荷载等条件,模拟沥青路面在实际使用过程中的受力情况,从而评估其疲劳性能。
2.2 实验结果分析实验结果表明,Superpave沥青混合料在不同温度和荷载条件下表现出良好的疲劳性能。
其中,温度对沥青混合料的疲劳性能影响较大,随着温度的升高,沥青混合料的疲劳寿命有所降低。
此外,荷载大小、混合料配合比等因素也会影响沥青混合料的疲劳性能。
三、分数阶灰色预测模型在Superpave沥青混合料疲劳性能预测中的应用3.1 分数阶灰色预测模型简介分数阶灰色预测模型是一种基于灰色理论和分数阶微分的预测模型,能够有效地处理不完全确定、非线性、非平稳等复杂系统的问题。
该模型通过引入分数阶微分概念,提高了模型的预测精度和适应性。
3.2 模型构建与应用本文将分数阶灰色预测模型应用于Superpave沥青混合料疲劳性能预测。
首先,收集沥青混合料在不同温度、荷载等条件下的疲劳实验数据。
然后,利用分数阶灰色预测模型对数据进行处理和分析,建立预测模型。
最后,通过对比实际数据与预测数据,评估模型的预测精度和适用性。
3.3 结果分析实验结果表明,分数阶灰色预测模型能够有效地预测Superpave沥青混合料的疲劳性能。
沥青混合料四点弯曲疲劳试验1. 引言嘿,朋友们,今天咱们来聊聊一个可能听起来很呕心兑现话题,但实际上却超有意思的内容——沥青混合料四点弯曲疲劳试验!或者你可以叫它“沥青测试派对”,因为在这个过程中,我们要通过实验来探讨沥青在轮胎下“跳舞”的表现,会不会像舞王一样潇洒自如,还是像个没节奏的菜鸟,在马路上摇摇欲坠。
想想都刺激~在路面上开车的时候,车子在不同的温度、湿度、品味各异的路况下,沥青混合料究竟会发生些什么?市面上卖的各种沥青材料有啥不同的性能?其实,这可是我们必须搞明白的事情,毕竟,安全驾驶可是大事,要是连路面都自己“出轨”,那可就不妙了。
2. 什么是四点弯曲疲劳试验?2.1 概念介绍那么,四点弯曲疲劳试验到底是个啥玩意儿呢?简单来说,这个实验主要用来测试沥青混合料在疲劳作用下的强度和韧性。
别担心,我没想让你考上研究生,而是想给大家普及一下这个原理。
就像你在高强度锻炼时,是否会出现“腿软”的感觉一样,当沥青混合料被反复弯曲时,它也会体验到“疲倦”。
我们要通过实验来探究它到底能撑多久,不至于先“心态崩溃”。
2.2 实验过程好,具体的实验过程就有点像拍电影,得有个富有想象力的导演。
我们要先把老大沥青混合料准备好,之后用专门的设备把它放入四点弯曲的试验机里。
哎呀,真是有点儿科技感啊,想象一下,沥青混合料就像个大明星,正在舞台上被聚光灯照耀。
我们通过施加一定的力量,让它在四个接触点弯曲,不断测试着它的极限。
3. 实验数据分析3.1 数据解读到了最后,大家最期待的结果终于来了!经过几轮的肃穆试炼,咱们得到了实验数据,可以说这就像考试成绩一样,让人既紧张又期待。
通过观察沥青的变形、裂纹等现象,我们能得出它的疲劳寿命,多长时间它才能安稳地工作,真是“人间不值得”般的反复折腾!有的沥青混合料恰如其分,毫无怨言地维持着;有的就似乎“心有余而力不足”,一下子就那么崩塌了,简直让人心疼。
3.2 生活中的应用要知道,这些数据不仅仅是纸上谈兵,它们能让我们更好地选择和使用沥青材料。
广西南友公路沥青混合料路用性能的影响因素与试验分析二航局四公司汪继平摘要:据南友高速公路沿线的气候、水文地质等情况分析影响沥青混合料路用性能的主要因素,根据矿料级配试验研究的成果,提出采取的级配范围。
关键词:沥青混合料路用性能影响因素改善措施级配试验1工程概况国道主干线衡阳-昆明公路支线南宁至友谊关公路主线全长179.19km,联线长41.848km,为广西首条采用全沥青路面的高速公路,工程于2003年底开工,要求2005年10月1日前竣工通车。
南友公路位于北回归线以南,属亚热带季风气候,年平均降雨量1400mm以上,年平均日照1700h以上,年平均气温21~22.1℃,年无霜期352d,年平均蒸发量1350mm。
根据沿线的气象条件,按文献[1],南友路属于东南湿热区中的华南沿海台风区(VI7);按照文献[2]附录A的沥青路面施工气候分区,广西属于热区,最低月平均气温>0℃,另外根据广西南宁地区的降雨量>1000mm,属于多雨潮湿地区。
根据文献[3]的沥青路用性能气候分区,广西南宁地区属夏炎热冬温区1-4区。
在这样的气候条件下,高温、降雨以及重车渠化等将是影响沥青混合料路用性能的主要因素,沥青混合料需着重考虑高温稳定性、水稳性、耐久性以及面层的抗滑性能。
下面就影响沥青混合料路用性能的主要因素结合南友公路的特点作出级配的试验研究,并提出一些建议和改善措施,为沥青面层的施工提供参考。
2 沥青混合料路用性能的影响因素2.1沥青混合料沥青混合料是用具有一定粘度和适当用量的沥青材料与一定级配的矿质集料经过充分拌和而形成的混合物。
其路用性能主要有:高温稳定性、水稳定性、抗疲劳性能、耐久性、低温抗开裂性能、表面特性。
影响沥青混合料路用性能的因素是多方面的,其中矿料的级配组成较为关键,从使用性能上来说,骨架密实结构是最理想的级配组成。
2.2.影响沥青混合料路用性能的主要因素2.2.1集料级配沥青混合料高温稳定性的形成机理来源于沥青结合料的高温粘性和矿料级配的嵌挤作用,提高矿料的嵌挤作用是改善沥青混合料高温稳定性的主要途径。
文章编号:1671-2579(2005)04-0192-03沥青混合料疲劳试验中两种控制模式的选择分析刘 峰,李宇峙,黄云涌(长沙理工大学,湖南长沙 410076)摘 要:通过对壳牌SBS 改性沥青(Caribit)、壳牌宽域沥青(M ultiphalte)及壳牌重交AH -70#3种沥青拌制的AK -13型沥青混合料小梁在两种控制模式下的弯曲疲劳试验和APA 疲劳试验结果加以理论分析、比较,验证了沥青混合料疲劳试验中采用应力控制模式的合理性。
关键词:应力控制;应变控制;疲劳寿命;APA收稿日期:2005-02-28作者简介:刘 峰,男,硕士研究生.沥青混凝土的疲劳寿命直接影响沥青路面的使用寿命及使用性能,是决定沥青混凝土路面工程寿命周期成本的关键因素。
为了模拟沥青路面在车辆荷载作用下的疲劳状态,室内一般是按照应力控制或应变控制的模式进行疲劳试验和疲劳分析。
应力控制的疲劳试验是指沥青混合料试件施加的荷载不变,保持应力为常数,故也称之为常应力疲劳试验。
控制应变试验是试验时保持应变不变,即常应变疲劳试验。
本文首先将壳牌SBS 改性沥青、壳牌宽域沥青及壳牌重交AH -70#3种沥青拌制的AK-13型沥青混合料小梁在材料试验机(M TS-810)上进行了两种控制模式下的弯曲疲劳试验,得出了不同的结果;然后通过沥青路面分析仪(APA)对3种沥青混合料小梁进行疲劳试验,将试验结果与弯曲疲劳试验中两种控制模式下的疲劳试验结果加以分析对比,探讨了在室内疲劳试验中,采取何种控制模式较为合理。
1 试验材料1.1 沥青本研究中所选用的沥青为壳牌SBS 改性沥青、壳牌宽域沥青及壳牌重交AH-70#。
1.2 沥青混合料混合料的矿料级配为AK-13型,粗、细集料为攸县玄武岩,矿粉为石灰石矿粉,用3%的425#普通硅酸盐水泥取代等量矿粉。
试验过程中采用分级筛分,严格按照级配中值配料,马歇尔试验试件及车辙试件成型温度控制在145~155e 。
对高速公路工程中沥青混合料的试验检测分析发布时间:2023-03-16T06:52:52.451Z 来源:《建筑实践》2023年第1期作者:左威[导读] 随着我国公路工程建设事业的不断发展左威新疆金正建投工程集团有限公司,新疆乌鲁木齐830000摘要:随着我国公路工程建设事业的不断发展,对公路路面施工材料的要求也越来越高。
为适应不断提高的公路工程建设标准,满足沥青混合料路面面层质量要求,需对高速公路工程中沥青混合料的试验检测分析。
关键词:高速公路;沥青混合料;试验检测引言沥青混凝土路面是我国高速公路和国、省干线公路常用的路面结构类型。
目前,我国沥青路面的表面层一般采用AC-13或SMA-13,中面层一般采用AC-20,而下面层沥青混合料种类多达十余种,其级配类型的选择往往取决于地方经验或工程投资。
调研发现:密级配沥青稳定碎石(ATB)、大粒径沥青混合料(LSAM)、半开级配沥青混合料(AM)、密级配沥青混合料(AC-25)在我国高速公路和国省干线公路沥青路面下面层(柔性基层)均有大规模应用。
1沥青混合料的概述沥青混合料的特性和施工质量直接影响沥青路面的使用性能和使用寿命。
现场压实均匀性是影响沥青路面性能的最关键因素之一,并且是保证路面长期服役性能的关键影响因素之一。
即使材料设计完美,路面表面平整,沥青路面芯样各项指标均合格,但密度分布不均匀,也无法获得较好的路面使用性能。
因此,确保摊铺层的压实均匀性是必要的。
2对高速公路工程中沥青混合料的试验检测分析2.1马歇尔试验法马歇尔试验法是检测沥青混合料稳定性、粗集料骨架间隙率的有效方法,可以通过判定沥青混合料油石比确定材料质量。
在该方法操作过程中,需要在规定温度、湿度下,进行沥青混合料的标准密实击打,进行混合料流值、稳定度测验、计算。
试验主要用工具为沥青混合料自动马歇尔试验仪(最大载荷≥25kN、加载速度50mm/min±5mm/min,钢球直径16mm)、恒温水槽(深度≥150mm、控温准确度1.00℃)、真空饱和容器、温度计(1.00℃)、卡尺与天平(感量≤0.10g)。
沥青混合料的疲劳试验及其影响因素摘要:疲劳特性的研究方法概括起来包括两种即现象学法和力学近似法。
应用现象学法主要是进行疲劳试验,得出疲劳寿命与施加应力或应变的关系。
力学近似法是将应力状态的改变作为开裂、几何尺寸及边界条件、材料特性及其统计变异性的结果来考虑,并对裂缝的扩展和材料中疲劳的重分布所起的作用进行分析,从而它有助于人们认识破坏的形成和发展的机理。
关键词:沥青混合料疲劳特性现象学法力学近似法1 概述路面使用期间,在气侯环境因素和车轮荷载的重复作用下,损伤逐渐累积,路面结构强度逐渐下降,当荷载作用次数超过一定次数之后,在荷载作用下路面内产生的应力就会超过性能下降后的结构抗力,使路面出现裂纹,产生疲劳断裂破坏。
这是由于材料内部存在缺陷或非均匀性,引起应力集中而出现微裂隙,应力的反复作用使微裂隙逐渐扩展、汇合,从而不断减少有效的承受应力的面积,造成材料的刚度和强度逐步下降,最终在反复作用一定次数后导致破坏。
材料抵抗疲劳破坏的能力,可用达到疲劳破坏时所能经受的重复应力大小(或称疲劳强度)和作用次数(称为疲劳寿命)来表示。
疲劳破坏是当前沥青路面破坏的主要形式之一。
沥青路面的耐久性是指沥青路面在使用过程中承受各种外界因素的作用,其性质能保持稳定或较小发生变化的特性。
沥青混合料的抗疲劳性能是评价沥青路面耐久性的一个重要指标。
2沥青混合料的疲劳试验疲劳破坏作为沥青路面的三大破坏形式之一,人们对其试验研究方法给予了很大的关注,归纳起来可以分为四类:一是实际路面在真实行车荷载作用下的疲劳破坏试验,如美国的AASHO试验路,历时三年才完成;二是足尺路面结构在模拟行车荷载作用下的疲劳试验,包括环道试验和加速加载试验,如南非的重型车辆模拟车(HVS )、澳大利亚和新西兰的加速加载设备(ALF )、美国华盛顿州立大学的室外大型环道、长沙理工大学的亚洲最大的路面直道实验中心和重庆公路研究所的室内大型环道疲劳试验等;三是试板试验法;四是室内小型试件的疲劳试验。
沥青混合料的疲劳试验及其影响因素
摘要:疲劳特性的研究方法概括起来包括两种即现象学法和力学近似法。
应用现象学法主要是进行疲劳试验,得出疲劳寿命与施加应力或应变的关系。
力学近似法是将应力状态的改变作为开裂、几何尺寸及边界条件、材料特性及其统计变异性的结果来考虑,并对裂缝的扩展和材料中疲劳的重分布所起的作用进行分析,从而它有助于人们认识破坏的形成和发展的机理。
关键词:沥青混合料疲劳特性现象学法力学近似法
1 概述
路面使用期间,在气侯环境因素和车轮荷载的重复作用下,损伤逐渐累积,路面结构强度逐渐下降,当荷载作用次数超过一定次数之后,在荷载作用下路面内产生的应力就会超过性能下降后的结构抗力,使路面出现裂纹,产生疲劳断裂破坏。
这是由于材料内部存在缺陷或非均匀性,引起应力集中而出现微裂隙,应力的反复作用使微裂隙逐渐扩展、汇合,从而不断减少有效的承受应力的面积,造成材料的刚度和强度逐步下降,最终在反复作用一定次数后导致破坏。
材料抵抗疲劳破坏的能力,可用达到疲劳破坏时所能经受的重复应力大小(或称疲劳强度)和作用次数(称为疲劳寿命)来表示。
疲劳破坏是当前沥青路面破坏的主要形式之一。
沥青路面的耐久性是指沥青路面在使用过程中承受各种外界因素的作用,其性质能保持稳定或较小发生变化的特性。
沥青混合料的抗疲劳性能是评价沥青路面耐久性的一个重要指标。
2沥青混合料的疲劳试验
疲劳破坏作为沥青路面的三大破坏形式之一,人们对其试验研究方法给予了很大的关注,归纳起来可以分为四类:一是实际路面在真实行车荷载作用下的疲劳破坏试验,如美国的AASHO试验路,历时三年才完成;二是足尺路面结构在模拟行车荷载作用下的疲劳试验,包括环道试验和加速加载试验,如南非的重
型车辆模拟车(HVS )、澳大利亚和新西兰的加速加载设备(ALF )、美国华盛顿州立大学的室外大型环道、长沙理工大学的亚洲最大的路面直道实验中心和重庆公路研究所的室内大型环道疲劳试验等;三是试板试验法;四是室内小型试件的疲劳试验。
由于前三类试验研究方法耗资大、周期长,开展得并不普遍,多采用的是周期短、费用少的室内小型试件的疲劳试验。
但是,沥青混合料的室内小型疲劳试验方法繁多,北美大多数国家采用梁式试件进行反复疲劳试验;欧洲的研究者多采用悬臂梯形梁试件,在其端部施加正弦波荷载;而采用圆柱试件进行间接拉伸疲劳试验近年来在日本开展得比较多。
总之,各研究者所采用的实验方法不尽相同,呈现出一种百家争鸣的现象。
迄今为止,各国均没有将疲劳试验作为标准试验方法纳入规范。
沥青路面的温度疲劳开裂是由于沥青混合料因温度的日周期性变化引起的低频疲劳应力达到材料的疲劳极限所致。
因此,在进行沥青混合料收缩开裂有关力学特性试验时以采用拉伸试验较为适宜。
进行沥青混合料拉伸试验通常有直接拉伸试验、弯曲试验和劈裂试验三种方法,然而后两种方法属于间接拉伸,虽然导致材料破坏的主要原因是拉应力的作用,但其应力状态和温度收缩时的路面受力情况不完全一致,因此,本次试验采用小梁直接拉伸的疲劳试验方法。
综合目前已有研究成果,沥青路面疲劳特性的研究方法基本上分为两类:一类为现象学法,即传统的疲劳理论方法,它采用疲劳曲线表征材料的疲劳特性;另一类为力学近似法,即应用断裂力学、损伤力学原理分析疲劳裂缝扩展规律,以确定材料疲劳寿命。
2.1现象学法
应用现象学法进行疲劳试验,通常采用控制应力和控制应变两种不同的加载模式。
控制应力方式是指反复加载过程中所施加荷载(或应力)的峰谷值始终保持不变,随着加载次数的增加最终导致试件断裂破坏。
试验结果可用下式表示:
1()n f N k σ
= 式中:f N —试件破坏时的加载次数;
k,n —取决与沥青混合料的成分和特性的常数;
σ—对试件每次施加常量应力的最大幅值。
由上式可知,当对应力σ和疲劳寿命f N 进行双对数回归时,函数关系为直线型。
疲劳方程的两个参数k,n 即为直线的截距和斜率。
沥青混合料的疲劳性能通过疲劳方程的两个参数k,n 来反映:n 值越大,疲劳曲线越陡,疲劳寿命对应力水平变化越敏感;k 值表示疲劳曲线线位的高低,k 值越大,疲劳曲线线位越高,疲劳耐久性越好。
控制应变方式是指在反复加载过程中始终保持挠度或试件应变峰谷值不变。
由于在这种控制下试件通常不会出现明显的断裂破坏,一般以沥青混合料劲度下降到初始劲度的50%或更低为疲劳破坏标准。
试验结果常用下式表示:
1()m f N c ε
= 式中 f N —沥青混合料劲度下降到初始劲度的50%或更低时的次数;
c,m —取决与沥青混合料的成分和特性的常数;
ε—对试件每次施加常量应变的最大幅值。
选用何种加载模式的疲劳试验能较好的反映路面疲劳特性,或者说选用控制应力还是控制应变进行路面疲劳强度设计,主要考虑以下两个因素:
(1)何种加载模式能更好地反映沥青混合料在路面中受行车荷载作用的疲劳特性。
(2)路面结构中,沥青混合料的应力、应变状态更接近于哪种加载模式。
两种加载方式与疲劳相应的关系见表1;SHRP 试验表明:控制应变加载所得疲劳寿命≈2.4倍控制应力加载试验的疲劳寿命。
表1 应力控制和应变控制方式的比较
对路面弹性层状体系的分析表明,面层厚度大于12.6cm 时,由于基层刚度相对比较小,荷载重复作用使面层应变增长较快,以致最后迅速增大而出现路面破裂,这一过程比较符合应力控制模式。
我国近年来已建成和正在建设的高等级公路路面厚度大都超过此值,因此采用应力控制方式研究沥青混合料的疲劳特性比较接近于实际路面结构的疲劳特性,是合适且可行的。
本次试验采用应力控制方式加载。
事实上,对于沥青混合料来说,由于在疲劳试验中有一个显著的裂缝扩展过程,裂缝的产生和发展会改变应力的大小和分布,这时候控制的实际上不再是恒应力,而是应力逐渐增加(裂缝逐渐扩展使试件有效承载面积减小)的恒荷载控制。
之所以仍称为控制应力是为了与惯用的定义和称呼相一致。
2.2力学近似法 断裂力学方法是将应力状态的改变作为开裂、几何尺寸及边界条件、材料特性及其统计变异性的结果来考虑,并对裂缝的扩展和材料中应力的重分布所起的作用进行分析。
因此,它有助于人们认识破坏的形成和发展的机理。
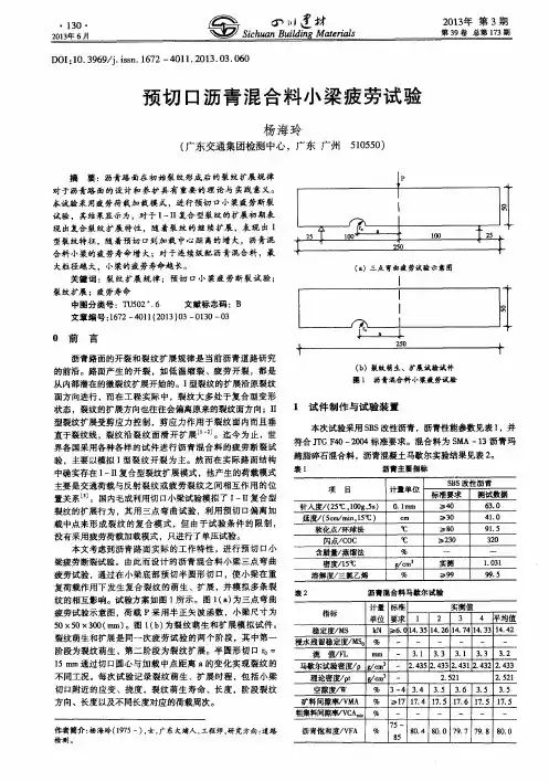
试验常采用预切口的小梁试件,单边槽口呈“V ”形或“U ”形进行弯曲或拉伸试验。
应用这一方法的疲劳寿命被定义为在一定的应力状态下,材料的损坏按照裂缝扩展规律,从初始状态增长到危险和临界状态的时间。
根据目前已有的疲劳裂缝扩展规律进行比较,普遍认为P.C.Paris 的裂缝扩展公式最适合沥青混合料的情况。
根据P.C.Paris 的理论,裂缝扩展规律公式为:
n dC AK dN
式中 C —裂缝长度;
N —荷载作用次数;
A 、n —材料常数;
K —应力强度因子,与荷载、试件几何尺寸和边界条件有关的参数。
损伤力学是近30年发展起来的一门新的科学,它是材料与结构的变形与破坏理论的重要组成部分,它将固体力学、材料强度理论和连续介质力学统一起来
研究受损材料的本构关系,解释材料的破坏机理,建立损伤的演变方程和计算材料的损伤程度,从而达到预估其寿命的目的。
在外载和环境的的作用下,由于细观结构的缺陷(如微裂纹、微空洞等)引起的材料或结构的劣化过程,称为损伤。
损伤力学是研究含损伤介质的材料性质,以及在变形过程中损伤的演化发展直至破坏的力学过程的学科。
用损伤力学得到的结果,既反映了材料微观结构的变化,又说明了材料宏观力学性能的实际变化状况,这在一定程度上弥补了断裂力学研究的不足。
3 影响沥青混合料疲劳性能的因素
影响沥青混合料疲劳性能的有多种因素,概括起来主要有以下几种:
1、试验条件;
2、材料性质;
3、环境条件。
上述因素的变化会对疲劳寿命产生影响是因为这些因素的变化会对沥青混合料的劲度产生影响,因此,可以从沥青混合料劲度的变化出发来分析疲劳寿命的变化。
参考文献
[1] 田小革,郑健龙,许志鸿.沥青混合料的低频疲劳效应研究.力学与实践,2002,24
[2] 唐雪松,蒋持平,郑健龙.沥青混合料疲劳过程的损伤力学分析.应用力学学报,2000,17
[3] 张婧娜,谭忆秋,张肖宁.应用能量原理预测沥青混合料的疲劳破坏. 中国公路学报,
1998,11
[4] 孙德栋,彭波. 沥青路面设计与施工技术. 郑州:黄河水利出版社,2003,5
[5] 葛折圣,黄晓明.运用损伤力学理论预测沥青混合料的疲劳性能. 交通运输工程学报,
2003,3。