直螺纹套筒采购及服务合同
- 格式:doc
- 大小:65.50 KB
- 文档页数:8
钢筋直螺纹连接套筒购销合同甲方(需方):合同编号:乙方(供方):签订地点:签订时间:根据《中华人民共和国合同法》及相关法律法规的规定,甲乙双方本着责任分明,友好合作的原则,就乙方承担甲方施工工程中使用的剥肋直螺纹钢筋连接套筒供应事宜达成以下协议,双方共同遵守。
一、产品名称,商标、型号、数量、金额,供货时间。
产品的数量以实际用量为准(以送货单为准),但不低于预算的百分之九十五。
正反丝扣按大径规格每个加0.3元,验收标准按照JGJ107-2003标准执行。
对于不符合需要的产品乙方在三日内给予更换。
三、交提货方式,运输方式,到货地点和费用负担:由乙方自行选择运输方式至甲方所在施工地点,运输费用由乙方负责。
由甲方自行负责卸货费用。
四、包装标准,包装物的供应和费用承担:执行国家相关标准。
五、验收方式:货到工地后,甲方或甲方所委托的项目部相关部门收料人员对货物的包装、标识、随货同行的质量证书、合格证书等相关技术资料进行检查,符合验收标准按照实际数量验收,并向乙方开具收料凭证。
六、对产品提出异议的时间和方法:甲方或甲方所委托的项目物资部门的验收中,如果发现产品的品种、规格、型号及质量外观不符合规定时,甲方应妥善保管,并在3日内向乙方提出书面异议。
在委托承付期间内,甲方有权拒绝支付不符合合同规定的货款。
乙方在接到甲方的书面异议后,在3日内负责处理,否则即视为默认甲方提出的异议和处理意见。
七、供货计划的相关事宜:甲方应提前7日以书面或传真等方式向乙方下达供货计划,甲方委托所在工区的物资部门为验收人作为货物的有效签字人。
为确保施工需要和运输成本的合理化每批供货数量不少于 3000 个八、结算方式及时间:货款月结。
到期未清,甲方需向乙方支付所欠货款每日千分之五的滞纳金,直至结清货款,期间乙方有权停止供货。
九、双方的权利和责任:(一)甲方权利和责任:1、甲方施工人员在使用滚丝机过程中,由于违章操作或错误操作出现安全问题由甲方自行负责。
直螺纹套筒购销合同直螺纹套筒购销合同现今社会公众的法律意识不断增强,能够利用到合同的场合越来越多,签订合同可以明确双方当事人的权利和义务。
那么合同书的格式,你掌握了吗?以下是小编为大家整理的`直螺纹套筒购销合同,希望能够帮助到大家。
甲方:_________________(供方)乙方:_________________(需方)本着公平公正的原则经双方友好协商特达成如下协议。
一、货物名称:_________________0.5c2c,2c4c,石子、水洗沙、戈壁料。
二、质量标准:_________________石子、水洗砂、细沙、粒度均匀。
水洗砂、细沙的质量在国家标准范围内。
三、供货方式:_________________汽运四、价格:_________________甲方将以上货物从运至城的乙方工地,到货价格为水洗砂元,0.5c2c石子元,2c4c石子元,细沙元,戈壁料元,以上价格均为含税价(出具发票)。
五、供用量:_________________按乙方实际要求用量供应。
六、供货时间:_________________供货期从本合同签定之日起至工程结束止。
七、结算方式:_________________乙方每壹个月将甲方所运砂石料货款的60%结清。
年月日之前将所有剩余款结清。
八、乙方提前一天通知甲方供货量,如甲方不能按时供应造成乙方损失。
按此供应量价款的20%支付违约金(计每车付160元违约金)。
九、甲方货到现场后所发生的因自身原因造成他人及第三方的损失和人生伤害与乙方无关。
十、此合同自签订之日起生效,此合同一式四份,甲方一份,乙方三份。
工程结束,本合同自动失效。
甲方:_________________乙方:_________________代表:_________________代表:_________________ ________年____月____日________年____月____日。
直螺纹合同模板这是小编精心编写的合同文档,其中清晰明确的阐述了合同的各项重要内容与条款,请基于您自己的需求,在此基础上再修改以得到最终合同版本,谢谢!标题:直螺纹合同模板甲方:___________乙方:___________根据《中华人民共和国合同法》及相关法律法规的规定,甲乙双方在平等、自愿、公平、诚实信用的原则基础上,经友好协商,就甲方购买乙方直螺纹产品事宜达成如下协议:一、产品名称、规格、数量1. 产品名称:直螺纹2. 产品规格:___________3. 产品数量:___________二、产品质量1. 乙方保证所提供的直螺纹产品符合国家相关质量标准及甲方的要求。
2. 乙方应在合同约定的时间内对产品质量问题负责,并承担相应的赔偿责任。
三、价格和支付方式1. 产品价格:人民币(大写):___________元整(小写):___________元。
2. 支付方式:___________3. 支付时间:合同签订后____个工作日内支付预付款,货物交付后支付尾款。
四、交货时间及地点1. 交货时间:____年__月__日前。
2. 交货地点:___________五、包装及运输1. 乙方负责产品的包装,确保产品在运输过程中不受损坏。
2. 运输费用由乙方承担,运输方式为___________。
六、违约责任1. 一方违反合同规定,导致合同无法履行,应承担相应的违约责任。
2. 因不可抗力因素导致合同无法履行或部分履行,双方互不承担违约责任。
七、争议解决1. 双方在履行合同过程中发生的争议,应首先通过友好协商解决。
2. 如协商无果,任何一方均有权向合同签订地人民法院提起诉讼。
八、其他约定1. 本合同一式两份,甲乙双方各执一份。
2. 本合同自双方签字(或盖章)之日起生效,有效期为____年。
甲方(盖章):___________乙方(盖章):___________签订日期:____年__月__日请根据您的实际情况修改上述合同内容,以确保其符合您的需求。
钢筋直螺纹加工及套筒购销合同合同编号:签订地点:签订时间:2012 年月日甲方:地址:乙方:地址:电话:经甲乙双方友好协商,同意就建设,由承建的项目的钢筋直螺纹加工及套筒购销供应有关事宜订立以下合同条款,供需双方共同遵守。
第一条、合同概况1、工程名称:(全称)2、工程地点:3、供货期:从年月日至止。
第二条、产品规格、型号、单价第三条、质量要求、技术标准按国家现行标准执行产品的质量技术标准:质量标准:符合国家行业标准《钢筋机械连接通用技术JGJ107-2003》及建筑工业行业标准《滚轧直螺纹钢筋连接接头JG163-2004》的所有性能要求。
第四条、交(提)货地点、方式1、交货方法:由乙方提供直螺纹套筒至甲方仓库2、到货地点和接货人:到货地点: 工程的指定位置;接货人(材料员):,身份证号码: 。
甲方如要求变更接货人,应在合同规定的交货日前 3 天以书面通知乙方。
乙方送货到达合同指定地点,甲方接货人验收后,双方要签字确认,明确双方的责任。
乙方提供的套筒由需方专人验收,入库保管,乙方在需方使用套筒单项完工后,未使用的、完好的套筒退给乙方,并以此作为最后结算的数据依据。
3、运输及装卸费用:由乙方运输到甲方工程指定地点并负责所有费用。
第五条、验收方法及标准1、验收时间:乙方包工包料(包括机械进、退场、安拆等费用及使用,直螺纹钢筋套筒的供货,钢筋端头套丝制作的人工费用。
)双方约定工期以需方进度要求为准。
采购数量以本工程实际使用数量为准。
2、验收方法:乙方材料进场时必须经甲方指定的接货人(材料员)按合同要求进行验收,质量验收标准:符合国家行业标准《钢筋机械连接通用技术JGJ107-2003》及建筑工业行业标准《滚轧直螺纹钢筋连接接头JG163-2004》的所有性能要求及提供与所供货物相符的质量证明书,并经监理见证取样送有资质的检测单位检测合格。
第六条:甲方责任1、统筹安排、协调解决乙方独立使用的生产、生活临时设施、工作用水、用电及施工场地;2、按时提供图纸,及时交付应供材料、设备,所提供的施工机械设备、周转材料、安全设施保证施工需要;3、按本合同约定,向劳务分包人支付劳动报酬;4、负责与其他部门及其他工种联系,协调现场工作关系。
合同编号:直螺纹套筒买卖合同签订时间:年月日签订地点:签订合同双方:采购单位:中国建筑一局(集团)有限公司(以下简称甲方)。
供应单位:(以下简称乙方)。
根据《中华人民共和国合同法》,甲乙双方在平等互利,协商一致的基础上,就甲方项目部所需直螺纹套筒签订以下采购合同,并在履行合同期间,共同遵守以下条款:第一条本合同包括的其他文件1.1 合同附件:本合同未涉及的条款和补充条款等。
1.2 合同履行中经甲乙双方达成一致的补充合同及合同更改协议(若发生)。
1.3 甲乙双方委托代理人(经办人)的法人代表授权委托书(报甲方存档)。
甲方工程概况工程名称:工程地点:建筑面积:结构类型:第二条产品名称、型号、数量以及合同价款2.1材料明细产品名称规格型号单位数量单价(元)金额(元)备注套筒14 个数量为暂估套筒16 个数量为暂估套筒18 个数量为暂估套筒20 个数量为暂估套筒22 个数量为暂估套筒25 个数量为暂估套筒28 个数量为暂估套筒32 个数量为暂估合计:人民币元。
(人民币大写:)注:合同价格说明:正反丝加价,变径以大端计加价。
本合同约定单价为货到现场含税价。
2.2 合同数量计量规则:约定产品数量为暂定数量,最终结算数量以验收合格后甲乙双方书面确认的实际供货数量为准。
2.3 乙方按照本合同规定要求按时完成物资的供应。
2.4 所购产品具体供应时间按照甲方发出的通知为准。
2.5 完工后如有剩余直螺纹套筒在不影响二次使用的情况下乙方应按原价无条件回收。
第三条质量要求、技术标准,乙方对质量负责的条件3.1质量基本条件:乙方所供材料质量及服务必须满足甲方为保证工程质量而对材料质量、供货服务提出的进一步的要求。
3.2 服务质量:乙方对甲方质量、配合等方面提出的问题及时予以解决。
3.3 本合同所购产品各项技术指标应按其分别符合以下国家标准:3.3.1质量具体要求:该产品原材料为45#优质碳钢,接头等级为一级,材料质量应严格符合设计及验收规范的有关要求。
钢筋直螺纹套筒供货合同合同编号: 需方: (以下简称甲方)供方: (以下简称乙方)依照《中华人民共和国合同法》、《中华人民共和国建筑法》及其他有关法律、行政法规,遵循平等、自愿、公平和诚实信用的原则,双方就甲方购买乙方钢筋直螺纹套筒用于工程建设事宜充分协商一致,订立本合同。
二、技术标准及质量要求:1、乙方应提供单位营业执照复印件(盖红章)等企业文件及产品的技术资料、产品必须符合《钢筋机械连接通用技术规程》(JGJ107-96)的相关规定与要求。
确保试拉合格,否则由乙方承担由此引起的一切损失。
2、乙方在甲方加工前提供套筒的材质报告,提供产品合格证及其它甲方所需的各种资料。
3、乙方自设备进场后到设备撤场时止,及时指派技术员对甲方操作人员进行指导施工,技术人员的所有费用由乙方负责。
4、不符合质量要求的产品无条件退场。
三、交货方式及地点:1、甲方向乙方购买之钢筋直螺纹套筒,使用于工程范围为:。
由乙方送货至甲方承建的建设工程工地,或由甲方指定的地点。
乙方送货所发生的所有费用及卸货费由乙方自行承担。
2、交货时间按甲方的工程进度计划,乙方应按照甲方要求时间送货,保证按时到货。
货到时,甲方负责提供放置货物的场地。
3、乙方送货途中发生钢筋直螺纹套筒的损毁所产生的损失费用由乙方自行承担,甲方不予承担。
4、乙方供应钢筋直螺纹套筒数量、外观、材质由双方在进入建设工程工地后会同监理公司予以验收确认。
整体质量在工程完工后由建设单位、监理及甲方根据国家规范标准及德州市相关部门对质量的有关标准和规定进行验收。
3、供货的数量、规格、应以甲方每次向乙方提供的材料单为准。
甲方指定收货人为、,需由两人同时签收有效,其它人员收货签字无效(如签收人员有变化,甲方及时书面通知乙方)。
乙方依此作为送货凭证,但不作为结算凭证。
结算乙方定期到甲方预算科办理结算,并出具结算材料(需加盖乙方公章),经甲方盖章或项目经理签字后作为结算凭证,否则不予付款。
合同编号:钢筋连接套筒采购合同需方(甲方):供方(乙方):项目名称:工程地点:签订时间:签订地点:北京市区需方(甲方):北京建工集团有限责任公司供方(乙方):__________________________________________根据《中华人民共和国合同法》及有关规定,为明确需方(甲方)和供方(乙方)的权利和义务,经甲乙双方友好协商一致,签订本合同。
1、产品名称、规格、单价产品名称:剥肋滚轧钢筋直螺纹连接套筒(以下简称连接套筒)注:1、变径连接套按大端直径计算单价, 加收加工费元/个。
2、正反扣连接套按标准规格的单价上调%。
3、乙方按每个接头,免费提供滚压轮付,剥肋刀付。
2、质量标准连接套筒应满足标准的要求。
3、供货方式及费用负担2第3 页共7 页甲方必须提前天将所需连接套筒的规格、数量(暂估)通知乙方,非标准连接套筒要提前天通知乙方。
乙方在接到甲方通知之日起日内,按整车次免费将货物运至甲方指定的地点并卸车。
4、包装标准、清点、保管4.1 包装应能保证货物质量完好。
4.2 货物交接时由双方共同清点,由甲方负责人或委托代理人验收签字。
4.3连接套筒配套使用的机械设备运到现场后由甲方负责保管,丢失或损坏由甲方负责。
5、双方权利、义务5.1 乙方免费对甲方人员进行技术培训,培训合格后核发上岗证。
5.2 乙方免费为甲方提供连接套筒配套使用的机械设备及相应的机具(每一万个接头提供把连接用管钳子),甲方应按乙方机械设备使用说明书的要求和培训要求妥善使用和保管。
正常使用中出现的问题由乙方免费负责维修或更换,因甲方使用不当造成的丢失、损坏等由甲方负责赔偿。
5.3乙方应于交付连接套筒的同时向甲方提供连接套筒合格证、材质单等相关资料。
5.4 因甲方原因致使连接套筒配套使用的机械设备及相应的机具闲置周,乙方有权进行调配。
5.5甲方人员应正确使用和妥善保管乙方提供给甲方的检验检查工具、连接工具、保护帽,丢失或损坏按乙方购买时的价格赔偿,乙方应提供相应的购买发票。
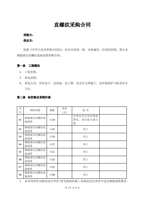
直螺纹采购合同采购方:供应方:依据《中华人民共和国合同法》,经双方协商一致,本着诚实、信用的原则,签订本钢筋滚压直螺纹连接套筒采购合同。
第一条工程概况1.工程名称:2.承包范围:3.承包方式:单价包干,包质量、包工期、包安全文明施工、包环境保护与职业安全卫生。
第二条标的物及采购价格序号物资名称规格单价(元)备注01 钢筋滚压直螺纹连接套筒φ16含变径及正反丝增加费用,变径按大端计算。
02 钢筋滚压直螺纹连接套筒φ18 同上03 钢筋滚压直螺纹连接套筒φ20 同上04 钢筋滚压直螺纹连接套筒φ22 同上05 钢筋滚压直螺纹连接套筒φ25 同上06 钢筋滚压直螺纹连接套筒φ28 同上07 钢筋滚压直螺纹连接套筒φ32 同上08 钢筋滚压直螺纹连接套筒φ36 同上1.本合同单价为固定综合单价(即为落地价格),此固定综合单价中包含钢筋套筒费用、套丝机使用及维修费、保护帽费用、服务费、技术指导人员的工资奖金、包装费用、交通费及保险费用等、企业管理费、市场风险、利润、税金以及其它不可预见费用等全部费用。
最终结算金额以实际进场数量为准。
2.本工程主体施工完毕,现场若存在剩余的直螺纹,供应方应无条件按原价退货。
否则,给予供应方2%的罚款。
3.直螺纹所带的塑护套由供应方到工地现场自行回收。
第三条质量技术标准要求套筒质量、现场验收等应符合《带肋钢套筒挤压连接技术规程》JGJ108—96,《钢筋机械连接通用技术规程》JGJ107-2003标准要求。
第四条合理损耗标准及计算方法运输及卸车过程发生的损耗由供应方承担。
第五条交付(提取)标的物或提取标的物的方式、时间、地点1.材料进场的数量以采购方代表的传真或电话通知为准,供应方在采购方代表传真或电话通知后24时内送达采购方指定地点。
2.材料进场双方共同检查质量、清点数目,确认后由采购方代表开具材料验收单,作为结算依据。
第六条运输方式及到达站(港)和费用负担1.供应方负责将采购方所要求的物资按时送达指定地点,并负责卸至采购方指定的物资堆放场地。
《套筒购买合同范本》篇一本合同为套筒购买合同,双方当事人达成以下协议:一、甲方(购买方)信息:_二、乙方(销售方)信息:_三、产品信息:1. 产品名称:套筒2. 数量及型号:(此处填写产品数量及型号,如有特殊要求可附注)四、交易内容:(一)交易条款1. 乙方根据甲方提供的产品需求,向甲方提供套筒产品。
2. 甲方同意购买乙方提供的套筒产品,并按照本合同约定支付货款。
(二)产品交付1. 乙方需按照约定的时间将套筒产品交至甲方指定的地点。
2. 产品在交付时应当是完好的,如有质量问题应在交货后三日内向乙方提出书面异议。
五、价格及支付方式:1. 套筒产品的价格:(此处填写具体价格)元人民币。
2. 支付方式:(此处填写支付方式,如现金、银行转账等)3. 甲方应按照约定支付货款,如逾期未支付,应向乙方支付逾期利息。
六、违约责任:1. 若乙方未能按照约定时间交付产品或交付的产品存在质量问题,应承担相应的违约责任。
2. 若甲方未能按照约定时间支付货款或因其他原因导致合同无法履行,应承担相应的违约责任。
七、保密条款:双方应对本合同内容及交易过程中所知悉的对方商业机密、技术机密等保密信息予以保密。
如因泄露上述信息给任何一方造成损失的,应承担相应的赔偿责任。
八、争议解决:如双方在本合同履行过程中发生争议,应首先协商解决;协商不成的,任何一方均有权向有管辖权的人民法院提起诉讼。
九、其他条款:(一)本合同自双方签字盖章之日起生效。
(二)本合同一式两份,甲、乙双方各执一份,具有同等法律效力。
(三)本合同未尽事宜,可由双方协商补充。
补充协议与本合同具有同等法律效力。
(四)其他特别约定事项:(如有特别约定事项可在此处填写)_ 。
十、特别声明:根据《中华人民共和国合同法》及相关法律法规的规定,双方在平等、自愿的基础上签订本合同,双方均应认真履行合同义务,如有违反合同约定,应承担相应的法律责任。
本合同未涉及的内容,双方可参照相关法律法规的规定执行。
直螺纹合同书一、合同双方甲方:(以下简称“供应方”)地址:电话:联系人:乙方:(以下简称“需求方”)地址:电话:联系人:二、合同内容1. 商品名称直螺纹。
2. 规格型号具体规格型号以供应方出厂合同为准。
3. 交货地点供应方工厂所在地。
4. 交货时间供应方收到乙方支付货款之后,7天内交货。
5. 价格及结算方式1.价格:根据当时市场价格,供应方与需求方协商确定。
2.结算方式:乙方预付货款的70%作为首期付款,供应方交货前收到;剩余30%在收到货物后立即付清。
6. 运输方式和费用根据双方协商确定,由乙方承担运输费用。
7. 质量要求1.直螺纹严格按照相关国家和行业标准生产,产品质量保证。
2.供应方拥有出厂检验证书和合格证,乙方在收到货物时应一并收到。
8. 违约责任和解决办法1.一方违约,需向对方承担违约金。
2.若双方协商不能达成一致,应通过法律诉讼解决。
9. 其他1.本合同自签订之日起生效。
2.任何未尽事宜,由双方协商决定,并在合同附件中详细记录。
3.本合同一式两份,供双方各执一份,具有同等法律效力。
三、签署甲方(供应方)签字盖章:______________ 日期:____年____月____日乙方(需求方)签字盖章:______________ 日期:____年____月____日合同附件:相关协议文件以上为直螺纹合同书,双方应当严格履行,如有争议,应经过协商解决,若协商无法解决应向相关法律机关申请仲裁或提起诉讼解决。
物资采购合同直螺纹套筒采购及服务合同合同编号:ZJQJ-LANYUAN-CL-009买:卖:市鄞州碶庆博建材商行签订日期:2015年8月20日直螺纹套筒采购及服务合同依照《中华人民国合同法》及其他相关法律法规的规定,遵循平等、自愿、公平和诚实信用的原则,经双充分协商,订立本合同,以资共同遵照执行。
一、货物的规格及单价1、工程完工后剩余可使用套筒原价退回给卖且卖不得以任理由和借口拒绝回收(异形和生锈的不予退还),以上综合单价已将套丝机的使用、维护保养、维修(包括设备需更换的一切部件)、派专业技术人员工资、食宿费用等一切有关套丝机的使用服务费用综合在了综合单价,结算时卖不得以任理由和形式要求调整综合单价及总价。
2、卖无偿提供直螺纹套丝机不少于8台(但根据工程需要,卖必须及时无偿增加满足施工需要的直螺纹套丝机,否则造成的一切损失由卖承担),同时提供设备合格证、使用说明书。
3、卖无偿提供的直螺纹套丝机必须与之提供的套筒相匹配,如因卖提供的套丝机与套筒不匹配所造成的一切损失均由卖承担。
4、上表价格为直螺纹套筒送到施工现场含普票价格(如甲无需开票,在上述约定单价上下浮5个百分点),包含运输及装卸车费用和机械设备零配件、2000个保护帽(如实际使用保护帽超出2000个,超出部分的保护帽按0.08元/个计算保护帽使用增加费)、切削液、机油、易损易耗件、各型号通规止规、机械进出场费用、机械安拆费用等。
5、工程最终结算数量以累计发货数量减去累计退货数量作为最终结算依据。
6、卖无偿提供检测力矩扳手2把,工程完工后买将卖提供的扳手退还给卖。
7、此单价为固定价,不因钢材价格变化而调价(如实市价涨跌变化超过5%,超过5%后的部分据实调整)。
二、货物的数量及金额1、本合同下的货物指的是建筑钢筋直螺纹套筒,总量约100000节。
2、合同的总货款数约为200000元整(大写:贰拾万元整),最终结算金额以实际发生额为准,据实结算。
物资采购合同直螺纹套筒采购及服务合同合同编号:ZJQJ-LANYUAN-CL-009买:卖:市鄞州碶庆博建材商行签订日期:2015年8月20日直螺纹套筒采购及服务合同依照《中华人民国合同法》及其他相关法律法规的规定,遵循平等、自愿、公平和诚实信用的原则,经双充分协商,订立本合同,以资共同遵照执行。
1、工程完工后剩余可使用套筒原价退回给卖且卖不得以任理由和借口拒绝回收(异形和生锈的不予退还),以上综合单价已将套丝机的使用、维护保养、维修(包括设备需更换的一切部件)、派专业技术人员工资、食宿费用等一切有关套丝机的使用服务费用综合在了综合单价,结算时卖不得以任理由和形式要求调整综合单价及总价。
2、卖无偿提供直螺纹套丝机不少于8台(但根据工程需要,卖必须及时无偿增加满足施工需要的直螺纹套丝机,否则造成的一切损失由卖承担),同时提供设备合格证、使用说明书。
3、卖无偿提供的直螺纹套丝机必须与之提供的套筒相匹配,如因卖提供的套丝机与套筒不匹配所造成的一切损失均由卖承担。
4、上表价格为直螺纹套筒送到施工现场含普票价格(如甲无需开票,在上述约定单价上下浮5个百分点),包含运输及装卸车费用和机械设备零配件、2000个保护帽(如实际使用保护帽超出2000个,超出部分的保护帽按0.08元/个计算保护帽使用增加费)、切削液、机油、易损易耗件、各型号通规止规、机械进出场费用、机械安拆费用等。
5、工程最终结算数量以累计发货数量减去累计退货数量作为最终结算依据。
6、卖无偿提供检测力矩扳手2把,工程完工后买将卖提供的扳手退还给卖。
7、此单价为固定价,不因钢材价格变化而调价(如实市价涨跌变化超过5%,超过5%后的部分据实调整)。
二、货物的数量及金额1、本合同下的货物指的是建筑钢筋直螺纹套筒,总量约100000节。
2、合同的总货款数约为200000元整(大写:贰拾万元整),最终结算金额以实际发生额为准,据实结算。
三、质量要求及技术标准、卖对质量负责的条件和期限1、质量要求及技术标准按JG1T163-2013《钢筋机械连接通用技术规程》且至少不得低于国标及地标的相关要求执行。
钢筋直螺纹套筒采购合同买方(全称):卖方(全称):依照《中华人民共和国合同法》及其他相关法律法规的规定,遵循平等、自愿、公平和诚实信用的原则,经双方充分协商,订立本合同,以资共同遵照执行。
合计人民币金额(大写):整1、卖方保证对本合同项下的上述货物享有完全所有权且无任何瑕疵,保证货物交付后无任何第三人向买方主张任何权利。
2、本合同直螺纹套筒数量为暂定数量,具体交货数量以买方每次计划量为准,计划量由买方书面传真给卖方。
3、上述价格为含增值税价格,含货到广州黄埔港的运输费用。
单价在合同执行期内固定不变,且不作任何调整。
4、滚丝机的日常保养及维修由卖方负责(合同约定指派的技术工人负责维修),维修所需配件由买方向卖方购买,数量暂按以上清单量。
二、质量要求及技术标准、卖方对质量负责的条件和期限1、质量要求及技术标准:①套筒外径尺寸符合国家标准,外表面必须有明显的钢筋级别及规格标记,异径套筒两端分别标记相应的钢筋级别和直径。
②原材应为45#优质碳素结构钢,其材质应符合GB699规定;套筒屈服强度、抗拉强度、单向拉伸性能、高应力反复拉伸性能、大变形反复拉压性能符合GB1499.2-2007中规定的HRB400的强度要求(买方人马座项目使用钢筋屈服强度等级达到420N/mm2)。
③保证连接套筒符合行业标准JGJ107-2003中规定的‘Ⅰ’级性能标准。
2、卖方对货物的质量保证期限:(1)从卖方交货之日起,到工程竣工验收合格后止。
(2)本合同货物总额的5%作为卖方质量保证金,买方在质量保证期满后7日内支付给卖方。
三、交货方式、时间、地点1、交货方式:卖方交货。
2、时间:合同签订后12日内交第一批货,下一批交货日期以买方的书面传真为准。
3、地点:广东省广州市黄埔区港前路980号(机修厂内)。
四、运输及装卸费用1、货物自厂家至广州黄埔港的运输由卖方负责,运输费用已包含在合同总价内。
2、货物在广州黄埔港卸车的人力及机械资费由买方承担。
钢筋直螺纹套筒销售合同合同编号:[合同编号]甲方:[甲方公司名称]地址:[甲方公司地址]联系人:[甲方联系人姓名]电话:[甲方联系电话]乙方:[乙方公司名称]地址:[乙方公司地址]联系人:[乙方联系人姓名]电话:[乙方联系电话]鉴于甲方拥有钢筋直螺纹套筒的销售资格,与乙方达成以下销售合同,双方经友好协商一致,达成如下条款:第一条销售产品及规格1.1 产品名称:钢筋直螺纹套筒1.2 产品规格:[具体产品规格]1.3 产品数量:[具体产品数量]第二条交货及验收2.1 交货地点:[交货地点]2.2 交货时间:[交货时间]2.3 乙方应按照约定的交货时间到达交货地点进行验收,甲方提供样品作为验收依据。
第三条价格及支付3.1 单价:[产品单价]3.2 总价:[产品总价]3.3 支付方式:[具体支付方式]3.4 乙方应在签订合同后,根据约定支付货款,支付方式为[具体支付方式]。
第四条质量保证4.1 甲方保证所销售的钢筋直螺纹套筒的质量符合国家相关标准。
4.2 乙方在收到货物后,应根据相关标准进行全面检验,如发现有质量问题,应及时通知甲方并提供相关证据。
4.3 如因产品质量问题导致的损失,由甲方承担赔偿责任,但赔偿金额不超过合同总额。
第五条违约责任5.1 若任一方未按照本合同约定的时间和地点履行义务,应承担相应的违约责任。
5.2 若因一方原因导致合同无法履行,对方有权要求违约方赔偿相应的损失。
5.3 本合同有效期内,若一方泄露、散布对方商业秘密,应承担相应的法律责任。
第六条合同期限本合同自双方签字盖章之日起生效,并持续有效期为[合同有效期]。
第七条变更和解释7.1 任何对本合同的修改或变更,应以书面形式经双方共同签署的补充合同为准。
7.2 如对本合同的解释发生争议,应通过友好协商解决;协商不成的,可根据有关法律向有管辖权的法院提起诉讼。
第八条合同终止8.1 本合同履行完毕或解除后,双方均不再承担继续履行合同的义务。
编号:_____________钢筋滚轧直螺纹连接套筒供应合同书甲方:___________________________乙方:___________________________签订日期:_______年______月______日甲方:乙方:甲、乙双方经充分协商,按照平等互利、诚实信用。
为了明确双方责任,互相配合,保质保期完成工程施工,就XX市XX小区工程项目,甲方购买乙方滚轧直螺纹钢筋连接套筒等产品达成如下协议,以资共同遵守。
一、工程名称: XX市XX小区二、工程地点: XX市三、工作内容: 1#~4#楼及地下车库基础伐板、梁、暗柱钢筋滚轧直螺纹连接套筒的施工,具体内容:乙方套筒的购买、加工机械及辅助材料及成型后的安装施工等工作。
建筑面积: 146719.4㎡。
四、工程价格及工程量:单价详见下表,工程结算根据实际完成工程量与单价进行结算(按实结算)。
2522201816左右旋套筒及变径套筒的价格,每节在同等规格价格基础上增加元,此套筒为异形套筒,剩余后不退货。
五、交(提)货方式:本合同签订后,甲方向乙方提前天,提交用货数量单。
六、付款方式:合同签订后,乙方1#~4#楼基础完成后,付完成工程量的80%,到1#~4#楼±0.000 完成后付完成工程量的80%,1#~4#楼每二层完成后付完成工程量的80%,余款到竣工验收合格后30天内付清(±0.00以上供货时,±0.00以下部份付清20%的余款)。
七、乙方的有关设备及工具,具体如下:1、滚丝机根据甲方的要求,乙方将本公司的钢筋螺纹滚丝机 4 台免费提供给甲方使用,甲方妥善使用和保管,工程完工后交还乙方,交还时由乙方验收,非正常损坏或丢失由甲方负责赔偿(按质价格)。
2、易损件滚丝轮、刀片:如在使用过程中损坏,由乙方负责购买。
3、扳手:管钳扳手由乙方无偿提供给甲方使用,丢失或非正常使用而造成损坏,由甲方按原价(按市场价格)赔偿。
20XX 专业合同封面COUNTRACT COVER甲方:XXX乙方:XXX2024版钢筋直螺纹套筒接头施工合作合同版B版本合同目录一览第一条合作范围与内容1.1 合作项目:钢筋直螺纹套筒接头施工1.2 合作范围:包括但不限于施工方案设计、材料采购、施工、验收等环节第二条合同主体2.1 甲方:_______(甲方全称)2.2 乙方:_______(乙方全称)第三条合同期限3.1 合作期限:自合同签订之日起至项目竣工验收合格之日止第四条施工质量标准4.1 乙方应按照甲方提供的施工图纸和技术要求进行施工4.2 乙方应确保施工过程中的质量控制,满足相关法律法规及行业标准第五条材料供应5.1 乙方负责采购施工所需的原材料,并保证材料的质量5.2 甲方有权对乙方提供的材料进行检验,对不符合要求的材料有权要求更换第六条施工安全6.1 乙方应严格按照国家有关安全生产的法律、法规和甲方制定的安全规章制度进行施工6.2 乙方应承担由于自身原因造成的工人伤亡、财产损失等责任第七条费用与支付7.1 合同总价款为人民币_______元(大写:____________________________元整)7.2 甲方应按照双方约定的付款节点及时支付乙方工程款第八条验收与保修8.1 项目完成后,甲方应组织验收,乙方应按照约定时间完成整改8.2 工程验收合格后,乙方应按照合同约定提供保修服务第九条违约责任9.1 任何一方违反合同的约定,应承担相应的违约责任9.2 违约方应赔偿对方因此造成的损失,并支付相应的违约金第十条争议解决10.1 双方在履行合同过程中发生的争议,应通过友好协商解决10.2 若协商不成,任何一方均有权向合同签订地人民法院提起诉讼第十一条合同的变更与解除11.1 合同的变更或解除应经双方协商一致,并书面确认11.2 合同解除后,乙方应按照甲方要求完成剩余工作,并承担相应责任第十二条合同的转让12.1 未经对方同意,任何一方不得将合同的全部或部分权利义务转让给第三方第十三条保密条款13.1 双方在合同履行过程中获知的对方商业秘密、技术秘密等,应予以严格保密13.2 违反保密义务的一方,应承担违约责任,并赔偿对方因此造成的损失第十四条其他约定14.1 双方同意,本合同未尽事宜,可另行协商补充14.2 本合同一式两份,甲乙双方各执一份,具有同等法律效力第一部分:合同如下:第一条合作范围与内容1.1 合作项目:钢筋直螺纹套筒接头施工1.2 合作内容:包括但不限于施工方案设计、材料采购、施工、验收等环节1.3 施工方案设计:乙方应根据甲方提供的工程图纸和技术要求,制定详细的施工方案,包括但不限于施工工艺、施工进度、人员配置、质量控制措施等1.4 材料采购:乙方负责采购施工所需的原材料,包括但不限于钢筋、直螺纹套筒、水泥、砂石等,并保证材料的质量符合国家相关标准和甲方要求1.5 施工:乙方应严格按照施工方案和甲方要求进行施工,确保施工过程中的质量控制,满足相关法律法规及行业标准1.6 验收:乙方应按照约定时间完成施工,并配合甲方进行验收,对验收不合格的部分进行整改第二条合同主体2.1 甲方:_______(甲方全称)2.2 乙方:_______(乙方全称)第三条合同期限3.1 合作期限:自合同签订之日起至项目竣工验收合格之日止第四条施工质量标准4.1 乙方应按照甲方提供的施工图纸和技术要求进行施工4.2 乙方应确保施工过程中的质量控制,满足相关法律法规及行业标准4.3 乙方应按照甲方要求进行施工,确保工程质量符合国家标准和甲方要求4.4 乙方应建立健全质量管理体系,对施工过程进行全程控制和管理第五条材料供应5.1 乙方负责采购施工所需的原材料,并保证材料的质量5.2 甲方有权对乙方提供的材料进行检验,对不符合要求的材料有权要求更换5.3 乙方应按照甲方要求的时间和数量提供原材料,确保施工进度不受影响5.4 乙方应对提供的原材料的质量承担责任,因材料质量问题导致的工程质量问题,乙方应承担相应责任第六条施工安全6.1 乙方应严格按照国家有关安全生产的法律、法规和甲方制定的安全规章制度进行施工6.2 乙方应承担由于自身原因造成的工人伤亡、财产损失等责任6.3 乙方应建立健全安全生产管理体系,制定并落实安全生产措施,确保施工过程中的安全6.4 乙方应对施工现场进行定期安全检查,对存在安全隐患的地方及时整改第七条费用与支付7.1 合同总价款为人民币_______元(大写:____________________________元整)7.2 甲方应按照双方约定的付款节点及时支付乙方工程款7.3 付款方式:_______(付款方式,如现金、转账等)7.4 乙方应提供合法的发票,甲方有权对乙方的财务状况进行核查7.5 甲方未按时支付工程款,应按照约定支付滞纳金,乙方未按时完成施工,应按照约定支付违约金第八条验收与保修8.1 项目完成后,甲方应组织验收,乙方应按照约定时间完成整改8.2 工程验收合格后,乙方应按照合同约定提供保修服务8.3 保修期限:自工程验收合格之日起,算_______年8.4 保修范围:包括但不限于因施工原因导致的结构安全、使用功能等方面的质量问题8.5 乙方在保修期内,对发生的质量问题应按时限要求进行修复,并承担修复过程中的全部费用8.6 保修期满后,如有继续保修的需求,双方可另行协商确定第九条违约责任9.1 任何一方违反合同的约定,应承担相应的违约责任9.2 违约方应赔偿对方因此造成的损失,并支付相应的违约金9.3 违约金的计算方式:按照合同总价款的_______%计算9.4 乙方逾期交付工程,甲方有权按约定扣除逾期交付部分的工程款,并有权解除合同9.5 甲方未按约定时间支付工程款,乙方有权按约定收取滞纳金,有权暂停施工第十条争议解决10.1 双方在履行合同过程中发生的争议,应通过友好协商解决10.2 若协商不成,任何一方均有权向合同签订地人民法院提起诉讼第十一条合同的变更与解除11.1 合同的变更或解除应经双方协商一致,并书面确认11.2 合同解除后,乙方应按照甲方要求完成剩余工作,并承担相应责任11.3 因不可抗力导致合同无法履行,双方可协商解除合同,并互相承担责任第十二条合同的转让12.1 未经对方同意,任何一方不得将合同的全部或部分权利义务转让给第三方第十三条保密条款13.1 双方在合同履行过程中获知的对方商业秘密、技术秘密等,应予以严格保密13.2 违反保密义务的一方,应承担违约责任,并赔偿对方因此造成的损失第十四条其他约定14.1 双方同意,本合同未尽事宜,可另行协商补充14.2 本合同一式两份,甲乙双方各执一份,具有同等法律效力14.3 合同自双方签字(或盖章)之日起生效,至合同约定的终止条件达成之日终止第二部分:其他补充性说明和解释说明一:附件列表:附件一:施工图纸和技术要求附件二:材料采购清单附件三:施工方案设计附件四:施工进度计划附件五:安全生产措施方案附件六:质量管理体系文件附件七:合同履行过程中产生的其他相关文件附件一:施工图纸和技术要求的详细要求和说明本附件应包括施工所需的全部图纸、技术规范、施工标准等内容,用于指导乙方的施工活动。
物资采购合同
直螺纹套筒采购及服务合同
合同编号:ZJQJ-LANYUAN-CL-009
买方:
卖方:宁波市鄞州石碶庆博建材商行
签订日期:2015年8月20日
直螺纹套筒采购及服务合同
依照《中华人民共和国合同法》及其他相关法律法规的规定,遵循平等、自愿、公平和诚实信用的原则,经双方充分协商,订立本合同,以资共同遵照执行。
一、货物的规格及单价
1、工程完工后剩余可使用套筒原价退回给卖方且卖方不得以任何理由和借口拒绝回收(异形和生锈的不予退还),以上综合单价内已将套丝机的使用、维护保养、维修(包括设备需更换的一切部件)、派专业技术人员工资、食宿费用等一切有关套丝机的使用服务费用综合在了综合单价内,结算时卖方不得以任何理由和形式要求调整综合单价及总价。
2、卖方无偿提供直螺纹套丝机不少于8台(但根据工程需要,卖方必须及时无偿增加满足施工需要的直螺纹套丝机,否则造成的一切损失由卖方承担),同时提供设备合格证、使用说明书。
3、卖方无偿提供的直螺纹套丝机必须与之提供的套筒相匹配,如因卖方提供的套丝机与套筒不匹配所造成的一切损失均由卖方承担。
4、上表价格为直螺纹套筒送到施工现场含普票价格(如甲方无需开票,在上述约定单价上下浮5个百分点),包含运输及装卸车费用和机械设备零
配件、2000个保护帽(如实际使用保护帽超出2000个,超出部分的保护帽按0.08元/个计算保护帽使用增加费)、切削液、机油、易损易耗件、各型号通规止规、机械进出场费用、机械安拆费用等。
5、工程最终结算数量以累计发货数量减去累计退货数量作为最终结算依据。
6、卖方无偿提供检测力矩扳手2把,工程完工后买方将卖方提供的扳手退还给卖方。
7、此单价为固定价,不因钢材价格变化而调价(如实市价涨跌变化超过5%,超过5%后的部分据实调整)。
二、货物的数量及金额
1、本合同下的货物指的是建筑钢筋直螺纹套筒,总量约100000节。
2、合同的总货款数约为200000元整(大写:贰拾万元整),最终结算金额以实际发生额为准,据实结算。
三、质量要求及技术标准、卖方对质量负责的条件和期限
1、质量要求及技术标准
按JG1T163-2013《钢筋机械连接通用技术规程》且至少不得低于国标及地标的相关要求执行。
2、卖方对货物的质量保证期限
按国家有关法律法规的规定执行,质量保证期为终身,从该批直螺纹套筒验收合格之日起算。
四、交货方式、时间、地点及风险承担
1、交货方式按卖方送货方式执行:
(1)具体时间:
A:买方应根据工程进度提前 2天向卖方提报当次采购常用规格计划,采购计划中需明确产品的规格型号及数量,卖方须在收到采购计划之日起2天内将产品送到买方指定工地现场。
(2)具体地点:象山丹山路以北,东谷路以西,买方所承建工程的施工现场。
2、本合同项下的货物意外灭失的风险承担按以下执行:
(1)采取交货方式的,货物由卖方送交买方指定的交货地点,经买方验收合格,并办理书面验收手续后,该货物的毁损、灭失的风险由卖方转移至买方。
3、其他:
(1)、卖方所送的不符合同规定的产品,买方拒绝接收的,由卖方自行保管;如确需买方代为保管的,须由买方书面同意。
(2)、产品错发至到货地点或接货单位,卖方除按合同规定负责运达到货地点或接货单位外,并承担由于自身原因所造成的运杂费的增加和由于延期交货给买方所造成的相关损失。
(3)、卖方所送的不符合合同规定的产品时买方有权拒绝接收,由此产生的工期延误、人工窝工费用和给买方造成的其他损失由卖方承担。
五、卖方的责任
1、卖方必须提供具有相关资质等级的专业技术人员,服从项目部的指挥和调配,如不服从管理或不符合项目要求,应无条件撤换。
2、卖方专业技术人员必须在收到买方电话通知后12小时内赶赴施工现场,及时解决在施工中出现的各种问题;如卖方专业技术人员一月内在收到买方电话通知后12小时内不能赶赴施工现场超过三次,买方将进行每次1000元罚款处理,并视为卖方将工程转包或自行放弃承包权利和义务,则买方有权单方解除合同,且追究卖方违约责任。
3、卖方不得将该工程转包或分包给他人,否则,买方有权无条件终止本合同,并由卖方承担由此造成的全部经济损失和责任。
4、供方保证设备正常运转,免费及时维修,工具、配件以旧换新,直螺纹套筒采用塑料编织袋包装,包装不回收,直螺纹套筒及套丝机的的运输、装卸、搬运等费用均由卖方自行承担(套丝机进退场由甲乙双方共同完成)。
六、运输费用承担
1、货物的运输及运输费用由卖方承担;
七、验收标准、方法、地点及提出异议期限
1、买方按JG1T106-2013《钢筋机械连接通用技术规程》质量标准对货物的质量和数量进行验收;
2、验收的方法:货到买方项目现场,买方项目对到货进行数量、外观和相关质量的验收。
3、买方经验收对卖方货物质量有异议的,可在货物质量保证期内随时以口头、电传或书面方式向卖方提出。
4、若试件试验达不到设计要求或检测不合格,一切责任由卖方承担;若由于卖方原因,导致钢筋验收不合格,影响下道工序施工,按照买方项目部管理条例进行罚款。
5、钢筋滚轧直螺纹套筒型式检测报告及合格证等有关资料卖方必须在进场时提供,套丝机进场时需提供出厂合格证。
6、其他约定:对验收不合格的产品,卖方要立即组织退场并自行保管,若有遗失或损害,责任由卖方自负。
八、结算方式及期限,按以下方式执行:
1、每月20-25日买卖双方确认当月合格供货数量,次月20日前卖方开具正规税务发票。
买方次月25日以前以银行转帐形式支付上月合格货款的50%,项目主体达到销售节点即地上六层后按月付70%支付工程款,剩余货款
在主体整体验收合格后3个月内无息付清。
2、买方每次付款时,卖方须提前提供符合买方要求的等额发票和收据交与买方(收据必须盖有卖方财物专用章)。
如因卖方未能及时向买方提供上述发票和收据的,买方有权视情况延期或拒付工程款,直至买方收到上述发票和收据为止, 对于不合格发票买方有权按其票面金额的20%进行惩罚性违约金的扣除,并保留提交给国家相关管理机构的权利。
九、违约责任
1、卖方不能按本合同约定的时间、地点、方式供货的:
⑴买方可随时单方通知解除合同,由卖方承担总货款 10 %违约金并赔偿由此给买方造成的相关损失;
⑵买方不解除合同的,卖方除继续依约履行合同外,且必须按买方要求立即组织更换或完善不符合的条件及要求,还应承担总货款 10 %违约金并赔偿由此给买方造成的相关损失。
注:因完善条件延误时间的,仍视为卖方不能按期供货。
2、卖方货物不符合本合同约定的质量标准的:
⑴买方可随时单方通知解除合同,由卖方承担总货款 10 %违约金并赔偿由此给买方造成的相关损失;
⑵买方不解除合同的,卖方除按买方要求立即组织更换或完善不符合的条件及要求,继续履行合同外,还应承担总货款 10 %违约金并赔偿由此给买方造成的相关损失。
3、卖方供货不符合本合同约定的其他条件和要求的:
⑴买方可随时单方通知解除合同,由卖方承担总货款 10 %违约金并赔偿由此给买方造成的相关损失;
⑵买方不解除合同的,卖方须按买方要求立即完善不符合的条件及要求,因完善条件延误时间的,按卖方不能按期供货的违约条款执行。
4、由于卖方未按买方提交的用货数量单按时供货的,且提供的套筒不符合
要求的给买方造成的损失由卖方承担。
并且同意买方采购第三者同类产品。
5、如卖方提供的套丝机在正常使用时故障,卖方必须在6小时内完成维修工作,如不能完成的需在同一时间内更换套丝机。
如不能按上述要求完成的,给买方造成的损失由卖方承担。
十、不可抗力
1、本合同所称不可抗力仅指战争及重大自然灾害。
2、任何一方由于不可抗力的原因不能履行合同时,应在7日内及时向对方通报不能履行或不能完全履行的理由,以减少可能给对方造成的损失,在取得有关机构的证明后,允许延期履行、部分履行或者不履行合同,并根据情况可部分或全部免予承担违约责任。
3、其它不可抗力认定标准以国家、省、市有关主管部门正式发布为准。
十一、解决合同纠纷的方式
本合同履行过程中如发生纠纷,双方应友好协商解决,协商不成的,向合同履行地的人民法院提起诉讼。
十二、双方其它约定事项
1、卖方必须保证供应的及时性和产品的数量、质量。
2、卖方在直螺纹套筒的贮存、运输、装卸、搬运过程中,应采取必要措施,减少对环境的污染破坏、降低消耗、节约资源,供应的产品应符合国家环保要求。
3、在约定的质保期内,由于直螺纹套筒自身质量问题引起的损坏由卖方负责免费更换。
十三、本合同未尽事宜,双方另行协商解决。
十四、本合同经双方法定代表人或委托代理人签字并加盖公章后生效。
十五、本合同壹式肆份,买方执叁份、卖方执壹份,具有同等法律效力。
买方(公章):_______ 卖方(公章):_______ 法定代表人或授权代表:_ _ 法定代表人或授权代表:______
地址:地址:
电话:电话:
传真:开户行:中国农业银行宁波东城支行
帐号: 39154001040008213 签约时间:2015年8月20日。