设备基础检查验收记录
- 格式:doc
- 大小:55.50 KB
- 文档页数:2
各种设备设施验收检查记录设备设施是生产、学习和生活中不可或缺的基础设施,为了保证设备的正常运行和使用安全,每一个设备设施的验收都是非常重要的。
下面是设备设施验收检查记录。
1、设备设施验收前准备a、认真阅读和熟悉所验收设备的操作说明书和技术规范。
b、了解设备的基本构造、工作原理和使用要求。
c、检查验收设备的完好性和功能状态,以确保设备的正常工作。
2、设备设施验收检查记录设备名称:_______________________________________________________ 验收日期:_______________________________________________________ 验收人员:_______________________________________________________ 设备厂家:_______________________________________________________1、外观检查:a、设备表面是否平整,表面涂层厚度是否合适,表面漆色是否均匀。
b、设备内部是否清洁,是否有异味。
2、机械部分:a、检查传动部件、链条、齿轮、皮带、轴承、齿轮箱、电机和减速机等机械部分是否完好,是否润滑。
b、检查机械部分标识是否完整清晰。
3、电气部分:a、检查电气控制设备和电气元器件的连线是否紧固可靠,是否有锈蚀、变形或断裂现象。
b、检查电气控制设备、电气元器件和电气系统的电气绝缘性是否符合国家标准及要求,是否有漏电现象。
4、安全保护装置:a、检查设备的安全门、警报、急停、限位、光电等保护装置是否完好、灵敏可靠。
b、检查保护装置是否符合国家标准。
5、功能检查:a、按照使用说明书所述方法,测试设备及各个部件的功能是否正常。
b、测试设备的工作性能和精度是否符合设计要求和生产要求。
6、使用及保养:a、评估设备的使用条件和所在环境的适应情况,评估设备的使用寿命是否符合设计要求。
基础及设备支架工程质量验收记录一、工程概况项目名称:工程地点:工程内容:建设单位:工程监理单位:施工单位:验收单位:验收时间:二、基础工程验收记录1.工程质量验收项目(1)基坑开挖(2)土方加固(3)基础桩承载力测试(4)基础混凝土浇筑(5)基础尺寸及平整度(6)基础防水2.工程质量验收结果(1)基坑开挖符合设计要求,无塌方、无变形;(2)土方加固采取了适当的措施,符合规范要求;(3)基础桩承载力测试结果良好,符合设计要求;(4)基础混凝土浇筑工艺正确,无空鼓、无裂缝;(5)基础尺寸及平整度符合设计要求;(6)基础防水工程施工质量良好,无渗漏现象。
三、设备支架工程验收记录1.工程质量验收项目(1)支架材料验收(2)支架安装验收(3)支架尺寸及垂直度(4)支架稳固性验收2.工程质量验收结果(1)支架材料符合规范要求,无损坏、无锈蚀;(2)支架安装按图纸要求进行,连接紧固、牢固可靠;(3)支架尺寸符合设计要求,垂直度误差在规定范围内;(4)支架稳固性良好,无晃动、无位移现象。
四、质量问题及处理措施记录1.存在的问题:(1)基础施工现场安全措施不到位;(2)支架材料存在小部分损坏;(3)支架安装过程中部分连接紧固度不够。
2.处理措施:(1)加强基础施工现场安全管理,确保施工人员安全;(2)更换损坏的支架材料;(3)加强对支架连接的检查和紧固工作,确保连接牢固可靠。
五、验收结论该基础及设备支架工程经过验收,基础工程和设备支架工程质量符合设计要求和规范要求,可以进行下一步工程施工。
对于存在的质量问题,处理措施已采取,符合工程验收要求。
六、相关人员签字确认建设单位:工程监理单位:施工单位:验收单位:。
设备基础验收记录下载温馨提示:该文档是我店铺精心编制而成,希望大家下载以后,能够帮助大家解决实际的问题。
文档下载后可定制随意修改,请根据实际需要进行相应的调整和使用,谢谢!并且,本店铺为大家提供各种各样类型的实用资料,如教育随笔、日记赏析、句子摘抄、古诗大全、经典美文、话题作文、工作总结、词语解析、文案摘录、其他资料等等,如想了解不同资料格式和写法,敬请关注!Download tips: This document is carefully compiled by the editor. I hope that after you download them, they can help yousolve practical problems. The document can be customized and modified after downloading, please adjust and use it according to actual needs, thank you!In addition, our shop provides you with various types of practical materials, such as educational essays, diary appreciation, sentence excerpts, ancient poems, classic articles, topic composition, work summary, word parsing, copy excerpts,other materials and so on, want to know different data formats and writing methods, please pay attention!现代社会中,各类设备的应用已经渗透到生活的方方面面,设备的安全性和性能成为人们关注的重点。
混凝土设备基础外观及尺寸偏差检验批质量验收记录验收项目:混凝土设备基础外观及尺寸偏差检验批质量验收工程名称:XXX项目工程地点:XXX建设单位:XXX总包单位:XXX监理单位:XXX施工单位:XXX检验批划分:检验批号:XXX一、检验依据二、检验设备1.测量工具:钢尺、卷尺、平行尺、衡器等;2.图纸资料:混凝土设备基础施工图纸、验收图纸等。
三、检验内容及方法1.外观检验:(1)检查基础表面光洁度要求,观察是否有破损、开裂等缺陷;(2)检查基础表面是否保持干燥,无明显水迹;(3)检查基础表面是否有沉降、变形等现象。
2.尺寸偏差检验:(1)根据图纸要求,测量基础的长度、宽度、高度等尺寸;(2)测量检验基准点位置的水平度、垂直度等;(3)测量基础顶面水平度、平整度等。
四、检验结果记录检验批号:XXX工程名称:XXX日期:XXXX年XX月XX日外观检验结果:基础表面光洁度良好,无破损、开裂等缺陷;基础表面干燥,无明显水迹;基础表面无沉降、变形等现象。
尺寸偏差检验结果:基础长度:XXXmm (设计要求:XXXmm,允许偏差:±XXmm)基础宽度:XXXmm (设计要求:XXXmm,允许偏差:±XXmm)基础高度:XXXmm (设计要求:XXXmm,允许偏差:±XXmm)基准点水平度:XXXmm (设计要求:XXXmm基准点垂直度:XXXmm (设计要求:XXXmm,允许偏差:±XXmm)基础顶面水平度:XXXmm (设计要求:XXXmm,允许偏差:±XXmm)基础顶面平整度:XXXmm (设计要求:XXXmm,允许偏差:±XXmm)五、结论根据对混凝土设备基础外观及尺寸偏差检验的结果,结论如下:外观检验合格;尺寸偏差检验合格。
六、不合格处理措施如发现外观检验和尺寸偏差检验不合格情况,应及时通知施工单位进行整改,整改后重新进行检验。
七、检验员及监理签字检验员:XXX监理签字:XXX日期:XXXX年XX月XX日以上为混凝土设备基础外观及尺寸偏差检验批质量验收记录,共计1200字。
现浇设备基础外观及尺寸偏差检验批质量验收记录一、项目背景本次验收记录应用于现浇设备基础外观及尺寸偏差检验的质量验收过程。
该验收主要是为了评估已完成的基础外观和尺寸是否符合相关标准,并确保其质量能够满足工程要求。
二、质量验收人员1.验收人员1姓名:2.验收人员2姓名:三、质量验收内容1.基础外观验收验收依据:相关工程建设标准和规范文件验收内容:基础表面是否平整、无明显裂缝和缺陷;基础表面是否清洁,无尘土、水泥渣等杂质。
2.尺寸偏差验收验收依据:相关工程建设标准和规范文件验收内容:基础的水平和垂直偏差是否在允许范围内;基础的长度、宽度、高度是否符合设计要求。
四、质量验收过程1.确认验收依据:验收人员核对并确认相关工程建设标准和规范文件。
2.验收前准备:验收人员进行验收工具和设备的准备,如测量工具、镜子等。
3.验收过程:a.基础外观验收:i.验证基础表面是否平整:验收人员使用直尺和水平仪进行测量和观察,记录测量结果。
ii. 检查基础表面是否有明显裂缝和缺陷:验收人员使用放大镜和手持灯进行仔细观察,记录发现的问题。
iii. 检查基础表面是否清洁:验收人员使用肉眼观察,并触摸基础表面确认无尘土和杂质,记录验收结果。
b.尺寸偏差验收:i.验证基础的水平和垂直偏差:验收人员使用水平仪和垂直仪进行测量,将测量结果记录下来。
ii. 检查基础的长度、宽度、高度是否符合设计要求:验收人员使用测量工具进行测量,并与设计要求进行比较,记录测量结果。
五、质量验收结论1.基础外观验收结论:2.尺寸偏差验收结论:六、质量验收记录保存1.质量验收记录由验收人员保存,保存期限为整个工程周期。
2.质量验收记录应妥善保管,并在需要时提供给相关部门和项目参与方。
七、质量验收存在的问题与建议1.验收过程中发现的问题及处理意见:2.针对本次质量验收过程的建议:。
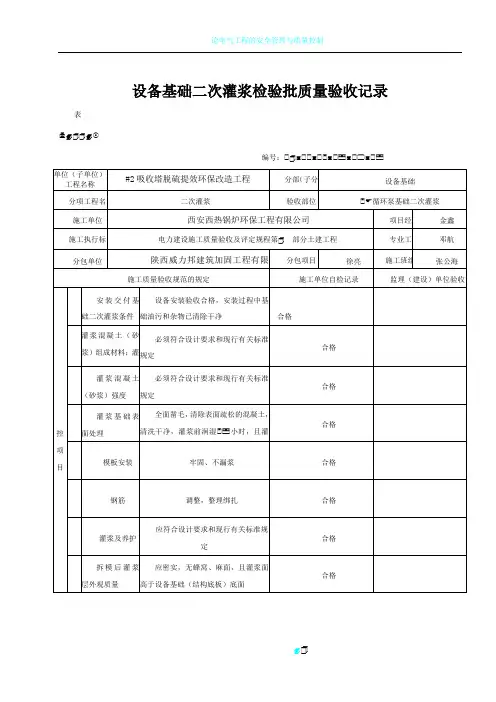
编号:020001030304001 表6.3.7单位(子单位) 工程名称环网柜单位工程分部(子分部)工程名称地基与基础工程分项工程名称地基处理验收部位环网柜地基与基础柜壁及顶板施工单位青海鸿祥建设工程有限公司项目经理刘延斌施工执行标准名称及编号《变电(换流)站土建工程施工质量验收规范》(Q/GDW 1183—2012)专业工长(施工员)史有孝分包单位/ 分包项目经理/类别序号检查项目质量标准单位施工单位自检记录监理(建设)单位验收记录主控项目1 外观质量☆不应有严重缺陷;对已经出现的严重缺陷,应由施工单位提出技术处理方案,并经监理(建设)、设计单位认可后进行处理,对经处理的部位,应重新检查验收2 尺寸偏差☆不应有影响结构性能和设备安装的尺寸偏差;对超过尺寸允许偏差且影响结构性能和安装、使用功能的部位,应由施工单位提出技术处理方案,并经监理(建设)、设计单位认可后进行处理。
对经处理的部位,应重新检查验收3 接地装置接地装置应符合设计要求及现行有关标准规定一般项目1 外观质量不宜有一般缺陷。
对已经出现的一般缺陷,应由施工单位按技术处理方案进行处理,并重新检查验收2 轴线位移≤10 mm3支承面及杯口底标高偏差0~-10 mm / ////////// 4平面外形尺寸偏差±15 mm5 上表面平整度≤5 mm6预埋件中心位移≤5 mm7与混凝土面的平整度≤2 mm编号:020001030304001 表6.3.7(续类别序号检查项目质量标准单位施工单位自检记录监理(建设)单位验收记录一般项目8预埋螺栓中心位移≤2 mm / //////////9 标高偏差+10~0 mm / //////////10预留孔(洞)中心位移≤5 mm11截面尺寸偏差+10~0 mm施工单位检查结果班组长:项目专业质量检查员:项目专业技术负责人:年月日监理(建设)单位验收结论专业监理工程师:(建设单位项目专业技术负责人) 年月日编号:020001030304002 表6.3.7单位(子单位) 工程名称环网柜单位工程分部(子分部)工程名称地基与基础工程分项工程名称地基处理验收部位环网柜地基与基础柜壁及顶板施工单位青海鸿祥建设工程有限公司项目经理刘延斌施工执行标准名称及编号《变电(换流)站土建工程施工质量验收规范》(Q/GDW 1183—2012)专业工长(施工员)史有孝分包单位/ 分包项目经理/类别序号检查项目质量标准单位施工单位自检记录监理(建设)单位验收记录主控项目1 外观质量☆不应有严重缺陷;对已经出现的严重缺陷,应由施工单位提出技术处理方案,并经监理(建设)、设计单位认可后进行处理,对经处理的部位,应重新检查验收2 尺寸偏差☆不应有影响结构性能和设备安装的尺寸偏差;对超过尺寸允许偏差且影响结构性能和安装、使用功能的部位,应由施工单位提出技术处理方案,并经监理(建设)、设计单位认可后进行处理。
设备基础交接验收记录一、背景和目的我公司近期引进了大量新设备,为了确保设备正常使用并避免发生操作错误导致的意外事故或财产损失,特组织设备基础交接验收活动。
此次验收的目的在于确保设备完好无损,并对接收设备的操作人员进行培训,确保其能够正确操作设备、了解设备安全操作规程。
二、参与人员验收组人员:设备管理员、质量安全经理、设备操作人员、技术支持人员等。
三、验收步骤及内容1.确认设备清单设备管理员提供设备清单,包括设备名称、型号、数量、使用说明等信息。
质量安全经理核对清单是否与实际到货符合,并督促设备管理员对照清单进行核对。
2.设备外观检查验收组对每一台设备进行外观检查,确认设备是否完好,并记录设备外观检查结果。
如有设备损伤或缺失,设备管理员应及时向供应商提出索赔要求或妥善处理。
3.设备功能测试4.操作培训供应商或技术支持人员为操作人员提供设备的详细操作培训,包括设备的基本使用方法、安全操作规程、常见故障处理等。
操作人员应认真学习并提出问题。
供应商或技术支持人员应解答操作人员的问题,确保操作人员能够熟练操作设备。
5.书面资料及技术支持验收组要求供应商提供设备的相关书面资料,包括设备说明书、维修手册等。
同时,要求供应商提供必要的技术支持,确保设备正常使用及遇到问题时能够及时解决。
四、验收结论设备管理员、质量安全经理、设备操作人员共同讨论,并达成以下验收结论:1.所有设备均符合设备清单要求,无损坏或缺失情况。
2.设备功能正常,通过了功能测试。
3.操作人员已经接受了详细的设备操作培训,并掌握了设备的基本使用方法和安全操作规程。
4.供应商提供了必要的书面资料和技术支持。
五、改进措施经讨论,提出以下改进措施:1.设备管理员要加强进货验收工作,确保设备的完好无损。
2.建立设备维护保养制度,定期对设备进行维护保养,延长设备使用寿命。
3.提高操作人员的安全意识,定期进行设备操作培训和技能提升。
六、结论通过设备基础交接验收活动,确保了引进设备的质量和完好度,提高了设备操作人员的操作能力和安全意识,为设备的正常使用和延长使用寿命提供了保障。
混凝土设备基础工程检验批质量验收记录一、项目概况本文档是对混凝土设备基础工程进行检验批质量验收的记录。
混凝土设备基础工程是建筑施工的重要环节之一,保证其质量对保障整个建筑物的安全和稳定起着至关重要的作用。
二、验收内容1. 混凝土设备基础工程施工前的准备工作:包括工程图纸审核、工程技术条件的了解、施工方案的编制等。
2. 施工材料验收:对混凝土、钢筋、砂石等材料进行验收,确保其质量符合设计要求。
3. 基坑开挖与处理:基坑的开挖和对土方的处理必须符合相关规范和技术要求。
4. 基础基底处理与回填:对基础基底进行处理和回填,确保其平整、结实。
5. 混凝土浇筑与养护:对混凝土的浇筑、振捣、养护等工序进行检验,确保混凝土质量达到相应标准。
6. 地下水位控制:对地下水位进行控制,确保基础工程施工期间不受地下水的影响。
7. 基础工程验收:对混凝土设备基础工程进行全面验收,检查其质量是否符合相关规范和要求。
三、验收记录1. 检验批编号:2022-0012. 工程名称:混凝土设备基础工程3. 工程地点:xxx地区4. 施工单位:xxx建筑有限公司5. 监理单位:xxx监理有限公司6. 验收日期:2022年xx月xx日详细验收记录如下:1. 施工前准备工作验收记录:a) 工程图纸审核:经核对,工程图纸符合设计要求,未发现错误和疏漏。
b) 工程技术条件了解:施工单位了解工程技术条件,掌握相关施工要求。
c) 施工方案编制:施工方案按照规范编制,合理可行。
2. 施工材料验收记录:a) 混凝土:批号xxx,强度等级xxx,按照工程要求送检,符合设计要求。
b) 钢筋:规格xxx,材质符合要求,外观无明显损伤。
c) 砂石:规格xxx,无杂质,符合施工要求。
3. 基坑开挖与处理验收记录:a) 基坑开挖:开挖深度和宽度符合设计要求,无明显变形和裂缝。
b) 土方处理:按照设计要求对土方进行处理,确保基坑的稳定性。
4. 基础基底处理与回填验收记录:a) 基础基底处理:对基础基底进行了施工处理,达到规范要求。