SUS304不锈钢焊接实用实用工艺
- 格式:doc
- 大小:12.50 KB
- 文档页数:1
304不锈钢及其焊接简介一、概述304不锈钢 (0Cr18Ni9,AISI304,SUS304)是在最初发明的18-8型铬镍奥氏体不锈钢的基础上发展演变的钢种,是不锈钢的主体钢种,其产量占不锈钢总产量的30%以上。
它具有良好的冷、热加工性能、无磁性和好的低温性能;耐高温方面也比较好,一般使用温度极限小于650℃。
304型不锈钢具有优良的不锈耐腐蚀性能和较好的抗晶间腐蚀性能。
对氧化性酸,在实验中得出:浓度≤65%的沸腾温度以下的硝酸中,304不锈钢具有很强的抗腐蚀性。
对碱溶液及大部分有机酸和无机酸亦具有良好的耐腐蚀能力,以及大气、水、蒸汽中耐蚀性亦佳。
304不锈钢的良好性能,使其成为应用量最大、使用范围最广的不锈钢牌号,此钢适于制造深冲成型的部件以及输送腐蚀介质管道、容器,结构件等;亦可用于制造无磁、低温设备和部件。
但在易产生应力腐蚀环境和产生点蚀和缝隙腐蚀的条件下,在选用时应慎重。
二、用途家庭用品(1、2类餐具、橱柜、室内管线、热水器、锅炉、浴缸),汽车配件(风挡雨刷、消声器、模制品),医疗器具,建材,化学,食品工业,农业,船舶部件,核能、电力工业等。
三、化学成份及性能GB20878-2007,304、304L不锈钢化学成分带*号为耐热钢或可作耐热钢使用304不锈钢力学性能牌号固溶处理拉伸试验硬度试验屈服强度(MPa)抗拉强度/(MPa)伸长率(%)HBW HRB HV0Cr18Ni9 (304) 1010-1150℃快冷≥205≥520≥40≤187HB≤90≤20000Cr19Ni10 (304L) 1010-1150℃快冷≥177≥480≥40≤187HB≤90≤200四、焊接性能总体讲,该类不锈钢具有较好的可焊性。
但如焊接工艺及所处环境介质条件不当,易产生晶间腐蚀,焊件对焊接热裂纹敏感性较高,易析出脆性σ相;结构件易产生焊接变形。
在工艺适当的条件下,其焊接件有较好的综合性能,在碱液、大部分无机酸和有机酸及大气、水、蒸汽中均有好的耐蚀性,故获得了广范应用。
304不锈钢管焊接技术总结304不锈钢管是一种具有优良耐腐蚀性能的材料,广泛应用于化工、石油、食品加工等领域。
在不锈钢管的生产过程中,焊接是不可或缺的一环。
本文将对304不锈钢管焊接技术进行总结,包括常见的焊接方法、焊接工艺、注意事项等方面。
一、焊接方法1.手工电弧焊手工电弧焊是一种常用的焊接方法,适用于小批量生产和修补焊接。
焊工需要掌握良好的焊接技能和经验,通过手动操作电弧焊接机进行焊接。
2.氩弧焊氩弧焊是一种使用非消耗性钨极和惰性气体保护的焊接方法。
合适的焊接电流和氩气流量是保证焊接质量的关键。
氩弧焊具有焊缝质量好、无气孔、无飞溅等优点,适用于高质量的焊接要求。
3.脉冲氩弧焊脉冲氩弧焊是一种改良的氩弧焊方法,采用脉冲方式进行焊接,可以实现焊接过程中的气体流量间歇和电流控制。
脉冲氩弧焊适用于薄壁管和对焊缝质量要求高的场合。
二、焊接工艺1.准备工作在焊接之前,要对不锈钢管进行充分的清洁和表面处理,去除表面的油污、氧化层等。
同时,对焊接设备也要进行检查和维护,确保其正常运行。
2.焊接参数的确定焊接参数的选择需要综合考虑各种因素,如材料的厚度、管径、焊缝形式、焊接位置等。
常见的焊接参数包括焊接电流、焊接电压、氩气流量等。
3.焊接技术焊接时要控制好焊接速度和电弧长度,保持稳定的焊接过程。
焊缝的形状和尺寸需要符合相关标准和规范要求。
4.管口咬口的处理不锈钢管的咬口是指焊缝两侧的高温区域,容易产生氧化和变色。
焊后应及时进行管口的处理,去除氧化皮和变色,保持管口的整洁。
三、注意事项1.选择适用的焊接材料和填充金属,保证焊接接头的力学性能和耐腐蚀性能。
2.控制好焊接热量,避免过热或过冷造成焊缝质量不良。
3.在焊接过程中要注意保护氛围,防止焊缝氧化,可采用保护罩、保护气体等方式。
4.检查和评估焊接质量,包括焊缝的外观质量、耐腐蚀性能等指标。
总结起来,304不锈钢管的焊接技术包括手工电弧焊、氩弧焊和脉冲氩弧焊等方法。
304不锈钢管焊接技术总结1、工艺流程施工准备→材料进场、检验→下料→放线、支吊架制作安装→焊接→焊缝抛光及酸洗钝化处理→焊缝检查→管道灌水试压、冲洗2、操作要点2.1 施工准备(1)编制施工方案和施工进度计划,建立质量工作标准。
(2)操作人员以管工、氩弧焊工为主,其它工种配合,并且氩弧焊工应具有相关部门颁发的合格证。
(3)施工用料按材料计划备齐,送到现场,并保证按计划供应。
(4)对现场操作人员进行书面技术交底、现场技术、安全交底。
2.2 焊接材料准备(1) 管材与管件的选用,应根据使用环境介质因素、化学成分及其使用压力,而选用相应等级的产品,以确保焊缝金属组织和机械性能。
(2)氩气应符合国家标准《氩气》GB4842的规定,应选用纯度为99.96%的氩气,若杂质含量过多,会削弱氩气的保护效果,直接影响焊缝质量。
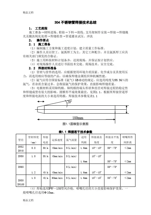
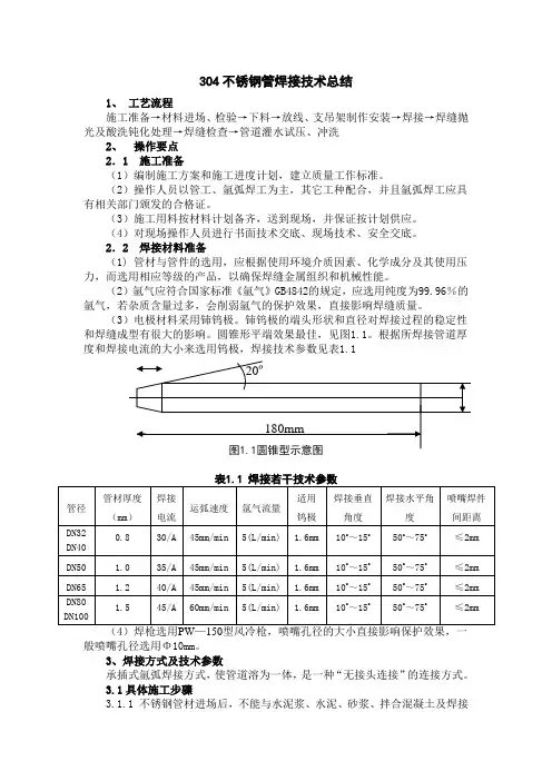
(3)电极材料采用铈钨极。
铈钨极的端头形状和直径对焊接过程的稳定性和焊缝成型有很大的影响。
圆锥形平端效果最佳,见图1.1。
根据所焊接管道厚度和焊接电流的大小来选用钨极,焊接技术参数见表1.1般喷嘴孔径选用Φ10mm。
3、焊接方式及技术参数承插式氩弧焊接方式,使管道溶为一体,是一种“无接头连接”的连接方式。
3.1具体施工步骤3.1.1 不锈钢管材进场后,不能与水泥浆、水泥、砂浆、拌合混凝土及焊接钢管等其他材料直接接触。
根据现场及图纸进行下料,管道的切割及断面的处理:管道在切割前确认没有损伤及变形,使用管道切割器(不锈钢专用切割设备)垂直与管道的轴心线切割,若切口倾斜,会导致插入量不正确。
切除后清除管端的毛刺、切屑及异物。
3.1.2 将已下料好的不锈钢管插入管件承口,示意图见1.2,承插式管件承口尺寸见表1.2不锈钢氩弧焊承插式管件承口示意图1.2在承口端部以外各刷一道宽40~50mm的白垩粉,待干燥后开始施焊。
先以四周点焊,3~5点为宜。
3.1.4 焊接操作时以腰部为中心,上体半径为动力,转动上体由右向左旋转。
304不锈钢管焊接技术总结1、工艺流程施工准备→材料进场、检验→下料→放线、支吊架制作安装→焊接→焊缝抛光及酸洗钝化处理→焊缝检查→管道灌水试压、冲洗2、操作要点2.1 施工准备(1)编制施工方案和施工进度计划,建立质量工作标准。
(2)操作人员以管工、氩弧焊工为主,其它工种配合,并且氩弧焊工应具有相关部门颁发的合格证。
(3)施工用料按材料计划备齐,送到现场,并保证按计划供应。
(4)对现场操作人员进行书面技术交底、现场技术、安全交底。
2.2 焊接材料准备(1) 管材与管件的选用,应根据使用环境介质因素、化学成分及其使用压力,而选用相应等级的产品,以确保焊缝金属组织和机械性能。
(2)氩气应符合国家标准《氩气》GB4842的规定,应选用纯度为99.96%的氩气,若杂质含量过多,会削弱氩气的保护效果,直接影响焊缝质量。
(3)电极材料采用铈钨极。
铈钨极的端头形状和直径对焊接过程的稳定性和焊缝成型有很大的影响。
圆锥形平端效果最佳,见图1.1。
根据所焊接管道厚度和焊接电流的大小来选用钨极,焊接技术参数见表1.120º180mm图1.1圆锥型示意图表1.1 焊接若干技术参数管径管材厚度(mm)焊接电流运弧速度氩气流量适用钨极焊接垂直角度焊接水平角度喷嘴焊件间距离DN32DN400.830/A45mm/min5(L/min) 1.6mm10o~15o50o~75o≤2mmDN50 1.035/A45mm/min5(L/min)1.6mm 10o~15o50o~75o≤2mmDN651.2 40/A 45mm/min 5(L/min)1.6mm 10o~15o50o~75o≤2mmDN80DN1001.545/A60mm/min5(L/min) 1.6mm10o~15o50o~75o≤2mm(4)焊枪选用PW—150型风冷枪,喷嘴孔径的大小直接影响保护效果,一般喷嘴孔径选用Φ10mm。
3、焊接方式及技术参数承插式氩弧焊接方式,使管道溶为一体,是一种“无接头连接”的连接方式。
304管焊接工艺一、引言304不锈钢是一种常用的不锈钢材料,具有良好的耐腐蚀性、机械性能和加工性能,广泛应用于化工、食品、制药等领域。
在实际应用中,由于管道的连接需求,需要进行管焊接工艺。
本文将对304管焊接工艺进行全面详细、完整且深入的介绍。
二、304不锈钢管焊接方法304不锈钢管焊接主要有手工电弧焊、氩弧焊、等离子焊和激光焊等方法。
下面将对这几种方法进行详细介绍。
1. 手工电弧焊手工电弧焊是一种常见的焊接方法,适用于小型和简单的焊接工作。
它的原理是利用电弧加热和熔化焊条和工件,形成焊缝。
手工电弧焊的优点是设备简单、成本低,缺点是焊接质量相对较低,焊接速度较慢。
2. 氩弧焊氩弧焊是一种常用的焊接方法,适用于对焊接质量要求较高的场合。
氩弧焊使用惰性气体(如氩气)保护电弧和熔化焊条,避免氧气和其他杂质的侵入。
氩弧焊的优点是焊接质量高、焊缝美观,缺点是设备复杂、成本较高。
3. 等离子焊等离子焊是一种高能量密度焊接方法,适用于焊接较厚的不锈钢管。
等离子焊使用高频交流电产生等离子体,将焊条和工件加热至熔化状态。
等离子焊的优点是焊接速度快、焊缝质量高,缺点是设备复杂、成本高。
4. 激光焊激光焊是一种高精度、高效率的焊接方法,适用于对焊接质量和外观要求较高的场合。
激光焊使用激光束将焊条和工件加热至熔化状态,形成焊缝。
激光焊的优点是焊接速度快、焊缝质量高,缺点是设备复杂、成本极高。
三、304不锈钢管焊接工艺304不锈钢管焊接工艺包括焊接前的准备工作、焊接参数的选择和焊接过程的控制。
下面将对这些内容进行详细介绍。
1. 焊接前的准备工作焊接前的准备工作非常重要,可以保证焊接质量和工作安全。
准备工作包括清洁管道表面、刷除氧化皮、去除污染物等。
同时,还需要检查管道的尺寸和形状是否满足要求,确保焊接过程中的准确性和稳定性。
2. 焊接参数的选择焊接参数的选择对焊接质量起着决定性的作用。
焊接参数包括焊接电流、焊接电压、焊接速度等。
SUS304不锈钢管管道的焊接李其生【摘要】通过对薄壁钢管直径?89 mm×5 mm(3寸)的不锈钢钢管垂直固定单面焊接双面成形管道焊接技术和焊接材料的论述,解决了焊接制造技术过程中产生的难点,使技术改造顺利进行,提高了生产产量,满足了市场需要,也为润滑油和化工行业提供了一般焊接工艺的典型的范例.【期刊名称】《机电工程技术》【年(卷),期】2016(045)008【总页数】4页(P171-174)【关键词】不锈钢;薄壁钢管;焊接;单面焊接双面成形【作者】李其生【作者单位】广州市博润化工有限公司,广东广州 510700【正文语种】中文【中图分类】TG44广州市博润化工有限公司的子公司广州科卢斯流体科技有限公司为了适应市场需求,扩大润滑油和金属加工切削液的批量生产,要进行技术改造,需要增加几台型号为TH3000-3000的调合搅拌釜。
该机是化工行业设备,要求耐腐蚀性,生产过程中的原材料含有酸碱成分,有的产品是各种金属加工切削液,是含有腐蚀性的介质,对管路焊缝有一定的影响。
产品形成后,需要管路输送包装,从而提高生产效率。
本机有诸多管路系统。
在生产过程中,不能有任何渗漏现象,否则不能确保安全生产。
焊接质量是设备的关键指标之一。
管道是设备的主要零部件,必须采用焊接工艺来完成。
而管道上端是调合搅拌釜,采用SUS304不锈钢罐体与不锈钢无缝钢管焊接,而且是垂直装配焊接,在搅拌釜底部离地面只有500~700 mm左右的位置,操作焊接位置困难,可达性差,薄壁钢管,焊接难度高,通过对管状分析,合理选用材料,改进工艺,采用单面焊接双面成形操作技术[1],解决了焊接过程的气孔和裂纹的出现问题,使管的内部和外部质量[2]都达到了质量要求。
(1)试焊焊接工艺①相接端管材开单边坡口30°~35°。
②将坡口两侧20 mm范围内的油污、铁锈、氧化物等清理干净,使其露出金属光泽。
③两件管材,在简单工装上垂直于水平面安放,可旋转,采用环焊。
SUS304与Q345R异种钢焊接工艺作者:王永武来源:《管理观察》2009年第35期摘要:通过SUS304与Q345R钢的焊接性分析,结合生产实际,利用舍夫勒组织图,选择出了A307型焊条作为异种钢对接接头的焊接材料,制定了合理的焊接工艺,并能过工艺评定提出了操作要点,在生产获得了理想的焊接接头,保证了焊接质量。
关键词:SUS304不锈钢Q345R低合金钢焊接性焊接工艺我市某化工设备制造公司欲为客户制造8台压力容器发酵罐,委托我们做焊接工艺方案,发酵罐的技术参数如下:材质Q345R,SUS304。
厚度δ=12㎜,直径2600㎜,设计压力:0.25MPa,设计温度:130℃。
工作介质:蒸汽、药液。
以前该公司曾制造过此类容器,封头和筒体材质都是Q235-B,使用四、五年后,发酵罐筒体部分完好,但罐的下封头受药液、蒸汽的腐蚀严重。
制造中的关键问题是:对SUS304钢和Q345R钢两种的焊接性进行正确分析,避免焊接缺陷,提出可能存在的焊接问题和工艺要点,经工艺评定合格后方可焊接。
1.焊接分析Q345R属于低合金高强钢,由于含有强化钢材C、Mn等元素,在焊接时易淬硬,这些硬化组织很敏感。
因此,在钢度较大或拘束应力高的情况下,若焊接工艺不当很容易产生冷裂纹,而且这类裂纹有一定的延迟性,危害性较大。
另外,焊接热输入对Q345R的焊缝(WM)和热影响区(HAZ)性能有重要影响,热量过小,HAZ 会出现马氏体引起裂纹,热输入量过高,WM和HAZ的晶粒粗大,会造成接头脆化,所以焊接时,应将热输入限制在一定范围。
SUS304是焊接性较好的奥氏体不锈钢。
因此,SUS304与Q345R焊接,主要问题是焊缝易产生冷裂纹及母材对焊缝的稀释,接头脆化。
2.焊接工艺及试验方法2.1焊接方法:选择焊接方法的原则主要是控制焊缝的熔合比,尽量减小热输入,保证焊缝组织性能,虽然发酵罐材料的厚度是12㎜,理论上采取埋弧自动焊较为经济快捷,但是,埋弧焊无法准确控制焊缝的熔合比,所以我们决定采用焊条电弧焊即可解决问题,该焊接方法灵活方便,容易控制较小的熔合比。
0Cr18Ni9不锈钢埋弧焊焊接方案毛辉1 前言SUS304的化学成分相当于与国产0Cr18Ni9,该钢种属于非稳定化奥氏体不锈钢。
其焊接工艺性好,所有的熔焊方法基本都可以实现一定力学性能的接头连接。
考虑到实际焊接中的焊接效率及焊接成本,本单位试采用埋弧焊代替现有的手工焊条焊。
0Cr18Ni9奥氏体不锈钢焊接性的主要问题在于:①焊缝区或者近焊缝区由于0Cr18Ni9含有一定量的S,P,Si等合金元素,这些元素容易形成低熔点共晶物;同时0Cr18Ni9的热导率小,热膨胀系数大,在焊缝冷却过程中焊接拉应力及拉应变较大,故容易形成热裂纹。
②焊接接头脆化。
在钢中当ω(Cr)>16%都会有σ相。
σ相是铬的共晶物,这种共晶物沿着奥氏体晶界析出,大大降低了焊接接头的韧性。
同时热导率小,焊接接头高温停留时间长,导致晶粒长大严重,接头韧性下降。
同时焊缝中铁素体的含量对焊接接头韧性也有影响。
③焊接接头腐蚀性能下降。
由于σ相的析出导致贫铬区的出现,降低了母材的抗腐蚀能力。
④采用埋弧焊焊接工艺时,焊接参数范围较小,对于工件的组对铆焊,圆度要求较高。
2 0Cr18Ni9不锈钢埋弧焊焊接材料在兼顾母材的力学性能和化学成分两方面因素选择H0Cr21Ni10焊丝。
这主要有以下两方面原因:①H0Cr21Ni10焊丝的力学性能与母材相近属于等强匹配。
②从化学成分上来看,铬含量高于母材的,这就给接头因贫铬带来的腐蚀缺陷带来弥补;同时0Cr21Ni10焊丝具有一定的铁素体化能力。
一定量的铁素体可以溶解σ相,限制奥氏体的长大,改善接头脆化。
参阅借鉴国内目前0Cr18Ni9不锈钢埋弧焊焊接的成功经验,选择J601焊剂。
该种焊剂属于烧结碱性焊剂,氧化性弱,通过焊剂中合金元素的添加可以有效地防止氧化,改善接头性能。
3 焊接工艺参数由0Cr18Ni9奥氏体不锈钢焊接性决定了,该钢种在采用埋弧焊时在保证焊接成型的前提下,尽可能采用较高的焊接速度,小的焊接热输入。
304不锈钢薄板外观件激光焊接工艺研究摘要:304锈钢具有良好的耐腐蚀性、耐热性、低温强度和机械特性以及无热处理硬化现象,广泛使用于工业和家具装饰行业和食品行业的外观件材料。
一般外观件焊接时,对焊缝表面形貌有着较高要求。
焊缝除了满足焊透这个功能性要求外,对收弧和起弧与整体焊缝外观一致性、光滑度和表面色泽都有较高要求。
关键词:304不锈钢薄板;外观件激光;焊接工艺前言:一般外观件焊接时,对焊缝表面形貌有着较高要求:焊缝除了满足焊透这个功能性要求外,对收弧和起弧与整体焊缝外观一致性、光滑度和表面色泽都有较高要求。
针对304不锈钢的激光焊接,国内外学者开展了很多工艺研究,分析了焊接参数对焊缝成形的影响,研究结果表明,焊接速度对焊缝成形有很大影响。
一、试验设备、材料及方法试验采用光纤激光器,激光焊接头型号为YW52,激光波长1070 nm,最大输出功率4 kW。
试板选用冷轧成形厚度为1.8 mm 的SUS304。
接头形式为搭接接头,焊接方式为连续激光焊,焊接过程中采用纯氩气正面保护,气体流量为18 L/min,由于不锈钢表面光洁度较高,易出现激光反射现象,因此将工件沿焊缝横截面方向倾斜5°角,以减少激光反射。
通过单因素变化方式研究激光功率、焊接速度、离焦量以及叠层间隙g 对焊缝成形和接头拉剪强度的影响。
焊接完成后,使用金相显微镜进行焊缝宏观分析及金相显微组织分析,使用万能拉伸试验机进行拉伸剪切试验。
二、试验结果及分析1.焊接参数选择。
激光焊接的焊接参数与传统焊接方法略有不同,包括激光功率、焊接速度、离焦量、保护气体种类和气流量。
激光功率和焊接速度是激光焊接中的主要参数,对焊缝质量有重要影响,是本试验调节的重点参数。
对于调制脉冲激光焊,激光的平均功率、峰值功率和占空比是其中的关键参数。
离焦量是指焦点与焊接表面的距离差,它对于焊接熔深影响很大。
但由于本试验采用了厚度仅为0.5mm 的薄板,因而采用零离焦。
304不锈钢管焊接方法304不锈钢管是一种常见的不锈钢材料,广泛应用于建筑、化工、石油、制药、食品等行业。
在使用不锈钢管进行工程项目时,焊接是不可或缺的工艺。
本文将介绍304不锈钢管的焊接方法及注意事项。
一、焊接方法304不锈钢管的焊接方法主要包括手工电弧焊、氩弧焊和等离子焊。
以下将对这三种方法进行详细介绍。
1. 手工电弧焊手工电弧焊是一种常用的焊接方法,适用于各种规格的304不锈钢管。
焊接时,首先将不锈钢管的两端对齐,然后使用焊条进行焊接。
焊接时要注意电弧的稳定性,焊条的选择应与不锈钢管的材质相匹配。
此外,焊接过程中还要注意控制焊接速度和焊接温度,以避免产生焊接缺陷。
2. 氩弧焊氩弧焊是一种常用的气体保护焊接方法,适用于对焊接质量要求较高的304不锈钢管。
焊接时,首先在不锈钢管的焊接部位加上保护套筒,然后使用氩气进行保护,以防止氧气和水蒸气对焊缝产生不良影响。
焊接时要注意氩弧的稳定性和焊接电流的选择,同时还要保证焊接速度适中,以获得理想的焊接效果。
3. 等离子焊等离子焊是一种高能量焊接方法,适用于较厚的304不锈钢管。
焊接时,首先在不锈钢管的焊接部位加热,然后使用等离子弧进行焊接。
等离子焊具有高能量、高速度的特点,能够实现较深的焊接穿透,焊缝质量较高。
但是等离子焊设备成本较高,操作难度较大,需要专业人员进行操作。
二、焊接注意事项在进行304不锈钢管的焊接时,需要注意以下几点。
1. 清洁表面:在焊接前,应将不锈钢管的焊接部位清洁干净,以去除油污、灰尘等杂质,以免影响焊接质量。
2. 控制热输入:焊接时要注意控制热输入,避免过高的焊接温度和焊接速度,以防止产生焊接缺陷,如焊缝气孔、夹渣等。
3. 选择合适的焊接材料:焊接材料的选择应与不锈钢管的材质相匹配,确保焊接质量。
同时还要注意焊接材料的储存和保护,避免受潮和氧化。
4. 控制焊接变形:由于焊接会产生热变形,因此要注意控制焊接变形。
可以采取适当的焊接顺序和焊接方法,如交替焊接、局部预热等。
关于超级 304(不锈钢)焊接工艺研究摘要:超级不锈钢焊接的时候,由于焊接过程受到多种因素的影响,对不锈钢的使用造成很大影响。
在这种情况下,笔者分析了不锈钢焊接过程中存在的问题,同时针对当前的焊接工艺,分别进行简要分析,阐述不锈钢焊接在当前的发展现状。
立足时代发展的基础上,笔者还分析了304不锈钢焊接工艺未来的发展状况。
从当前实际情况来看,304不锈钢的焊接工艺有氩弧焊、等离子弧焊等。
关键词:超级不锈钢;焊接工艺;焊接质量;发展超级不锈钢有优良的品质,如耐腐蚀性、耐热性、生物相容性等,在生活生产的各个方面都有详细的运用。
不锈钢还运用在石油化工、船舶、核能、食品机械等各个行业内,除了耐腐蚀优点之外,还可以在低温状态下具备良好的韧性。
但是不锈钢在使用过程中出现导热系数小、线胀系数大等特征,导致在焊接的时候存在残余应力,在焊接接头位置有腐蚀和析出脆化等现象。
1.不锈钢焊接的研究现状国内针对304不锈钢焊接方面的问题进行了大量研究,但是我国属于发展中国家,工业发展和发达国家相比还有差距。
不锈钢焊接质量的研究和国外相比也属于落后状态,在不锈钢焊接结构中接头处出现腐蚀和析出脆化现象,不仅仅影响了不锈钢构件的安全使用,严重的情况下还会造成巨大损失。
究其本质与焊接质量有直接的关系。
焊接性是指同质材料或者是异质材料在工艺的运用下焊接成完整接头,满足某个结构件或者是工业领域的运用,达到预器的要求。
这个原理包含了两个方面,首先是材料的结合性能,材料在焊接的时候会形成焊接的敏感性;其次是使用性能,在一定条件下满足实用功能[1]。
不锈钢具有良好的使用功能,焊接的最终质量与多种杂质、元素含量有直接的关系。
2.不锈钢焊接的特质分析2.1腐蚀不锈钢存在的腐蚀主要包括两种,其一,晶间腐蚀,这种腐蚀是焊接接头在特定的腐蚀介质中,在有晶粒存在的边界发生的腐蚀现象。
一般情况下认为腐蚀机理是贫铬。
不锈钢接头的焊缝位置、热影响敏化区域两个位置很容易发生晶间腐蚀现象,出现晶间腐蚀现象的接头和晶粒之间已经失去了联系,在遭受应力的时候,接头完全失去强度,这种现象会造成不锈钢结构件突发性的破坏,给人们造成难以预料的灾难。
SUS 304L超低碳不锈钢焊接工艺及操作摘要:本文介绍了对石化中腐蚀性介质选用SUS304L超低碳不锈钢管道焊接工艺进行介绍,并指出焊接关键,控制点及注意事项。
1、引言:5万吨/年已酰氨工程是国内引进的大型项目,环已酮污化装置是整个工程的核心部分。
对超低碳不锈钢管焊接如何防止焊缝根部氧化,及表面缺陷的产生至关重要,为保证工程焊接质量需制定严格的焊接工艺及焊接注意事项。
2、焊接工艺评定:以DN80 SUS304L ¢88×5为例;按SHJ509-88石油工工程焊接工艺评定标准进行评定。
3.1施工准备3.1.1材料要求:1)SUS304L是由日本进口的含C〈0.035%超低碳不锈钢(相当于国内00CR18Ni10)管材存放应按规定摆置。
2)所用焊丝,焊条必须有质量证明或材质合格证。
3.1.2对氩气的要求所用氩气纯度必须保证≥99.9%以上。
3.1.3机具要求:1)焊接设备可选用逆变式焊机(手弧焊/TIG焊)2)焊工所用焊丝筒,焊条保温桶,不锈钢刨锤,不锈钢丝刷。
3)焊工观察根部成形的聚光小手电筒,错口检查议,接触式测温计。
3.1.4作业条件1)焊工必须持有项目材质合格证能满足施焊要求。
2)环境条件施焊前应确认环境符合下列条件1)在现场预制,现场安装2)(风雨雪)情况如何必须搭有挡风棚。
3.2 焊接3.2.1焊接施工程序如下3.2.2坡口要求焊前应采用砂轮机打磨坡口形式及尺寸见图1 3.2.2组对质量要求:组对时内壁错边量应≤0.5mm3.2.3组对前将坡口两侧20mm范围内油污赃物清理干净(用不锈钢刷)3.3.3焊接方法:1)所有焊口采用钨极氩弧焊封底,手工电弧焊盖面。
2)所有接管焊缝采用根部全焊透性焊接。
3.3.4点焊点焊方式为焊口非焊透点焊,定位焊点数为3点,起焊处为“1”处,见图23.3.5焊接工艺焊接工艺参数见表11、TIG焊时焊枪与工件角度75O-80O焊丝与工件角度20O-30O这样能减少工件受热,电弧吹力增大,焊口根部融合良好。
大连凯飞化学股份有限公司-年产7500吨醋酸异丁酯(IBAC)改建项目不锈钢管道焊接工艺304(06Cr18Ni9)编制王甲安审批战音军施工单位:大连吉泰建筑安装工程有限公司2014年08月10日不锈钢管道焊接工艺1 技术特征1.1材质规格:304(相当于06Cr18Ni9)1.2工作介质: 异丁醇、异丁酯、酸性废水、釜残1.3设计压力: 异丁醇(0.09Mpa、0.45 Mpa)、异丁酯(0.09Mpa、0.50 Mpa)、酸性废水(0.09Mpa)、釜残(0.09Mpa)1.4工作压力: 异丁醇(0.07Mpa、0.30Mpa)、异丁酯(0.07Mpa、0.40Mpa)、酸性废水(0.07Mpa)、釜残(0.07Mpa)1.5试验压力: 设计压力的1.5倍2 本工程编制依据2.1 设计院设计技术文件.2.2 国标GB50236-2011《现场设备、工业管道焊接工程施工及验收规范》2.3 国标GB50235-2010《工业金属管道施工及验收规范》3 焊工3.1 焊工应具有焊工考试合格证。
4 焊接检验4.1焊接检验人员应熟悉有关国标和本工艺。
4.2对管材焊材按规定进行检验、填表验收。
4.3对焊工是否执行本工艺进行全面监督检查,对违反者进行教育帮助得以改正。
对严重违反者或教育不改者有权令其停止焊接工作。
以确保焊接质量。
4.4 做好本工艺第7条“焊接后检查和管理工作”。
4.5 邀请和欢迎甲方和监理方检查人员检查焊接质量。
5 焊前准备5.1.1 管材、焊材必须具有符合规定的合格证明,并与实物核对无误。
5.1.2 管材型号为304级相当等于我国的06Cr18Ni9规格标准。
按项目图纸规定。
5.1.3 不锈钢焊丝型号规格为:ER304 φ2.0mm5.1.4 不锈钢电焊条型号规格:A102 φ3.2mm5.1.5 铈钨电极型号规格:WCe-20 φ2.0mm5.1.6 氩气纯度为99.99%。
5.2 焊件准备5.2.1 焊接口的分布位置必须符合国标GB50235-2010和5.2.3焊件坡口应用机械或磨光机加工。
SUS304不锈钢水罐焊接工艺研究摘要:针对不锈钢材料焊接性能分析,结合工艺试验,制定出焊接工艺以满足不锈钢水罐的焊接要求。
本文介绍了不锈钢水罐焊接过程控制及保护措施。
主题词:SUS304不锈钢 06Cr19Ni10 焊接工艺试验1.前言304不锈钢以其良好的耐热性,而被广泛应用于制作耐腐蚀和成型性的设备和机件。
目前,304不锈钢已被广泛应用于食品、化工、原子能等工业设备以及装潢领域以及家庭用品、橱柜、室内管线、热水器、锅炉、浴缸、汽车配件、医疗器具、建材、化学、食品工业、农业、船舶部件。
我公司的组合式水箱、热水罐和隔油器,以及污水提升装置项目都有用到304不锈钢。
作为新材料的应用,需对其焊接性能进行研究,并进行试验以证明焊接接口的可靠性。
2.304不锈钢板材的理化性能及焊接性2.1 304不锈钢板材的理化性能SUS系列奥氏体不锈钢具有良好的耐蚀性、耐热性、低温强度和机械性能,冲压弯曲等热加工性好,无热处理硬化现象,无磁性。
经过固融处理使碳化物充分溶解并在常温下保留在奥氏体中,从而在常温下获SUS304单相奥氏体组织,使钢具有最高的耐腐蚀性能。
2.2 304不锈钢板材的焊接性304奥氏体不锈钢与碳钢相比,在物理性能上有很大的差异,前者在焊接过程中会产生较大的变形和焊后收缩。
其原因与碳钢相比,其电阻是碳钢的5倍,在同样的焊接电流、电弧电压条件下的热输入要多,加之304型不锈钢的线膨胀系数又比碳钢大,更引起加热时热膨胀量和冷却时收缩量的增加,使之焊接变形量的大小与焊接参数的选择、焊接次序的正确性、操作的合理性都有一定的关系。
因此,304不锈钢相对普通碳钢的焊接性能较差,需要采取合适的焊接方法和相应的工艺措施才能保证焊接质量。
3.焊接工艺试验3.1焊接方法及焊材对焊接工艺规范参数进行认真选择,是保证304不锈钢板焊接质量的主要影响因素。
GTAW(钨极氩弧焊)具有电弧稳定,能量集中、保护效果好、操作灵活的优点,适合铜及其合金的焊接,因此本焊接工艺试验采用GTAW焊接方法。
304L超低碳不锈钢焊接工艺及操作304L超低碳不锈钢焊接标准及工艺焊接标准:1材料要求:304L是由日本进口的含C〈0.035%超低碳不锈钢(相当于国内00CR18Ni10)管材存放应按规定摆置.所用焊丝,焊条必须有质量证明或材质合格证。
2机具要求:焊接设备使用直流手弧焊机焊工所用焊丝筒,焊条保温桶,不锈钢刨锤,不锈钢丝刷.检测设备:超声波焊缝检测仪焊条直径选用3.2和4.0两种,焊接电流80-110A,110-150A3作业条件焊工必须持有项目材质合格证能满足施焊要求.针对超低碳不锈钢管焊接过程中的焊缝根部氧化,表面缺陷的产生以及焊接变形等问题,为保证工程焊接质量制定了严格的焊接工艺要求;4环境条件施焊前应确认环境符合下列条件在现场预制,现场安装温度在0摄氏度以上方可进行焊接工艺1工序焊接施工程序如下坡口要求焊前应采用等离子下料兼打30°破口对质量要求:组对时内壁错边量应≤0.5mm组对前将坡口两侧20mm范围内油污赃物清理干净(用不锈钢刷)焊接方法:所有焊口采用钨极氩弧焊封底,手工电弧焊盖面.所有接口焊缝采用根部全焊透性焊接.点焊点焊方式为焊口非焊透点焊。
焊接方法:奥氏体不锈钢焊接工艺如下:一、1、焊接方法可采用焊条电弧焊、熔化极气体保护焊。
氩弧焊等。
2、下料和坡口加工可采用机械加工和等离子弧,不能用火焰切割机。
3、电源采用直流反接。
4、根据材料选用合适的焊接方法和焊条,且对于钛钙型焊条烘干温度150-200度,保温1-2小时,对于碱性焊条烘干温度300度,保温2小时。
二、1、焊前:坡口及其附近必须清理干净,对于有油污不可以用钢丝刷和砂轮清理,用丙酮和或酒精进行清理。
2、坡口加工或下料采用机械加工或炭弧气刨。
3、在搬用、坡口的制备、装配个过程,应避免损伤钢材的表面。
三、焊接工艺:1、应采用快速焊、多道焊;焊接电流不易过大,焊接时尽量采用平焊位置,焊条最好不做摆动或稍做摆动;且焊接过程中,应严格控制层间温度,待上一层焊道冷到60度以下在焊下一道焊道。
实用标准文案
精彩文档SUS304不锈钢焊接工艺
对SUS304不锈钢MAG焊接工艺进行了试验研究。
结果表明,选用实芯焊丝(保护气体98%Ar+2%O2)和药芯焊丝(保护气体CO2),按相应的焊接工艺参数进行焊接,可获得工艺性能优良的焊接接头。
焊接空间位置对焊接成形质量影响较大。
对于12CrMoV与304的焊接工艺问题,你可以查看JB/T4709-2000,焊丝选择ER309,焊条选用A302,焊前对12CrMoV侧进行预热,一般预热150度以上,如果焊件很厚或拘束度很大,应适当提高预热温度,焊接时层间温度保持在150度以上,焊后立即进行消应热处理,具体热处理工艺要根据12CrMoV的厚度和焊接结构形式及现场条件来确定,基本参数可以参考JB/T4709-2000中的要求。
304不锈钢牌号
304不锈钢牌号具有良好的耐蚀性、耐热性、低温强度和机械性能,冲压弯曲等热加工性好,无热处理硬化现象,无磁性。
304不锈钢牌号是一种通用性的不锈钢,它广泛地用于制作要求良好综合性能(耐腐蚀和成型性)的设备和机件。
304不锈钢牌号是按照美国ASTM标准生产出来的不锈钢的一个牌号,304的含义在美国ASTM标准中有详细的规定,一般我们没有必要去掌握。
304不锈钢牌号相当于我国的0Cr19Ni9 (0Cr18Ni9)不锈钢,304含铬19%,含镍9%。