非接触式感应卡门禁使用说明书
- 格式:pdf
- 大小:251.04 KB
- 文档页数:2
高优门禁CU-k05说明书高优门禁CU-k05说明书-----COUNS门禁非接触式感应卡门禁使用说明书安装使用前请仔细阅读本说明书一、产品简介:本非接触式感应卡门禁控制器是现代先进的门禁系统之一。
它选用最新中央处理器(CPU)及大容量存储芯片,所有资料不会因断电而丢失;功能强大,具备感应卡开门、感应卡加密码开门、密码开门三种开门方式;门状态监视、输出报警、安全模式、防拆、感应卡加密码等完善的保安措施让用户更加安全;开门按钮、关门提醒、门铃、可接常开或常闭锁等强大功能让用户更加方便。
本产品提供了一种安全自动的出入口管制方式,是商务机构、办公室、工厂、住宅、小区等场所的理想装置。
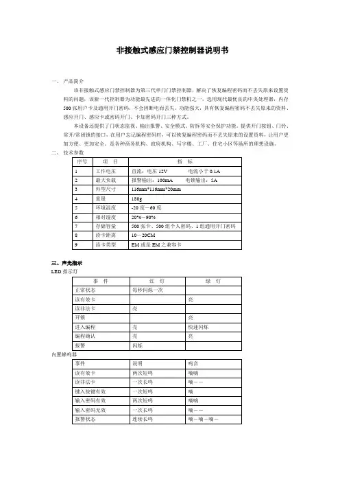
二、技术参数:序号项目指标1 工作电源直流:电压12V?10% 电流 < 0.1A3 外型尺寸116mm×116mm×20mm4 重量 130g5 环境温度 0?—60?6 相对湿度 20%—80%7 存储容量 255张用户卡、1组开门密码8 读卡距离 5,15CM 9 读卡类型 EM或EM兼容卡三、声光指示:LED指示灯:事件红灯绿灯正常状态每秒闪烁一次读有效卡亮读非法卡亮开锁亮键入按键亮进入编程亮编程确认亮内置蜂鸣器:事件说明鸣音读有效卡两次短鸣嘀嘀读非法卡一次长鸣嘀——键入按键有效一次短鸣嘀输入密码有效两次短鸣嘀嘀输入密码错误一次长鸣嘀——编程确认两次短鸣嘀嘀防拆报警连续长鸣嘀—嘀—嘀—四、设置及使用方法:1、初始密码:编程密码为9999。
修改为:66662、进入编程状态:按 * 编程密码 # 进入编程状态。
3、功能设置:(1)修改编程密码:按 * 编程密码 # 0 新密码 # 重复新密码 # *注:密码为4-6位任意数字。
(2)增加用户卡:按 * 编程密码 # 1 读卡输入该卡代码 # *注:卡的代码为001-999不可重复的三位数字,必需输入代码,否则该卡无效。
如需连续增加卡,则在输完三位数的代码后不必按 # 直接读第二张卡。
非接触式感应卡门禁安装使用前请仔细阅读本说明书一、产品简介:本非接触式感应卡门禁控制器选用最新中央处理器(CPU)及大容量存储芯片,所有资料不会因断电而丢失;功能强大,具备感应卡开门、感应卡加密码开门、密码开门三种开门方式;二、技术参数:三、声光指示:LED指示灯:内置蜂鸣器:四、设置及使用方法:1、初始密码:编程密码为9999。
2、进入编程状态:按进入编程状态。
3、功能设置:(1)修改编程密码:按注:密码为4-6位任意数字。
(2)增加用户卡:按注:卡的代码为001-999不可重复的三位数字,必需输入代码,否则该卡无效。
如需连续增加卡,则在输完三位数的代码后不必按直接读第二张卡。
(3)删除用户卡(有三种方法):A、按删除全部用户卡;B、按删除被读的卡;C、按删除遗失的卡;(4)设置开门模式:按读有效卡开门按读卡加密码开门按读卡或密码开门注:出厂设置为读卡或者密码开门;(5)设置开门时间:按注:XX为00-99,单位为秒,出厂设置为6秒。
(6)设置公共开门密码:按* 编程密码 # 5 新密码 # 重复新密码 # *注:密码为4-6位任意数字。
注:以上设置在最后按* 之前按下一个键时的间隔不能超过十秒5、使用方法:(1)正常工作状态读一张有效卡即可开门;(2)如果需读卡加密码的,则在读完卡后10秒钟内输入正确的密码即可开门;(3)如果忘记编程密码了,可使用主板上的跳线开关“RESET”来恢复出厂设置。
先关闭电源将跳线开关拨到“ON”位置,再接通电源,蜂鸣器响三声后将跳线开关拨回“OFF”位置即可恢复出厂设置。
附:安装接线图注:1、在安装接线时请先关闭电源,切勿带电操作!!2、正常情况下电锁是从电源控制器接出。
非接触式感应门禁控制器说明书一、产品简介该非接触式感应门禁控制器为第三代单门门禁控制器,解决了恢复编程密码而不丢失原来设置资料的问题,该新一代控制器为功能最先进的一体化门禁机之一。
选用现代最优良的中央处理器,内存500张用户卡及通用开门密码,不会因断电而丢失。
功能强大,具有恢复编程密码不丢失原来的资料、感应开门、感应卡或密码开门、卡加密码开门三种方式。
本设备还提供了门状态监视、输出报警、安全模式、防拆等安全保护功能。
提供开门按钮、门铃、常开/常闭锁的接口,在用户忘记编程密码时,可以恢复编程密码而不丢失原来的设置资料,让用户更加方便、更加安全。
是各种商务机构、政府机构、写字楼、工厂、住宅小区等场所的理想设施。
二、技术参数三、声光指示LED指示灯内置蜂鸣器四、设置及使用方法:1.初始密码:编程密码为8888,通用密码为5555,个人密码1234。
2.进入编程状态:先按*键+编程密码+#键进入编程。
3.功能设置:(必需在进入编程状况下才能设置)(1)修改编程密码:按[0]键+[新密码]+[#]+[重复新密码]+[#](密码为4-6位任意数)(2)设置开门方式:输入100+[#]为读有效卡开门输入101+[#]为读有效卡加密码开门输入102+[#]为读有效卡或者输入有效密码开门注:。
如果设置为读有效卡加密码开门,则必需在读有效卡后10秒内输入对应的个人密码才可开门。
用户卡对应的个人密码不能单独开门。
出厂设置为读有效卡开门(3)增加用户卡:按[2]+输入卡代码+[读卡]+[#]如果连续增加卡,则在读完卡后不用按[#]直接读第二张卡,自动按顺序分配卡代码,输完后再按[#]确认。
卡代码为001-500不可重复的三位数。
(4)删除用户卡(三种方法):按30000+[#]删除全部用户卡按[3]+读卡+[#]删除被读的卡按[3]+输入卡代码+[#]删除该代码所对应的卡(5)设置开门时间按[4]+开门时间+[#]开门时间为两位数,单位为秒。
非接触式感应卡门禁使用说明书安装使用前请仔细阅读本说明书一、产品简介:本非接触式感应卡门禁控制器是现代先进的门禁系统之一。
它选用最新中央处理器(CPU)及大容量存储芯片,所有资料不会因断电而丢失;采用HOMMARD最新技术,功能强大,具备感应卡开门、感应卡加密码开门、密码开门三种开门方式;门状态监视、输出报警、安全模式、防拆、感应卡加密码等完善的保安措施让用户更加安全;开门按钮、关门提醒、门铃、可接常开或常闭锁等强大功能让用户更加方便。
本产品提供了一种安全自动的出入口管制方式,是商务机构、办公室、工厂、住宅、小区等场所的理想装置。
三、声光指示:四、设置及使用方法:1、初始密码:编程密码为9999,使用密码为1234。
2按进入编程状态。
3:(1按(2按如需连续增加卡,则在输完三位数的代码后不必按直接读第二张卡。
(3A、按删除全部用户卡;B、按删除被读的卡;C、按删除遗失的卡;(4按读有效卡开门按读有效卡加密码开门按读有效卡开门或者输入正确密码开门如果设置为密码开门则必须修改使用密码,初始密码不能直接开门。
(5按6秒。
(6按3分钟。
(7按关闭此功能按开启此功能,开启此功能时有如下两种功能:A、如果输入正确密码开门后忘了关门则蜂鸣器会鸣叫提示使用者关门;B、如果门被非法打开,则会启动报警信号输出,同时蜂鸣器鸣叫警示。
出厂设置此功能为关闭。
(8按关闭此功能按连续读十张非法卡或者读有效卡后连续四次输入错误密码,系统锁死10分钟。
按连续读十张非法卡或者读有效卡后连续四次输入错误密码,启动报警信号输出。
注:出厂设置此功能为关闭(9按按储存4(无需在编程状态):按按的新密码后按接着再输入一遍储存即可。
5、使用方法:(1)正常工作状态读一张有效卡即可开门;(2)如果需读卡加密码的,则在读完卡后10秒钟内输入正确的密码即可开门;(3)如果某用户忘了卡的密码,则需将此卡删除后重新增加再自行修改使用密码;(4)如果忘记编程密码了,可使用主板上的跳线开关“RESET”来恢复出厂设置。
非接触式感应卡门禁使用说明书一、产品简介:本非接触式感应卡门禁控制器是现代先进的门禁系统之一。
它选用最新中央处理器(CPU)及大容量存储芯片,所有资料不会因断电而丢失;功能强大,具备感应卡开门、感应卡加密码开门、密码开门三种开门方式;门状态监视、输出报警、安全模式、防拆、感应卡加密码等完善的保安措施让用户更加安全;开门按钮、关门提醒、门铃、可接常开或常闭锁等强大功能让用户更加方便。
本产品提供了一种安全自动的出入口管制方式,是商务机构、办公室、工厂、住宅、小区等场所的理想装置。
二、技术参数:三、声光指示:LED指示灯:内置蜂鸣器:四、设置及使用方法:1、初始密码:编程密码为9999。
2、进入编程状态:按进入编程状态。
3、功能设置:(1)修改编程密码:按注:密码为4-6位任意数字。
(2)增加用户卡:按注:卡的代码为001-999不可重复的三位数字,必需输入代码,否则该卡无效。
如需连续增加卡,则在输完三位数的代码后不必按直接读第二张卡。
(3)删除用户卡(有三种方法):A、按删除全部用户卡;B、按删除被读的卡;C、按删除遗失的卡;(4)设置开门模式:按读有效卡开门按读卡加密码开门按读卡或密码开门注:出厂设置为读卡或者密码开门;(5)设置开门时间:按注:XX为00-99,单位为秒,出厂设置为6秒。
(6)设置公共开门密码:按注:密码为4-6位任意数字。
注:以上设置在最后按之前按下一个键时的间隔不能超过十秒5、使用方法:(1)正常工作状态读一张有效卡即可开门;(2)如果需读卡加密码的,则在读完卡后10秒钟内输入正确的密码即可开门;(3)如果忘记编程密码了,可使用主板上的跳线开关“RESET”来恢复出厂设置。
先关闭电源将跳线开关拨到“ON”位置,再接通电源,蜂鸣器响三声后将跳线开关拨回“OFF”位置即可恢复出厂设置。
附:安装接线图。
非接触式感应卡门禁使用说明书安装使用前请仔细阅读本说明书一、产品简介:本非接触式感应卡门禁控制器是现代先进的门禁系统之一。
它选用最新中央处理器(cpu)及大容量存储芯片,所有资料不会因断电而丢失;功能强大,具备感应卡开门、感应卡加密码开门、密码开门三种开门方式;门状态监视、输出报警、安全模式、防拆、感应卡加密码等完善的保安措施让用户更加安全;开门按钮、关门提醒、门铃、可接常开或常闭锁等强大功能让用户更加方便。
本产品提供了一种安全自动的出入口管制方式,是商务机构、办公室、工厂、住宅、小区等场所的理想装置。
三、声光指示:1、初始密码:编程密码为9999。
2按进入编程状态。
3 (1按(2按如需连续增加卡,则在输完三位数的代码后不必按直接读第二张卡。
(3a、按b、按c、按(4按读有效卡开门按读卡加密码开门按读卡或密码开门(5 按(6 按注:以上设置在最后按之前按下一个键时的间隔不能超过十秒 5、使用方法:(1)正常工作状态读一张有效卡即可开门;(2)如果需读卡加密码的,则在读完卡后10秒钟内输入正确的密码即可开门;(3)如果忘记编程密码了,可使用主板上的跳线开关“reset”来恢复出厂设置。
先关闭电源将跳线开关拨到“on”位置,再接通电源,蜂鸣器响三声后将跳线开关拨回“off”位置即可恢复出厂设置。
附:安装接线图注:1、在安装接线时请先关闭电源,切勿带电操作!!2、正常情况下电锁是从电源控制器接出。
篇二:门禁cu-k05说明书门禁密码:2303 (四门一样)一、产品简介:本非接触式感应卡门禁控制器是现代先进的门禁系统之一。
它选用最新中央处理器(cpu)及大容量存储芯片,所有资料不会因断电而丢失;功能强大,具备感应卡开门、感应卡加密码开门、密码开门三种开门方式;门状态监视、输出报警、安全模式、防拆、感应卡加密码等完善的保安措施让用户更加安全;开门按钮、关门提醒、门铃、可接常开或常闭锁等强大功能让用户更加方便。
感应卡式门禁(读卡器)使用说明书安装使用前请仔细阅读本说明书一、产品简介:本非接触式感应卡门禁控制器是现代先进的门禁系统之一。
它选用最新中央处理器(CPU)及大容量存储芯片,全新触摸式按键;功能强大,具备用户卡资料备份功能,可外接读卡器、可当读卡器输出Wiegand26信号,感应卡开门、感应卡加密码开门、密码开门三种开门方式;门状态监视、输出报警、安全模式、防拆、感应卡加密码等完善的保安措施让用户更加安全;开门按钮、关门提醒、门铃、可接常开或常闭锁等强大功能让用户更加方便。
四、设置及使用方法:1、初始编程密码为9999。
2按进入编程状态。
3、功能设置(需在编程状态下):(1按注:密码为4-8位任意数字。
(2按注:如需连续增加用户卡,则在按读卡后不必按直接读下一张卡。
(3按删除全部用户卡;按删除被读的卡;按删除遗失的卡;卡号:带喷码的卡号为前一组数字的后6位数。
(4按读卡开门按读卡加密码开门按读卡开门或者密码开门注:出厂设置为读卡或密码开门;(5按注:XX为00-99,单位为秒,出厂设置为6秒。
(6)设置报警时间:按注:XX为00-99,单位为分钟,出厂设置为3分钟。
(7按关闭此功能按开启此功能注:门状态监视需配合门磁开关,开启此功能时有如下两种功能: A、如果输入正确密码开门后忘了关门则蜂鸣器会鸣叫提示使用者关门;B、如果门被非法打开,则会启动报警信号输出,同时蜂鸣器鸣叫警示。
出厂设置此功能为关闭。
(8按关闭此功能按连续读十张非法卡或者读有效卡后连10分钟。
按连续读十张非法卡或者读有效卡后连续四次输入错误密码,启动报警信号输出。
注:出厂设置此功能为关闭(9按注: 开门密码:4 - 8位XX为密码序号01-15(10按注:以上任何设置完成后都必须在一分钟内按储存5、备份及恢复用户卡:断开电源,将另外配备的存储IC插入到“IC 3”的插槽内(注意IC缺口方向),再接上电源:按蜂鸣器响三声后断电取出IC;按蜂鸣器响三声后断电取出IC注:用户卡备份时,如存储IC内还有其他用户卡,则是叠加方式存储;用户卡恢复时,如控制器上还有其他用户卡,则是以覆盖方式恢复6、外接读卡器和输出输出Wiegand26信号:(1)接口插座【W26-IN】:此接口可外接一个读卡器,形成内外读卡的控制方式。
非接触或感应卡门禁使用说明书2.产品出厂缺省值3.声光显示3.1正常工作状态下:3.1.1 .有效指令:嘟短声3.1.2.无效指令:嘟长声3.2 .编程状态下:3.2.1绿灯常亮3.2.2有效指令:嘟嘟两声3.2.3无效指令:嘟嘟嘟三声4.撤销未完成的指令在键入指令没有全部完成前,按下[#]键,可以撤销该项指令5.功能及设置5.1进入编程[#]+[6位编程密码]嘟嘟,缺省:8811225.2修改编程密码[0]+[输入6位新编程密码]+[重复输入6位新编程密码]5.3设置有效卡:[5]+[输入3位编码] 嘟嘟+[感应卡1]嘟、嘟嘟+[感应卡2]嘟、嘟嘟+……+[感应卡n]嘟、嘟嘟+[#]嘟嘟,完成加卡5.3.1.3位编码:是001---------999之间不可重复数字.该编码是在卡丢失后删除卡的重要方式,请发卡人员妥善保存卡编码5.3.2. 连续设置有效卡时,每张卡的编码按前一张卡的编码+1递增.例如输入编码为015,再次读卡时,再次卡的编码为016……依次类推5.3.3 有效卡缺省个人密码:00005.4删除有效卡:5.4.1 编码方式删卡[7]+ [输入3位编码1] 嘟嘟+ [输入3位编码2] 嘟嘟+…+ [输入3位编码N] 嘟嘟+[#]嘟嘟,完成删卡5.4.2.感应方式删卡[7]+[感应卡1]嘟、嘟嘟+[感应卡2]嘟、嘟嘟+……+[感应卡N]嘟、嘟嘟+[#]嘟嘟,完成删卡5.4.3 删除所有已设置卡:请使用恢复出厂设置的方式5.4.4 删除有效卡后其个人密码也一并删除5.5.退出编程状态:[#]嘟嘟5.6.设置感应卡的开门方式5.6.1. 卡或密码方式:[1]+[0] 嘟嘟(缺省)5.6.2.卡+个人密码方式:[1]+[1] 嘟嘟5.7密码5.7.1.“卡或密码”方式的密码:是指每张有效卡内的个人密码(最多999个个人密码),以及1 个通用密码5.7.2.关闭修改个人密码功能:[1]+[2] 嘟嘟(缺省)5.7.3.开启修改个人密码功能:[1]+[3] 嘟嘟5.7.4修改个人密码:非编程状态下[#](长按达2秒多)嘟--嘟嘟(若长按[#]达2秒多发出嘟—嘟嘟嘟,表示还没有开启修改个人密码功能)+[感应卡]嘟、嘟嘟+[输入4位原密码](缺省0000) 嘟嘟+[输入4位新密码]+[重复输入4位新密码] 嘟嘟5.7.5.修改通用密码:[3]+[4位通用密码] (缺省1234)当通用密码或者个人密码为0000,在“卡或密码”方式下,密码无效5.8.设置开锁时间:[2]+[TT]。
MCPO 非接触式ID卡办公室、家用智能门锁使用手册一、简介非接触式ID卡办公室、家用智能安全门锁是ID一卡通系统组成部分之一,其使用的ID卡可以用在其他一卡通设备上。
本门锁系统功能强大,使用灵活方便,可实现一卡多门、一门多卡的开门方式,并可将门锁设置成常开状态,房门假如门没有锁好时门锁会自动报警提示。
开门卡全部由用户自己删除和配制,最大限度地减少安全漏洞。
非接触式ID卡办公室、家用门锁系统的钥匙有以下三种:1.1主控匙功能:开门(包括反锁)、设置和取消常开状态、配匙。
1.2开门卡功能:开门(不能开反锁)。
1.3机械匙功能:紧急开门、配主控匙二、设置主控匙2.1设置状态用机械匙开门,并保持机械匙在开锁状态(指锁芯的斜舌和大方舌都缩入锁体内),蜂鸣器“嘀”的响一声,绿灯亮,这时即进入设置状态。
如果要退出设置状态,松开机械匙,绿灯熄灭即可。
2.2设置主控匙在设置状态内,选择任意一张ID卡接近门锁的感应区,蜂鸣器“嘀”的响一声,红灯闪烁,表示设置成功,这张ID卡就是主控匙。
三、配开门锁3.1进入配匙状态用主控匙接近门锁的感应区,“嘀”的一声响后,绿灯亮,等待时间为4秒左右。
在绿灯未熄前再用主控匙接近门锁的感应区,“嘀”、“嘀”两声响后,绿灯亮,等待时间是4秒左右。
在绿灯未熄前再用主控匙接近门锁的感应区,“嘀”、“嘀”、“嘀”三声响后,指示灯红、绿交替闪烁,表示进入配匙状态。
8秒内门锁如果没有检测到有效的ID卡,则蜂鸣器“嘀、嘀”两声短鸣,配匙结束。
3.2配匙操作过程进入配匙状态后,用ID卡接近门锁的感应区,配匙成功后,蜂鸣器将发出议程短鸣。
如果配匙失败,则蜂鸣器发出“嘀”的一声长鸣,红灯亮。
配匙失败的原因及解决办法:3.3重复第2步的操作,知道配匙完毕,以后也可以随时用主控匙来增加开门ID卡。
四、开门\锁门4.1 ID卡匙开门ID卡开门分为主控匙和普通匙开门两种。
A、主控匙开门用主控ID卡接近门锁的感应区,绿灯亮,伴随着蜂鸣器“嘀”的一声,提示锁已开。
非接触式感应卡门禁使用说明书安装使用前请仔细阅读本说明书一、产品简介:本非接触式感应卡门禁控制器是现代先进的门禁系统之一。
它选用最新中央处理器(CPU)及大容量存储芯片,所有资料不会因断电而丢失;功能强大,具备感应卡开门、感应卡加密码开门、密码开门三种开门方式;门状态监视、输出报警、安全模式、防拆、感应卡加密码等完善的保安措施让用户更加安全;开门按钮、关门提醒、门铃、可接常开或常闭锁等强大功能让用户更加方便。
本产品提供了一种安全自动的出入口管制方式,是商务机构、办公室、工厂、住宅、小区等场所的理想装置。
二、技术参数:三、声光指示:LED指示灯:内置蜂鸣器:四、设置及使用方法:1、初始密码:编程密码为9999。
2、进入编程状态:按进入编程状态。
3、功能设置:(1)修改编程密码:按注:密码为4-6位任意数字。
(2)增加用户卡:按注:卡的代码为001-999不可重复的三位数字,必需输入代码,否则该卡无效。
如需连续增加卡,则在输完三位数的代码后不必按直接读第二张卡。
(3)删除用户卡(有三种方法):A、按删除全部用户卡;B、按删除被读的卡;C、按删除遗失的卡;(4)设置开门模式:按* 编程密码 # 3 0 0 # * 读有效卡开门按* 编程密码 # 3 0 1 # * 读卡加密码开门按* 编程密码 # 3 0 2 # * 读卡或密码开门注:出厂设置为读卡或者密码开门;(5)设置开门时间:按* 编程密码 # 4 X X # *注:XX为00-99,单位为秒,出厂设置为6秒。
(6)设置公共开门密码:按* 编程密码 # 5 新密码 # 重复新密码 # *注:密码为4-6位任意数字。
注:以上设置在最后按* 之前按下一个键时的间隔不能超过十秒5、使用方法:(1)正常工作状态读一张有效卡即可开门;(2)如果需读卡加密码的,则在读完卡后10秒钟内输入正确的密码即可开门;(3)如果忘记编程密码了,可使用主板上的跳线开关“RESET”来恢复出厂设置。
一、产品简介:之巴公井开创作本非接触式感应卡门禁控制器是现代先进的门禁系统之一。
它选用最新中央处理器(CPU)及大容量存储芯片,所有资料不会因断电而丢失;功能强大,具备感应卡开门、感应卡加密码开门、密码开门三种开门方式;门状态监视、输出报警、平安模式、防拆、感应卡加密码等完善的保安措施让用户更加平安;开门按钮、关门提醒、门铃、可接常开或常闭锁等强大功能让用户更加方便。
本产品提供了一种平安自动的出入口管制方式,是商务机构、办公室、工厂、住宅、小区等场合的理想装置。
二、技术参数:序号项目指标3外型尺寸116mm×116mm×20mm4重量130g5环境温度0℃—60℃6相对湿度20%—80%7存储容量255张用户卡、1组开门密码8读卡距离5-15CM9读卡类型EM或EM兼容卡三、声光指示:LED指示灯:事件红灯绿灯正常状态每秒闪烁一次读有效卡亮读非法卡亮开锁亮键入按键亮进入编程亮编程确认亮内置蜂鸣器:事件说明鸣音读有效卡两次短鸣嘀嘀读非法卡一次长鸣嘀——键入按键有效一次短鸣嘀输入密码有效两次短鸣嘀嘀输入密码错误一次长鸣嘀——编程确认两次短鸣嘀嘀防拆报警连续长鸣嘀—嘀—嘀—四1、初始密码:编程密码为9999。
2、进入编程状态:按 * 编程密码 # 进入编程状态。
3、功能设置:(1)修改编程密码:按 * 编程密码 # 0 新密码 # 重复新密码# *注:密码为4-6位任意数字。
(2)增加用户卡:按 * 编程密码 # 1 读卡输入该卡代码 # *注:卡的代码为001-999不成重复的三位数字,必须输入代码,否则该卡无效。
如需连续增加卡,则在输完三位数的代码后不必按 # 直接读第二张卡。
(3)删除用户卡(有三种方法):A、按 * 编程密码 # 2 0 0 0 0 # * 删除全部用户卡;B、按 * 编程密码 # 2 读卡 # *删除被读的卡;C、按 * 编程密码 # 2 该卡代码 # *删除遗失的卡;(4)设置开门模式:按 * 编程密码 # 3 0 0 # * 读有效卡开门按 * 编程密码 # 3 0 1 # * 读卡加密码开门按 * 编程密码 # 3 0 2 # * 读卡或密码开门注:出厂设置为读卡或者密码开门;(5)设置开门时间:按 * 编程密码 # 4 X X # *注:XX为00-99,单位为秒,出厂设置为6秒。
CK100系列(CK100、CK1002、CK1003、CK1005、CK1006等)门禁控制器使用说明书一、产品简介CK100系列非接触式感应卡门禁控制器是现代先进的门禁系统,它选用最新中央处理器及大容量存储芯片,采用FLASH最新技术,所有资料不会因断电而丢失;具备感应卡开门、卡加密码开门、密码开门、遥控开门等多种开门方式。
门状态监视、输出报警、防拆等完善的保安措施让用户更加安全;开门按钮、遥控开门、关门提醒、门铃、可接常开或常闭锁等强大功能让用户更加方便。
CK100系列可以进入编程状态后增加或删除用户卡;为了方便操作,CK100系列设计了一种更加方便的方法,即使用授权卡或删除卡进行对用户卡的增加或删除。
二、技术参数1)工作电源:直流,电压12V,电流<0.1A2)最大负载:报警输出100mA,电锁输出5A3)外型尺寸:116mm×116mm×20mm4)重量:180g5)环境温度:-20℃- 60℃6)相对湿度:20% - 90%7)存储容量:有打卡记录机型:4000 张用户卡、4000组密码;无打卡记录机型:5500 张用户卡、5500组密码;无打卡记录、无密码、无代码机型:10000张用户卡(此机型无代码,不能按代码删除卡号)8)读卡距离:>10CM9)读卡类型:EM或EM兼容卡三、设置方法1)初始编程密码为“8888”。
2)进入编程状态:进入编程状态,此时蓝灯闪烁加快。
可以输入以下介绍的“0”到“9”的命令进入不同的模式。
输入“0”到“9”的命令时蓝灯闪烁更加加快表示已经进入到设置。
3)功能设置(需在编程状态下)●注密码为1-8 位任意数字,蜂鸣器“嘀”的一声代表修改密码成功,连续“嘀嘀嘀”的三声代表失败,失败的原因一般是二个密码不一样。
●增加用户卡或开门密码(命令“1”)(1)增加用户卡:进入编程状态后按注:卡的代码为0001-9999 不可重复的四位数字,作为将来在该卡丢失时删除该卡的代码,可以不输入代码,但不输入代码时将来将不能单独删除该卡,如需连续增加卡则在输完四位数的代码后不必按#直接读第二张卡,不需要代码时可直接读第二张卡,第三张卡等。
门禁密码:2303 (四门一样)一、产品简介:本非接触式感应卡门禁控制器是现代先进的门禁系统之一。
它选用最新中央处理器(CPU)及大容量存储芯片,所有资料不会因断电而丢失;功能强大,具备感应卡开门、感应卡加密码开门、密码开门三种开门方式;门状态监视、输出报警、安全模式、防拆、感应卡加密码等完善的保安措施让用户更加安全;开门按钮、关门提醒、门铃、可接常开或常闭锁等强大功能让用户更加方便。
本产品提供了一种安全自动的出入口管制方式,是商务机构、办公室、工厂、住宅、小区等场所的理想装置。
二、技术参数:序号项目指标1工作电源直流:电压12V±10% 电流< 0.1A3外型尺寸116mm×116mm×20mm4重量130g5环境温度0℃—60℃6相对湿度20%—80%7存储容量255张用户卡、1组开门密码8读卡距离5-15CM9读卡类型EM或EM兼容卡三、声光指示:LED指示灯:事件红灯绿灯正常状态每秒闪烁一次读有效卡亮读非法卡亮开锁亮键入按键亮进入编程亮编程确认亮内置蜂鸣器:事件说明鸣音读有效卡两次短鸣嘀嘀读非法卡一次长鸣嘀——键入按键有效一次短鸣嘀输入密码有效两次短鸣嘀嘀输入密码错误一次长鸣嘀——编程确认两次短鸣嘀嘀防拆报警连续长鸣嘀—嘀—嘀—四1、初始密码:编程密码为9999。
2、进入编程状态:按* 编程密码# 进入编程状态。
3、功能设置:(1)修改编程密码:按* 编程密码# 0 新密码# 重复新密码# * 注:密码为4-6位任意数字。
(2)增加用户卡:按* 编程密码# 1 读卡输入该卡代码# *注:卡的代码为001-999不可重复的三位数字,必需输入代码,否则该卡无效。
如需连续增加卡,则在输完三位数的代码后不必按# 直接读第二张卡。
(3)删除用户卡(有三种方法):A、按* 编程密码# 2 0 0 0 0 # *删除全部用户卡;B、按* 编程密码# 2 读卡# *删除被读的卡;C、按* 编程密码# 2 该卡代码# *删除遗失的卡;(4)设置开门模式:按* 编程密码# 3 0 0 # * 读有效卡开门按* 编程密码# 3 0 1 # * 读卡加密码开门按* 编程密码# 3 0 2 # * 读卡或密码开门注:出厂设置为读卡或者密码开门;(5)设置开门时间:按* 编程密码# 4 X X # *注:XX为00-99,单位为秒,出厂设置为6秒。
非接触式感应卡门禁
使
用
说
明
书
安装使用前请仔细阅读本说明书
一、产品简介:
本非接触式感应卡门禁控制器是现代先进的门禁系统之一。
它选用最新中央处理器(CPU)及大容量存储芯片,所有资料不会因断电而丢失;功能强大,具备感应卡开门、感应卡加密码开门、密码开门三种开门方式;
门状态监视、输出报警、安全模式、防拆、感应卡加密码等完善的保安措施让用户更加安全;开门按钮、关门提醒、门铃、可接常开或常闭锁等强大功能让用户更加方便。
本产品提供了一种安全自动的出入口管制方式,是商务机构、办公室、工厂、住宅、小区等场所的理想装置。
三、声光指示:
内置蜂鸣器:
1、初始密码:编程密码为9999。
2
按进入编程状态。
3
(1
按
(2
按
如需连续增加卡,则在输完三位数的代码后不必按直接读第二张卡。
(3
A、按
B、按
C、按
(4
按读有效卡开门
按读卡加密码开门按读卡或密码开门
(5
按
(6
按
注:以上设置在最后按之前按下一个键时的间隔不能超过十秒
5、使用方法:
(1)正常工作状态读一张有效卡即可开门;
(2)如果需读卡加密码的,则在读完卡后10秒钟内输入正确的密码即可开门;(3)如果忘记编程密码了,可使用主板上的跳线开关“RESET”来恢复出厂设置。
先关闭电源将跳线开关拨到“ON”位置,再接通电源,蜂鸣器响三声后将跳线开关拨回“OFF”位置即可恢复出厂设置。
附:安装接线图
注:1、在安装接线时请先关闭电源,切勿带电操作!!
2、正常情况下电锁是从电源控制器接出。
非接触式感应卡门禁安装使用前请仔细阅读本说明书一、产品简介:本非接触式感应卡门禁控制器选用最新中央处理器(CPU)及大容量存储芯片,所有资料不会因断电而丢失;功能强大,具备感应卡开门、感应卡加密码开门、密码开门三种开门方式;二、技术参数:三、声光指示:LED指示灯:内置蜂鸣器:四、设置及使用方法:1、初始密码:编程密码为9999。
2、进入编程状态:按进入编程状态。
3、功能设置:(1)修改编程密码:按注:密码为4-6位任意数字。
(2)增加用户卡:按注:卡的代码为001-999不可重复的三位数字,必需输入代码,否则该卡无效。
如需连续增加卡,则在输完三位数的代码后不必按直接读第二张卡。
(3)删除用户卡(有三种方法):A、按删除全部用户卡;B、按删除被读的卡;C、按删除遗失的卡;(4)设置开门模式:按读有效卡开门按读卡加密码开门按读卡或密码开门注:出厂设置为读卡或者密码开门;(5)设置开门时间:按注:XX为00-99,单位为秒,出厂设置为6秒。
(6)设置公共开门密码:按* 编程密码 # 5 新密码 # 重复新密码 # *注:密码为4-6位任意数字。
注:以上设置在最后按* 之前按下一个键时的间隔不能超过十秒5、使用方法:(1)正常工作状态读一张有效卡即可开门;(2)如果需读卡加密码的,则在读完卡后10秒钟内输入正确的密码即可开门;(3)如果忘记编程密码了,可使用主板上的跳线开关“RESET”来恢复出厂设置。
先关闭电源将跳线开关拨到“ON”位置,再接通电源,蜂鸣器响三声后将跳线开关拨回“OFF”位置即可恢复出厂设置。
附:安装接线图注:1、在安装接线时请先关闭电源,切勿带电操作!!2、正常情况下电锁是从电源控制器接出。
非接触式感应卡门禁使用说明书全新加强功能(母卡加卡删卡、自动注册、防探测开门、多卡同一编号)一、产品简介:本非接触式感应卡门禁控制器是现代先进的门禁系统之一。
它选用最新中央处理器(CPU)及最新集成电路技术,所有资料不会因断电而丢失;功能强大,具备感应卡开门、感应卡加密码开门、密码开门三种开门方式;感应卡加密码等完善的保安措施让用户更加安全;开门按钮、关门提醒、门铃、可接常开或常闭锁等强大功能让用户更加方便。
本产品提供了一种安全自动的出入口管制方式,是商务机构、办公室、工厂、住宅、小区等场所的理想装置。
四、设置及使用方法:1、初始密码:编程密码为990101。
2按进入编程状态。
按3、增加卡功能设置:(3按按(4按(5按载、一个自编号可以多张卡号使用,连续加编号卡请在按完3位编号后按#再读下一张。
(6)(7)按按注明:用密码开时需按设置好的密码加键绿灯亮才能开门.4、删除卡功能设置:(1按(2)按(3)按(4按(5按5、恢复出厂设置:(1)按(2990101不删除开门卡及密码、990101。
(3)(4)按3秒、(5按6、本机特殊功能开启:(1按(2按(3按五、安装接线图:1、+12V:工作电源正极2、GND:工作电源负极3、NO: 继电器常开点4、COM:继电器公共点5、NC:继电器常闭点6、OPEN: 出门按钮开关7、BELL:接门铃开关。