台霖金属圆锯机(切管机)使用说明书
- 格式:doc
- 大小:49.50 KB
- 文档页数:3
台州台霖机械有限公司一、概况金属圆锯机即切管机(以MC—275AC为例)是一种半自动的锯切机床。
能锯切各种截面形状的普通钢、不锈钢、铜材等金属材料,尤其是锯切各种管材最为理想。
锯切是除用手工按所需长度(可限位)送料外,其余工件夹紧,进刀锯切、切断后退刀、夹钳松开为自动控制。
本机具有体积小、操作轻便、噪音低、无粉尘污染、锯切质量好、切口内外无毛刺、生产效率高并可斜切各种角度等特点。
斜切是夹持位置不变,只要旋转机头至所需角度即可(在夹钳本体圆周上安装有角度标尺),该机占用空间小,是金属型材切断加工最理想、工效最快的锯切机床。
1.机器的安装机器必须安置于经过水平粉刷的水泥地面上,同时依照机器底座四角的螺孔用螺栓固定在地面上。
2.接通电源机器本身内部已预先接好电气线路,有一根引出的三相四线供接通电源用,其中有一根双色线为接地线。
3调试转向接通电源后,先打开电机器总开关,绿色指示灯即亮,旋转拉出紧急停止开关,然后拔开电机(变速)开关。
再踩下脚踏开关,机头即通电运转转动锯片轴,这时察看一下所转方向是否与锯片安全盖上的红色箭头方向一致。
如相反,则要切断电源,将引入电源的三相线中的任意两相对调,再按上述程序重新操作试转,直至锯片轴转向与箭头方向一致。
4.将约6kg/cm2的气源与机器后左侧的气门快速接头接通。
再把左侧门开关,观察气源调理器上气压表是否达到5-6kg/cm?,否则,将调理器(三点相合)手柄向上拉出调节至所需压力(顺时针为加大,逆时针为减小)然后把手柄往下压好,关门即可。
5.加注浓度为1:10的乳化液,至2/3水箱,作锯片冷却液。
6.调整锯切角度和所需锯切工件长度6.1角度调整:松开调整锯切角度锁紧手柄(向右移动),拔开角度定位块转动机头座,根据所需的角度,再锁紧锯切角度手柄(向左移动)即可。
此时,应特别注意:考虑锯片下切是否会锯切到两夹钳本身,如有这种可能,可移动两夹钳的位置保证在锯切时不切刀夹钳上。
金属圆锯机操作规程操作本机前,操作者必须详细阅读操作规程,操作者应熟悉本机的性能、结构等,或经培训后才能操作,并要遵守安全和交接班制度。
1.安全操作规程1.1操作本机器请戴上安全眼镜。
1.2必须在本机器所设计的功能范围内使用,以免发生不必要的危险。
1.3操作本机器不可穿宽松的衣服,也不可留长头发,以避免衣物被卷入机器。
1.4本设备设置紧停开关,请牢记紧停开关位置,当机器使用中有异常时,赶快按下开关,机器便立即停止。
请在处理并排除机器异常后再放开紧停开关以恢复工作。
1.5本设备进线电缆中一根双色线为机床外壳接地线,必须单独接地,接地电阻应符合国家规定标准执行。
1.6每次使用前必须确定锯片安全护盖护栏是否装妥。
1.7不要试着去锯切硬的材料。
本机器是用来锯切尚未硬化热处理前的金属材料。
1.8安装锯片(锯条)必须确实地遵守指示步骤,因为锯片(锯条)若没装好,很容易在锯切进行中破裂。
1.9确定被据切物已被夹钳牢固夹紧的情况下进行锯切,以保证锯切的安全。
1.10不能使用钝了齿的锯片(锯条)。
用钝了必须研磨复修后再使用。
2.操作规程2.1锯片(锯条)的装置根据所要锯切材料的尺寸大小,选择适当的锯片(锯条)厚度、外径以及齿数。
锯片选好后依下列步骤将锯片装上机器。
2.1.1把电源开关置OFF。
2.1.2打开锯片(锯条)安全护盖。
2.1.3将锯片刀盖取下,并将主轴法兰面、锯片及刀盖用洁净的布擦洁净,不成留下任何砂粒或铁屑。
2.1.4将锯片(锯条)装上,齿锋与刀盖箭头方向一致,装上刀盖,锁上螺丝,在未完全锁紧前将锯片向锯片转向相反方向拉一下,让刀盖的销面紧紧的压在锯片销孔上,然后用力锁紧螺丝。
2.1.5盖好锯片(锯条)安全护盖护栏,即完成锯片(锯条)装置工作。
若要拆下,逆着上述步骤即可。
2.1.6对于锯片(锯条)的选择或使用若有任何问题可以与生产厂家的服务人员联络。
2.2进刀行程深度调整留意:调整锯片进刀行程时,不成将锯切材料放入机台夹钳处。
金属圆锯机操作规程金属圆锯机是一种常用的金属加工设备,适用于加工各种金属管、棒材等圆形截面的材料。
在使用金属圆锯机进行加工时,必须按照一定的操作规程进行操作,以确保操作的安全性和加工的质量。
一、安全操作规程1.1 穿戴安全装备在使用金属圆锯机前,操作人员应穿戴好安全帽、手套、防护眼镜等安全装备,以免受到金属飞溅的伤害。
同时,还应穿戴不松脱的工作服,并将衣袖卷起,避免被夹到切片机内部。
1.2 确保机器稳定在使用金属圆锯机时,应确保机器处于稳定的状态,不得将其摆放在不平衡、不均匀的表面上。
使用机器前应先进行检查,以确保所有部件处于正常的状态。
1.3 遵守操作规程在使用金属圆锯机时,应遵守操作规程,避免进行不规范、危险的操作。
要特别注意金属切割时的规范动作,不得弯腰、交叉手臂等危险操作。
1.4 禁止随意操作使用金属圆锯机时,不得随意将手指或其他物体伸入切片机内部,也不能随意调整刀片的位置或加工头的高度。
二、操作流程2.1 准备工作在开始使用金属圆锯机之前,需要进行准备工作。
首先,应将金属圆锯机安置在平稳的地面上,并调整好工作台面高度。
其次,需要检查所要切割的金属材料,以便选择合适的齿形和切割速度。
2.2 安装切割刀片根据所选择的金属材料,选取合适的刀片,并在操作前进行装配。
在装配时,应先拆卸旧刀片,然后清洁机器内部,再安装新刀片,并且注意刀片的方向应与转动方向相同。
2.3 调整设备调整工作台面和刀头角度,以便获得最佳的切割效果。
可以根据加工的要求和对切割的理解,选择不同的角度和切割深度。
2.4 开始切割当进行切割时,应将金属材料放置于工作台面上,并调整好切割深度。
同时,开启切割机电源,并将切割头放置于材料上方,保证切割头始终保持垂直状态。
调整好切割角度和深度后,按下启动开关以开始切割。
2.5 整理工作面在结束切割后,需要将工作台面整理干净,以便下一个工作任务的顺利进行。
同时也可以将切下的材料整理好,方便后续的加工和使用。
金属圆切锯操作规程《金属圆切锯操作规程》一、目的本规程的目的是为了规范金属圆切锯的操作流程,确保操作人员的安全,并提高工作效率和产品质量。
二、操作前准备1. 确保金属圆切锯处于稳定的工作状态。
2. 检查刀片的磨损情况,如有磨损应及时更换。
3. 确保工件夹紧装置和切割深度调整装置正常工作。
三、操作步骤1. 将待切割的金属工件夹紧在工件夹紧装置上。
2. 打开金属圆切锯的电源开关,调整切割深度。
3. 启动金属圆切锯,待切割工件稳定后,开始进行切割操作。
4. 注意力集中,保持手部和身体远离刀片区域,避免意外伤害。
5. 切割完成后,关闭金属圆切锯的电源开关,等待刀片完全停止旋转后,再取出切割好的工件。
四、安全注意事项1. 操作人员在操作金属圆切锯时,必须戴上安全眼镜和手套。
2. 切割过程中,不得用手触摸刀片及加工工件,避免发生伤害。
3. 切割时要保持周围环境整洁,避免杂物进入刀片区域。
4. 切割完成后,及时清理工作台和设备,确保安全。
五、故障处理1. 当切割过程中出现异常声音或异味时,应立即停止切割操作,检查设备是否故障。
2. 若设备发生故障,应立即通知维修人员进行处理,切勿私自拆卸或维修。
六、操作结束1. 操作人员应及时关掉电源开关,清理工作台和设备。
2. 对金属圆切锯进行日常维护和保养,保持设备的良好状态。
七、注意事项1. 本规程所述操作步骤仅供参考,具体操作时应以设备说明书中的操作流程为准。
2. 操作人员必须经过专业培训,并持有相应的操作证书,方可进行操作。
通过严格遵守《金属圆切锯操作规程》,可以保证金属切割工作的安全和高效进行,减少意外事故的发生,也能提高工作质量和效率。
電腦切管機使用說明書
JS-100
操作说明
在使用本系统之前,请务必熟读该操作说明书,以便正确使用并充分发挥其优越性能。
一、系统结构
本系统由控制器+显示器+驱动器组成,附带一条通信线。
二、操作说明
1、按键说明:
完
停止按键也可当退出按键。
手动退产,在自动状态无效。
上一页按键。
下一页按键。
手动送料,在自动状态无效。
手动切断。
手动/自动转换按键。
2进行修改)
● 状态:有“停止、运行、急停、手动送料、手动退料、产量完成、批量完成”。
● 自动:按 可切换成手动;再按 又可换回手动。
● 长度:切料的长度。
● 总量:设置为0,表示无限次,设置大于0,达到此数后会自动停机。
● 计数:当前产量。
● 批量:表示每批的数量。
● 自动速度:有1~9档可调。
●切刀次数:有1~9次可调。
●手动速度:有1~9档可调。
●延时:每次切断后的延长时间。
●比例:当实际长度与设定长度误差大时修改此参数。
例如:设定长度为100㎜,而切出来的实际长度为98㎜,新长度比例= 比例×实际长度 = 0.01234×98
总长度100
= 0.0120932
●起速度:电机的起步速度,建议设800~1500。
●加速度:电机的加速度,建议设置范围5000~30000。
●减速度:电机的减速度,建议设置范围5000~30000。
切管机床设备操作说明尊敬的用户,您好!感谢您购买我们的切管机床设备。
为了确保您正确、安全地操作设备,我们特为您提供详细的操作说明,以下是对切管机床设备的操作步骤和注意事项的描述。
一、设备概述切管机床设备是一种用于管材切割的机械设备,主要应用于建筑、工程以及管道制造等行业。
它能够高效、精准地完成管材的切割工作,提高工作效率,并保证切割质量。
二、操作步骤1. 设备准备- 将切管机床设备放置在平稳、坚固的工作台上,并确保底座稳固。
- 接通设备电源,并确保电源电压与设备标识一致。
- 检查设备的切割刃和夹具等是否安装正确并牢固。
2. 材料准备- 准备需要切割的管材,并根据要求进行测量、标记。
- 确保管材表面没有明显的凹凸或损伤,以免影响切割质量。
3. 设备操作- 打开设备的切割刃保护盖,并将管材夹持进切割区域。
注意要确保管材稳固夹紧,以免移动或滑动。
- 根据需要,调整切割速度和切割压力。
一般情况下,对于不同材质和管径的管材,需要调整切割参数。
- 按下启动按钮,开始切割。
请注意,切割刃运转时,请勿用手或其他物品接触切割区域,以免发生意外伤害。
- 完成切割后,请等待切割刃完全停止运转,然后再打开夹紧装置,取出切割好的管材。
三、注意事项1. 安全第一- 在操作设备前,请务必佩戴好防护眼镜、手套和其它个人防护装备,以保障您的个人安全。
- 切割刃极其锋利,请勿用手直接触碰,切割过程中请远离切割区域,以免发生伤害。
- 在清理切割废料和维护设备时,务必先切断电源,以防意外启动设备。
2. 定期维护- 请按照设备说明书中的要求对设备进行定期维护,保持设备的正常运行状态。
- 清理切割刃和夹持装置,以确保设备的切割质量和工作效率。
- 定期检查设备电源线、插座和开关等是否正常,发现问题及时修理或更换。
3. 禁用非法操作- 请不要使用设备进行超出规定范围的切割或操作,以免损坏设备或发生意外。
- 请勿将管材材料输送到设备切割区域的同时进行其他操作,以免造成危险。
金属圆锯机操作规程一、安全注意事项1. 操作前必须穿戴好个人防护装备,包括安全帽、口罩、护目镜、防护手套等。
2. 操作人员必须经过专业培训,熟悉金属圆锯机的操作要领和安全规定。
3. 操作前需检查金属圆锯机各项功能是否正常,如传动系统、切割刀片等。
4. 工作区域必须保持干燥、整洁,杂物必须清除,以防干扰操作。
5. 长发、宽松衣物和个人饰物必须固定好,以防被卷入刀片。
6. 穿戴好防滑鞋,以确保站稳。
7. 要始终保持警觉,集中注意力,不得有分心或打闹的行为。
二、操作步骤1. 打开电源总开关,并确保电源电压符合机器要求。
2. 调节合适的切割速度和切割角度,根据工件材质选择适当的切割刀片。
3. 将待切割的金属工件固定在切割台上,并确保其牢固稳定。
4. 调整切割刀片的切割深度,使其适应工件的厚度。
5. 握住手柄,确保手部不会被切割刀片和其他零部件碰撞到。
6. 按下起动按钮,使金属圆锯机开始工作,并将刀片缓慢移动至工件上。
7. 在移动刀片时,必须保持稳定和均匀的推进速度,不可过快或过慢。
8. 切割过程中,必须时刻观察切割线是否正确,并留意机器是否异常。
9. 当切割完毕后,要及时松开切割刀片,并等待其完全停止后再放下切割台。
10. 关闭电源总开关,断开电源供应。
三、常见问题及处理方法1. 切割刀片卡住了,无法继续推进。
处理方法:停机后,先关闭电源,使用专用工具解除刀片卡住的原因,再重新开始操作。
2. 切割刀片损坏了,无法继续使用。
处理方法:停机后,关闭电源,更换新的切割刀片,再重新开始操作。
3. 切割过程中发生断电,无法继续工作。
处理方法:先停机,检查电源线是否松动或断裂,重新连接并确保稳定后,再重新开始操作。
四、日常维护1. 定期清洁金属圆锯机各个零部件,保持其清洁和干燥。
2. 检查切割刀片是否磨损,如磨损严重,要及时更换。
3. 定期给金属圆锯机加注润滑油,确保其传动系统的正常运转。
4. 定期保养金属圆锯机,检查各个零部件是否有松动、磨损或老化现象,如有必要,要及时维修和更换。
金属圆锯机操作规程一、操作前准备1.确保工作区域整洁、干燥,远离易燃物品和危险区域。
2.检查金属圆锯机是否正常运转,刀具是否锋利,供电是否稳定。
3.根据需要,选择合适的切削速度和力度,调整切割深度。
二、安全防护1.穿戴安全装备,包括护目镜、防护手套、耳塞等。
2.禁止戴长发、挂饰物等易被卷入的物品,保持衣物整洁。
三、操作技巧1.把切割物件固定在工作台上,确保稳定不会滑动。
2.使用工具仅限专业人员,未经培训者禁止操作。
3.确保双手干燥,避免滑动。
4.保持集中注意力,避免转移注意力造成的事故。
5.将电源关闭后,等待刀盘停止旋转,再操作切换或者更换刀具。
四、切割操作1.确认工件安全,无故障和松动。
2.精确测量和标记需要切割的尺寸和位置。
3.将加工物件与刀盘对准,确保切割过程中的稳定。
4.手握切割物件的坚定支撑地方,避免手指陷入切割线。
5.确保切削过程的平稳和均匀,避免出现过大的振动。
6.禁止向工件之外伸手或近距离观察切割过程。
五、切割结束1.切割结束后,及时关闭电源,将切割机器清洁,避免切割涂料、金属屑和木屑等积存。
2.将使用过的刀具安全放置,避免误伤。
3.清理工作区域,保持整洁。
4.定期检查和维护设备,以确保其正常运行。
六、事故处理1.在操作中遇到异常情况,立即停止操作,并向主管或相关人员报告。
2.发生事故时,立即停止设备运行,采取相应措施,提供急救。
总结金属圆锯机操作规程是为了确保工作安全、提高效率而制定的,操作人员应严格遵守,以减少意外事故的发生。
同时,保持设备清洁和定期维护也是保障操作安全的重要环节。
只有正确使用金属圆锯机,才能更好地发挥其作用,提高工作效率。
金属圆锯机操作规程正式版一、操作前准备1.检查金属圆锯机的电源是否正常,并接入有效的接地插座。
2.检查机器的机械部件是否完好,如刀盘、导向轮、夹紧装置等。
3.确认锯片的固定螺丝是否紧固,锯片是否磨损、变形或有裂痕。
4.根据要加工的金属材料选择合适的锯片,并确保安装正确。
二、操作过程1.佩戴防护装备,包括安全眼镜、耳塞、工作手套和防护服等。
2.调整金属圆锯机的切割深度和切角,确保符合要求。
3.将待加工的金属材料放置在工作台上,并通过夹紧装置固定住,防止材料在切割时移动。
4.开启金属圆锯机的电源开关,然后开启冷却泵,确保锯片保持冷却并防止过热。
5.运行金属圆锯机,将锯片缓慢下降至金属材料上,进行切割。
6.在切割过程中,保持锯片与金属材料保持垂直,切割速度均匀,避免过快或过慢。
7.若需要调整切角或切割深度,应在停止金属圆锯机后进行,切勿在运行中进行调整。
8.切割结束后,关闭电源开关,并等待锯片完全停止旋转后,方可将加工件取出。
三、安全注意事项1.操作金属圆锯机时,应集中注意力,避免分心或操作过于疲劳。
2.禁止将手指、手部或其他身体部位靠近正在旋转的锯片,以免引发危险。
3.长时间连续作业后,金属圆锯机可能会产生过热,应注意避免触碰热表面。
4.在进行切割时,应确保金属材料的两端固定牢固,避免材料在切割过程中晃动。
5.注意金属圆锯机切割过程中产生的金属屑和切割液,及时清理,避免积累过多。
6.若在切割过程中发现异常情况,如异响、材料卡住等,应立即停机,并检查故障原因。
7.禁止未经培训和授权的人员操作金属圆锯机,确保操作人员具备相关的操作知识和技能。
四、日常维护1.每日使用后,应对金属圆锯机进行清洁,清除切割液和金属屑,保持机器清洁干燥。
2.定期检查锯片的磨损情况,若发现磨损严重或有裂痕的锯片,应及时更换。
3.每季度对金属圆锯机进行全面检查,检查机械部件的紧固情况和功能是否正常。
4.定期对电源开关和控制面板进行检查,确保电气部分安全可靠。
金属圆锯机操作规程
前言
金属圆锯机是一种用于切割金属材料的机械设备,能够高效地进
行切割工作,但其操作过程需要掌握一定技巧,否则会造成安全事故。
为了保证安全和高效地使用金属圆锯机,我们编写了以下操作规程,
以供参考。
操作前准备
1.仔细查看液压机构、电气系统和机械运动部件,确保其正
常运行;
2.检查锯片,确认其无损坏;
3.戴好手套、护目镜、耳塞等个人防护装备;
4.接地金属圆锯机,确保其绝缘性能良好。
金属圆锯机操作流程
1.打开电源,按照要求设定金属圆锯机切割参数;
2.打开液压压力开关,使锯切入金属材料;
3.监控切割过程,严禁将手部或其他物品靠近刀片区域;
4.切割结束时,关闭液压压力开关,等待锯片停止运转;
5.切割过程中如发生异常情况,立即停止金属圆锯机并检查
原因。
注意事项
1.严禁在电气系统和液压系统工作时带戴金属物品,以防止
受到电击或液压油喷溅等伤害;
2.严禁在锯片运转时触碰锯片或将手部及其他物品靠近锯片;
3.使用前应确保自身安全无虞,避免在疲劳、饮酒等情况下
操作;
4.切割结束后应及时清理切割区域的碎屑。
总结
金属圆锯机虽然具有高效的切割能力,但在使用过程中安全事故
仍时有发生。
因此,在进行操作前应充分了解金属圆锯机的使用规程
和注意事项,加强自身防护意识,以保证人身安全和设备正常运行。
切管机操作说明一、引言切管机是一种常见的机械设备,用于切割各种类型的管道。
本文将详细介绍切管机的操作步骤及注意事项,以帮助用户正确、安全地操作切管机。
二、设备准备在开始操作切管机之前,请确保已完成以下准备工作:1. 确认切管机的工作状态良好,无损坏或故障。
2. 确保切割刀具安装正确、牢固,无松动。
3. 验证切管机的电源连接稳定可靠,并确认电源电压与切管机要求相符。
4. 准备好所需的工作材料,如管道、切割液等。
三、操作步骤1. 安全准备a. 穿戴适当的个人防护装备,如手套、护目镜等。
b. 将切管机稳固地放置在平坦的工作台面上,并确保其四周没有任何杂物。
c. 将切管机的安全保护装置设置到适当的位置,以确保操作过程中的安全性。
d. 开启切管机的电源开关,确保切管机处于正常工作状态。
2. 调整切割尺寸a. 根据需要切割的管道尺寸,调整切管机上的切割夹具,使其能够固定住管道并确保切割位置准确。
b. 调整切割刀具的位置和切割深度,以满足所需切割尺寸。
3. 进行切割a. 将待切割的管道放入切割夹具中,并用夹紧装置固定住管道。
b. 通过按下启动按钮或拉动启动手柄,启动切管机的切割机构。
c. 轻轻地向下推动切管机的切割手柄,使切割刀具开始切割管道。
d. 使用适当的力量和速度向前推动切割手柄,保持切割的稳定和均匀。
四、注意事项1. 操作前务必仔细阅读并理解切管机的操作手册,严格按照要求进行操作。
2. 在操作过程中,要特别注意个人安全,避免触碰切割刀具或其他容易造成伤害的部位。
3. 使用切割液可以提高切割效果,但要注意避免切割液溅到皮肤或眼睛,必要时应佩戴防护装备。
4. 注意切割深度的控制,避免过度切割或切割不够。
5. 定期检查切割刀具的磨损情况,如有需要及时更换,并确保安装正确。
五、操作结束1. 切割完成后,立即关闭切管机的电源开关。
2. 将切管机清洁干净,包括清除切割夹具中的碎屑和切割液,以确保下次使用前的安全和卫生。
金属圆锯机作业指导书1000字一、前言金属圆锯机作为一种特殊机械,广泛应用于金属材料的加工领域,具有高效、精确和稳定的特点。
本文就如何正确使用金属圆锯机进行操作指导,以现有标准和经验教训为基础进行编写。
二、安全操作指南1.在操作金属圆锯机前,必须认真阅读使用说明书并遵循各项安全规定。
如果没有足够的经验和知识,请不要使用。
2.在使用前,需要检查切割刀片及拆卸卸盘是否安装正确。
如出现异常,应立即停止作业,并请相关机械工程师进行检查和维修。
3.请勿随意调节切割刀片等重要部件,如有必要,请联系专业工程师进行调整。
4.在开机前,必须仔细检查电源、电线等设施是否符合安全标准,并确保它们与金属圆锯机适配。
5.操作过程中不要戴手套,不要穿带波带扣的衣服,以免拉扯,影响安全。
6.断开电源前,必须先将金属圆锯机切断电源。
然后,才可以进行各种清洁和维护操作等。
三、正确的工艺指导1. 合理选择齿数和尺寸在使用金属圆锯机之前,必须确认要加工材料的截面积和硬度情况。
并根据工件的要求,选用合适的锯片。
低硬度材料折射齿锯就可发挥出其优势.2. 注重润滑和冷却在加工金属时,其热胀冷缩和切削剩屑容易影响刀具的使用寿命和切削质量。
因此,必须将切削工具与切割液一起使用,降低热量。
3. 计算进给量在加工时,进给量的选择直接影响加工效率和加工表面质量。
以太钢为例,消耗少的材料平均进给量应控制在0.05mm/r,而卡宾钢进给量应控制在0.1mm/r。
4. 检验正负间隙正负间隙是这种圆锯机非常关键的部分之一,它对于金属材料的加工有很大的影响。
整个切削过程需要明确正负间隙和切削厚度等参数,并做出相应调整,以达到最佳加工效果。
5. 严格执行停机操作当金属圆锯机的加工过程结束时,应将锯片立即停止,关闭电源,并等待停止后再拆卸加工件。
在拆卸切割刀片时,需特别小心,以防被锯片划伤。
四、主要注意事项1. 在加工之前先对加工设备进行检查,避免安装不当和杂物混入.2. 使用润滑剂和冷却剂可大为降低材料的热量和杂质,使加工更加平稳和安全.3. 正负间隙对切割效果影响很大,所以必须认真调整.4. 进给速度是影响加工效率和加工表面质量的一个重要因素.5. 对于各种材料,要根据不同情况选用合适的材料和合适的锯片.总之,正确使用金属圆锯机,不仅关系到金属制品的质量和生产效率,还涉及到人身安全等多方面问题. 所以说切勿大意。
切管机设备操作说明一、设备概述切管机是一种常用于工程建设、管道安装及维修等任务的机械设备。
本文将详细介绍切管机的操作步骤及注意事项,以确保安全高效地使用该设备。
二、设备准备在操作切管机之前,需要进行以下准备工作:1. 确保切管机设备完好,并进行必要的检查和维护。
2. 准备适用于不同管径的切割刀,确保刀片锋利。
3. 检查电源线路是否正常,插头是否接地可靠。
三、操作步骤请根据以下步骤正确操作切管机:1. 将切管机放置在平稳的工作台上,并固定好。
2. 根据管道直径选择合适的切割刀,并安装到切管机上。
3. 将待切割的管道放置于切管机的切割位置,并确保管道牢固。
4. 打开切管机的电源开关,调整切割速度和刀片旋转方向。
5. 将切割刀轻轻推入管道中,开始切割操作。
需保持稳定的切割速度,不可用力过猛。
6. 当切割完成后,关闭电源开关,并等待切割刀完全停止旋转。
7. 将切割好的管道取出,并进行必要的后续处理。
四、注意事项在操作切管机时,请遵循以下注意事项:1. 操作人员应熟悉切管机的使用手册,并穿戴好必要的个人防护装备。
2. 在切割操作中,应保持专注集中,避免分心或疲劳操作。
3. 切割刀锋利,请小心操作以避免手部或其他身体部位被误伤。
4. 在操作结束后,应及时关闭切管机的电源开关,并清理切割位置的管道碎片和切割刀。
5. 若在切割过程中出现异常情况,如异响或设备故障,请立即停止操作并寻求专业维修人员的帮助。
五、维护保养为确保切管机设备的正常工作和寿命,需进行定期的维护保养:1. 每次使用后,应对切割刀进行清洁,并检查刀片是否磨损。
2. 定期加油润滑切管机的运动部件,确保其灵活可靠。
3. 不使用时,应将切管机放置在干燥通风的地方,避免长时间暴露在潮湿环境中。
六、总结切管机是一种重要的工程设备,合理使用和维护对工程建设和管道安装具有重要意义。
通过本文所介绍的切管机操作说明,相信您已经对如何正确操作和保养切管机设备有了较为详尽的了解。
金属圆锯机操作规程摘要:本文介绍了金属圆锯机操作规程,包括操作前的准备工作、安全注意事项以及操作步骤、维护保养等方面,以确保操作人员的安全和设备的正常运行。
操作前的准备工作1.确认圆锯机是否符合工作要求,如切割材料的厚度,圆锯盘的直径等。
2.清理工作区域,确保周围无杂物,防止工作时发生意外。
3.穿戴个人保护装备,包括安全鞋、安全帽、安全眼镜和口罩等。
安全注意事项1.在操作圆锯机时,切勿戴手套。
2.切割金属时,要穿戴适当的耳塞,以避免噪音对听力的伤害。
3.强烈建议使用防护护目镜,以防虫击伤眼睛。
4.严格禁止在操作时穿戴宽松或镶有飘带的衣物,以免卡入刀片或转鼓中。
5.在操作前检查刀片是否锋利,如果发现问题请立即更换。
操作步骤1.打开圆锯机盖板,将金属材料准确放置在上面。
2.关闭盖板,按下启动按钮使圆锯机开始正常工作。
3.防止扭曲:圆锯切割的表面边缘可能会对较薄部分产生扭曲。
特别是对于直径较小的金属切割,操作人员必须掌握较高的技能水平,否则就需要使用其他加工方式来避免这种情况的发生。
4.在切割过程中,必须控制切割速度,不要强行加速或减速。
5.一旦切割完成,立即停止圆锯机,并将红色按钮闩向下移动以关闭机器。
维护保养1.保持圆锯机的清洁。
在操作后,清除切割部分周围和下部区域的杂物和金属碎屑。
2.定期检查锯片,确认其状况并根据需要进行修整或更换。
3.注意润滑切割部件。
油润切割部件可以减轻摩擦,提高圆锯机的效率,同时还可以减少机器的噪音。
总结金属圆锯机是一种非常重要的工具,但操作不当可能会给人造成伤害,甚至导致损失。
因此,在使用圆锯机时,了解安全规程、遵守操作步骤以及经常维护设备,是保障人员安全以及设备正常运作的关键。
金属圆锯机安全操作规程金属圆锯机安全技术操作规程1、操作本机前,操作者必须详细阅读操作说明书,或经培训后才能操作。
3、打开电源开关,试转转向,拧出紧急制动开关、关闭调速阀(顺时针转向)。
4、装上锯片,齿尖方向要与所标箭头方向一致。
5、调整锯片行程:按下启动按纽或踩踏开关(不可连踩两次)。
让机头空载运转。
将进刀调速阀稍微拧开一点(逆时针转向)。
机头慢慢下沉,直到锯片能切到被切物为止立刻关闭进刀调速阀,使机头停止升降,把下行程调整螺栓往上拧到限位,然后微拧进刀调速阀,使机头慢动作上升,待升到被切物上方10MM后,再关闭阀,使机器停止上升,把上行程螺栓往下拧至限位。
6、试夹材料:把材料放入夹钳内,用手轮使夹钳夹紧材料以后,退松半圈手轮,并锁紧螺帽;再将材料抽至一边夹块内(以物件不被锯切为准),按下启动开关试夹材料是否被夹紧,否则在锯切时会损坏锯片。
7、材料试切:把资料变形或有毛边的一头伸入一面夹块,按下启动开关或脚踏开关将其锯切。
7、正常锯切按所需长度调整好限位挡板并固定,将工件送至限位挡块,便(30)可踏一次脚踏开关,举行一次锯切。
8、机器在接线通电前,必须安全接地,以确保安全,机器外部未接地不得使用。
9、本机设有应急按钮,如遇紧急情况时可按应急按钮,使机器立即停止工作。
10、开机前应先检查锯片安全罩是否安装牢靠。
11、装置锯片时一定要切断电源,应用干净的纱布将锯片、锯片轴和刀盖擦干净。
12、锯片的选配应留意锯片齿数与管壁相匹配,以及锯齿方向要与旋转箭头方向一致,并用手将锯片向上稍抬一下后并紧螺钉。
以消弭锯片装配间隙。
13、工件装夹必须夹紧牢靠,否则易损坏锯片。
16、工作结束后要切断一切电源,清扫和清洗工作台和夹钳上的一切杂物,坚持机器周围环境整洁。
17、蜗轮箱内换油:第一次换油是在新机器事情24小时后,第二次换油在机器事情一星期后,第三次换油在机器事情一个月。
金属圆锯机操作规程范本一、【操作前准备】1. 工作人员应穿戴好工作服,并戴上必要的防护用品,如安全帽、护目镜、耳塞等。
2. 确保工作区域没有杂物和障碍物,确保工作环境清洁整齐。
3. 检查金属圆锯机的电源线是否完好,并接好地线,确保电源正常。
4. 检查切割刀片是否装好,锁紧刀片螺丝。
5. 检查金属圆锯机的安全装置是否完好,如刀盘保护罩、断电保护开关等。
6. 确保操作者已经掌握基本的使用技能,并具备相关的操作经验。
二、【操作步骤】1. 将待切割的金属材料放置在工作台上,并用夹具固定好,确保材料牢固不动。
2. 打开金属圆锯机电源开关,并确认电源指示灯正常亮起。
3. 使用双手紧握手柄,将材料缓慢推向刀片,观察刀片与材料的切割情况。
4. 注意保持身体平衡,不要过度用力,以免影响操作稳定性。
5. 切割时要保持刀片与材料垂直,确保切割线平整、整齐。
6. 不要过度挤压材料,以免因材料过硬或过厚而导致切割刀片受损。
三、【注意事项】1. 在操作金属圆锯机时,不要戴手套或长袖衣物,以免绕入刀盘造成伤害。
2. 切割结束后,应立即关闭电源开关,切断电源,并等待刀盘停止转动才能离开工作区域。
3. 切割过程中,禁止随意停止或更换刀盘,以免造成意外伤害。
4. 切割过程中,禁止用手或其他物品接触刀片,以免发生伤害。
5. 当切割刀片出现异常响声、卡住或异物卡在刀片上时,应立即停止操作,切断电源,并进行检查和清理。
四、【维护保养】1. 切割结束后,及时清理金属圆锯机的刀盘和工作台,保持整洁。
2. 定期检查金属圆锯机的各种安全装置和机件,如发现异常或损坏,应及时维修或更换。
3. 定期给金属圆锯机的关键部位加注润滑油,确保机器顺畅运转。
4. 不适用金属圆锯机时,应将机器存放在干燥、通风的地方,避免湿气和灰尘对机器的损害。
五、【事故应急处理】1. 如发生意外伤害,应立即停止操作,寻求及时的医疗救助。
2. 如发生机器异常、漏电等情况,应立即切断电源,并寻找专业人员进行维修。
台州台霖机械有限公司
一、概况
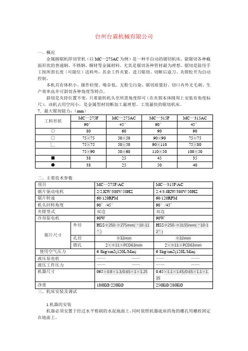
金属圆锯机即切管机(以MC—275AC为例)是一种半自动的锯切机床。
能锯切各种截面形状的普通钢、不锈钢、铜材等金属材料,尤其是锯切各种管材最为理想。
锯切是除用手工按所需长度(可限位)送料外,其余工件夹紧,进刀锯切、切断后退刀、夹钳松开为自动控制。
本机具有体积小、操作轻便、噪音低、无粉尘污染、锯切质量好、切口内外无毛刺、生产效率高并可斜切各种角度等特点。
斜切是夹持位置不变,只要旋转机头至所需角度即可(在夹钳本体圆周上安装有角度标尺),该机占用空间小,是金属型材切断加工最理想、工效最快的锯切机床。
1.机器的安装
机器必须安置于经过水平粉刷的水泥地面上,同时依照机器底座四角的螺孔用螺栓固定在地面上。
2.接通电源
机器本身内部已预先接好电气线路,有一根引出的三相四线供接通电源用,其中有一根双色线为接地线。
3调试转向
接通电源后,先打开电机器总开关,绿色指示灯即亮,旋转拉出紧急停止开关,然后拔开电机(变速)开关。
再踩下脚踏开关,机头即通电运转转动锯片轴,这时察看一下所转方向是否与锯片安全盖上的红色箭头方向一致。
如相反,则要切断电源,将引入电源的三相线中的任意两相对调,再按上述程序重新操作试转,直至锯片轴转向与箭头方向一致。
4.将约6kg/cm2的气源与机器后左侧的气门快速接头接通。
再把左侧门开关,观察气源调理器上气压表是否达到5-6kg/cm?,否则,将调理器(三点相合)手柄向上拉出调节至所需压力(顺时针为加大,逆时针为减小)然后把手柄往下压好,关门即可。
5.加注浓度为1:10的乳化液,至2/3水箱,作锯片冷却液。
6.调整锯切角度和所需锯切工件长度
6.1角度调整:松开调整锯切角度锁紧手柄(向右移动),拔开角度定位块转动机头座,根据所需的角度,再锁紧锯切角度手柄(向左移动)即可。
此时,应特别注意:考虑锯片下切是否会锯切到两夹钳本身,如有这种可能,可移动两夹钳的位置保证在锯切时不切刀夹钳上。
6.2安装好挡料棒,根据锯片右侧到挡料块左侧尺寸,移动挡料块至所需尺寸再锁紧。
7.空载试机次数:无异常后切断电源,装好锯片,锯片齿尖方向要与安全盖上箭头所示方向相同,并锁紧确定无误后再开机。
8.上、下限行程两调节螺钉的调整:
松开启动扳手上两螺钉,关闭进刀调速阀,按启动按钮或踩脚踏开关,让机头空载运转,再把进刀调速阀稍微拧开一点(逆时针即为开),让机头缓慢进刀,是启动扳手处于水平位置,关闭进刀调速阀,用4mm内六角扳手调整两螺钉,两螺钉碰到行程开关即可,后锁紧两螺钉上螺母。
9.调整锯片行程
关闭进刀调速阀,按下启动按钮图或踩下脚踏开关,让机头空载运转,再把进到调速阀稍微拧开一点,让机头慢慢进刀,直至锯片能切断工件后约2-3mm为止,再关闭进刀调速阀,使机头停止,把行程调整螺母往上拧到限位,然后将进刀调速阀稍打开一点,使机头上升,待升到离被锯切工件高15mm左右后,再把进刀调速阀关闭,使机头停止,然后把行程调整螺母往下拧到限位。
10.试夹料把工件放入夹钳内,转动手轮使夹钳夹紧工件之后,再退松约半圈左右,关闭电源开关,观察材料是否被夹紧,调整适当后将锁紧螺母拧紧,让后将材料抽至一边夹块内(以下被锯片锯切到为准)。
按下启动按钮试夹,确信试夹材料确实被夹紧后,再进行正常锯切,否则在锯切时会损坏锯片。
四、操作说明
1.打开电源开关,旋转拉出紧停开关,夹钳由夹紧状态自动变为送开状态,待工件放入夹钳后,打开冷却液开关,按启动按钮或踩一下脚踏开关,试工件夹紧,锯片旋转,0.6-0.8秒后(时间继电器TC调定值),开始进刀锯切。
2.进行第一次锯切(料头)。
台霖机械专业提供:弯管机,单弯机,成型机,切管机,倒角机,缩管机,双弯机
台霖专业提供:洁具弯管机,保险杠弯管机,空调弯管机,铝管弯管机,空调用弯管机,数控液压弯管机,全自动数控液压弯管机,钛合金管弯管机,三维数控液压弯管机,自动液压弯管机,卫浴弯管机,自动数控弯管机,摩托车保险杠弯管机,简单型三维液压弯管机,刹车油管弯管机,液压弯管机,全自动数控弯管机,触屏控制单弯机,钢管成型机,不锈钢管成型机,不锈钢成型机,铜管成型机,铝管成型机,钛合金管成型机,半自动切管机,铝管切管机,铜管切管机,不锈钢管切管机,管端倒角机,半自动倒角机,锥度缩管机
产品目录:
(弯管机系列)全自动弯管机CNC型,立体弯管机NCMP型,液压弯管机NC型,双头弯
管机DB型
(切割机系列)全自动切管机,手动型切管机,气动型切管机,半自动铝铜材切割机
(缩管机系列)单头缩管机,双头缩管机
(倒角机系列)半自动单头倒角机,自动双头倒角机
百度搜索“台霖机械”。