50210-2001验收规范门窗条文
- 格式:doc
- 大小:63.50 KB
- 文档页数:3
断桥铝门窗的质量检查规范1. 概述断桥铝门窗因其优良的保温、隔热性能,以及出色的耐用性和美观性,在建筑行业中得到了广泛的应用。
为确保断桥铝门窗的质量满足设计和使用要求,特制定本质量检查规范。
2. 检查依据- 《建筑装饰装修工程施工质量验收规范》(GB 50210-2001)- 《铝合金门窗》(GB/T 8478-2020)- 设计文件及合同要求3. 检查项目3.1 材料检查3.1.1 铝合金- 材质应符合GB/T 8478-2020的要求,确保具有良好的强度、硬度和耐蚀性。
- 表面应光滑,无明显凹陷或变形等缺陷。
3.1.2 隔热条- 材质应符合相关国家标准,具有良好的高强度和稳定性。
- 尺寸应满足设计要求,与铝合金型材结合紧密,无明显缝隙。
3.1.3 玻璃- 玻璃应符合GB 15763.2-2005的要求,确保具有良好的透明度和强度。
- 厚度、尺寸及加工应满足设计要求。
3.2 加工质量3.2.1 型材加工- 型材表面应平整,无明显凹陷或变形。
- 型材尺寸应满足设计要求,公差应在允许范围内。
3.2.2 组装质量- 断桥铝门窗组装应牢固,连接部位应严密,无明显缝隙。
- 隔热条与铝合金型材结合应紧密,不得有松动现象。
3.2.3 外观质量- 断桥铝门窗表面应平整,色泽一致,无明显划痕、凹陷等缺陷。
- 配件应安装到位,功能正常,表面应光滑,无明显磨损。
3.3 安装质量3.3.1 安装工艺- 安装应按照设计文件和施工规范进行,确保牢固可靠。
- 安装过程中应采取措施防止型材变形或损坏。
3.3.2 安装精度- 断桥铝门窗安装位置、尺寸、倾斜度等应满足设计要求。
- 框与墙体之间的缝隙应均匀一致,满足密封要求。
3.3.3 密封质量- 密封条应安装到位,密封性能应良好,无明显缝隙。
- 玻璃与框、隔热条与框之间的密封应严密,防止水汽渗透。
4. 检查方法- 观察检查:通过肉眼观察,检查断桥铝门窗的外观质量、组装质量和安装质量。
铝合金门窗安装施工工艺标准依据标准:建筑工程施工质量验收统一标准GB50300-2001建筑装饰装修工程施工质量验收规范GB50210-2001 1、范围本工艺标准适用于工业与民用建筑的铝合金门窗安装;2、施工准备2.1材料及主要机具:2.1.1铝合金门窗:规格、型号应符合设计要求,且应有出厂合格证;2.1.2铝合金门窗所用的五金配件应与门窗型号相匹配;所用的零附件及固定件最好采用不锈钢件,若用其它材质,必须进行防腐处理;2.1.3防腐材料及保温材料均应符合图纸要求,且应有产品的出厂合格证;号以上水泥;中砂按要求备齐;2.1.5与结构固定的连接铁脚、铁接铁板,应按图纸要求的规格备好;并做好防腐处理;2.1.6焊条的规格、型号应与所焊的焊件相符,且应有出厂合格证;2.1.7嵌缝材料、密封膏的品种、型号应符合设计要求;2.1.8防锈漆、铁纱或铝纱、压纱条等均应符合设计要求,且有产品的出厂合格证;2.1.9密封条的规格、型号应符合设计要求,胶粘剂应与密封条的材质相匹配,且具有产品的出厂合格证;主要机具:铝合金切割机、手电钻、圆锉刀、半圆锉刀、十字螺丝刀、划针、铁脚、圆规、钢尺、钢直尺、钢板尺、钻子、锤子、铁锹、抹子、水桶、水刷子、电焊机、焊把线、面罩、焊条等;2.2作业条件:2.2.1结构质量经验收后达到合格标准,工种之间办理了交接手续;2.2.2按图示尺寸弹好窗中线,并弹好+50cm水平线,校正门窗洞口位置尺寸及标高是否符合设计图纸要求,如有问题应提前剔凿处理;2.2.3检查铝合金门窗两侧连接铁脚位置与墙体预留孔洞位置是否吻合,若有问题应提前处理,并将预留孔洞内的杂物清理干净;2.2.4铝合金门窗的拆包检查,将窗框周围的包扎布拆去,按图纸要求核对型号,检查外观质量和表面的平整度,如发现有劈棱、窜角和翘曲不平、严重超标、严重损伤、外观色差大等缺陷时,应找有关人员协商解决,经修整鉴定合格后才可安装;2.2.5认真检查铝合金门窗的保护膜的完整,如有破损的,应补粘后再安装;3、操作工艺3.1工艺流程弹线找规矩→门窗洞口处理→门窗洞口内埋设连接铁件→铝合金门窗拆包检查→按图纸编号运至安装地点→检查铝合金保护膜→铝合金门窗安装→门窗口四周嵌缝、填保温材料→清理→安装五金配件→安装门窗密封条→质量检验→纱扇安装3.2弹线找规矩:在最高层找出门窗口边线,用大线坠将门窗口边线下引,并在每层门窗口处划线标记,对个别不直的口边应剔凿处理;高层建筑可用经纬仪找垂直线;门窗口的水平位置应以楼层+50cm水平线为准,往上反,量出窗下皮标高,弹线找直,每层窗下皮若标高相同则应在同一水平线上;3.3墙厚方向的安装位置:根据外墙大样图及窗台板的宽度,确定铝合金门窗在墙厚方向的安装位置;如外墙厚度有偏差时,原则上应以同一房间窗台板外露尺寸一致为准,窗台板应伸入铝合金窗的窗下5mm为宜;3.4安装铝合金窗披水:按设计要求将披水条固定在铝合金窗上,应保证安装位置正确、牢固;3.5防腐处理:3.5.1门窗框两侧的防腐处理应按设计要求进行;如设计无要求时,可涂刷防腐材料,如橡胶型防腐涂料或聚丙烯树脂保护装饰膜,也可粘贴塑料薄膜进行保护,避免填缝水泥砂浆直接与铝合金门窗表面接触,产生电化学反应,腐蚀铝合金门窗;3.5.2铝合金门窗安装时若采用连接铁件固定,铁件应进行防腐处理,连接件最好选用不锈钢件;3.6就位和临时固定:根据已放好的安装位置线安装,并将其吊正找直,无问题后方可用木楔临时固定;3.7与墙体固定:铝合金门窗与墙体固定有三种方法:3.7.1沿窗框外墙用电锤打ф6孔深60mm,并用型ф6钢筋40mm×60mm粘108胶水泥浆,打入孔中,待水泥浆终凝后,再将铁脚与预埋钢筋焊牢;3.7.2连接铁件与预埋钢板或剔出的结构箍筋焊牢;3.7.3混凝土墙体可用射钉枪将铁脚与墙体固定; 图铝合金门窗规范安装施工流程铝合金表面经过氧化光洁闪亮; 和家网-全球中文家居门户窗扇框架大, 和家网-全球中文家居门户可镶较大面积的玻璃, 让室内光线充足明亮, 增强了室内外之间立面虚实对比, 让居室更富有层次; 铝合金本身易于挤压, 型材的横断面尺寸精确, 加工精确度高; 因此在装修中很多业主都选择采用铝合金门窗, 下面将向大家介绍铝合金门窗安装的规范流程;安装流程:划线定位→铝合金门窗披水安装→防腐处理→铝合金门窗的安装就位→铝合金窗固定→门窗框与墙体间隙的处理→门窗扇及门窗玻璃的安装→安装五金配件;1.划线定位1根据设计图纸中门窗的安装位置、尺寸和标高, 依据门窗中线向两边量出门窗边线; 若为多层或高层建筑时, 以顶层门窗边线为准, 用线坠或经纬仪将门窗边线下引, 并在各层门窗口处划线标记, 对个别不直的口边应剔凿处理;2门窗的水平位置应以楼层室内+50cm的水平线为准向上反量出窗下皮标高,弹线找直; 每一层必须保持窗下皮标高一致;2. 铝合金窗披水安装按施工图纸要求将披水固定在铝合金窗上, 且要保证位置正确、安装牢固;3.防腐处理1门窗框四周外表面的防腐处理设计有要求时, 按设计要求处理; 如果设计没有要求时, 可涂刷防腐涂料或粘贴塑料薄膜进行保护, 以免水泥砂浆直接与铝合金门窗表面接触, 产生电化学反应, 腐蚀铝合金门窗;2安装铝合金门窗时, 和家网-全球中文家居门户如果采用连接铁件固定, 则连接铁件,固定件等安装用金属零件最好用不锈钢件; 否则必须进行防腐处理, 以免产生电化学反应, 腐蚀铝合金门窗;4. 铝合金门窗的安装就位根据划好的门窗定位线, 和家网-全球中文家居门户安装铝合金门窗框; 和家网-全球中文家居门户并及时调整好门窗框的水平、垂直及对角线长度等符合质量标准, 然后用木楔临时固定;5.铝合金门窗的固定1当墙体上预埋有铁件时, 可直接把铝合金门窗的铁脚直接与墙体上的预埋铁件焊牢, 焊接处需做防锈处理;2当墙体上没有预埋铁件时, 可用金属膨胀螺栓或塑料膨胀螺栓将铝合金门窗的铁脚固定到墙上;3当墙体上没有预埋铁件时, 也可用电钻在墙上打80mm深、直径为6mm 的孔, 用L型80mm×50mm的6rmn钢筋; 在长的一端粘涂108胶水泥浆, 然后打入孔中; 待108胶水泥浆终凝后, 再将铝合金门窗的铁脚与埋置的6mm钢筋焊牢;6.门窗框与墙体间缝隙间的处理1铝合金门窗安装固定后, 应先进行隐蔽工程验收, 合格后及时按设计要求处理门窗框与墙体之间的缝隙;2如果设计未要求时, 可采用弹性保温材料或玻璃棉毡条分层填塞缝隙, 外表面留5~8mm深槽口填嵌嵌缝油膏或密封胶;7. 门窗扇及门窗玻璃的安装1门窗扇和门窗玻璃应在洞口墙体表面装饰完工验收后安装;2推拉门窗在门窗框安装固定后, 将配好玻璃的门窗扇整体安入框内滑槽, 调整好与扇的缝隙即可;3平开门窗在框与扇格架组装上墙、安装固定好后再安玻璃, 即先调整好框与扇的缝隙, 再将玻璃安入扇并调整好位置, 最后镶嵌密封条及密封胶;4地弹簧门应在门框及地弹簧主机入地安装固定后再安门扇; 先将玻璃嵌入门扇格架并一起入框就位, 调整好框扇缝隙, 最后填嵌门扇玻璃的密封条及密封胶;。
GB50210-2001《建筑装饰工程施工及验收规范》中华人民共和国国家标准建筑装饰装修工程质量验收规范Code for construction qialityacceptptance of building decorationGB 50210-2001主编部门:中华人民共和国建设部批准部门:中华人民共和国建设部施行日期:2002年3月1 日关于发布国家标准<建筑装饰装修工程质量验收规范》的通知根据建设部《关于印发一九九八年工程建设国家标准制定。
修订计划(第二批)的通知》(建标[1998]244号)的要求,由建设部会同有关部门共同修订的《建筑装饰装修工程质量验收规范》,经有关部门会审,批准为国家标准,编号为GB50210-2001,自2002年3月1 日起施行。
其中,3.I.1、3.1.5、3.,、3.4、33.5、4.1.12、5.、6.l.IZ、8.2.4、8、3.4、9.9.1.13。
9.l.14。
12.5.6为强制性条文,必须严格执行。
原《装饰工程施工及验收规范》(GB 210-83)、《建筑装饰工程施工及验收规范》(JGJ73-91)和《建筑工程质量检验评定标准》(GBJ301-88)中第十章、第十一章同时废止。
本标准由建设部负责管理,中国建筑科学研究院负责具体解释工作,建设部标准定额研究所组织中国建筑工业出版社出版发行。
中华人民共和国建设部2001年11月1日本标准是根据建设部建标[1998 244号文《关于印发一九九九年工程建设国家标准制订。
修订计划(第二批)的通知》的要求,由中国建筑科学研究院会同有关单位共同对《建筑装饰工程施工及验收规范》JGJ 73-91)和《建筑工程质量检验评定标准》(GBJ301-88)修订而成的。
在修订过程中,规范编制组开展了专题研究,进行了比较广泛的调查研究,总结了多年来建筑装饰装修工程在设计、材料。
施工等方面的经验,按照“验评分离、强化验收、完善手段、过程控制”的方针,进行了全面的修改,并以多种方式广泛征求了全国有关单位的意见,对主要问题进行了反复修改,最后经审查定稿。
1.建筑外门窗进场复验有哪些规定?
(1)建筑外窗
1)气密性、水密性、抗风压性能:
外窗进场检验和工程质量合格性检验可按《建筑装饰装修工程质量验收规范》(GB50210-2001)、《建筑门窗工程检测技术规程》(JGJ/T205-2010)规定进行,按以下规定进行抽样:
同一厂家的同一品种、类型、规格的木门窗、金属门窗、塑料门窗及门窗玻璃每100樘应划分为一个验收批,不足100樘也应划分为一个验收批。
每个检验批抽查5%,且不少于3樘,不足3樘全数检查。
高层建筑的外窗,每个检验批抽查10%,并不少于6樘,不足6樘全数检查。
同一品种、类型和规格的特殊门每50樘应划分为一个验收批,不足50樘也应划分为一个验收批。
特殊门每个验收批应至少抽查50%,并不少于10樘,不足10樘时应全数检查。
《住宅建筑门窗应用技术规程》(DBJ01-79-2004)规定,可按单位工程建筑面积5000㎡为一个检验批,抽1组(3樘);面积>5000㎡时,外窗抽取2组。
2)保温性能:按照《建筑节能工程质量验收规范》(GB50411-2007)的要求,门窗检验批的划分、取样方法和检验数量同气密性能检验要求。
按照《住宅建筑门窗应用技术规程》(DBJ01-79-2004)要求,单位工程面积5000㎡为一个检验批。
随机抽取同一生产厂家具有代表性的1组外窗试件,试件数量为同系列、同规格、同分格形式的3樘外窗;面积>5000㎡时,抽取2组外窗试件,每组3樘外窗。
(2)户门:主要检验安全性能。
单位工程面积5000㎡为一个检验批,抽1樘;面积>5000㎡时,抽2樘。
(3)门窗玻璃:同一厂家、同一品种、同一类型为一个检验批,每个检验批抽取不少于3块。
《建筑装饰装修工程质量验收规范》(GB50210—2001)目录0、关于发布国家标准《建筑装饰装修工程质量验收规范》的通知------00、前言-------------------------------------------------------01、总则-------------------------------------------------------02、术语-------------------------------------------------------03、基本规定----------------------------------------------------04、抹灰工程----------------------------------------------------04.1 一般规定-----------------------------------------------04.2 一般抹灰工程-------------------------------------------04.3 装饰抹灰工程-------------------------------------------04.4 清水砌体勾缝工程---------------------------------------05、门窗工程----------------------------------------------------05.1 一般规定-----------------------------------------------05.2 木门窗制作与安装工程-----------------------------------05.3 金属门窗安装工程---------------------------------------05.4 塑料门窗安装工程---------------------------------------05.5 特种门安装工程-----------------------------------------05.6 门窗玻璃安装工程---------------------------------------06、吊顶工程----------------------------------------------------06.1 一般规定-----------------------------------------------06.2 暗龙骨吊顶工程-----------------------------------------06.3 明龙骨吊顶工程-----------------------------------------07、轻质隔墙工程------------------------------------------------07.1 一般规定-----------------------------------------------07.2 板材隔墙工程-------------------------------------------07.3 骨架隔墙工程-------------------------------------------07.4 活动隔墙工程-------------------------------------------07.5 玻璃隔墙工程-------------------------------------------08、饰面板(砖)工程--------------------------------------------08.1 一般规定-----------------------------------------------08.2 饰面板安装工程-----------------------------------------08.3 饰面砖粘贴工程-----------------------------------------09、幕墙工程----------------------------------------------------09.1 一般规定-----------------------------------------------09.2 玻璃幕墙工程-------------------------------------------09.3 金属幕墙工程-------------------------------------------09.4 石材幕墙工程-------------------------------------------010、涂饰工程---------------------------------------------------010.1 一般规定----------------------------------------------010.2 水性涂料涂饰工程--------------------------------------010.3 溶剂型涂料涂饰工程------------------------------------010.4 美术涂饰工程------------------------------------------011、裱糊与软包工程---------------------------------------------011.1 一般规定----------------------------------------------011.2 裱糊工程----------------------------------------------011.3 软包工程----------------------------------------------012、细部工程---------------------------------------------------012.1 一般规定----------------------------------------------012.2 橱柜制作与安装工程------------------------------------012.3 窗帘盒、窗台板和散热器罩制作与安装工程----------------012.4 门窗套制作与安装工程----------------------------------012.5 护栏和扶手制作与安装工程------------------------------012.6 花饰制作与安装工程------------------------------------013、分部工程质量验收-------------------------------------------014、附录A木门窗用木材的质量要求-------------------------------015、附录B子分部工程及其分项工程划分表-------------------------016、附录C隐蔽工程验收记录表-----------------------------------017、本规范用词用语说明-----------------------------------------0关于发布国家标准《建筑装饰装修工程质量验收规范》的通知根据建设部《关于印发一九九八年工程建设国家标准制定、修订计划(第二批)的通知》(建标[1998]244号)的要求,由建设部会同有关部门共同修订的《建筑装饰装修工程质量验收规范》,经有关部门会审,批准为国家标准,编号为GB50210—2001,自2002年3月1日起施行。
建筑装饰装修工程质量验收规范木门窗制作的允许偏差和检验方法项次项目构件名称允许偏差普通高级1 翘曲框 32 扇 2 22 对角线长度差框、扇3 23 表面平整度扇 2 24 高度、宽度框0;—2 0;—1 扇+2;0 +1;05 裁口、线条结合处高低差框、扇 1 0.56 相邻棂子两端间距扇 2 1木门窗安装的留缝限值、允许偏差和检验方法项次项目留缝限值(mm)允许偏差(mm)普通高级普通高级1 门窗槽口对角线长度差—— 3 22 门窗框的下、侧面垂直度—— 2 13 框与扇、扇与扇接缝高低差—— 2 14 门窗扇对口缝1—2.5 1.5—2 ——5 工业厂房双扇大门对口缝2—5 ———6 门窗扇与上框间留缝1—2 1—1.5 ——7 门窗扇与侧框间留缝1—2.5 1—1.5 ——8 窗扇与下框间留缝2—3 2—2.5 ——9 门扇与下框间留缝3—5 3—4 ——10 双层门窗内外框间距—— 4 311无下框时门扇与地面间留缝外门4—7 5—6 ——内门5—8 6—7 ——卫生间门8—12 8—10 ——厂房大门10—20 ———铝合金门窗安装的允许偏差和体验方法项次项目允许偏差(mm)1 门窗槽口宽度、高度≤1500 mm 1.5>1500 mm 22 门窗槽口对角线长度差≤2000 mm3 >2000 mm 43 门窗框的正、侧面垂直度 2.54 门窗横框的水平度 25 门窗横框标高 56 门窗竖向偏离中心 57 双层门窗内外框间距 48 推拉门窗扇与框搭接量 1.5暗龙骨吊顶工程安装的允许偏差(mm)项次项目允许偏差(mm)纸面石膏板木板、塑料板、格栅1 表面平整度 3 32 接缝直线度3 33 接缝高低差 1 1骨架隔墙安装的允许偏差和检验方法项次项目允许偏差(mm)纸面石膏板人造木板、水泥纤维板1 立面垂直度 3 42 表面平整度3 33 阴阳角方正 3 34 接缝直线度— 35 压条直线度— 36 接缝高低差 1 1饰面砖粘贴的允许偏差和检验方法项次项目允许偏差(mm)外墙面砖风墙面砖1 立面垂直度 3 22 表面平整度 4 33 阴阳角方正 3 34 接缝干线度 3 25 接缝高低差 1 0.56 接缝宽度 1 1橱柜安装的允许偏差和检验方法项项目允许偏差(mm)次1 外型尺寸 32 立面垂直度 23 门与框架的平等度 2窗帘盒、窗台板和散热器罩安装的允许偏差和检验方法项项目允许偏差(mm)次1 水平度 22 上口、下口直线度 33 两端距窗洞口长度差 24 两端出墙厚度差 3门窗套安装的允许偏差和检验方法项项目允许偏差(mm)次1 正、侧面垂直度 32 门窗套上口水平度 13 门窗套上口直线度 311.2 裱糊工程11.2.1 本章适用于聚氯乙烯塑料壁纸、复合纸质壁纸、墙布等裱糊工程的质量验收。
铝合金门窗工程设计、施工及验收规范铝合金门窗工程设计、施工及验收规范玻璃镶嵌结构设计一玻璃镶嵌设计应符合下列规定:1 玻璃镶嵌的支撑与固定,应使玻璃边缘不直接接触框架型材,并使玻璃重量分布均匀,防止框架变形,同时确保不同开启形式的门窗扇启闭性能良好。
2 承受玻璃重量的中横框型材垂直方向的挠度值应不大于3mm。
二玻璃镶嵌构造设计应符合以下要求:1 玻璃与框、扇型材槽口的镶嵌配合尺寸,应符合现行国家标准《铝合金门》和《铝合金窗》的玻璃装配要求。
2 玻璃承重垫块的材质、尺寸、安装位置,应符合现行行业标准《建筑玻璃应用技术规程》(JGJ 113)关于玻璃安装材料及其使用中对支承块的要求。
三隐框、半隐框窗玻璃与结构胶粘结胶缝宽度、厚度的设计计算,应考虑风荷载效应、玻璃自重效应和温差效应,按照现行行业标准《玻璃幕墙工程技术规范》(JGJ 102)中结构硅酮密封胶的宽度、厚度计算方法进行。
四防雷设计4.9.1 建筑外窗的防雷设计,应符合现行国家标准《建筑物防雷设计规范》(GB 50057)的规定。
一、二、三类防雷建筑物,其建筑高度分别在30m、45m、60m及以上的外墙窗户,应采取防侧击和等电位保护措施,与建筑物防雷装置进行连接。
4.9.2 防雷构造设计应符合下列规定:1 窗外框与洞口墙体连接固定用的连接件可作为防雷连接件使用,但要保证该连接件与窗框具有可靠的导电性连接。
固定连接件与窗框采用卡槽连接时,则应另外采用专门的防雷连接件与窗框进行可靠的螺钉或铆钉机械联接。
2 窗外框与防雷连接件连接处,应先将其非导电的表面处理层除去,再与防雷连接件连接。
3 防雷连接导体可采用热浸镀锌处理的直径不小于8mm圆钢或同等截面积扁钢,导体应与建筑物防雷装置和窗框防雷连接件进行可靠的焊接连接。
4.10 其它安全性设计4.10.1 开启门扇和固定门以及落地窗玻璃,必须符合现行行业标准《建筑玻璃应用技术规程》(JGJ 113)中的人体冲击安全规定。
建筑装饰装修工程质量验收规范(国家强制性条文)3.1.1 建筑装饰装修工程必须进行设计 , 并出具完整的施工图设计文件。
3.1.5 建筑装饰装修工程设计必须保证建筑物的结构安全和主要使用功能。
当涉及主体和承重结构改动或增加荷载时,必须由原结构设计单位或具备相应资质的设计单位核查有关原始资料,对既有建筑结构的安全性进行核验、确认。
3.2.3 建筑装饰装修工程所用材料应符合国家有关建筑装饰装修材料有害物质限量标准的规定。
3.2.9 建筑装饰装修工程所使用的材料应按设计要求进行防火、防腐和防虫处理。
3.3.4 建筑装饰装修工程施工中,严禁违反设计文件擅自改动建筑主体、承重结构或主要使用功能;严禁未经设计确认和有关部门批准擅自拆改水、暖、电、燃气、通讯等配套设计。
3.3.5 施工单位应遵守有关环境保护的法律法规,并应采取有效措施控制施工现场的各种粉尘、废气、废弃物、噪声、振动等对周围环境造成的污染和危害。
4.1.12 外墙和顶棚的抹灰层与基层之间及各抹灰层之间必须粘结牢固。
5.1.11 建筑外门窗的安装必须牢固。
在砌体上安装门窗严禁用射钉固定。
6.1.12重型灯具、电房及其他重型设备严禁安装在吊顶工程的龙骨上。
8.2.4 饰面板安装工程的预埋件(或后置埋件)、连接件的数量、规格、位置、连接方法和防腐处理必须符合设计要求。
后置埋件的现场拉拔强度必须符合设计要求。
饰面板安装必须牢固。
8.3.4饰面砖粘贴切必须牢固。
检验方法:检查样板件粘结强度检测报告和施工记录。
9.1.8 隐框、半隐框幕墙所采用的结构粘结材料必须是中性硅酮结构密封胶,其性能必须符合《建筑用硅酮结构密封胶》( GB16776 )的规定;硅酮结构密封胶必须在有效期内使用。
9.1.13 主体结构与幕墙连接的各种预埋件,其数量、规格、位置和防腐处理必须符合设计要求。
9.1.14 幕墙的金属框架与主体结构予埋件的连接、立柱与横梁的连接及幕墙面板的安装必须符合设计要求,安装必须牢固。
《建筑装饰装修工程质量验收规范》(GB50210—2001)目录0、关于发布国家标准《建筑装饰装修工程质量验收规范》的通知------00、前言-------------------------------------------------------01、总则-------------------------------------------------------02、术语-------------------------------------------------------03、基本规定----------------------------------------------------04、抹灰工程----------------------------------------------------04.1 一般规定-----------------------------------------------04.2 一般抹灰工程-------------------------------------------04.3 装饰抹灰工程-------------------------------------------04.4 清水砌体勾缝工程---------------------------------------05、门窗工程----------------------------------------------------05.1 一般规定-----------------------------------------------05.2 木门窗制作与安装工程-----------------------------------05.3 金属门窗安装工程---------------------------------------05.4 塑料门窗安装工程---------------------------------------05.5 特种门安装工程-----------------------------------------05.6 门窗玻璃安装工程---------------------------------------06、吊顶工程----------------------------------------------------06.1 一般规定-----------------------------------------------06.2 暗龙骨吊顶工程-----------------------------------------016.3 明龙骨吊顶工程-----------------------------------------07、轻质隔墙工程------------------------------------------------07.1 一般规定-----------------------------------------------07.2 板材隔墙工程-------------------------------------------07.3 骨架隔墙工程-------------------------------------------07.4 活动隔墙工程-------------------------------------------07.5 玻璃隔墙工程-------------------------------------------08、饰面板(砖)工程--------------------------------------------08.1 一般规定-----------------------------------------------08.2 饰面板安装工程-----------------------------------------08.3 饰面砖粘贴工程-----------------------------------------09、幕墙工程----------------------------------------------------09.1 一般规定-----------------------------------------------09.2 玻璃幕墙工程-------------------------------------------09.3 金属幕墙工程-------------------------------------------09.4 石材幕墙工程-------------------------------------------010、涂饰工程---------------------------------------------------010.1 一般规定----------------------------------------------010.2 水性涂料涂饰工程--------------------------------------010.3 溶剂型涂料涂饰工程------------------------------------010.4 美术涂饰工程------------------------------------------011、裱糊与软包工程---------------------------------------------0211.1 一般规定----------------------------------------------011.2 裱糊工程----------------------------------------------011.3 软包工程----------------------------------------------012、细部工程---------------------------------------------------012.1 一般规定----------------------------------------------012.2 橱柜制作与安装工程------------------------------------012.3 窗帘盒、窗台板和散热器罩制作与安装工程----------------012.4 门窗套制作与安装工程----------------------------------012.5 护栏和扶手制作与安装工程------------------------------012.6 花饰制作与安装工程------------------------------------013、分部工程质量验收-------------------------------------------014、附录A木门窗用木材的质量要求-------------------------------015、附录B子分部工程及其分项工程划分表-------------------------016、附录C隐蔽工程验收记录表-----------------------------------017、本规范用词用语说明-----------------------------------------03关于发布国家标准《建筑装饰装修工程质量验收规范》的通知根据建设部《关于印发一九九八年工程建设国家标准制定、修订计划(第二批)的通知》(建标[1998]244号)的要求,由建设部会同有关部门共同修订的《建筑装饰装修工程质量验收规范》,经有关部门会审,批准为国家标准,编号为GB50210—2001,自2002年3月1日起施行。
建筑装饰装修工程质量验收规范》GB50210-2001(三)11.3软包工程11.3.1本节适用于墙面、门等软包工程的质量验收。
主控项目11.3.2软包面料、内衬材料及边框的材质、颜色、图案、颜色和燃烧性能等级和木材的含水率应符合设计要求及国家现行标准的有关规定。
检验方法:观察;检查产品合格证书、进场验收记录和性能检测报告。
11.3.3软包工程的安装位置及构造做法应符合设计要求.检验方法:观察;尺量检查;检查施工记录.11.3.4软包工程的龙骨、衬板、边框应安装牢固,无翘曲,拼缝应平直.检验方法:观察;手扳检查11.3.5单块软包面料不应有接缝,四周应绷压严密。
检验方法:观察;手摸检查。
一般项目11.3.6软包工程表面应平整、洁净,无凹凸不平及皱折;图案应清晰、无色差,整体应协调美观。
检验方法:观察。
11.3.7软包边框应平整、顺直、接缝吻合。
其表面涂饰质量应符合本规范等10章的有关规定。
检验方法:观察。
11.3.8清漆涂饰木制边框的颜色、木纹应协调一致。
检验方法:观察。
11.3.9软包工程安装的允许偏差和检验方法应符合表11.3.9的规定。
表11.3.9软包工程安装的允许偏差和检验方法项次项目允许偏差(mm)检验方法1 垂直度 3 用1m垂直检测尺检查2 边框宽度、高度0;-2 用钢尺检查3 对角线长度差 3 用钢尺检查4 裁口、线条接缝高低差 1 用钢直尺和塞尺检查12细部工程12.1一般规定12.1.1本章适用于下列分项工程的质量验收:1橱柜制作与安装。
2窗帘盒、窗台板、散热器罩制作与安装。
3门窗套制作与安装。
4护栏和扶手制作与安装。
5花饰制作与安装。
12.1.2细部工程验收时应检查下列文件和记录:1施工图、设计说明及其他设计文件。
2材料的产品合格证书、性能检测报告、进场验收记录和复验报告。
3隐蔽工程验收记录。
4施工记录。
12.1.3细部工程应对人造木板的甲醛含量进行复验。
12.1.4细部工程应对下列部位进行隐蔽工程验收:1预埋件(或后置埋件)。
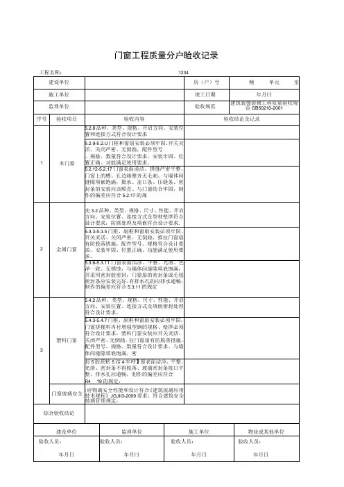
GB50210-2001《建筑装饰装修工程质量验收规范》(节选)5.3 金属门窗安装工程5.3.1本节适用于钢门窗、铝合金门窗、涂色镀锌钢板门窗等金属门窗安装工程的质量验收。
主控项目5.3.2 金属门窗的品种、类型、规格、尺寸、性能、开启方向、安装位置、连接方式及铝合金门窗的型材壁厚应符合设计要求。
金属门窗的防腐处理及填嵌。
密封处理应符合设计要求。
检验方法:观察;尺量检查;检查产品合格证书。
性能检测报告、进场验收记录和复验报告;检查隐蔽工程验收记录。
5.3.3 金属门窗框和副框的安装必须牢固。
预埋件的数量。
位置、埋设方式、与框的连接方式必须符合设计要求。
检验方法:手扳检查;检查隐蔽工程验收记录。
5.3.4 金属门窗扇必须安装牢固,并应开关灵活、关闭严密,无倒翘。
推拉门窗扇必须有防脱落措施。
检验方法:观察;开启和关闭检查;手扳检查。
5.3.5 金属门窗配件的型号。
规格、数量应符合设计要求,安装应牢固,位置应正确,功能应满足使用要求。
检验方法:观察:开启和关闭检查;手扳检查.一般项目5.3.6 金属门窗表面应洁净。
平整、光滑。
色泽一致,无锈蚀。
大面应无划痕、碰伤。
漆膜或保护层应连续检验方法:观察。
5.3.7 铝合金门窗推拉门窗扇开关力应不大于100 N。
5.3.8 金属门窗框与墙体之间的缝隙应填嵌饱满,并采用密封胶密封。
密封胶表面应光滑、顺直,无裂纹。
检验方法:观察;轻敲门窗框检查;检查隐蔽工程验收记录。
5.3.9 金属门窗扇的橡胶密封条或毛毡密封条应安装完好,不得脱槽。
检验方法:观察;开启和关闭检查。
5.3.10有排水孔的金属门窗,排水孔应畅通,位置和数量应符合设计要求。
检验方法:观察。
5.3.11钢门窗安装的留缝限值、允许偏差和检验方法应符合表5.3.11的规定。
表5.3.11 钢门窗安装的留缝限值、允许偏差和检验方法项次项目留缝限值(mm)允许偏差(mm)检验方法1 门窗槽口宽度、高度≤1500mm  ̄2.5 用钢尺检查>1500mm  ̄ 3.52 门窗槽口对角线长度差≤2000mm  ̄5 用钢尺检查>2000mm  ̄63 门窗框的正、侧面垂直度 ̄ 3 用1m垂直检测尺检查4 门窗横框的水平度 ̄ 3 用1m水平尺和塞尺检查5 门窗横框标高 ̄ 5 用钢尺检查6 门窗竖向偏离中心 ̄ 4 用钢尺检查7 双层门窗内外框间距 ̄ 5 用钢尺检查8 门窗框、扇配合间隙≤2  ̄用塞尺检查9 无下框时门扇与地面间留缝4~8  ̄用塞尺检查用5.3.12铝合金门窗安装的允许偏差和检验方法应符合5。
GB50210—2001建筑装饰装修工程质量验收规范
有关门窗工程的条文以及说明
5门窗工程
5.1 一般规定
5.1.1本章适用于木门窗制作安装、金属安装、塑料门窗安装、特种门安装、门窗玻璃安装
等分项工程的质量验收。
5.1.2门窗工程验收时应检查下列文件和记录:
1门窗工程的施工图、设计说明及其他设计文件。
2材料的产品合格证书、性能检测报告、进场验收记录和复验报告。
3特种门及其附件的生产许可文件。
4隐蔽工程验收记录。
施工记录。
5.1.3门窗工程应对下列材料及其性能指标进行复验:
1人造木板的甲醛含量。
2建筑外墙金属窗、塑料窗的抗风性能、空气渗透性能和雨水渗漏性能。
5.1.4门窗工程应对下列隐蔽工程项目进行验收:
1预埋件和锚固件。
2隐蔽部位的防腐、填嵌处理。
5.1.5各分项工程的检验批应按下列规定划分:
1同一品种、类型和规格的木门窗、金属门窗、塑料门窗及门窗玻璃每100樘应划分为一个检验批,不足100樘也应划分为一个检验批。
2同一品种、类型和规格的特种门每50樘应划分为一个检验批,不足50樘也应划分为一个检验批。
说明:
5.1.5 本条规定了门窗工程检验批划分的原则。
即进场门窗应按品种、类型、规格各自组成检
验批,并规定了各种门窗组成检验批的不同数量。
本条所称门窗品种通常是指门窗的制作材料,如实木门窗、铝合金门窗、塑料门窗等;门窗类型是指门窗的功能或开启方式,如平开窗、立转窗、自动门,推拉门等;门窗规格指门窗的尺寸。
5.1.6检查数量应符合下列规定:
1木门窗、金属门窗、塑料门窗及门窗玻璃,每个检验批应至少抽查5%,并不得少于3樘,不足3樘时应全数检查;高层建筑的外窗,每个检验批应至少抽查10%,并不得少于6樘,不足6樘时应全数检查。
2特种门每个检验批应至少抽查50%,并不得少于10樘,不足10樘时应全数检查。
说明:
5.1.6 本条对各种检验批的检查数量作出规定。
考虑到对高层建筑(10层及10层以上的居住
建筑和建筑高度超过24m的公共建筑)的外窗各项性能要求应更为严格,故每个检验批的检查数量增加一倍。
此外,由于特种门的重要性明显高于普通门,数量则较之普通门为少,为保证物种门的功能,规定每个检验批抽样检查的数量应比普通门加大。
5.1.7门窗安装前,应对门窗洞口尺寸进行检验。
说明:
5.1.7 本条规定了安装门窗前应对门窗洞口尺寸进行检查,除检查单个门窗洞口尺寸外,还应
对能够通视的成排或成列的门窗洞口进行目测或拉通线检查。
如果发现明显偏差,应向有关管理人员反映,采取处理措施后再安装门窗。
5.1.8金属门窗和塑料门窗安装应采用预留洞口的方法施工,不得采用边安装边砌口或先安
装后砌口的方法施工。
说明:
5.1.8 安装金属门窗和塑料门窗,我国规范历来规定应采用预留洞口的方法施工,不得采用边
安装边砌口或先安装后砌口的方法施工,其原因主要是防止门窗框受挤压变形和表面保
护层受损。
木门窗安装也宜采用预留洞口的广泛施工。
如果采用先安装后砌口的方法施
工时,则应注意避免门窗框在施工中受损、受挤压变形或受到污染。
5.1.9木门窗与砖石砌体、混凝土或抹灰层接触处应进行防腐处理并应设置防潮层;埋入砌
体或混凝土中的木砖应进行防腐处理。
5.1.10当金属窗或塑料窗组合时,其拼樘料的尺寸、规格、壁厚应符合设计要求。
说明:
5.1.10 组合门窗拼樘料不仅起连接作用,而且是组合窗的重要受力部件,故对其材料应严格要
求,其规格、尺寸、壁厚等应由设计给出,并应使组合窗能够承受该地区的瞬时风压值。
5.1.11建筑外门窗的安装必须牢固。
在砌体上安装门窗严禁用射钉固定。
说明:
5.1.11 门窗安装是否牢固既影响使用功能又影响安全,其重要性尤其以外墙门窗更为显著。
故
本条规定,朝鲜族采用何种方法固定,建筑外墙门窗必须确保安装牢固,并将此条列为
强制性条文。
内墙门窗安装也必须牢固,本规范将内墙门窗安装牢固的要求列入主控项
目而非强制性条文。
考虑到砌体中砖、砌块以及灰缝的强度较低,受冲击容易破碎,故
规定在砌体上安装门窗时严禁用射钉固定。
5.1.12物种门安装除应符合设计要求和本规范规定外,还应符合有关专业标准和主管部门的
规定。
5.3 金属门窗安装工程
5.3.1本节适用于钢门窗、铝合金门窗、涂色镀锌钢板门窗等金属门窗安装工程质量的验收。
主控项目
5.3.2金属门窗的品种、类型、规格、尺寸、性能、开启方向、安装位置、连接方式及铝合
金门窗的型材壁厚应符合设计要求。
金属门窗的防腐处理及填嵌、密封处理应符合设计
要求。
检验方法:观察;尺量检查;检查产品合格证书、性能检测报告、进场验收记录和复验报告;
检查隐蔽工程验收记录。
5.3.3金属门窗框和副框的安装必须牢固。
预埋件的数量、位置、埋设方式、与框的连接方
式必须符合设计要求。
检验方法:手扳检查;检查隐蔽工程验收记录。
5.3.4金属门窗扇必须安装牢固,并应开关灵活、关闭严密,无倒翘。
推拉门窗必须有防脱
落措施。
检验方法:观察;开启和善意检查;手扳检查。
说明:
5.3.4 推拉门窗扇意外脱落容易造成安全方面的伤害,对高层建筑情况更为严重,故规定推拉
门窗扇必须有防脱落措施。
5.3.5金属门窗配件的型号、规格、数量应符合设计要求,安装应牢固,位置应正确,功能
应满足使用要求。
检验方法:观察;开启和关闭检查;手扳检查。
一般项目
5.3.6金属门窗表面应洁净、平整、光滑、色泽一致,无锈蚀。
大面应无划痕、碰伤。
漆膜
或保护层应连续。
检验方法:观察。
5.3.7铝合金门窗推拉门窗扇开关力应不大于100N。
检验方法:用弹簧秤检查。
5.3.8金属门窗框与墙体之间的缝隙应填嵌饱满,并采用密封胶密封。
密封胶表面应光滑、
顺直,无裂纹。
检验方法:观察;轻敲门窗框检查;检查隐蔽工程验收记录。
5.3.9金属门窗扇的橡胶密封条或毛毡密封条应安装完好,不得脱槽。
检验方法:观察;开启和关闭检查。
5.3.10有排水孔的金属门窗,排水孔应畅通,位置和数量应符合设计要求。
检验方法:观察。
5.3.11钢门窗安装的留缝限值、允许偏差和检验方法应符合表5.3.11的规定。
5.3.12铝合金门窗安装的允许偏差和检验方法应符合表5.3.12的规定。
表5.3.12 铝合金门窗安装的允许偏差和体验方法。