江苏大学硕士研究生考研真题重点(内燃机学)
- 格式:pdf
- 大小:26.98 MB
- 文档页数:9
一年前的今天自己在宿舍为了是否要考研而辗转反侧,直到现在当初试结果跟复试结果都出来之后,自己才意识到自己真的考上了。
其实在初试考完就想写一篇关于考研的经验,毕竟这也是对自己一年来努力做一个好的总结,也希望我的经验,可以帮助奋斗在考研路上的你们。
首先当你决定考研的时候,请先想想自己是为了什么才决定要考研,并且要先想一下为什么非要选这个专业,作为你今后职业的发展方向,学习的动机决定了之后备考路上努力的成功还有克服一切困难的决心。
考研是一个很重要的决定,所以大家一定要慎重,千万不要随波逐流盲目跟风。
我选择这所学校的原因,一是因为这里是我的本校,二是因为这里离家也比较近。
所一大家一定更要个根据自己的实际情况来做出选择。
好啦,接下来跟大家好好介绍一下我的复习经验吧,希望对你们有所帮助。
另外还要说一句,这篇经验贴分为三个部分,先说英语政治,再说专业课,并且文章结尾分享了资料和真题,大家可以放心阅读。
江苏大学能源动力初试科目:(101)思想政治理论(204)英语二(302)数学二(802)材料力学(自命题)或(101)思想政治理论(204)英语二(302)数学二(826)工程热力学(自命题)(802)材料力学参考书:《材料力学》刘鸿文高等教育出版社第四版(826)工程热力学参考书:(1)《工程热力学》廉乐明等编,中国建筑工业出版(第五版)(2)《工程热力学》第四版,沈维道、童钧耕主编高等教育出版社有关英语的一些经验大家都说“得阅读者得天下”。
阅读一共占40分,但如果把所有精力都花在阅读练习上,不注意其他题型的应试技巧,也是得不偿失的。
建议大家抽出3个小时的时间,完整地做一套题。
做完一套卷子之后,正确率是次要的,重点是发现自己的弱点,同时了解试卷结构并调整自己的时间安排与做题节奏。
对于真题,一定要做到“心中有数”!不能像无头苍蝇一样一下子就扎进了哪个老师的长难句网课或者哪本阅读书当中。
不是说辅助网课和书不好,而是说要有的放矢,先整体,后局部深入。
目录I 考试目标 (2)II 考试形式和试卷结构 (2)III 考试内容 (2)IV. 题型示例及参考答案 (4)全国硕士研究生入学统一考试电机学考试大纲真题及答案I 考试目标《电机学》是为我校招收电气工程硕士生而设置的具有选拔性质的考试科目。
其目的是科学、公平、有效地测试考生是否具备攻读相关专业硕士学位所必须的基本素质、一般能力和培养潜能,以利用选拔具有发展潜力的优秀人才入学,为国家的经济建设培养具有创新精神和较强工程能力的高层次、宽口径高级工程技术人才。
具体来说。
要求考生:了解变压器、直流电机、感应电机和同步电机的典型结构,掌握其基本工作原理、基本方程式、稳态运行性能、基本实验方法及操作技能,对电机的额定值、性能指标、参数大小等有明确的工程概念,既掌握各类电机的共同点,又能认识它们的个性和特点,形成对电机的一个较系统和完整的认识。
重点掌握分析电机稳态、对称、基波运行时的基本方法,深入理解电机中主磁场的作用及能量的转换关系;能正确建立电机中的电动势、磁动势、功率和转矩平衡方程式及等效电路,能熟练运用方程式、等效电路和相量图及复数运算法、归算法去分析和解决电机运行中的实际问题。
II 考试形式和试卷结构一、试卷满分及考试时间试卷满分为150分,考试时间180分钟。
二、答题方式答题方式为闭卷、笔试。
允许使用计算器,但不得使用带有公式和文本存储功能的计算器。
三、试卷内容与题型结构1、简答题(5~6题,共30分)2、计算题(5~6题,共120分)III 考试内容第一章磁路1、考试内容(1)磁路的基本定律;(2)常用的铁磁材料。
2、要求了解铁磁材料的性质,掌握磁路计算的方法。
第二章变压器(1)变压器的结构和额定值;(2)空载运行、负载运行;(3)基本方程、等效电路;(4)参数测定;(5)三相变压器;(6)标幺值;(7)运行特性;(8)并联运行;(9)特种变压器。
2、要求了解变压器的基本结构、运行原理,理解基本方程、等效电路,掌握有关等效电路和性能特性的计算,掌握参数测定方法,了解三相变压器的磁路特点及影响,掌握三相变压器的联接组,掌握并联运行的条件及有关的计算,了解三绕组变压器、自耦变压器的分析方法及有关结论,了解仪用互感器的使用特点。
机械原理复习题平面机构的结构分析1、如图a 所示为一简易冲床的初拟设计方案,设计者的思路是:动力由齿轮1输入,使轴A 连续回转;而固装在轴A 上的凸轮2与杠杆3组成的凸轮机构将使冲头4上下运动以达到冲压的目的。
试绘出其机构运动简图(各尺寸由图上量取),分析其是否能实现设计意图?并提出修改方案。
解 1)取比例尺l μ绘制其机构运动简图(图b )。
2)分析其是否能实现设计意图。
图 a ) 由图b 可知,3=n ,4=l p ,1=h p ,0='p ,0='F 故:00)0142(33)2(3=--+⨯-⨯='-'-+-=F p p p n F h l因此,此简单冲床根本不能运动(即由构件3、4与机架5和运动副B 、C 、D 组成不能运动的刚性桁架),故需要增加机构的自由度。
图 b )3)提出修改方案(图c )。
为了使此机构能运动,应增加机构的自由度(其方法是:可以在机构的适当位置增加一个活动构件和一个低副,或者用一个高副去代替一个低副,其修改方案很多,图c 给出了其中两种方案)。
图 c1) 图 c2)2、试画出图示平面机构的运动简图,并计算其自由度。
图a )解:3=n ,4=l p ,0=h p ,123=--=h l p p n F图 b )解:4=n ,5=l p ,1=h p ,123=--=h l p p n F3、计算图示平面机构的自由度。
将其中的高副化为低副。
机构中的原动件用圆弧箭头表示。
3-1解3-1:7=n ,10=l p ,0=h p ,123=--=h l p p n F ,C 、E 复合铰链。
3-2解3-2:8=n ,11=l p ,1=h p ,123=--=h l p p n F ,局部自由度3-3 解3-3:9=n ,12=l p ,2=h p ,123=--=h l p p n F4、试计算图示精压机的自由度解:10=n ,15=l p ,0=h p 解:11=n ,17=l p ,0=h p13305232=⨯-+⨯='-'+'='n p p p h l 26310232=⨯-⨯='-'+'='n p p p h l0='F 0='FF p p p n F h l '-'-+-=)2(3 F p p p n F h l '-'-+-=)2(310)10152(103=--+⨯-⨯= 10)20172(113=--+⨯-⨯=(其中E 、D 及H 均为复合铰链) (其中C 、F 、K 均为复合铰链)5、图示为一内燃机的机构简图,试计算其自由度,并分析组成此机构的基本杆组。
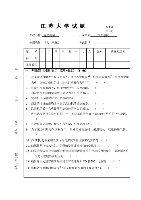
《内燃机学》考研复习大题要点《内燃机学》2012考研复习简答题1、简述汽油机与柴油机瞬态排放的差异。
车用内燃机在实际使用中常出现瞬态运转状态,例如起动、加速、减速等工况。
转速、负荷不断变化,零部件的温度以及工作循环参数不断变化。
所以,这时内燃机排放量与稳定工况往往有很大不同。
1)汽油机(1)冷起动汽油机冷起动时,由于进气系统和气缸温度低,汽油蒸发不好,较多的汽油沉积在进气管壁上,流速低造成油气混合不好,因此需要增加供油量,以使使汽油机能正常起动。
汽油机冷起动时混合气的φa <1。
混合气中的汽油以部分蒸气状态、部分液体状态进入气缸。
很浓的混合气导致较高的CO排放。
部分液态汽油在燃烧结束后从壁面蒸发,未燃烧就被排出气缸,造成HC的大量排放。
由于温度低及混合气过浓.冷起动时的NOx排放量很低。
(2)暖机汽油机起动以后,冷却系和润滑系以及主要零部件仍未达到正常的温度水平,需要一个暖机过程。
这时仍需要φa <1的浓混合气,以弥补燃油在气缸壁和进气管壁上的冷凝。
暖机过程CO和HC的排放仍然很高,NOx的排放随着温度的提高逐渐增大。
(3)加速用化油器的汽油机这时往往供给很浓的混合气,造成较高的CO和HC排放。
汽油喷射的汽油机不产生过浓的混合气,其排放值与相应的各稳定工况点相似。
(4)减速节气门关闭,发动机反拖高速运转。
化油器式发动机如果没有特殊措施,由于进气管中突然的高真空状态,使壁上的液态燃油蒸发,形成过浓混合气而造成较高的HC和CO排放。
汽油喷射式发动机在减速时不再供油,气管内液态油膜少。
2)柴油机冷起动时,部分燃油以液态分布在燃烧室壁上。
着火之前,喷入缸内的燃油会以末燃HC 形式直接排出气缸。
着火以后,吸附在壁面上的燃油也不能完全燃烧,有一部分在蒸发后被排出。
柴油冷起动时排放的高浓度HC 表现为白烟。
非增压机的正常加速几乎是各稳定工况点的连续。
增压机突加负荷时,增压器需要一段时间,才能达到高负荷所对应的转速和增压压力。
2010江苏大学硕士研究生入学考试工程热力学(附答案)一、名词解释:(20分)1、多变过程:2、临界点:3、滞止焓:4、相对湿度:5、干度:二、是非判断题:(正确地打“√”;错误的打“×”,并加以改正。
)(20分)1、工质从状态1变化到状态2,不论中间经历了什么过程,其熵的变化都相等。
2、用100℃的热源非常缓慢地给冰、水混合物加热,混合物经历的是准静态过程。
该加热过程是可逆过程。
3、任何燃气轮机装置都可以通过回热的措施提高其热效率。
4、沸腾的水总是烫手的。
5、压气机的绝热压缩过程,由于无散热损失,所以在压力升高比一定的条件下,所消耗的功最小。
6、空气的湿球温度总是低于干球温度。
7、水蒸气的定压气化过程,由于温度不变,所以内能不变。
8、处于热力学平衡状态的系统必然是一个均匀系统。
9、两杯温度不同的水,在等压下进行绝热混合,其熵不变。
10、一绝热容器中间有隔板分开,一侧装有空气,另一侧为真空,现抽去隔板,由于空气经历了绝热膨胀过程,所以温度下降。
三、选择题:(21分)1、下列说法正确的是。
(a)工质对外作出膨胀功,就一定吸热;(b)吸热过程一定升温;(c)要使工质升温,就一定通过加热的方式实现;(d)工质体积膨胀,是使热变功的的根本途径。
2、某实验报告称,温度为800K、压力为6Mpa的燃气进入燃气轮机,在燃气轮机内绝热膨胀后流出燃气轮机。
在燃气轮机出口测得的数据是:p2 = 0.9Mpa,T2= 450K,则该过程是 。
( 1.004/.0.2874/.)p g c kJ kg K R kJ kg K ==(a )可逆的 (b )不可逆的 (c )不可能实现的3、某制冷循环中,工质从温度为-73℃的冷源吸热100kJ ,并将220kJ 的热量传递给温度为27℃的热源,则此循环为 。
(a )可逆循环 (b )不可逆循环 (c )不可能实现4、工质经历了一个放热、升温、压力增加的多变过程,该过程多变指数的范围是 。
江苏大学2012年复试题一共8题,4月14号考完,本人4月18号晚上根据自己的回忆,把题目整理下来。
本人所用教材是清华大学余志气生主编的,第五版。
一.前轮驱动汽车在坡道上加速行驶时驱动轮受到的切向反作用力。
答案在书本26页。
此题就是书本上的证明题,此题不会的话,只能说书本不熟。
此题15分二.空气升力产生的原理,在汽车上改善空气升力所采用的技术。
这题我记得不全了,意思记得。
15分三.等速行驶工况燃油消耗量的计算。
分析影响燃油经济性的因素。
背书就会这题。
答案都在书上。
此题20分四.书本117也第二个图,让你分析ECE法规轿车制动力这样分配的原因。
答案也在书本上,这题好像是15分。
五.汽车质心位置对汽车动力学,制动性和操纵稳定性的影响。
好像是15分。
六.书本172页下面第二个和第三个图。
考试的第二个图的轮胎外倾方向和书本第三个图轮胎外倾方向相反的。
问那个图的轮胎具有不足转向特性。
答案在171页,173也下面的解释都可以是答案。
七.就145页第一个图,让你推倒之后的理论公示。
比如运动微分方程式,,转向灵敏度,等等,具体记不清了。
反正这章的理论公式是要你自己推导的。
还有就是要你分析汽车使用条件和结构对操纵稳定性的影响。
20分八.228页,让你推导车身与车轮双质量系统的制动中车身加速度均方值,在228页和217页有。
书本上没有具体的推导过程,但书本上有思路,226页6-61这个公式带入就可以了。
15分好像建议:汽车理论书本至少认认真真看5变,态度很重要。
对书本要很熟悉,这样在考试的时候才可以多写点。
考试时间3小时,如果你掌握的很好的话,把你知道的全写上的话,3个小时应该来说差不多正好够用。
我面试的时候,哪些老师就问道了我关于汽车理论的看法,他们说汽车理论很简单!!!!!!!!!!!!!!!!江苏大学2013汽车理论复试题目以及面试情况介绍1.什么是附着率?汽车驱动形式和结构参数对动力性有什么影响?2.简述装有液力变矩器汽车的燃油经济性计算。
江苏大学 924 《内燃机学》复试知识点一、判断题1、世界上排放标准主要有美国、欧洲和日本三大体系,中国采用的是欧洲排放标准体系(T)2、汽车排放标准主要分为轻型汽车(含轿车)和重型汽车两类(T)3、车用发动机用两极式调速器(T)4、电控共轨喷油系统是时间控制方式(T)5、喷油嘴压力室增大HC排放减少(F)6、判断柴油机有无二次喷射的办法是测量针阀升程(T)7、消除二次喷射的方法是增大出油阀减压容积(F)8、汽油机的燃料供给系统主要有化油器式燃料供给系统和电控汽油喷射燃料供给系统(T)9、白烟和蓝烟是液态颗粒,而黑烟是固态颗粒(T)10、排放限值有两组:一组是车型认证标准。
另一组是产品一致性标准(T)11、重型汽车的排放限值是g/km(F)12、碳烟产生条件是高温和缺氧(T)13、点火定时随着转速的升高而提前, 随着负荷的增加而提前(F)14、性能指标随调整情况变化的特性称为调整特性,随运行工况变化的特性称为性能特性(F)15、对于同一种发动机,用于不同场合时,可以有不同的标定功率值(T)16、发动机的经济性是以有效燃油消耗率[g/(kW·h)]来衡量的,而汽车的经济性能是以汽车每行驶百公里所消耗的燃油量(又称使用油耗)来衡量的(T)17、车用发动机通常用全程式调速器(F)18、柴油机转速增大,供油提前角应增大( T)19、随着柴油机喷油始点的推迟,NOx 排放升高(F)20、起动、大负荷(节气门全开)及暖机运转过程中,需要较浓的混合气,此时ECU 是处于开环控制状态,氧传感器不起作用(T)21、汽油机的排气再循环量大于柴油机的排气再循环量(F)22、NOx 的排放随点火提前而增加(T)。
机密★启用前江苏大学2004年硕士研究生入学考试试题考试科目:化工原理考生注意:答案必须写在答题纸上,写在试题及草稿纸上无效!共 3 页 第 1 页x A(H单位为m,)。
若用该泵从常压贮水池将水抽送到渠道中,已知贮水池截面积为100m2,,假设输水渠道水平面保持不变,且与Q2(H单位为m第3页2. 热流体和冷流体在单程套管换热器中呈并流流动。
两种流体的初温分别为243℃和128℃;终温分别为167℃和157℃。
若维持两种流体的流量和初温不变,而将两流体改为逆流,试求此时流体的对数平均温度差及它们的终温。
假设在两种流动情况下,流体的物性和总传热系数均不变化,换热器的热损失可以忽略。
3.有一吸收塔,填料层高度为3m,操作压强为101.33kPa,温度为20℃,用清水吸收混于空气中的氨。
混合气质量流速G=580kg/(m2·h),含氨6%(体积),吸收率99%;水的用量为最小用量的2.5倍。
该塔在等温下逆流操作,平衡关系为y*=0.9x。
K Ga与气相质量流速的0.8次方成正比而与液相质量流速大体无关(气膜控制过程)。
试计算当气体流量增大一倍时,填料层高度应如何改变,才能保持原来的吸收率(塔径不变时)。
4.A、B两组分的理想溶液,相对挥发度为2.47,含易挥发组分A 的摩尔分率(下同)为x F=0.25,在常压精馏塔中分离,要求塔顶、塔底的组成x D=0.98,x W=0.085,泡点进料,塔顶设全凝器,泡点回流,塔内流动符合恒摩尔流假定,回流比取最小回流比的1.5倍。
求塔顶第二块理论板下降液相浓度。
5.在恒定干燥条件下常压(101.3kPa)干燥某湿物料,湿物料初始含水率为40%(wt%,湿基),干燥至含水3%(湿基),平衡含水量假设为零。
绝干料与干燥面积之比Gc/S=18.5 kg/m2,临界点含水量为30%(湿基),降速阶段干燥速率U~X关系可视为直线。
空气条件:将20℃,φ=70%的湿空气预热到70℃后送入间歇干燥器,空气流速为6m/s,平行流过物料表面,对空气-水系统α/k H≈c H=1.01+1.88H kJ/(kg干气·℃)。
千里之行,始于足下。
第 1 页/共 5 页2023年年江苏大学硕士研究生入学考试 -金属学(附答案)一 名词解释(每题3分,共24分)1 滑移系2 临界过冷度3 再结晶织构4 平衡分配系数5 柯肯达尔效应6 衔接线7 不全位错8 柏氏矢量二 Al —Cu 相图的局部如图2-1所示。
1 分析5.6%Cu 合金和5.7%Cu 合金在平衡凝结和迅速冷却不平衡结晶时室温组织特点。
( 6分)2 图中的α相为何种晶体结构?( 3分)3计算亚共晶合金在温度为T E (共晶反应前)时的平衡分配系数( 5分) 4 画出T=560℃温度时各相的自由能—成分曲线暗示图。
( 5分)图2-1 第二题图三 图3-1为一连铸坯低倍组织照片,说明各晶区的名称及成因;若想得到更多的等轴晶粒,可采用哪些主意或措施?(15分)591朽木易折,金石可镂。
图3-1 第三题图四蔓延的微观机制有哪些?普通情况下哪种机制蔓延速度快,为什么?一个经凝结而有微观非平衡偏析的合金,生产中常采用什么主意使合金匀称化?描述该过程应用哪种蔓延第二定律的解?(15分)五按照Fe- FeC相图,计算含0.4%C的亚共析钢在室温平衡组织中铁素体与渗3碳体的相对分量,以及先共析铁素体和珠光体的相对分量,画出室温下的组织图(标明组织)。
(17分)六、试分析冷塑性变形对合金组织结构、力学性能、物理化学性能、体系能量的影响。
(20分)七、阐述堆垛层错与不全位错的关系,指出FCC结构中常产生的不全位错的名称、柏氏矢量和它们各自的特点。
(20分)八、对图8-1所示Fe-Cr-C三元相图的变温截面,写出图中合金Fe-13%Cr-0.2%C的平衡结晶过程,比较其室温组织与Fe-0.2%C合金室温组织的区别。
(10分)千里之行,始于足下。
第 3 页/共 5 页图8-1 第八题图九、简述再结晶与二次再结晶的驱动力,并如何区别冷、热加工?动态再结晶与静态再结晶后的组织结构的主要区别是什么?(10分)参考答案一、 名词解释1滑移系:把一个滑移面和此面上的一个滑移方向组合称为滑移系。
机密★启用前江苏大学2004年硕士研究生入学考试试题考试科目:机械原理考生注意:答案必须写在答题纸上,写在试题及草稿纸上无效!一、填空题 (16分)1、 平面运动副按组成运动副两构件的接触特性,分为 和 两类。
其中两构件间为面接触的运动副称为 ;两构件间为点接触或线接触的运动副称为 。
(4分) 2、 铰链四杆机构的三种基本类型是 、 、 。
(3分)3、 凸轮机构的从动件常用运动规律中,等速运动规律具有 冲击,等加速等减速运动规律具有 冲击。
(2分) 4、一对渐开线直齿圆柱齿轮的正确啮合条件是 。
(2分) 5、斜齿圆柱齿轮的 面参数为标准值,几何尺寸计算在 面上进行。
(2分)6、斜齿圆柱齿轮的当量齿数z v 与其齿数z 之间的关系为 。
(1分)7、刚性回转件的平衡按其质量分布特点可分为 与 。
(2分)二、 图示为凸轮与连杆的组合机构。
要求:(1) 计算机构自由度; (8分)(2) 若有复合铰链、局部自由度或虚约束,请直接在图上指出其相应位置; (3分)(3) 说明该机构的确定运动条件; (2分) (4) 试用低副代替高副,并画出替代后的低副机构。
(3分)三、已知机构各杆杆长如图所示,μl =1mm/mm ,机构原动件位置角φ1=135˚,ω1=10rad/s ,试确定:(1) 在图上画出该机构的全部瞬心,并指出哪些是相对瞬心,哪些是绝对瞬心; (6分) (2) 求ω3的大小及方向。
(要求列出求ω3的速度矢量方程,指出已知量的大小及方向;设共 3 页第 1 页定速度比例尺,画出速度矢量图;列出求ω3大小的公式,并指出其转向。
)(8分)(3)列出求ε3的加速度矢量方程,指出已知量的大小及方向。
(不需作加速度矢量图)(4分)四、设计一铰链四杆机构。
已知机构的行程速比系数k=1.4,摇杆长度l CD=60mm,摇杆摆角ψ=45º,摇杆的左右极限位置如图C1D、C2D所示,机架长度l AD=50mm,选取长度比例尺μ(3)应如何正确设计该对齿轮不发生根切的最小变位系数;(4分)(4)计算该对齿轮的下列参数:分度圆半径r1、r2;基圆半径r b1、r b2;齿根圆半径r f1、r f2;齿顶圆半径r a1、r a2;啮合角α′。
2P 2P 2P2P 机密★启用前江苏大学2004年硕士研究生入学考试试题考试科目:材料力学 考生注意:答案必须写在答题纸上,写在试题及草稿纸上无效!(考本卷应使用计算器 ) 第一题 填空题 (共10分)01 (5分)图示组合图形,由两个直径相等的圆截面组成,此组合图形对形心主轴y的惯性矩Iy 为_________。
02 (5分)图(a )、(b )、(c )为三根材料相同的圆截面直杆,受到重量Q 相同,且从同一高度H自由下落的物体冲击,若动荷系数可按计算,则它们的动荷系数由大到小的顺序是_____________,它们的最大冲击应力由大到小的顺序是_______________。
第二题 选择题 (共10分)01 (5分)图示等截面直杆的抗拉刚度为EA,其变形能应为下列式中的哪一个?(A )U=5 L /(6EA); (B )U=3 L /(2EA); (C )U=9 L /(4EA); (D )U=13 L /(4EA)。
正确答案是______。
共 4 页 第 1 页st H K d δ246m 10 02 (5分) 三轮汽车转向架圆轴有一盲孔(图a ),受弯曲交变应力作用,经常发生疲劳断裂。
后将盲孔改为通孔(图b ),提高了疲劳强度。
其原因有四种答案:(A )提高应力集中系数;(B )降低应力集中系数;(C )提高尺寸系数;(D )降低尺寸系数。
正确答案是______。
第三题 (10分)一根圆轴所传递的功率P=5.5kW ,转速n=200r /min,[τ]=40MPa 。
试设计轴的直径d。
第四题 (20分)作右图示梁的Q、M图。
第五题 (20分)图示结构中,FB为圆杆,直径d=30mm ,材料的许用应力[σ]=120MPa 。
AE梁为T 字形截面,尺寸如图示,C为形心,Iz =7.46×材料的许用拉应力[σt ]=40MPa ,许用压应力[σc ]=60MPa 。
试校核该结构的强度。
目 录
2015年江苏大学能源与动力工程学院825流体力学考研真题2014年江苏大学能源与动力工程学院825流体力学考研真题2013年江苏大学能源与动力工程学院825流体力学考研真题2012年江苏大学能源与动力工程学院825流体力学考研真题2011年江苏大学能源与动力工程学院825流体力学考研真题2010年江苏大学能源与动力工程学院825流体力学考研真题2009年江苏大学能源与动力工程学院825流体力学考研真题2008年江苏大学能源与动力工程学院825流体力学考研真题2007年江苏大学能源与动力工程学院417流体力学考研真题2006年江苏大学能源与动力工程学院流体力学考研真题
2015年江苏大学能源与动力工程学院825流体力学
考研真题
2014年江苏大学能源与动力工程学院825流体力学
考研真题
2013年江苏大学能源与动力工程学院825流体力学
考研真题
2012年江苏大学能源与动力工程学院825流体力学
考研真题
2011年江苏大学能源与动力工程学院825流体力学
考研真题
2010年江苏大学能源与动力工程学院825流体力学
考研真题
2009年江苏大学能源与动力工程学院825流体力学
考研真题
2008年江苏大学能源与动力工程学院825流体力学
考研真题
2007年江苏大学能源与动力工程学院417流体力学
考研真题
2006年江苏大学能源与动力工程学院流体力学考
研真题。
江苏省考研动力工程及工程热物理复习资料燃烧与燃气轮机基础知识回顾动力工程及工程热物理是热能与动力工程领域的重要学科,其核心知识点之一就是燃烧与燃气轮机。
本文将回顾江苏省考研动力工程及工程热物理复习资料中的燃烧与燃气轮机基础知识,为考生进行备考提供帮助。
1. 燃烧基础知识回顾1.1 燃烧的定义与特点燃烧是指可燃物质与氧气在一定条件下发生的放热反应。
燃烧反应需要燃料、氧气和点火源三个条件,同时伴随着火焰的产生和释放出的热能。
1.2 燃烧反应过程燃烧反应过程主要包括引燃阶段、氧化阶段和烟雾生成阶段。
引燃阶段是指点火源接触燃料产生火焰,氧化阶段是指燃料氧化产生热能并释放,烟雾生成阶段是指燃料氧化不完全产生烟雾。
1.3 燃烧常用参数燃烧反应可以通过燃烧温度、燃烧速率、燃烧效率、燃料氧化反应的热值等参数进行评估。
其中燃烧温度反映燃料的燃烧状况,燃烧速率表示单位时间内所需的氧气量,燃烧效率是指燃料中的化学能转化为热能的比例。
2. 燃气轮机基础知识回顾2.1 燃气轮机的工作原理燃气轮机是利用燃料的燃烧产生的热能来驱动涡轮工作,从而产生机械能。
其工作原理是将压缩空气与燃料混合并燃烧,产生高温高压气体,然后将高温高压气体通过涡轮推动,最终输出功率。
2.2 燃气轮机的组成部分燃气轮机包括压气机、燃烧室、涡轮和排气系统等组成部分。
压气机负责将空气进行压缩,燃烧室将压缩空气与燃料进行混合并燃烧,涡轮利用燃烧产生的高温高压气体驱动,排气系统将废气排出。
2.3 燃气轮机的性能评估燃气轮机的性能评估可以通过燃气轮机效率、燃气轮机功率、比能耗和排气温度等指标进行。
燃气轮机效率是指输出功率与输入热能的比值,燃气轮机功率是指单位时间内产生的功率,比能耗表示单位功率所需燃料的用量,排气温度则表示热量损失情况。
通过以上对燃烧与燃气轮机基础知识的回顾,考生可以加深对该领域核心概念的理解。
备考阶段,考生应注重掌握燃烧反应的特点、过程和参数评估等内容,以及燃气轮机的工作原理、组成部分和性能评估方面的知识。