工程项目安全生产标准化自评表
- 格式:doc
- 大小:22.50 KB
- 文档页数:1
工程项目安全生产标准化自评表告知书申请表
Document number:BGCG-0857-BTDO-0089-2022
工程项目安全生产标准化自评表受监编码:
工程项目安全生产标准化考评申报表
受监编码:
工程项目安全生产标准化考评结果告知书
(受监编号:)
(施工单位):
根据《江苏省建筑施工安全生产标准化考评管理办法(实行)》,在你单位自评基础上,依据日常监管情况,经考评,你单位承建的工程安全生产标准化考评结果为:。
达到星级水平。
(以下为考评结果为不合格的填写)
考评不合格的理由及责任单位:
主管部门(盖章):
年月日注:本告知书考评主体、施工企业及专业分包单位各一份。
建筑施工企业安全生产标准化年度自评表
(年月至年月,年周期)
注:本表一式两份:施工企业、考评主体各一份。
自评材料附后。
建筑施工企业安全生产标准化考评申请表
注:本表一式两份:施工企业、考评主体各一份。
自评材料附后。
施工企业安全生产标准化考评结果告知书
(编号:)
:
根据《江苏省建筑施工安全生产标准化考评管理办法(试行)》,在你单位自评基础上,依据日常监管情况,经考评,你单位年月日至年月日期间,企业建筑施工安全生产标准化考评结果为:。
(以下为考评结果为不合格的填写)
考评结果为不合格的理由:
现限你单位于日前整改完毕。
主管部门(盖章):
年月日注:本告知书一式两份:施工企业、考评主体各一份。
安全生产标准化基本规范自评情况评分表背景介绍安全生产是企业发展的基础,也是保障员工和社会公众生命财产安全的重要措施。
为了加强对安全生产的管理,提高企业安全生产水平,许多国家和地区都推行了安全生产标准化。
安全生产标准化基本规范是安全生产标准化的一项重要内容,对企业开展自评具有积极的推动作用。
目的安全生产标准化基本规范自评情况评分表是针对企业安全生产标准化基本规范的自评工作而设计的一种工具。
通过填写评分表,企业可以对自身的安全生产管理进行系统化、客观化的评估,发现问题,制定改进措施,提高整体安全生产水平。
使用指南1. 评分表页面说明评分表页面分为以下几个部分:1.评分项及评分标准:列出了安全生产标准化基本规范中的评分项和评分标准,供企业根据实际情况进行评分。
2.评分结果:企业根据评分标准,对每项进行评分,并在评分结果栏中填写对应的分数。
评分结果栏中的空格为企业自行填写,可以填写具体分数或等级。
3.自评情况说明:企业对每个评分项进行文字说明,解释评分的依据和情况。
2. 填写评分表的步骤1.仔细阅读安全生产标准化基本规范,了解评分项和评分标准的内容。
2.根据企业的实际情况,对每个评分项进行评分,并在评分结果栏中填写相应的分数。
3.对每个评分项进行自评情况的文字说明,解释评分的依据和情况。
4.在评分表底部填写企业信息,并由相关负责人签字确认。
3. 评分表的评分标准解释评分标准根据安全生产标准化基本规范中的要求制定,一般包括以下几个等级:•优秀:符合评分标准的全部要求,且有额外的创新或超越。
•良好:符合评分标准的绝大部分要求,但还有一些不足之处。
•合格:基本符合评分标准的要求,但存在一些明显不足或者需要进一步改进的地方。
•不合格:很多要求未能达到,需要立即采取相关措施加以改进。
4. 使用限制评分表旨在帮助企业进行自评,对于安全生产标准化基本规范的自检和改进起到指导作用。
然而,评分表的结果仅供参考,企业应结合实际情况进行综合评估,并制定具体的改进措施。
项目安全生产标准化月自评表(表1)
年月日工程名称形象进度
施工单位自评月份年月
总计得分(满分100分)
项目名称及分值
1 2 3 4 5 6 7 8 9 10 安全
管理
(满分
10分)
文明
施工
(满分
15分)
脚手架
(满分
10分)
基坑
工程
(满分
10分)
模板
支架
(满分
10分)
高处
作业
(满分
10分)
施工
用电
(满分
10分)
物料提升机
与施工升降
机(满分
10分)
塔式起重
机与起重
吊装(满分
10分)
施工机具
(满分
5分)
自评等级
自评意见
自评负责人
(签名)
自评人员(签名)
施工单位项目负责人
监理单位
项目负责人
建设单位
项目负责人
— 1 —
注:依据《建筑施工安全检查标准》(JGJ59-2011)进行检查、评价、打分,按时上报。
— 2 —。
安全生产标准化自评评分表(XX目部)1、安全生产目标(30分)日期:XX年XX月XX-XX年XX月XX日附件4XX安全生产标准化自评报告(格式)自评等级:三级评定负责人:成员:(XXX项目部)XX年XX月XX日XXX项目部XX年安全生产标准化自评报告为深入贯彻全国安全生产电视电话会议精神,落实公司有关安全生产标准化的工作要求,按照《关于开展安全生产标准化建设自查及“回头看”专项检查工作的通知》(XX 安﹝2016﹞9号)文件等要求,为全面提升项目的安全生产水平,加强对项目部的安全生产监督管理,切实加强基层安全生产工作,促进自我约束,实现安全生产标准化,有效遏制、杜绝安全生产事故。
根据《水利水电施工企业安全生产标准化评审标准》试行,结合我项目部安全生产工作实际情况,以项目负责人牵头组织对项目部的安全生产标准化建设进行了全面细致的自评,现将自评情况汇报如下:工程概况1.XX水电站慨况XX水电站拟建于XX上,位于XX区境内,距XX边境西侧约250km,坝址在XX 河与XX汇合口上游约20km。
2、项目概况XX二标砂石系统位于大坝下游右岸,距坝轴线约XXm。
系统粗碎设计处理能力500t/h,三段破碎两次筛分,采用全干法生产。
成品生产能力500t/h,成品砂生产能力200 t/h。
总供应量约145万吨。
合同工期XX年XX月XX日-XX年XX月XX日。
一、组织机构及人员设置情况项目部根据实际情况设立了3个部门:安全办,负责项目部安全生产工作,内设专职安全管理负责人1人,兼职安全员1人;技术办,兼(经营、质量、设备物资);负债项目部技术、质量、设备物资管理工作,内设技术负责人1人、物资采购员1人;综合办,兼(人力资源、党群、工会、财务);负责人力资源、党群、工会、财务管理工作,内设副主任1人;1个工区:运行工区,负责砂石系统生产运行的全面工作,内设主任1人、副主任2人;运行车间4个、电工班1个,各设带班班长1人。
建筑施工安全生产标准化
项目自评表
项目名称:
项目地点:
自评单位:(项目部盖章)提交日期:年月日
某某省住房和城乡某设厅制
注:1、本表一式两份,施工企业、项目评价机构各一份,从“工程项目监管系统”中下载打印。
2、提交时间以“工程项目监管系统”确认的时间为准。
3、需要加盖项目部印章的部分,若无项目部印章可盖企业公章。
稻壳儿文字模板使用说明
(本页为说明页,用户使用模板时可删除本页内容)
01字体说明
中文字体:汉仪全唐诗简
英文字体:汉仪全唐诗简
【说明】
模板中使用的字体,仅限于个人学习、研究或欣赏目的使用,如需商用请您自行向版权方购买、获取商用版权。
02素材说明
图片:
素材:
03尾页删除方法
方法一:方法二:
1、点击「章节」-「章节导航」 1、删除多于页面的文本内容,成为空白页。
2、点击「开始」-「显示/隐藏编辑标记」按钮。
2、点击「尾页所在章节」-「删除本节」即可。
3、在分页符的后面点击光标,按「Delete」即可。
工程项目名称:明德城·芷园一期自评时间:年月日注:1.本表建设、施工、监理单位各一份;项目考评主体日常监督检查时应抽查此表,核实填写内容是否和现场一致并做好相关记录。
2.评分项目遇有缺项的,其评分的实得分应为可评分项目的实得分之和与可评分项目的应得分之和比值的百分数。
3. 此表由施工单位存档备查。
工程项目名称:明德城·芷园尚品自评时间:年月日注:1.本表建设、施工、监理单位各一份;项目考评主体日常监督检查时应抽查此表,核实填写内容是否和现场一致并做好相关记录。
2.评分项目遇有缺项的,其评分的实得分应为可评分项目的实得分之和与可评分项目的应得分之和比值的百分数。
3. 此表由施工单位存档备查。
建筑施工项目安全生产标准化月自评表工程项目名称:明德城·芷园臻品自评时间:年月日注:1.本表建设、施工、监理单位各一份;项目考评主体日常监督检查时应抽查此表,核实填写内容是否和现场一致并做好相关记录。
2.评分项目遇有缺项的,其评分的实得分应为可评分项目的实得分之和与可评分项目的应得分之和比值的百分数。
3. 此表由施工单位存档备查。
表B.1 安全管理检查评分表表B.2 文明施工检查评分表表B.3 扣件式钢管脚手架检查评分表表B.4 悬挑式脚手架检查评分表表B.5 门式钢管脚手架检查评分表表B.6 碗扣式钢管脚手架检查评分表表B.7 附着式升降脚手架检查评分表表B. 8 承插型盘扣式钢管支架检查评分表表B. 9 高处作业吊篮检查评分表表B.10 满堂式脚手架检查评分表表B.11 基坑支护、土方作业检查评分表表B.12 模板支架检查评分表表B. 13 “三宝、四口”及临边防护检查评分表表B.14 施工用电检查评分表表B.15物料提升机检查评分表表 B.16 施工升降机检查评分表表B.17 塔式起重机检查评分表表 B.18 起重吊装检查评分表表 B.19 施工机具检查评分表附录B 建筑施工安全分项检查评分表表B.1 安全管理检查评分表应得分数扣减 分数实得 分数序号检查项目扣 分 标 准未建立安全生产责任制扣10 分安全生产责任制未经责任人签字确认扣3 分 未制定各工种安全技术操作规程扣10 分 未按规定配备专职安全员扣10 分安全生产 工程项目部承包合同中未明确安全生产考核指标扣8 分 责任制 未制定安全资金保障制度扣5 分110未编制安全资金使用计划及实施扣2~5 分未制定安全生产管理目标(伤亡控制、安全达标、文明施工)扣5 分 未进行安全责任目标分解的扣5 分未建立安全生产责任制、责任目标考核制度扣5 分 未按考核制度对管理人员定期考核扣2~5 分 施工组织设计中未制定安全措施扣10分危险性较大的分部分项工程未编制安全专项施工方案,扣3~8分施 工 组 未按规定对专项方案进行专家论证扣10分 织 设 计 施工组织设计、专项方案未经审批扣10分安全措施、专项方案无针对性或缺少设计计算扣6~8分 未按方案组织实施扣5~10分 2 10未采取书面安全技术交底扣10分交底未做到分部分项扣5分保 证 项 目安全技术 3 4 5 6交底内容针对性不强扣3~5分交 底 101010交底内容不全面扣4分交底未履行签字手续扣2~4分未建立安全检查(定期、季节性)制度扣5分未留有定期、季节性安全检查记录扣5分事故隐患的整改未做到定人、定时间、定措施扣2~6分 对重大事故隐患改通知书所列项目未按期整改和复查扣8分 安全检查 未建立安全培训、教育制度扣10分新入场工人未进行三级安全教育和考核扣10分安全教育 未明确具体安全教育内容扣6~8分变换工种时未进行安全教育扣10分施工管理人员、专职安全员未按规定进行年度培训考核扣5分 未制定安全生产应急预案扣10分未建立应急救援组织、配备救援人员扣3~6分未配置应急救援器材扣5分 未进行应急救援演练扣5分 应急预案 10 6010小计分包单位资质、资格、分包手续不全或失效扣10分分包单位 未签定安全生产协议书扣5分安全管理 分包合同、安全协议书,签字盖章手续不全扣2~6分分包单位未按规定建立安全组织、配备安全员扣3分 7一人未经培训从事特种作业扣4分特种作业 89 一人特种作业人员资格证书未延期复核扣4分 持证上岗 101010一人未持操作证上岗扣2分一 般 项 目生产安全事故未按规定报告扣3~5分生产安全事故未按规定进行调查分析处理,制定防范措施扣10分未办理工伤保险扣5分 生产安全 事故处理 主要施工区域、危险部位、设施未按规定悬挂安全标志扣5分安全标志 未绘制现场安全标志布置总平面图扣5分未按部位和现场设施的改变调整安全标志设置扣5分 10小 计40 检查项目合计100表B.2 文明施工检查评分表序 号 应得 分数 扣减 分数实得 分数检查项目扣 分 标 准在市区主要路段的工地周围未设置高于2.5m 的封闭围挡扣10分 现场 一般路段的工地周围未设置高于1.8m 的封闭围挡扣10分 围挡围挡材料不坚固、不稳定、不整洁、不美观扣5~7分 围挡没有沿工地四周连续设置扣3~5分110施工现场出入口未设置大门扣3分 未设置门卫室扣2分封闭 2未设门卫或未建立门卫制度扣3分 管理 10进入施工现场不佩戴工作卡扣3分施工现场出入口未标有企业名称或标识,且未设置车辆冲洗设施扣3分 现场主要道路未进行硬化处理扣5分 现场道路不畅通、路面不平整坚实扣5分现场作业、运输、存放材料等采取的防尘措施不齐全、不合理扣5分 排水设施不齐全或排水不通畅、有积水扣4分未采取防止泥浆、污水、废水外流或堵塞下水道和排水河道措施扣3分 未设置吸烟处、随意吸烟扣2分 温暖季节未进行绿化布置扣3分 施工 场地 3 4 10101010保 证 建筑材料、构件、料具不按总平面布局码放扣4分材料布局不合理、堆放不整齐、未标明名称、规格扣2分建筑物内施工垃圾的清运,未采用合理器具或随意凌空抛掷扣5分 未做到工完场地清扣3分易燃易爆物品未采取防护措施或未进行分类存放扣4分 项 现场 目材料 在建工程、伙房、库房兼做住宿扣8分施工作业区、材料存放区与办公区、生活区不能明显划分扣6分 宿舍未设置可开启式窗户扣4分未设置床铺、床铺超过2层、使用通铺、未设置通道或人员超编扣6分 宿舍未采取保暖和防煤气中毒措施扣5分宿舍未采取消暑和防蚊蝇措施扣5分 现场 住宿 56生活用品摆放混乱、环境不卫生扣3分 未制定消防措施、制度或未配备灭火器材扣10分现场临时设施的材质和选址不符合环保、消防要求扣8分易燃材料随意码放、灭火器材布局、配置不合理或灭火器材失效扣5分未设置消防水源(高层建筑)或不能满足消防要求扣8分 未办理动火审批手续或无动火监护人员扣5分 现场 防火 小计608治安 生活区未给作业人员设置学习和娱乐场所扣4分 综合 未建立治安保卫制度、责任未分解到人扣3~5分 治理治安防范措施不利,常发生失盗事件扣3~5分78大门口处设置的“五牌一图”内容不全、缺一项扣2分 标牌不规范、不整齐扣3分 未张挂安全标语扣5分未设置宣传栏、读报栏、黑板报扣4分施工 现场 标牌 88食堂与厕所、垃圾站、有毒有害场所距离较近扣6分 食堂未办理卫生许可证或未办理炊事人员健康证扣5分食堂使用的燃气罐未单独设置存放间或存放间通风条件不好扣4分食堂的卫生环境差、未配备排风、冷藏、隔油池、防鼠等设施扣4分 厕所的数量或布局不满足现场人员需求扣6分厕所不符合卫生要求扣4分不能保证现场人员卫生饮水扣8分未设置淋浴室或淋浴室不能满足现场人员需求扣4分未建立卫生责任制度、生活垃圾未装容器或未及时清理扣3~5分 生活 设施 9一 般 项 目 现场未制定相应的应急预案,或预案实际操作性差扣6分 保健 未设置经培训的急救人员或未设置急救器材扣4分急救未开展卫生防病宣传教育、或未提供必备防护用品扣4分 未设置保健医药箱扣5分101188夜间未经许可施工扣8分社区 施工现场焚烧各类废弃物扣8分服务 未采取防粉尘、防噪音、防光污染措施扣5分 未建立施工不扰民措施扣5分小计40 检查项目合计100表B.3 扣件式钢管脚手架检查评分表应得 分数扣减 分数实得 分数序号1检查项目扣分标准架体搭设未编制施工方案或搭设高度超过24m 未编制专项 施工方案扣10分架体搭设高度超过24m ,未进行设计计算或未按规定审核、 审批扣10分架体搭设高度超过 50m ,专项施工方案未按规定组织专家 论证或未按专家论证意见组织实施扣10分 施工方案不完整或不能指导施工作业扣5~8分施工 方案10立杆基础不平、不实、不符合方案设计要求扣10分立杆底部底座、垫板或垫板的规格不符合规范要求每一处 扣2分未按规范要求设置纵、横向扫地杆扣5~10分 扫地杆的设置和固定不符合规范要求扣5分 未设置排水措施扣8分立杆 基础2341010 10 架体与建筑结构拉结不符合规范要求每处扣2分 连墙件距主节点距离不符合规范要求每处扣4分 架体底层第一步纵向水平杆处未按规定设置连墙件或未 采用其他可靠措施固定每处扣2分搭设高度超过24m 的双排脚手架,未采用刚性连墙件与建 筑结构可靠连接扣10分架体与 建筑结 构拉结保 证 项 目 立杆、纵向水平杆、横向水平杆间距超过规范要求每处扣 2分 未按规定设置纵向剪刀撑或横向斜撑每处扣5分剪刀撑未沿脚手架高度连续设置或角度不符合要求扣5分 剪刀撑斜杆的接长或剪刀撑斜杆与架体杆件固定不符合 要求每处扣2分杆件间距 与剪刀撑脚手板未满铺或铺设不牢、不稳扣7~10分 脚手板规格或材质不符合要求扣7~10分 每有一处探头板扣2分架体外侧未设置密目式安全网封闭或网间不严扣7~10分 作业层未在高度1.2m 和0.6m 处设置上、中两道防护栏杆 扣5分脚手板与 防护栏杆5610 作业层未设置高度不小于180㎜的挡脚板扣5分 架体搭设前未进行交底或交底未留有记录扣5分 架体分段搭设分段使用未办理分段验收扣5分 架体搭设完毕未办理验收手续扣10分 未记录量化的验收内容扣5分交底与 验 收 10 60小计 未在立杆与纵向水平杆交点处设置横向水平杆每处扣2分 未按脚手板铺设的需要增加设置横向水平杆每处扣2分 横向水平杆只固定端每处扣1分横向水平 杆 设 置7 10单排脚手架横向水平杆插入墙内小于18㎝每处扣2分 纵向水平杆搭接长度小于 1m 或固定不符合要求每处扣 2 分立杆除顶层顶步外采用搭接每处扣4分杆件 搭接 89 10105作业层未用安全平网双层兜底,且以下每隔10m 未用安全 平网封闭扣10分作业层与建筑物之间未进行封闭扣10分 架体 防护 钢管直径、壁厚、材质不符合要求扣5分 钢管弯曲、变形、锈蚀严重扣4~5分扣件未进行复试或技术性能不符合标准扣5分 脚手架 材 质 10 11未设置人员上下专用通道扣5分 通道设置不符合要求扣1~3分通道 小计5 40 检查项目合计100表B.4 悬挑式脚手架检查评分表应得 分数扣减 分数实得 分数序号1检查项目扣分标准未编制专项施工方案或未进行设计计算扣10分 专项施工方案未经审核、审批或架体搭设高度超过 20m 未按规定组织进行专家论证扣10分施工 方案10钢梁截面高度未按设计确定或载面高度小于 160mm 扣 10分钢梁固定段长度小于悬挑段长度的1.25倍扣10分钢梁外端未设置钢丝绳或钢拉杆与上一层建筑结构拉 结每处扣2分悬挑 钢梁210 钢梁与建筑结构锚固措施不符合规范要求每处扣5分 钢梁间距未按悬挑架体立杆纵距设置扣6分立杆底部与钢梁连接处未设置可靠固定措施每处扣2分 承插式立杆接长未采取螺栓或销钉固定每处扣2分 未在架体外侧设置连续式剪刀撑扣10分 未按规定在架体内侧设置横向斜撑扣5分 架体未按规定与建筑结构拉结每处扣5分 脚手板规格、材质不符合要求扣7~10分 脚手板未满铺或铺设不严、不牢、不稳扣7~10分 每处探头板扣2分保 证 项 目 架体 稳定310 4 5脚手板 荷 载 10 10 架体施工荷载超过设计规定扣10分施工荷载堆放不均匀每处扣5分架体搭设前未进行交底或交底未留有记录扣5分架体分段搭设分段使用,未办理分段验收扣7~10分 架体搭设完毕未保留验收资料或未记录量化的验收内容扣5分交底与 验收 61060 小计立杆间距超过规范要求,或立杆底部未固定在钢梁上每处扣2分杆件 间距78纵向水平杆步距超过规范要求扣5分10 10 未在立杆与纵向水平杆交点处设置横向水平杆每处扣 1 分作业层外侧未在高度1.2m 和0.6m 处设置上、中两道防 护栏杆扣5分架体 防护一 般 项 目 作业层未设置高度不小于180mm 的挡脚板扣5分 架体外侧未采用密目式安全网封闭或网间不严扣 7~10 分作业层未用安全平网双层兜底,且以下每隔10m 未用安 层间 防护910 10全平网封闭扣10分架体底层未进行封闭或封闭不严扣10分型钢、钢管、构配件规格及材质不符合规范要求扣 7~ 10分脚手架 材 质 10型钢、钢管弯曲、变形、锈蚀严重扣7~10分小计40 检查项目各计100表B.5 门式钢管脚手架检查评分表应得 分数扣减 分数实得 分数序号1检查项目扣分标准未编制专项施工方案或未进行设计计算扣10分专项施工方案未按规定审核、审批或架体搭设高度超过 50m 未按规定组织专家论证扣10分施工 方案10架体基础不平、不实、不符合专项施工方案要求扣 10 分架体底部未设垫板或垫板底部的规格不符合要求扣 10 分架体 基础210 架体底部未按规范要求设置底座每处扣1分 架体底部未按规范要求设置扫地杆扣5分 未设置排水措施扣8分未按规定间距与结构拉结每处扣5分 未按规范要求设置剪刀撑扣10分 架体 稳定保 证 项 目34 56101010 未按规范要求高度做整体加固扣5分 架体立杆垂直偏差超过规定扣5分未按说明书规定组装,或漏装杆件、锁件扣6分 未按规范要求设置纵向水平加固杆扣10分 架体组装不牢或紧固不符合要求每处扣1分 使用的扣件与连接的杆件参数不匹配每处扣1分脚手板未满铺或铺设不牢、不稳扣5分脚手板规格或材质不符合要求的扣5分采用钢脚手板时挂钩未挂扣在水平杆上或挂钩未处于 锁住状态每处扣2分杆件 锁件脚手板脚手架搭设前未进行交底或交底未留有记录扣6分脚手架分段搭设分段使用未办理分段验收扣6分 脚手架搭设完毕未办理验收手续扣6分未记录量化的验收内容扣5分 交底与 验 收 1060小计作业层脚手架外侧未在1.2m 和0.6m 高度设置上、中两 道防护栏杆扣10分作业层未设置高度不小于180㎜的挡脚板扣3分脚手架外侧未设置密目式安全网封闭或网间不严扣7~ 10分架体 防护781010作业层未用安全平网双层兜底,且以下每隔10m 未用安 全平网封闭扣5分一 般 项 目 杆件变形、锈蚀严重扣10分 门架局部开焊扣10分材质荷载 构配件的规格、型号、材质或产品质量不符合规范要求 扣10分施工荷载超过设计规定扣10分 荷载堆放不均匀每处扣5分910 10 未设置人员上下专用通道扣10分 通道设置不符合要求扣5分10 通道 小计40 检查项目合计100表B.6 碗扣式钢管脚手架检查评分表应得 分数扣减 分数实得 分数序号1检查项目扣分标准未编制专项施工方案或未进行设计计算扣10分专项施工方案未按规定审核、审批或架体高度超过50m 未按规定组织专家论证扣10分施工 方案10架体基础不平、不实,不符合专项施工方案要求扣10分架体底部未设置垫板或垫板的规格不符合要求扣10分 架体底部未按规范要求设置底座每处扣1分 架体底部未按规范要求设置扫地杆扣5分 未设置排水措施扣8分架体 基础210架体与建筑结构未按规范要求拉结每处扣2分架体底层第一步水平杆处未按规范要求设置连墙件或 未采用其它可靠措施固定每处扣2分连墙件未采用刚性杆件扣10分架体 稳定3未按规范要求设置竖向专用斜杆或八字形斜撑扣5分 竖向专用斜杆两端未固定在纵、横向水平杆与立杆汇交 的碗扣结点处每处扣2分10 保 证 项 目 竖向专用斜杆或八字形斜撑未沿脚手架高度连续设置 或角度不符合要求扣5分立杆间距、水平杆步距超过规范要求扣10分未按专项施工方案设计的步距在立杆连接碗扣结点处 设置纵、横向水平杆扣10分杆件 锁件 41010 架体搭设高度超过 24 m 时,顶部 24m 以下的连墙件层 未按规定设置水平斜杆扣10分架体组装不牢或上碗扣紧固不符合要求每处扣1分 脚手板未满铺或铺设不牢、不稳扣7~10分脚手板规格或材质不符合要求扣7~10分采用钢脚手板时挂钩未挂扣在横向水平杆上或挂钩未 处于锁住状态每处扣2分5 6 脚手板架体搭设前未进行交底或交底未留有记录扣6分 架体分段搭设分段使用未办理分段验收扣6分 架体搭设完毕未办理验收手续扣6分 交底与 验收 10 60未记录量化的验收内容扣5分小计架体外侧未设置密目式安全网封闭或网间不严扣7~10分作业层未在外侧立杆的 1.2m 和 0.6m 的碗扣结点设置 上、中两道防护栏杆扣5分架体 防护7810作业层外侧未设置高度不小于180㎜的挡脚板扣3分 作业层未用安全平网双层兜底,且以下每隔10m 未用安 全平网封闭扣5分一般 项 目杆件弯曲、变形、锈蚀严重扣10分钢管、构配件的规格、型号、材质或产品质量不符合规 范要求扣10分材质 荷载 10施工荷载超过设计规定扣10分 9 10 10 荷载堆放不均匀每处扣5分 未设置人员上下专用通道扣10分 10通道 小计通道设置不符合要求扣5分40 检查项目合计100表B.7 附着式升降脚手架检查评分表应得 扣减 实得 分数 分数分数 序号 1检查项目扣分标准未编制专项施工方案或未进行设计计算扣10分施工 专项施工方案未按规定审核、审批扣10分方案脚手架提升高度超过150m ,专项施工方案未按规定组织专家论证扣 10分10 未采用机械式的全自动防坠落装置或技术性能不符合规范要求扣 10分防坠落装置与升降设备未分别独立固定在建筑结构处扣10分 防坠落装置未设置在竖向主框架处与建筑结构附着扣10分 未安装防倾覆装置或防倾覆装置不符合规范要求扣10分 在升降或使用工况下,最上和最下两个防倾装置之间的最小间距不 符合规范要求扣10分安全 装置210 未安装同步控制或荷载控制装置扣10分同步控制或荷载控制误差不符合规范要求扣10分架体高度大于5倍楼层高扣10分 架体宽度大于1.2m 扣10分直线布置的架体支承跨度大于7m ,或折线、曲线布置的架体支撑跨架体 度的架体外侧距离大于5.4m 扣10分 构造 架体的水平悬挑长度大于2m 或水平悬挑长度未大于2m 但大于跨度1/2扣10分架体悬臂高度大于架体高度2/5或悬臂高度大于6m 扣10分 架体全高与支撑跨度的乘积大于110㎡扣10分 保 证 项 目3410 10未按竖向主框架所覆盖的每个楼层设置一道附着支座扣10分 在使用工况时,未将竖向主框架与附着支座固定扣10分在升降工况时,未将防倾、导向的结构装置设置在附着支座处扣10 分附着支座与建筑结构连接固定方式不符合规范要求扣10分附着 支座 主框架和水平支撑桁架的结点未采用焊接或螺栓连接或各杆件轴 线未交汇于主节点扣10分内外两片水平支承桁架的上弦和下弦之间设置的水平支撑杆件未采用焊接或螺栓连接扣5分架体立杆底端未设置在水平支撑桁架上弦各杆件汇交结点处扣 10 分与墙面垂直的定型竖向主框架组装高度低于架体高度扣5分架体外立面设置的连续式剪刀撑未将竖向主框架、水平支撑桁架和 架体构架连成一体扣8分 架体 安装 5610两跨以上架体同时整体升降采用手动升降设备扣10分架体 升降工况时附着支座在建筑结构连接处砼强度未达到设计要求或升降 小于C10扣10分10 60升降工况时架体上有施工荷载或有人员停留扣10分小计构配件进场未办理验收扣6分分段安装、分段使用未办理分段验收扣8分架体安装完毕未履行验收程序或验收表未经责任人签字扣10分 每次提升前未留有具体检查记录扣6分每次提升后、使用前未履行验收手续或资料不全扣7分 检查 验收 1 10脚手板未满铺或铺设不严、不牢扣3~5分 作业层与建筑结构之间空隙封闭不严扣3~5分脚手板规格、材质不符合要求扣5~8分 脚手 板 23 1010一 般 项 目脚手架外侧未采用密目式安全网封闭或网间不严扣10分 作业层未在高度1.2m 和0.6m 处设置上、中两道防护栏杆 防护扣5 作业层未设置高度不小于180㎜的挡脚板扣5分操作前未向有关技术人员和作业人员进行安全技术交底扣10分 作业人员未经培训或未定岗定责扣7~10分安装拆除单位资质不符合要求或特种作业人员未持证上岗扣7~10 4 操作 分1040安装、升降、拆除时未采取安全警戒扣10分 荷载不均匀或超载扣5~10分 小计检查项目合计 100表B. 8 承插型盘扣式钢管支架检查评分表应得 分数 扣减 分数实得 分数序号 1检查项目扣分标准未编制专项施工方案或搭设高度超过24m 未另行专门设计和计 算扣10分施工 10方案专项施工方案未按规定审核、审批扣10分 架体基础不平、不实、不符合方案设计要求扣10分架体立杆底部缺少垫板或垫板的规格不符合规范要求每处扣2 分架体 基础210架体立杆底部未按要求设置底座每处扣1分 未按规范要求设置纵、横向扫地杆扣5~10分 未设置排水措施扣8分架体与建筑结构未按规范要求拉结每处扣2分架体底层第一步水平杆处未按规范要求设置连墙件或未采用 其它可靠措施固定每处扣2分 连墙件未采用刚性杆件扣10分架体 稳定3未按规范要求设置竖向斜杆或剪刀撑扣5分竖向斜杆两端未固定在纵、横向水平杆与立杆汇交的盘扣结点 处每处扣2分10保 证 项 目斜杆或剪刀撑未沿脚手架高度连续设置或角度不符合要求扣5 分架体立杆间距、水平杆步距超过规范要求扣2分未按专项施工方案设计的步距在立杆连接盘处设置纵、横向水 平杆扣10分4杆件 1010双排脚手架的每步水平杆层,当无挂扣钢脚手板时未按规范要 求设置水平斜杆扣5~10分脚手板不满铺或铺设不牢、不稳扣7-10分 脚手板规格或材质不符合要求扣7-10分采用钢脚手板时挂钩未挂扣在水平杆上或挂钩未处于锁住状 态每处扣2分5 6脚手板脚手架搭设前未进行交底或未留有交底记录扣5分 脚手架分段搭设分段使用未办理分段验收扣10分 脚手架搭设完毕未办理验收手续扣10分 未记录量化的验收内容扣5分交底 106010 与验收小计架体外侧未设置密目式安全网封闭或网间不严扣7~10分作业层未在外侧立杆的1m 和0.5m 的盘扣节点处设置上、中两 道水平防护栏杆扣5分架体 防护7作业层外侧未设置高度不小于180㎜的挡脚板扣3分 立杆竖向接长位置不符合要求扣5分杆件 接长搭设悬挑脚手架时,立杆的承插接长部位未采用螺栓作为立杆连接件固定扣7~10分8910剪刀撑的斜杆接长不符合要求扣5~8分一 般 项 目作业层未用安全平网双层兜底,且以下每隔10m 未用安全平网 封闭扣7~10分架体内 封闭105作业层与主体结构间的空隙未封闭扣5~8分钢管、构配件的规格、型号、材质或产品质量不符合规范要求 10 11材质扣5分钢管弯曲、变形、锈蚀严重扣5分 未设置人员上下专用通道扣5分 通道设置不符合要求扣3分通道 小计5 40 检查项目合计100。
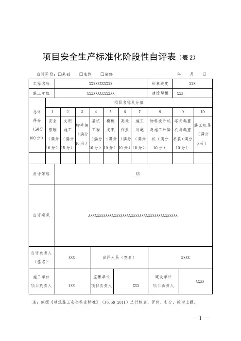
项目安全生产标准化阶段性自评表(表2)
自评阶段:□基础□主体□装修年月日工程名称XXXXXXXXXXX 形象进度XXX
施工单位XXXXXXXXXXXXX 建设规模 XXX
总计得分(满分100分)
项目名称及分值
1 2 3 4 5 6 7 8 9 10 安全
管理
(满分
10分)
文明
施工
(满分
15分)
脚手架
(满分
10分)
基坑
工程
(满分
10分)
模板
支架
(满分
10分)
高处
作业
(满分
10分)
施工
用电
(满分
10分)
物料提升机
与施工升降
机(满分
10分)
塔式起重
机与起重
吊装(满分
10分)
施工机具
(满分
5分)
自评等级XX
自评意见XXXXXXXXXXXXXXXXXXXXXXXXXXXXXXXXXXXXXXXXXX
自评负责人
(签名)
XXX 自评人员(签名)XXXX
施工单位
项目负责人XXX
监理单位
项目负责人XXX
建设单位
项目负责人
XXXX
注:依据《建筑施工安全检查标准》(JGJ59-2011)进行检查、评价、打分,按时上报。
— 1 —。
....~~建筑施工项目安全生产标准化月自评表工程名称:浐灞金融商务区南牛寺村安置楼二标段工程项目经理部自评时间:年月日项目名称及分值房屋建筑 总计面积(㎡) 得分基坑模板高处施工物料提塔式起施工安全管 文明施 脚手单位形象工程支架作业用电升机与重机与机具类别或市政工(满理(满 工(满 架(满名称 进度(满(满 (满 (满 施工升 起重吊 (满程造价(万分 100分 10 分 15分 10分 10分 10分 10 降机(满 装(满分分 5元)分)分 10分)分)分)分 10 分)10 分)分)分)分)分)分)施工总承陕西建工集团有包单位115393.99限公司自评机构评语:□项目按照《建筑施工安全检查标准》( JGJ59-2011 )进行自评,自评结果客观、真实;□其他。
项目自评(签章)(负责人签章)机构负 月日监理单位意见建设单位意见(负责人签字)年年月责人日年月 日注: 1.本表建设、施工、监理单位各一份;项目考评主体日常监督检查时应抽查此表,核实填写内容是否和现场一致并做好相关记录。
2 .评分项目遇有缺项的,其评分的实得分应为可评分项目的实得分之和与可评分项目的应得分之和比值的百分数。
3.此表由施工单位存档备查。
....~~建筑施工项目安全生产标准化月自评汇总表填表日期年 月日工程名称浐灞金融商务区南牛寺村安置施工单位陕西建工集团有限公司楼二标段工程监理单位中煤陕西中安项目管理有限建设单位西安浐灞河发展有限公司公司开工日期2015.3.1竣工日期2018.12.31序号 时间评分序号时间评分1 92 103 114 125 136 147 15816表格不够可自行添加自评平均分月自评过程符合规范,且资料齐全,现申请项目安全生产标准化评价。
施工单位意见项目负责人:(公章)年 月 日监理单位意见总监理工程师:(公章) 年 月 日建设单位意见建设单位项目负责人:(公章) 年 月 日考评主体受理意见受理人:(公章)年 月 日....~~企业对项目安全生产标准化工作季度评价汇总表工程项目名称:浐灞金融商务区南牛寺村安置楼二标段工程项目经理部总体 企业安分项工程检查评分方法按照(JGJ59-2011 )目次 4的规定执行塔式起评价 全生产施工(满 标准化 安全管 文明施基坑工 模板支 高处作 施工用 施工升 重机与 建筑施工企业评价时间脚手架 机具 分 100 自评机 理(满 工(满 程(满 架(满 业(满 电(满 降机 起重吊(满分 (满分)构评价 分 10 分 15 分 10 分 10 分 10 分10 (满分 装方面10 分)分 5得分率分)分)分)分)分)分)10分)(满分分)10分)评价平均分评价负责人 企业负责人(签名)(签名)注:季度检查时,依据《建筑施工安全检查标准》 ( JGJ59-2011 )附录 B 对分项工程进行检查评分,并将分值汇总于本表。
附件1年月建筑施工安全生产标准化项目自评表工程项目名称:天铭混凝土搅拌站综合楼自评时间年月日1注:1、本表应按《建筑施工安全检查标准》(JGJ59)进行检查,附相应《建筑施工安全分项检查评分表》,如《安全管理检查评分表》等。
2、本表一式两份,项目部、施工企业各一份。
2附件2湖南省建筑施工安全生产标准化项目考评结果告知书(编号:)(责任单位):你单位承建的项目,在你单位自评基础上,依据“平台”归集的考评有关材料,我们按照规定于年月日对项目安全生产标准化工作进行评定,经考评,该项目考评结果为不合格。
不合格理由:你单位收到该告知书后如有异议,可在三日内提出书面陈述或申辩,并提供相关证据和资料。
逾期则视为认可上述事实。
特此告知。
项目考评主体(公章):年月日签收人送达人、签收日期年月日附件3湖南省建筑施工安全生产标准化项目考评结果认定书(编号:)(责任单位):你单位承建的项目,在你单位自评基础上,依据“平台”归集的考评有关材料,我们按照规定于年月日对项目安全生产标准化工作进行评定,经考评,该项目考评结果为不合格。
不合格理由:特此告知。
项目考评主体(公章):年月日签收人送达人、签收日期年月日附件4年季建筑施工安全标准化项目考评情况汇总表- 22 -- 23 -附件5年季建筑施工安全标准化项目考评不合格项目汇总表- 22 -- 23 -附件6年度安全生产标准化项目考评优良工地汇总表填报单位:(盖章)- 22 -一、工程概况附件7建筑施工企业安全生产标准化年度自评情况表(年月至年月)企业名称:资质等级:安全生产许可证号码:企业法人代表:一、工程概况注:1、本表按《施工企业安全生产评价标准》JGJ/T77要求,把表A-1~5作为本表的附件。
2、本表一式两份,施工企业、所属市州住房城乡建设主管部门各一份。
页脚内容- 23 -附件8年建筑施工企业安全生产标准化考评评定结果汇总表页脚内容- 24 -页脚内容- 25 -。