高考化学专题复习——化学反应速率与化学平衡(1)
- 格式:docx
- 大小:183.43 KB
- 文档页数:19
高考化学化学反应速率与化学平衡综合练习题附答案一、化学反应速率与化学平衡1.黄铜矿是工业炼铜的主要原料,其主要成分为CuFeS2,现有一种天然黄铜矿(含少量脉石),为了测定该黄铜矿的纯度,某同学设计了如下实验:现称取研细的黄铜矿样品1.150g,在空气存在下进行煅烧,生成Cu、Fe3O4和SO2气体,实验后取d中溶液的置于锥形瓶中,用0.05mol/L标准碘溶液进行滴定,初读数为0.00mL,终读数如图所示。
请回答下列问题:(1)称量样品所用的仪器为_____,将样品研细后再反应,其目的是_______。
(2)装置a的作用是________。
a.有利于空气中氧气充分反应 b.除去空气中的水蒸气c.有利于气体混合 d.有利于观察空气流速(3)上述反应结束后,仍需通一段时间的空气,其目的是___________。
(4)滴定时,标准碘溶液所耗体积为_________mL。
判断滴定已达终点的现象是_______。
通过计算可知,该黄铜矿的纯度为________。
(5)若用右图装置替代上述实验装置d,同样可以达到实验目的的是____。
(填编号)(6)若将原装置d中的试液改为Ba(OH)2,测得的黄铜矿纯度误差为+1%,假设实验操作均正确,可能的原因主要有____________________。
【答案】电子天平使原料充分反应、加快反应速率 b、d 使反应生成的SO2全部进入d装置中,使结果精确 20.10mL 溶液恰好由无色变成浅蓝色,且半分钟内不褪色 80.4% ②空气中的CO2与Ba(OH)2反应生成BaCO3沉淀;BaSO3被氧化成BaSO4【解析】【分析】(1)根据称量黄铜矿样品1.150g,选择精确度较高的仪器;将样品研细,增大了接触面积;(2)浓硫酸可以将水除去,还可以根据冒出气泡的速率来调节空气流速;(3)反应产生的二氧化硫应该尽可能的被d装置吸收;(4)根据滴定管的读数方法读出消耗碘溶液的体积,根据反应结束时的颜色变化判断滴定终点;先找出黄铜矿和二氧化硫及碘单质的关系式CuFeS2~2SO2~2I2,再根据题中数据进行计算;(5)图2中的②中通入二氧化硫,反应生成了硫酸钡沉淀,可以根据硫酸钡的质量计算二氧化硫的量;(6)Ba(OH)2溶液能吸收空气的CO2,另外BaSO3易被空气中氧气氧化,这些原因均能引起测定误差。
专题十一化学反应速率和化学平衡考点一化学反应速率1.(2022北京,14,3分)CO2捕获和转化可减少CO2排放并实现资源利用,原理如图1所示。
反应①完成之后,以N2为载气,将恒定组成的N2、CH4混合气,以恒定流速通入反应器,单位时间流出气体各组分的物质的量随反应时间变化如图2所示。
反应过程中始终未检测到CO2,在催化剂上检测到有积炭。
下列说法不正确...的是()图1图2A.反应①为CaO+CO2CaCO3;反应②为CaCO3+CH4CaO+2CO+2H2B.t1~t3,n(H2)比n(CO)多,且生成H2的速率不变,推测有副反应CH4C+2H2C.t2时刻,副反应生成H2的速率大于反应②生成H2的速率D.t3之后,生成CO的速率为0,是因为反应②不再发生答案C根据题图1,可知反应①为CO2与CaO反应生成CaCO3,反应②为CaCO3与CH4在催化剂作用下反应生成CaO、CO和H2,A正确;由题图2可知,t1~t3,n(H2)比n(CO)多,生成H2的速率不变,又因为在催化剂上检测到有积炭,故发生的副反应为CH4C+2H2,B正确;t2时刻,CO的气体流速=反应②生成的H2的气体流速≈1.5mmol·min-1,副反应生成的H2的气体流速≈0.5mmol·min-1,故副反应生成H2的速率小于反应②生成H2的速率,C错误;只有反应②生成CO,题图2中t3之后CO气体流速为0,反应②不再发生,所以CO的生成速率为0,D正确。
方法技巧认真审题,仔细观察原理示意图和坐标图:①提取题中有价值的信息,找出每一个转化过程的反应物和生成物;②读懂坐标图中每一条曲线代表的物质,然后确定其变化量。
2.(2022广东,15,4分)在相同条件下研究催化剂Ⅰ、Ⅱ对反应X→2Y的影响,各物质浓度c随反应时间t的部分变化曲线如图,则()A.无催化剂时,反应不能进行B.与催化剂Ⅰ相比,Ⅱ使反应活化能更低C.a曲线表示使用催化剂Ⅱ时X的浓度随t的变化D.使用催化剂Ⅰ时,0~2min内,v(X)=1.0mol·L-1·min-1答案D由题图可知,无催化剂时,反应能进行,但是反应速率比较慢,A项错误;在相同条件下,与催化剂Ⅱ相比,在使用催化剂Ⅰ时生成物的浓度变化量更大,反应速率更快,故催化剂Ⅰ使反应活化能更低,B项错误;0~2min时,反应物浓度的变化量与生成物浓度的变化量之比等于其化学计量数之比,故a曲线表示使用催化剂Ⅰ时X的浓度随t的变化,C项错误;使用催化剂Ⅰ时,0~2min内,v(X)=(4.0mol·L-1-2.0mol·L-1)÷2 min=1.0mol·L-1·min-1,D项正确。
化学反应速率化学平衡两个问题:第一、化学反应进行的快慢即化学反应速率问题;第二、化学反应进行的程度即化学平衡问题一、化学反应速率1.表示方法(1)概念:化学反应速率通常用单位时间内反应物浓度的减小或生成物浓度的增加来表示(2)公式:v=△c/△t单位:mol/(L·s)或mol/(L·min)(3)注意事项:①由于反应过程中,随着反应的进行,物质的浓度不断地发生变化(有时温度等也可能变化),因此在不同时间内的反应速率是不同的。
通常我们所指的反应速率是指平均速率而非瞬时速率。
②同一化学反应的速率可以用不同物质浓度的变化来表示,其数值不一定相同,但其意义相同。
其数值之比等于化学计量数之比。
对于反应:m A+n B p C+q DV A∶V B∶V C∶V D=m∶n∶p∶q③一般不能用固体物质表示。
④对于没有达到化学平衡状态的可逆反应:v正≠v逆[例1]某温度时,2L容器中X、Y、Z三种物质的量随时间的变化如图所示。
由图中数据分析,该反应的化学方程式为___3X + Y2Z___;反应开始至2min ,Z的平均反应速率为___0.05 mol/(L·min)__。
[例2]在2A + B = 3C + 4D的反应中, 下列表示该反应的化学反应速率最快的是(B )A. V(A) = 0.5 mol/(L·s)B. V(B) = 0.3 mol/(L·s)C. V(C) = 0.8 mol/(L·s)D. V(D) = 1 mol/(L·s)练习1反应4A(S)+3B(g)==2C(g)+D(g),经2min,B的浓度减少了0.6mol/L.。
此反应速率的表示正确的是()A.用A表示的反应速率是0.4mol/L·minB.用C表示的速率是0.2mol/L·minC.在2 min末的反应速率,用B表示是0.3mol/L·minD.在2 min内用B和C表示的反应速率的值都是逐渐减少的。
全国高考化学化学反应速率与化学平衡的综合高考真题汇总附详细答案一、化学反应速率与化学平衡1.某化学兴趣小组在一次实验探究中发现,向草酸溶液中逐滴加入酸性高锰酸钾溶液时,溶液褪色先慢后快,即反应速率由小变大。
小组成员为此“异常”现象展开讨论,猜想造成这种现象的最可能原因有两种,并为此设计实验进行探究验证。
猜想Ⅰ:此反应过程放热,温度升高,反应速率加快;猜想Ⅱ:……。
(实验目的)探究草酸与高锰酸钾反应的速率变化“异常”原因(实验用品)仪器:试管、胶头滴管、量筒、药匙、玻璃棒等;试剂:0.1mol/L H2C2O4溶液、0.05mol/L KMnO4(硫酸酸化)溶液等。
请你根据该兴趣小组的实验探究设计思路,补充完整所缺内容。
(1)草酸(H2C2O4,弱酸)与酸性KMnO4溶液反应的离子方程式为(2)要完成对猜想Ⅰ的实验验证,至少还需要一种实验仪器是(3)猜想Ⅱ可是:___________________要设计实验验证猜想Ⅱ,进行该实验还要补充一种试剂及一种仪器,分别是(4)基于猜想Ⅱ成立,设计方案进行实验,请完成以下实验记录表内容。
【答案】(1)5H2C2O4+2MnO42—+6H+=10CO2↑+2Mn2++8H2O(2)温度计(3)生成的Mn2+对该反应有催化作用,加快反应速率;MnSO4(s)和秒表(4)基于猜想Ⅱ成立,设计方案进行实验,请完成以下实验记录表内容。
(加入试剂时只要A试管与B试管所加的0.1mol/L H2C2O4溶液、0.05mol/L 酸性KMnO4体积相等即给分。
)【解析】试题分析:猜想II:影响反应速率的因素有浓度、压强、温度和催化剂,而草酸与高锰酸钾溶液发生反应:5H2C2O4+2MnO4-+6H+=10CO2↑+2 Mn2++8H2O,溶液褪色先慢后快,即反应速率由小变大,反应物是溶液,无气体,故不能是反应物的浓度和压强对反应速率产生的影响,则只能是生成的产物又做了此反应的催化剂,加快了反应速率,故答案为生成的Mn2+在反应中起到催化剂的作用,加快了反应速率;(1)草酸中的碳元素被在酸性条件下能被高锰酸钾溶液氧化为CO2,高锰酸根能被还原为Mn2+,根据得失电子数守恒来配平可得离子方程式为:5H2C2O4+2MnO4-+6H+=10CO2↑+2 Mn2++8H2O;(2)由于猜想I是认为可能是由于反应放热导致体系温度升高而加快了反应速率,故应测量反应前和反应开始后一段时间的温度变化,则还缺少温度计;(3)猜想II是认为生成的Mn2+在反应中起到催化剂的作用,由于Cl-也能使高锰酸钾溶液褪色,故为了避免Cl-的干扰,故应补充MnSO4固体,通过测量溶液褪色的时间的长短来验证猜想,则还需的仪器是秒表;(4)要通过对比实验来验证猜想Ⅱ,则实验B和实验A的试剂的选择应除了MnSO4固体不同,其他均应相同,故试管B内加入的试剂是在试管A试剂的基础上多加了MnSO4(s),由于结论是猜想II成立,则试管B的褪色时间应该比试管A的更快,故答案为2.连二亚硫酸钠(Na2S2O4)俗称保险粉,是工业上重要的还原性漂白剂,也是重要的食品抗氧化剂。
2020-2021高考化学专题训练---化学反应速率与化学平衡的综合题分类附答案一、化学反应速率与化学平衡1.根据当地资源等情况,硫酸工业常用黄铁矿(主要成分为FeS2)作为原料。
完成下列填空:(1)将0.050mol SO2(g) 和0.030mol O2(g) 充入一个2L的密闭容器中,在一定条件下发生反应:2SO2(g)+O2(g)⇌2SO3(g)+Q。
经2分钟反应达到平衡,测得n(SO3)=0.040mol,则O2的平均反应速率为______(2)在容积不变时,下列措施中有利于提高SO2平衡转化率的有______(选填编号)a.移出氧气b.降低温度c.减小压强d.再充入0.050molSO2(g)和0.030molO2(g)(3)在起始温度T1(673K)时SO2的转化率随反应时间(t)的变化如图,请在图中画出其他条件不变情况下,起始温度为T2(723K)时SO2的转化率随反应时间变化的示意图___(4)黄铁矿在一定条件下煅烧的产物为SO2和Fe3O4①将黄铁矿的煅烧产物Fe3O4溶于H2SO4后,加入铁粉,可制备FeSO4。
酸溶过程中需维持溶液有足够的酸性,其原因是______②FeS2能将溶液中的Fe3+还原为Fe2+,本身被氧化为SO42﹣。
写出有关的离子方程式______。
有2mol氧化产物生成时转移的电子数为______【答案】0.005mol/(L•min) bd 抑制Fe3+与Fe2+的水解,并防止Fe2+被氧化成Fe3+ FeS2+14Fe3++8H2O=15Fe2++2SO42﹣+16H+14N A【解析】【分析】(1)根据v=ct∆∆求出氧气的速率,然后根据速率之比等于对应物质的化学计量数之比计算;(2)反应放热,为提高SO2平衡转化率,应使平衡向正反应方向移动,可降低温度,体积不变,不能从压强的角度考虑,催化剂不影响平衡移动,移出氧气,平衡向逆反应方向移动,不利于提高SO2平衡转化率,由此分析解答;(3)反应是放热反应,温度升高,平衡逆向进行,二氧化硫的转化率减小,但达到平衡所需要的时间缩短,据此画出曲线;(4)①Fe3+与Fe2+易水解,Fe2+易被氧化成Fe3+;②根据氧化还原反应中的反应物和生成物几何电子守恒来配平化学方程式,结合方程计算转移电子数。
化学反响速率与化学均衡专题复习一、考纲剖析1.考纲原文(1)认识化学反响速率的看法及反响速率的表示方法。
理解外界条件(浓度、温度、压强、催化剂等)对反响速率的影响。
(2)认识化学反响的可逆性。
理解化学均衡的含义及其与反响速率之间的联系。
(3)理解勒夏特列原理的含义。
理解浓度、温度、压强等条件对化学均衡挪动的影响。
(4)以合成氨工业生产为例,用化学反响速率和化学均衡的看法理解工业生产的条件。
2.考情剖析化学反响速率和化学均衡是最近几年来高考化学反响理论模块的重点内容之一,主要波及反响方向、反响速率快慢以及反响程度等方面的判断。
剖析最近几年的高考试题,有以下几方面的特色:选择题一般会从均衡状态和均衡挪动、物质转变率和浓度变化、均衡系统密度和相对分子质量的变化等方面考察,也常联合图像考察依据图像获得数据剖析、解决问题的能力等。
而新课标中的化学均衡常数和化学反响方向的判断这些内容正成为本专题高考命题的新热门。
3.复习指导( 1)正确认识、掌握有关看法,学会从看法有关的定义出发思虑、剖析问题。
如气体压强对均衡挪动的影响,一定经过浓度的变化来剖析、思虑,即只有浓度变化时,压强变化才对均衡挪动有效。
(2)要正确理解图表所表示的含义,也能经过图表获得重点信息,并用于剖析与解决问题。
同时,要会用文字、图表等方式进行清楚、正确地表述。
(3)要擅长概括、整理影响物质变化的重点变量,并能运用这些变量找出其变化规律,而后再用图、表或文字的方式将这些规律进行正确表达。
(4)学会一些惯例的方法,对反响系统进行剖析、判断,如典型的三步计算剖析法、等效均衡剖析法、均衡常数计算法等,这些都是解决化学反响速率与化学均衡有关问题的重要方法。
CO/ mol CO2/ mol H2/ mol CH4/ mol H2O/ mol 0 min 4 3 40 0 030 min 2 2 a 3 —70 min 1 b c d 6二、考点例析【例题 1】煤制整天然气是煤气化的一种重要方法。
高考化学化学反应速率与化学平衡(大题培优易错难题)及详细答案一、化学反应速率与化学平衡1.研究不同pH时CuSO4溶液对H2O2分解的催化作用。
资料:a.Cu2O为红色固体,难溶于水,能溶于硫酸,生成Cu和Cu2+。
b.CuO2为棕褐色固体,难溶于水,能溶于硫酸,生成Cu2+和H2O2。
c.H2O2有弱酸性:H2O2H+ +HO2-,HO2-H+ +O22-。
编号实验现象Ⅰ向1mL pH=2的1mol·L−1CuSO4溶液中加入0.5mL30% H2O2溶液出现少量气泡Ⅱ向1mL pH=3的1mol·L−1CuSO4溶液中加入0.5mL30% H2O2溶液立即产生少量棕黄色沉淀,出现较明显气泡Ⅲ向1mL pH=5的1mol·L−1CuSO4溶液中加入0.5mL30% H2O2溶液立即产生大量棕褐色沉淀,产生大量气泡(1)经检验生成的气体均为O2,Ⅰ中CuSO4催化分解H2O2的化学方程式是__。
(2)对Ⅲ中棕褐色沉淀的成分提出2种假设:ⅰ.CuO2,ⅱ.Cu2O和CuO2的混合物。
为检验上述假设,进行实验Ⅳ:过滤Ⅲ中的沉淀,洗涤,加入过量硫酸,沉淀完全溶解,溶液呈蓝色,并产生少量气泡。
①若Ⅲ中生成的沉淀为CuO2,其反应的离子方程式是__。
②依据Ⅳ中沉淀完全溶解,甲同学认为假设ⅱ不成立,乙同学不同意甲同学的观点,理由是__。
③为探究沉淀中是否存在Cu2O,设计如下实验:将Ⅲ中沉淀洗涤、干燥后,取a g固体溶于过量稀硫酸,充分加热。
冷却后调节溶液pH,以PAN为指示剂,向溶液中滴加c mol·L−1EDTA溶液至滴定终点,消耗EDTA溶液V mL。
V=__,可知沉淀中不含Cu2O,假设ⅰ成立。
(已知:Cu2++EDTA= EDTA-Cu2+,M(CuO2)=96g·mol−1,M(Cu2O)=144g·mol−1)(3)结合方程式,运用化学反应原理解释Ⅲ中生成的沉淀多于Ⅱ中的原因__。
高考化学综合题专题复习【化学反应速率与化学平衡】专题解析及答案一、化学反应速率与化学平衡1.某研究小组对碘化钾溶液在空气中发生氧化反应的速率进行实验探究。
(初步探究)示意图序号温度试剂A现象①0°C0.5mol∙L−1稀硫酸4min左右出现蓝色②20°C1min左右出现蓝色③20°C0.1mol∙L−1稀硫酸15min左右出现蓝色④20°C蒸馏水30min左右出现蓝色(1)为探究温度对反应速率的影响,实验②中试剂A应为______________。
(2)写出实验③中I-反应的离子方程式:_____________________。
(3)对比实验②③④,可以得出的结论:_______________________。
(继续探究)溶液pH对反应速率的影响查阅资料:i.pH<11.7时,I-能被O2氧化为I2。
ii.pH= 9.28时,I2发生歧化反应:3I2+6OH-=IO3-+5I-+3H2O,pH越大,歧化速率越快。
(4)小组同学用4支试管在装有O2的储气瓶中进行实验,装置如图所示。
序号⑤⑥⑦⑧试管中溶液的pH891011放置10小时后的现象出现蓝色颜色无明显变化分析⑦和⑧中颜色无明显变化的原因_______。
(5)甲同学利用原电池原理设计实验证实pH=10的条件下确实可以发生I-被O2氧化为I2的反应,如图所示,请你填写试剂和实验现象。
试剂1______________。
试剂2______________。
实验现象:___________________________。
(深入探究)较高温度对反应速率的影响小组同学分别在敞口试管和密闭试管中进行了实验⑨和⑩。
(6)对比实验⑨和⑩的现象差异,该小组同学对实验⑨中的现象提出两种假设,请你补充假设1。
假设1:_______________。
假设2:45°C以上I2易升华,70°C水浴时,c(I2)太小难以显现黄色。
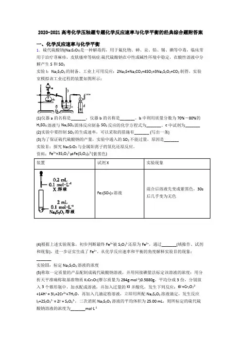
2020-2021高考化学压轴题专题化学反应速率与化学平衡的经典综合题附答案一、化学反应速率与化学平衡1.硫代硫酸钠(Na2S2O3)是一种解毒药,用于氟化物、砷、汞、铅、锡、碘等中毒,临床常用于治疗荨麻疹,皮肤瘙痒等病症.硫代硫酸钠在中性或碱性环境中稳定,在酸性溶液中分解产生S和SO2实验I:Na2S2O3的制备。
工业上可用反应:2Na2S+Na2CO3+4SO2=3Na2S2O3+CO2制得,实验室模拟该工业过程的装置如图所示:(1)仪器a的名称是_______,仪器b的名称是_______。
b中利用质量分数为70%〜80%的H2SO4溶液与Na2SO3固体反应制备SO2反应的化学方程式为_______。
c中试剂为_______(2)实验中要控制SO2的生成速率,可以采取的措施有_______ (写出一条)(3)为了保证硫代硫酸钠的产量,实验中通入的SO2不能过量,原因是_______实验Ⅱ:探究Na2S2O3与金属阳离子的氧化还原反应。
资料:Fe3++3S2O32-⇌Fe(S2O3)33-(紫黑色)装置试剂X实验现象Fe2(SO4)3溶液混合后溶液先变成紫黑色,30s 后几乎变为无色(4)根据上述实验现象,初步判断最终Fe3+被S2O32-还原为Fe2+,通过_______(填操作、试剂和现象),进一步证实生成了Fe2+。
从化学反应速率和平衡的角度解释实验Ⅱ的现象:_______实验Ⅲ:标定Na2S2O3溶液的浓度(5)称取一定质量的产品配制成硫代硫酸钠溶液,并用间接碘量法标定该溶液的浓度:用分析天平准确称取基准物质K2Cr2O7(摩尔质量为294g∙mol-1)0.5880g。
平均分成3份,分别放入3个锥形瓶中,加水配成溶液,并加入过量的KI并酸化,发生下列反应:6I-+Cr2O72-+14H+ = 3I2+2Cr3++7H2O,再加入几滴淀粉溶液,立即用所配Na2S2O3溶液滴定,发生反应I2+2S2O32- = 2I- + S4O62-,三次消耗 Na2S2O3溶液的平均体积为25.00 mL,则所标定的硫代硫酸钠溶液的浓度为_______mol∙L-1【答案】分液漏斗 蒸馏烧瓶 24232422H SO Na SO Na SO H O =SO +++↑ 硫化钠和碳酸钠的混合液 调节酸的滴加速度 若 SO 2过量,溶液显酸性.产物会发生分解 加入铁氰化钾溶液.产生蓝色沉淀 开始生成 Fe(S 2O 3)33-的反应速率快,氧化还原反应速率慢,但Fe 3+与S 2O 32- 氧化还原反应的程度大,导致Fe 3++3S 2O 32-⇌Fe(S 2O 3)33-(紫黑色)平衡向逆反应方向移动,最终溶液几乎变为无色 0.1600【解析】【分析】【详解】(1)a 的名称即为分液漏斗,b 的名称即为蒸馏烧瓶;b 中是通过浓硫酸和Na 2SO 3反应生成SO 2,所以方程式为:24232422H SO Na SO Na SO H O =SO +++↑;c 中是制备硫代硫酸钠的反应,SO 2由装置b 提供,所以c 中试剂为硫化钠和碳酸钠的混合溶液;(2)从反应速率影响因素分析,控制SO 2生成速率可以调节酸的滴加速度或者调节酸的浓度,或者改变反应温度;(3)题干中指出,硫代硫酸钠在酸性溶液中会分解,如果通过量的SO 2,会使溶液酸性增强,对制备产物不利,所以原因是:SO 2过量,溶液显酸性,产物会发生分解;(4)检验Fe 2+常用试剂是铁氰化钾,所以加入铁氰化钾溶液,产生蓝色沉淀即证明有Fe 2+生成;解释原因时一定要注意题干要求,体现出反应速率和平衡两个角度,所以解释为:开始阶段,生成3233Fe(S O )-的反应速率快,氧化还原反应速率慢,所以有紫黑色出现,随着Fe 3+的量逐渐增加,氧化还原反应的程度变大,导致平衡逆向移动,紫黑色逐渐消失,最终溶液几乎变为无色;(5)间接碘量法滴定过程中涉及两个反应:①2327226I Cr O 14H =3I 2Cr7H O --++++++;②2222346=I 2S O 2I S O ---++;反应①I -被氧化成I 2,反应②中第一步所得的I 2又被还原成I -,所以①与②电子转移数相同,那么滴定过程中消耗的227Cr O -得电子总数就与消耗的223S O -失电子总数相同 ;在做计算时,不要忽略取的基准物质重铬酸钾分成了三份进行的滴定。
专题十一化学反应速率和化学平衡考点二化学平衡1.(2022北京,12,3分)某MOFs多孔材料孔径大小和形状恰好将N2O4“固定”,能高选择性吸附NO2。
废气中的NO2被吸附后,经处理能全部转化为HNO3。
原理示意图如下。
已知:2NO2(g)N2O4(g)ΔH<0下列说法不正确...的是() A.温度升高时不利于NO2吸附B.多孔材料“固定”N2O4,促进2NO2N2O4平衡正向移动C.转化为HNO3的反应是2N2O4+O2+2H2O4HNO3D.每获得0.4mol HNO3时,转移电子的数目为6.02×1022答案D2NO2(g)N2O4(g)ΔH<0,温度升高,平衡逆向移动,NO2生成N2O4的转化率降低,多孔材料不能将更多的N2O4“固定”,故不利于NO2吸附,A正确;多孔材料“固定”N2O4,使混合气体中N2O4的浓度降低,促进平衡2NO2N2O4正向移动,B正确;N2O4与O2和H2O发生氧化还原反应生成硝酸,C正确;由C项中反应2N2O4+O2+2H2O4HNO3可知,每生成0.4mol HNO3,转移电子的数目为0.4×6.02×1023,D错误。
2.(2022广东,13,4分)恒容密闭容器中,BaSO4(s)+4H2(g)BaS(s)+4H2O(g)在不同温度下达平衡时,各组分的物质的量(n)如图所示。
下列说法正确的是()A.该反应的ΔH<0B.a为n(H2O)随温度的变化曲线C.向平衡体系中充入惰性气体,平衡不移动D.向平衡体系中加入BaSO4,H2的平衡转化率增大答案C随着温度升高,n(H2)减小,说明平衡正向移动,反应的ΔH>0,A不正确;起始时H2为4mol,200℃时H2约为0.5mol,即约有3.5mol H2参加反应,根据化学方程式计算可知此时生成的H2O约为3.5mol,故题图中最上方的曲线为n(H2O)随温度的变化曲线,B不正确;恒容体系中充入惰性气体,H2、H2O的浓度均不变,平衡不移动,C 正确;BaSO4为固体,加入BaSO4,平衡不移动,D不正确。
专题十一化学反应速率和化学平衡综合篇综合分压平衡常数(K p)的计算1.(2019课标Ⅱ,27节选)环戊二烯()是重要的有机化工原料,广泛用于农药、橡胶、塑料等生产。
回答下列问题:(1)已知:(g)(g)+H2(g)ΔH1=100.3kJ·mol-1①H2(g)+I2(g)2HI(g)ΔH2=-11.0kJ·mol-1②对于反应:(g)+I2(g)(g)+2HI(g)③ΔH3=kJ·mol-1。
(2)某温度下,等物质的量的碘和环戊烯()在刚性容器内发生反应③,起始总压为105Pa,平衡时总压增加了20%,环戊烯的转化率为,该反应的平衡常数K p=Pa。
达到平衡后,欲增加环戊烯的平衡转化率,可采取的措施有(填标号)。
A.通入惰性气体B.提高温度C.增加环戊烯浓度D.增加碘浓度(3)环戊二烯容易发生聚合生成二聚体,该反应为可逆反应。
不同温度下,溶液中环戊二烯浓度与反应时间的关系如图所示,下列说法正确的是(填标号)。
A.T1>T2B.a点的反应速率小于c点的反应速率C.a点的正反应速率大于b点的逆反应速率D.b点时二聚体的浓度为0.45mol·L-1答案(1)+89.3(2)40% 3.56×104BD(3)CD2.(2020课标Ⅲ,28,14分)二氧化碳催化加氢合成乙烯是综合利用CO2的热点研究领域。
回答下列问题:(1)CO2催化加氢生成乙烯和水的反应中,产物的物质的量之比n(C2H4)∶n(H2O)=。
当反应达到平衡时,若增大压强,则n(C2H4)(填“变大”“变小”或“不变”)。
(2)理论计算表明,原料初始组成n(CO2)∶n(H2)=1∶3,在体系压强为0.1MPa,反应达到平衡时,四种组分的物质的量分数x随温度T的变化如图所示。
图中,表示C2H4、CO2变化的曲线分别是、。
CO2催化加氢合成C2H4反应的ΔH0(填“大于”或“小于”)。
高考化学专题复习:化学反应速率和化学平衡一、单项选择题(共12小题)1.10mL浓度为1mol•L-1的盐酸与过量的锌粉反应,若加入适量的下列溶液,能减慢反应速率但又不影响氢气生成量的是()A.Na2SO4B.H2SO4C.CuSO4D.Na2CO32.某温度下的恒容密闭容器中,有下述反应:A(g)+2B(g)⇌C(g)+D(g)。
下列情况不能说明该反应一定达到化学平衡状态的是()A.混合气体的压强B.消耗2molB的时候消耗1molCC.A的浓度不再改变D.混合气体的密度3.将一定量纯净的氨基甲酸铵置于密闭真空恒容容器中(固体体积忽略不计),在恒定温度下使其达到分解平衡:NH2COONH4(s)⇌2NH3(g)+CO2(g)。
不能判断该分解反应达到化学平衡的是()A.混合气体的压强不再变化B.混合气体的密度不再变化C.混合气体的平均相对分子质量不再变化D.混合气体的总物质的量不再变化4.可逆反应:2NO2(g)⇌2NO(g)+O2(g),在体积固定的密闭容器中,达到平衡状态的标志是()①单位时间内生成nmolO2的同时生成2nmolNO2②单位时间内生成nmolO2的同时生成2nmolNO③用NO2、NO、O2表示的反应速率之比为2:2:1的状态④混合气体的颜色不再改变的状态⑤混合气体的密度不再改变的状态⑥混合气体的压强不再改变的状态⑦混合气体的平均相对分子质量不再改变的状态A.①④⑥⑦B.①④⑤⑥⑦C.②④⑥⑦D.②③④⑥⑦5.已知反应4CO+2NO2=N2+4CO2在不同条件下的化学反应速率如下,反应速率最快的是()A.v(CO)=1.5mol•L-1•min-1B.v(NO2)=0.015mol•L-1•s-1C.v(N2)=0.4mol•L-1•min-1D.v(CO2)=1.7mol•L-1•min-1 6.下列说法正确的是()A.对于A(s)+B(g)⇌C(g)+D(g)的反应,加入A,反应速率加快B.2NO2⇌N2O4(正反应放热),升高温度,反应速率减慢C.一定温度下,反应N2(g)+3H2(g)⇌2NH3(g)在密闭容器中进行,恒压,充入He不改变反应速率D.100mL2mol•L-1稀盐酸与锌反应时,加入少量硫酸铜固体,生成氢气的速率加快7.一定条件下:2A(g)+B(s)⇌C(g)△H<0。
第七章 化学反应速率与化学平衡第一讲 化学反应速率考点1 化学反应速率1.表示方法通常用单位时间内反应物浓度的减少量或生成物浓度的增加量来表示。
2.表达式v =ΔcΔt,单位:mol/(L·s)或mol/(L·min),如密闭容器中,合成氨的反应N 2(g)+3H 2(g)2NH 3(g),开始时c (N 2)=8 mol/L ,2 min 后c (N 2)=4 mol/L ,则用N 2表示该反应的反应速率为 2 mol/(L·min)。
3.与化学计量数的关系对于已知反应m A(g)+n B(g)===p C(g)+q D(g),其化学反应速率可用不同的反应物或生成物来表示,当单位相同时,化学反应速率的数值之比等于化学计量数之比,即 v (A)∶v (B)∶v (C)∶v (D)=m ∶n ∶p ∶q 。
考点2 影响反应速率的因素1.内因反应物本身的性质是主要因素,如相同条件下Mg 、Al 与稀盐酸反应的速率大小关系为v (Mg)>v (Al)。
2.外因(只改变一个条件,其他条件不变)3.理论解释——有效碰撞理论 (1)活化分子、活化能、有效碰撞 ①活化分子:能够发生有效碰撞的分子。
②活化能:如图图中:反应的活化能为E1,使用催化剂时的活化能为E3,反应热为E1-E2。
③有效碰撞:活化分子之间能够引发化学反应的碰撞。
(2)活化分子、有效碰撞与反应速率的关系考点3化学反应速率影响因素的实验探究在研究影响化学反应速率的因素时,由于外界影响因素较多,故为弄清某个因素的影响,需控制其他因素相同或不变,再进行实验。
因此,常用变量控制思想解决该类问题。
解题策略:(1)确定变量解答这类题目时首先要认真审题,理清影响实验探究结果的因素有哪些。
(2)定多变一在探究时,应该先确定其他的因素不变,只改变一种因素,看这种因素与探究的问题存在怎样的关系;这样确定一种以后,再确定另一种,通过分析每种因素与所探究问题之间的关系,得出所有影响因素与所探究问题之间的关系。
高考化学综合题专题复习【化学反应速率与化学平衡】专题解析附答案解析一、化学反应速率与化学平衡1.碳酸镁晶须是一种新型的吸波隐形材料中的增强材料。
(1)合成该物质的步骤如下:步骤1:配制0.5mol·L-1 MgSO4溶液和0.5mol·L-1 NH4HCO3溶液。
步骤2:用量筒量取500mL NH4HCO3溶液于1000mL三颈烧瓶中,开启搅拌器。
温度控制在50℃。
步骤3:将250mL MgSO4溶液逐滴加入NH4HCO3溶液中,1min内滴加完后,用氨水调节溶液pH到9.5。
步骤4:放置1h后,过滤,洗涤。
步骤5:在40℃的真空干燥箱中干燥10h,得碳酸镁晶须产品(MgCO3·nH2O n=1~5)。
①步骤2控制温度在50℃,较好的加热方法是_________。
②步骤3生成MgCO3·nH2O沉淀的化学方程式为__________。
③步骤4检验沉淀是否洗涤干净的方法是__________。
(2)测定生成的MgCO3·nH2O中的n值。
称量1.000碳酸镁晶须,放入如图所示的广口瓶中加入适量水,并滴入稀硫酸与晶须反应,生成的CO2被NaOH溶液吸收,在室温下反应4~5h,反应后期将温度升到30℃,最后将烧杯中的溶液用已知浓度的盐酸滴定,测得CO2的总量;重复上述操作2次。
①图中气球的作用是_________。
②上述反应后期要升温到30℃,主要目的是______。
③测得每7.8000g碳酸镁晶须产生标准状况下CO2为1.12L,则n值为_______。
(3)碳酸镁晶须可由菱镁矿获得,为测定某菱镁矿(主要成分是碳酸镁,含少量碳酸亚铁、二氧化硅)中铁的含量,在实验室分别称取12.5g菱镁矿样品溶于过量的稀硫酸并完全转移到锥形瓶中,加入指示剂,用0.010mol/L H2O2溶液进行滴定。
平行测定四组。
消耗H2O2溶液的体积数据如表所示。
实验编号1234消耗H2O2溶液体积/mL15.0015.0215.6214.98①H2O2溶液应装在_________(填“酸式”或“碱式”)滴定管中。
2014 高考必备专题——化学反应速率和化学平衡【考纲解读】一、化学反应速率1.定义:单位时间内反应物或生成物的物质的量的变化(以单位时间内反应物浓度的减少或生成物浓度的增加来表示),用来衡量化学反应进行快慢的物理量。
2.表达方式v A = c(A),式中Δc(A)表示物质 A 的物质的量浓度的变化,单位为 mol/L,Δt表示时t 间,单位为 s(秒)、min(分)、h(时)。
v(A)表示物质 A 的化学反应速率。
单位是mol/(L·s)或mol/(L·min) 或mol/(L· h) 。
3.化学反应速率的规律同一化学反应,用不同物质的量浓度变化变化表示的化学反应速率之比等于化学方程式中相应物质的计量数之比。
这是有关化学反应速率的计算或换算的依据。
如:对于化学反应:a A(g) + bB(b) = c C(g) + d D(g) ,则存在 v(A) :v(B) : v(C): v(D) = a : b : c: d 。
注意:⑴化学反应速率均为正值;⑵化学反应速率通常是指某种物质在某一段时间内化学反应的平均速率,而不是指某一时刻的瞬时速率;⑶由于在反应中纯固体和纯液体的浓度是恒定不变的,因此对于有纯固体和纯液体参加的反应,一般不用纯固体或纯液体来表示化学反应速率⑷对于同一化学反应,在相同的反应时间内,用不同的物质来表示其反应速率,其速率的值可能不同,但这些不同的数值表示的是同一个化学反应在同一段时间内的反应,所以为相同的速率。
所以比较速率时不能只看速率的数值,还要说明是用那种物质表示的速率。
(5)化学反应速率大小的比较由于同一化学反应速率用不同物质表示时数值可能不同,所以比较反应的快慢不能只看数值的大小,而要进行一定的转化。
①看单位是否统一,若不统一,换算成相同的单位。
②换算成同一物质表示的速率,再比较数值的大小。
③比较化学反应速率与化学计量数的比值,即对于一般反应a A+b B===c C+d D,比较v(A)与v(B),若v(A) >v(B),则 A 表示的反应速率比 B 大。
二、影响化学反应速率的因素主要因素为内因:参加化学反应的物质的性质是决定化学反应速率的主要原因。
反应的类型不同,物质的结构不同,都会导致反应速率的不同。
外因的影响:1.浓度对化学反应速率的形晌(1)结论:当其他条件不变时.增加物质的浓度可以加快化学反应速率。
减小物质的浓度可以使化学反应速率减慢。
(2)理论解释:在其他条件不变时,对某一反应来说.活化分子在反应物分子中所占的百分数是一定的.当增大反应物的浓度时,活化分子数增多,因此有效碰搜次数增多,所以化学反应速率加快.因此,增加反应物浓度可以加快化学反应速率。
(3)注意事项:①对于纯液体和固体物质,可认为其浓度是一个常数,它们的里的改变不会形响化学反应速率。
②固体反应物颗粒的大小,能够影晌物体的接触面积,进而影响化学反应速率。
在固体质量相等的情况下,固体的颗粒越小,与物质的接触面积越大,有效碰撞次数越多,化学反应速率越快。
2.压强对化学反应速率的影晌(1)结论:对于有气体参加的化学反应,当其他条件不变时,增大气体的压强.可以加快化学反应速率,减小气体的压强,则减慢化学反应速率。
(2)理论解释:在其他条件不变时,增大压强,则使气体体积减小,气体的浓度增大,单位体积内的活化分子数增多,从而增加了有效碰撞的次数,使化学反应速率加快。
因此增大压强,化学反应速率加快.当减小压强时,气体体积增大,单位体积内的活化分子数减少,有效碰撞次数减少,反应速率减慢。
⑶注意事项:①在讨论压强对化学反应速率的影响时,应区分引起压强改变的原因,对于气体参加的反应体系来说,有以下几种情况a.恒温时,增加压强→体积减小→浓度增大→化学反应速率加快b.恒容时,充入气体反应物→压强增大→浓度增大→化学反应速率加快恒容时,充入稀有气体→总压强增大,但各物质的浓度不发生变化,所以化学反应速率不变c.恒压时,充入稀有气体→体系体积增大→各反应物浓度减小→反应速率减漫②由于压强改变时,固体、液体或溜液的体积影响很小,因而它们对浓度改变的影响也很小,可以认为改变压强时对它们的反应速率无影晌。
3.温度对化学反应速率的影响(1)结论:当其他条件不变时,升高温度,可以加快化学反应速率,降低温度,化学反应速率减慢。
(2)理论解释:当其他条件不变时,升高湿度,可以增加物质分子的能量,使活化分子的百分含量增加,有效碰撞次数增多,化学反应速率加快;若降低温度,则减少了活化分子的百分含里,有效碰撞改数减少,化学反应速率减慢。
(3)注意事项:a.由于升高温度直接改变了活化分子的百分含量,所以温度的改变对于化学反应速率的改变比浓度和压强的改变大,一般温度每升高10℃,化学反应速率加快 2~4倍。
b.升高温度,可以增加所有分子的能量,所以温度对于所有的反应的有影响。
4.催化剂对化学反应速率的影响⑴结论:当其他条件不变时,加入催化剂(一般指正催化剂)可以加快化学反应速率。
⑵理论解释:当其他条件不变时,加入催化剂,可以改变化学反应的途径,降低化学反应的活化能,使活化分子的百分含量增加,有效碰撞次数增加,化学反应速率加快。
⑶注意事项: a.催化剂:能改变化学反应速率,而本身的组成、质量以及化学性质不发生改变的物质。
b.催化剂的活性往往因接触少量杂质而明显下降,甚至遭到破坏,这种现象叫做催化剂中毒,工业上为了防止催化剂中毒,要把原料进行净化处理以除去杂质。
c.由于加入催化剂可以在很大程度上增加活化分子的百分含量,所以加入催化剂可以成千上万倍的加快化学反应速率。
5.其他因素的影响光、超声波、激光、放射线、电磁波、反应物颗粒大小、扩散速率、溶剂等因素也都能对某些化学反应的反应速率产生一定的影响,另外形成原电池也是加快化学反应速率的一种方法。
6速率—时间图像定性揭示了v正、v逆随时间(含条件改变对速率的影响)而变化的规律,体现了外界条件改变对可逆反应速率的影响,以及由此引发的平衡移动。
例 1. ( 2013 ·四川理综化学·6 )在一定温度下,将气体X 和气体Y 各0.16mol 充入10L 恒容密闭容器中,发生反应X(g)+Y(g) 2Z(g) △H < 0, 一段时间后达到平衡,反应过程中测定的数据如下表:下列说法正确的是A.反应前2min 的平均速率ν(Z)=2.0×10-3mol·L-1·min-1B.其他条件不变,降低温度,反应达到新平衡前ν(逆)> ν(正)C.该温度下此反应的平衡常数K=1.44D.其他条件不变,再充入0.2molZ,平衡时X 的体积分数增大答案.C三、化学平衡1.化学平衡的标志(1)定义在一定条件下的可逆反应,正反应和逆反应的速率相等,反应混合物中各组分的浓度保持不变的状态,叫做化学平衡状态,简称化学平衡(2)可逆反应:在相同条件下,既能向正反应方向进行又能向逆反应方向进行的反应,化学方程式中向右进行的反应叫正反应,向左进行的反应叫逆反应。
可逆反应的特点:整个体系中无论反应物还是生成物在反应结束后都不会消失。
(3)化学平衡的标志是: ① V 正=V 逆: ②各组分的物质的量、质量、含量保持不变。
2. 速度与平衡的关系(1) V 正>V 逆,平衡向正反应方向移动。
(2) V 正=V 逆,平衡不移动。
(3)V 正<V 逆,平衡向逆反应方向移动。
3. 化学平衡的特点①“动” : 化学平衡属于动态平衡,达到平衡时正反应和逆反应仍在进行。
②“等” : V 正=V 逆> 0 平衡的玉要原因是正反应速率等于逆反应速率。
③“定” :平衡时组分的百分含量不变。
反应物和生成物在整个体系中都含有,但是它们的百分含量一定,不再改变。
(4)“变” : 若条件改变,则化学平衡破坏,并在新条件下继续建立新的平衡。
当改变条件,使 v( 正) ≠v(逆)时,平衡不再存在,反应继续向平衡方向进行。
依理可逆反应总是向建立平衡的方向进行的。
4.化学平衡状态的判断可逆反应达到平衡时,V 正=V 逆,即单位时音内任一物质生成多少,就消耗多少. 表现在外部的特点是 : 各物质的物质的量不变,总物质的量也不变,每一种物质的物质的量的百分含量也不变,混合气体的平均相对分子质量也不变,每种物质的浓度也不变,如温度、体积固定,反应容器内的总压,也不随时间的变化而变化。
(但对反应前后气体物质分子数相等的可逆反应,就不能用总压、平均分子质量是否随时间变化来判断是否达到了平衡。
)(1)直接(特征)标志:①V 正=V逆:指反应体系中的用同一种物质来表示的正反应速率和逆反应速率相等,但对不同物质而言,速率不一定相等。
现以 N2(g)+3H2(g) 2NH3(g)为例,在单位时间、单位体积内:a. 若有 1mol: 消耗(代表 V 正),同时有 1molN: 生成(代表 V 逆)。
同种物质只需考虑量是否相同,所以有1mo1N2消耗必然同时有1mo1N2生成,即 V 正(N2)= V 逆(N2).b.若有1molN2消耗(代表V 正),同时有 3molH:生成(代表 V 逆).不同种物质要考虑化学计量数,由化学方程式知 N2和 H2化学计量数之比为 1: 3:所以有 1molN2消耗必然同时有 3mol H2生成,即 V 正(H2) =3 V 逆(N2),由此可见两者数值不相等 .c.同理可得以下关系:若有 lmo1N2消耗(代表V 正),同时有 2mol NH3消耗(代表 V 逆),若有 nmolN2消耗(代表V正),同时有2nmol NH3消耗(代表V逆)……d.同时还可以推出 : 若有 lmo1N=N 健断裂,则有 6molN-H 键断裂 .②各物质的百分含量保持不变。
(2)间接(等价)标志:①混合气体的总压强、总体积、总物质的量不随时间的改变而改变。
(注:m+n≠ p)对于反应前后的气体物质的分子总数不相等的可逆反应(如)来说,可利用混合气体的 M 压、总体积、总物质的量是否随着时间的改变而改变来判断是否达到平衡。
对于反应前后气体物质的分子数相等的可逆反应:(),不能用此标志判断平衡是否到达,因为在此反应过程中,气体的总压、总体积、总物质的量都不随时间的改变而改变。
②各物质的浓度不随时间的改变而改变。
③各物质的物质的量不随时间的改变而改变·④各气体的体积、各气体的分压不随时间的改变而改变。
小结:判断可逆反应达到平衡状态的方法和依据(1)若 m+n p+q 时,总压力一定(其它条件一定)(1)当m+n p+q 时 Mr=m(气)/n(总)体系的密度密度一定= m气(固定容积不变)()四、化学平衡的移动1.影响化学平衡的因素化学平衡移动的实质是外界因素破坏了原平衡状态时v正= v逆的条件,使正、逆反应速率不再相等,然后在新的条件下使正、逆反应速率重新相等,从而达到新的化学平衡。