施工临时围堰验收表
- 格式:doc
- 大小:49.00 KB
- 文档页数:2
围堰检验批质量验收记录基坑开挖检验批质量验收记录锚杆检验批质量验收记录基坑回填检验批质量验收记录大口井检验批质量验收记录预制取水头部制作检验批质量验收记录预制取水头部沉放检验批质量验收记录缆车、浮船式取水构筑物工程的混凝土及砌体结构检验批质量验收记录(一)续表续表2、在现浇混凝土和砌体结构中,L为斜坡道总长度(mm);在现浇钢筋混凝土框架和预制框架安装中,L为单梁或或板(构件)的长度(mm)缆车、浮船式取水构筑物的接管车与浮船检验批质量验收记录(一)缆车、浮船式取水构筑物的接管车与浮船检验批质量验收记录(二)续表δ2、倾斜角为轮轨接触平面与水平面的倾角。
岸边排放构筑物的出水口检验批质量验收记录(一)岸边排放构筑物的出水口检验批质量验收记录(二)注:H系指墙全高(mm)。
水中排放构筑物的出水口检验批质量验收记录注:H为垂直顶升管节的总长度(mm)。
固定式岸边取水构筑物的进水口检验批质量验收记录(一)固定式岸边取水构筑物的进水口检验批质量验收记录(二)注:H系指墙全高(mm)。
固定式河床取水构筑物的进水口检验批质量验收记录注:H为垂直顶升管节的总长度(mm)。
模板工程检验批质量验收记录现浇混凝土工程检验批质量验收记录续表注:H为壁板及柱的全高。
圆形构筑物缠丝张拉预应力混凝土检验批质量验收记录混凝土结构水处理构筑物检验批质量验收记录(一)混凝土结构水处理构筑物检验批质量验收记录(二)注:H为池壁全高,L为池体的长、宽或直径。
注:H为池壁、隔墙或柱的高度,L为池体的长、宽或直径。
混凝土结构管渠检验批质量验收记录注:渠底高程在竣工后的贯通测量允许偏差可按±20mm执行。
砖石砌体结构管渠检验批质量验收记录构筑物变形缝检验批质量验收记录注:H为结构全高(mm)。
塘体结构基槽开挖检验批质量验收记录塘体结构检验批质量验收记录(一)塘体结构检验批质量验收记录(二)注:H系指墙全高(mm)。
工艺辅助构筑物检验批质量验收记录(一)工艺辅助构筑物检验批质量验收记录(二)续表注:H为全高(mm)。
安全生产十项注意事项:
一、工作前穿戴好规定的劳动防护品,检查设备及作业场地,做到安全可靠。
二、不违章作业,并监督制止他人违章作业。
三、不准擅自开动别人操作的机械,电器开关设备。
登高作业应戴好安全带、安全帽、并有专人监护、防止坠落,严禁向下乱抛工具和设备零件。
四、不准随便拆除各种安全防护装置、信号标志、仪表及专指示器等。
保持设备齐全有效灵敏可靠。
五、不准随意启动设备。
机器设备停机检查或修理时,应切断电源并悬挂警示牌,取牌人应是挂牌人。
开机时发出信号,听到回音确定安全后才能开机。
六、不准吊装物及下行人。
多人操作起重搬运要统一指挥,密切配合。
不准超负荷使用机器。
七、不在易燃物品附近吸烟动火,不乱扔垃圾。
八、不在厂内无证驾驶机动车辆,机动车进出车间转弯必须鸣号减速。
车辆行驶中严禁爬上跳下。
九、工作时精力集中,不准打闹、赤脚、赤膊、穿拖鞋和高跟鞋。
十、上班时间不准怠工、滋事、脱岗或擅离职守。
有事请假经领导批准后方可离开岗位。
施工围堰验收表施工围堰验收表是用于检查施工围堰是否符合相关建设标准和要求的重要工具。
以下是一份施工围堰验收表的参考内容,共分为六个部分。
一、基本信息1. 施工围堰名称:2. 工程地点:3. 施工围堰建设单位:4. 监理单位:5. 施工单位:6. 设计单位:7. 验收单位:8. 验收日期:二、工程概况1. 施工围堰建设目的及功能:2. 施工围堰所属工程项目:3. 施工围堰建设始末时间:4. 施工围堰所用材料及数量:三、施工围堰建设过程1. 施工围堰建设前的准备工作是否符合要求:a. 是否进行现场环境勘测,了解周边环境情况;b. 是否依据环境保护要求制定施工围堰建设方案;c. 是否进行地质勘察,了解地质情况;d. 是否进行周边水文地质调查。
2. 施工围堰建设过程中的执行情况:a. 施工过程中是否按照施工围堰建设方案进行;b. 施工材料的选用是否合理;c. 施工技术是否合理有效;d. 施工围堰是否满足所需功能;e. 施工围堰是否符合安全要求;f. 施工围堰建设前后的地质环境是否发生变化。
四、施工围堰的主要问题和缺陷1. 施工围堰的外观检查:a. 是否存在破损、渗漏等问题;b. 施工围堰结构是否完好;c. 是否存在破坏围堰的活动。
2. 施工围堰的工程性能检查:a. 各项功能是否满足设计要求;b. 施工围堰围水能力是否符合要求;c. 施工围堰的稳定性是否满足要求;d. 是否存在泄水、渗漏等问题。
五、验收结论和建议1. 对施工围堰的总体评价:a. 施工围堰建设过程的合规性及规范性;b. 施工围堰的实施效果及运行稳定性。
2. 验收结论:a. 符合验收要求,可以投入使用;b. 需要修复或调整后再进行验收;c. 不符合验收要求,需要重新施工或改进。
3. 验收建议:a. 针对施工围堰存在的问题提出具体修复措施;b. 对施工围堰进行监测和保养的建议。
六、验收人员签字1. 监理单位:2. 施工单位:3. 设计单位:4. 验收单位:以上是一份施工围堰验收表的参考内容,可以根据实际情况进行调整和补充。
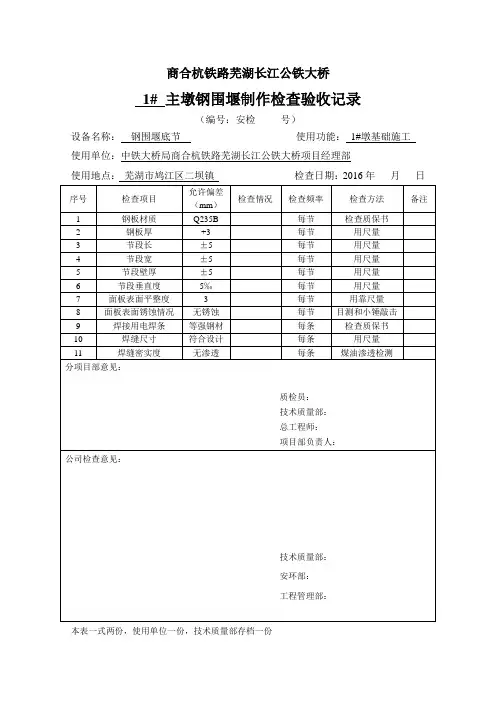
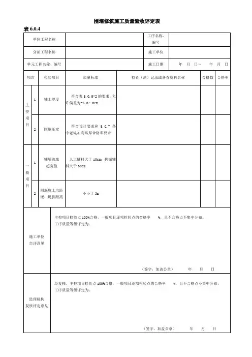
围堰临时工程验收表
围堰临时工程验收表
工程名称:XXXX 合同编号:XXXX 围堰位置:XXXX 围堰型式检查项目:
1.土料土质
2.堰顶高程
3.土围堰堰底清障、清淤
4.堰顶宽度
5.堰后渗漏水
6.桩材质量
7.桩底高程
8.木桩(钢桩)
9.围堰
10.桩顶高程
11.围堰顶宽
12.围檀拉杆
13.堰后渗漏水
14.堰顶宽度
15.桩材质量
16.土桩结合围堰桩底高程
17.桩顶高程
18.堰后渗漏水
施工单位自查意见:
监理单位检查意见:
联合验收小组意见:
质量要求:
1.符合设计和规范要求
2.不低于设计高程(▽4.5m)
3.符合设计要求
4.不小于设计宽度(3m)
5.无渗漏水或渗水微量且清澈
6.直径、长度符合设计要求
7.符合设计要求
8.不低于设计要求
9.不小于设计宽度(2.5m)
10.符合设计要求
11.无渗漏水或渗水微量且清澈
12.不小于设计宽度(3m)
13.直径、长度符合设计要求
14.符合设计要求
15.不低于设计要求
16.无渗漏水或渗水微量且清澈
检查结果:
终检人:XXXX年XX月XX日
监理工程师:XXXX年XX月XX日项目法人(代表)联合验收小组签名设计单位(代表)监理单位。