泥结碎石路面技术要求及验收规范
- 格式:doc
- 大小:47.02 KB
- 文档页数:5
第315节泥结碎石路面315.01 范围本节内容为在按图纸所示施工,并经监理工程师验收合格的基层上铺筑单层或多层泥结碎石面层、磨耗层和爱惜层及其有关的作业。
315.02 材料泥结碎石路面是以碎石作骨料、粘土作填充料和粘结料,经压实修筑的一种结构。
泥结碎石路面厚度一样为8~20cm;当总厚度等于或超过15cm时,一样分两层铺筑,上层厚度为6~10cm,基层厚度为9~20cm。
通常在泥结碎石路面上都加铺磨耗层和爱惜层,在潮湿的路段,还可掺入适量的石灰(约为土重的8~12%),以提高它的水稳性。
泥结碎石路面所用的石料,其品级不宜低于IV级,尽可能选用尺寸较大、表面粗糙、有棱角,颗粒形状接尽立方体的碎石。
长条、扁平壮颗粒不宜超过20%。
碎石的最大颗粒尺寸,当用作面层时,不得大于面层厚度的0.6倍;当用9作基层时,不得大于基层厚度的0.8倍。
在面层中,可采纳尺寸为15~25mm或25~35mm的碎石,嵌缝料可用5~15mm 的石屑;在基层中,可采纳尺寸为35~50mm或50~75mm的碎石,嵌缝料为15~25mm 的碎石。
泥结碎石路面所用粘土,应具有较高的粘性,塑性指数以12~15为宜。
粘土内不得含腐殖质或其它杂物。
粘土用量一样不超过混合料总重的15~18%。
粘土的实际用量,应依照碎石的颗粒尺寸、碾压情形而异,可在现场通过实验确信。
磨耗层应具有足够的坚实性和稳固性,通常多用坚硬、耐磨、抗冻性强的级配粒料来铺筑。
磨耗层的级配组成可按表315-1选用。
磨耗层矿物的级配表315-1磨耗层的厚度视所用材料和交通量大小而定,采纳坚硬小砾石或石屑时,宜厚2~3cm,用砂土时宜厚1~2cm,采纳软质材料时,以3~4cm厚为宜。
爱惜层铺在磨耗层上面,用来爱惜磨耗层。
加铺爱惜层是一项常常性方法。
爱惜层厚度一样不大于1cm。
按利用材料和铺设方式的不同,爱惜层分稳固爱惜层与松散爱惜层两种。
前者系利用含有粘土的混合料,借行车碾压,形成稳固的硬壳,粘结在磨耗层上;后者是只用粗砂或小砾石而不用粘土,在磨耗层上呈松散状态。
泥结碎石路面验收标准泥结碎石路面验收标准是对建设过程中完成的泥结碎石路面进行质量检查和验收的标准。
以下是关于泥结碎石路面验收标准的相关参考内容,供参考:一、材料验收:1.水泥:应检查水泥的生产日期、标志和质量证明文件;检查水泥的颜色、新鲜度和外观;进行水泥的试验,包括初凝时间、终凝时间和抗压强度等指标。
2.石子:进行石子的外观检查和实测密度;检查石子的颜色是否一致,无裂纹和污染;检查石子的硬度和抗压强度是否符合要求。
3.砂子:进行砂子的外观检查和实测密度;检查砂子的颜色是否一致,无杂质和污染;检查砂子的粒径分布和含水率是否符合要求。
4.黏土:检查黏土的颜色、湿度和粒度分布;检查黏土的塑性极限和流限。
二、施工工艺验收:1.基层处理:检查基层的平整度和强度;检查基层的含水率和密实度;检查基层的回弹值和承载力指标。
2.石子铺设:检查石子的厚度和均匀度;检查石子的压实度和粒径分布;进行孔隙率和容重的试验。
3.黏土铺设:检查黏土的厚度和均匀度;检查黏土的压实度和含水率;进行黏土的抗剪强度试验。
4.水泥封面层:检查封面层的厚度和均匀度;检查封面层的搅拌和浇筑工艺;进行封面层的抗压强度试验。
5.边沿处理:检查边沿的垂直度和平整度;检查边沿的高度和坡度;检查边沿的定型和密实度。
三、路面验收指标:1.平整度:进行路面的平整度测量,根据道路等级和设计要求进行评定;采用激光测量或平板测量方法,记录最大高差和整体平整度指标。
2.密实度:进行路面的密实度测量,根据道路等级和设计要求进行评定;采用剖面法或核密度计测量方法,记录各个剖面的密实度指标。
3.抗压强度:对于水泥封面层,进行抗压强度试验;根据设计要求和技术标准,计算平均抗压强度和最小抗压强度指标。
4.排水性:检查路面的排水性能,包括降雨排水和路面排水;进行排水排沙试验,记录排水深度和速度指标。
以上是关于泥结碎石路面验收标准的相关参考内容,通过对材料验收、施工工艺验收和路面验收指标的详细检查和试验,可以对泥结碎石路面的质量进行科学评定,保证路面的耐久性和安全性。
第315节泥结碎石路面315.01范围本节内容为在按图纸所示施工,并经监理工程师验收合格的基层上铺筑单层或多层泥结碎石面层、磨耗层和保护层及其有关的作业。
315.02材料泥结碎石路面是以碎石作骨料、粘土作填充料和粘结料,经压实修筑的一种结构。
泥结碎石路面厚度一般为8~20cm;当总厚度等于或超过15cm时,一般分两层铺筑,上层厚度为6~10cm,下层厚度为9~20cm。
通常在泥结碎石路面上都加铺磨耗层和保护层,在潮湿的路段,还可掺入适量的石灰(约为土重的8~12%),以提高它的水稳性。
泥结碎石路面所用的石料,其等级不宜低于IV级,尽量选用尺寸较大、表面粗糙、有棱角,颗粒形状接尽立方体的碎石。
长条、扁平壮颗粒不宜超过20%。
碎石的最大颗粒尺寸,当用作面层时,不得大于面层厚度的0.6倍;当用9作基层时,不得大于基层厚度的0.8倍。
在面层中,可采用尺寸为15~25mm或25~35mm的碎石,嵌缝料可用5~15mm的石屑;在基层中,可采用尺寸为35~50mm或50~75mm的碎石,嵌缝料为15~25mm的碎石。
泥结碎石路面所用粘土,应具有较高的粘性,塑性指数以12~15为宜。
粘土内不得含腐殖质或其它杂物。
粘土用量一般不超过混合料总重的15~18%。
粘土的实际用量,应根据碎石的颗粒尺寸、碾压情况而异,可在现场通过试验确定。
磨耗层应具有足够的坚实性和稳定性,通常多用坚硬、耐磨、抗冻性强的级配粒料来铺筑。
磨耗层的级配组成可按表315-1选用。
磨耗层矿物的级配表315-1磨耗层的厚度视所用材料和交通量大小而定,采用坚硬小砾石或石屑时,宜厚2~3cm,用砂土时宜厚1~2cm,采用软质材料时,以3~4cm厚为宜。
保护层铺在磨耗层上面,用来保护磨耗层。
加铺保护层是一项经常性措施。
保护层厚度一般不大于1cm。
按使用材料和铺设方法的不同,保护层分稳定保护层与松散保护层两种。
前者系使用含有粘土的混合料,借行车碾压,形成稳固的硬壳,粘结在磨耗层上;后者是只用粗砂或小砾石而不用粘土,在磨耗层上呈松散状态。
泥结碎石路面验收标准泥结碎石路面是一种常见的路面铺设材料,其质量的好坏直接影响着道路的使用寿命和行驶安全。
因此,在进行泥结碎石路面验收时,需要严格按照一定的标准进行。
下面,我们就来详细介绍一下泥结碎石路面验收标准。
一、外观质量泥结碎石路面的外观质量是最容易被人们注意到的,因此也是最为重要的一个方面。
在验收时,需要检查路面是否平整、无裂缝、无坑洼、无明显的松散现象,同时还需要检查路面颜色是否均匀、是否有明显的色差。
二、厚度质量泥结碎石路面的厚度质量是直接关系到道路使用寿命和行驶安全的因素之一。
在验收时,需要检查路面的厚度是否符合设计要求,是否均匀,是否存在厚薄不均的情况。
三、密实度质量泥结碎石路面的密实度质量是决定其承载能力和使用寿命的重要因素之一。
在验收时,需要检查路面的密实度是否符合设计要求,是否均匀,是否存在密实度不足或过高的情况。
四、平整度质量泥结碎石路面的平整度质量是直接影响行车舒适性和安全性的因素之一。
在验收时,需要检查路面的平整度是否符合设计要求,是否存在凸起、凹陷、波浪等现象。
五、附着力质量泥结碎石路面的附着力质量是决定其抗滑性能和行车安全性的重要因素之一。
在验收时,需要检查路面的附着力是否符合设计要求,是否存在滑动或打滑现象。
六、耐久性质量泥结碎石路面的耐久性质量是决定其使用寿命和维护成本的重要因素之一。
在验收时,需要检查路面的耐久性是否符合设计要求,是否存在龟裂、剥落、磨损等现象。
七、排水性能泥结碎石路面的排水性能是决定其防止积水和保持道路干燥的重要因素之一。
在验收时,需要检查路面的排水性能是否符合设计要求,是否存在积水现象。
综上所述,泥结碎石路面验收标准包括外观质量、厚度质量、密实度质量、平整度质量、附着力质量、耐久性质量和排水性能七个方面。
只有在这些方面都符合设计要求时,才能够保证道路使用寿命和行驶安全。
第315节泥结碎石路面315.01 范围本节内容为在按图纸所示施工,并经监理工程师验收合格的基层上铺筑单层或多层泥结碎石面层、磨耗层和保护层及其有关的作业。
315.02 材料泥结碎石路面是以碎石作骨料、粘土作填充料和粘结料,经压实修筑的一种结构。
泥结碎石路面厚度一般为8~20cm;当总厚度等于或超过15cm时,一般分两层铺筑,上层厚度为6~10cm,下层厚度为9~20cm。
通常在泥结碎石路面上都加铺磨耗层和保护层,在潮湿的路段,还可掺入适量的石灰(约为土重的8~12%),以提高它的水稳性。
泥结碎石路面所用的石料,其等级不宜低于IV级,尽量选用尺寸较大、表面粗糙、有棱角,颗粒形状接尽立方体的碎石。
长条、扁平壮颗粒不宜超过20%。
碎石的最大颗粒尺寸,当用作面层时,不得大于面层厚度的0.6倍;当用9作基层时,不得大于基层厚度的0.8倍。
在面层中,可采用尺寸为15~25mm或25~35mm的碎石,嵌缝料可用5~15mm的石屑;在基层中,可采用尺寸为35~50mm或50~75mm的碎石,嵌缝料为15~25mm的碎石。
泥结碎石路面所用粘土,应具有较高的粘性,塑性指数以12~15为宜。
粘土内不得含腐殖质或其它杂物。
粘土用量一般不超过混合料总重的15~18%。
粘土的实际用量,应根据碎石的颗粒尺寸、碾压情况而异,可在现场通过试验确定。
磨耗层应具有足够的坚实性和稳定性,通常多用坚硬、耐磨、抗冻性强的级配粒料来铺筑。
磨耗层的级配组成可按表315-1选用。
磨耗层矿物的级配表315-1磨耗层的厚度视所用材料和交通量大小而定,采用坚硬小砾石或石屑时,宜厚2~3cm,用砂土时宜厚1~2cm,采用软质材料时,以3~4cm厚为宜。
保护层铺在磨耗层上面,用来保护磨耗层。
加铺保护层是一项经常性措施。
保护层厚度一般不大于1cm。
按使用材料和铺设方法的不同,保护层分稳定保护层与松散保护层两种。
前者系使用含有粘土的混合料,借行车碾压,形成稳固的硬壳,粘结在磨耗层上;后者是只用粗砂或小砾石而不用粘土,在磨耗层上呈松散状态。
第315节泥结碎石路面之吉白夕凡创作315.01 范围本节内容为在按图纸所示施工,并经监理工程师验收合格的基层上铺筑单层或多层泥结碎石面层、磨耗层和呵护层及其有关的作业。
315.02 资料泥结碎石路面是以碎石作骨料、粘土作填充料和粘结料,经压实修筑的一种结构。
泥结碎石路面厚度一般为8~20cm;当总厚度等于或超出15cm时,一般分两层铺筑,上层厚度为6~10cm,下层厚度为9~20cm。
通常在泥结碎石路面上都加铺磨耗层和呵护层,在湿润的路段,还可掺入适量的石灰(约为土重的8~12%),以提高它的水稳性。
泥结碎石路面所用的石料,其等级不宜低于IV级,尽量选用尺寸较大、概况粗糙、有棱角,颗粒形状接尽立方体的碎石。
长条、扁平壮颗粒不宜超出20%。
碎石的最大颗粒尺寸,当用作面层时,不得大于面层厚度的0.6倍;当用9作基层时,不得大于基层厚度的0.8倍。
在面层中,可采取尺寸为15~25mm或25~35mm的碎石,嵌缝料可用5~15mm的石屑;在基层中,可采取尺寸为35~50mm或50~75mm的碎石,嵌缝料为15~25mm的碎石。
泥结碎石路面所用粘土,应具有较高的粘性,塑性指数以12~15为宜。
粘土内不得含腐殖质或其它杂物。
粘土用量一般不超出混合料总重的15~18%。
粘土的实际用量,应根据碎石的颗粒尺寸、碾压情况而异,可在现场通过试验确定。
磨耗层应具有足够的坚实性和稳定性,通常多用坚硬、耐磨、抗冻性强的级配粒料来铺筑。
磨耗层的级配组成可按表315-1选用。
磨耗层矿物的级配表315-1磨耗层的厚度视所用资料和交通量大小而定,采取坚硬小砾石或石屑时,宜厚2~3cm,用砂土时宜厚1~2cm,采取软质资料时,以3~4cm厚为宜。
呵护层铺在磨耗层上面,用来呵护磨耗层。
加铺呵护层是一项经常性措施。
呵护层厚度一般不大于1cm。
按使用资料和铺设方法的分歧,呵护层分稳定呵护层与松散呵护层两种。
前者系使用含有粘土的混合料,借行车碾压,形成稳固的硬壳,粘结在磨耗层上;后者是只用粗砂或小砾石而不必粘土,在磨耗层上呈松散状态。
第315节泥结碎石路面315.01范围本节内容为在按图纸所示施工,并经监理工程师验收合格的基层上铺筑单层或多层泥结碎石面层、磨耗层和保护层及其有关的作业。
315.02材料泥结碎石路面是以碎石作骨料、粘土作填充料和粘结料,经压实修筑的一种结构。
泥结碎石路面厚度一般为8~20cm;当总厚度等于或超过15cm时,一般分两层铺筑,上层厚度为6~10cm,下层厚度为9~20cm。
通常在泥结碎石路面上都加铺磨耗层和保护层,在潮湿的路段,还可掺入适量的石灰(约为土重的8~12%),以提高它的水稳性。
泥结碎石路面所用的石料,其等级不宜低于IV级,尽量选用尺寸较大、表面粗糙、有棱角,颗粒形状接尽立方体的碎石。
长条、扁平壮颗粒不宜超过20%。
碎石的最大颗粒尺寸,当用作面层时,不得大于面层厚度的0.6倍;当用9作基层时,不得大于基层厚度的0.8倍。
在面层中,可采用尺寸为15~25mm或25~35mm的碎石,嵌缝料可用5~15mm的石屑;在基层中,可采用尺寸为35~50mm或50~75mm的碎石,嵌缝料为15~25mm的碎石。
泥结碎石路面所用粘土,应具有较高的粘性,塑性指数以12~15为宜。
粘土内不得含腐殖质或其它杂物。
粘土用量一般不超过混合料总重的15~18%。
粘土的实际用量,应根据碎石的颗粒尺寸、碾压情况而异,可在现场通过试验确定。
磨耗层应具有足够的坚实性和稳定性,通常多用坚硬、耐磨、抗冻性强的级配粒料来铺筑。
磨耗层的级配组成可按表315-1选用。
磨耗层矿物的级配表315-1磨耗层的厚度视所用材料和交通量大小而定,采用坚硬小砾石或石屑时,宜厚2~3cm,用砂土时宜厚1~2cm,采用软质材料时,以3~4cm厚为宜。
保护层铺在磨耗层上面,用来保护磨耗层。
加铺保护层是一项经常性措施。
保护层厚度一般不大于1cm。
按使用材料和铺设方法的不同,保护层分稳定保护层与松散保护层两种。
前者系使用含有粘土的混合料,借行车碾压,形成稳固的硬壳,粘结在磨耗层上;后者是只用粗砂或小砾石而不用粘土,在磨耗层上呈松散状态。
第315节泥结碎石路面315.01 范围本节内容为在按图纸所示施工,并经监理工程师验收合格的基层上铺筑单层或多层泥结碎石面层、磨耗层和保护层及其有关的作业。
315.02 材料泥结碎石路面是以碎石作骨料、粘土作填充料和粘结料,经压实修筑的一种结构。
泥结碎石路面厚度一般为8~20cm;当总厚度等于或超过15cm时,一般分两层铺筑,上层厚度为6~10cm,下层厚度为9~20cm。
通常在泥结碎石路面上都加铺磨耗层和保护层,在潮湿的路段,还可掺入适量的石灰(约为土重的8~12%),以提高它的水稳性。
泥结碎石路面所用的石料,其等级不宜低于IV级,尽量选用尺寸较大、表面粗糙、有棱角,颗粒形状接尽立方体的碎石。
长条、扁平壮颗粒不宜超过20%。
碎石的最大颗粒尺寸,当用作面层时,不得大于面层厚度的0.6倍;当用9作基层时,不得大于基层厚度的0.8倍。
在面层中,可采用尺寸为15~25mm或25~35mm的碎石,嵌缝料可用5~15mm 的石屑;在基层中,可采用尺寸为35~50mm或50~75mm的碎石,嵌缝料为15~25mm的碎石。
泥结碎石路面所用粘土,应具有较高的粘性,塑性指数以12~15为宜。
粘土内不得含腐殖质或其它杂物。
粘土用量一般不超过混合料总重的15~18%。
粘土的实际用量,应根据碎石的颗粒尺寸、碾压情况而异,可在现场通过试验确定。
磨耗层应具有足够的坚实性和稳定性,通常多用坚硬、耐磨、抗冻性强的级配粒料来铺筑。
磨耗层的级配组成可按表315-1选用。
磨耗层矿物的级配表315-1磨耗层的厚度视所用材料和交通量大小而定,采用坚硬小砾石或石屑时,宜厚2~3cm,用砂土时宜厚1~2cm,采用软质材料时,以3~4cm厚为宜。
保护层铺在磨耗层上面,用来保护磨耗层。
加铺保护层是一项经常性措施。
保护层厚度一般不大于1cm。
按使用材料和铺设方法的不同,保护层分稳定保护层与松散保护层两种。
前者系使用含有粘土的混合料,借行车碾压,形成稳固的硬壳,粘结在磨耗层上;后者是只用粗砂或小砾石而不用粘土,在磨耗层上呈松散状态。
第315节泥结碎石路面315.01 范围本节内容为在按图纸所示施工,并经监理工程师验收合格的基层上铺筑单层或多层泥结碎石面层、磨耗层和保护层及其有关的作业。
315.02 材料泥结碎石路面是以碎石作骨料、粘土作填充料和粘结料,经压实修筑的一种结构。
泥结碎石路面厚度一般为8~20cm;当总厚度等于或超过15cm时,一般分两层铺筑,上层厚度为6~10cm,下层厚度为9~20cm。
通常在泥结碎石路面上都加铺磨耗层和保护层,在潮湿的路段,还可掺入适量的石灰(约为土重的8~12%),以提高它的水稳性。
泥结碎石路面所用的石料,其等级不宜低于IV级,尽量选用尺寸较大、表面粗糙、有棱角,颗粒形状接尽立方体的碎石。
长条、扁平壮颗粒不宜超过20%。
碎石的最大颗粒尺寸,当用作面层时,不得大于面层厚度的0.6倍;当用9作基层时,不得大于基层厚度的0.8倍。
在面层中,可采用尺寸为15~25mm或25~35mm的碎石,嵌缝料可用5~15mm的石屑;在基层中,可采用尺寸为35~50mm或50~75mm的碎石,嵌缝料为15~25mm的碎石。
泥结碎石路面所用粘土,应具有较高的粘性,塑性指数以12~15为宜。
粘土内不得含腐殖质或其它杂物。
粘土用量一般不超过混合料总重的15~18%。
粘土的实际用量,应根据碎石的颗粒尺寸、碾压情况而异,可在现场通过试验确定。
磨耗层应具有足够的坚实性和稳定性,通常多用坚硬、耐磨、抗冻性强的级配粒料来铺筑。
磨耗层的级配组成可按表315-1选用。
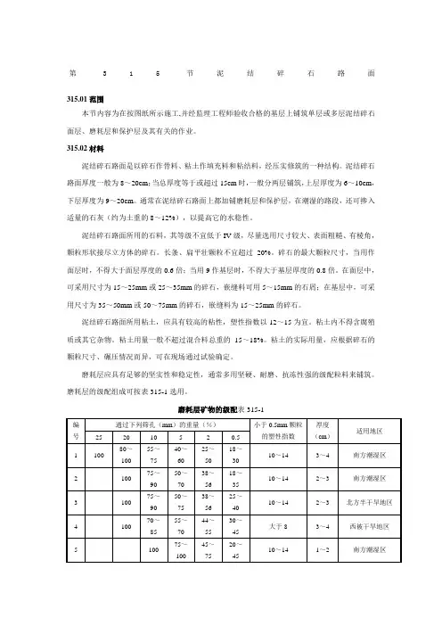
磨耗层矿物的级配表315-1编号通过下列筛孔(mm)的重量(%)小于0.5mm颗粒的塑性指数厚度(cm)适用地区25 20 10 5 2 0.51 100 80~10055~7540~6025~5018~3010~14 3~4 南方潮湿区2 100 75~9050~7038~5618~3510~14 2~3 南方潮湿区3 100 75~9050~7538~5625~4010~14 2~3 北方半干旱地区4 100 70~8555~7044~5530~45大于8 3~4 西被干旱地区5 100 75~10045~7520~4510~14 1~2 南方潮湿区6 100 80~9560~8035~5010~14 2~3 北方半干旱地区790~10060~8035~5010~12 1~2 北方半干旱地区磨耗层的厚度视所用材料和交通量大小而定,采用坚硬小砾石或石屑时,宜厚2~3cm,用砂土时宜厚1~2cm,采用软质材料时,以3~4cm厚为宜。
第315节泥结碎石路面315.01 范围本节内容为在按图纸所示施工,并经监理工程师验收合格的基层上铺筑单层或多层泥结碎石面层、磨耗层和保护层及其有关的作业。
315.02 材料泥结碎石路面是以碎石作骨料、粘土作填充料和粘结料,经压实修筑的一种结构。
泥结碎石路面厚度一般为8~20cm;当总厚度等于或超过15cm时,一般分两层铺筑,上层厚度为6~10cm,下层厚度为9~20cm。
通常在泥结碎石路面上都加铺磨耗层和保护层,在潮湿的路段,还可掺入适量的石灰(约为土重的8~12%),以提高它的水稳性。
泥结碎石路面所用的石料,其等级不宜低于IV级,尽量选用尺寸较大、表面粗糙、有棱角,颗粒形状接尽立方体的碎石。
长条、扁平壮颗粒不宜超过20%。
碎石的最大颗粒尺寸,当用作面层时,不得大于面层厚度的0.6倍;当用9作基层时,不得大于基层厚度的0.8倍。
在面层中,可采用尺寸为15~25mm或25~35mm的碎石,嵌缝料可用5~15mm的石屑;在基层中,可采用尺寸为35~50mm或50~75mm的碎石,嵌缝料为15~25mm的碎石。
泥结碎石路面所用粘土,应具有较高的粘性,塑性指数以12~15为宜。
粘土内不得含腐殖质或其它杂物。
粘土用量一般不超过混合料总重的15~18%。
粘土的实际用量,应根据碎石的颗粒尺寸、碾压情况而异,可在现场通过试验确定。
磨耗层应具有足够的坚实性和稳定性,通常多用坚硬、耐磨、抗冻性强的级配粒料来铺筑。
磨耗层的级配组成可按表315-1选用。
磨耗层矿物的级配表315-1磨耗层的厚度视所用材料和交通量大小而定,采用坚硬小砾石或石屑时,宜厚2~3cm,用砂土时宜厚1~2cm,采用软质材料时,以3~4cm厚为宜。
保护层铺在磨耗层上面,用来保护磨耗层。
加铺保护层是一项经常性措施。
保护层厚度一般不大于1cm。
按使用材料和铺设方法的不同,保护层分稳定保护层与松散保护层两种。
前者系使用含有粘土的混合料,借行车碾压,形成稳固的硬壳,粘结在磨耗层上;后者是只用粗砂或小砾石而不用粘土,在磨耗层上呈松散状态。
第315节泥结碎石路面315.01范围本节内容为在按图纸所示施工,并经监理工程师验收合格的基层上铺筑单层或多层泥结碎石面层、磨耗层和保护层及其有关的作业。
315.02材料泥结碎石路面是以碎石作骨料、粘土作填充料和粘结料,经压实修筑的一种结构。
泥结碎石路面厚度一般为8~20cm;当总厚度等于或超过15cm时,一般分两层铺筑,上层厚度为6~10cm,下层厚度为9~20cm。
通常在泥结碎石路面上都加铺磨耗层和保护层,在潮湿的路段,还可掺入适量的石灰(约为土重的8~12%),以提高它的水稳性。
泥结碎石路面所用的石料,其等级不宜低于IV级,尽量选用尺寸较大、表面粗糙、有棱角,颗粒形状接尽立方体的碎石。
长条、扁平壮颗粒不宜超过20%。
碎石的最大颗粒尺寸,当用作面层时,不得大于面层厚度的0.6倍;当用9作基层时,不得大于基层厚度的0.8倍。
在面层中,可采用尺寸为15~25mm或25~35mm 的碎石,嵌缝料可用5~15mm的石屑;在基层中,可采用尺寸为35~50mm或50~75mm的碎石,嵌缝料为15~25mm的碎石。
泥结碎石路面所用粘土,应具有较高的粘性,塑性指数以12~15为宜。
粘土内不得含腐殖质或其它杂物。
粘土用量一般不超过混合料总重的15~18%。
粘土的实际用量,应根据碎石的颗粒尺寸、碾压情况而异,可在现场通过试验确定。
磨耗层应具有足够的坚实性和稳定性,通常多用坚硬、耐磨、抗冻性强的级配粒料来铺筑。
磨耗层的级配组成可按表315-1选用。
磨耗层的厚度视所用材料和交通量大小而定,采用坚硬小砾石或石屑时,宜厚2~3cm,用砂土时宜厚1~2cm,采用软质材料时,以3~4cm厚为宜。
保护层铺在磨耗层上面,用来保护磨耗层。
加铺保护层是一项经常性措施。
保护层厚度一般不大于1cm。
按使用材料和铺设方法的不同,保护层分稳定保护层与松散保护层两种。
前者系使用含有粘土的混合料,借行车碾压,形成稳固的硬壳,粘结在磨耗层上;后者是只用粗砂或小砾石而不用粘土,在磨耗层上呈松散状态。
第315节泥结碎石路面315.01 范围本节内容为在按图纸所示施工,并经监理工程师验收合格的基层上铺筑单层或多层泥结碎石面层、磨耗层和保护层及其有关的作业。
315.02 材料泥结碎石路面是以碎石作骨料、粘土作填充料和粘结料,经压实修筑的一种结构。
泥结碎石路面厚度一般为8~20cm;当总厚度等于或超过15cm时,一般分两层铺筑,上层厚度为6~10cm,下层厚度为9~20cm。
通常在泥结碎石路面上都加铺磨耗层和保护层,在潮湿的路段,还可掺入适量的石灰(约为土重的8~12%),以提高它的水稳性。
泥结碎石路面所用的石料,其等级不宜低于IV级,尽量选用尺寸较大、表面粗糙、有棱角,颗粒形状接尽立方体的碎石。
长条、扁平壮颗粒不宜超过20%。
碎石的最大颗粒尺寸,当用作面层时,不得大于面层厚度的0.6倍;当用9作基层时,不得大于基层厚度的0.8倍。
在面层中,可采用尺寸为15~25mm或25~35mm的碎石,嵌缝料可用5~15mm的石屑;在基层中,可采用尺寸为35~50mm或50~75mm的碎石,嵌缝料为15~25mm的碎石。
泥结碎石路面所用粘土,应具有较高的粘性,塑性指数以12~15为宜。
粘土内不得含腐殖质或其它杂物。
粘土用量一般不超过混合料总重的15~18%。
粘土的实际用量,应根据碎石的颗粒尺寸、碾压情况而异,可在现场通过试验确定。
磨耗层应具有足够的坚实性和稳定性,通常多用坚硬、耐磨、抗冻性强的级配粒料来铺筑。
磨耗层的级配组成可按表315-1选用。
磨耗层矿物的级配表315-1磨耗层的厚度视所用材料和交通量大小而定,采用坚硬小砾石或石屑时,宜厚2~3cm,用砂土时宜厚1~2cm,采用软质材料时,以3~4cm厚为宜。
保护层铺在磨耗层上面,用来保护磨耗层。
加铺保护层是一项经常性措施。
保护层厚度一般不大于1cm。
按使用材料和铺设方法的不同,保护层分稳定保护层与松散保护层两种。
前者系使用含有粘土的混合料,借行车碾压,形成稳固的硬壳,粘结在磨耗层上;后者是只用粗砂或小砾石而不用粘土,在磨耗层上呈松散状态。
第315节泥结碎石路面315.01 范围本节内容为在按图纸所示施工,并经监理工程师验收合格的基层上铺筑单层或多层泥结碎石面层、磨耗层和保护层及其有关的作业。
315.02 材料泥结碎石路面是以碎石作骨料、粘土作填充料和粘结料,经压实修筑的一种结构。
泥结碎石路面厚度一般为8~20cm;当总厚度等于或超过15cm时,一般分两层铺筑,上层厚度为6~10cm,下层厚度为9~20cm。
通常在泥结碎石路面上都加铺磨耗层和保护层,在潮湿的路段,还可掺入适量的石灰(约为土重的8~12%),以提高它的水稳性。
泥结碎石路面所用的石料,其等级不宜低于IV级,尽量选用尺寸较大、表面粗糙、有棱角,颗粒形状接尽立方体的碎石。
长条、扁平壮颗粒不宜超过20%。
碎石的最大颗粒尺寸,当用作面层时,不得大于面层厚度的0.6倍;当用9作基层时,不得大于基层厚度的0.8倍。
在面层中,可采用尺寸为15~25mm或25~35mm的碎石,嵌缝料可用5~15mm的石屑;在基层中,可采用尺寸为35~50mm或50~75mm的碎石,嵌缝料为15~25mm的碎石。
泥结碎石路面所用粘土,应具有较高的粘性,塑性指数以12~15为宜。
粘土内不得含腐殖质或其它杂物。
粘土用量一般不超过混合料总重的15~18%。
粘土的实际用量,应根据碎石的颗粒尺寸、碾压情况而异,可在现场通过试验确定。
磨耗层应具有足够的坚实性和稳定性,通常多用坚硬、耐磨、抗冻性强的级配粒料来铺筑。
磨耗层的级配组成可按表315-1选用。
磨耗层矿物的级配表315-1磨耗层的厚度视所用材料和交通量大小而定,采用坚硬小砾石或石屑时,宜厚2~3cm,用砂土时宜厚1~2cm,采用软质材料时,以3~4cm厚为宜。
保护层铺在磨耗层上面,用来保护磨耗层。
加铺保护层是一项经常性措施。
保护层厚度一般不大于1cm。
按使用材料和铺设方法的不同,保护层分稳定保护层与松散保护层两种。
前者系使用含有粘土的混合料,借行车碾压,形成稳固的硬壳,粘结在磨耗层上;后者是只用粗砂或小砾石而不用粘土,在磨耗层上呈松散状态。
泥结碎石路面验收标准摘要:一、泥结碎石路面的定义和特点二、泥结碎石路面验收标准的重要性三、泥结碎石路面验收标准的具体内容1.材料要求2.施工要求3.路面质量要求4.验收方法和标准正文:泥结碎石路面验收标准是评价路面质量的重要依据,对于保证道路通行安全、舒适度以及延长路面使用寿命具有重要意义。
本文将详细介绍泥结碎石路面的验收标准。
首先,泥结碎石路面是一种结构较为简单的路面,主要是由碎石、粘土、石灰等材料组成。
其中碎石作为骨料,粘土作为填充料,石灰用于提高路面的水稳性。
这种路面的特点是抗压强度较高,抗水侵蚀性能较好,适用于我国大部分地区的道路铺设。
其次,泥结碎石路面验收标准主要涉及材料要求、施工要求、路面质量要求以及验收方法和标准。
在材料要求方面,碎石等级应不低于IV 级,尺寸较大、表面粗糙、有棱角,颗粒形状接尽立方体的碎石较为合适。
粘土应具有较高的粘性,以保证路面的强度和稳定性。
石灰的掺入量应根据土壤的性质和气候条件进行调整,以提高路面的水稳性。
在施工要求方面,泥结碎石路面的施工应按照一定的厚度进行分层铺筑,通常分为两层。
上层厚度为6~10cm,下层厚度为9~20cm。
在施工过程中,应严格控制拌合比例、压实程度以及养生时间,确保路面的施工质量。
在路面质量要求方面,泥结碎石路面应满足一定的强度、稳定性、平整度、抗滑性等要求。
具体包括:路面强度不低于设计要求;路面的稳定性、平整度、抗滑性等指标应满足相关规范的要求;路面表面的平整度、裂缝、坑洼等应满足一定的标准。
在验收方法和标准方面,验收人员应按照设计文件、施工规范以及相关验收标准进行验收。
对于不符合要求的部位,应及时要求施工单位进行整改,直至达到验收标准。
总之,泥结碎石路面验收标准对于保证路面质量具有重要意义。
可编辑修改精选全文完整版【1】水泥混凝土路面施工验收规范【1.1】施工准备1、施工单位应根据设计文件及施工条件,确定施工方案,编制施工组织设计。
2、施工前应解决水电供应,交通道路,搅拌和堆料场地,办公生活用房、工棚仓库和消防等设施。
3、有碍施工的建筑物、灌溉渠道和地下管线等,均应在施工前拆迁完毕。
4、施工前必须对混凝土路面原材料进行取样试验分析,并就提供混凝土配合比试验数据。
5、施工单位应根据设计文件,复测平面和高程控制桩,据以定出路面中心、路面宽度和纵横高程等样桩。
控制桩测量的精度,应符合国家有关标准、规范的规定。
【1.2】基层与垫层1、混凝土路面的路基,应符合下列要求:(1)路基的高度、宽度、纵横坡度和边坡等均应符合设计要求;(2)路基应有良好的排水系统;(3)路基应坚实、稳定,压实度和平整度应符合设计要求;(4)对现有路基加宽,应使新旧路基结合良好, 压实度应符合要求。
2、混凝土路面的基层,宜采用板体性好、强度高的石灰稳定土、工业废渣类、级配碎(砾)石掺灰和水泥稳定砂砾(包括石土)等半刚性基层,及泥灰结碎(砾)石基层。
3、混凝土路面基层的强度就满足设计要求。
基层施工应符合下列要求:(1)石灰稳定土基层,应做到土块粉碎,石灰合格,配料准确,拌和均匀,控制最佳含水量,碾压密实。
石灰含量宜占土的8%~12%。
当日平均气温低于5℃(摄氏度)时,应停止施工,并应在冻结前达到规定强度,石灰稳定土基层不宜在雨天施工;(2)对煤渣、粉煤灰、冶金矿渣等工业废渣类基层,应按其化学成份和颗粒组成,掺入一定数量石灰土或石渣组成混合料,加水拌和压实,洒水养护。
当日平均气温低于5℃时,不应施工,并应在冻结前达到规定强度;(3)泥灰结碎(砾)石基层,应严格控制泥灰的含量。
泥灰的总含量不宜大于总混合料的20%,石灰含量宜占的8%~12%,土的塑性指数宜为10~14。
施工可采用灌浆法或拌和法,采用拌和法时,应先拌匀灰土;注:土的塑性指数,为采用76g平衡锥标准测定液限。
泥结碎石路面验收标准泥结碎石路面验收标准是用于评估道路施工质量是否符合规范要求的重要指标,以下是关于泥结碎石路面验收标准的参考内容:一、材料验收标准:1. 碎石:应选择坚硬、无裂纹和明显薄片的石料,粒径应符合设计要求。
2. 泥土:应选择具有良好塑性和可塑性的黏土,含水量应符合工程要求。
二、基层施工验收标准:1. 基层表面应平整、无明显凸凹,不得有积水和渗水现象。
2. 基层的夯实度应符合设计要求,可通过静压试验和动压试验进行检测。
3. 基层的厚度应符合设计要求,并且在厚度测量点处(至少每100平方米一个)不得低于设计厚度。
三、碎石混合物施工验收标准:1. 碎石混合料的配合比应符合设计要求,拌和均匀,石子与胶结材料充分粘合。
2. 铺设厚度应符合设计要求,当厚度达到一定值时,应及时进行压实。
3. 施工过程中,要注意碎石混合料的湿度控制,湿度过高会导致碎石混合料坍塌,湿度过低会影响压实效果。
4. 铺设的碎石路面应平整,不得有凹凸不平的现象,且水平度和纵向坡度应符合设计要求。
四、压实验收标准:1. 压实范围:对于碎石路面,压实范围应该包括整个铺设区域,同时还要压实一定宽度的过渡区。
2. 压实设备:使用合适的压路机进行压实,保证良好的振实效果。
3. 压实次数:按照设计要求,对碎石路面进行足够次数的压实,确保达到设计强度要求。
4. 压实效果:压实后的碎石路面表面平整,无明显凹凸不平的现象,同时具备一定的抗滑和抗沉降能力。
五、泥结碎石路面验收标准:1. 泥结碎石路面的厚度应符合设计要求,并在厚度测量点处(至少每100平方米一个)不得低于设计厚度。
2. 路面表面应平整,不得有明显的凹凸不平和裂缝等缺陷。
3. 路面的抗滑能力和抗沉降能力应符合设计要求,在受到车辆荷载时不得出现明显的变形和沉降现象。
4. 路面表面的排水性能应良好,不得有积水和渗水现象。
以上是对泥结碎石路面验收标准的相关参考内容。
在实际施工中,可根据具体的工程要求和标准进行验收,以确保道路施工质量的合格性。
第315节泥结碎石路面315.01 范围本节内容为在按图纸所示施工,并经监理工程师验收合格的基层上铺筑单层或多层泥结碎石面层、磨耗层和保护层及其有关的作业。
315.02 材料泥结碎石路面是以碎石作骨料、粘土作填充料和粘结料,经压实修筑的一种结构。
泥结碎石路面厚度一般为8~20cm;当总厚度等于或超过15cm时,一般分两层铺筑,上层厚度为6~10cm,下层厚度为9~20cm。
通常在泥结碎石路面上都加铺磨耗层和保护层,在潮湿的路段,还可掺入适量的石灰(约为土重的8~12%),以提高它的水稳性。
泥结碎石路面所用的石料,其等级不宜低于IV级,尽量选用尺寸较大、表面粗糙、有棱角,颗粒形状接尽立方体的碎石。
长条、扁平壮颗粒不宜超过20%。
碎石的最大颗粒尺寸,当用作面层时,不得大于面层厚度的0.6倍;当用9作基层时,不得大于基层厚度的0.8倍。
在面层中,可采用尺寸为15~25mm或25~35mm的碎石,嵌缝料可用5~15mm的石屑;在基层中,可采用尺寸为35~50mm或50~75mm的碎石,嵌缝料为15~25mm的碎石。
泥结碎石路面所用粘土,应具有较高的粘性,塑性指数以12~15为宜。
粘土内不得含腐殖质或其它杂物。
粘土用量一般不超过混合料总重的15~18%。
粘土的实际用量,应根据碎石的颗粒尺寸、碾压情况而异,可在现场通过试验确定。
磨耗层应具有足够的坚实性和稳定性,通常多用坚硬、耐磨、抗冻性强的级配粒料来铺筑。
磨耗层的级配组成可按表315-1选用。
磨耗层矿物的级配表315-1磨耗层的厚度视所用材料和交通量大小而定,采用坚硬小砾石或石屑时,宜厚2~3cm,用砂土时宜厚1~2cm,采用软质材料时,以3~4cm厚为宜。
保护层铺在磨耗层上面,用来保护磨耗层。
加铺保护层是一项经常性措施。
保护层厚度一般不大于1cm。
按使用材料和铺设方法的不同,保护层分稳定保护层与松散保护层两种。
前者系使用含有粘土的混合料,借行车碾压,形成稳固的硬壳,粘结在磨耗层上;后者是只用粗砂或小砾石而不用粘土,在磨耗层上呈松散状态。
创作编号:
GB8878185555334563BT9125XW
创作者:凤呜大王*
第315节泥结碎石路面
315.01 范围
本节内容为在按图纸所示施工,并经监理工程师验收合格的基层上铺筑单层或多层泥结碎石面层、磨耗层和保护层及其有关的作业。
315.02 材料
泥结碎石路面是以碎石作骨料、粘土作填充料和粘结料,经压实修筑的一种结构。
泥结碎石路面厚度一般为8~20cm;当总厚度等于或超过15cm时,一般分两层铺筑,上层厚度为6~10cm,下层厚度为9~20cm。
通常在泥结碎石路面上都加铺磨耗层和保护层,在潮湿的路段,还可掺入适量的石灰(约为土重的8~12%),以提高它的水稳性。
泥结碎石路面所用的石料,其等级不宜低于IV级,尽量选用尺寸较大、表面粗糙、有棱角,颗粒形状接尽立方体的碎石。
长条、扁平壮颗粒不宜超过20%。
碎石的最大颗粒尺寸,当用作面层时,不得大于面层厚度的0.6倍;当用9作基层时,不得大于基层厚度的0.8倍。
在面层中,可采用尺寸为15~25mm或25~35mm的碎石,嵌缝料可用5~15mm的石屑;在基层中,可采用尺寸为35~50mm或50~75mm的碎石,嵌缝料为15~25mm的碎石。
泥结碎石路面所用粘土,应具有较高的粘性,塑性指数以12~15为宜。
粘土内不得含腐殖质或其它杂物。
粘土用量一般不超过混合料总重的15~18%。
粘土的实际用量,应根据碎石的颗粒尺寸、碾压情况而异,可在现场通过试验确定。
磨耗层应具有足够的坚实性和稳定性,通常多用坚硬、耐磨、抗冻性强的级配粒料来铺筑。
磨耗层的级配组成可按表315-1选用。
磨耗层矿物的级配表315-1
磨耗层的厚度视所用材料和交通量大小而定,采用坚硬小砾石或石屑时,宜厚2~3cm,用砂土时宜厚1~2cm,采用软质材料时,以3~4cm厚为宜。
保护层铺在磨耗层上面,用来保护磨耗层。
加铺保护层是一项经常性措施。
保护层厚度一般不大于1cm。
按使用材料和铺设方法的不同,保护层分稳定保护层与松散保护层两种。
前者系使用含有粘土的混合料,借行车碾压,形成稳固的硬壳,粘结在磨耗层上;后者是只用粗砂或小砾石而不用粘土,在磨耗层上呈松散状态。
315.03施工要求
泥结碎石路面应采用灌浆法施工,一般按下列工序进行:①准备工作;②摊铺碎石;③预压;④浇灌泥浆;⑤摊铺嵌缝料;⑥碾压。
⑴准备工作包括放样、布置料堆、整理路槽(或基层)与拌制泥浆等。
泥浆一般按水与土为0.8:1至1:1的体积比进行拌和配制。
如过稠,则灌不下去,泥浆要积在石层表面;如过稀,则易流淌于石层底部,干后体积缩小,粘结力降低,均将影响路面的强度和稳定性。
⑵摊铺碎石在路槽筑好以后,按虚铺厚度(约为压实厚度的1.2~1.3倍)摊铺碎石,要求大小颗粒均匀分布,纵横断面符合要求,厚度一致。
主层矿料粒径底层一般采用1~2号或2~3号碎石,面层一般采用3~4号碎石。
⑶预压碎石铺好后,用轻型压路机碾压,碾速宜慢,每分钟约25~30cm,轮迹重叠25~30cm。
一般碾压6~10遍,至石料无松动为止。
过多碾压将堵塞碎石缝隙,妨碍灌浆。
⑷浇灌泥浆在预压的碎石层上,灌注泥浆,浆要浇得均匀、浇得透,以灌满孔隙、表面与碎石齐平为度,但碎石棱角仍应露出泥浆之上。
⑸摊铺嵌缝料灌浆1~2h(小时)后,待泥浆下注,孔隙中空气溢出,表面未干前撒铺5~15mm的嵌缝料(约1~1.5m3/100m2),嵌缝料要撒得均匀。
⑹碾压撒过嵌缝料后,即用中型压路机进行碾压,并随时注意用扫帚将石屑扫匀。
如表面太干须略微洒水碾压,如表面太湿须待干后再压。
最终碾压阶段,需使碎
石缝隙内泥浆翻到路面上与所撒石屑粘成一个坚实的整体为止。
加铺磨耗层时,宜先平整原路面凹坑,矫正路拱,清除面上浮土和松散颗粒,然后洒水,将拌好的混合料均匀铺撒于路面上。
其松铺厚度约为压实厚度的1.3~1.4倍,即用轻型压路机压3~4遍,使形成密实平整、稳定的表层。
开放交通两周内调节行车路线,使磨耗层得到全面压实,并适当洒水,以保持最佳含水量。
稳定保护层的做法,是在湿润的磨耗层上浇洒粘土一层,用扫帚扫匀,或先铺粘土,洒水扫浆,接着撒铺粗砂或石屑,扫匀后控制行车碾压。
稳定保护层有砂土混合料与土砂封面两种。
沙土混合料是指天然级配的或人工配合的砂土混合料,其材料成分如表315-2。
砂土混合料材料组成表315-2
土砂封面系用粘土封面后,再撒一层砂,在湿润条件下借行车碾压形成密实的表层。
土、砂体积比大致为1:1。
松散保护层是在磨耗层上均匀铺撒粗砂或砂砾(石屑),粒径一般为2~5mm,干旱地区可用5~10mm。
在行车作用下,砂砾(石屑)常被移动、带走,因此需要经常补充、回砂、扫砂,保持均匀充足。
松散保护层材料,按其粒径规格分为三种,如表315-3所示。
松散保护层材料组成表315-3
松散保护层施工简便,而且可使车轮水平力所产生的能量(动能),大部分转化为松散颗粒的自由移动(位移)的位能,从而大大减少了车轮水平力对磨耗层的损坏作用。
因此,只要不断回砂、扫砂,就可保护磨耗层不致过早损坏。
松散保护层一般
适用于南方潮湿地区。
稳定保护层行车阻力小,养护用料少,但施工技术复杂,在干旱和大风地区宜于采用。
本工程采用稳定保护层。
315.04质量检验
1.基本要求
(1)材料应符合图纸和本规范要求。
(2)碾压应达到要求的压实度。
2.检查项目
见表315-4。
泥结石面层检查项目表315-4
3.外观鉴定
表面平整密实,边线整齐,无松散现象。
创作编号:
GB8878185555334563BT9125XW
创作者:凤呜大王*。