竣工验收通用记录表
- 格式:doc
- 大小:26.00 KB
- 文档页数:2
竣工验收记录表
1. 工程概况
请在此填写项目的概况信息。
2. 合同或设计要求
请在此列出项目的合同或设计要求。
3. 完成情况
请在此记录项目的完成情况。
4. 问题与建议
请在此记录项目中存在的问题和提出的建议。
5. 验收结论
请在此填写项目的验收结论,可以包括合格、需修正或不合格等。
6. 验收意见
请在此填写验收组成员的意见和建议。
7. 相关附件
请在此列出所有与竣工验收相关的附件。
8. 验收人员签字
请在此让验收组成员在相应位置签字确认。
竣工验收记录表处理流程
1. 填写竣工验收记录表,并在验收日期当天完成。
2. 将填写好的表格交验收组组长。
3. 验收组组长审核表格内容,并对不完整或有误的地方提出修改意见。
4. 在所有成员确认无误后,验收组组长签字确认验收记录表。
5. 将签字确认的竣工验收记录表归档保存。
注意:本竣工验收记录表仅作为竣工验收过程中的参考文件,如需详细了解项目的竣工情况,请参阅相关完整文件。
工程质量竣工验收记录注:单位(子单位)工程质量验收合格应符合:所含分部(子分部)工程的质量均应验收合格;质量控制资料应完整;所含分部工程有关安全和功能的检测资料应完整;主要功能项目的抽查结果应符合相关专业质量验收规范的规定;观感质量验收应符合要求。
单位(子单位)工程质量的验收均应在施工单位自行检查评定、监理(建设)单位验收合格的基础上进行,参加验收的各方人员应具备规定的专业技术资格。
验收记录由施工单位填写,验收结论由监理(建设)单位填写,综合验收结论由参加验收各方共同商定建设单位填写,应对工程质量是否符合设计和规范要求及总体质量水平作出评价。
控制资料核查记录(表一)工程名称:施工单位:共3页第控制资料核查记录(表一)工程名称:施工单位:共3页第注:①本表适用于工业与民用建筑安装工程,有特殊要求的工程,可据实啬检查项目;②本表所列资料应齐全、无缺项、漏项,内容符合有关规范和专门规定的要求;③试(检)验报告或记录内容应齐全、准确、真实,抄件应附原件复印件,并注明原件存放单位,有抄件人、抄件单位的签字和盖章;④表内出厂质量证明书按进场同一批(炉、编)号为一份;试验报告及见证取样送检书按同一编号为一份,测试、试验记录按每个系统或每个回路等工艺各为一份:验收意见、记录等按同一个验收批为一份:检验批数栏内的质量证明书、取样送检书、抽样试验报告等应按进场的批数、抽取样的组数计算,填入未打“×”符号栏内。
⑤核查意见、结论由监理(建设)单位填写。
⑥其他施工试验报告及见证取样检测报告记录包括置理件的现场拉拨强度检测报告;幕墙、窗的抗风压性能、空气渗透性能、雨水渗漏性能及平面变形性能检测报告;双组份硅铜结构胶的混匀性试验记录及拉断试验记录;铝塑复合板的剥离强度;石材弯曲强度、耐冻性及室内用花岗石的放射性等检测试验报告记录。
单位(子单位)工程质量 控制资料核查记录(表二)工程名称: 施工单位: 共3页第单位(子单位)工程安全和功能检验资料核查及主要功能抽查记录注:核查意见由监理(建设)单位填写,属非合同内工程的功能检查项目,应填写“无”;属合同内工程的功能检查项目,应填写其检查范围,是全数检验测试,还是按规定抽查检验测试。
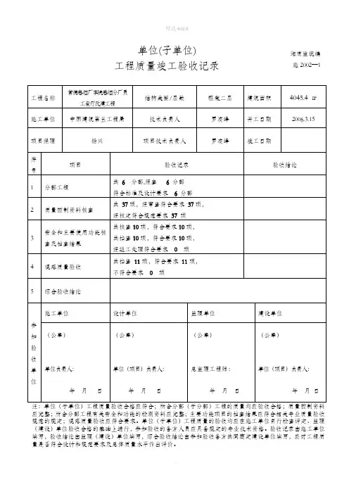
单位(子单位)湘质监统编工程质量竣工验收记录施2002—1应完整;所含分部工程有关安全和功能的检测资料应完整;主要功能项目的抽查结果应符合相关专业质量验收规范的规定;观感质量验收应符合要求。
单位(子单位)工程质量的验收均应在施工单位自行检查评定、监理(建设)单位验收合格的基础上进行,参加验收的各方人员应具备规定的专业技术资格。
验收记录由施工单位填写,验收结论由监理(建设)单位填写,综合验收结论由参加验收各方共同商定建设单位填写,应对工程质量是否符合设计和规范要求及总体质量水平作出评价。
湘质监统编控制资料核查记录施2002—2(表一)湘质监统编控制资料核查记录施2002—2(表二)内容符合有关规范和专门规定的要求;③试(检)验报告或记录内容应齐全、准确、真实,抄件应附原件复印件,并注明原件存放单位,有抄件人、抄件单位的签字和盖章;④表内出厂质量证明书按进场同一批(炉、编)号为一份;试验报告及见证取样送检书按同一编号为一份,测试、试验记录按每个系统或每个回路等工艺各一份;验收意见、记录等按同一个验收批为一份;检验批数栏内的质量证明书、取样送检书、抽样试验报告等应按进场的批数、抽取样的组数计算,填入未打“×”符号栏内。
⑤核查意见、结论由监理(建设)单位填写。
⑥其他施工试验报告及见证取样检测报告记录包括后置+埋件的现场拉拔强度检测报告;幕墙、窗的抗风压性能、空气渗透性能、雨水渗漏性能及平面变形性能检测报告;双组份硅铜结构胶的混匀性试验记录及拉断试验记录;铝塑复合板的剥离强度;石材弯曲强度、耐冻性及室内用花岗石的放射性等检测试验报告记录。
单位(子单位)工程质量湘质监统编施2002—2控制资料核查记录(表三)单位(子单位)工程安全和功能湘质监统编施2002—3检验资料核查及主要功能抽查记录能检查项目,应填写其检查范围,足全数检验测试,还是按规定抽查检验测试。
抽查结果及结论由监理(建设)单位填写,抽查项目由验收组(委员会)协商确定。
单位(子单位)工程质量竣工验收记录表工程名称结构层数 /类型建筑面积施工单位技术负责人开工日期项目经理项目技术竣工日期负责人序号项目验收记录验收结论1分部工共分部,经查分部,程分部符合标准及设计要求2共项,经审查符合要求项,质量控制资料核查项经核定符合规范要求共核查项,符合要求项,3安全和主要使用功项,符合要求项,共抽查能核查及抽查结果项经返工处理符合要求4共抽查项,符合要求项,观感质量验收项不符合要求5综合验收结论参建设单位监理单位施工单位设计单位加验(公章)(公章)(公章)(公章)收单单位(项目)负责人:总监理工程师:单位负责人:单位(项目)负责人:位年月日年月日年月日年月日单位(子单位)工程质量控制资料核查记录工程名称施工单位序号项目资料名称份数核查意见核查人1图纸会审、设计变更、洽商记录2工程定位测量、放线记录3原材料出厂合格证书及进场检(试)验报告4建施工试验报告及见证检测报告5筑隐蔽工程验收记录6与施工记录7预制构件、预拌混凝土合格证8结地基基础、主体结构检验及抽样检测资料9构分项、分部工程质量验收记录10工程质量事故及事故调查处理资料11新材料、新工艺施工记录121图纸会审、设计变更、洽商记录2给材料、配件出厂合格证书及进场检(试)验报告3排管道、设备强度试验、严密性试验记录4水隐蔽工程验收记录与5采系统清洗、灌水、通水、通球试验记录6暖施工记录7分项、分部工程质量验收记录81图纸会审、设计变更、洽商记录2建材料、设备出厂合格证书及进场检(试)验报告3筑设备调试记录4接地、绝缘电阻测试记录5电隐蔽工程验收记录6气施工记录7分项、分部工程质量验收记录续表工程名称施工单位序号项目资料名称份数核查意见核查人1图纸会审、设计变更、洽商记录2材料、设备出厂合格证书及进场检(试)验报告3通制冷、空调、水管道强度试验、严密性试验记录4风隐蔽工程验收记录5与制冷设备运行调试记录6空通风、空调系统调试记录7调施工记录8分项、分部工程质量验收记录91土建布置图纸会审、设计变更、洽商记录2电设备出厂合格证书及开箱检验记录3隐蔽工程验收记录4施工记录5梯接地、绝缘电阻测试记录6负荷试验、安全装置检查记录7分项、分部工程质量验收记录1智图纸会审、设计变更、洽商记录、竣工图及设计说明材料、设备出厂合格证及技术文件和进场检2能(试)验报告3建隐蔽工程验收记录4筑系统功能测定及设备调试记录5系统技术、操作和维护手册6系统管理、操作人员培训记录7系统检测报告8分项、分部工程质量验收报告施工单位监理单位检查结总监理工程师论项目经理年月日(建设单位项目负责人)年月日单位(子单位)工程安全和功能检验资料核查及主要功能抽查记录工程名称施工单位序号项目安全和功能检查项目份数核查意见抽查结果核查(抽查人)1屋面淋水试验记录2地下室防水效果检查记录3建有防水要求的地面蓄水试验记录4建筑物垂直度、标高、全高测量记录筑5抽气(风)道检查记录与6幕墙及外窗气密性、水密性、耐风压检测报告结7建筑物沉降观测测量记录构8节能、保湿测试记录9室内环境检测报告101给水管道通水试验记录2给排暖气管道、散热器压力试验记录3卫生器具满水试验记录水与4消防燃气管道压力试验记录采暖5排水干管道球试验记录61照明全负荷试验记录2电大型灯具牢固性试验记录3气避雷接地电阻测试记录4线路、插座、开关接地检验记录1通风、空调系统试运行记录2通风风量、温度测试记录3空调洁净室内洁净度测试记录4制冷机组试运行调试记录1电梯电梯运行记录2电梯安全装置检测报告1智能系统试运行记录2系统电源及接地检测报告建筑3检施工单位监理单位查结论总监理工程师项目经理年月日(建设单位项目负责人)年月日单位(子单位)工程观感质量检查记录工程名称施工单位质量评价序号项目抽查质量状况好一般差1室外墙面2变形缝3建筑水落管、屋面4室内墙面与5室内顶棚结构6室内地面7楼梯、踏步、护栏8门窗1给排管道接口、坡度、支架2卫生器具、支架、阀门水与3检查口、扫除口、地漏采暖4散热器、支架1建筑配电箱、盘、板、接线盒2设备器具、开关、插座电器3防雷、接地1风管、支架2通风风口、风阀3风机、空调设备与4阀门、支架空调5水泵、冷却塔6绝热1运行、平层、开关门2电梯层门、信号系统3机房1智能机房设备安装及布局2现场设备安装建筑3观感质量综合评价施工单位监理单位检查结总监理工程师论项目经理年月日(建设单位项目负责人)年月日看似短暂的一生,其间的色彩,波折,却是纷呈的,深不可测的,所以才有人拼尽一切阻隔,在路漫漫中,上下而求索。
单位(子单位)湘质监统编施2002—1工程质量竣工验收记录整;所含分部工程有关安全和功能的检测资料应完整;主要功能项目的抽查结果应符合相关专业质量验收规范的规定;观感质量验收应符合要求。
单位(子单位)工程质量的验收均应在施工单位自行检查评定、监理(建设)单位验收合格的基础上进行,参加验收的各方人员应具备规定的专业技术资格。
验收记录由施工单位填写,验收结论由监理(建设)单位填写,综合验收结论由参加验收各方共同商定建设单位填写,应对工程质量是否符合设计和规范要求及总体质量水平作出评价。
单位(子单位)工程质量湘质监统编施2002—2控制资料核查记录(表一)工程名称:常德卷烟厂零陵卷烟分厂员工餐厅改建工程施工单位:中国建筑第五工程单位(子单位)工程质量湘质监统编施2002—2控制资料核查记录(表二)工程名称:常德卷烟厂零陵卷烟分厂员工餐厅改建工程施工单位:中国建筑第五项目;②本表所列资料应齐全、无缺项、漏项,内容符合有关规范和专门规定的要求;③试(检)验报告或记录内容应齐全、准确、真实,抄件应附原件复印件,并注明原件存放单位,有抄件人、抄件单位的签字和盖章;④表内出厂质量证明书按进场同一批(炉、编)号为一份;试验报告及见证取样送检书按同一编号为一份,测试、试验记录按每个系统或每个回路等工艺各一份;验收意见、记录等按同一个验收批为一份;检验批数栏内的质量证明书、取样送检书、抽样试验报告等应按进场的批数、抽取样的组数计算,填入未打“×”符号栏内。
⑤核查意见、结论由监理(建设)单位填写。
⑥其他施工试验报告及见证取样检测报告记录包括后置+埋件的现场拉拔强度检测报告;幕墙、窗的抗风压性能、空气渗透性能、雨水渗漏性能及平面变形性能检测报告;双组份硅铜结构胶的混匀性试验记录及拉断试验记录;铝塑复合板的剥离强度;石材弯曲强度、耐冻性及室内用花岗石的放射性等检测试验报告记录。
单位(子单位)工程质量湘质监统编施控制资料核查记录2002—2(表三)工程名称:常德卷烟厂零陵卷烟分厂员工餐厅改建工程施工单位:中国建筑第五工单位(子单位)工程安全和功能湘质监统编检验资料核查及主要功能抽查记录施2002—3工程名称:常德卷烟厂零陵卷烟分厂员工餐厅改建工程施工单位:中国建筑“无”;属合同内工程的功能检查项目,应填写其检查范围,足全数检验测试,还是按规定抽查检验测试。