乙炔气瓶钢印标识说明
- 格式:doc
- 大小:27.50 KB
- 文档页数:1
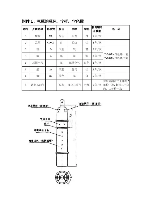
附件1:气瓶的瓶色、字样、字色标
附件2:气瓶的钢印标志
气瓶的钢印标志是识别气体的依据。
气瓶的钢印标志包括制造钢印标志和检验钢印标志,其位置见下图所示: 下图为打在瓶肩上和护罩上的两种钢印标记
1、制造钢印标志
制造钢印如下图打成扇面形时,钢印标志的项目和排列如下图所示:
图中标记含义:
1—气瓶制造单位代号;
2—气瓶编号;
3—水压试验压力,MPa;
4—公称工作压力,MPa;
5—实际重量,kg;
6—实际容积,L;
7—瓶体设计壁厚,mm;
8—制造单位检验标记和制造年月;
9—监督检验标记;
10—寒冷地区用气瓶标志。
2、检验钢印标志
检验钢印如下图打成扇面形时,钢印标志的项目和排列如图所示:
检验钢印也可能打在金属检验标志环上。
附件1:气瓶的瓶色、字样、字色标
附件2:气瓶的钢印标志
气瓶的钢印标志是识别气体的依据。
气瓶的钢印标志包
括制造钢印标志和检验钢印标志,其位置见下图所示:下图为打在瓶肩上和护罩上的两种钢印标记
(潤印标社在嶄(b)创印标记左护罩
1、制造钢印标志
制造钢印如下图打成扇面形时,钢印标志的项目和排列
如下图所示:
图中标记含义:
1 —气瓶制造单位代号;
2—气瓶编号;
3—水压试验压力,MPa
4—公称工作压力,MPa
5—实际重量,kg ;
6—实际容积,L;
7—瓶体设计壁厚,mm
8—制造单位检验标记和制造年月;
9—监督检验标记;
10—寒冷地区用气瓶标志。
2、检验钢印标志
检验钢印如下图打成扇面形时,钢印标志的项目和排列如图所示:
检验钢印也可能打在金属检验标志环上。
附件1:气瓶的瓶色、字样、字色标
序号介质名称化学式瓶色字样字色制造钢印
有效期
色环
1 甲烷CH4棕色甲烷白1年/次
2 乙炔CH=CH 白乙炔红3年/次
3 氧O2天蓝氧黑3年/次
P=20MPa白色环一道
P=30MPa白色环二道4 氮N2黑氮黄5年/次
8 压缩空气黑压缩空气白色3年/次
5 氩Ar 天蓝氩气红5年/次
6 氦He 棕色氦白5年/次
7 液化石油气银灰液化石油气大红5年/次使用未超过二十年的5年检一次,超过二十年的,二年检一次
附件2:气瓶的钢印标志
气瓶的钢印标志是识别气体的依据。
气瓶的钢印标志包括制造钢印标志和检验钢印标志,其位置见下图所示:下图为打在瓶肩上和护罩上的两种钢印标记
1、制造钢印标志
制造钢印如下图打成扇面形时,钢印标志的项目和排列如下图所示:
图中标记含义:
1—气瓶制造单位代号;
2—气瓶编号;
3—水压试验压力,MPa;
4—公称工作压力,MPa;
5—实际重量,kg;
6—实际容积,L;
7—瓶体设计壁厚,mm;
8—制造单位检验标记和制造年月;
9—监督检验标记;
10—寒冷地区用气瓶标志。
2、检验钢印标志
检验钢印如下图打成扇面形时,钢印标志的项目和排列如图所示:
检验钢印也可能打在金属检验标志环上。
(注:专业文档是经验性极强的领域,无法思考和涵盖全面,素材和资料部分来自网络,供参考。
可复制、编制,期待你的好评与关注)。
附件1:气瓶的瓶色、字样、字色标
序号介质名称化学式瓶色字样字色制造钢印
有效期
色环
1 甲烷CH4棕色甲烷白1年/次
2 乙炔CH=CH 白乙炔红3年/次
3 氧O2天蓝氧黑3年/次
P=20MPa白色环一道
P=30MPa白色环二道4 氮N2黑氮黄5年/次
8 压缩空气黑压缩空气白色3年/次
5 氩Ar 天蓝氩气红5年/次
6 氦He 棕色氦白5年/次
7 液化石油气银灰液化石油气大红5年/次使用未超过二十年的5年检一次,超过二十年的,二年检一次
附件2:气瓶的钢印标志
气瓶的钢印标志是识别气体的依据。
气瓶的钢印标志包括制造钢印标志和检验钢印标志,其位置见下图所示: 下图为打在瓶肩上和护罩上的两种钢印标记
1、制造钢印标志
制造钢印如下图打成扇面形时,钢印标志的项目和排列如下图所示:
图中标记含义:
1—气瓶制造单位代号;
2—气瓶编号;
3—水压试验压力,MPa;
4—公称工作压力,MPa;
5—实际重量,kg;
6—实际容积,L;
7—瓶体设计壁厚,mm;
8—制造单位检验标记和制造年月;
9—监督检验标记;
10—寒冷地区用气瓶标志。
2、检验钢印标志
检验钢印如下图打成扇面形时,钢印标志的项目和排列
如图所示:
检验钢印也可能打在金属检验标志环上。
气瓶的颜色标记和钢印标志(2)气瓶的颜色标记和钢印标志一、气瓶的颜色标记气瓶的颜色标记系指气瓶外表面的瓶色、字样、字色和色环,其作用有二:一是气瓶种类识别根据;二是防止气瓶锈蚀。
1.颜色标记详见表4—16和表4—17。
表4—16 常用介质的气瓶颜色标记①表中P为公称工作压力。
②瓶色包括瓶帽、护罩的颜色。
表4—17 表4—16中未列介质气瓶颜色标记2.颜色标记的若干说明(1)关于字样字样除了指表4—16中的气瓶充装介质的名称以外,还包括气瓶所属单位的名称和其它内容。
例如:溶解乙炔气瓶内的不可近火等。
字样一律采用仿宋体宇表示,凡属液化气体在介质名称前一律冠以液化、液字样,对于小容积气瓶可用化学式表示。
对于40L的气瓶,字体高度为80~100mm,对于其它规格的气瓶,字体大小按相应比例放大或缩小。
说明:①字样一律采用仿宋体,字体高度一般为8 0毫米②色环宽度一般为40毫米图4—21 气瓶漆色、标志示意图字样排列如图4—21所示。
对于立式气瓶介质名称按瓶的环向横写,位于瓶高3/4处,单位名称按瓶的轴向竖写,位于介质名称的下方或转向180°的瓶侧;对于卧式气瓶介质名称和单位名称均以瓶的轴向从阀端向右(瓶的阀端在涂字人的左方)分项横列于瓶身中部,单位名称位于介质名称之下,项间为气瓶筒身周长的1/4或1/2。
(2)关于色环色环是区别充装同一介质,但具有不同公称工作压力的气瓶标记。
凡充装同一介质且公称工作压力比规定起始级高一等级的气瓶要加涂一道色环,高二个等级的加涂二道色环,公称工作压力分级按表4—1执行。
对于公称容积40L的气瓶,单环宽度为40mm,二环每环宽度为30mm。
其它规格的气瓶,色环宽度按相应比例放宽或缩窄,色环间距等于色环宽度。
色环的位置是:立式气瓶色环位于气瓶高2/3处,且介于介质名称和单位名称之间;卧式气瓶色环位于距阀端1/4瓶体长度处。
色环、字样、防震圈之间,均应保持适当距离。
二、气瓶的钢印标志气瓶的钢印标志是识别气体的依据。
气瓶的颜色标记和钢印标志(2)气瓶的颜色标记和钢印标志一、气瓶的颜色标记气瓶的颜色标记系指气瓶外表面的瓶色、字样、字色和色环,其作用有二:一是气瓶种类识别根据;二是防止气瓶锈蚀。
1.颜色标记详见表4—16和表4—17。
表4—16 常用介质的气瓶颜色标记①表中P为公称工作压力。
②瓶色包括瓶帽、护罩的颜色。
表4—17 表4—16中未列介质气瓶颜色标记2.颜色标记的若干说明(1)关于字样字样除了指表4—16中的气瓶充装介质的名称以外,还包括气瓶所属单位的名称和其它内容。
例如:溶解乙炔气瓶内的不可近火等。
字样一律采用仿宋体宇表示,凡属液化气体在介质名称前一律冠以液化、液字样,对于小容积气瓶可用化学式表示。
对于40L的气瓶,字体高度为80~100mm,对于其它规格的气瓶,字体大小按相应比例放大或缩小。
说明:①字样一律采用仿宋体,字体高度一般为8 0毫米②色环宽度一般为40毫米图4—21 气瓶漆色、标志示意图字样排列如图4—21所示。
对于立式气瓶介质名称按瓶的环向横写,位于瓶高3/4处,单位名称按瓶的轴向竖写,位于介质名称的下方或转向180°的瓶侧;对于卧式气瓶介质名称和单位名称均以瓶的轴向从阀端向右(瓶的阀端在涂字人的左方)分项横列于瓶身中部,单位名称位于介质名称之下,项间为气瓶筒身周长的1/4或1/2。
(2)关于色环色环是区别充装同一介质,但具有不同公称工作压力的气瓶标记。
凡充装同一介质且公称工作压力比规定起始级高一等级的气瓶要加涂一道色环,高二个等级的加涂二道色环,公称工作压力分级按表4—1执行。
对于公称容积40L的气瓶,单环宽度为40mm,二环每环宽度为30mm。
其它规格的气瓶,色环宽度按相应比例放宽或缩窄,色环间距等于色环宽度。
色环的位置是:立式气瓶色环位于气瓶高2/3处,且介于介质名称和单位名称之间;卧式气瓶色环位于距阀端1/4瓶体长度处。
色环、字样、防震圈之间,均应保持适当距离。
二、气瓶的钢印标志气瓶的钢印标志是识别气体的依据。
附件1:气瓶的瓶色、字样、字色标
附件2:气瓶的钢印标志
气瓶的钢印标志是识别气体的依据。
气瓶的钢印标志包括制造钢印标志和检验钢印标志,其位置见下图所示:下图为打在瓶肩上和护罩上的两种钢印标记
1、制造钢印标志
制造钢印如下图打成扇面形时,钢印标志的项目和排列如下图所示:
图中标记含义:
1—气瓶制造单位代号;
2—气瓶编号;
3—水压试验压力,MPa;
4—公称工作压力,MPa;
5—实际重量,kg;
6—实际容积,L;
7—瓶体设计壁厚,mm;
8—制造单位检验标记和制造年月;
9—监督检验标记;
10—寒冷地区用气瓶标志。
2、检验钢印标志
检验钢印如下图打成扇面形时,钢印标志的项目和排列如图所示:
检验钢印也可能打在金属检验标志环上。
如有侵权请联系告知删除,感谢你们的配合!。